Скачать Типовой проект 902-9-32.85 Альбом II. Технологическая, санитарно-техническая и архитектурно-строительная частиДата актуализации: 01.01.2021
|
| Обозначение: | Типовой проект 902-9-32.85 |
| Обозначение англ: | 902-9-32.85 |
| Статус: | не определен законодательством |
| Название рус.: | Альбом II. Технологическая, санитарно-техническая и архитектурно-строительная части |
| Дата добавления в базу: | 01.09.2013 |
| Дата актуализации: | 01.01.2021 |
| Дата введения: | 05.10.1985 |
| Дата окончания срока действия: | 30.06.2003 |
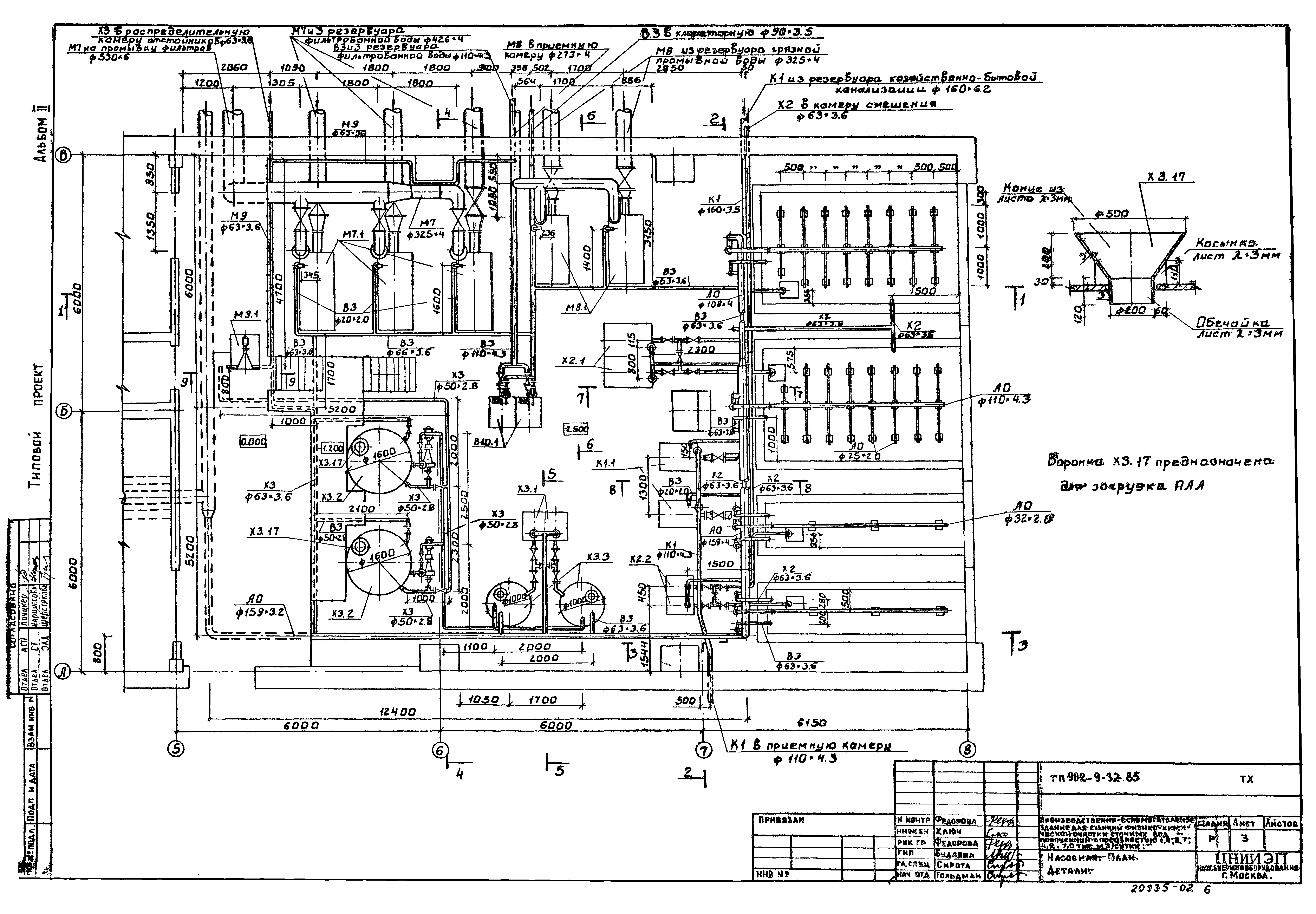
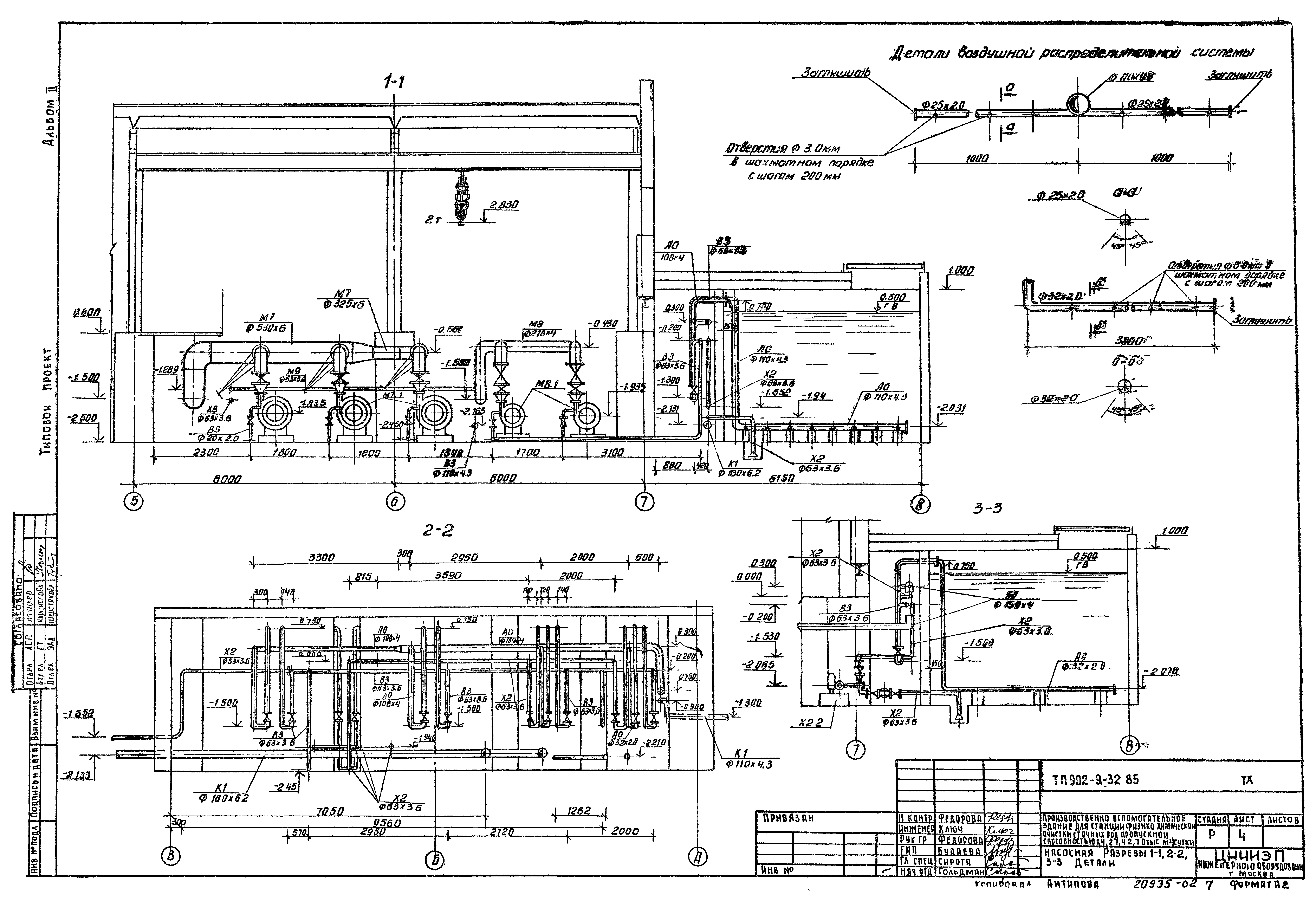
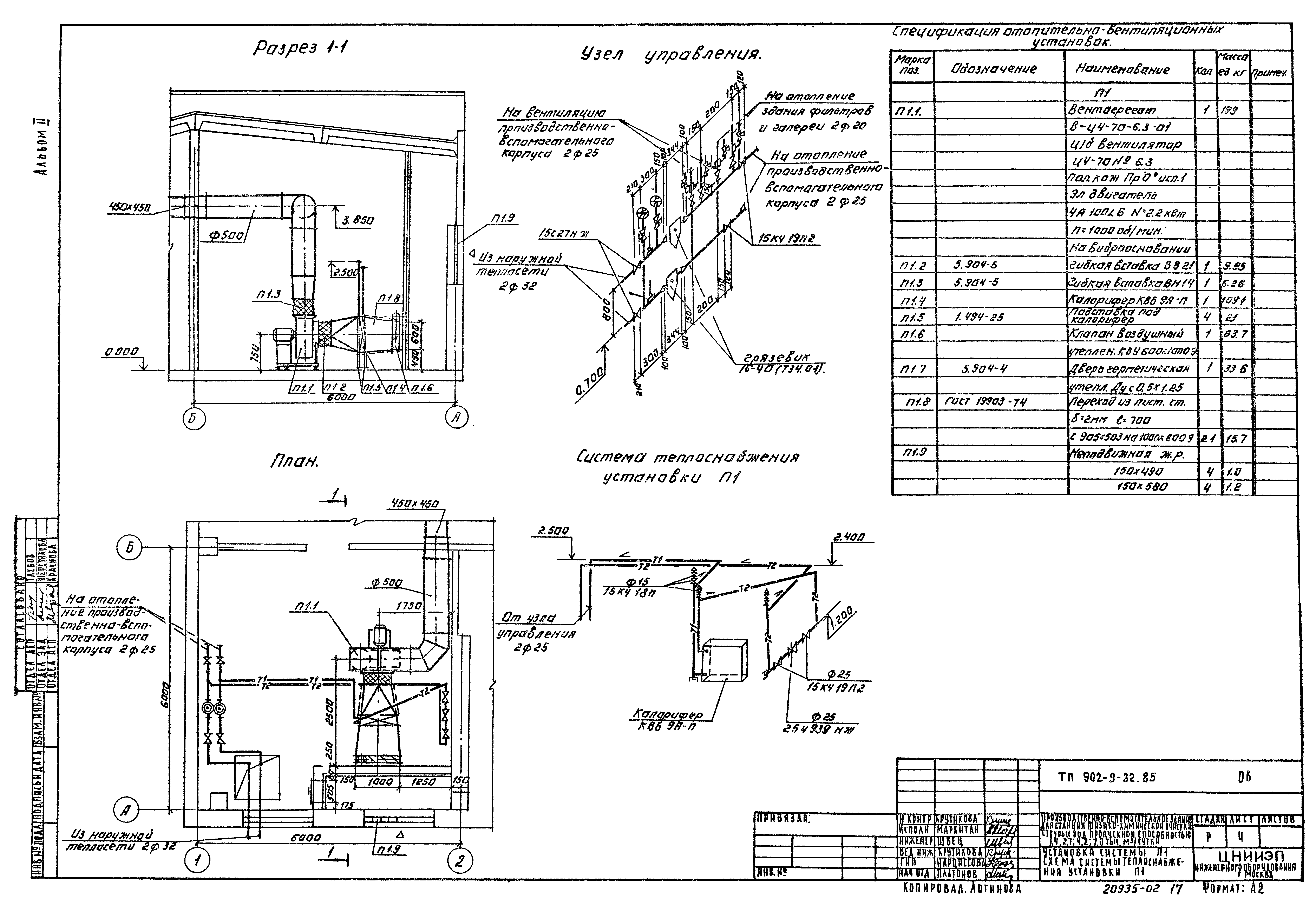
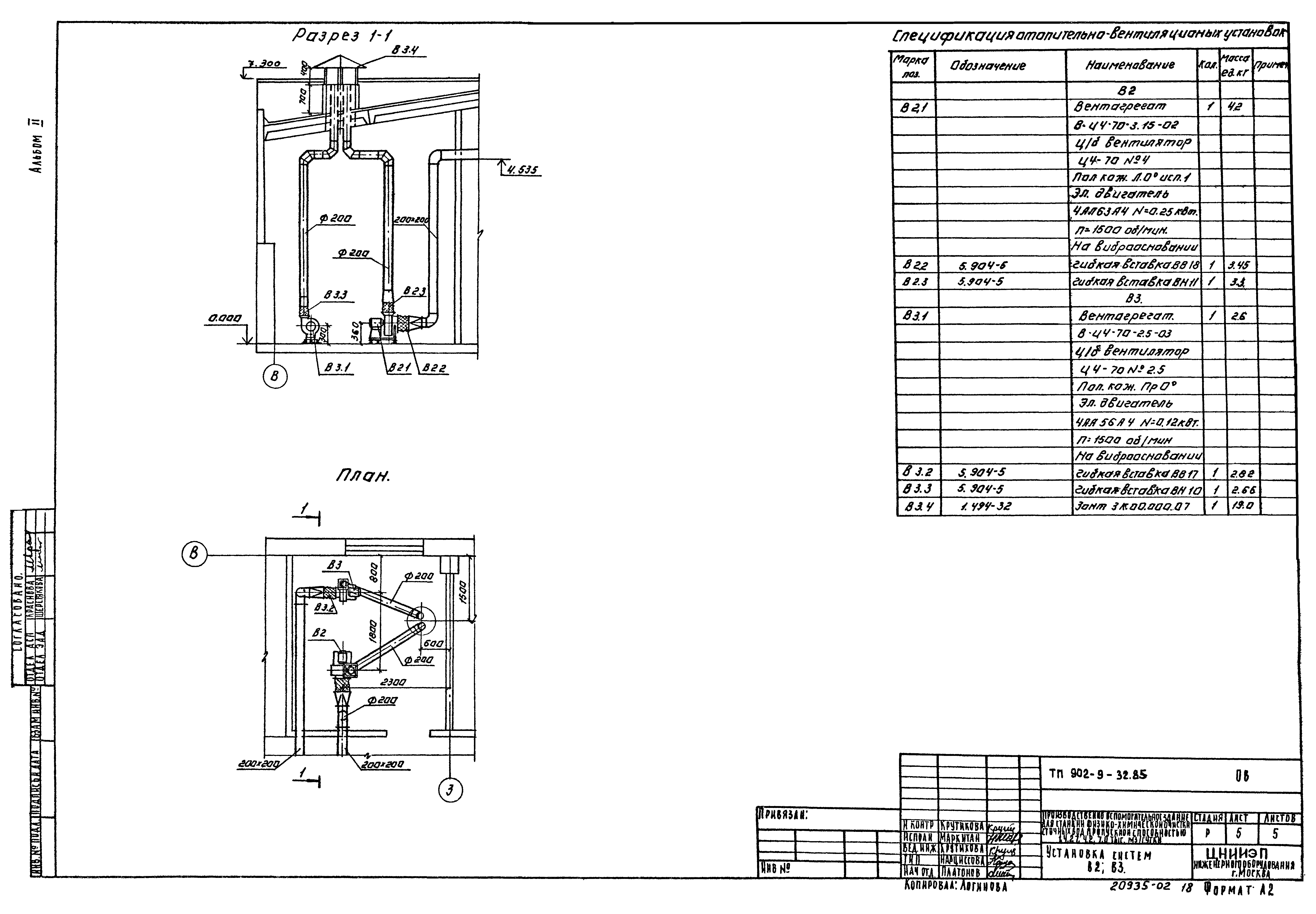
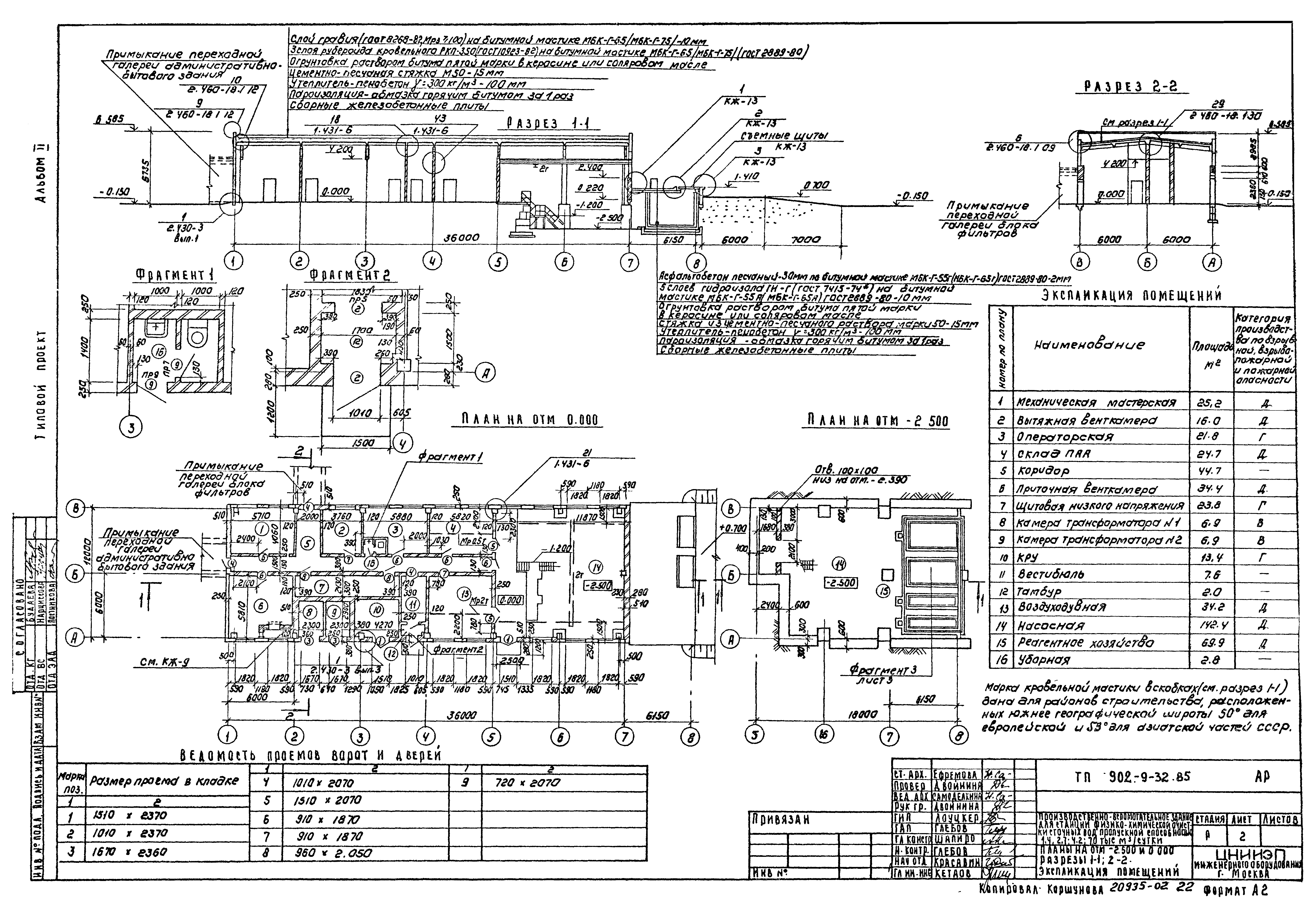
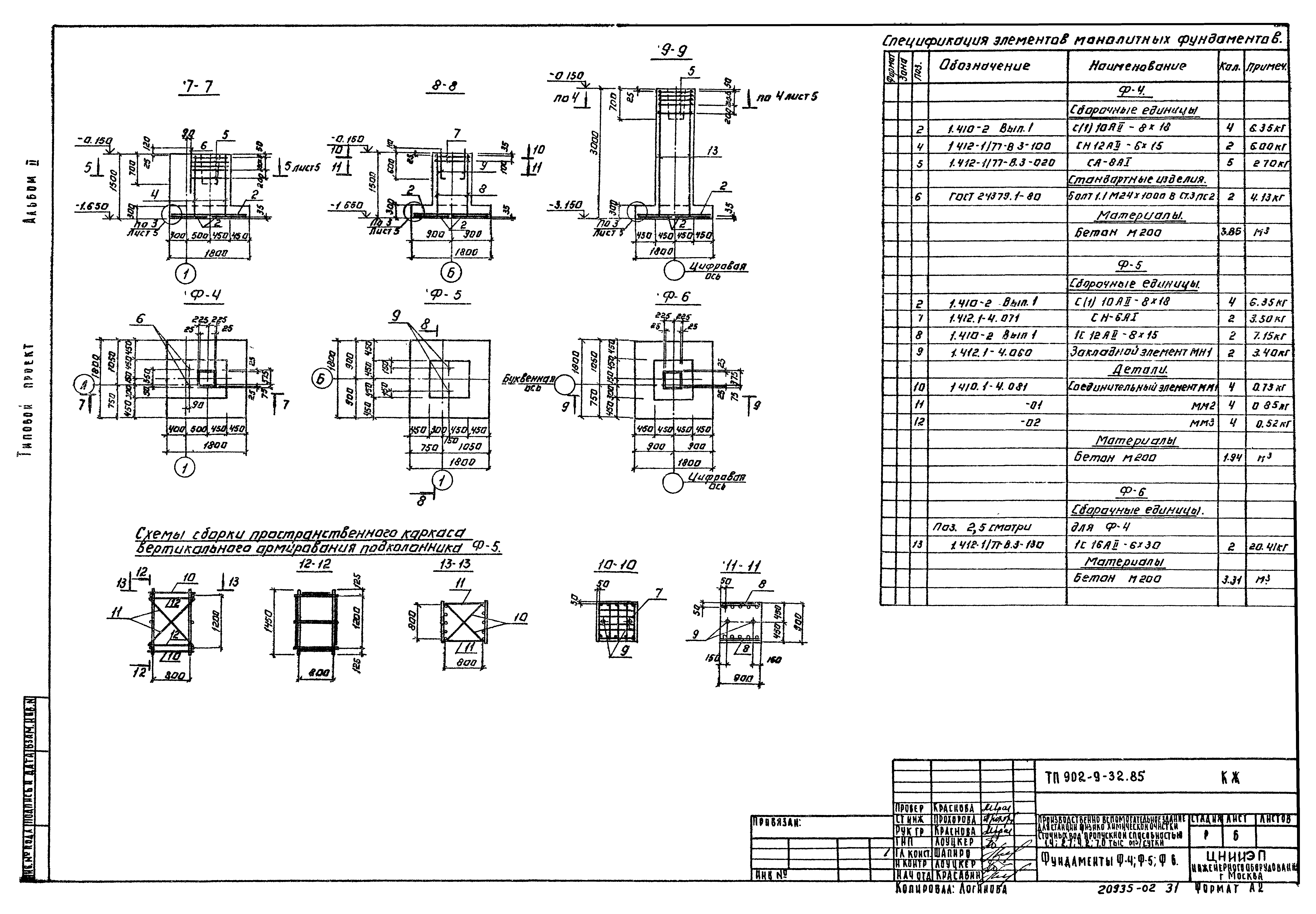
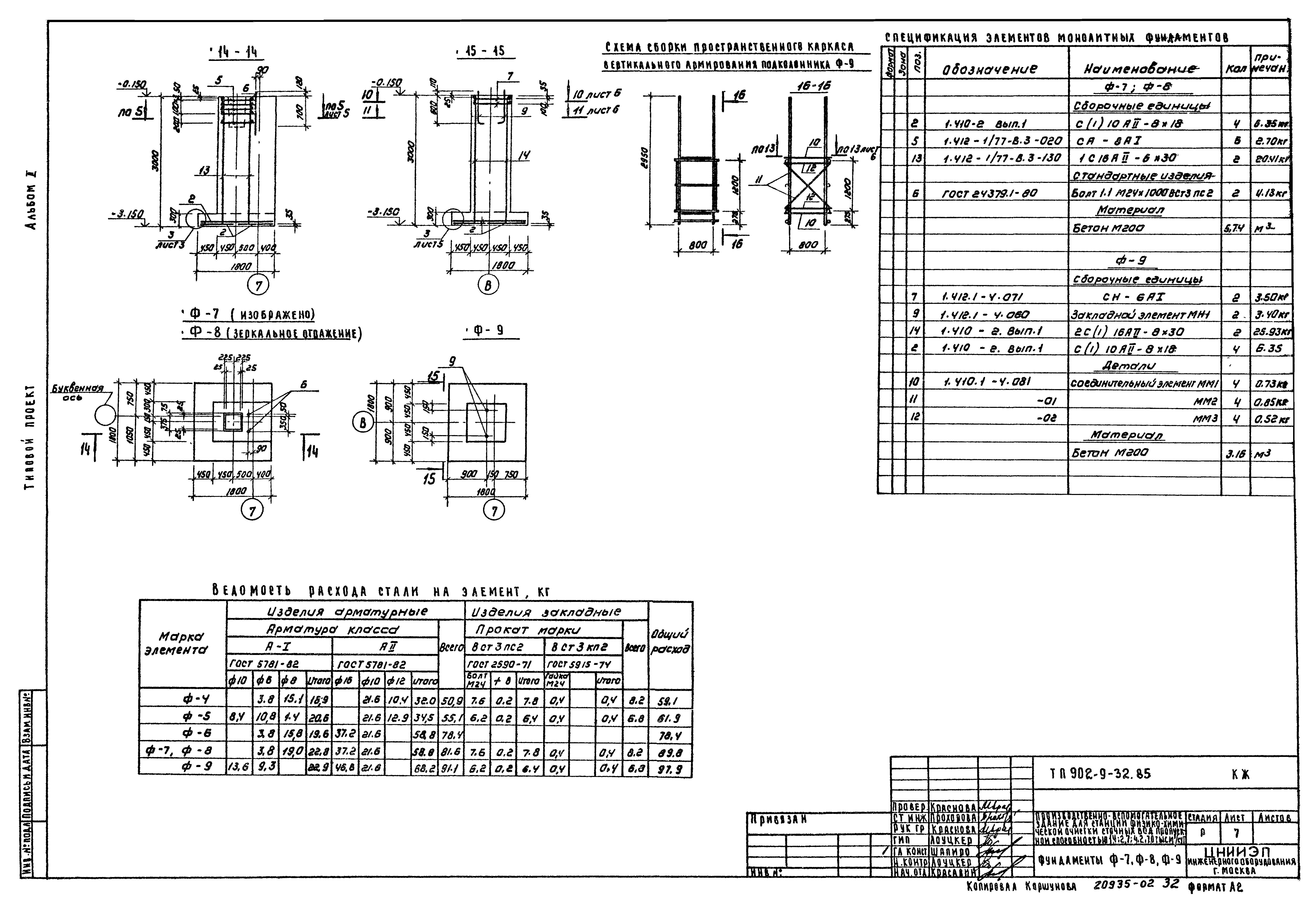
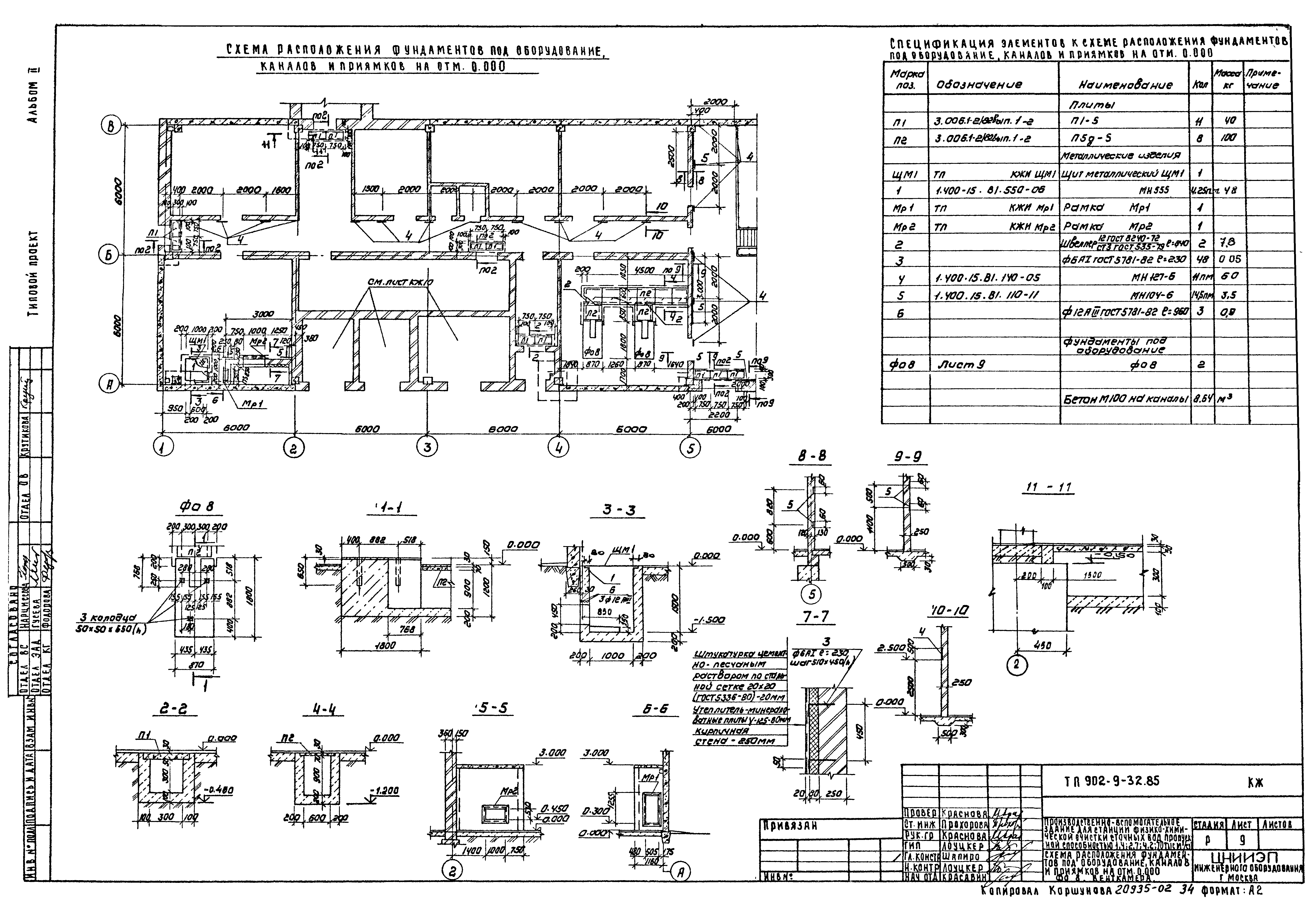
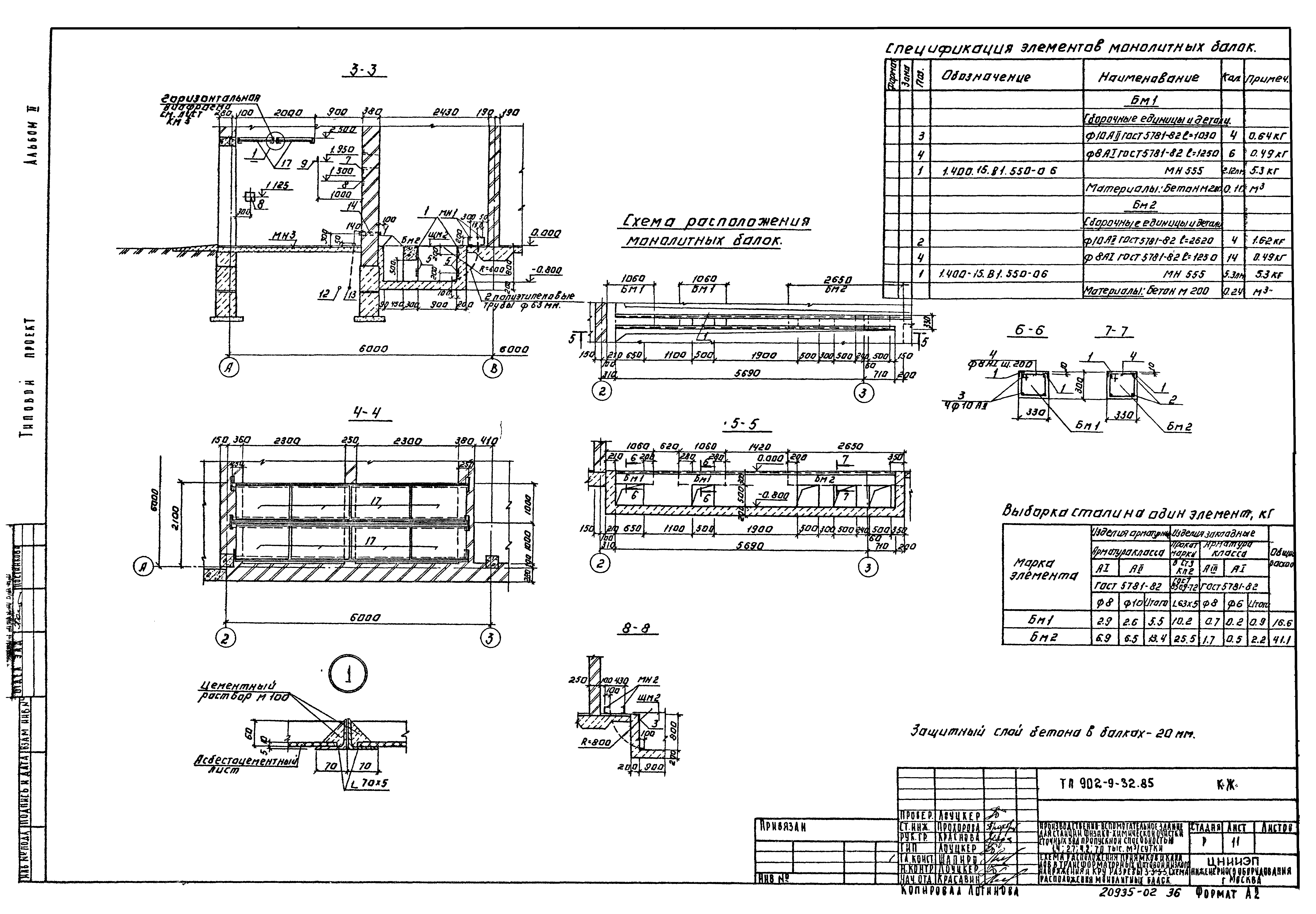
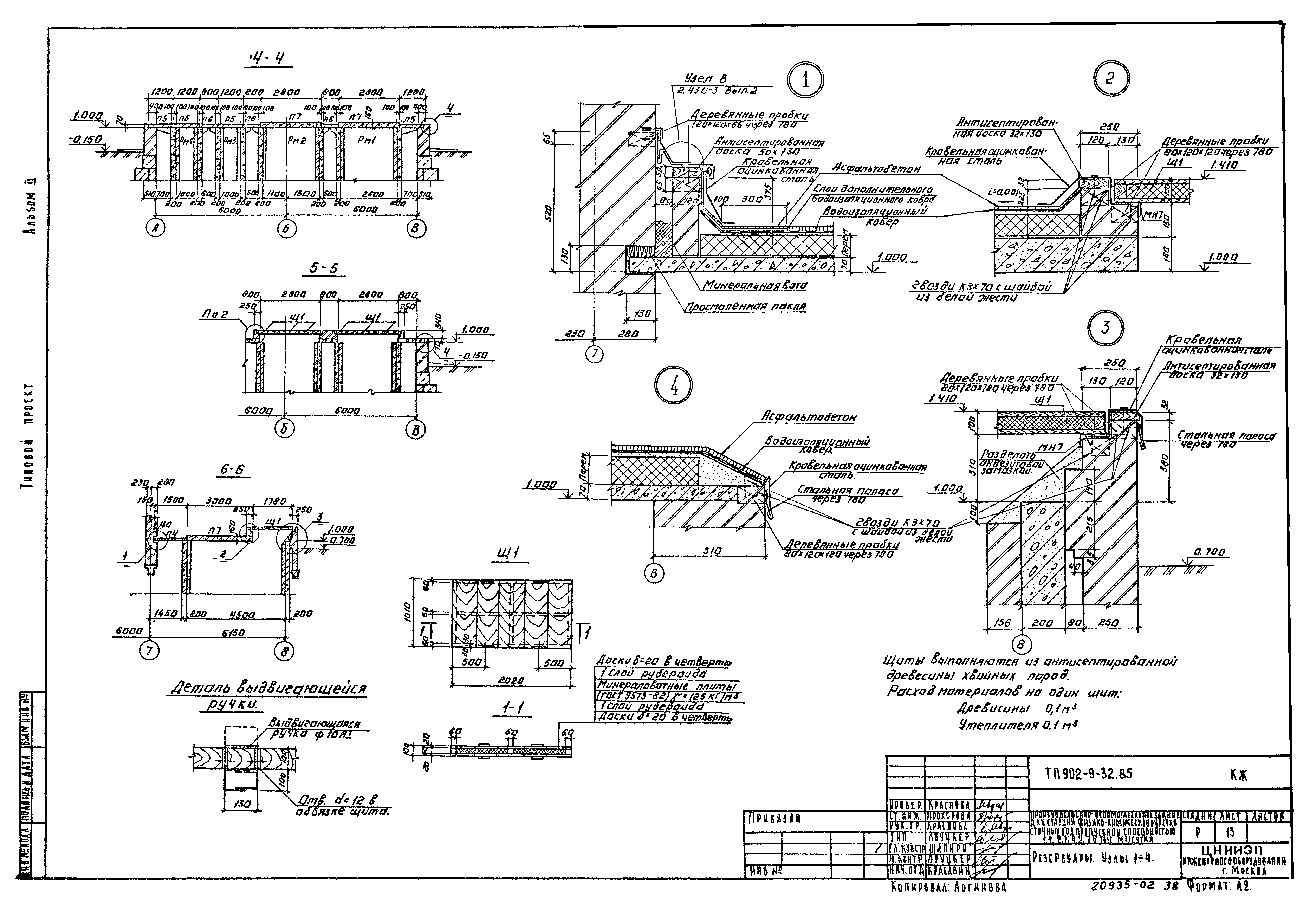
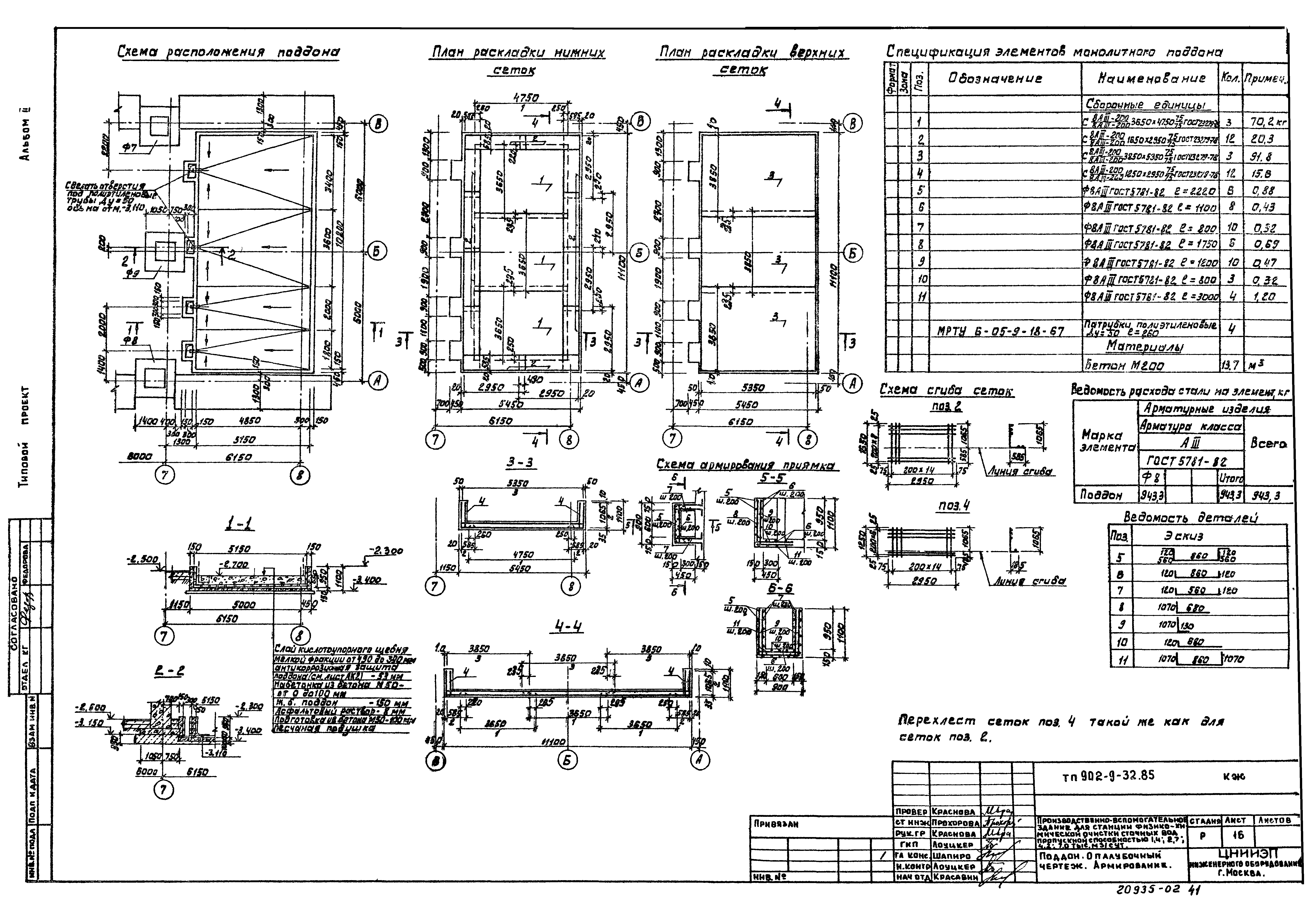
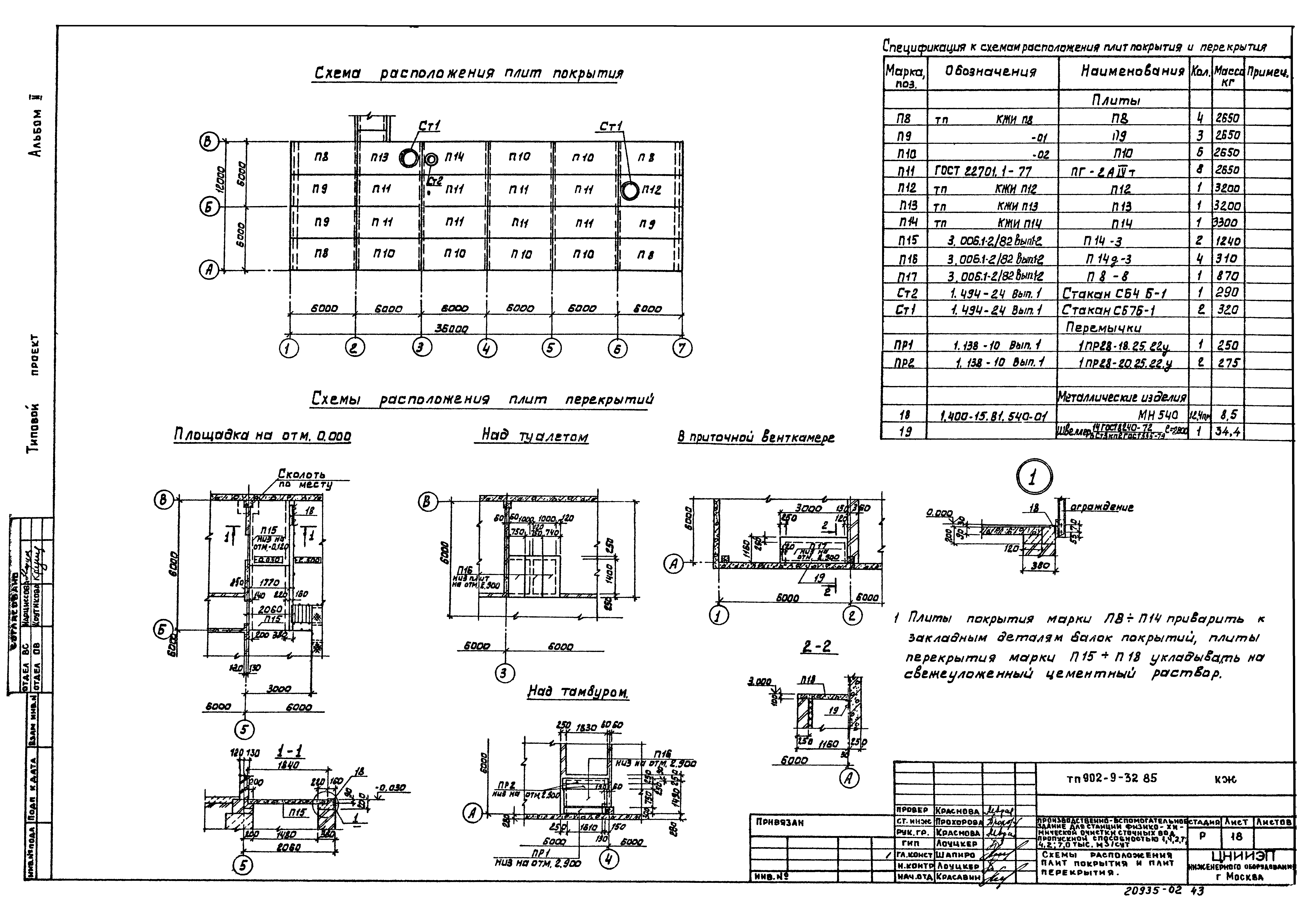
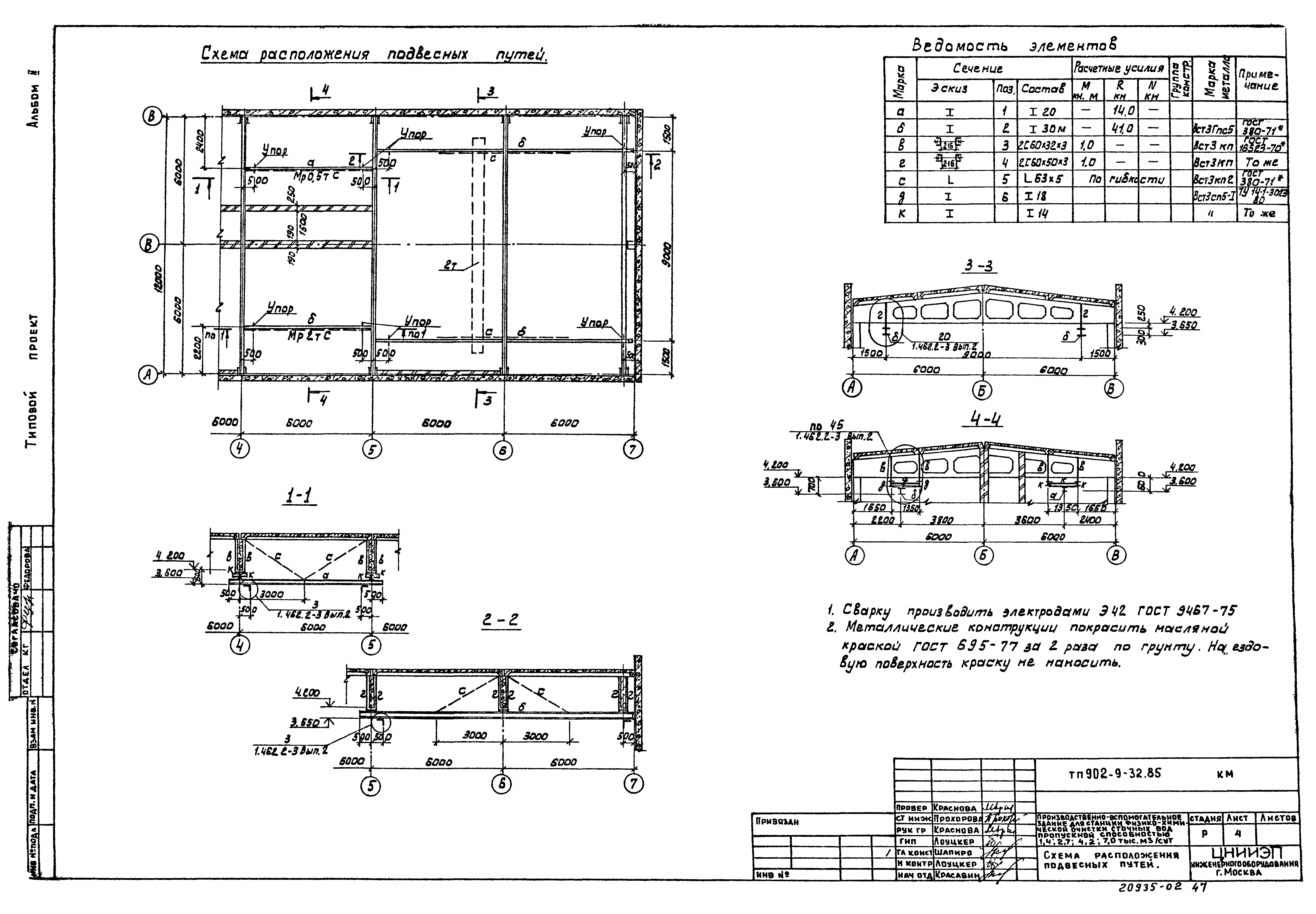
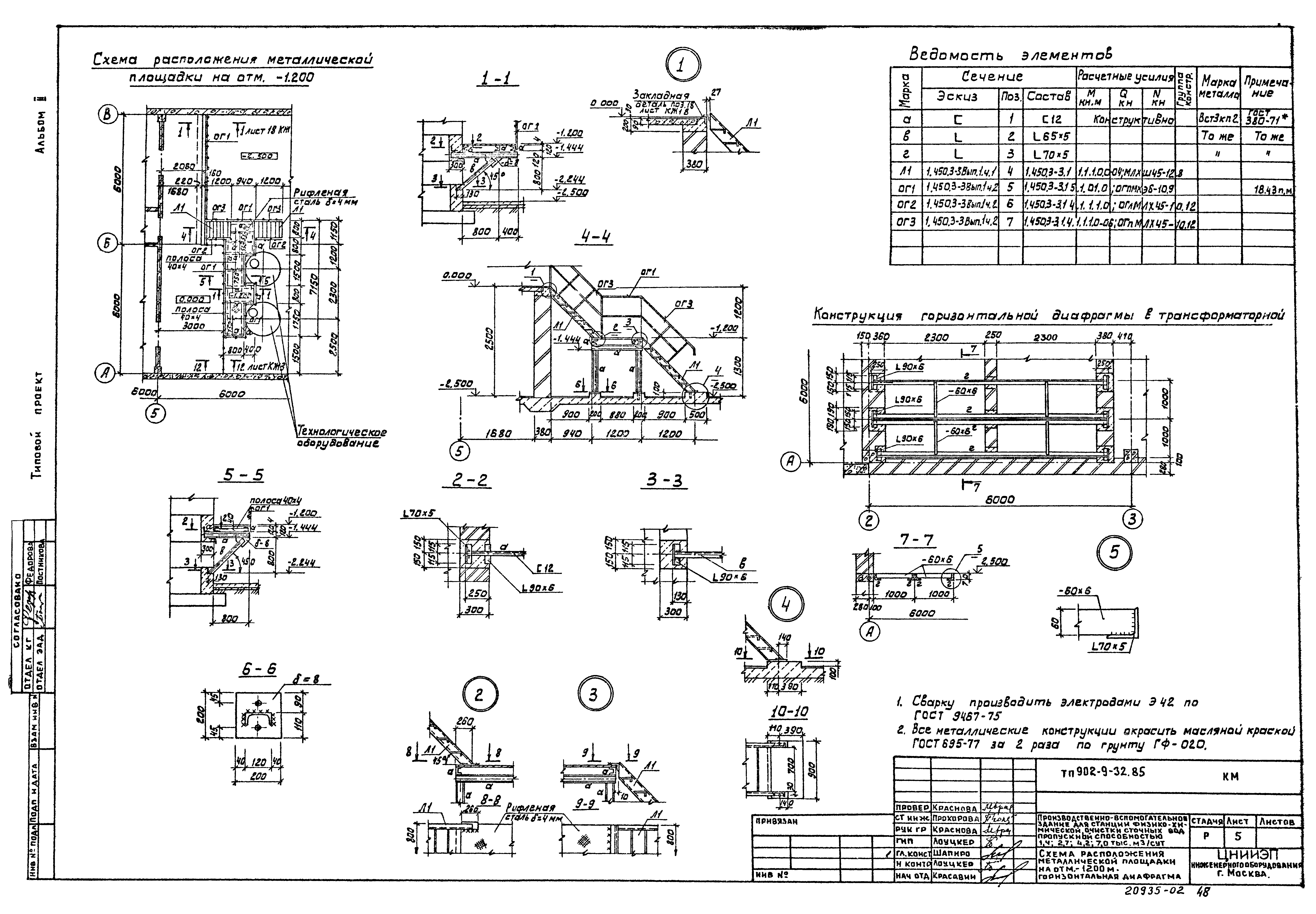
| Оглавление: | ТП 902-9-32.85 Содержание альбома ТП 902-9-32.85 ТХ Технологическая часть ТП 902-9-32.85 ТХ-1 Общие данные ТП 902-9-32.85 ТХ-2 Общеувязочный план ТП 902-9-32.85 ТХ-3 Насосная. План. Детали ТП 902-9-32.85 ТХ-4 Насосная. Разрезы 1-1;2-2;3-3. Детали ТП 902-9-32.85 ТХ-5 Насосная. Разрезы 4-4;5-5;6-6;7-7;8-8;9-9 ТП 902-9-32.85 ТХ-6 Воздуходувная. План. Разрезы 1-1;2-2. Глушитель ТП 902-9-32.85 ТХ-7 Аксонометрические схемы трубопроводов М7;М8;М9;ХЗ;АО ТП 902-9-32.85 ТХ-8 Аксонометрические схемы трубопроводов ВЗ;Х2;К1 ТП 902-9-32.85 ТХН-1 Подвеска для мешков. Эскизный чертеж общего вида ТП 902-9-32.85 ВК Водопровод и канализация ТП 902-9-32.85 ВК-1 Общие данные. Внутренний водопровод, канализация и водостоки. План на отм. 0.000. План кровли. Схемы В1;К1;К2 ТП 902-9-32.85 ОВ Отопление и вентиляция ТП 902-9-32.85 ОВ-1 Общие данные ТП 902-9-32.85 ОВ-2 План на отм. 0.000 и -2.500 ТП 902-9-32.85 ОВ-3 Схемы систем вентиляции П1;В1;В2;В3;В4 и отопления ТП 902-9-32.85 ОВ-4 Установка системы П1. Схема системы теплоснабжения установки П1 ТП 902-9-32.85 ОВ-5 Установка систем В2;В3 ТП 902-9-32.85 ОВН-1 Конфузор ТП 902-9-32.85 ОВН-2 Переход ТП 902-9-32.85 ОВН-3 Воздуховод из асбестоцементных листов. Узлы соединений ТП 902-9-32.85 ОВН-4 Тепловая изоляция трубопроводов ТП 902-9-32.85 АР Архитектурные решения ТП 902-9-32.85 АР-1 Общие данные ТП 902-9-32.85 АР-2 Планы на отм. -2.500 и 0.000. Разрезы 1-1;2-2. Экспликация помещений ТП 902-9-32.85 АР-3 План отверстий и перемычек. Ведомость отверстий. Фрагмент 3. Детали 1;2 ТП 902-9-32.85 АР-4 Фасад 1-8;8-1;В-А;А-В ТП 902-9-32.85 АР-5 План кровли. Планы и экспликация полов. Спецификация и ведомость перемычек. Ведомость отделки помещений ТП 902-9-32.85 КЖ Конструкции железобетонные ТП 902-9-32.85 КЖ-1 Общие данные ТП 902-9-32.85 КЖ-2 Схема расположения фундаментов, фундаментных балок и подпорных стенок ТП 902-9-32.85 КЖ-3 Схема расположения фундаментов, фундаментных балок и подпорных стенок. Разрезы 1-1÷9-9 ТП 902-9-32.85 КЖ-4 Схема расположения фундаментов, фундаментных балок и подпорных стен.тк. Узлы "1-7" ТП 902-9-32.85 КЖ-5 Фундаменты Ф-1;Ф-2;Ф-3 ТП 902-9-32.85 КЖ-6 Фундаменты Ф-4;Ф-5;Ф-6 ТП 902-9-32.85 КЖ-7 Фундаменты Ф-7;Ф-8;Ф-9 ТП 902-9-32.85 КЖ-8 Схема расположения фундаментов под оборудование на отм. -2.500. Фо-1÷Фо-7 ТП 902-9-32.85 КЖ-9 Схема расположения фундаментов под оборудование каналов и приямков на отм. 0.000. Фо-8. Венткамера ТП 902-9-32.85 КЖ-10 Схема расположения приямков и каналов в трансформаторных, щитовой низкого напряжения и КРУ. Разрезы 1-1;2-2 ТП 902-9-32.85 КЖ-11 Схема расположения приямков и каналов в трансформаторных, щитовой низкого напряжения и КРУ. Разрезы 3-3÷5-5. Схема расположения монолитных балок ТП 902-9-32.85 КЖ-12 Резервуары. Опалубочный чертеж. Схема расположения плит покрытия резервуаров ТП 902-9-32.85 КЖ-13 Резервуары. Узлы 1-4 ТП 902-9-32.85 КЖ-14 Резервуары. Армирование ТП 902-9-32.85 КЖ-15 Резервуары. Армирование. Узлы 1,2 ТП 902-9-32.85 КЖ-16 Поддон. Опалубочный чертеж. Армирование ТП 902-9-32.85 КЖ-17 Схема расположения колонн и балок покрытия. Разрезы. Узлы ТП 902-9-32.85 КЖ-18 Схемы расположения плит покрытия и плит перекрытия ТП 902-9-32.85 КЖ-19 Схемы расположения стеновых панелей. Фрагменты ТП 902-9-32.85 КМ Конструкции металлические ТП 902-9-32.85 КМ-1 Общие данные (начало). Техническая спецификация стали ТП 902-9-32.85 КМ-2 Общие данные (продолжение). Техническая спецификация стали на типовые конструкции ТП 902-9-32.85 КМ-3 Общие данные (окончание). Ведомость металлоконструкций по видам профилей ТП 902-9-32.85 КМ-4 Схема расположения подвесных путей ТП 902-9-32.85 КМ-5 Схема расположения металлической площадки на отм. -1.200м. Горизонтальная диафрагма ТП 902-9-32.85 АК-1 Общие данные ТП 902-9-32.85 АК-2 Антикоррозионная защита |
| Разработан: | ЦНИИЭП |
| Утверждён: | 21.08.1985 Госгражданстрой (Gosgrazhdanstroy 252) |


















































