Скачать Типовой проект 901-5-53с.93 Альбом II. Часть 1. Конструкции металлические деталировочные. Башня ВБР 15У-12СДата актуализации: 01.01.2021
|
| Обозначение: | Типовой проект 901-5-53с.93 |
| Обозначение англ: | 901-5-53с.93 |
| Статус: | не определен законодательством |
| Название рус.: | Альбом II. Часть 1. Конструкции металлические деталировочные. Башня ВБР 15У-12С |
| Дата добавления в базу: | 01.09.2013 |
| Дата актуализации: | 01.01.2021 |
| Дата введения: | 16.04.1993 |
| Дата окончания срока действия: | 30.06.2003 |
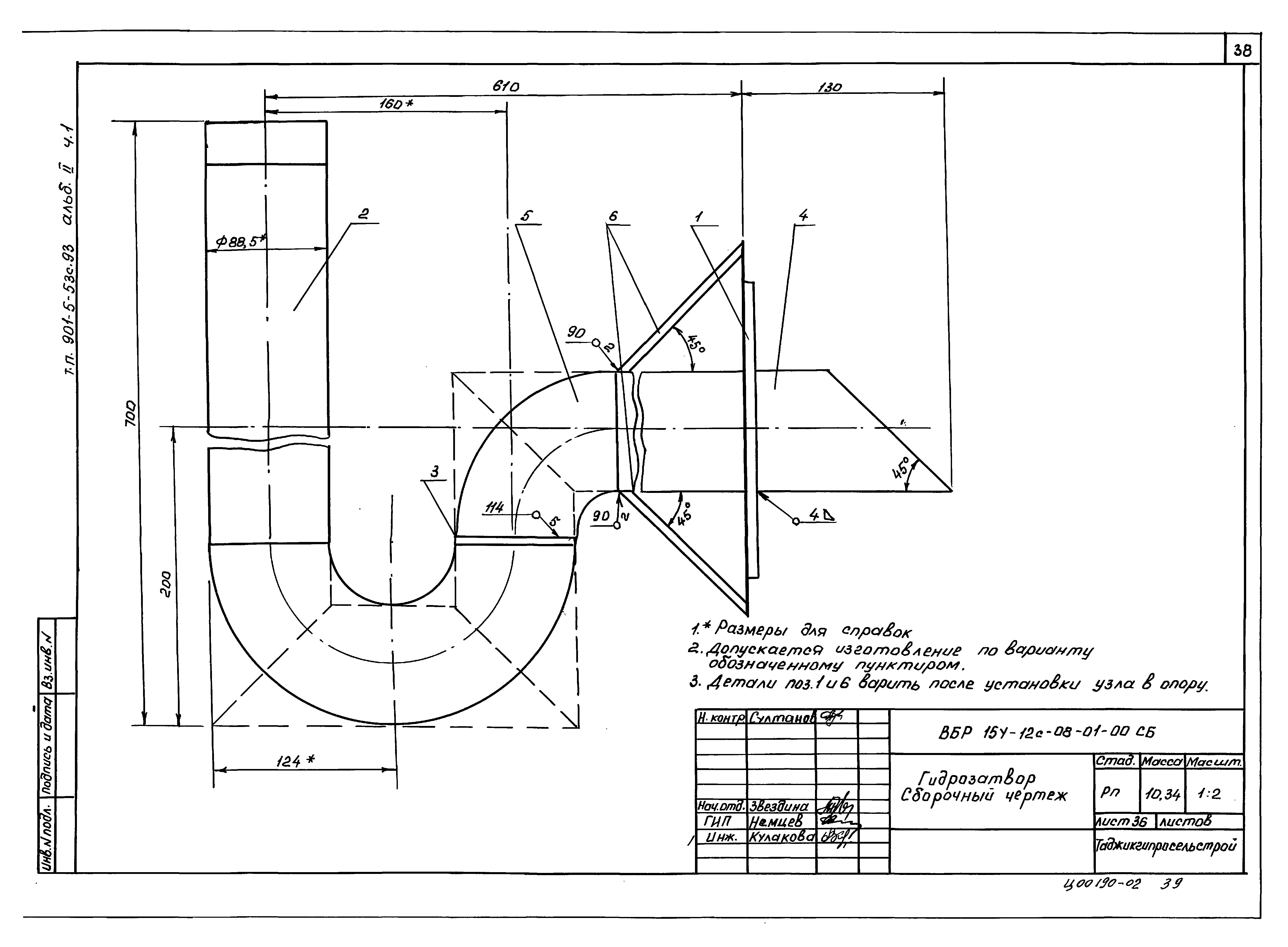
| Оглавление: | ТП 901-5-53с.93 ВБР 15У-12с-00-00-00 Пояснительная записка ТП 901-5-53с.93 ВБР 15У-12с-00-00-00 Башня водонапорная V=15м³, Н=12м. Спецификация ТП 901-5-53с.93 ВБР 15У-12с-01-00-00 Бак V=15м³. Спецификация ТП 901-5-53с.93 ВБР 15У-12с-01-01-00 Крыша. Спецификация. ТП 901-5-53с.93 ВБР 15У-12с-01-02-00 Бак. Нижняя часть. Спецификация ТП 901-5-53с.93 ВБР 15У-12с-01-03-00 Скоба транспортировочная. Спецификация. ТП 901-5-53с.93 ВБР 15У-12с-01-04-00 Труба вентиляционная. Спецификация ТП 901-5-53с.93 ВБР 15У-12с-01-05-00 Крышка люка. Спецификация. ТП 901-5-53с.93 ВБР 15У-12с-02-00-00 Лестница. Спецификация ТП 901-5-53с.93 ВБР 15У-12с-02-01-00 Лестница 1. Спецификация. ТП 901-5-53с.93 ВБР 15У-12с-02-02-00 Лестница 2. Спецификация ТП 901-5-53с.93 ВБР 15У-12с-03-00-00 Люк смотровой. Спецификация. ТП 901-5-53с.93 ВБР 15У-12с-09-00-00 СБ Ограждение крыши. Спецификация ТП 901-5-53с.93 ВБР 15У-12с-08-00-00 Опора бака V=15м³, Н=12м. Спецификация ТП 901-5-53с.93 ВБР 15У-12с-08-04-00 Труба Ду-80. Спецификация. ТП 901-5-53с.93 ВБР 15У-12с-08-05-00 Труба Ду-100. Спецификация ТП 901-5-53с.93 ВБР 15У-12с-10-00-00 Труба переливная с кольцом. Спецификация. ТП 901-5-53с.93 ВБР 15У-12с-08-01-00 Гидрозатвор. Спецификация ТП 901-5-53с.93 ВБР 15У-12с-00-00-00 Башня водонапорная V=15м³, Н=12м. Общий вид. Ведомость расхода стали ТП 901-5-53с.93 ВБР 15У-12с-01-00-00 СБ Бак V=15м³. Сборочный чертеж ТП 901-5-53с.93 ВБР 15У-12с-01-01-00 СБ Крыша. Сборочный чертеж ТП 901-5-53с.93 ВБР 15У-12с-01-04-00 СБ Труба вентиляционная. Сборочный чертеж. ТП 901-5-53с.93 ВБР 15У-12с-01-04-01 Конус вентиляционной трубы ТП 901-5-53с.93 ВБР 15У-12с-01-04-02 Планка. ТП 901-5-53с.93 ВБР 15У-12с-01-04-03 Труба ТП 901-5-53с.93 ВБР 15У-12с-01-04-04 Хомутик. ТП 901-5-53с.93 ВБР 15У-12с-01-01-03 Сектор крыши ТП 901-5-53с.93 ВБР 15У-12с-01-03-01 Плита. ТП 901-5-53с.93 ВБР 15У-12с-01-03-02 Скоба ТП 901-5-53с.93 ВБР 15У-12с-01-02-00 СБ Бак V=15м³. Нижняя часть. Сборочный чертеж. ТП 901-5-53с.93 ВБР 15У-12с-01-03-00 СБ Скоба транспортировочная. Сборочный чертеж ТП 901-5-53с.93 ВБР 15У-12с-01-02-01 Конус бака ТП 901-5-53с.93 ВБР 15У-12с-01-02-02 Льдоудерживатель. ТП 901-5-53с.93 ВБР 15У-12с-01-02-03 Обечайка бака ТП 901-5-53с.93 ВБР 15У-12с-01-02-04 Ступень. ТП 901-5-53с.93 ВБР 15У-12с-01-02-05 Ступень конуса ТП 901-5-53с.93 ВБР 15У-12с-01-02-06 Фланец. ТП 901-5-53с.93 ВБР 15У-12с-01-02-07 Фланец ТП 901-5-53с.93 ВБР 15У-12с-02-00-00 Лестница. Сборочный чертеж ТП 901-5-53с.93 ВБР 15У-12с-01-05-00 СБ Крышка люка. Сборочный чертеж. ТП 901-5-53с.93 ВБР 15У-12с-01-05-01 Крышка ТП 901-5-53с.93 ВБР 15У-12с-01-02-08 Скоба к льдоудерживателю. ТП 901-5-53с.93 ВБР 15У-12с-01-05-02 Ручка ТП 901-5-53с.93 ВБР 15У-12с-03-00-00 СБ Люк смотровой. Сборочный чертеж ТП 901-5-53с.93 ВБР 15У-12с-03-00-01 Крышка люка. ТП 901-5-53с.93 ВБР 15У-12с-03-00-02 Обечайка ТП 901-5-53с.93 ВБР 15У-12с-01-01-02 Прокладка. ТП 901-5-53с.93 ВБР 15У-12с-03-00-03 Фланец ТП 901-5-53с.93 ВБР 15У-12с-01-01-01 Кольцо люка. ТП 901-5-53с.93 ВБР 15У-12с-02-01-01 Дуга ТП 901-5-53с.93 ВБР 15У-12с-04-00-00 Опора лестницы правая. ТП 901-5-53с.93 ВБР 15У-12с-04-00-01 Стойка правая ТП 901-5-53с.93 ВБР 15У-12с-05-00-00 Опора лестницы левая. ТП 901-5-53с.93 ВБР 15У-12с-05-00-01 Стойка левая ТП 901-5-53с.93 ВБР 15У-12с-06-00-00 Опора лестницы левая. ТП 901-5-53с.93 ВБР 15У-12с-06-00-01 Стойка левая ТП 901-5-53с.93 ВБР 15У-12с-07-00-00 Опора лестницы правая. ТП 901-5-53с.93 ВБР 15У-12с-07-00-01 Стойка правая ТП 901-5-53с.93 ВБР 15У-12с-08-00-00 Опора ø1220. Сборочный чертеж ТП 901-5-53с.93 ВБР 15У-12с-08-00-00 СБ Опора ø1220. Узлы 3-7 ТП 901-5-53с.93 ВБР 15У-12с-08-01-00 СБ Гидрозатвор. Сборочный чертеж ТП 901-5-53с.93 ВБР 15У-12с-08-01-01 Воротник. ТП 901-5-53с.93 ВБР 15У-12с-08-01-02 Патрубок ТП 901-5-53с.93 ВБР 15У-12с-08-04-00 СБ Труба Ду-80. Сборочный чертеж. ТП 901-5-53с.93 ВБР 15У-12с-10-00-01 Кольцо переливной трубы ТП 901-5-53с.93 ВБР 15У-12с-00-05-00 СБ Труба Ду-100. Сборочный чертеж. ТП 901-5-53с.93 ВБР 15У-12с-08-05-01 Воротник ТП 901-5-53с.93 ВБР 15У-12с-08-00-01 Днище. ТП 901-5-53с.93 ВБР 15У-12с-08-00-04 Фланец опоры ТП 901-5-53с.93 ВБР 15У-12с-08-00-02 Кронштейн. ТП 901-5-53с.93 ВБР 15У-12с-08-00-03 Кляммер ТП 901-5-53с.93 ВБР 15У-12с-08-00-05 Хомут для переливной трубы. ТП 901-5-53с.93 ВБР 15У-12с-08-00-06 Лапка для крепления переливной трубы ТП 901-5-53с.93 ВБР 15У-12с-08-00-07 Кольцо. ТП 901-5-53с.93 ВБР 15У-12с-08-00-08 Фланец опоры ТП 901-5-53с.93 ВБР 15У-12с-12-00-00 Колпак. Развертка воздушного колпака. ТП 901-5-53с.93 ВБР 15У-12с-08-00-10 Обечайка 2 ТП 901-5-53с.93 ВБР 15У-12с-08-00-09 Обечайка 1 ТП 901-5-53с.93 ВБР 15У-12с-08-00-11 Обечайка 3. ТП 901-5-53с.93 ВБР 15У-12с-08-00-12 Обечайка 4 ТП 901-5-53с.93 ВБР 15У-12с-09-00-00 СБ Ограждение крыши. Сборочный чертеж ТП 901-5-53с.93 ВБР 15У-12с-10-00-00 СБ Труба переливная с кольцом. Сборочный чертеж. ТП 901-5-53с.93 ВБР 15У-12с-09-00-01 Кольцо |
| Разработан: | Таджикгипросельстрой |
| Утверждён: | 16.04.1993 Госстрой Таджикской ССР (7) |


















































