Скачать Типовой проект 903-2-19.83 Альбом 11. Прилагаемые материалы. Электротехническая часть. Связь и сигнализацияДата актуализации: 01.01.2021
|
| Обозначение: | Типовой проект 903-2-19.83 |
| Обозначение англ: | 903-2-19.83 |
| Статус: | не действует |
| Название рус.: | Альбом 11. Прилагаемые материалы. Электротехническая часть. Связь и сигнализация |
| Дата добавления в базу: | 01.09.2013 |
| Дата актуализации: | 01.01.2021 |
| Дата введения: | 01.04.1983 |
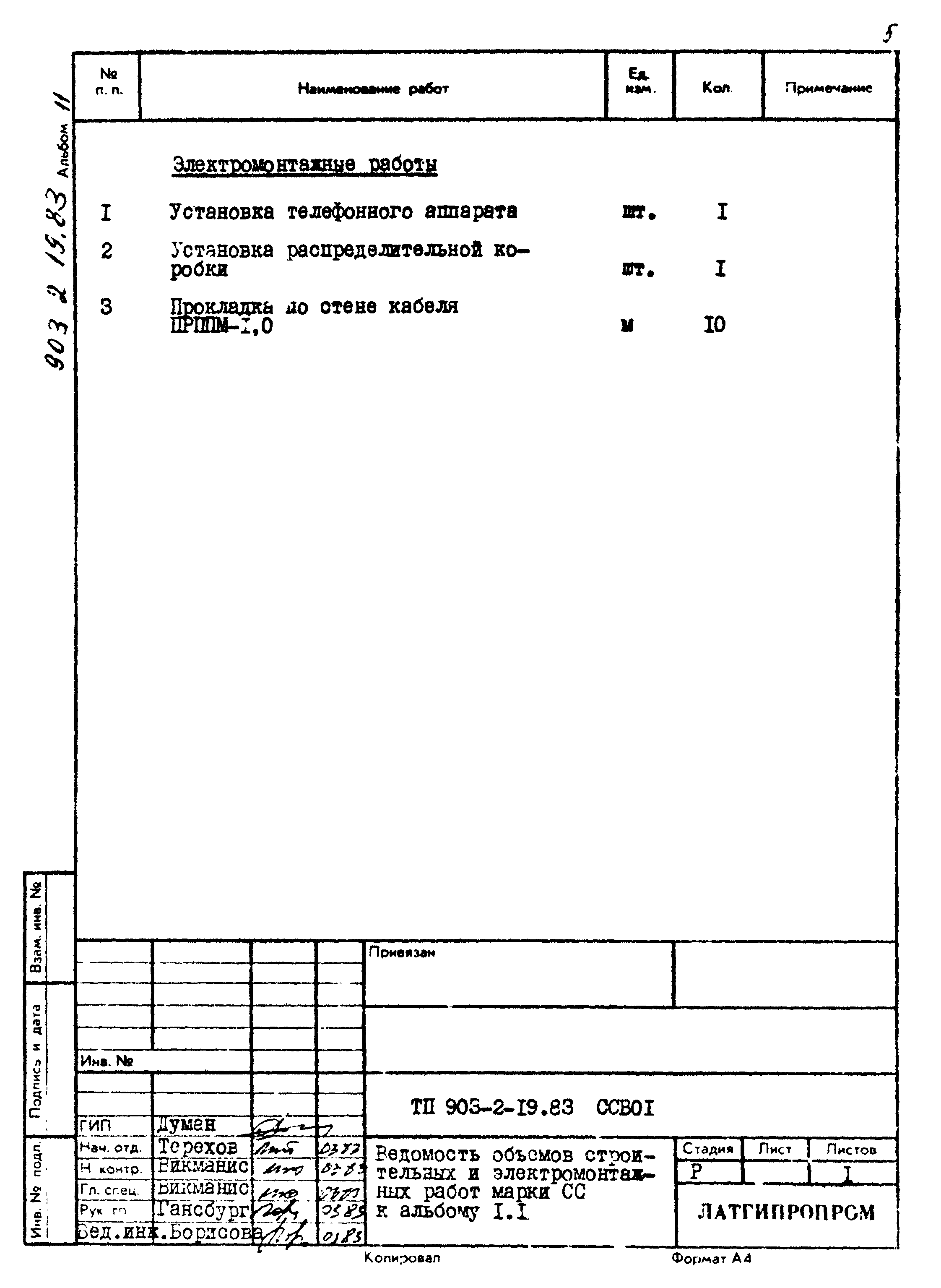
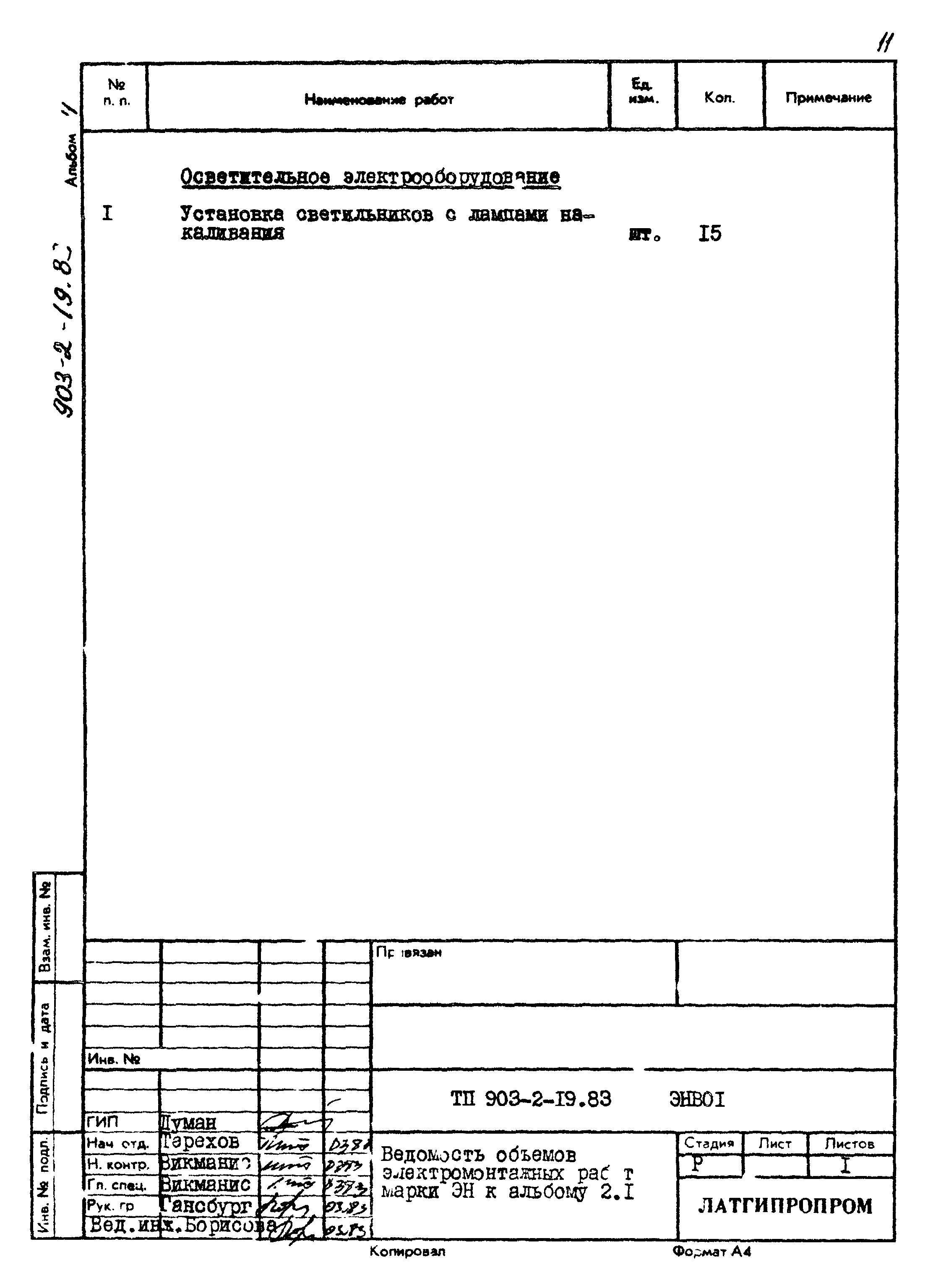
| Оглавление: | ТП 903-2-19.83 ЭМВО1 Ведомость объемов электромонтажных работ марки ЭМ к альбому 1.1 ТП 903-2-19.83 ССВО1 Ведомость объемов строительных ж электромонтажных работ марки СС к альбому 1.1 ТП 903-2-19.83 ЭМВП1 ВП по рабочим чертежам основного комплекта марки ЭМ к альбому 1.1 ТП 903-2-19.83 ССВП1 ВП по рабочим чертежам основного комплекта марки СС к альбому 1.1 ТП 903-2-19.83 ЭМВИ1 Ведомость изделий МЭЗ марки ЭМ к альбому 1.1 ТП 903-2-19.83 ЭМВИМ1 Ведомость изделии и материалов для изготовления изделий МЭЗ марки ЭМ к альбому 1.1 ТП 903-2-19.83 ЭНВО1 Ведомость объемов электромонтажных работ марки ЭН к альбому 2.1 ТП 903-2-19.83 ЭМВО2 Ведомость объемов электромонтажных работ марки ЭМ к альбому 4.1, часть 1 ТП 903-2-19.83 ЭМВП2 ВП по рабочим чертежам основного комплекта марка ЭМ к альбому 4.1, часть 1 ТП 903-2-19.83 ЭМВО3 Ведомость объемов электромонтажных работ марки ЭМ к альбому 4.2 ТП 903-2-19.83 ЭМВП3 ВП по рабочим чертежам основного комплекта марки ЭМ к альбому 4.2 ТП 903-2-19.83 ЭКВО1 Ведомость объемов строительных и электромонтажных работ марки ЭК к альбому 5.1 ТП 903-2-19.83 ЭКВП1 ВП по рабочим чертежам основного комплекта марки ЭК к альбому 5.1 ТП 903-2-19.83 ЭКВО2 Ведомость объемов строительных и электромонтажных работ марки ЭК к альбому 5.2 ТП 903-2-19.83 ЭКВП2 ВП по рабочим чертежам основного комплекта марки ЭК к альбому 5.2 |
| Разработан: | Латгипропром |
| Утверждён: | 07.12.1982 Латгипропром (249) |
| Чем заменён: |




















