Скачать Типовой проект 902-1-104.86 Альбом 3. Часть 1. Архитектурно-строительные решения. Надземная часть. Вариант - сборные железобетонные конструкцииДата актуализации: 01.01.2021
|
| Обозначение: | Типовой проект 902-1-104.86 |
| Обозначение англ: | 902-1-104.86 |
| Статус: | не определен законодательством |
| Название рус.: | Альбом 3. Часть 1. Архитектурно-строительные решения. Надземная часть. Вариант - сборные железобетонные конструкции |
| Дата добавления в базу: | 01.09.2013 |
| Дата актуализации: | 01.01.2021 |
| Дата введения: | 27.10.1986 |
| Дата окончания срока действия: | 30.06.2003 |
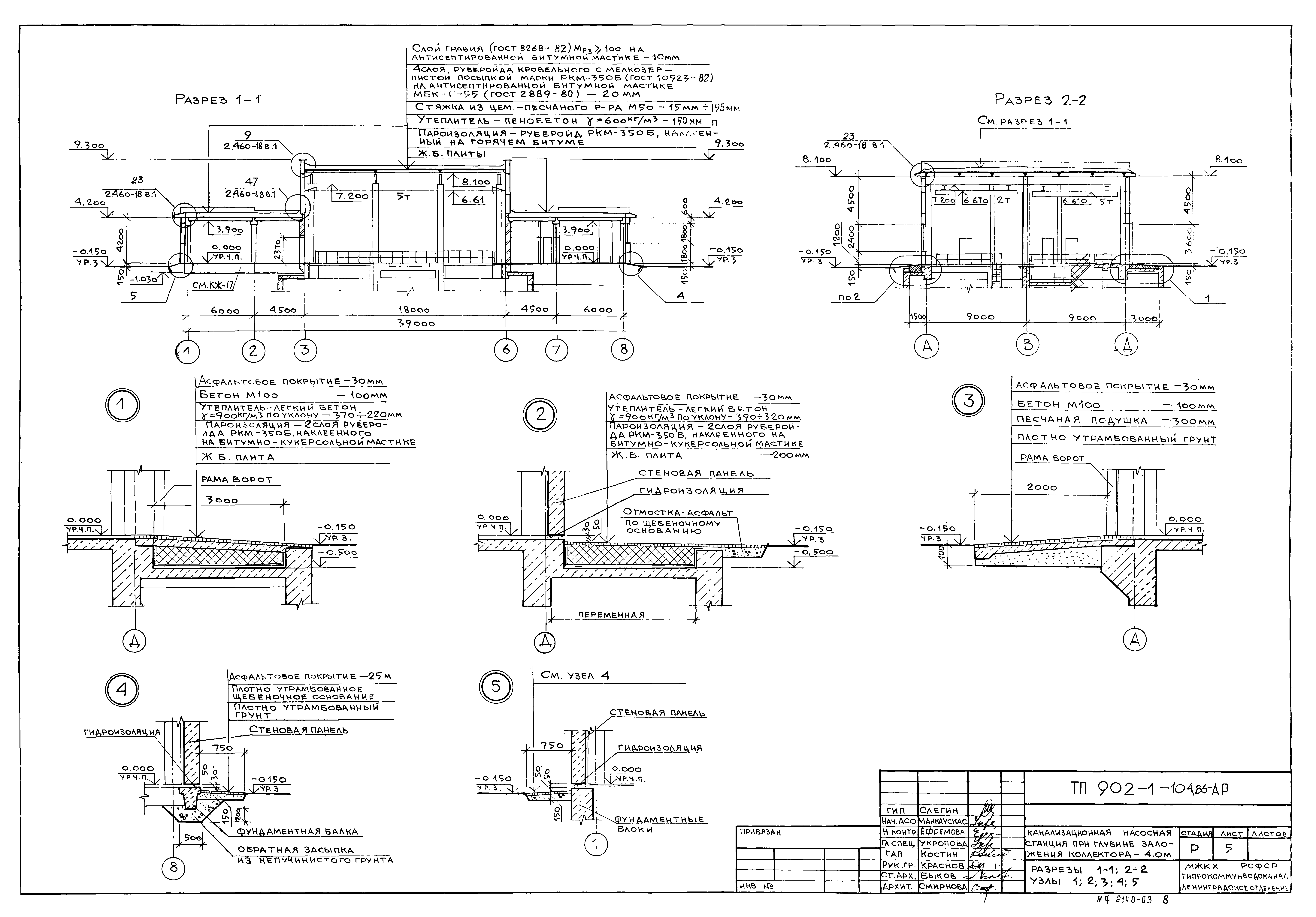
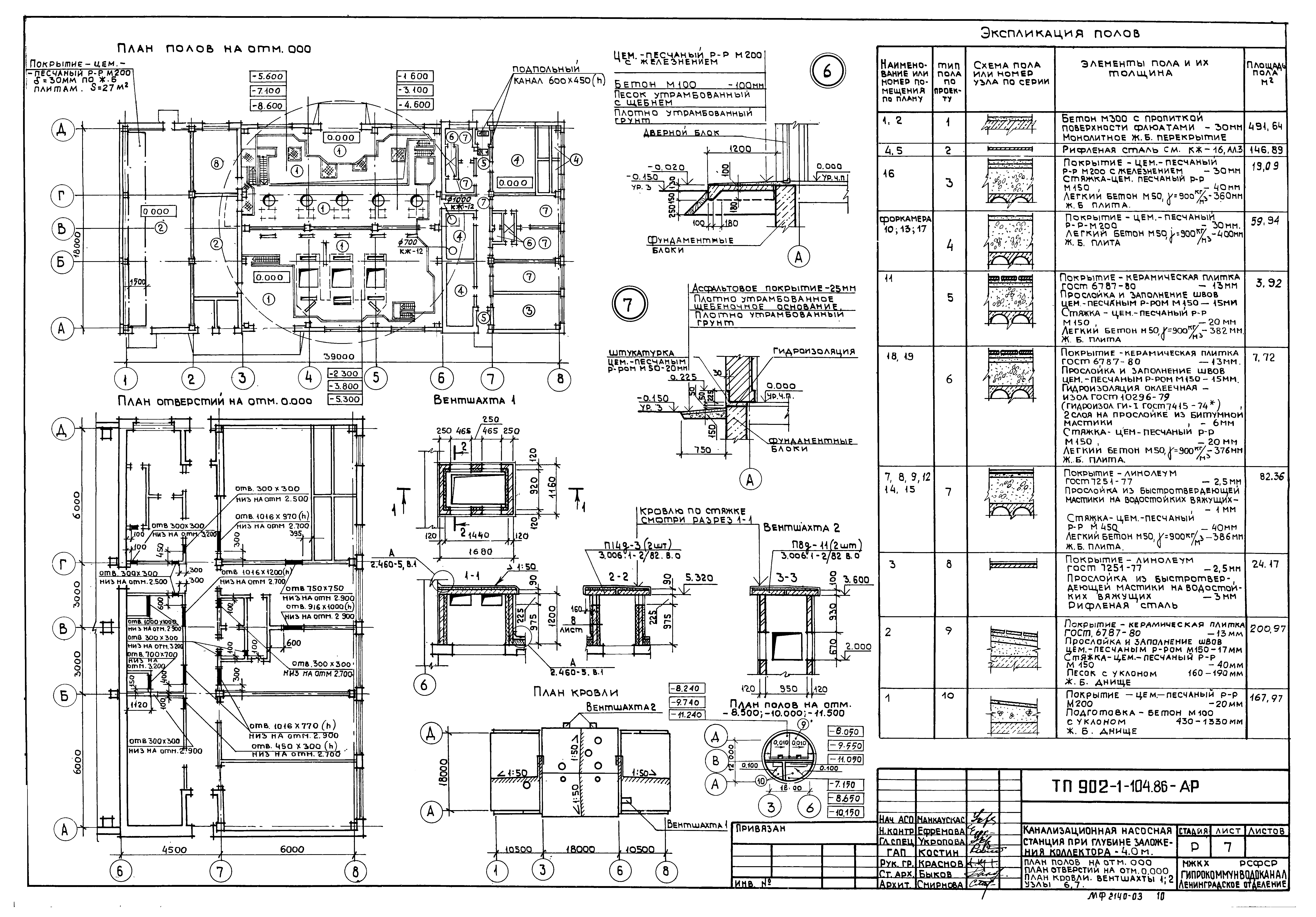
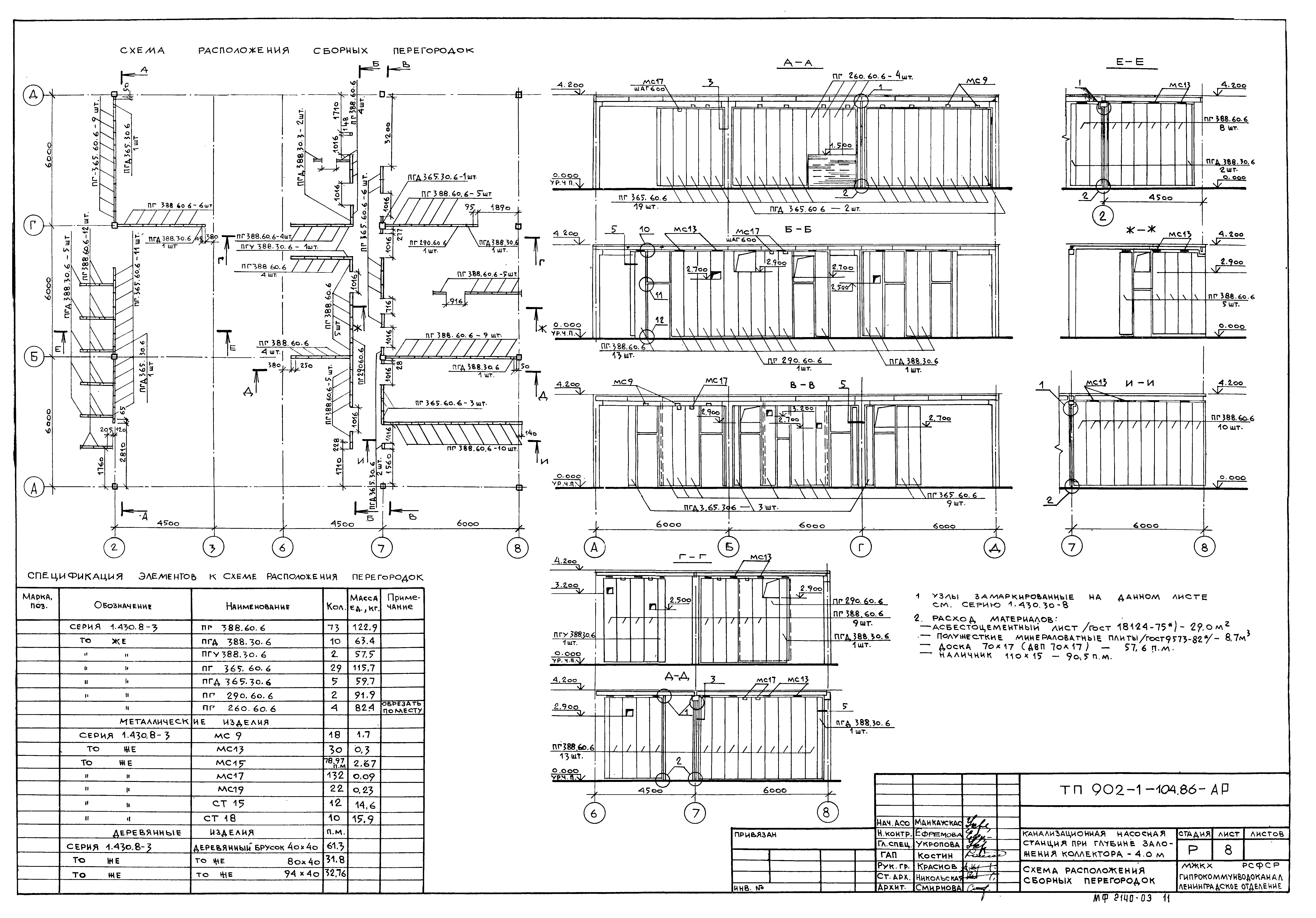
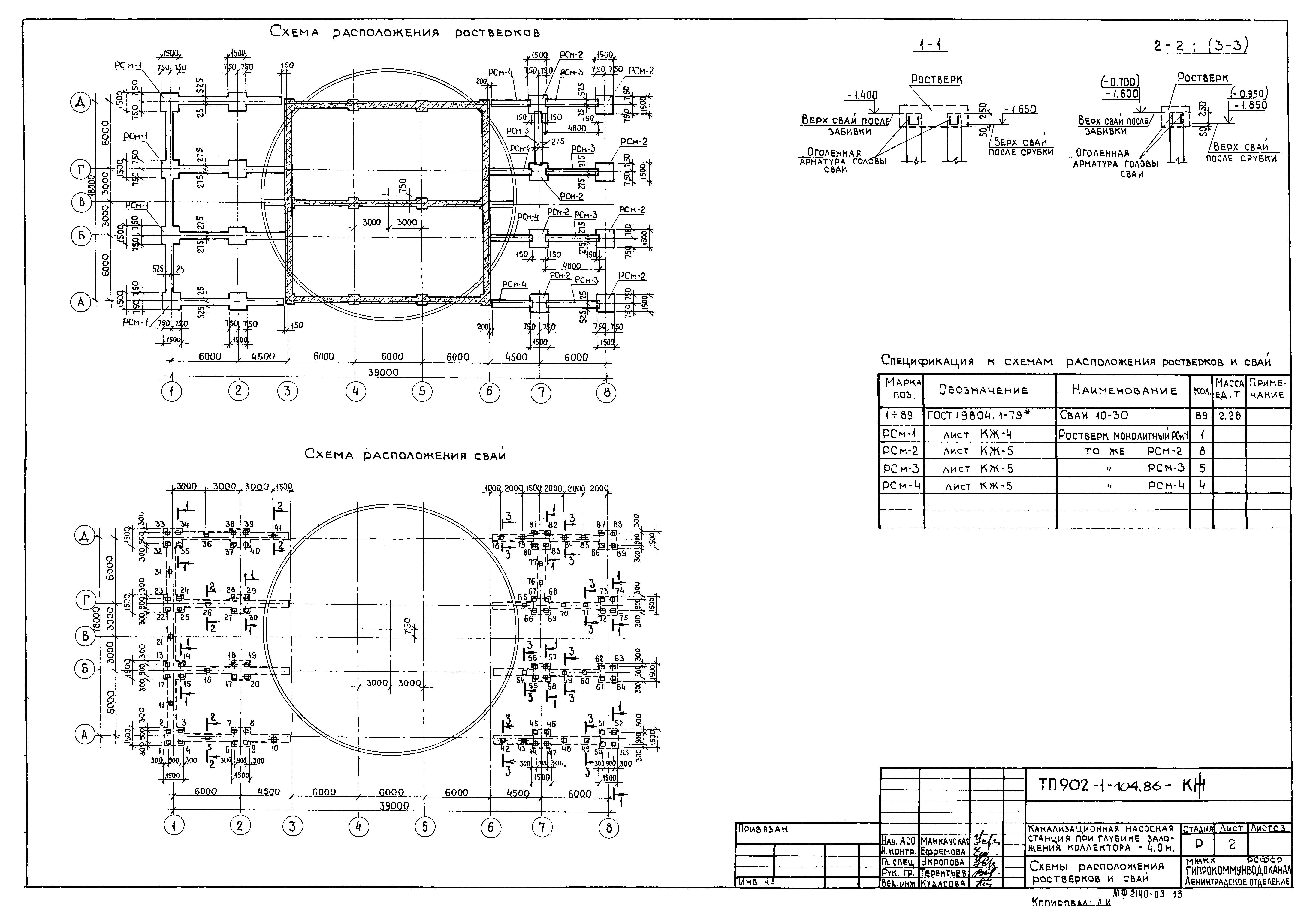
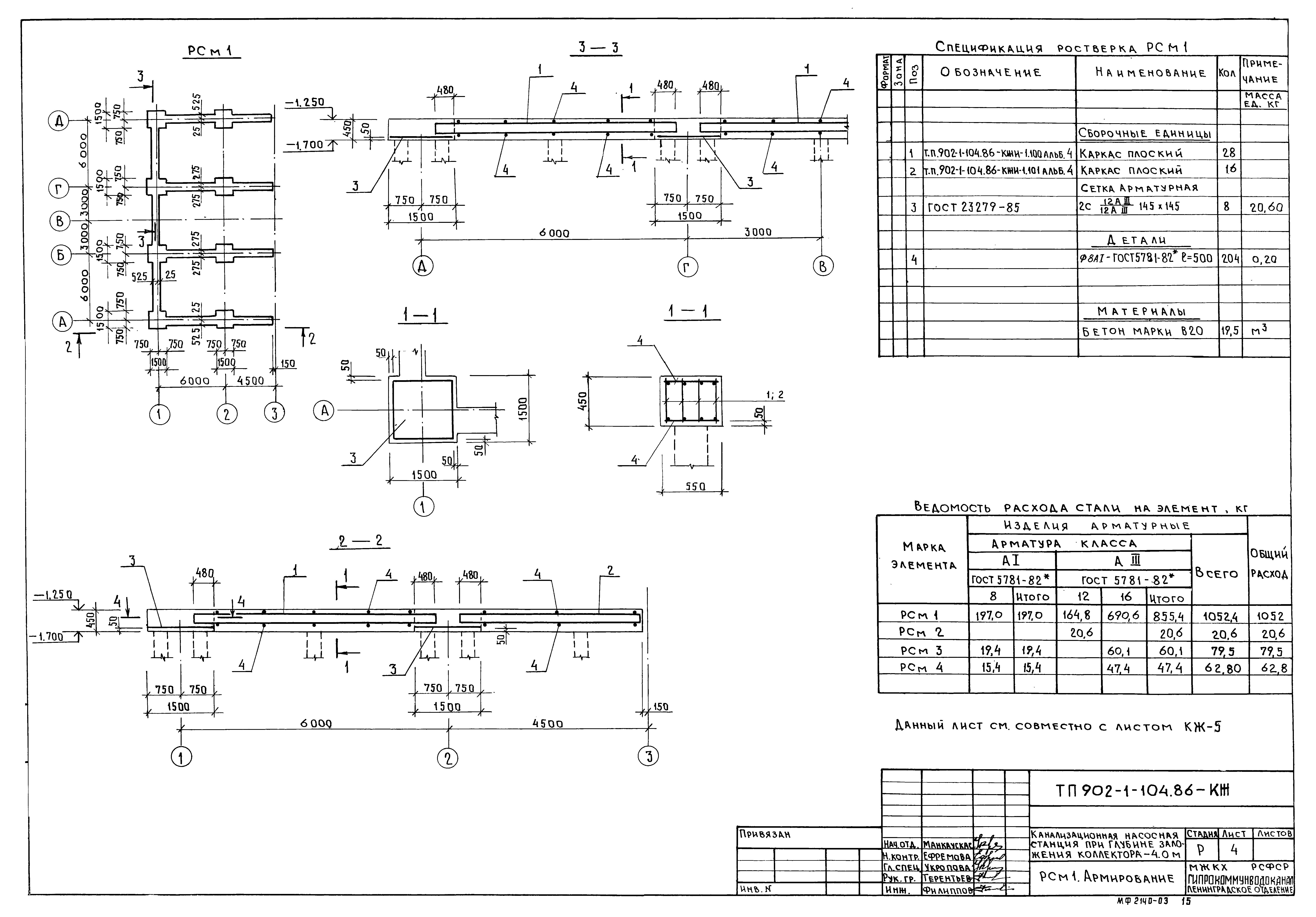
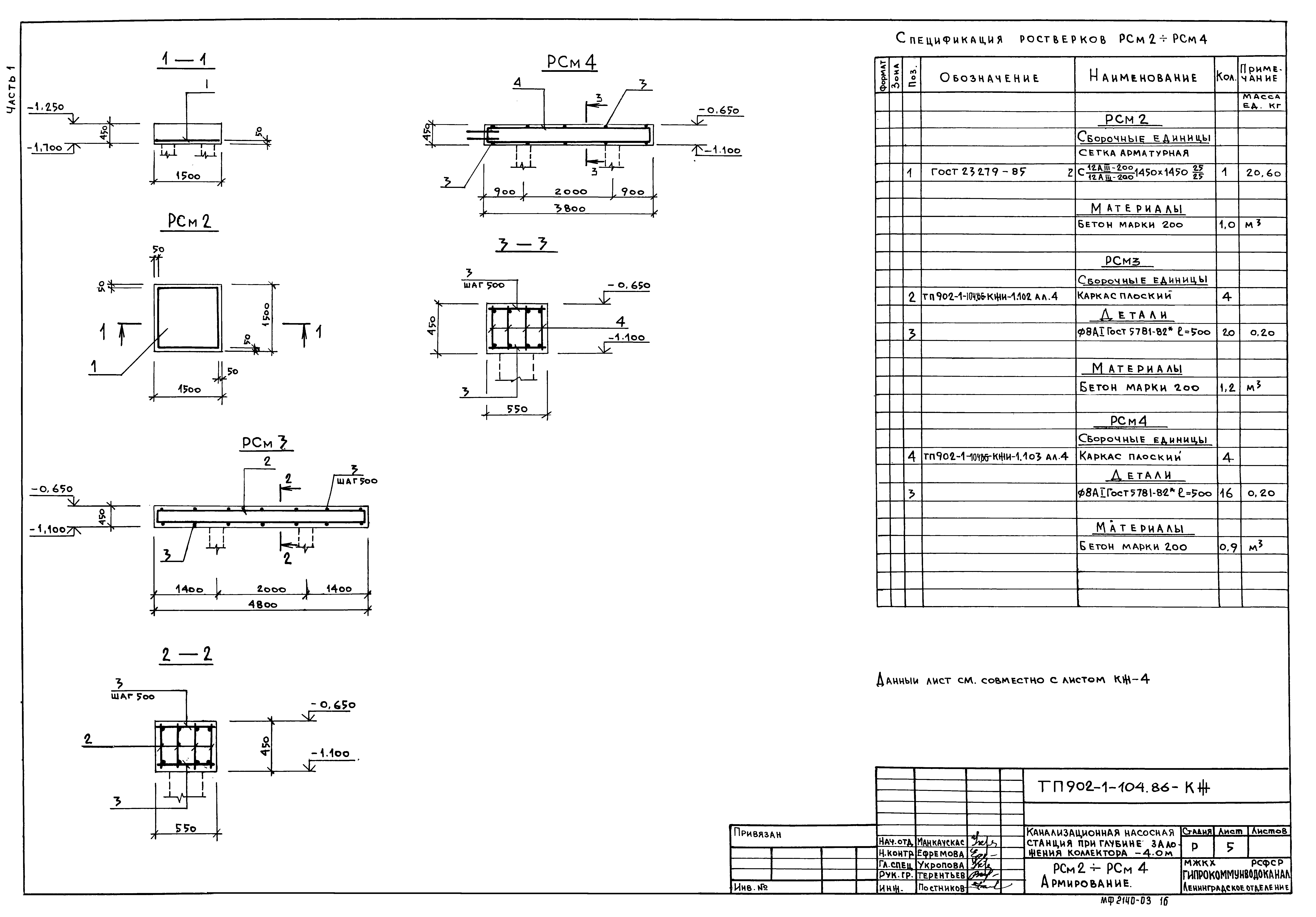
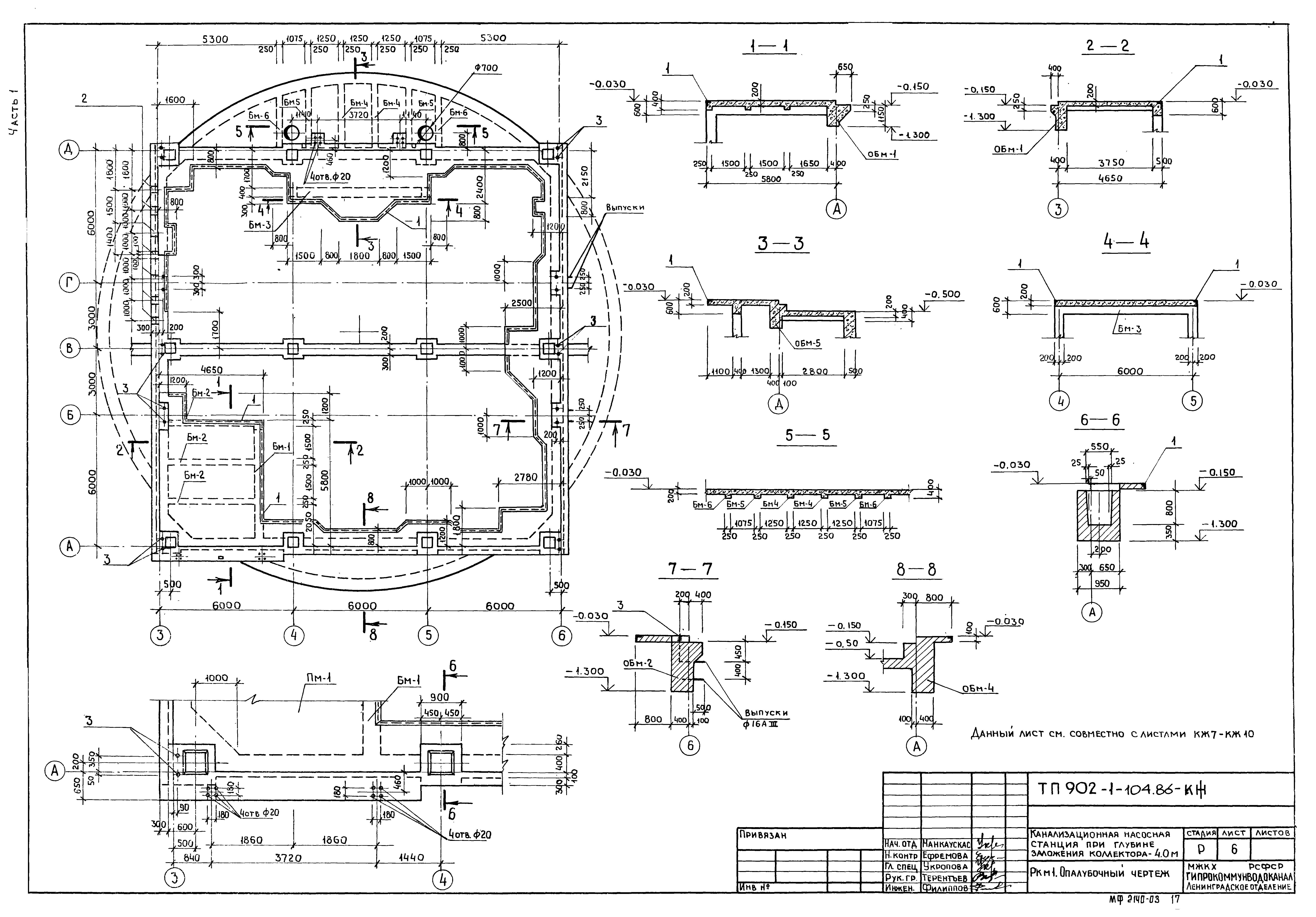
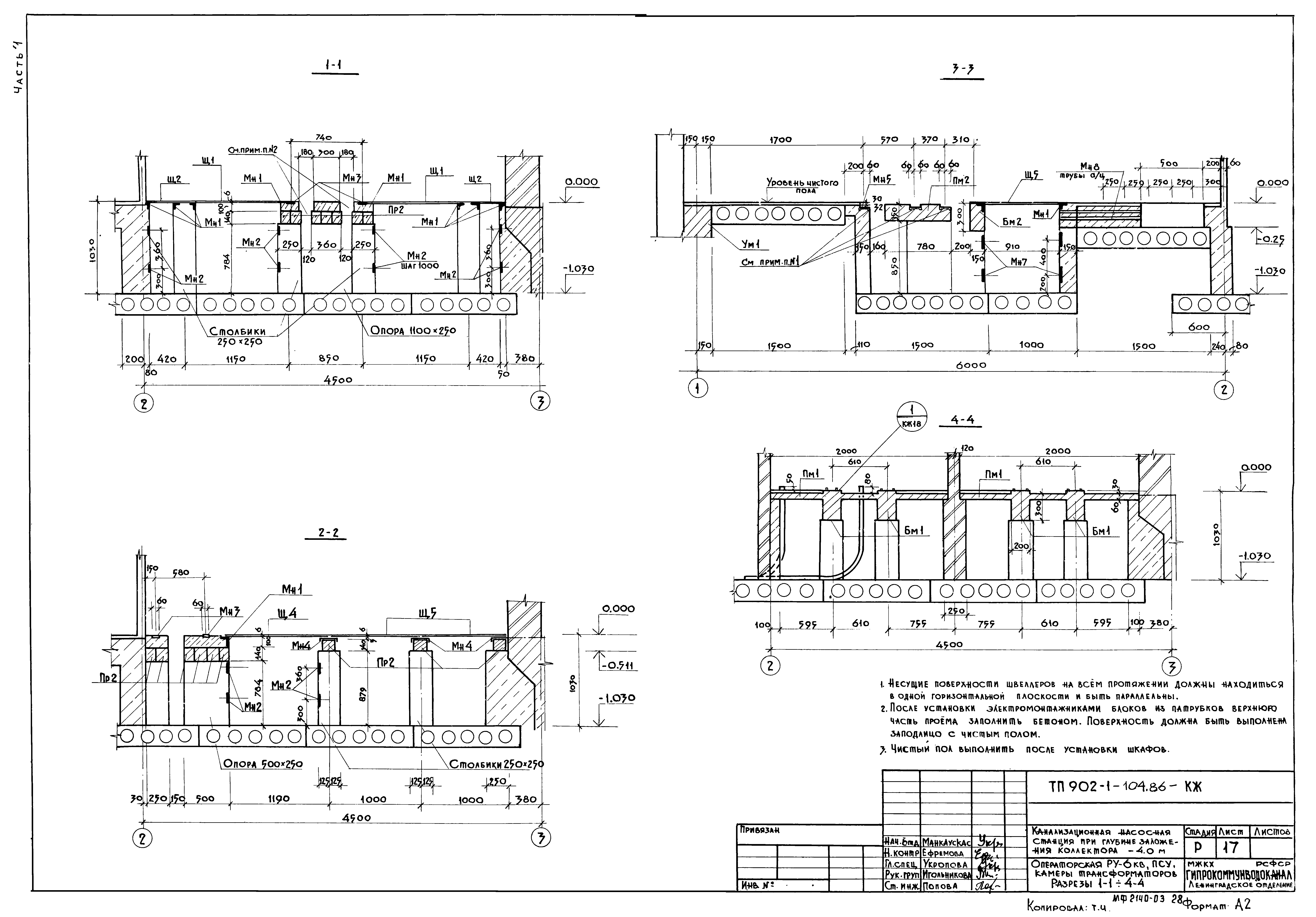
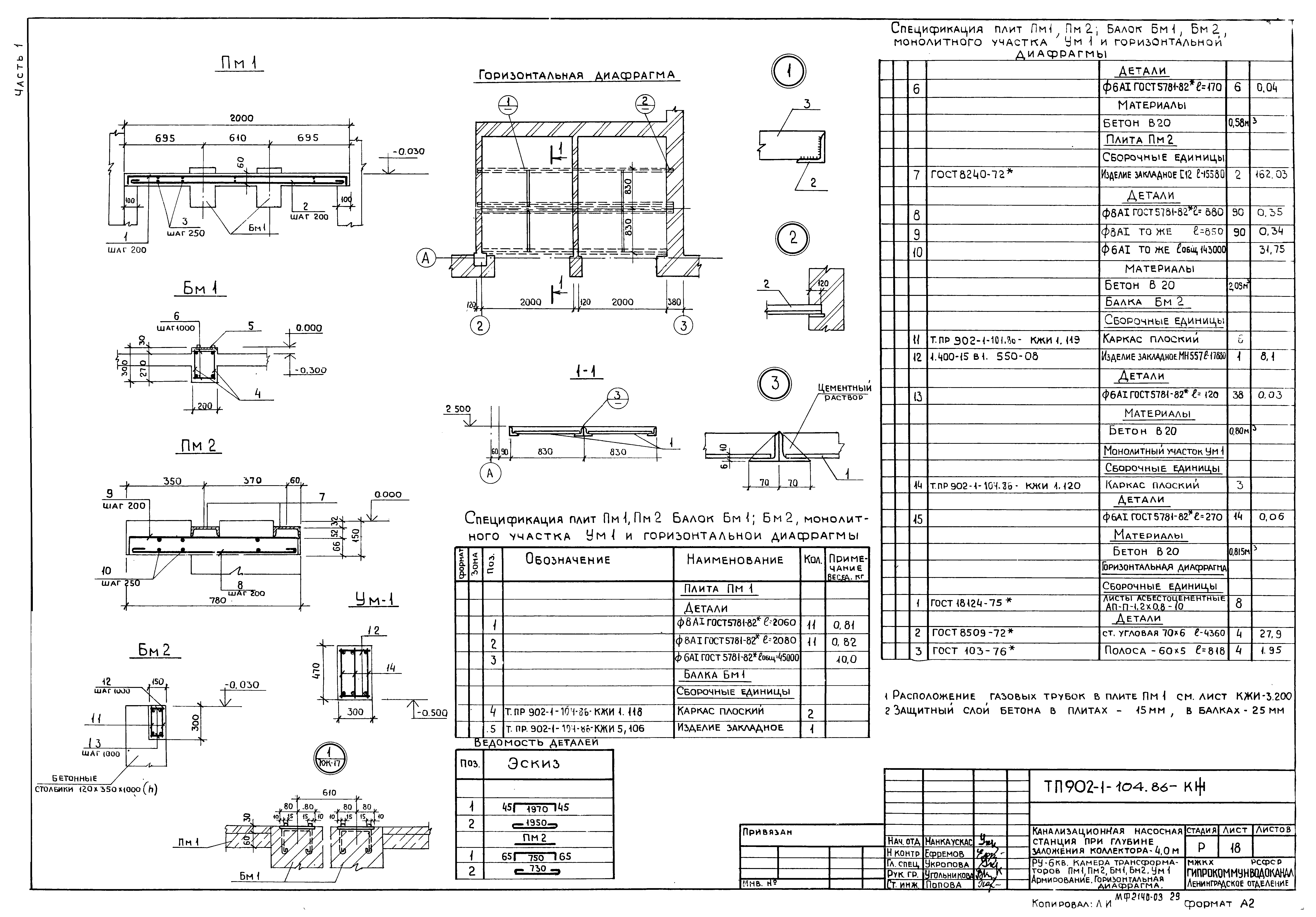
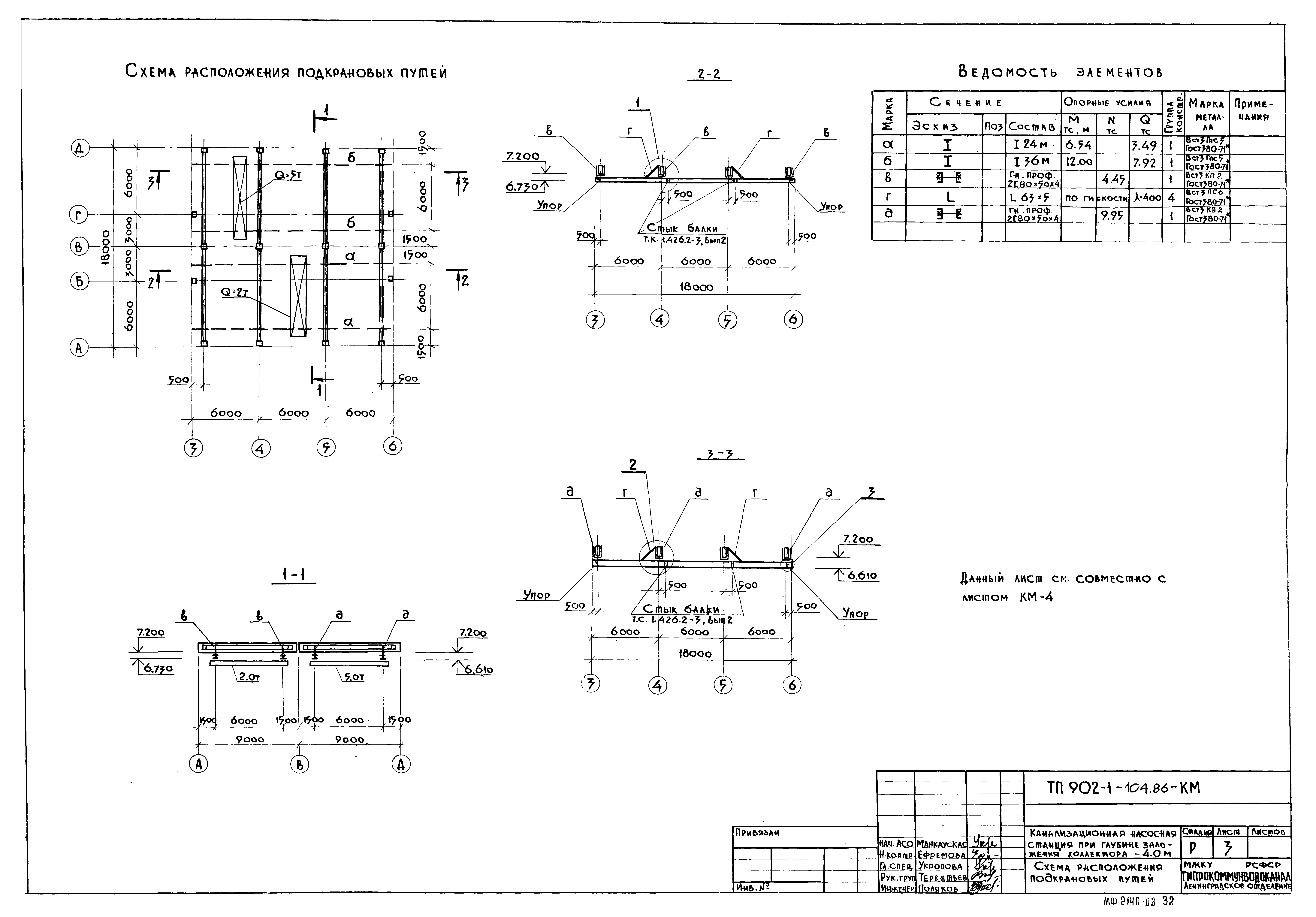
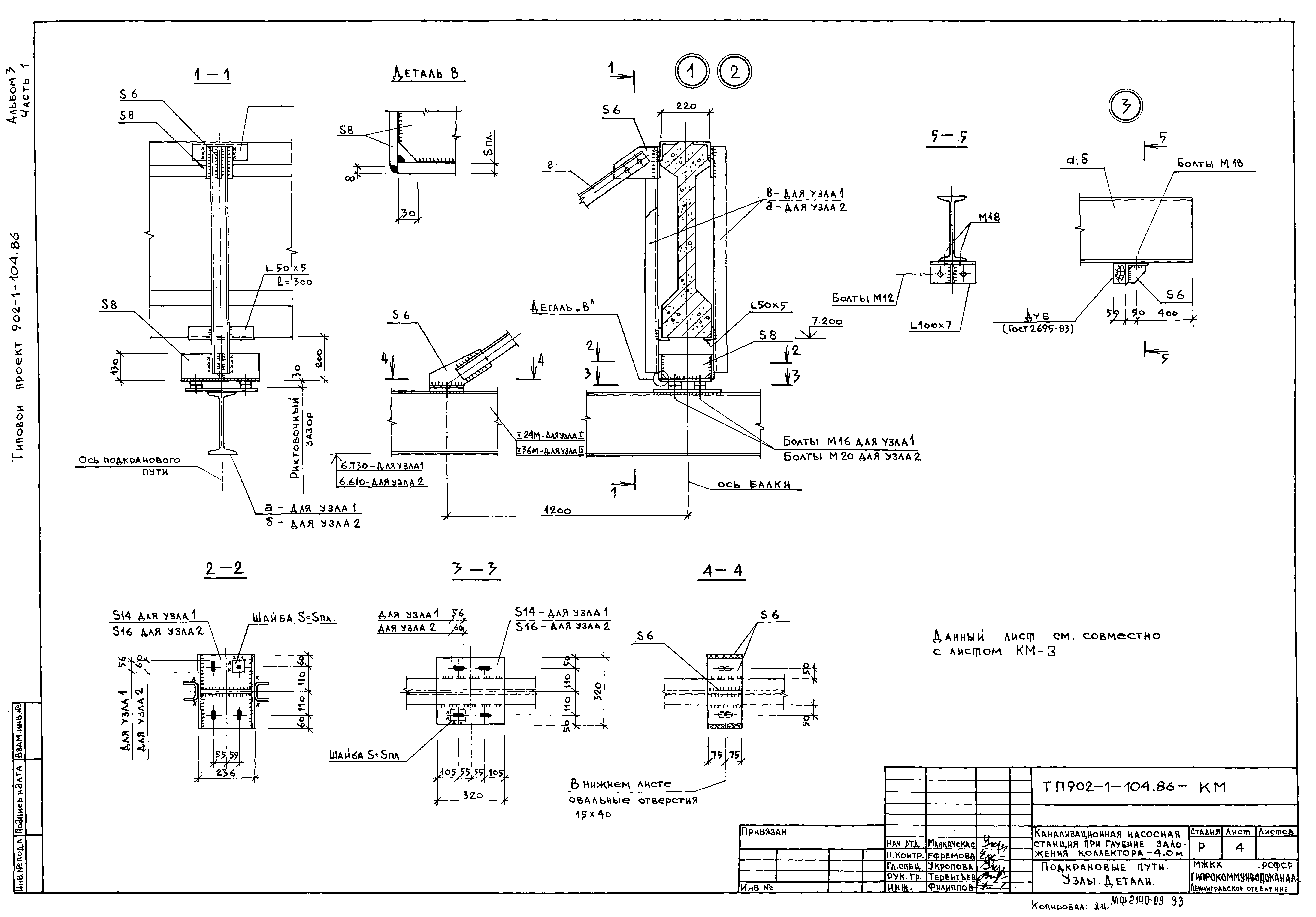
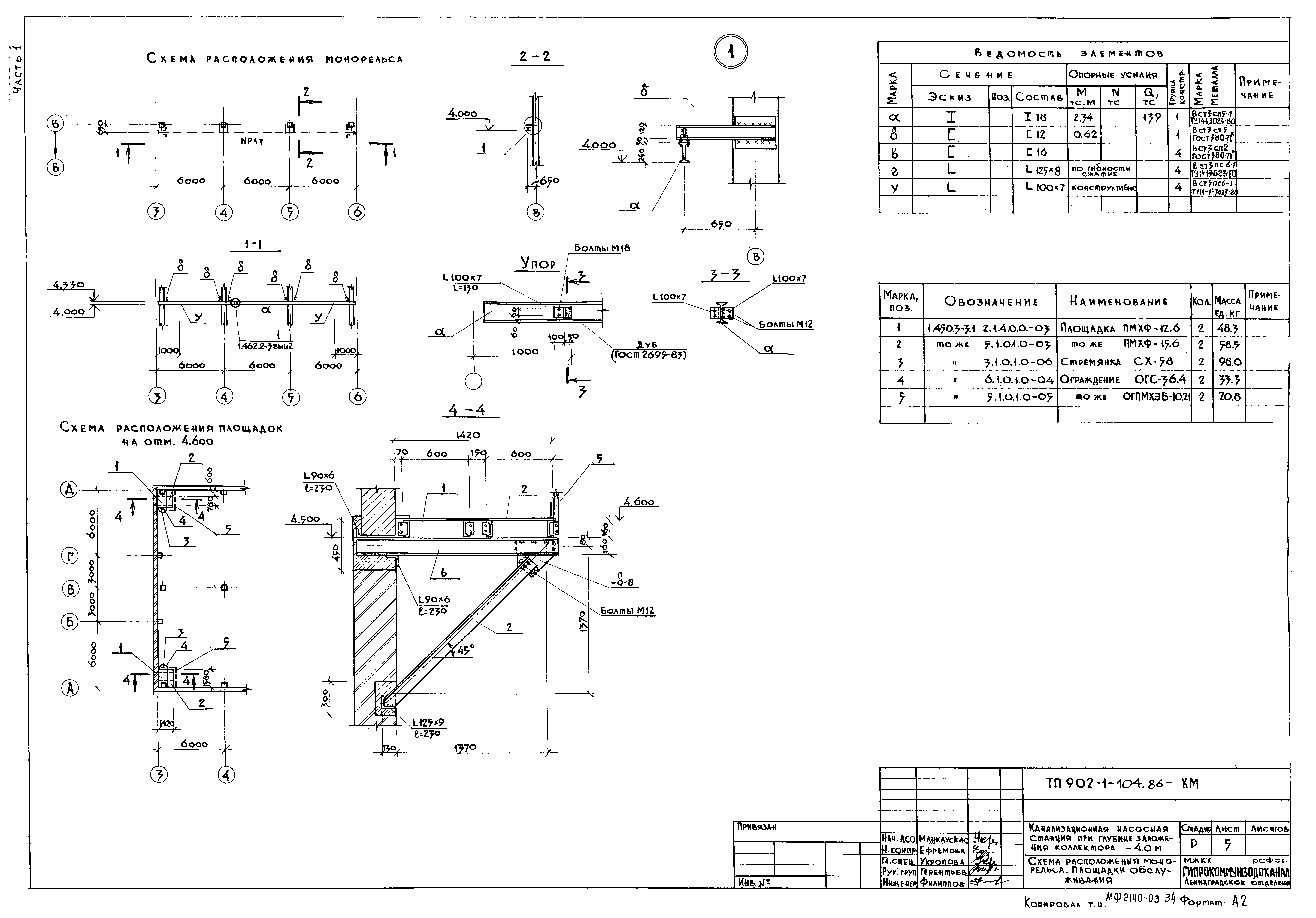
| Оглавление: | ТП 902-1-104.86 Содержание альбома ТП 902-1-104.86-АР Основной комплект марки АР ТП 902-1-104.86-АР Общие данные (начало) ТП 902-1-104.86-АР Общие данные (окончание) ТП 902-1-104.86-АР План на отм. 0.000 ТП 902-1-104.86-АР Фрагменты плана 1-9. Узел 8 ТП 902-1-104.86-АР Разрезы 1-1;2-2. Узлы 1-5 ТП 902-1-104.86-АР Фасады 1-8;В-1;Д-А;А-Д ТП 902-1-104.86-АР План полов на отм. 0.000. План отверстий на отм. 0.000. План кровли вентшахты 1.2. Узлы 6,7 ТП 902-1-104.86-АР Схема расположения сборных перегородок ТП 902-1-104.86-КЖ Основной комплект марки КЖ ТП 902-1-104.86-КЖ Общие данные ТП 902-1-104.86-КЖ Схемы расположения ростверков и свай ТП 902-1-104.86-КЖ Схема расположения фундаментов и фундаментных балок ТП 902-1-104.86-КЖ РСм1. Армирование ТП 902-1-104.86-КЖ РСм2-РСм4. Армирование ТП 902-1-104.86-КЖ РКм1. Опалубочный чертеж ТП 902-1-104.86-КЖ РКм1. Балки ОБм1-ОБм5. Армирование ТП 902-1-104.86-КЖ РКм1. Плиты ПМ1. Балки БМ1-БМ6. Армирование ТП 902-1-104.86-КЖ РКс1. Ведомость деталей. Спецификация (начало) ТП 902-1-104.86-КЖ РКс1. Спецификация (окончание). Ведомость расхода стали на элемент ТП 902-1-104.86-КЖ Схемы расположения элементов каркаса ТП 902-1-104.86-КЖ Схемы расположения плит покрытия и перекрытия ТП 902-1-104.86-КЖ Схемы покрытия и перекрытия. Монолитные участки Ум1-Ум4 ТП 902-1-104.86-КЖ Схемы расположения стеновых панелей по осям А;Д;3;6 ТП 902-1-104.86-КЖ Схемы расположения стеновых панелей по осям 1;8;Д;А ТП 902-1-104.86-КЖ Операторская РУ-6кВ. ПСУ. Камеры трансформаторов. Схемы расположения элементов на отм. 0.000 и каналов ТП 902-1-104.86-КЖ Операторская РУ-6кВ. ПСУ. Камеры трансформаторов. Разрезы 1-1÷4-4 ТП 902-1-104.86-КЖ РУ-6кВ. ПСУ. Камеры трансформаторов Пм1,Пм2,Бм1,Бм2,Ум1. Армирование. Горизонтальная диафрагма ТП 902-1-104.86-КМ Основной комплект марки КМ ТП 902-1-104.86-КМ Общие данные ТП 902-1-104.86-КМ Техническая спецификация металла ТП 902-1-104.86-КМ Схема расположения подкрановых путей ТП 902-1-104.86-КМ Подкрановые пути. Узлы. Детали ТП 902-1-104.86-КМ Схема расположения монорельса. Площадки обслуживания ТП 902-1-104.86-КМ Электропомещения. Сетчатые ограждения ТП 902-1-104.86-КМ Лестницы |
| Разработан: | Ленинградское отделение Гипрокоммунводоканала |
| Утверждён: | 27.10.1986 МЖКХ РСФСР (462) |




































