Скачать Типовой проект 902-1-104.86 Альбом 5. Строительные решения. Подземная частьДата актуализации: 01.01.2021
|
| Обозначение: | Типовой проект 902-1-104.86 |
| Обозначение англ: | 902-1-104.86 |
| Статус: | не определен законодательством |
| Название рус.: | Альбом 5. Строительные решения. Подземная часть |
| Дата добавления в базу: | 01.09.2013 |
| Дата актуализации: | 01.01.2021 |
| Дата введения: | 27.10.1986 |
| Дата окончания срока действия: | 30.06.2003 |
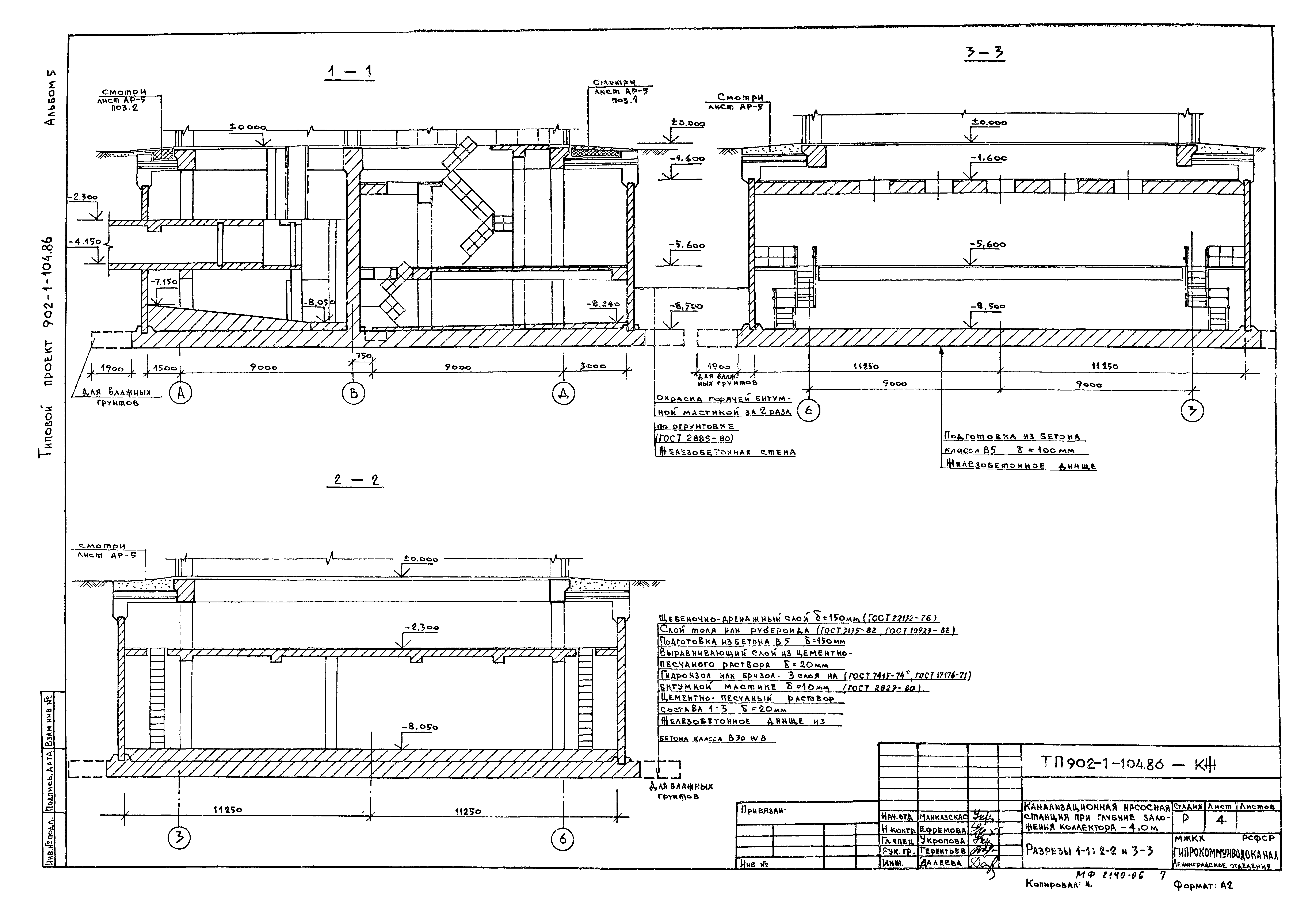
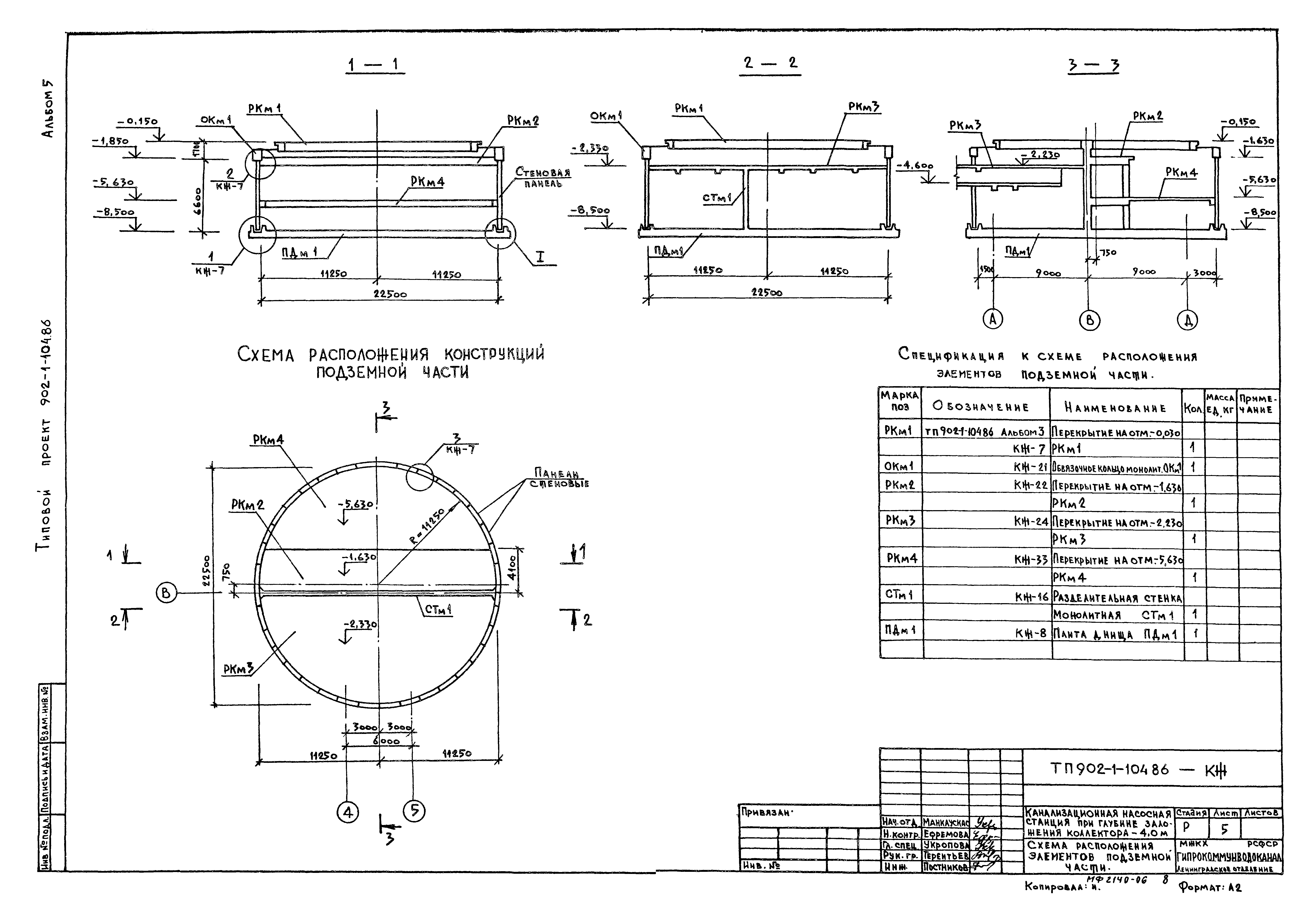
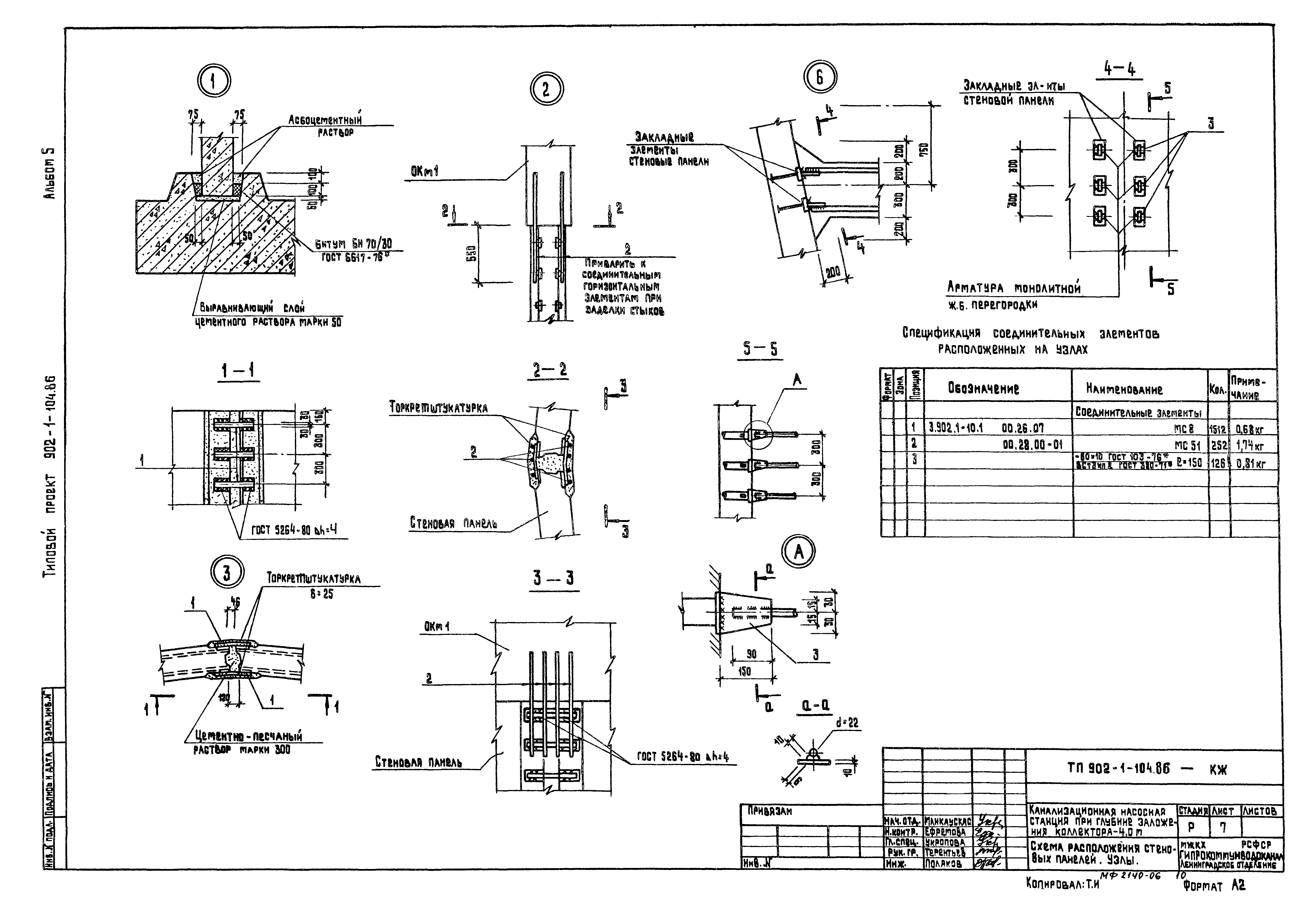
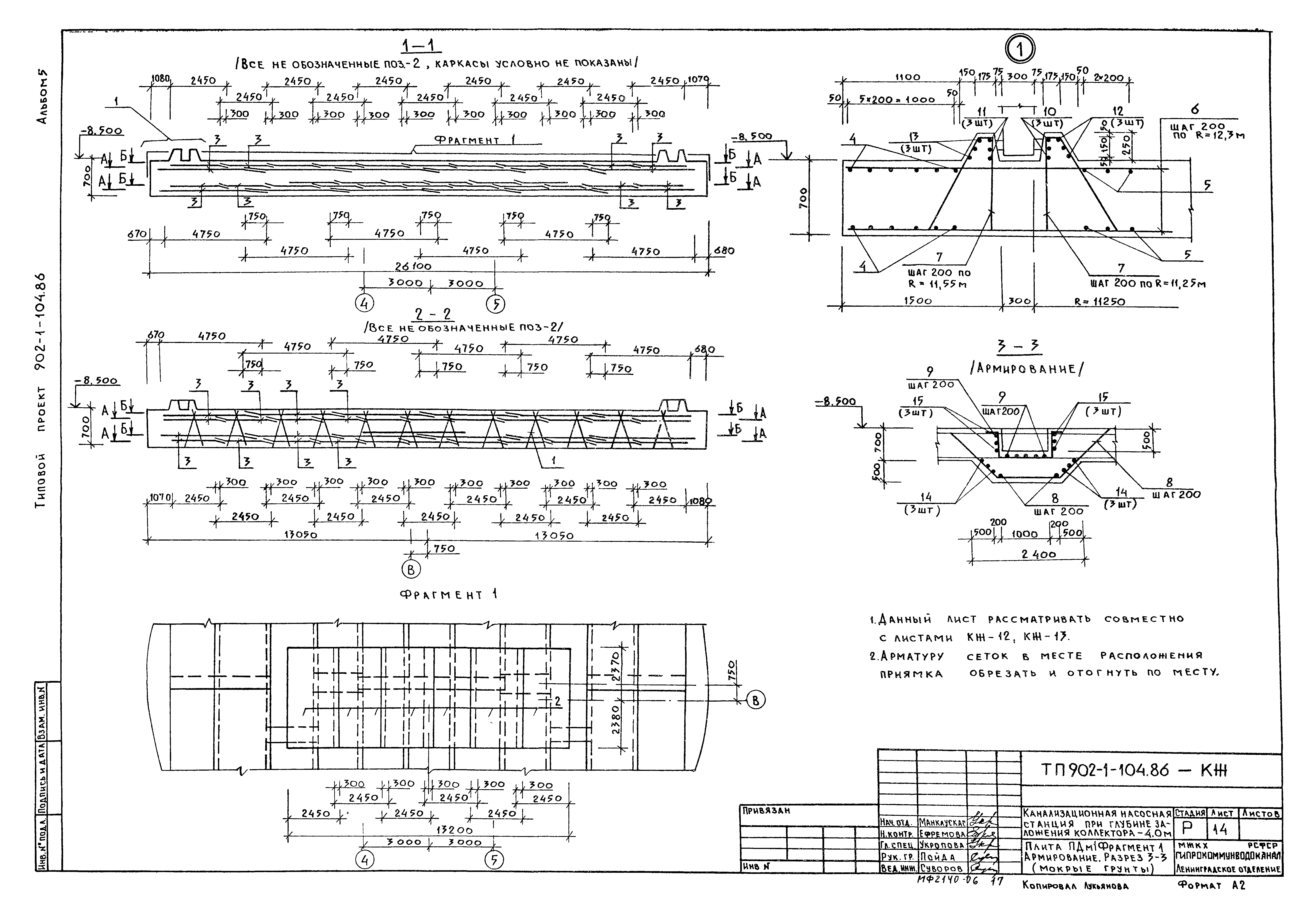
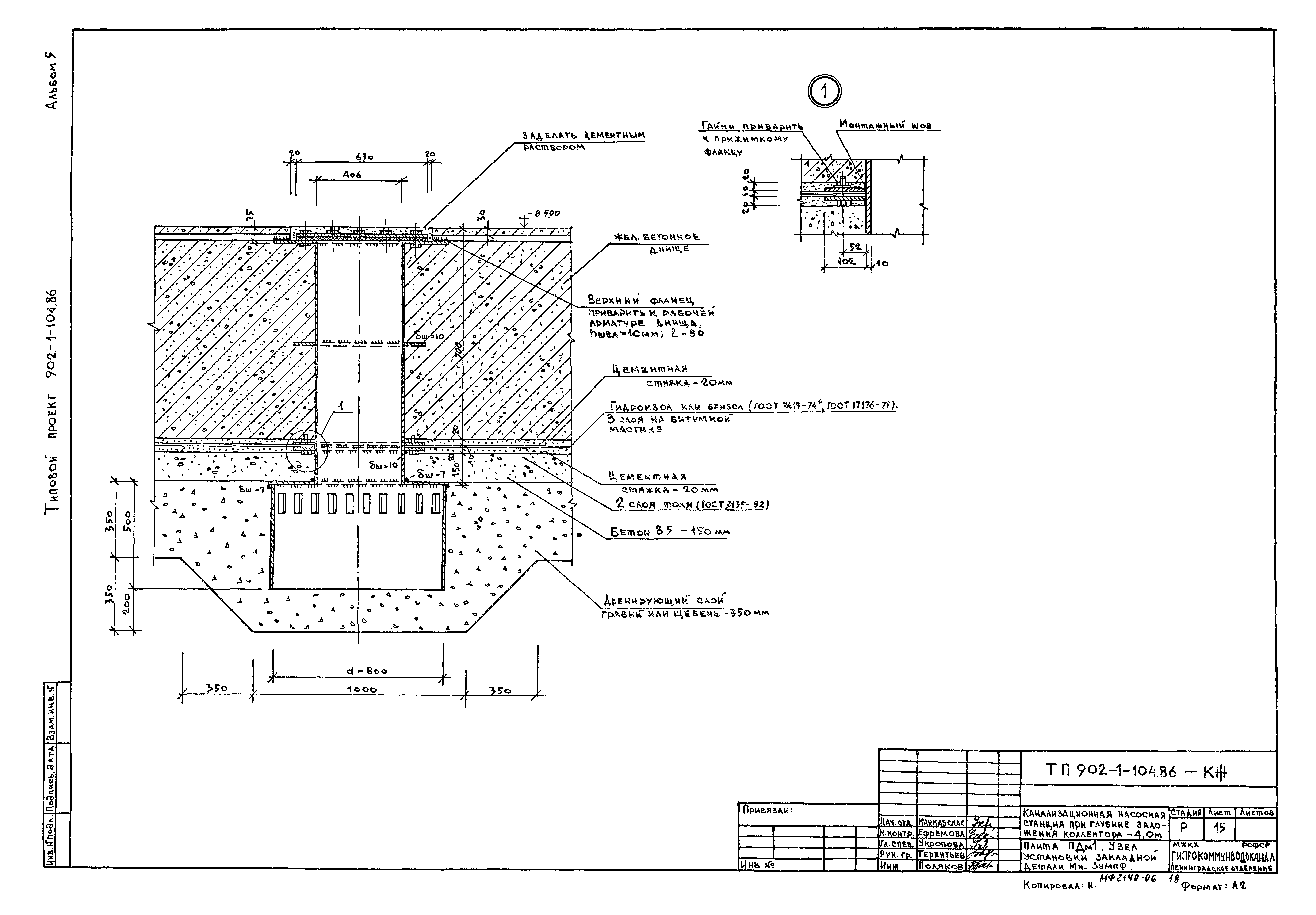
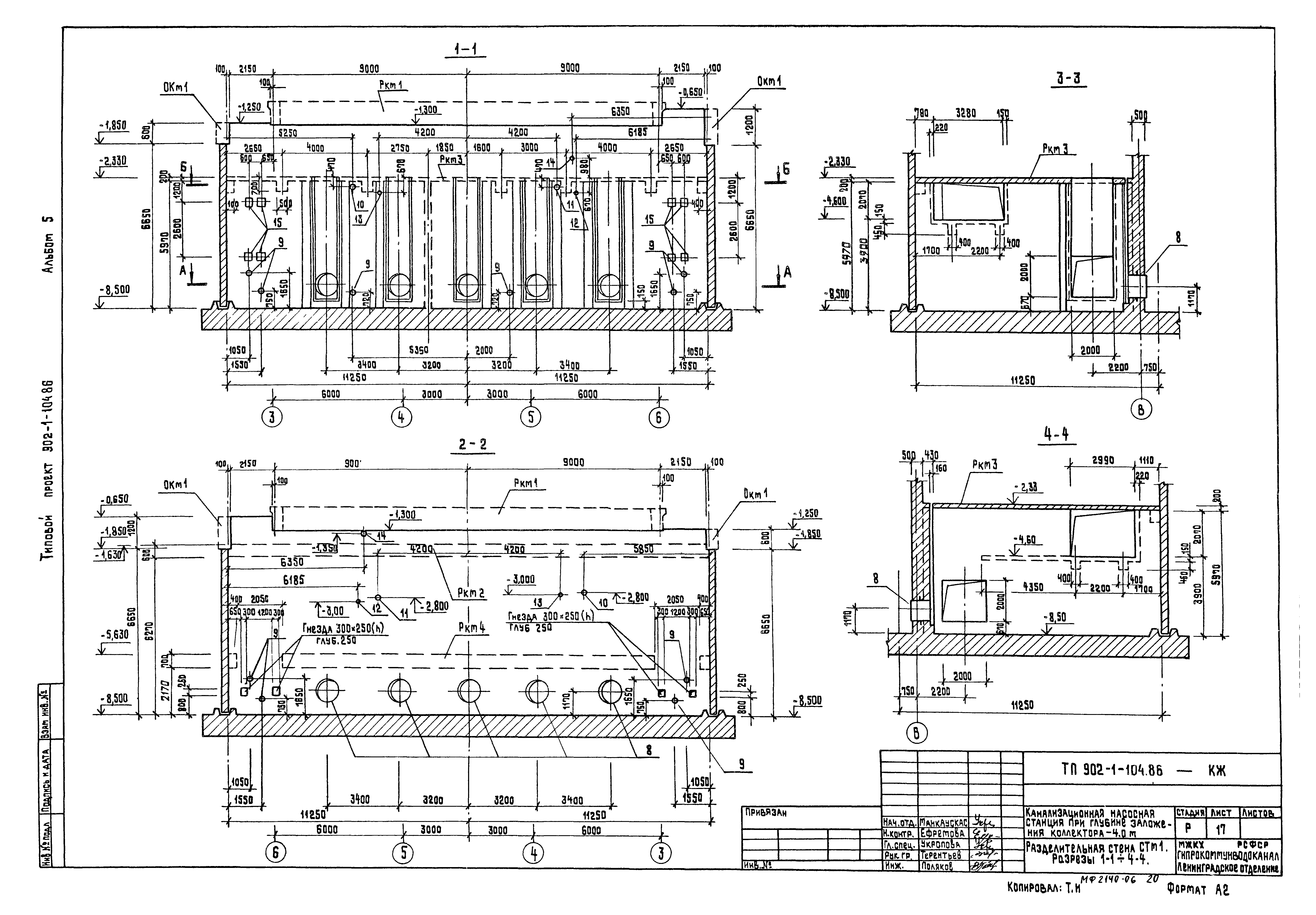
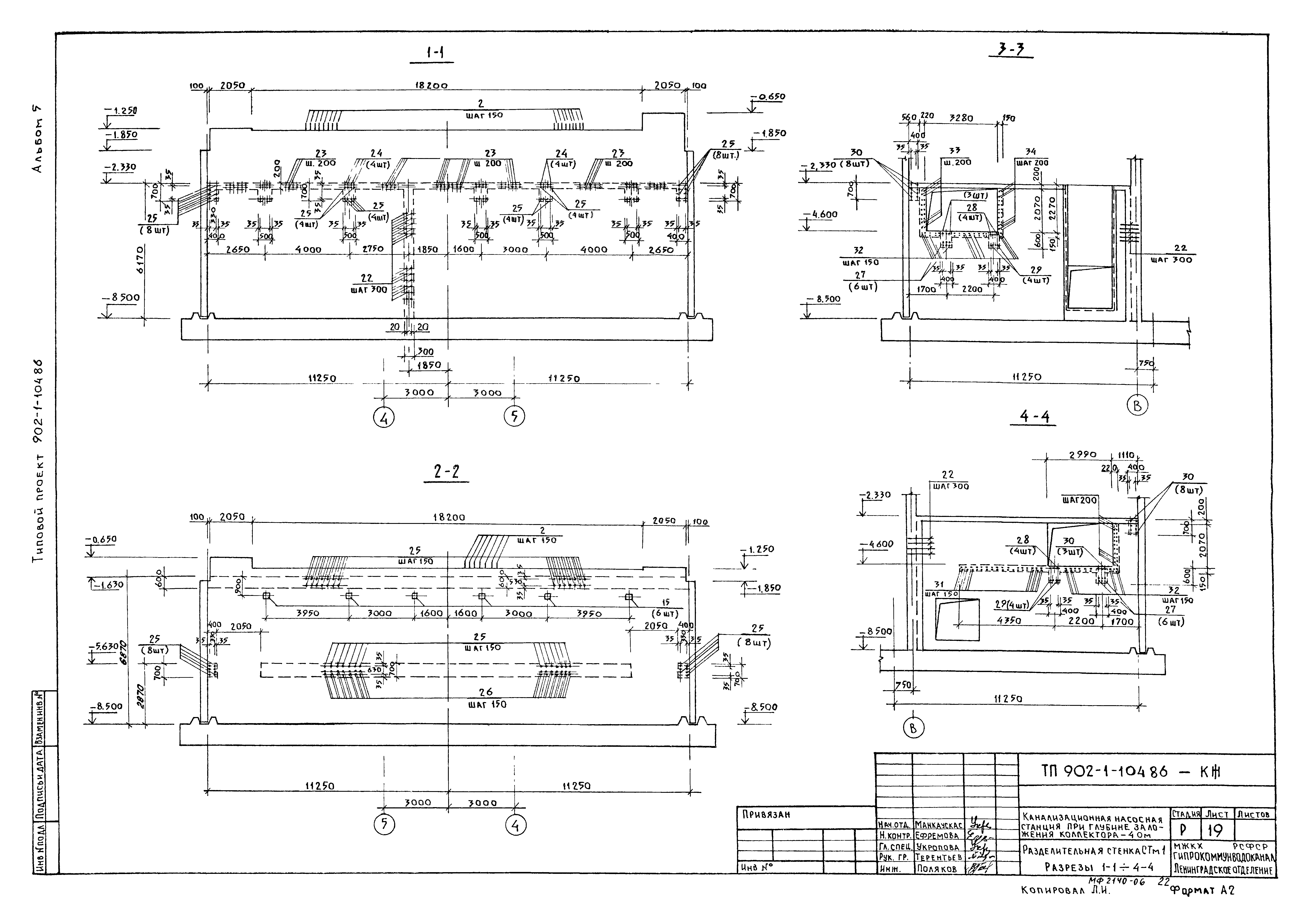
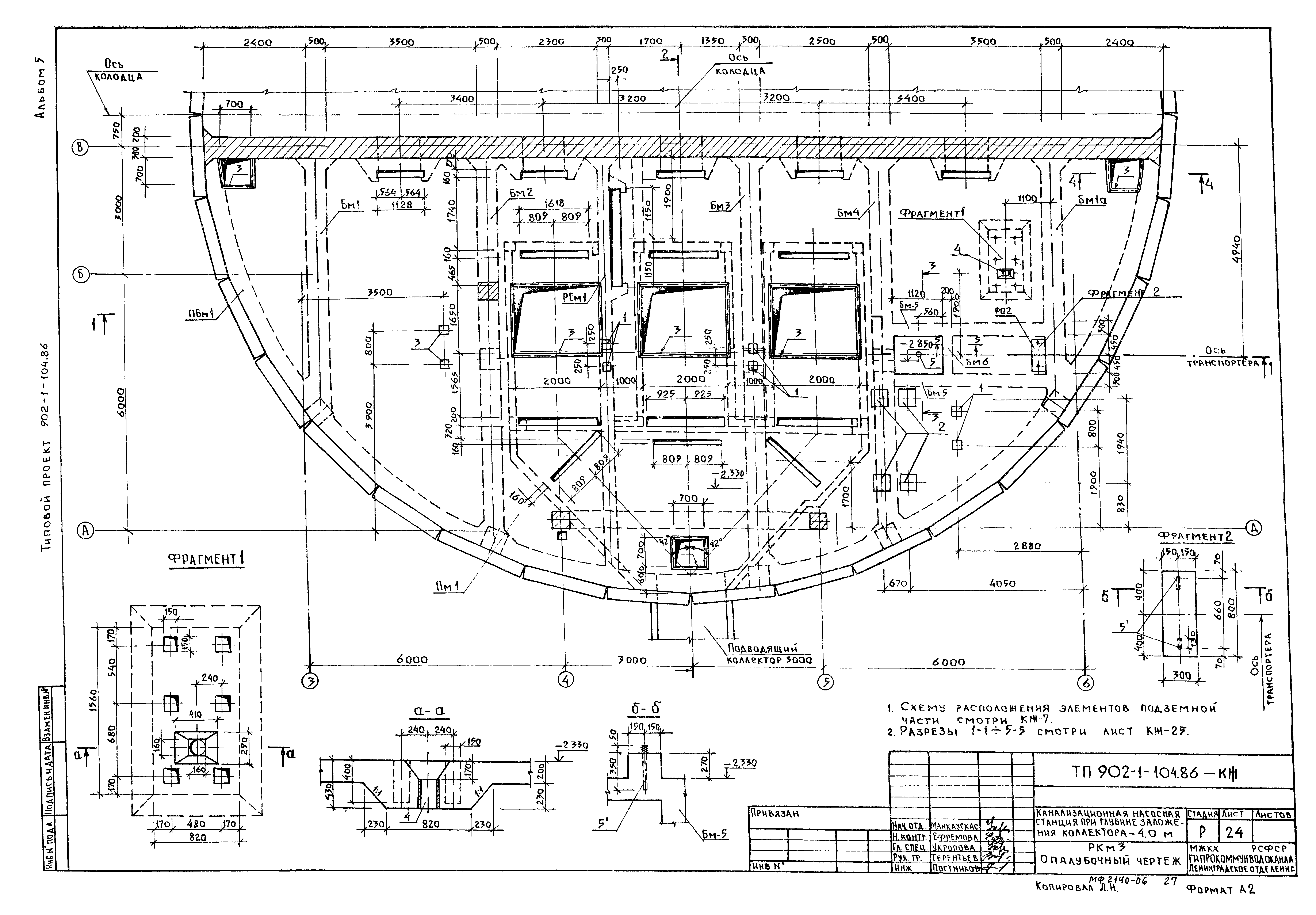
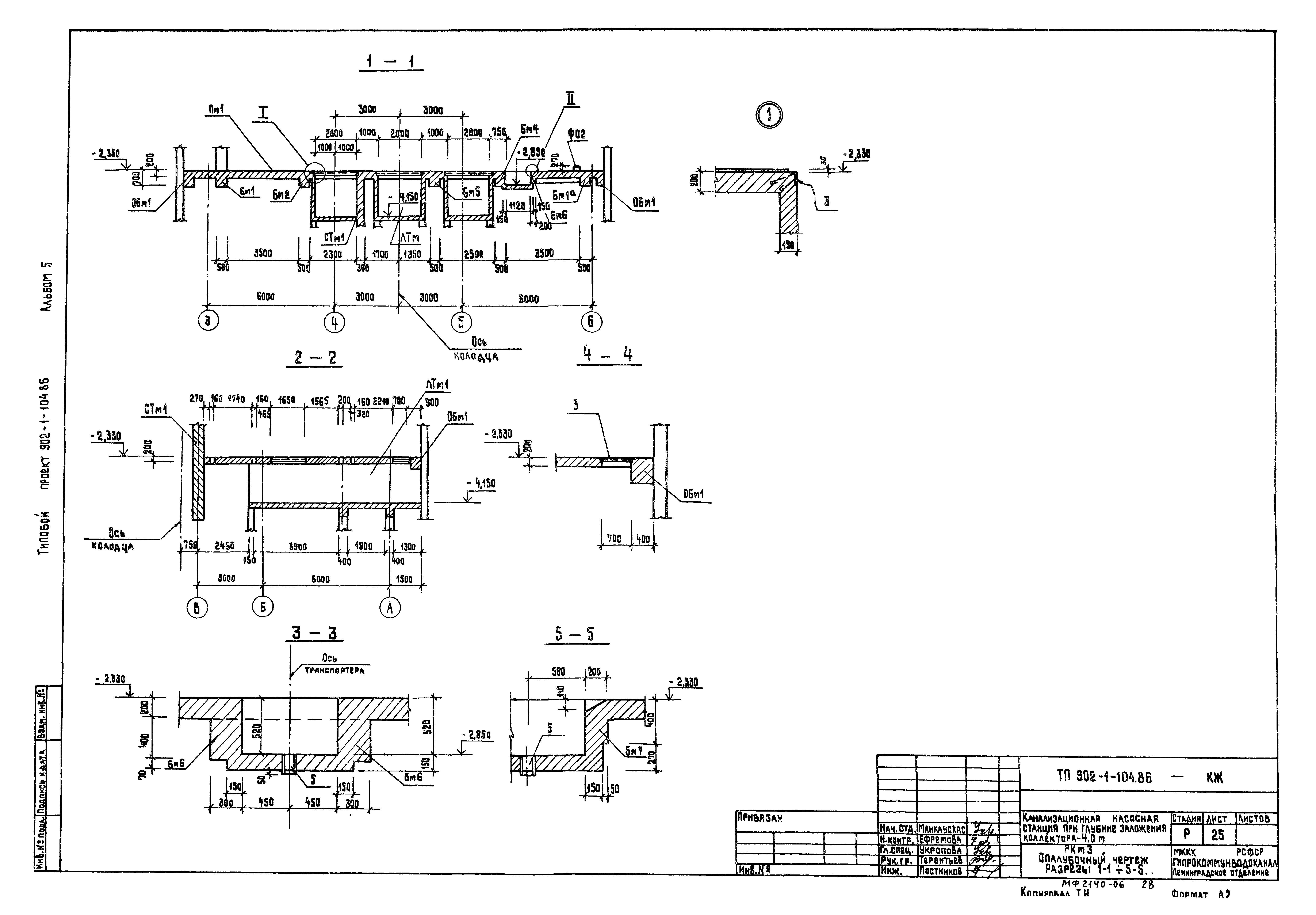
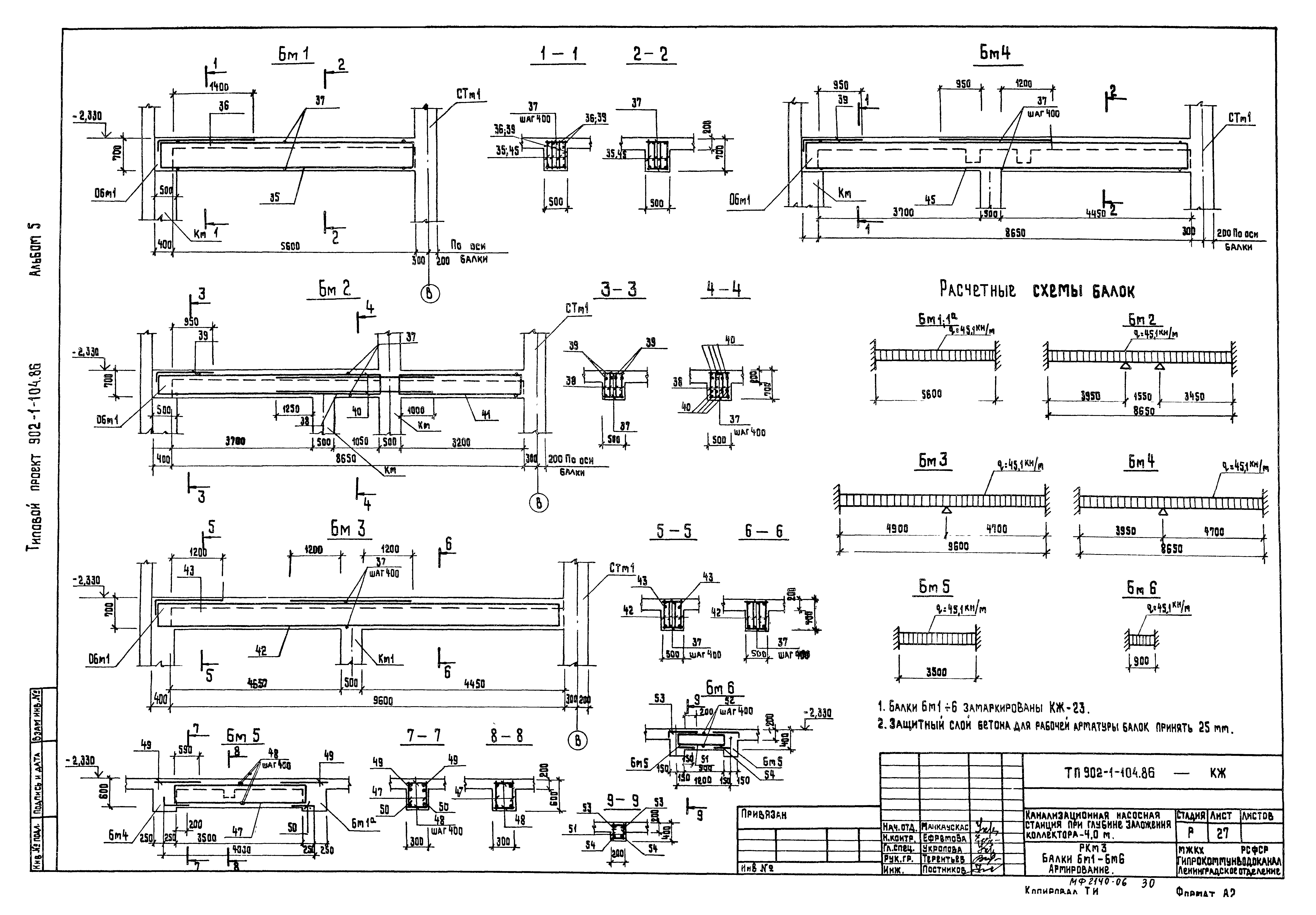
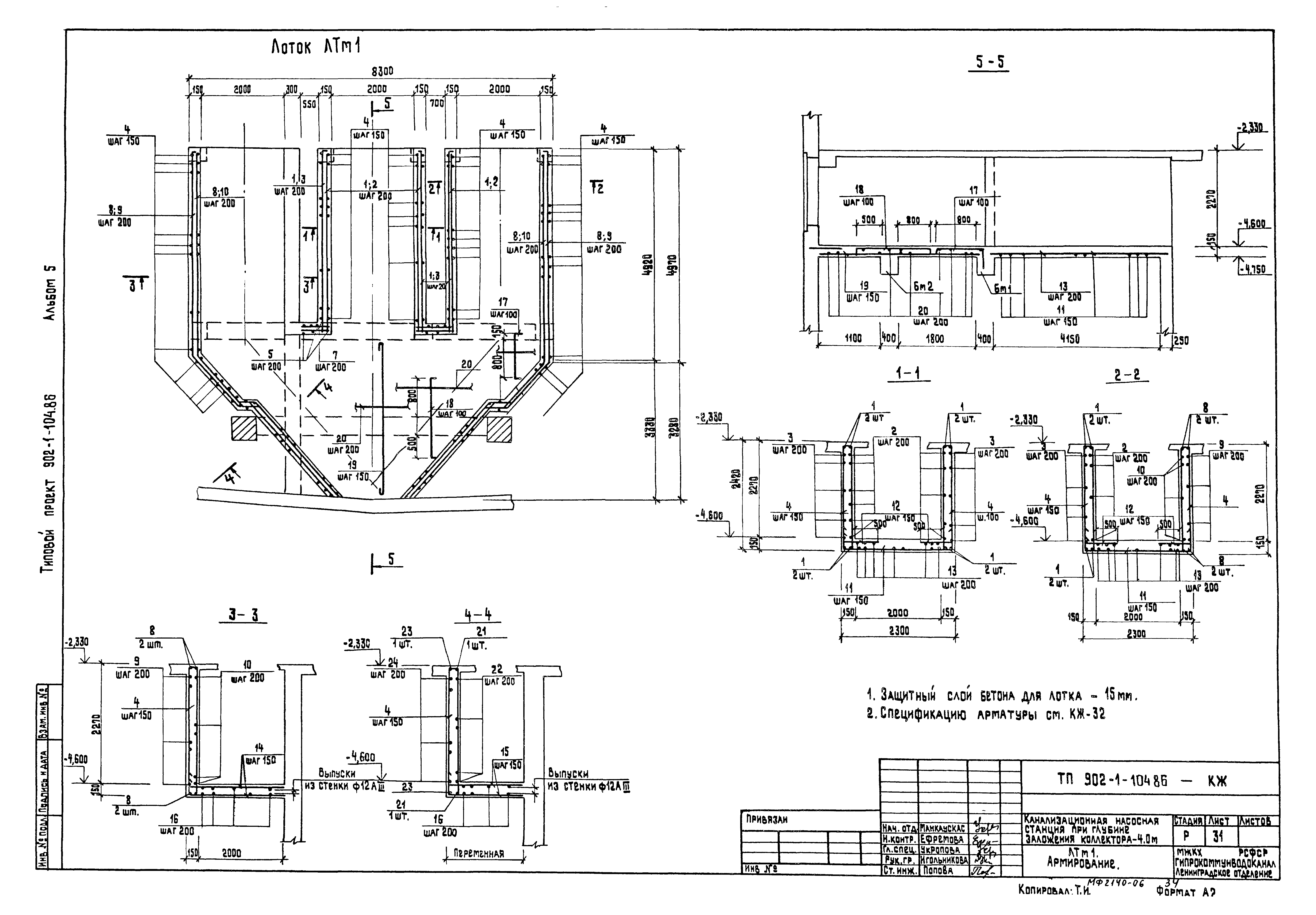
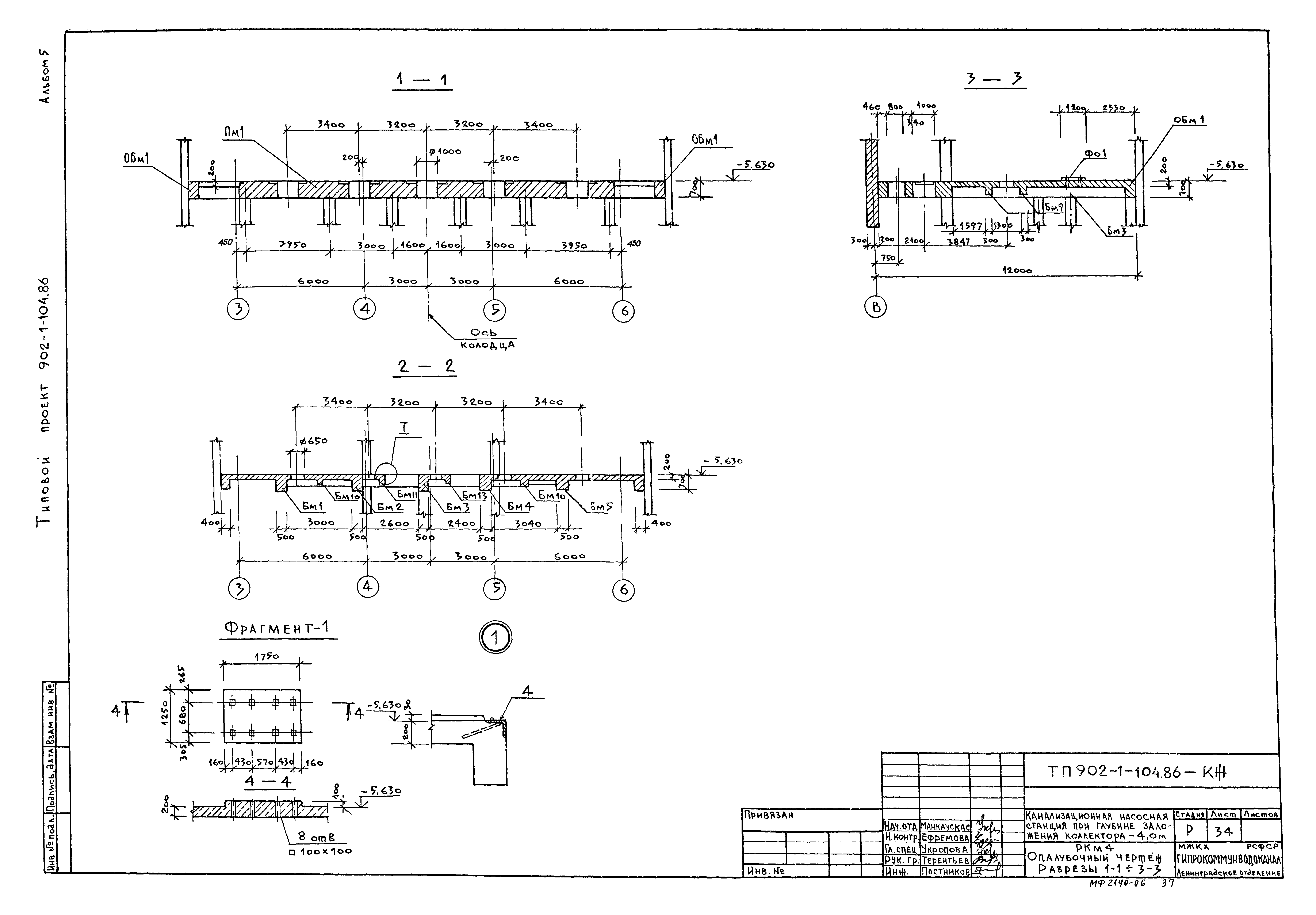
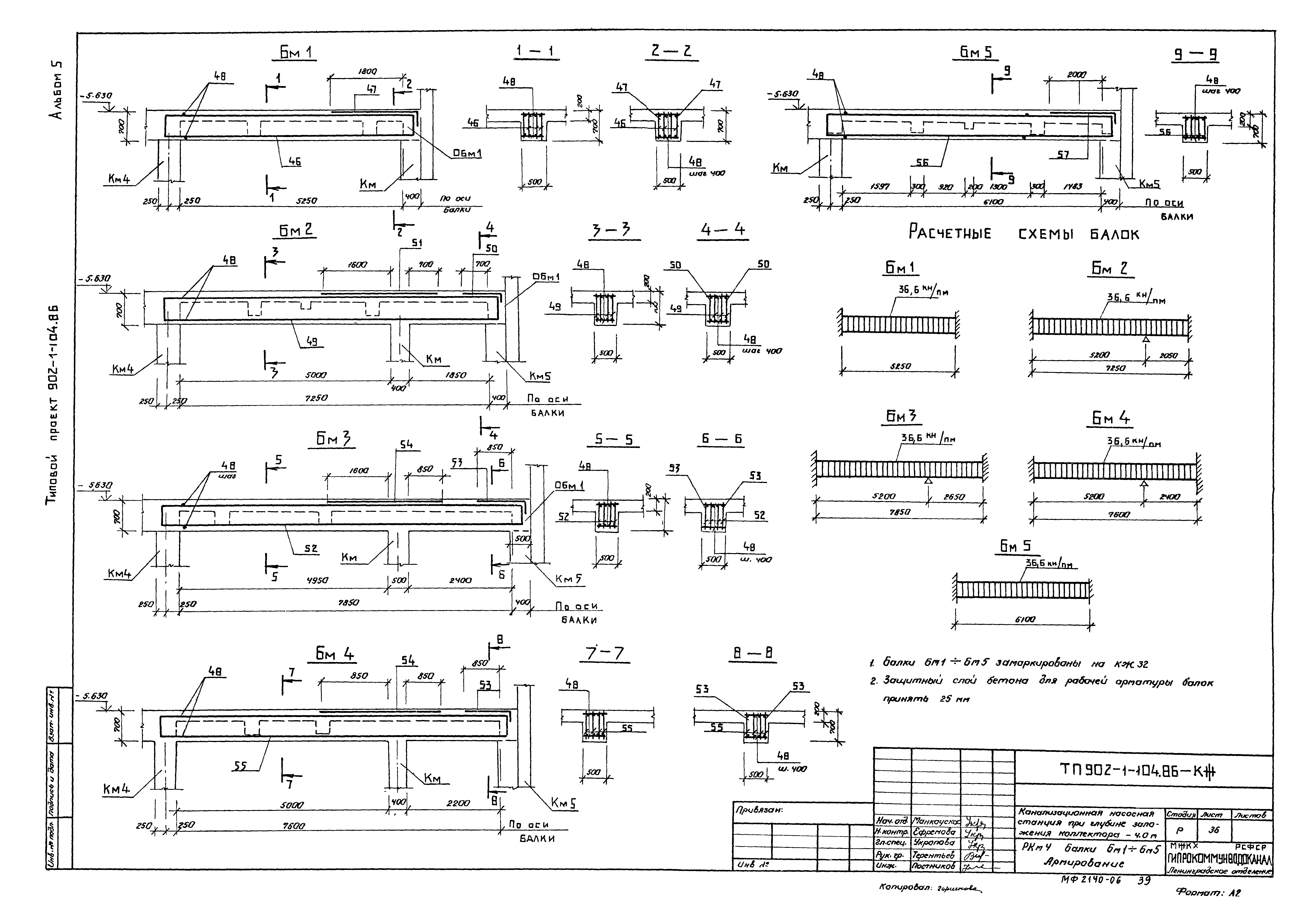
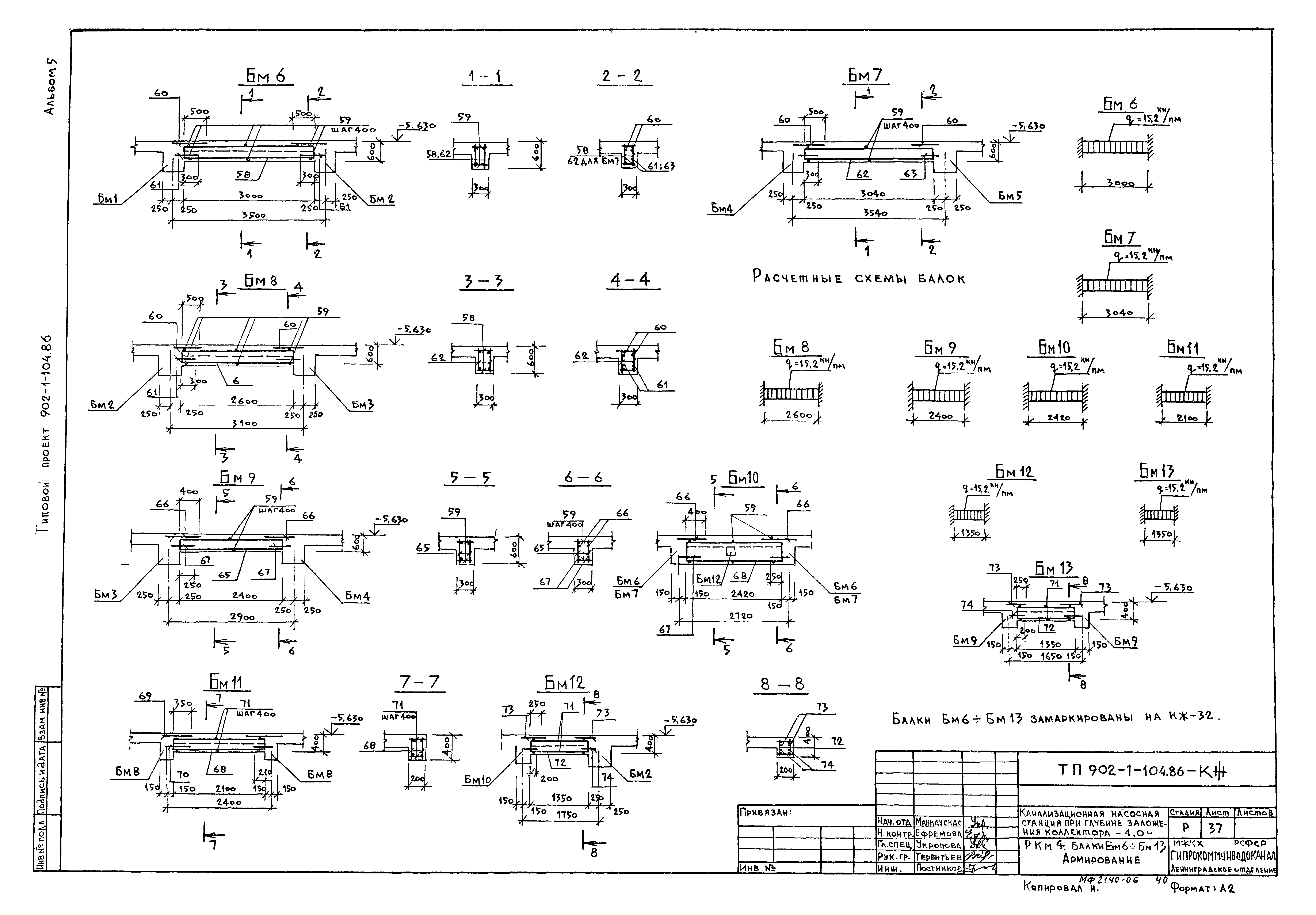
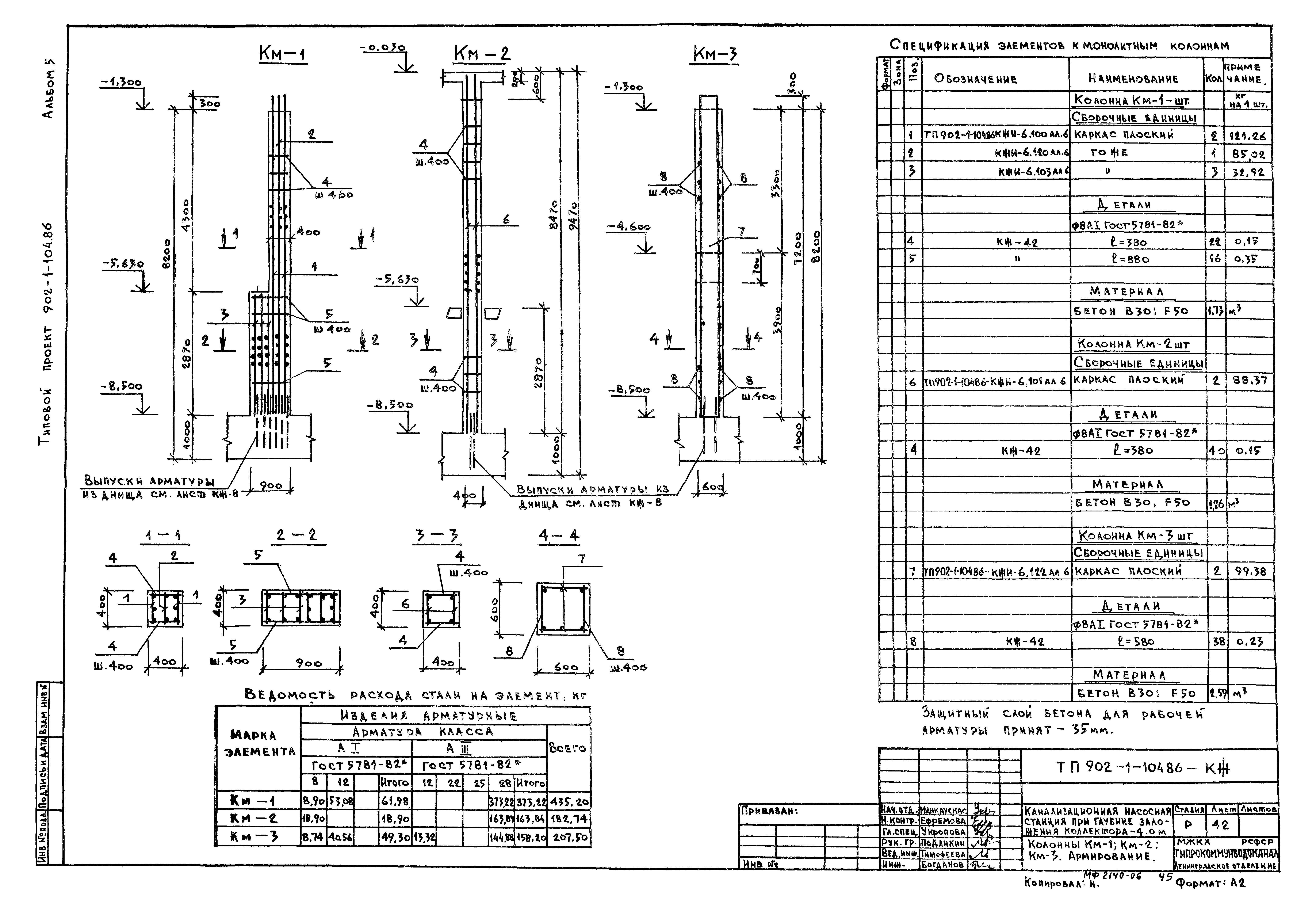
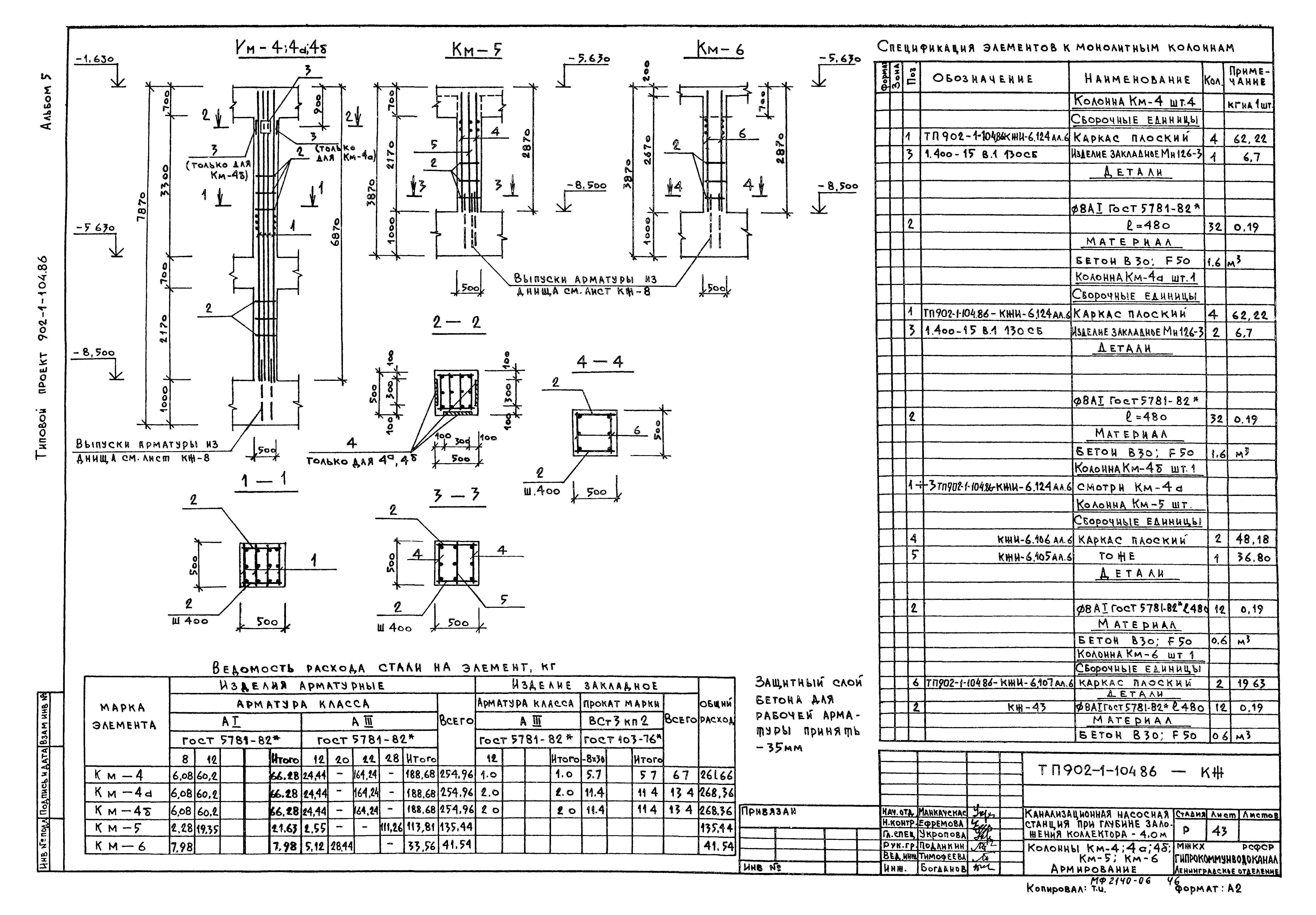
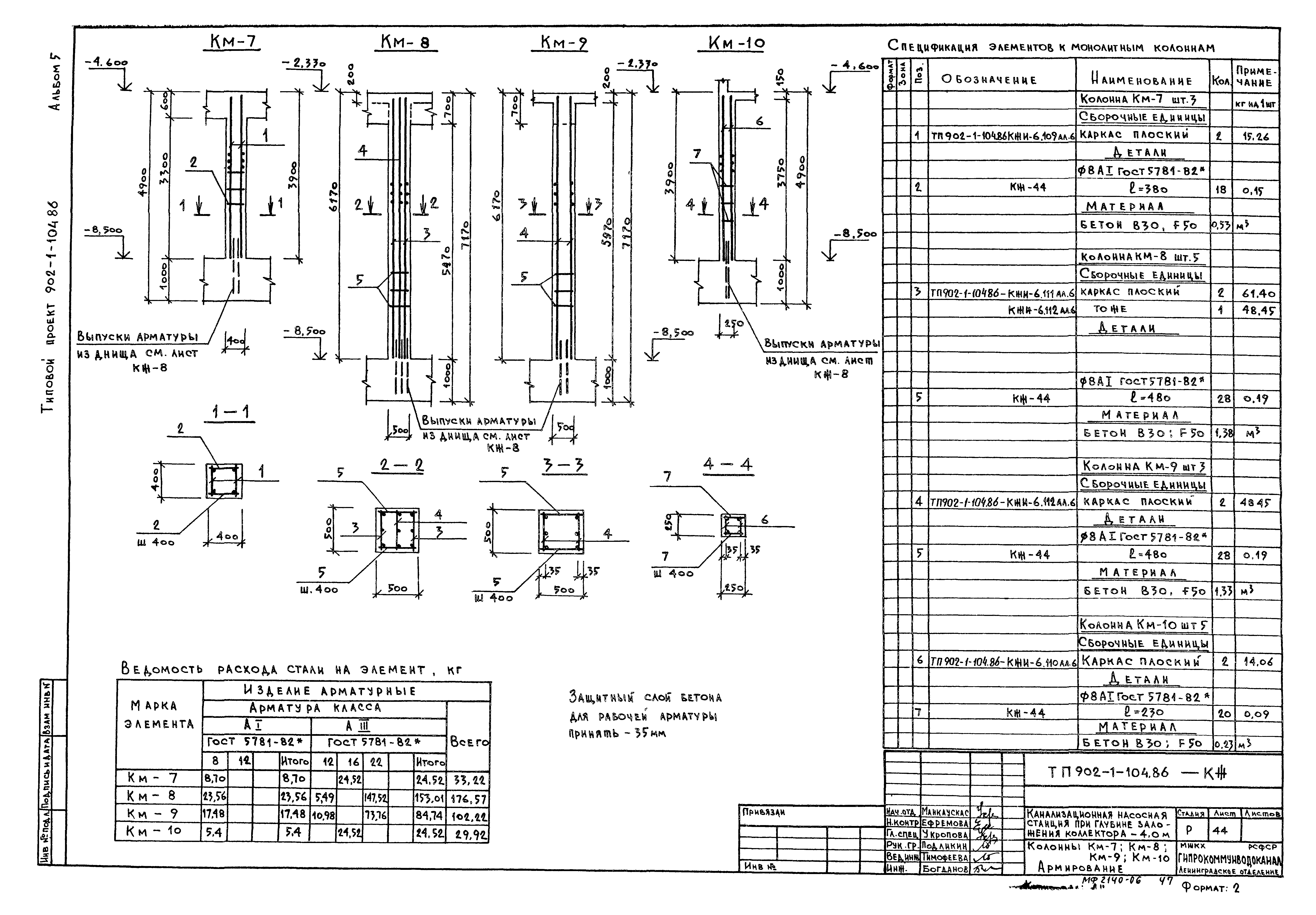
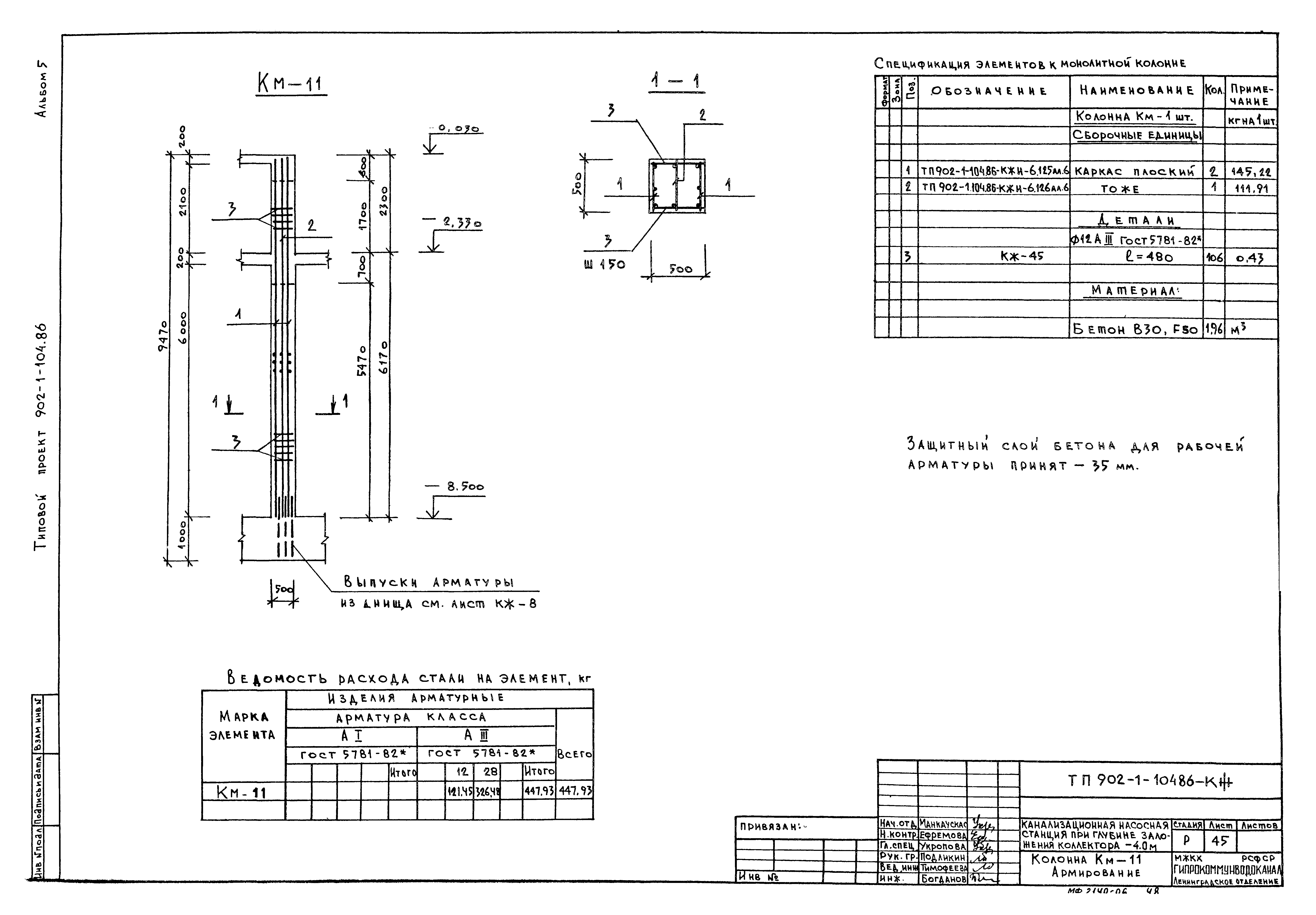
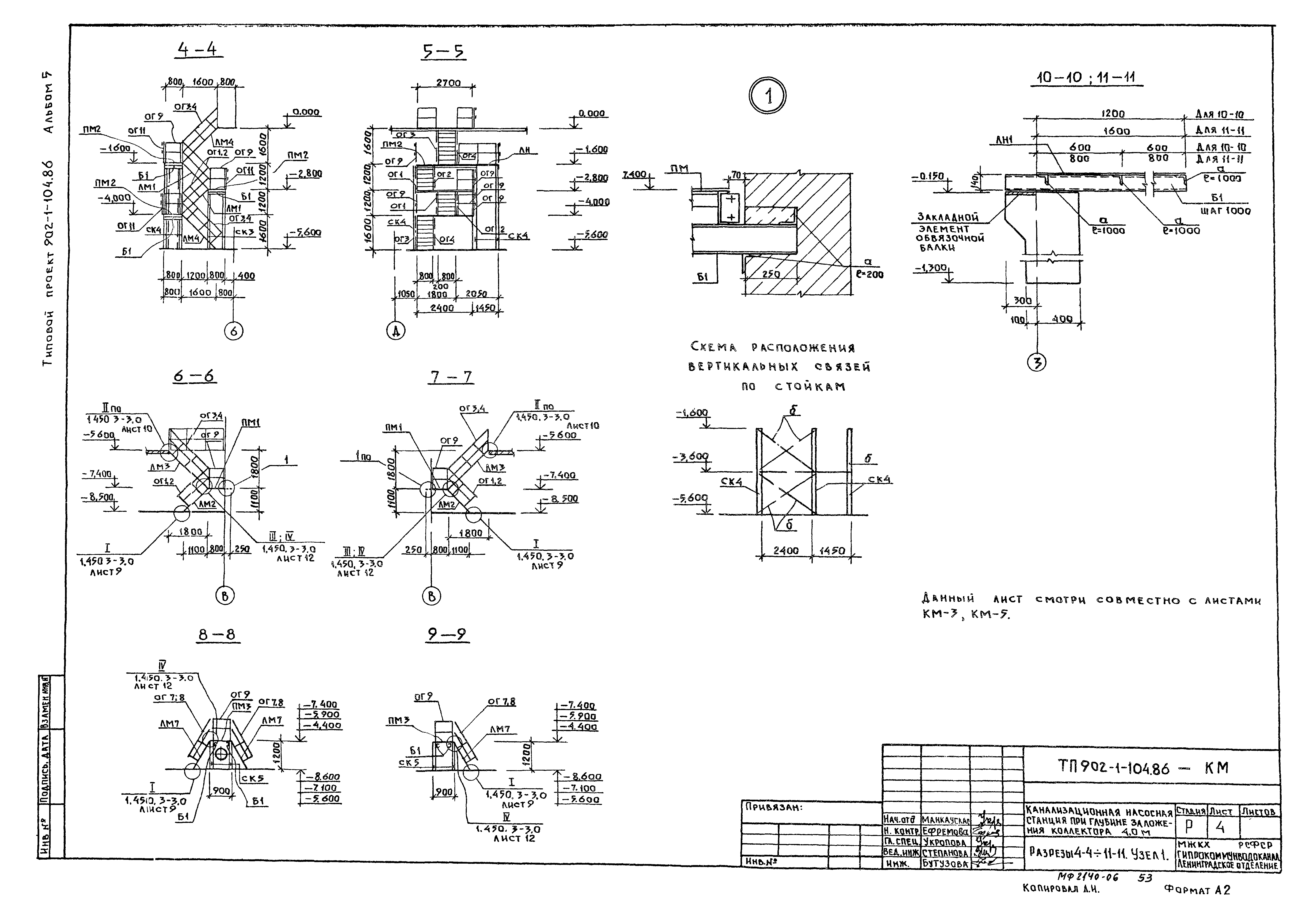
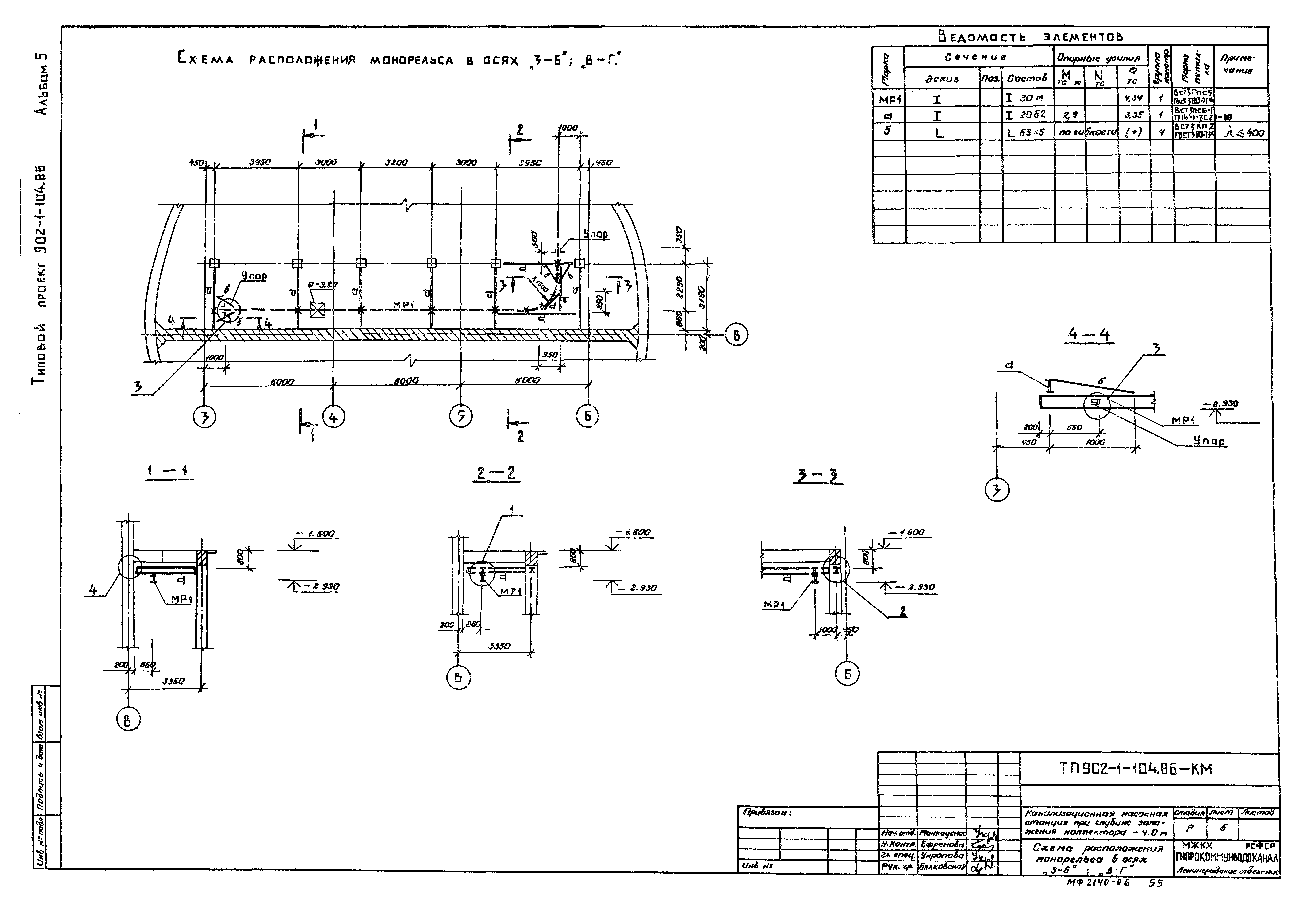
| Оглавление: | ТП 902-1-104.86 Содержание альбома ТП 902-1-104.86-КЖ Основной комплект марки КЖ ТП 902-1-104.86-КЖ Общие данные (начало) ТП 902-1-104.86-КЖ Общие данные (окончание) ТП 902-1-104.86-КЖ Планы на отм. ±0.000; -1.600;-5.600;-8.500 ТП 902-1-104.86-КЖ Разрезы 1-1;2-2;3-3 ТП 902-1-104.86-КЖ Схема расположения элементов подземной части ТП 902-1-104.86-КЖ Схема расположения стеновых панелей. ТП 902-1-104.86-КЖ Схема расположения стеновых панелей. Узлы ТП 902-1-104.86-КЖ Плита ПДм1 (Выпуски) ТП 902-1-104.86-КЖ Плита ПДм1. План по Б-Б. Армирование. План расположения каркасов (сухие грунты) ТП 902-1-104.86-КЖ Плита ПДм1. План по А-А. Армирование. (сухие грунты) ТП 902-1-104.86-КЖ Плита ПДм1. Фрагмент 1. Армирование. Разрез 3-3 (сухие грунты) ТП 902-1-104.86-КЖ Плита ПДм1. План по Б-Б. Армирование. План расположения каркасов (мокрые грунты) ТП 902-1-104.86-КЖ Плита ПДм1. План по А-А. Армирование. (мокрые грунты) ТП 902-1-104.86-КЖ Плита ПДм1. Фрагмент 1. Армирование. Разрез 3-3 (мокрые грунты) ТП 902-1-104.86-КЖ Плита ПДм1. Узел установки закладной детали Мн Зумпф ТП 902-1-104.86-КЖ Разделительная стенка СТм1. План по А-А,Б-Б ТП 902-1-104.86-КЖ Разделительная стенка СТм1. Разрезы 1-1÷4-4 ТП 902-1-104.86-КЖ Разделительная стенка СТм1. Армирование ТП 902-1-104.86-КЖ Разделительная стенка СТм1. Разрезы 1-1÷4-4. Выпуски ТП 902-1-104.86-КЖ Разделительная стенка СТм1. Ведомость расхода стали на элемент. Ведомость деталей. Спецификация ТП 902-1-104.86-КЖ Обвязочное кольцо ОКм1 ТП 902-1-104.86-КЖ РКм2. Опалубочный чертеж ТП 902-1-104.86-КЖ РКм2. Плита Пм1. Балка Бм1. Армирование ТП 902-1-104.86-КЖ РКм3. Опалубочный чертеж ТП 902-1-104.86-КЖ РКм3. Опалубочный чертеж. Разрезы 1-1÷5-5 ТП 902-1-104.86-КЖ РКм3. Плита Пм1. Армирование ТП 902-1-104.86-КЖ РКм3. Балки Бм1-Бм6. Армирование ТП 902-1-104.86-КЖ РКм3. Балка ОБм1. Армирование. Спецификация (начало) ТП 902-1-104.86-КЖ РКм3. Ведомость расхода стали на элемент. Спецификация (окончание) ТП 902-1-104.86-КЖ Схема расположения лотка ТП 902-1-104.86-КЖ ЛТм1. Армирование ТП 902-1-104.86-КЖ Лоток. Балки Бм1,Бм2. Армирование ТП 902-1-104.86-КЖ РКм4. Опалубочный чертеж ТП 902-1-104.86-КЖ РКм4. Опалубочный чертеж. Разрезы 1-1÷3-3 ТП 902-1-104.86-КЖ РКм4. Плита Пм1. Армирование ТП 902-1-104.86-КЖ РКм4. Балки Бм1-Бм5. Армирование ТП 902-1-104.86-КЖ РКм4. Балки Бм6-Бм13. Армирование ТП 902-1-104.86-КЖ РКм4. Балка ОБм1 ТП 902-1-104.86-КЖ Спецификация (начало) ТП 902-1-104.86-КЖ РКм4. Спецификация (продолжение) ТП 902-1-104.86-КЖ РКм4. Спецификация (окончание) ТП 902-1-104.86-КЖ Схема расположения колонн и фундаментов под оборудование ТП 902-1-104.86-КЖ Колонны Км1;Км2;Км3. Армирование ТП 902-1-104.86-КЖ Колонны Км4,4а,4б,Км,Км6. Армирование ТП 902-1-104.86-КЖ Колонны Км7,8,9,Км10. Армирование ТП 902-1-104.86-КЖ Колонна Км11. Армирование ТП 902-1-104.86-КЖ Схема расположения опор под трубопроводы на отм. -5.600 и 8.500 ТП 902-1-104.86-КМ Основной комплект "КМ" ТП 902-1-104.86-КМ Общие данные ТП 902-1-104.86-КМ Техническая спецификация металла ТП 902-1-104.86-КМ Схемы расположения металлических площадок, лестниц, ограждений и стоек. Разрезы 1-1÷2-2 ТП 902-1-104.86-КМ Разрезы 3-3÷1-1. Узел 1 ТП 902-1-104.86-КМ Стойки Ск1-Ск7Схема расположения монорельса в осях "3-6";"В-Г"Монорельс. Узлы 1-5 |
| Разработан: | Ленинградское отделение Гипрокоммунводоканала |
| Утверждён: | 27.10.1986 МЖКХ РСФСР (462) |
























































