Скачать Типовые проектные решения 904-02-16.85 Альбом 0. Часть 1. Рекомендации по применению. Пояснительная записка. Технологические схемыДата актуализации: 01.01.2021
|
| Обозначение: | Типовые проектные решения 904-02-16.85 |
| Обозначение англ: | 904-02-16.85 |
| Статус: | справочные материалы, мп, тпр |
| Название рус.: | Альбом 0. Часть 1. Рекомендации по применению. Пояснительная записка. Технологические схемы |
| Дата добавления в базу: | 01.09.2013 |
| Дата актуализации: | 01.01.2021 |
| Дата введения: | 12.06.1986 |
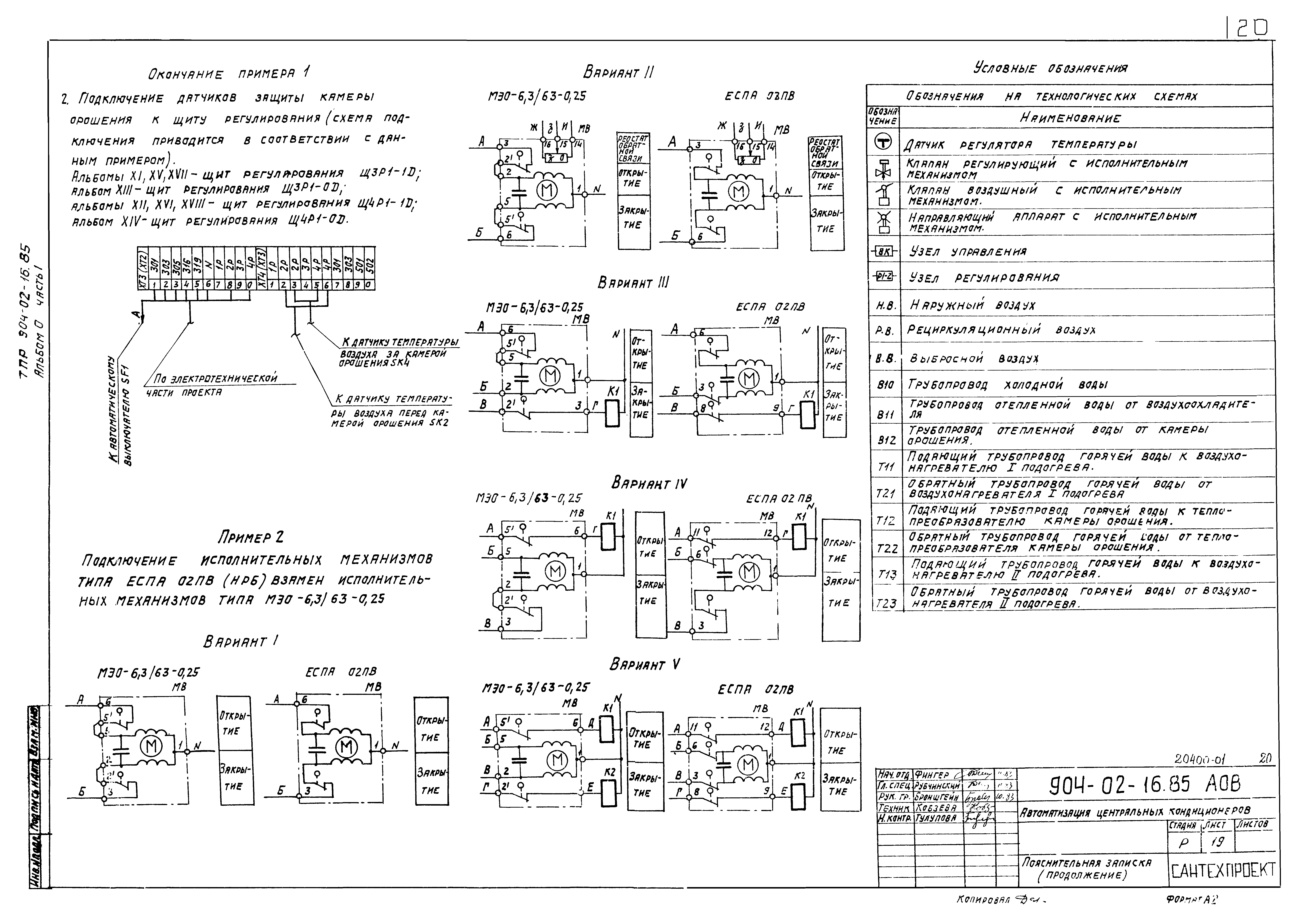
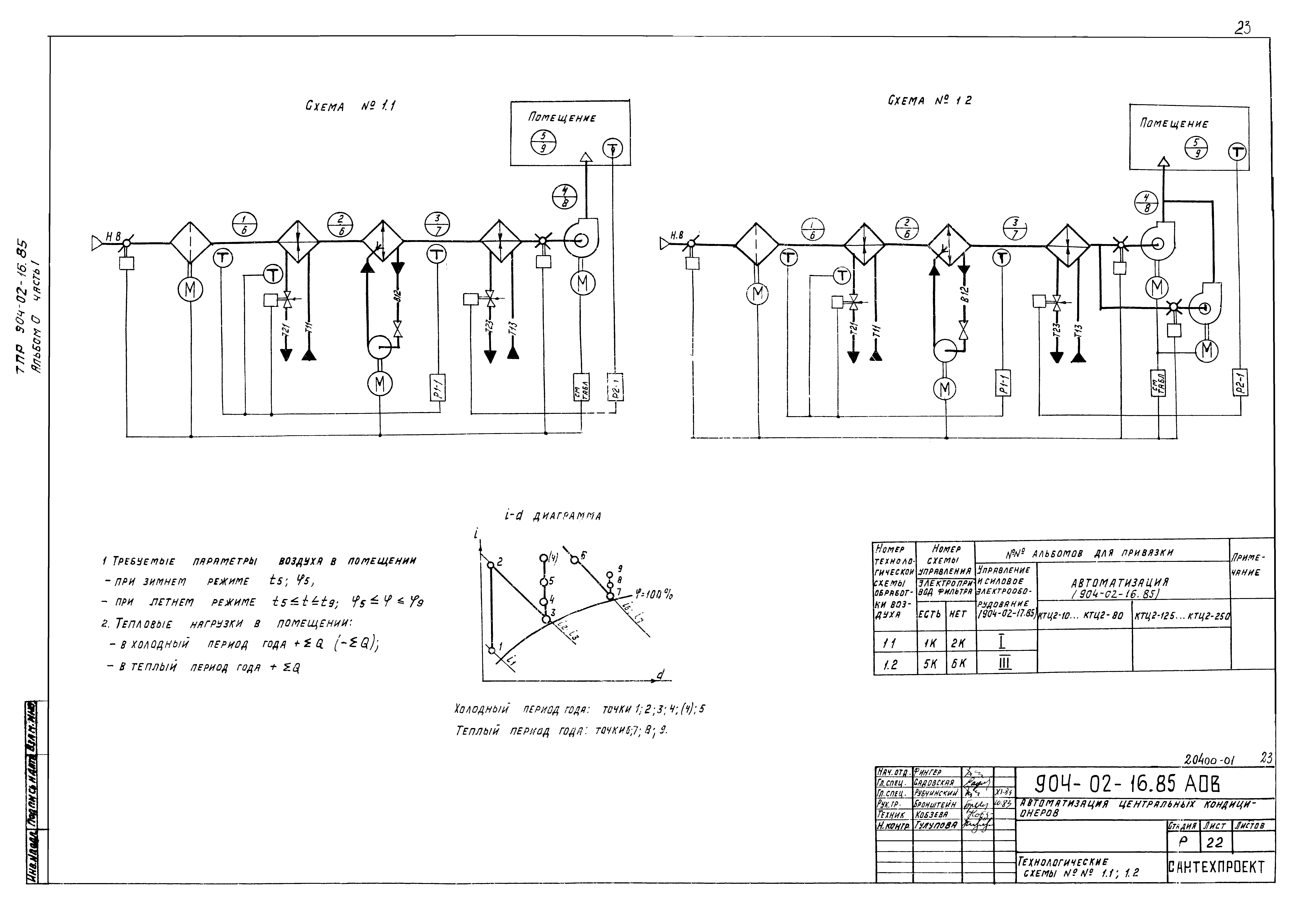
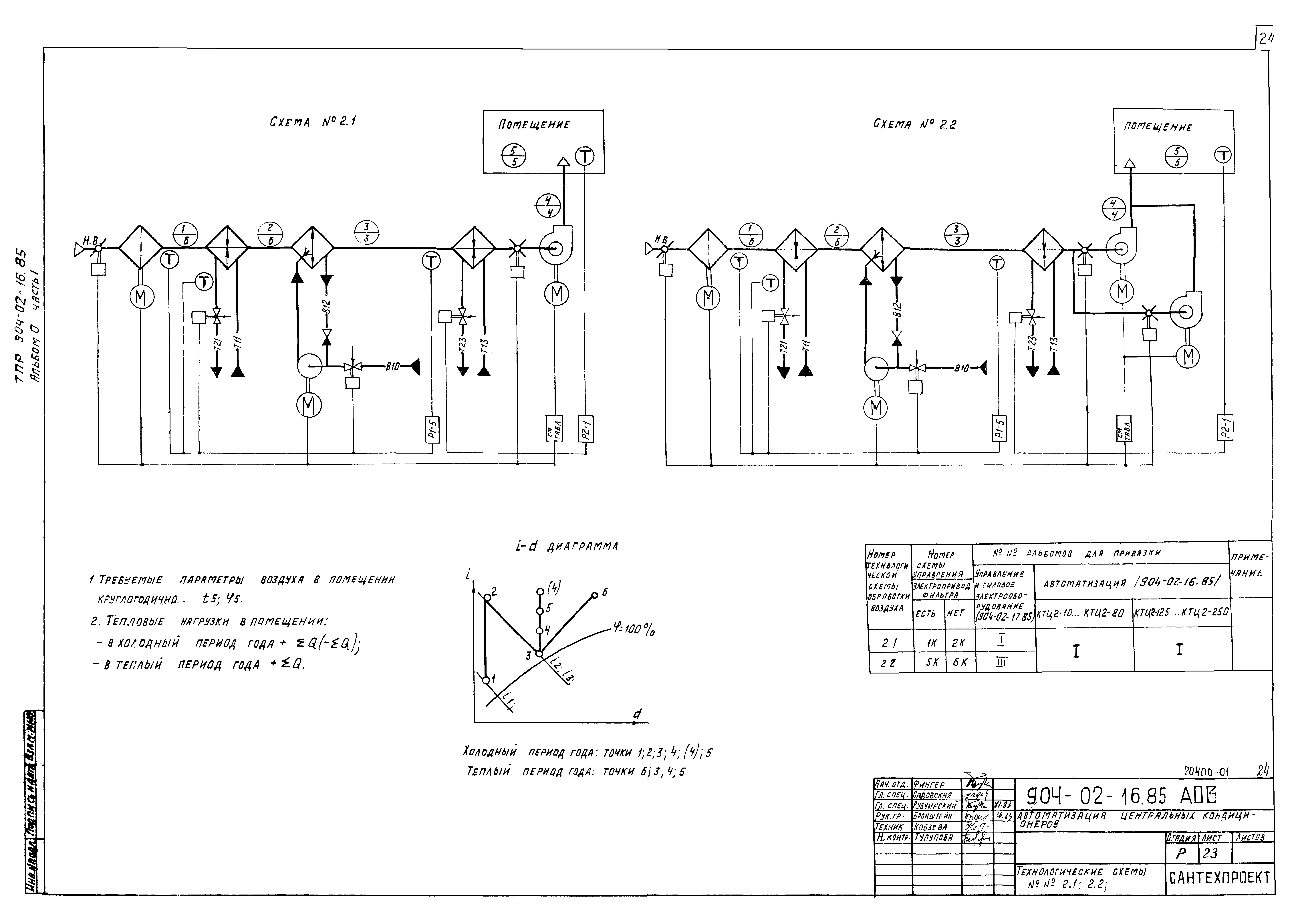
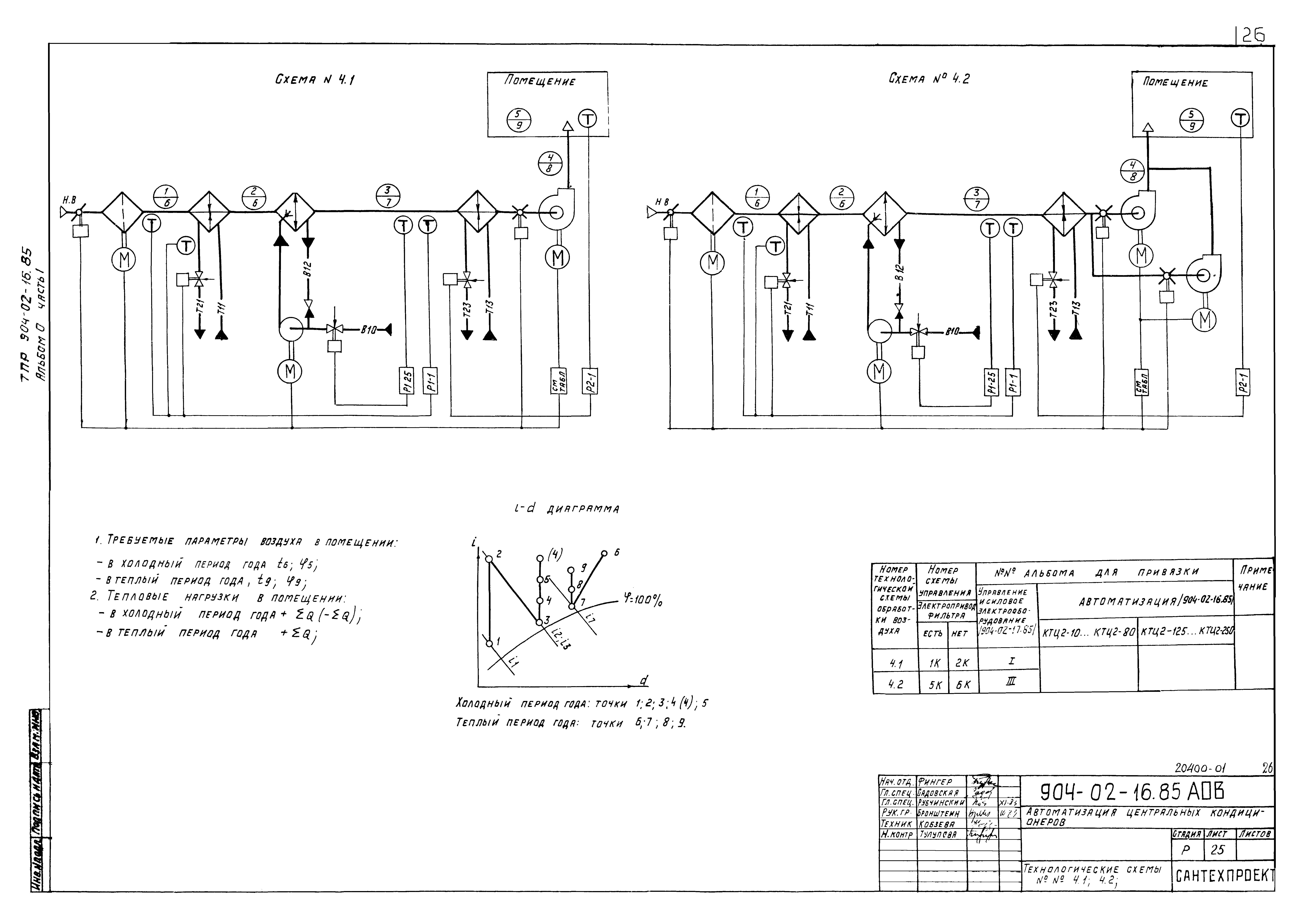
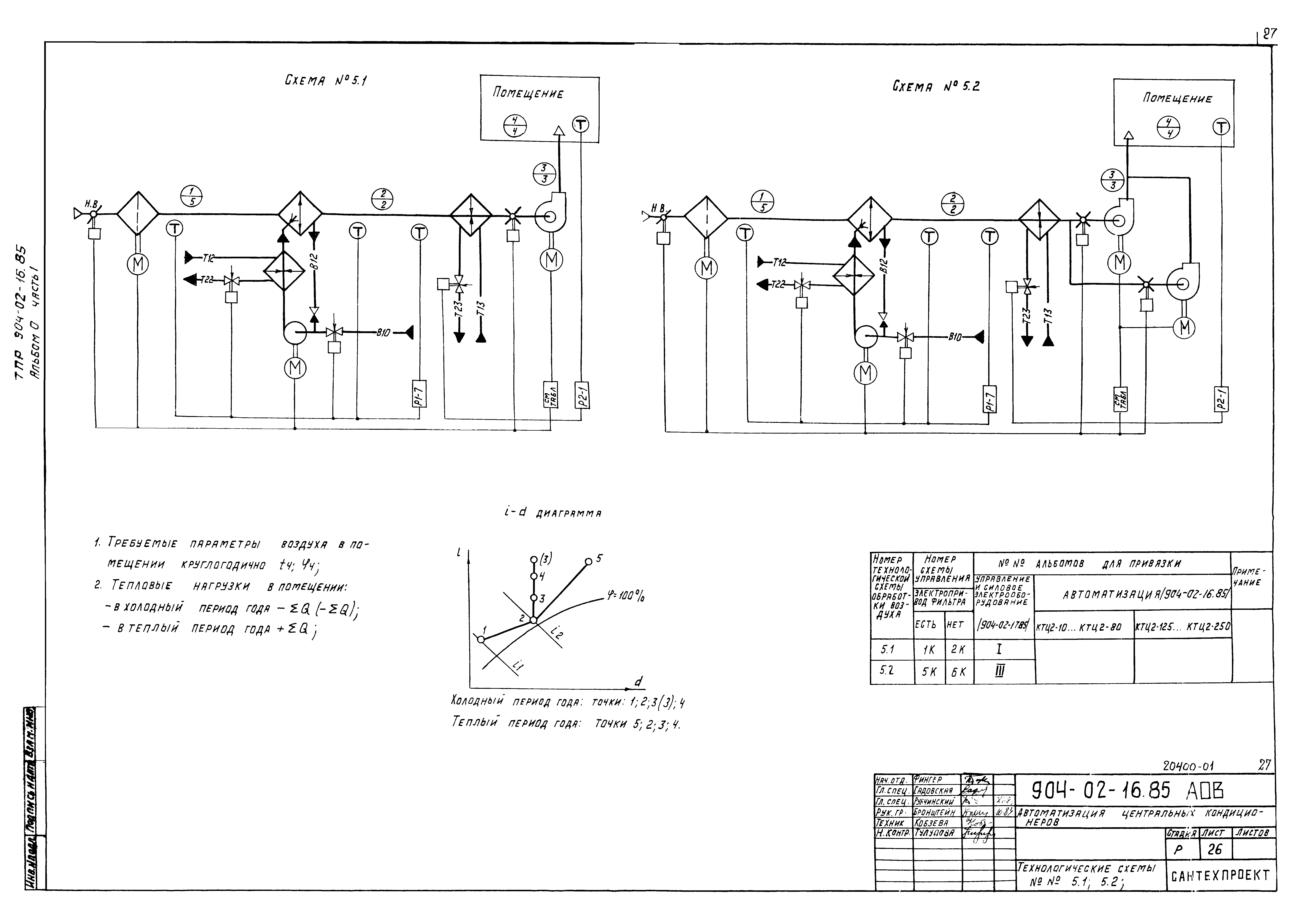
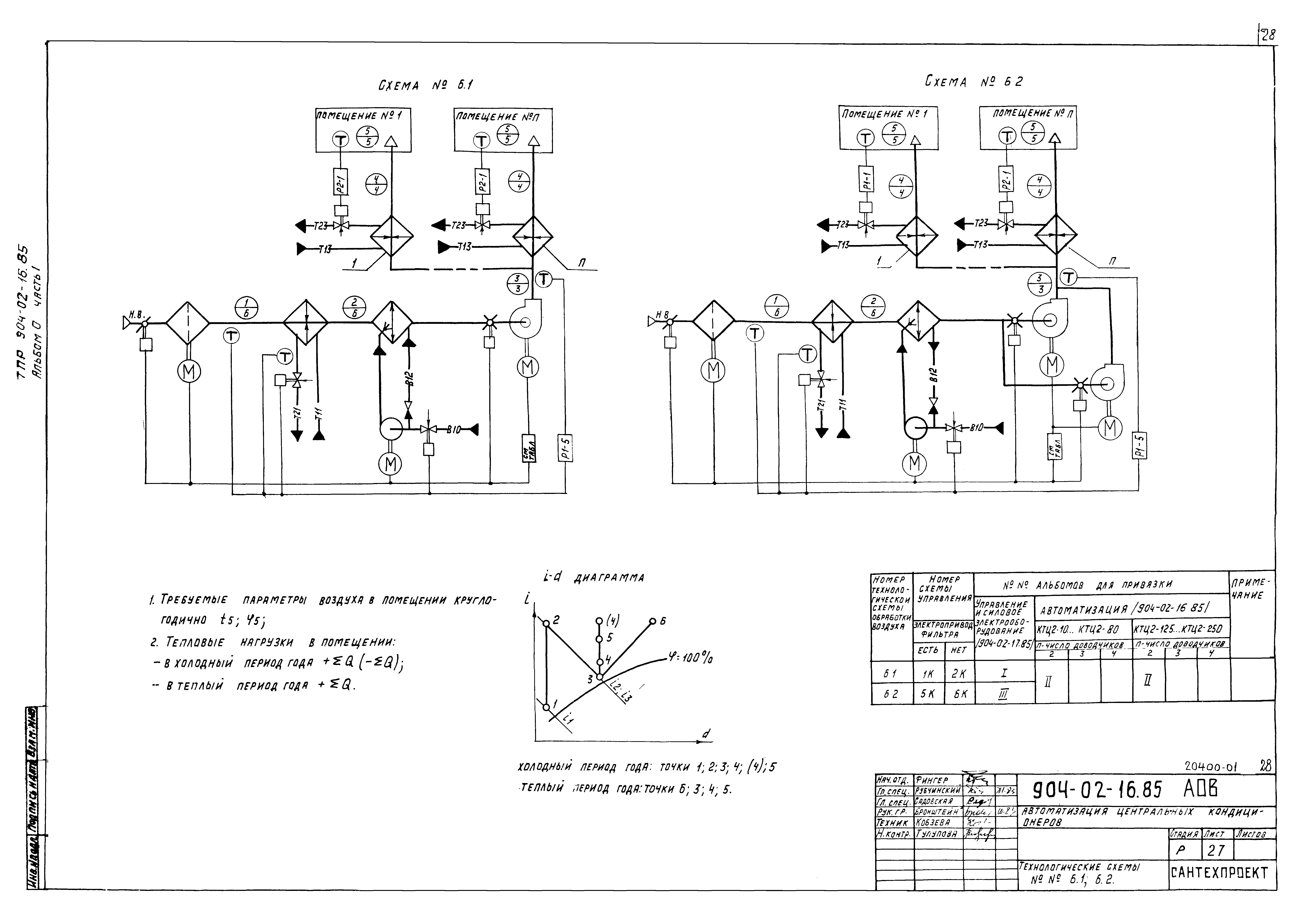
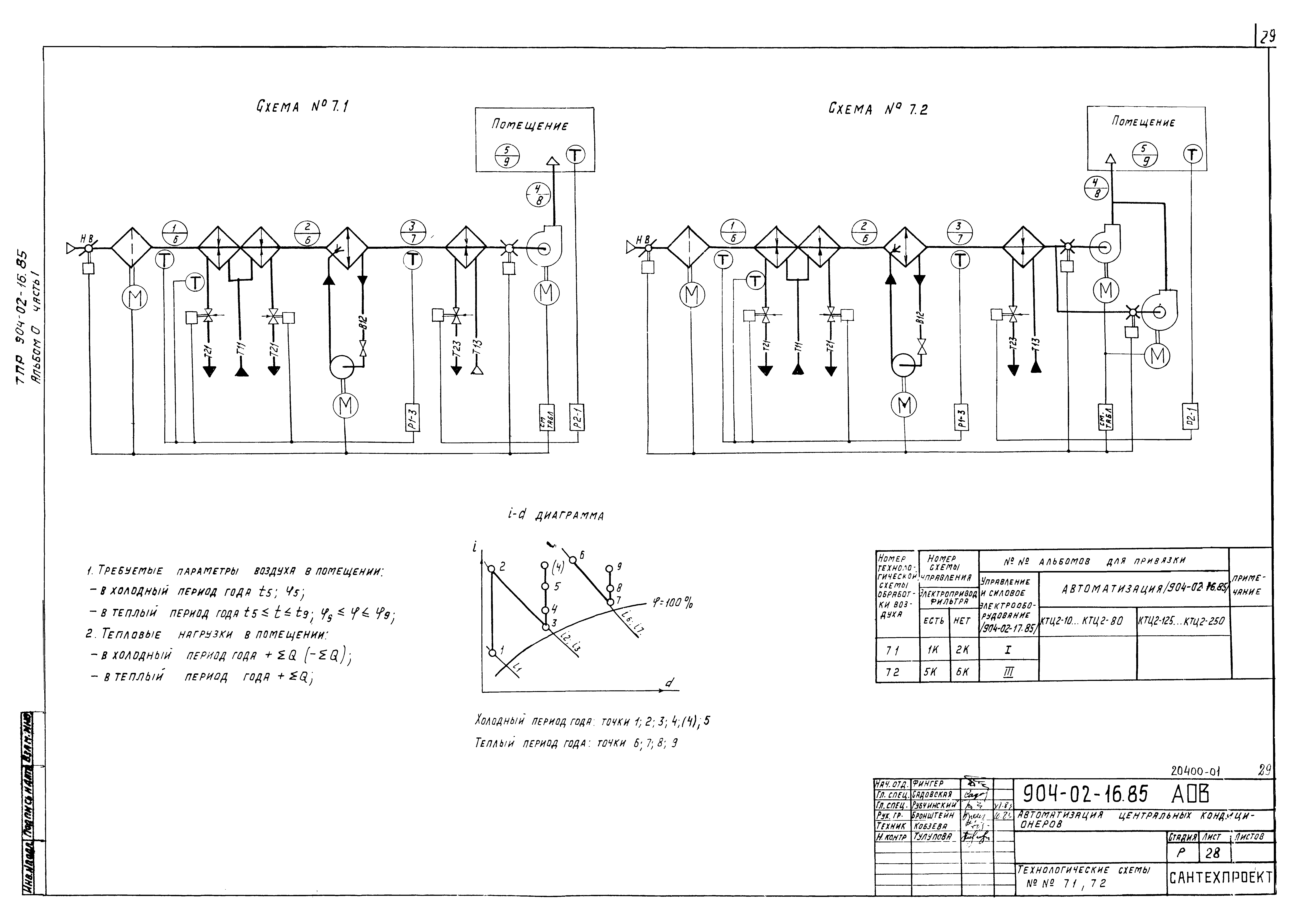
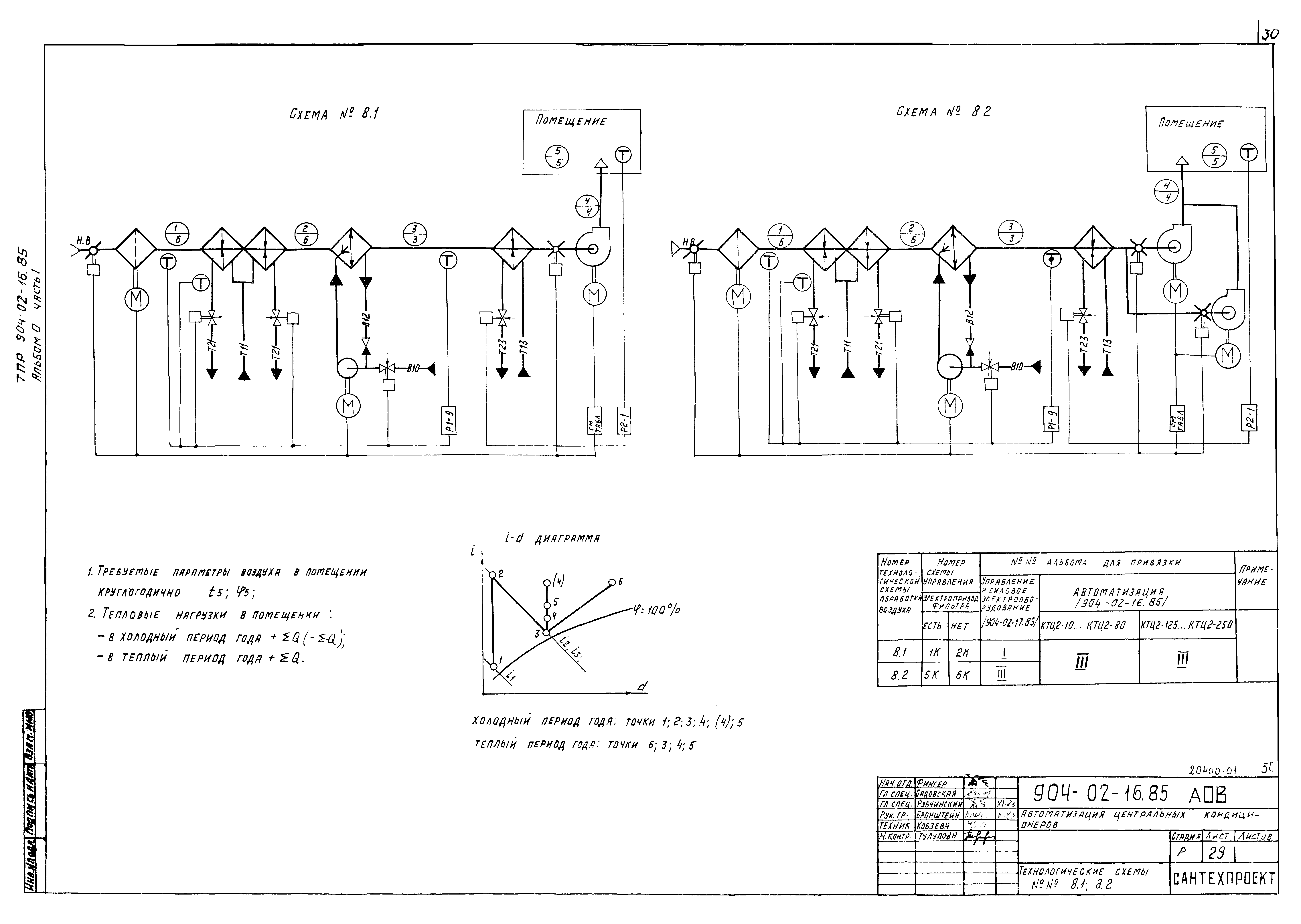
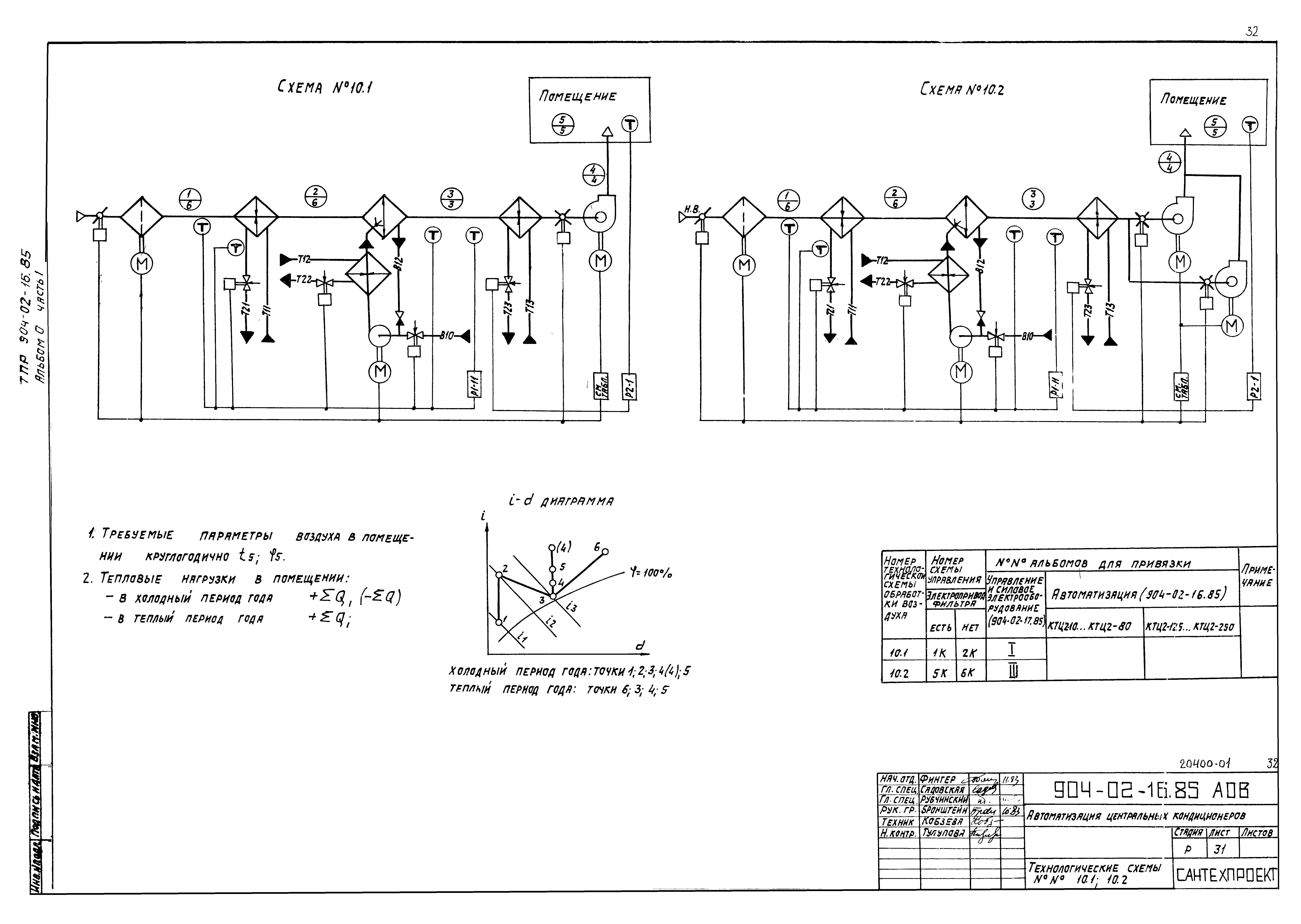
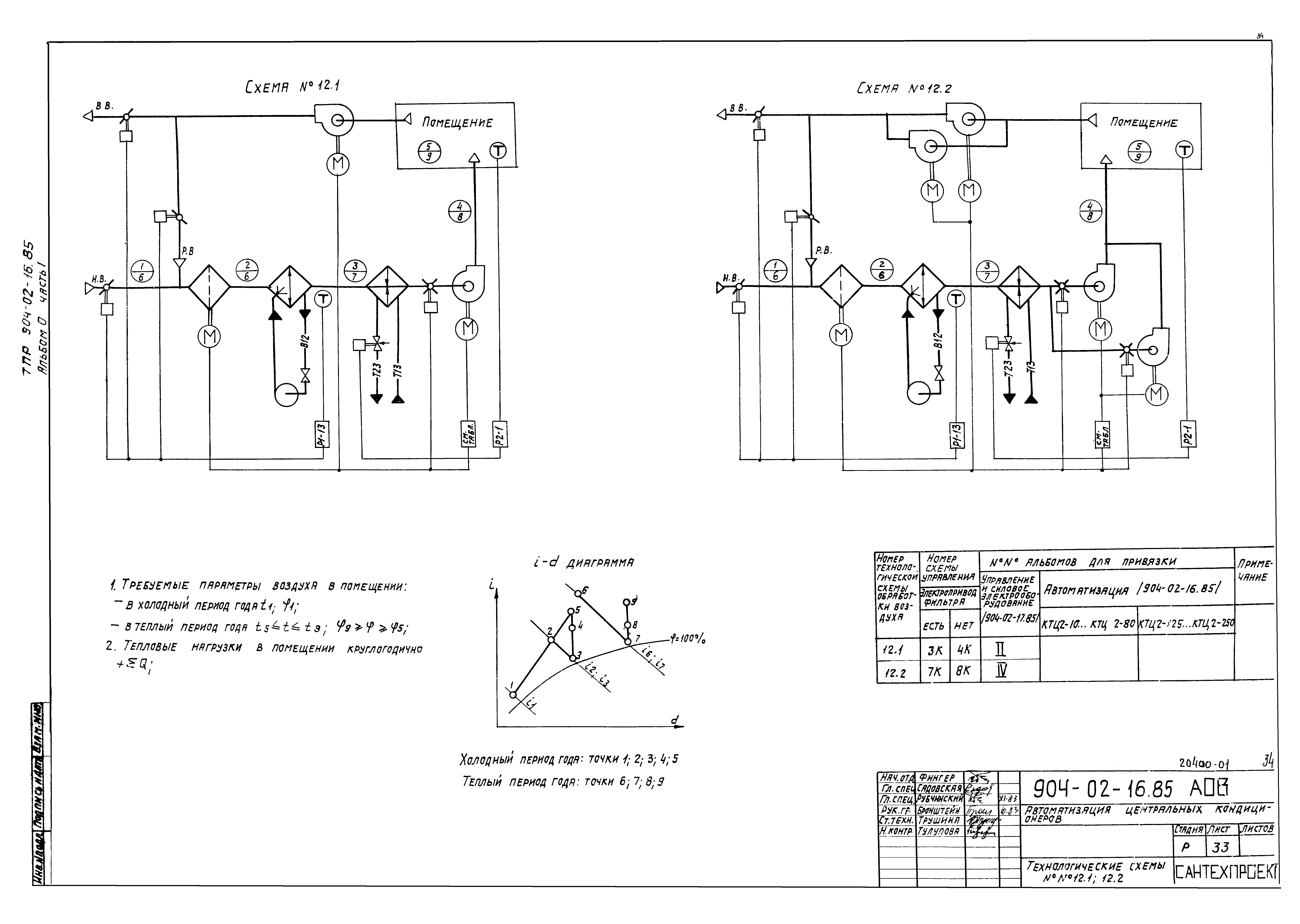
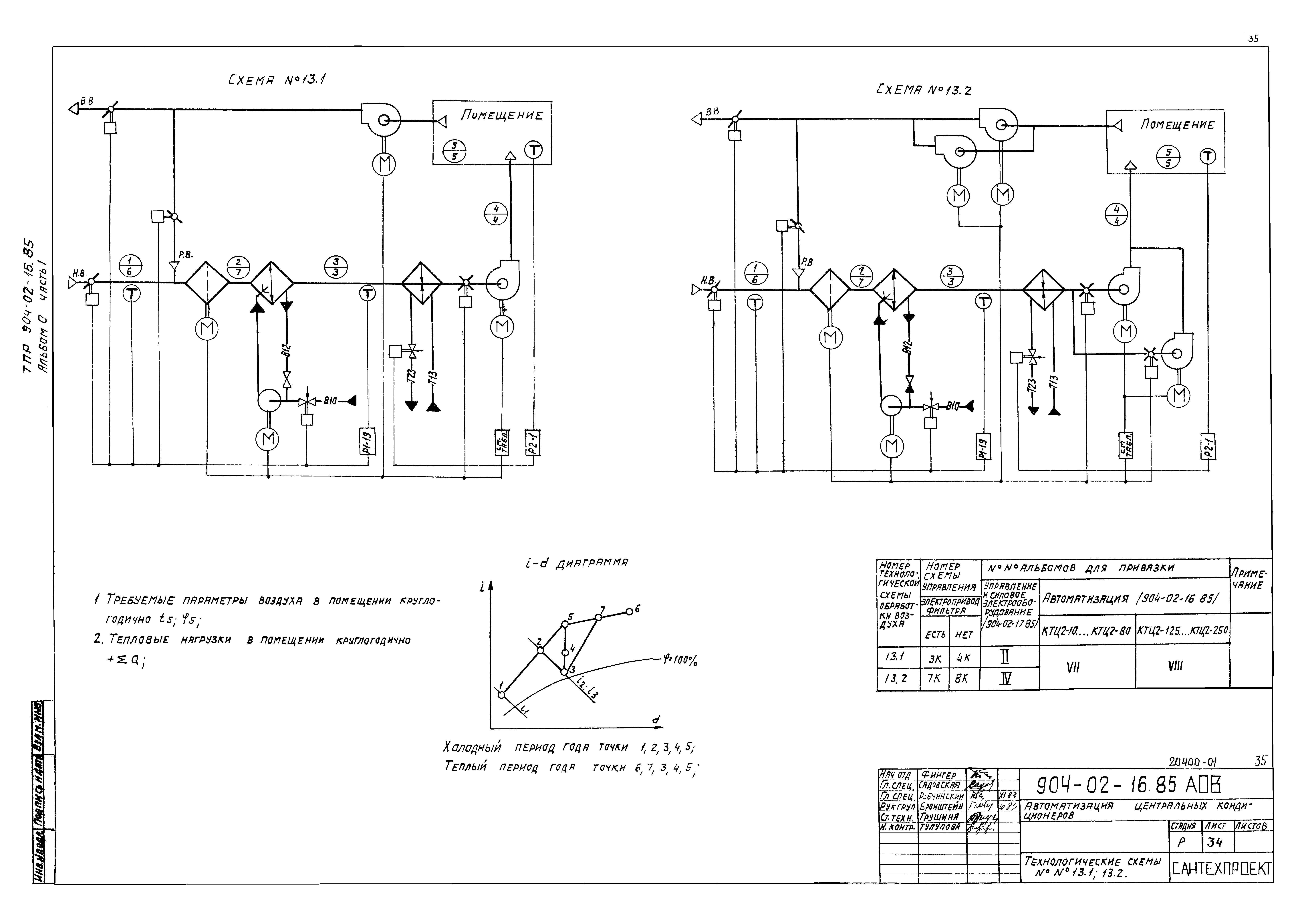
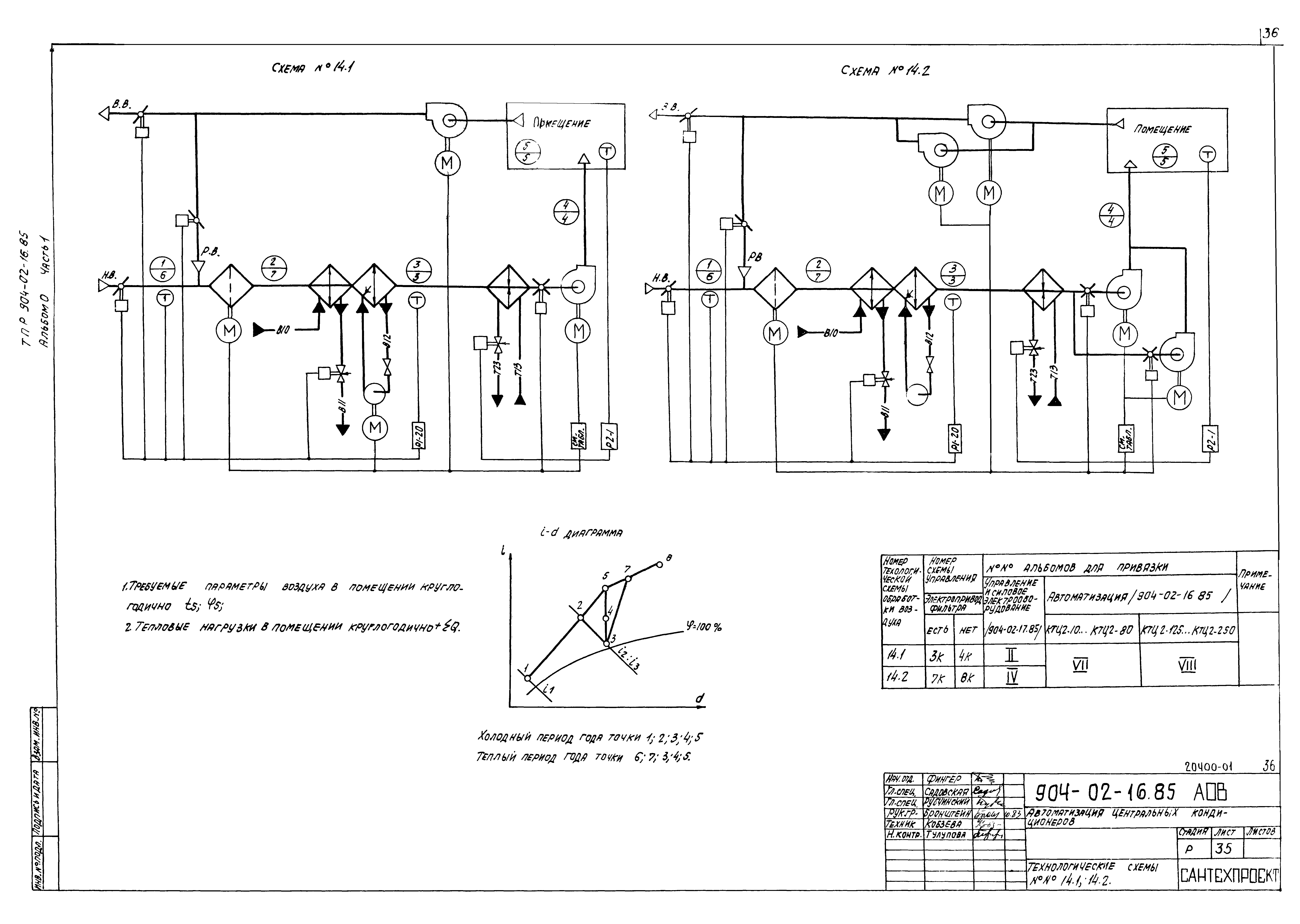
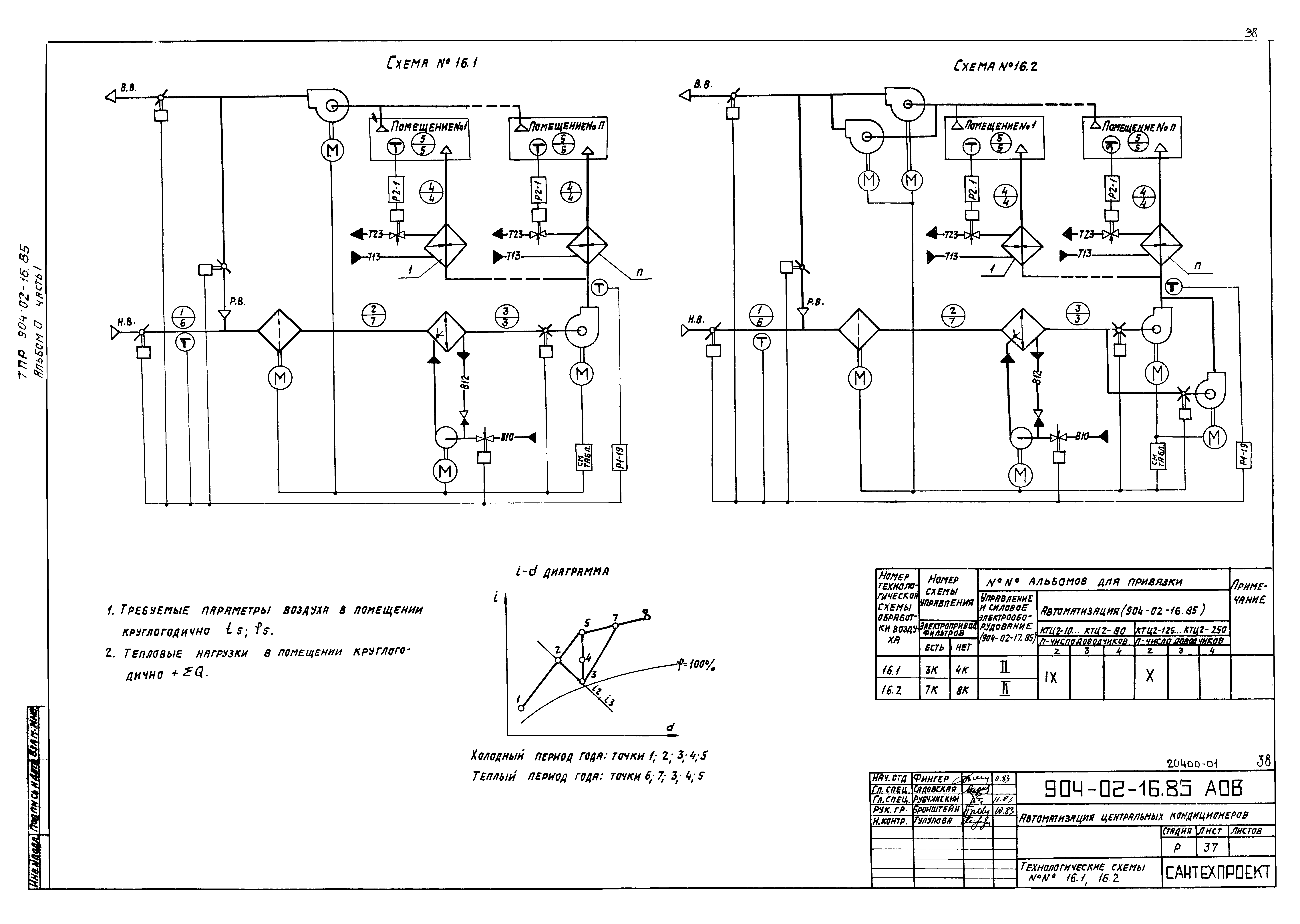
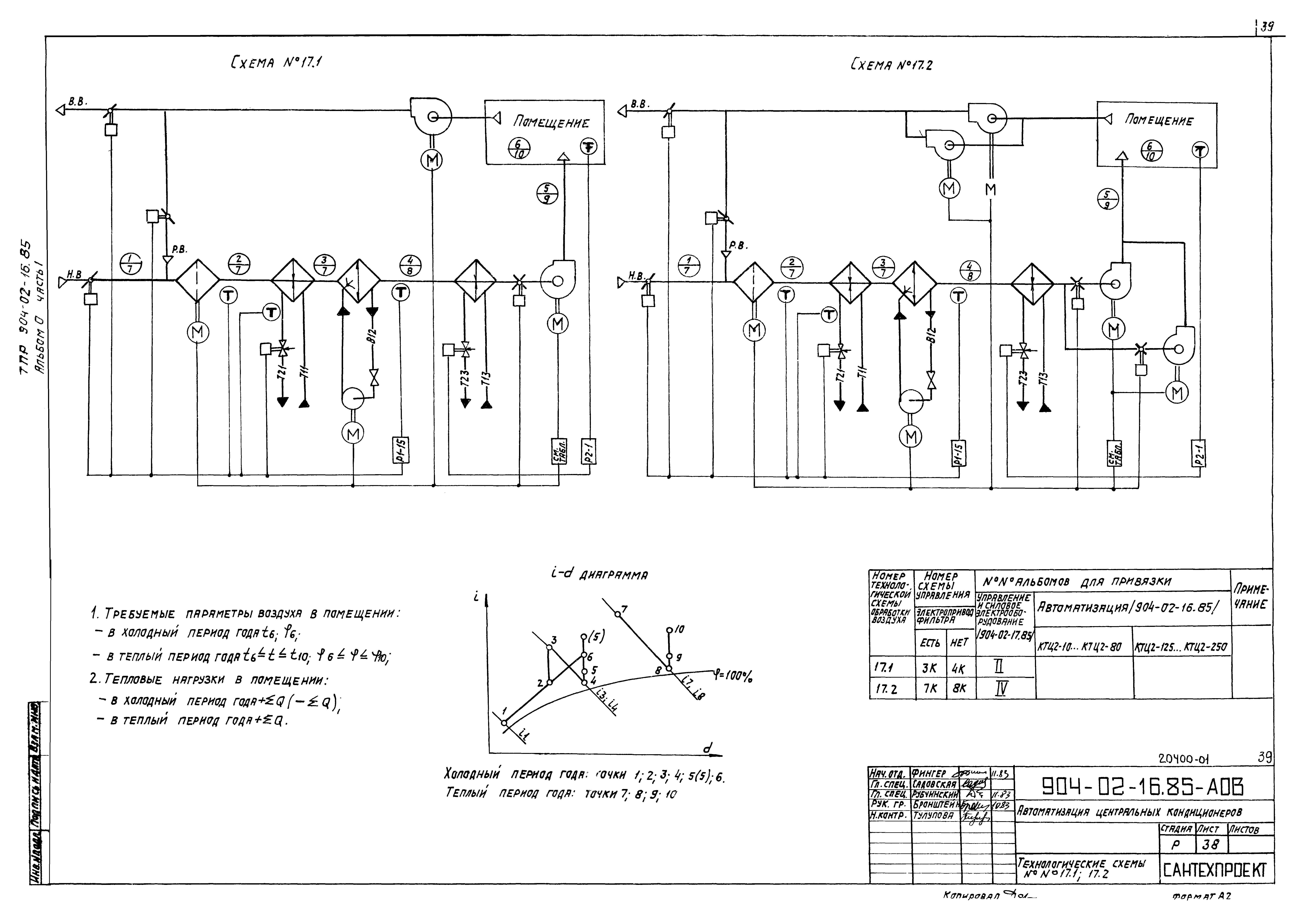
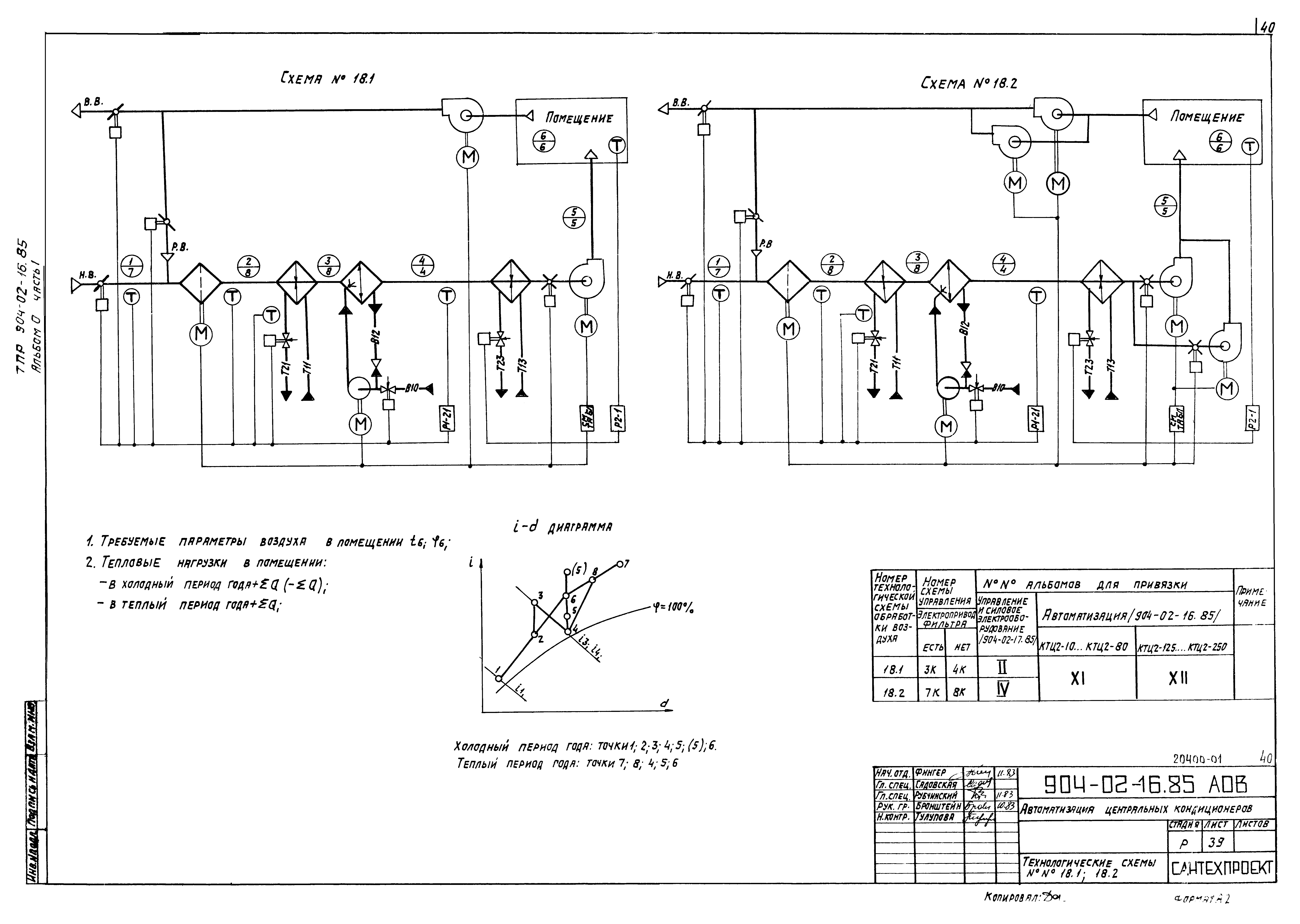
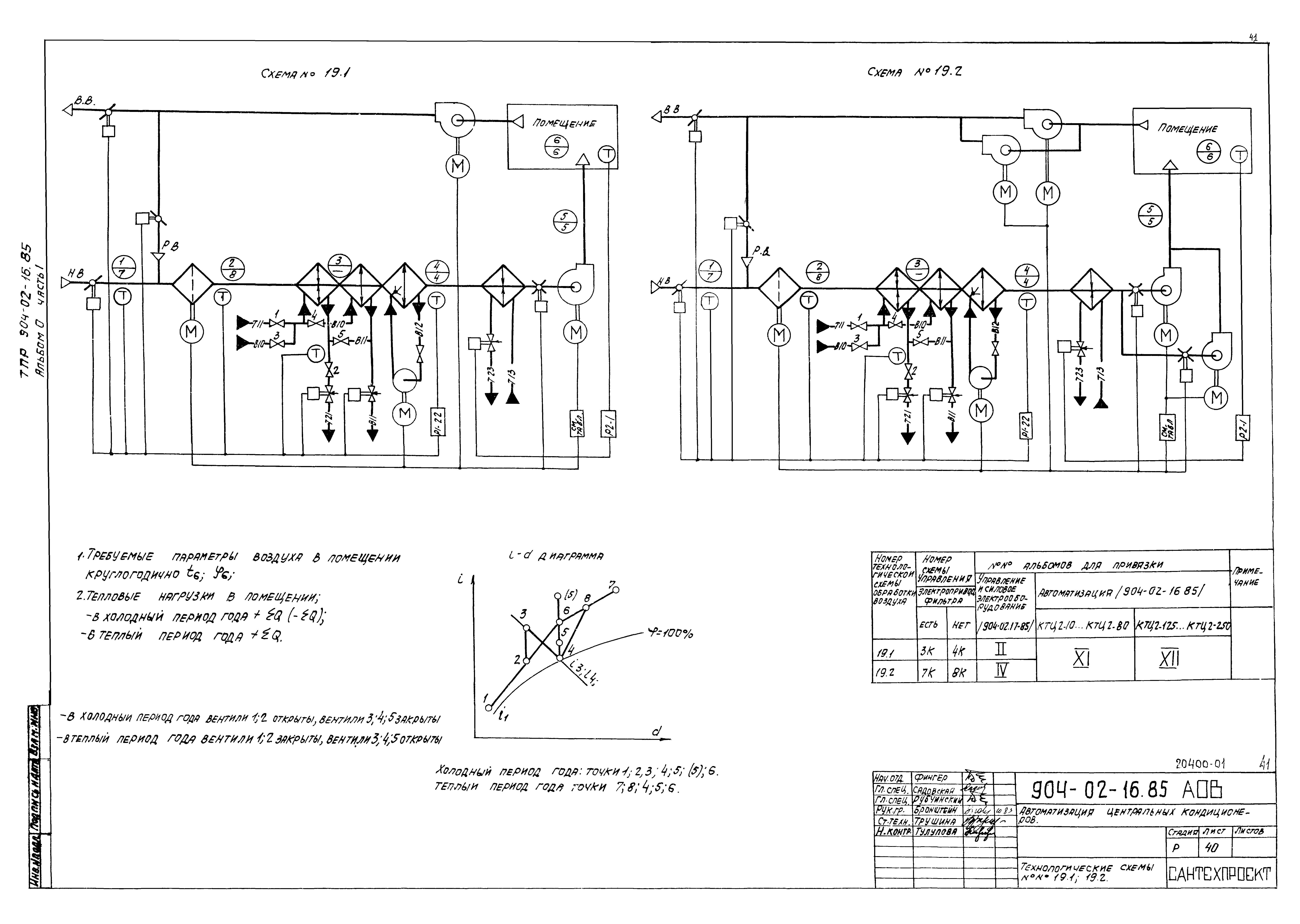
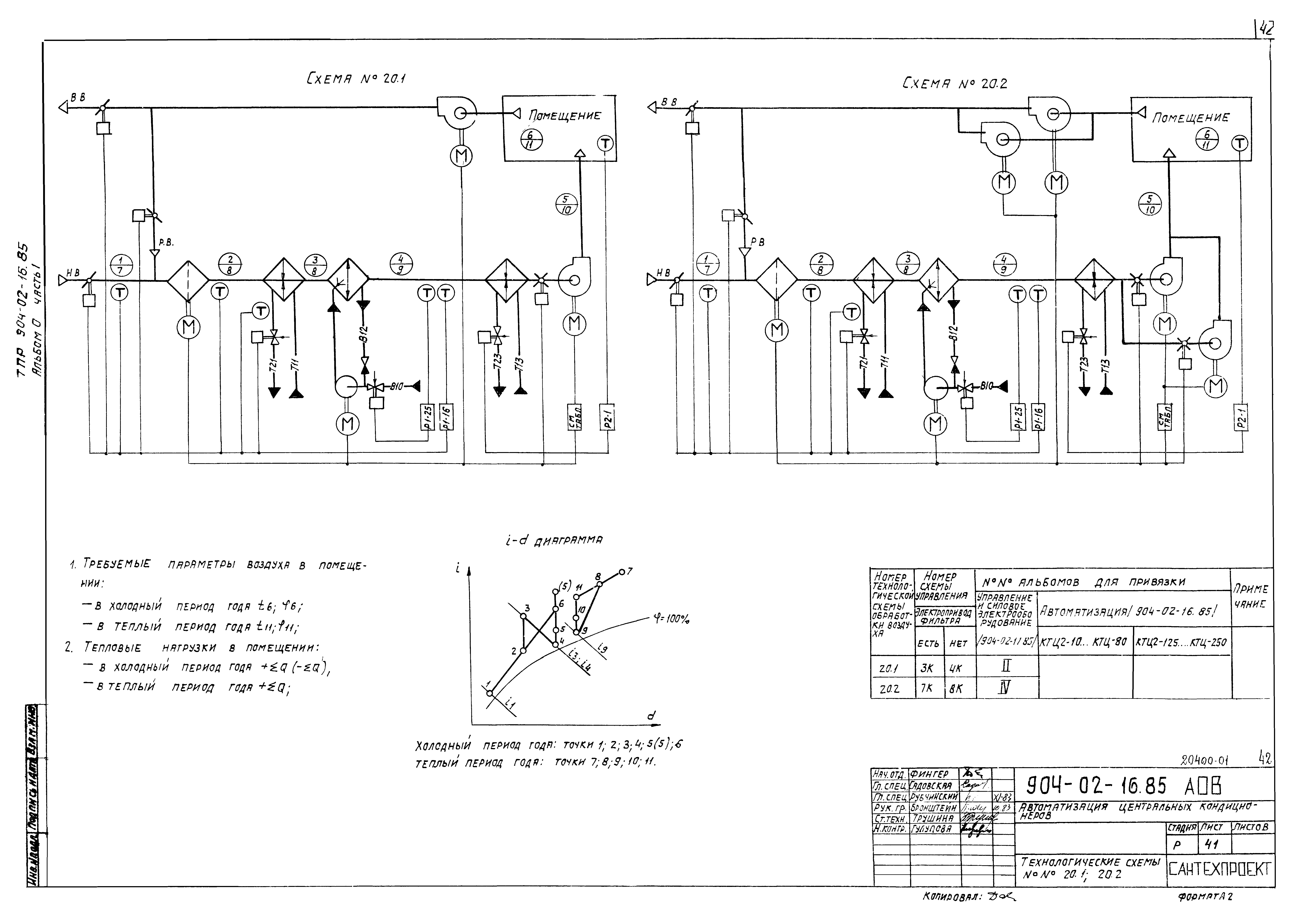
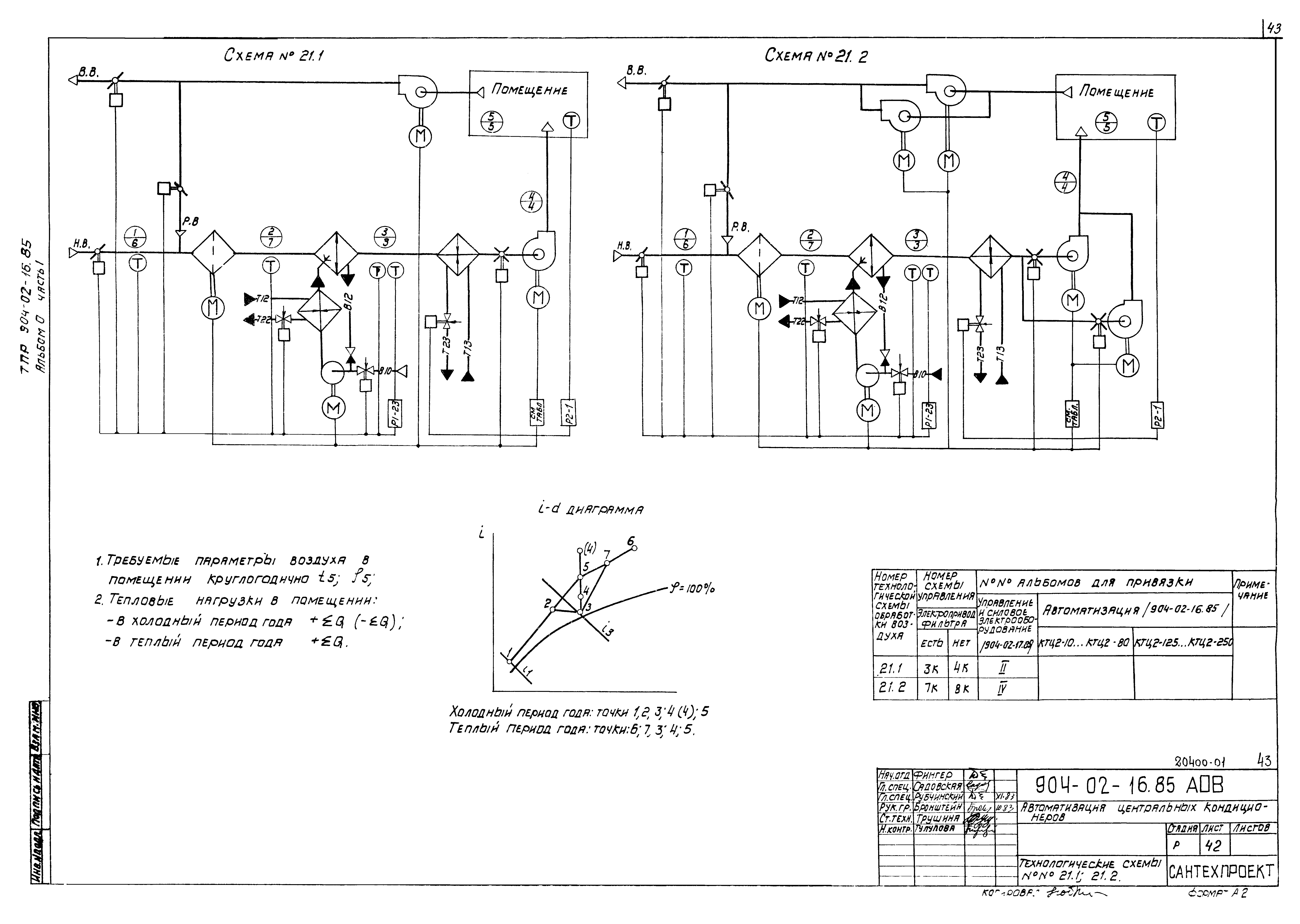
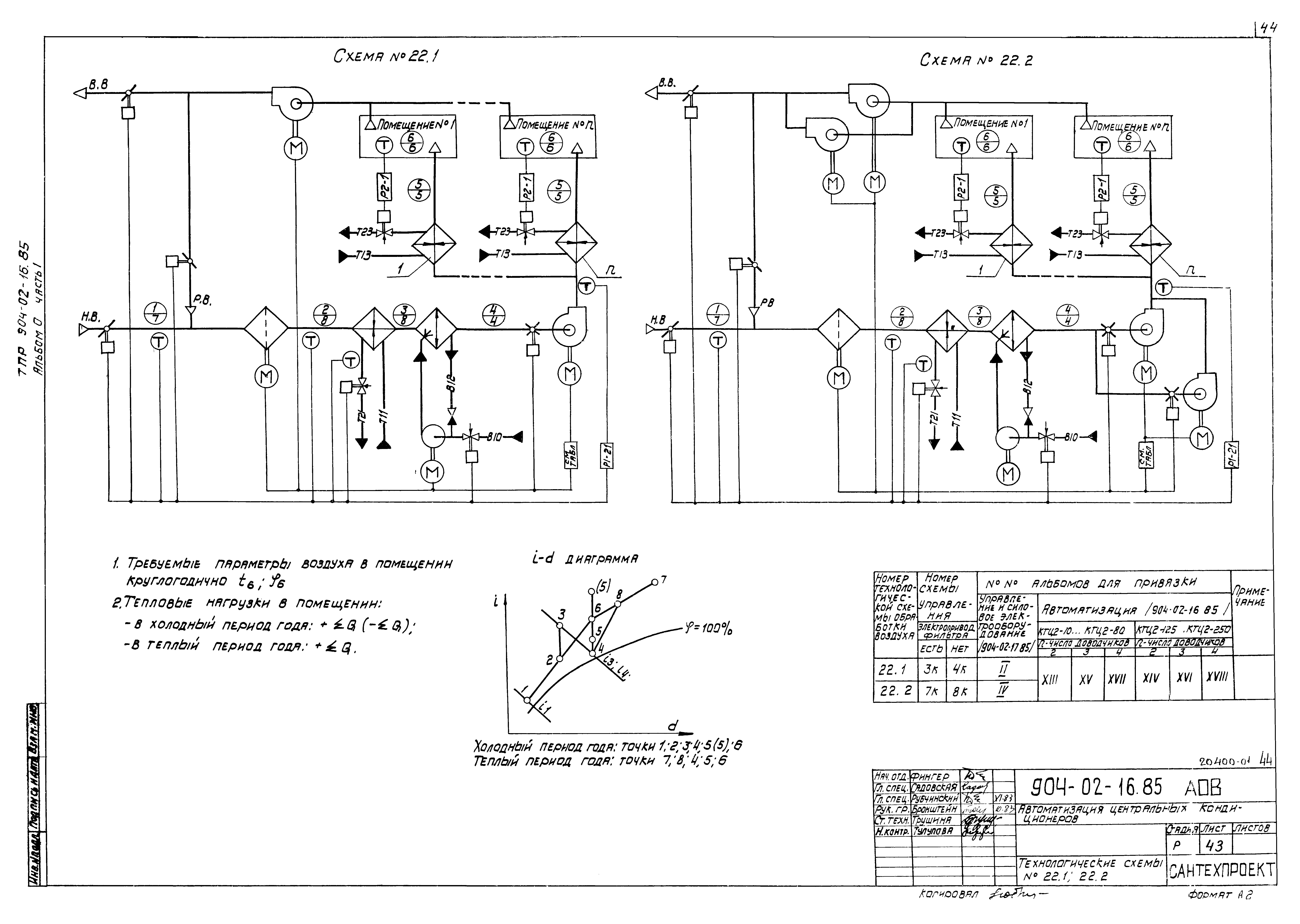
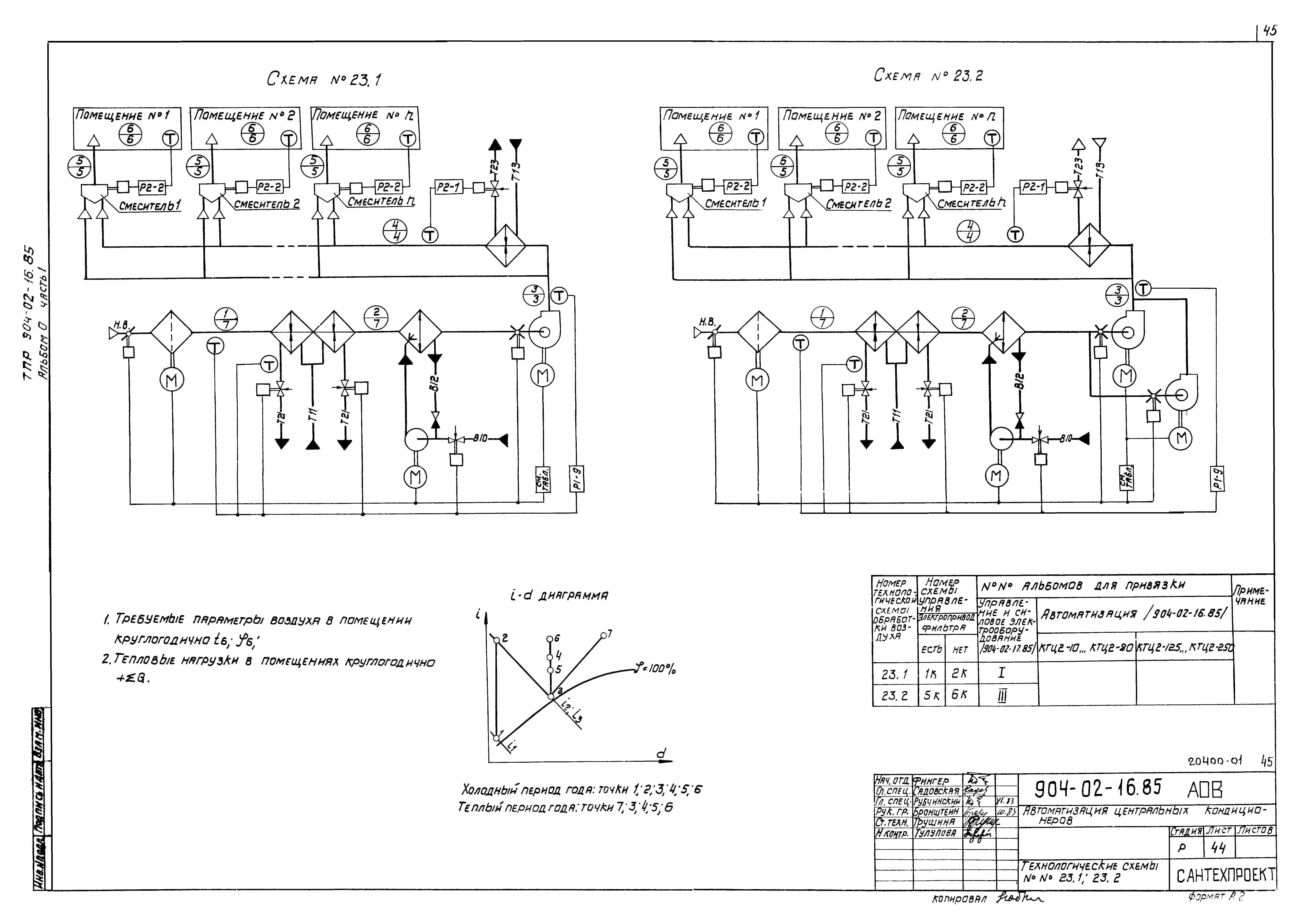
| Оглавление: | Часть 1 I. Общие данные II. Пояснительная записка 1. Технологические схемы обработки воздуха 2. Схемы регулирования 3. Схемы управления 4. Приборы и средства автоматизации и их размещение 5. Размещение аппаратуры управления и силового электрооборудования 6. Рекомендации по составлению заданий на проектирование автоматизации, управления и силового электрооборудования 7. Указания по привязке альбомов I-ХVIII раздела "Автоматизация" III. Технологические схемы (чертежи) |
| Разработан: | Сантехпроект Госстроя СССР |
| Утверждён: | 12.06.1986 Главстройпроект Госстроя СССР (33) |
















































