Скачать Типовой проект 904-1-54.83 Альбом V. СметыДата актуализации: 01.01.2021
|
| Обозначение: | Типовой проект 904-1-54.83 |
| Обозначение англ: | 904-1-54.83 |
| Статус: | заменен |
| Название рус.: | Альбом V. Сметы |
| Дата добавления в базу: | 01.09.2013 |
| Дата актуализации: | 01.01.2021 |
| Дата введения: | 30.06.1983 |
| Дата окончания срока действия: | 07.10.1992 |
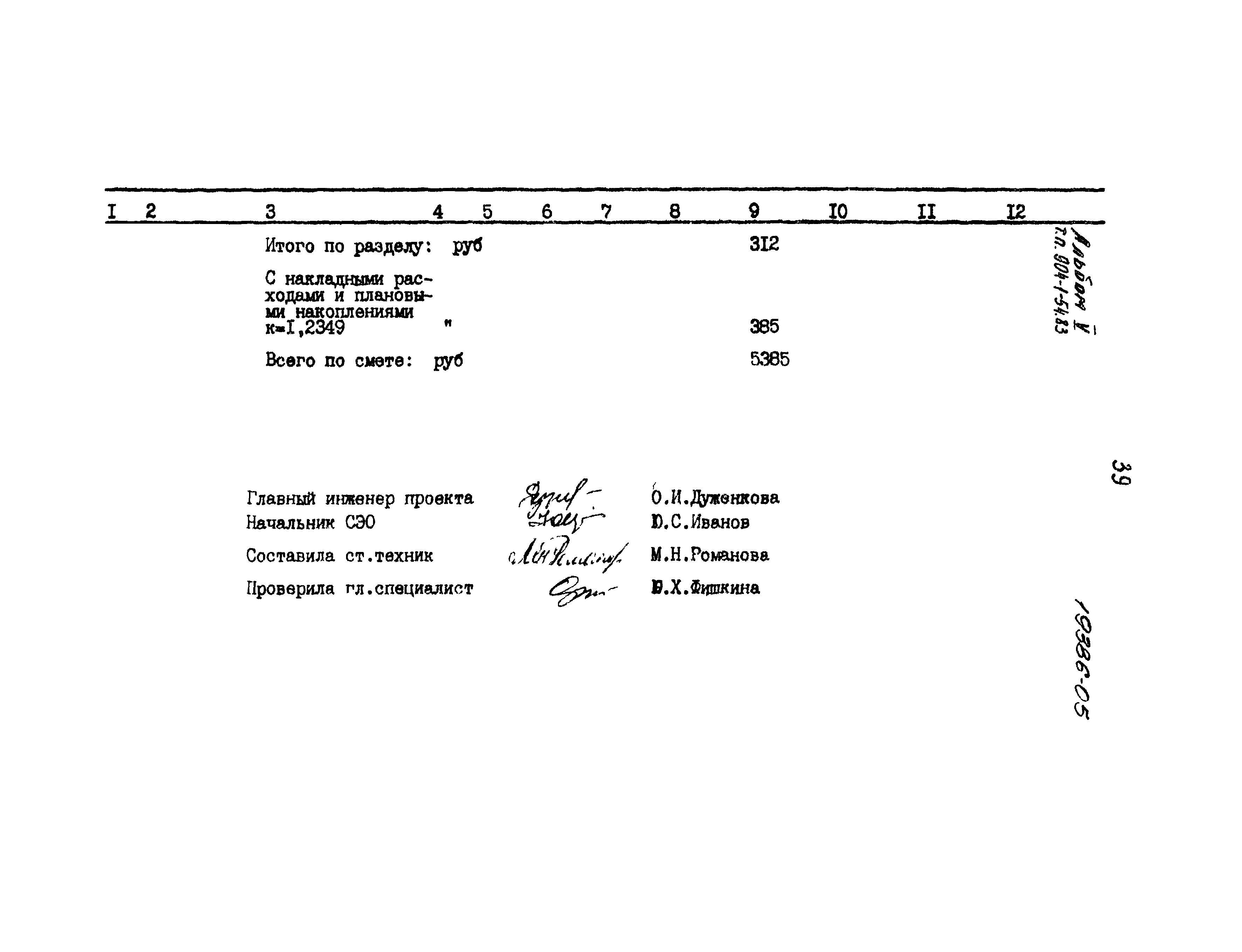
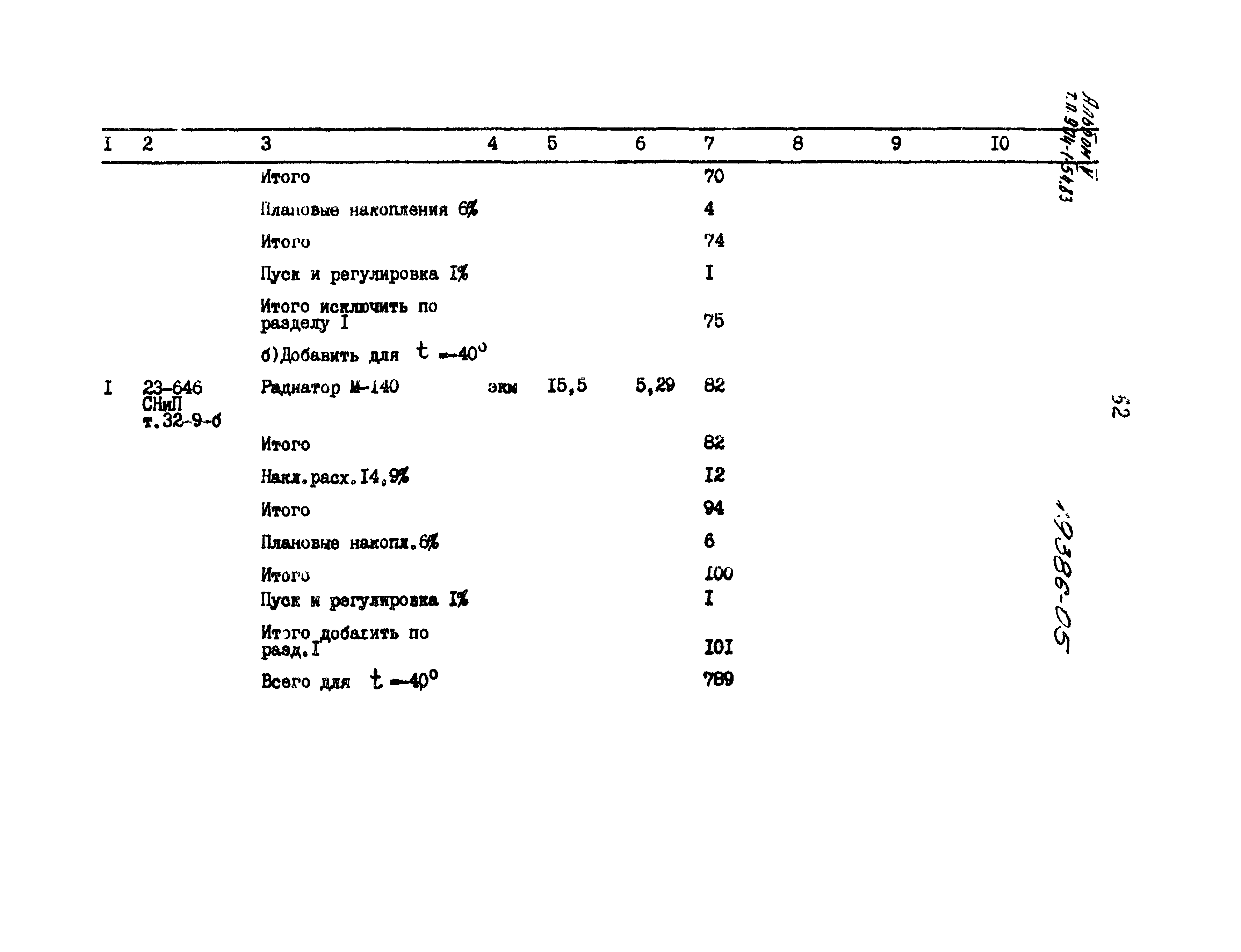
| Оглавление: | ТП 904-1-54.83 Пояснительная запаска ТП 904-1-54.83 Объектная смета к типовому проекту компрессорная станция производительностью 10 м³ воздуха в минуту с компрессорами воздушного охлаждения ТП 904-1-54.83 Смета № 1 общестроительные работы для t=-30°C ТП 904-1-54.83 Смета № 1-1 общестроительные работы для t=-20°С ТП 904-1-54.83 Смета № 1-2 общестроительные работы для t=-40°C ТП 904-1-54.83 Смета № 2 отопление и вентиляция для t=-30ºС, теплоноситель - вода ТП 904-1-54.83 Смета № 3 отопление и вентиляция для t=-30°C, теплоноситель - электроэнергия ТП 904-1-54.83 Смета № 4 технологическое оборудование ТП 904-1-54.83 Смета № 5 технологические трубопроводы ТП 904-1-54.83 Смета № 6 изоляционные работы технологических трубопроводов ТП 904-1-54.83 Смета № 7 электроосвещение ТП 904-1-54.83 Смета № 8 силовое электрооборудование (вариант без электрообогрева) ТП 904-1-54.83 Смета № 9 силовое электрооборудование (вариант с электрообогревом) ТП 904-1-54.83 Смета № 10 автоматика ТП 904-1-54.83 Смета № 11 слаботочные устройства ТП 904-1-54.83 Смета № 12 на приобретение мебели и хозяйственного инвентаря ТП 904-1-54.83 Ведомость потребности производственных ресурсов |
| Разработан: | Гипропромтрансстрой |
| Утверждён: | 28.10.1980 МПС (Ministry of Railroads Ш-35604) |
| Чем заменён: |









































































































































