Скачать Типовой проект 902-2-381.84 Альбом XIII. СметыДата актуализации: 01.01.2021
|
| Обозначение: | Типовой проект 902-2-381.84 |
| Обозначение англ: | 902-2-381.84 |
| Статус: | не действует |
| Название рус.: | Альбом XIII. Сметы |
| Дата добавления в базу: | 01.09.2013 |
| Дата актуализации: | 01.01.2021 |
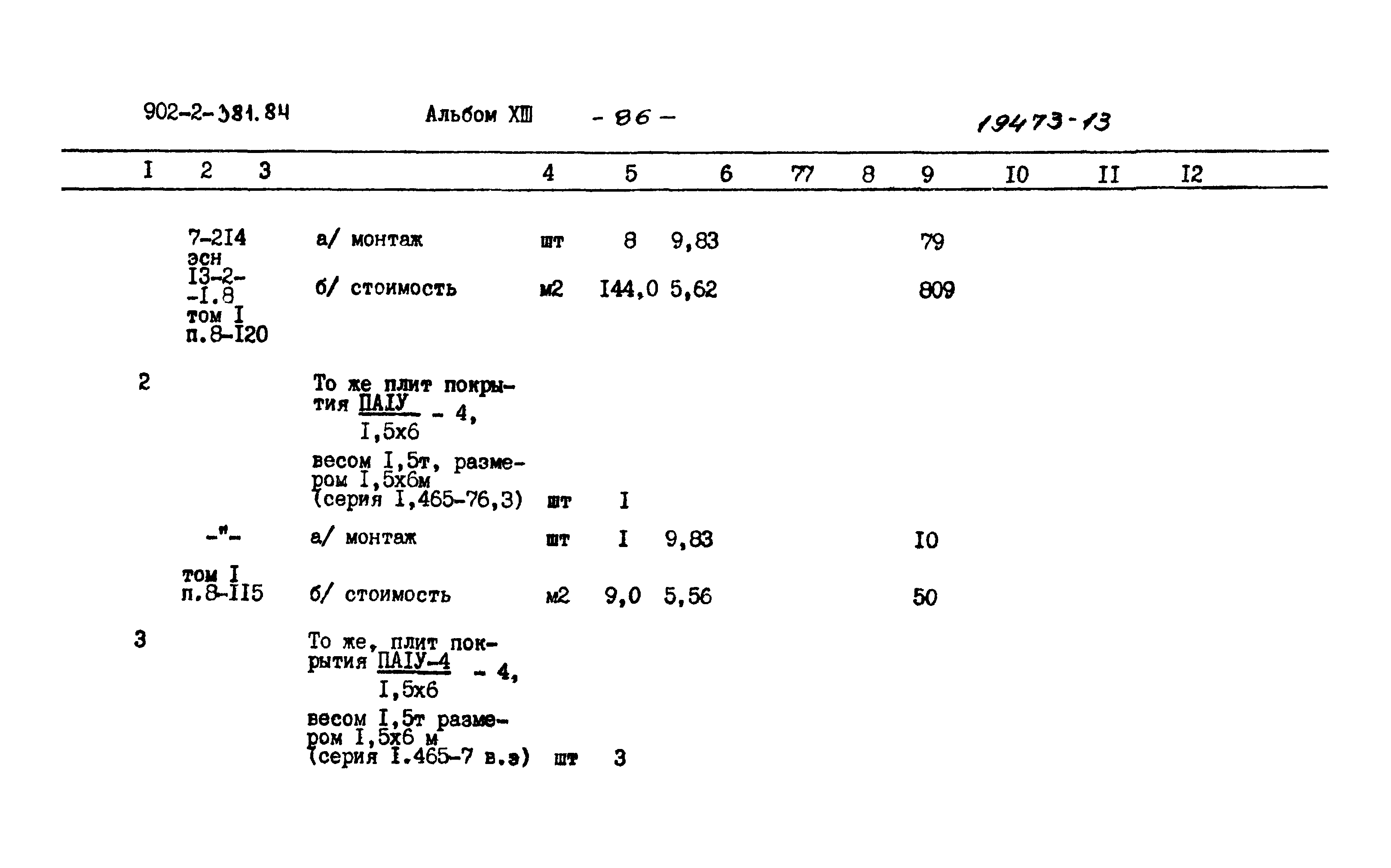
| Оглавление: | Пояснительная записка Сводка объектных смет. На строительство отстойников канализационных радиальных первичных из сборного железобетона диаметром 50 м Локальная смета № 1А. На земляные работы Объектная смета № 1. На строительство отстойников Объектная смета № 2. На строительство насосной станции сырого осадка Объектная смета № 3. На строительство распределительной чаши Объектная смета № 4. На строительство наружных технологических трубопроводов Локальная смета № 1-1. На общестроительные работы по отстойникам Локальная смета № 1-2. На технологическое оборудование отстойников Локальная смета № 2-1. На общестроительные работы по насосной станции сырого осадка Локальная смета № 2-2. На технологическое оборудование насосной станции сырого осадка Локальная смета № 2-3. На отопление насосной станции сырого осадка Локальная смета № 2-4. На вентиляцию насосной станции сырого осадка Локальная смета № 2-5. На внутренний водопровод и канализацию насосной станции сырого осадка Локальная смета № 2-6. На внутренний водосток насосной станции сырого осадка Локальная смета № 2-7. На канализационный выпуск на насосной станции сырого осадка Локальная смета № 2-8. На электросиловое оборудование Локальная смета № 2-9. На автоматизацию Локальная смета № 2-10. На электроосвещение Локальная смета № 3-1. На общестроительные работы по распределительной чаше Локальная смета № 3-2. На технологическое оборудование распределительной чаши Локальная смета № 4-1. На наружные технологические трубопроводы Локальная смета № 4-2. На общестроительные работы по камерам ОП-1, ОП-2, ПП1. Локальная смета № 4-3. На общестроительные работы по жиросборникам Ж1 и Ж2 Ведомость потребности в производственных ресурсах |
| Разработан: | МосводоканалНИИпроект |
| Утверждён: | 20.12.1983 МосводоканалНИИпроект (312) |





























































































































































































































































