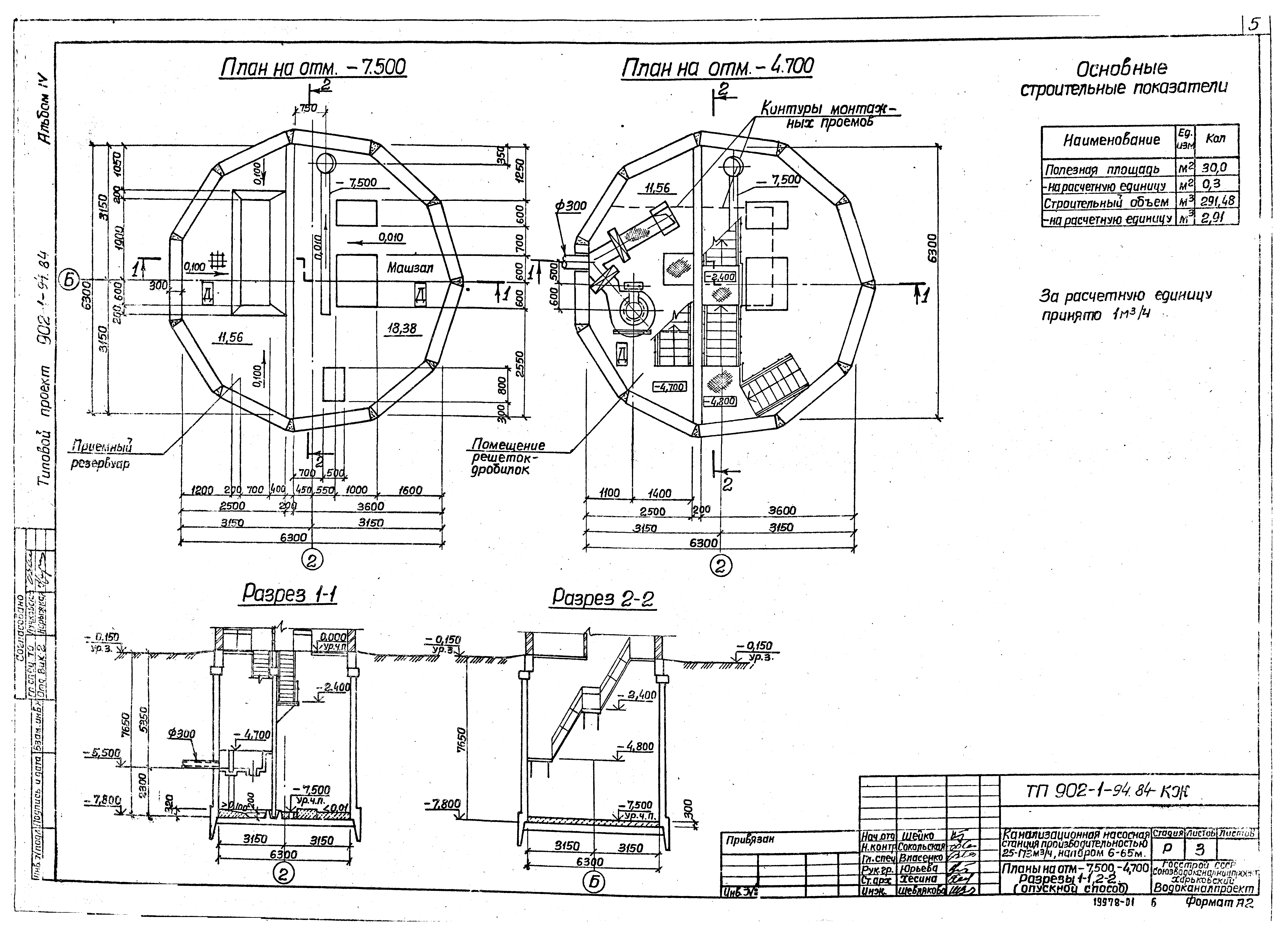
Скачать Типовой проект 902-1-94.84 Альбом IV. Строительные решения. Подземная частьДата актуализации: 01.01.2021
|
| Обозначение: | Типовой проект 902-1-94.84 |
| Обозначение англ: | 902-1-94.84 |
| Статус: | заменен |
| Название рус.: | Альбом IV. Строительные решения. Подземная часть |
| Дата добавления в базу: | 01.09.2013 |
| Дата актуализации: | 01.01.2021 |
| Дата введения: | 27.09.1984 |
| Дата окончания срока действия: | 01.02.1989 |
| Разработан: | Харьковский Водоканалпроект |
| Утверждён: | 07.06.1984 СоюзводоканалНИИпроект (SoyuzvodokanalNIIproject 29) |
| Заменяет собой: | |
| Чем заменён: |



















