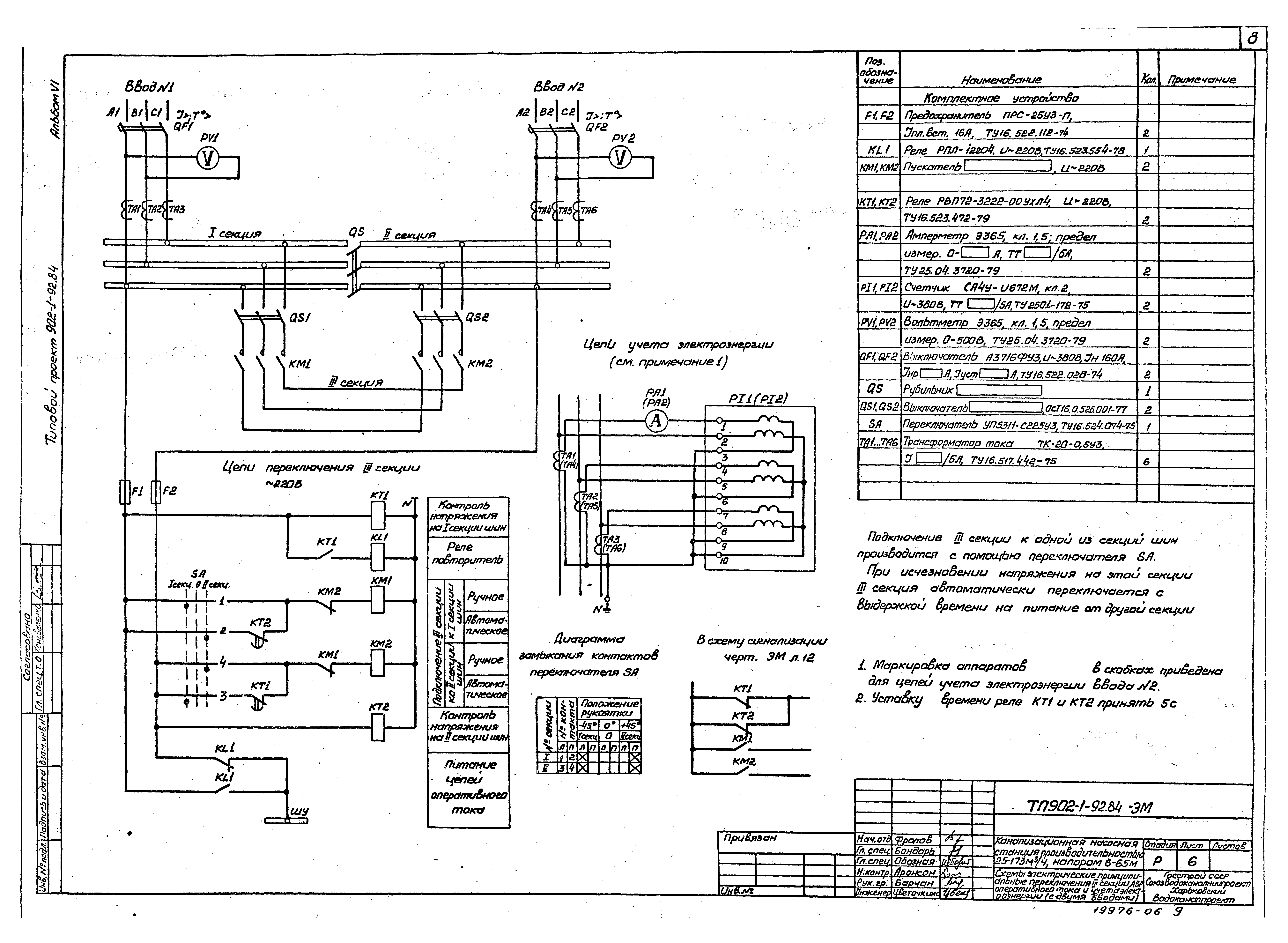
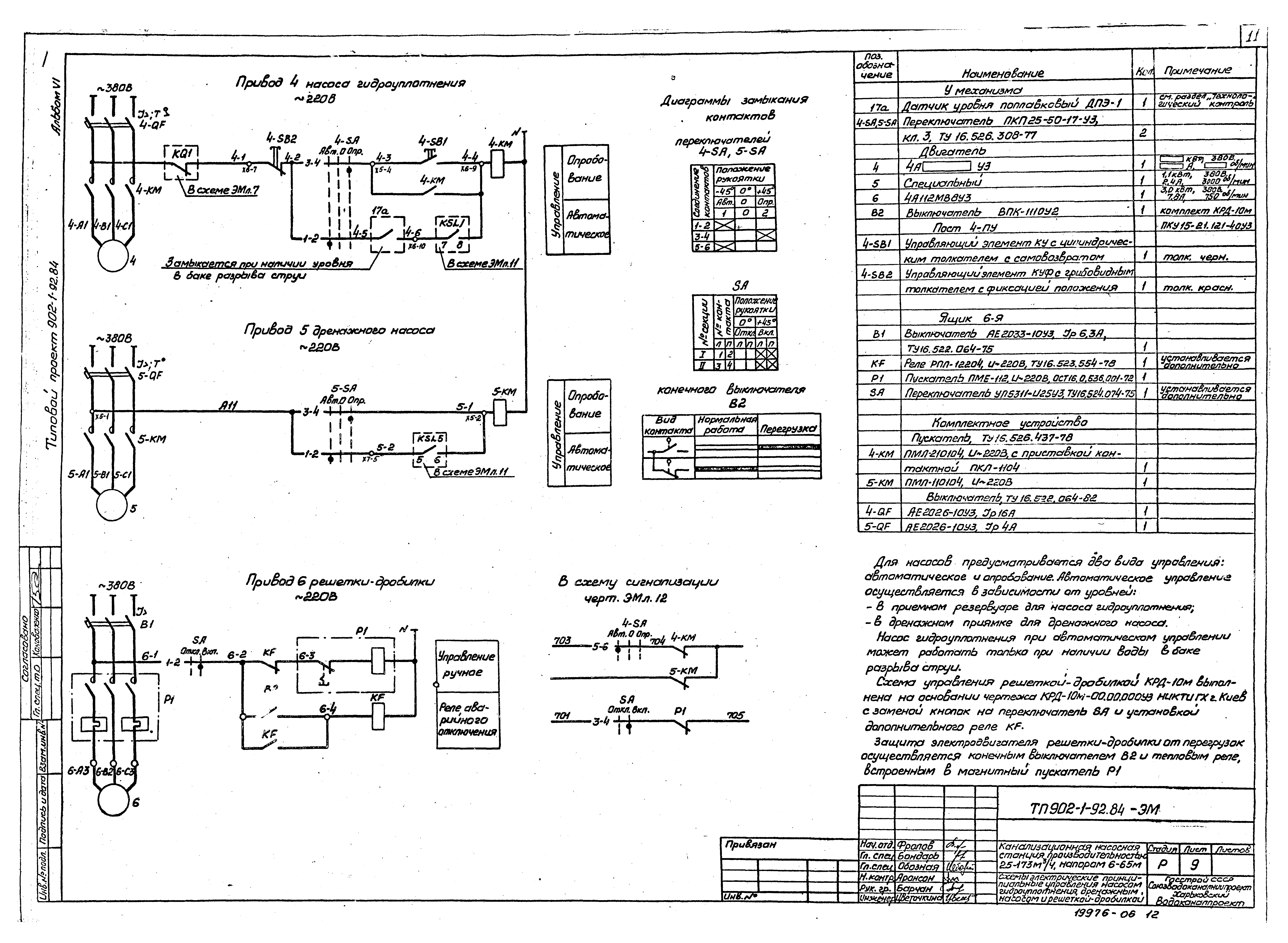
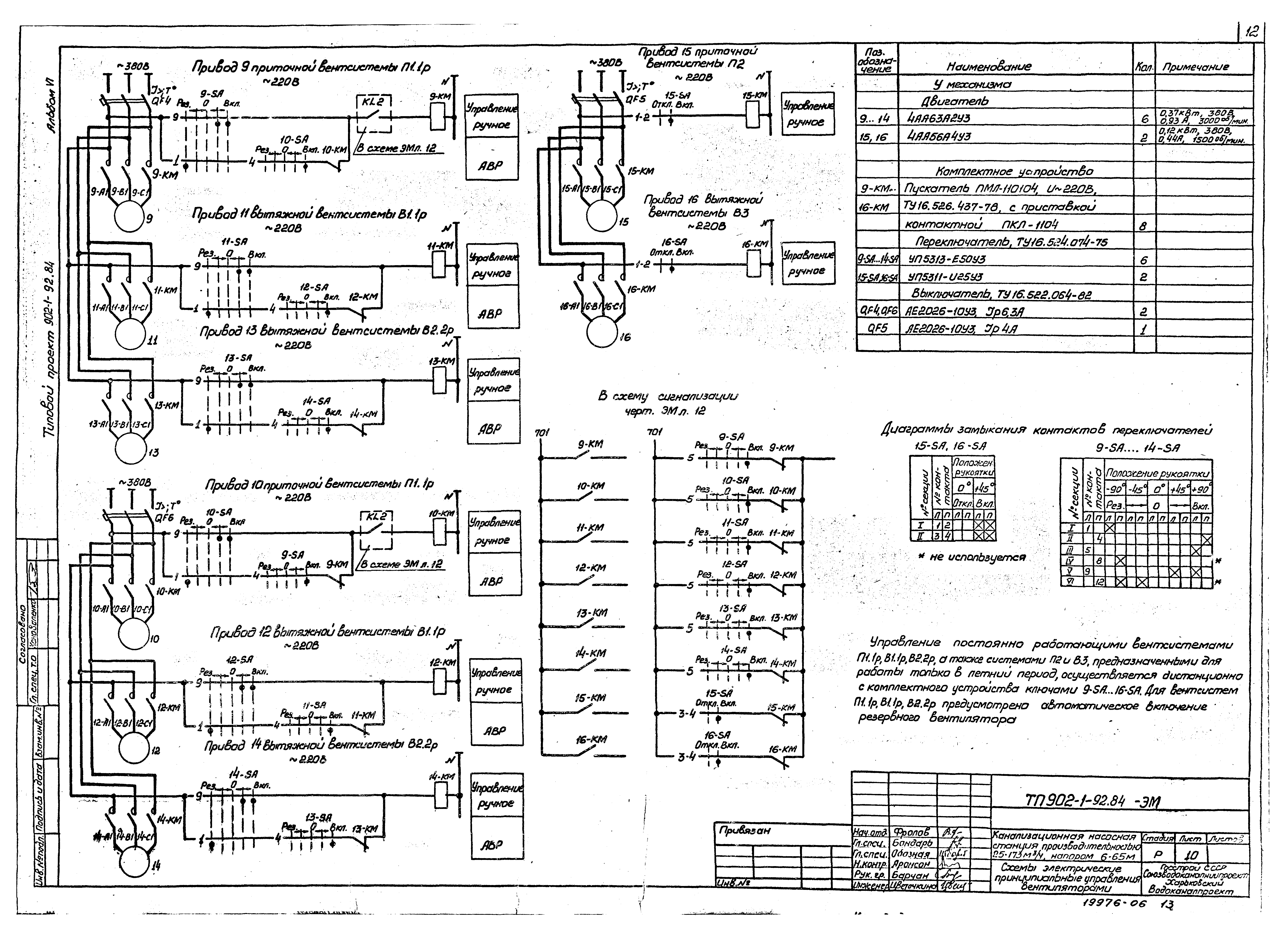
Скачать Типовой проект 902-1-95.84 Альбом VI. Силовое электрооборудование. Технологический контроль (из ТП 902-1-92.84)Дата актуализации: 01.01.2021
|
| Обозначение: | Типовой проект 902-1-95.84 |
| Обозначение англ: | 902-1-95.84 |
| Статус: | заменен |
| Название рус.: | Альбом VI. Силовое электрооборудование. Технологический контроль (из ТП 902-1-92.84) |
| Дата добавления в базу: | 01.09.2013 |
| Дата актуализации: | 01.01.2021 |
| Дата введения: | 27.09.1984 |
| Дата окончания срока действия: | 01.02.1989 |
| Разработан: | Харьковский Водоканалпроект |
| Утверждён: | 07.06.1984 СоюзводоканалНИИпроект (SoyuzvodokanalNIIproject 29) |
| Заменяет собой: | |
| Чем заменён: |





























