Скачать Типовой проект 902-4-8м.83 Альбом IV. Строительная часть. Изделия (из ТП 902-4-5.83)Дата актуализации: 01.01.2021
|
| Обозначение: | Типовой проект 902-4-8м.83 |
| Обозначение англ: | 902-4-8м.83 |
| Статус: | не определен законодательством |
| Название рус.: | Альбом IV. Строительная часть. Изделия (из ТП 902-4-5.83) |
| Дата добавления в базу: | 01.09.2013 |
| Дата актуализации: | 01.01.2021 |
| Дата введения: | 27.06.1983 |
| Дата окончания срока действия: | 30.06.2003 |
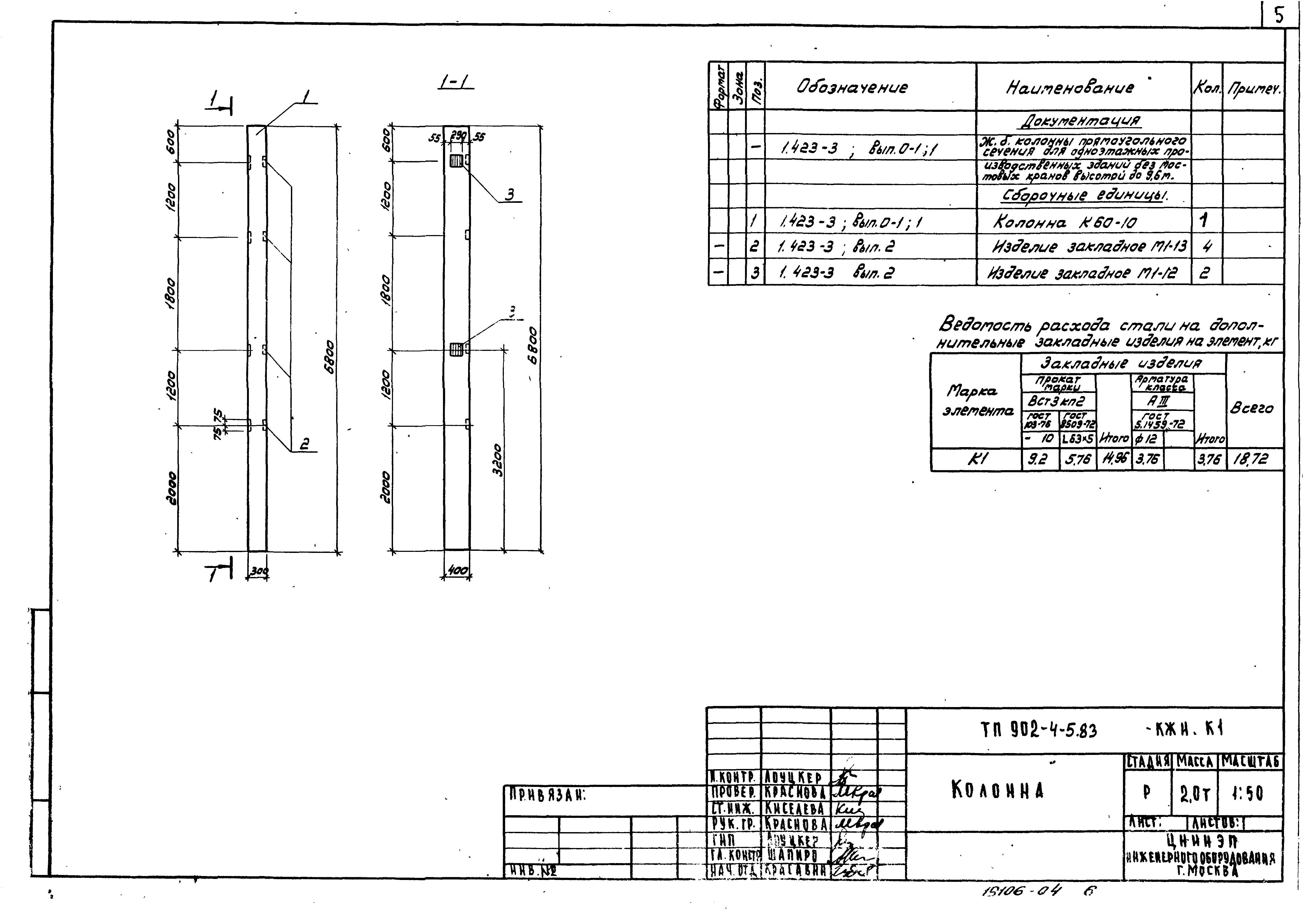
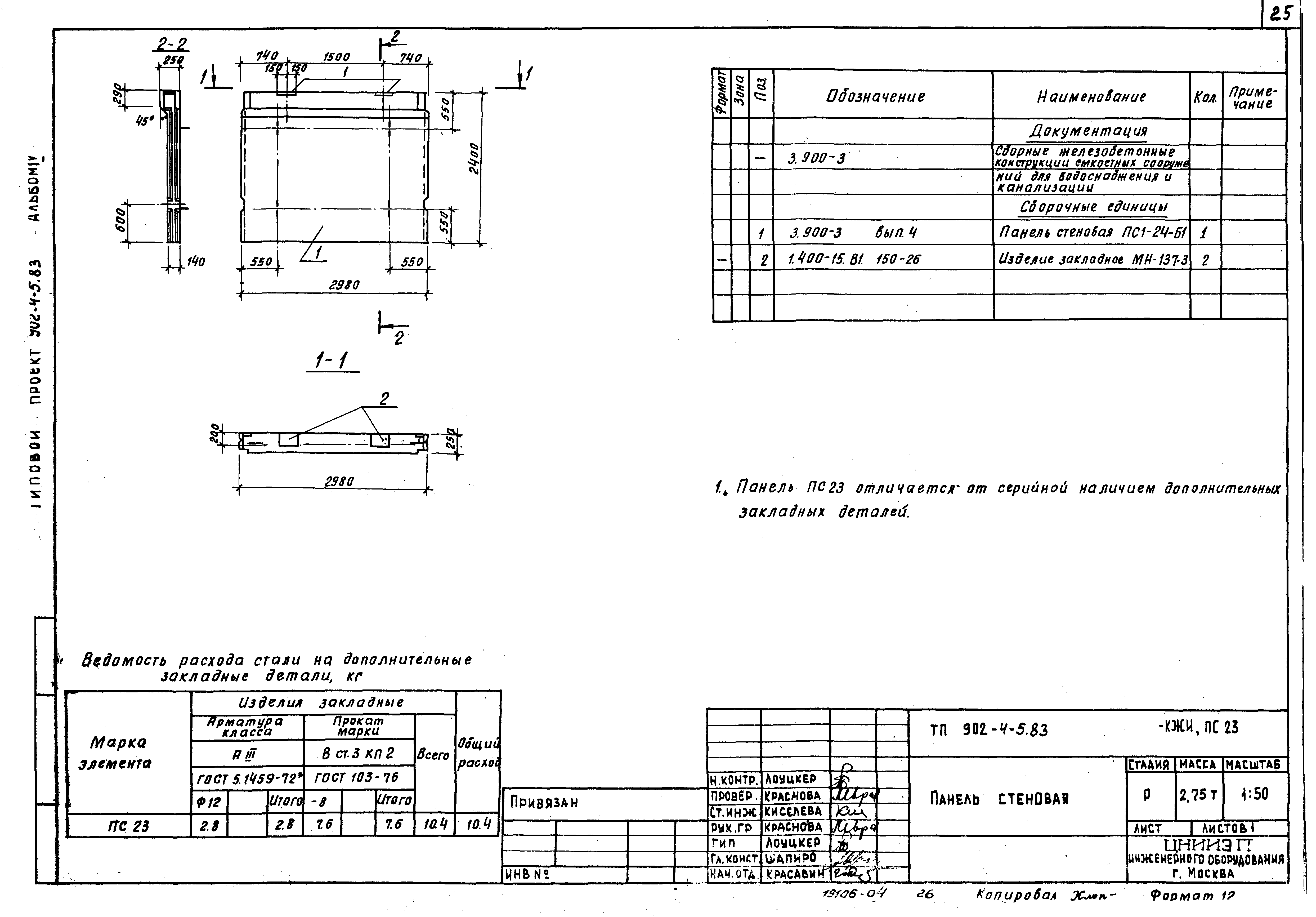
| Оглавление: | ТП 902-4-5.83-КЖИ.Б1 Балка покрытия ТП 902-4-5.83-КЖИ.Б2 Балка покрытия ТП 902-4-5.83-КЖИ.К1 Колонна ТП 902-4-5.83-КЖИ.К2 Колонна ТП 902-4-5.83-КЖИ.К3 Колонна (К3,К5) ТП 902-4-5.83-КЖИ.К4 Колонна ТП 902-4-5.83-КЖИ.П13 Плита покрытия ТП 902-4-5.83-КЖИ.П14 Плита покрытия ТП 902-4-5.83-КЖИ.П15 Плита покрытия ТП 902-4-5.83-КЖИ.П16 Плита покрытия ТП 902-4-5.83-КЖИ.П17 Плита покрытия ТП 902-4-5.83-КЖИ.ПС8 Плита ТП 902-4-5.83-КЖИ.ПС9 Плита (ПС9,ПС10) ТП 902-4-5.83-КЖИ.ПС11 Панель (ПС11,ПС12) ТП 902-4-5.83-КЖИ.ПС13 Панель (ПС13,ПС14,ПС15,ПС16,ПС17,ПС18) ТП 902-4-5.83-КЖИ.СП1 Сетка арматурная ТП 902-4-5.83-КЖИ.СП2 Сетка арматурная ТП 902-4-5.83-КЖИ.КП1 Каркас пространственный ТП 902-4-5.83-КЖИ.КР1 Каркас плоский ТП 902-4-5.83-КЖИ.КП2 Каркас пространственный ТП 902-4-5.83-КЖИ.КП3 Каркас пространственный ТП 902-4-5.83-КЖИ.КП4 Каркас пространственный ТП 902-4-5.83-КЖИ.КР2 Каркас плоский ТП 902-4-5.83-КЖИ.КП5 Каркас пространственный ТП 902-4-5.83-КЖИ.КР3 Каркас плоский ТП 902-4-5.83-КЖИ.П1 Петля для подъема ТП 902-4-5.83-КЖИ.П2 Петля для подъема ТП 902-4-5.83-КЖИ.ПС19 Панель (ПС19,ПС20,ПС21,ПС22) ТП 902-4-5.83-КЖИ.ПС23 Панель стеновая ТП 902-4-5.83-КЖИ.ПС24 Панель стеновая ТП 902-4-5.83-КЖИ.ЛТ1 Лоток ТП 902-4-5.83-КЖИ.П10 Плита ТП 902-4-5.83-КЖИ.МН1 Изделие закладное ТП 902-4-5.83-КЖИ.РМ2 Изделие закладное ТП 902-4-5.83-КЖИ.РМ1 СБ Изделие закладное (РМ1,РМ3) ТП 902-4-5.83-КЖИ.РМ Изделие закладное (РМ1,РМ3) ТП 902-4-5.83-КЖИ.МС1 Изделие закладное ТП 902-4-5.83-КЖИ.МН2 Изделие закладное ТП 902-4-5.83-КЖИ.С2 Сетка арматурная ТП 902-4-5.83-КЖИ.С1 Сетка арматурная ТП 902-4-5.83-КЖИ.КП6 Каркас пространственный ТП 902-4-5.83-КЖИ.КП6.С3 Сетка арматурная ТП 902-4-5.83-КЖИ.КП6.С4 Сетка арматурная ТП 902-4-5.83-КЖИ.СП5 Сетка арматурная ТП 902-4-5.83-КЖИ.СП3 Сетка арматурная ТП 902-4-5.83-КЖИ.СП4 Сетка арматурная ТП 902-4-5.83-КЖИ.МС2 Изделие закладное (МС2,МС3,МС4) |
| Разработан: | ЦНИИЭП |
| Утверждён: | 14.02.1983 Госгражданстрой (Gosgrazhdanstroy 49) |




































