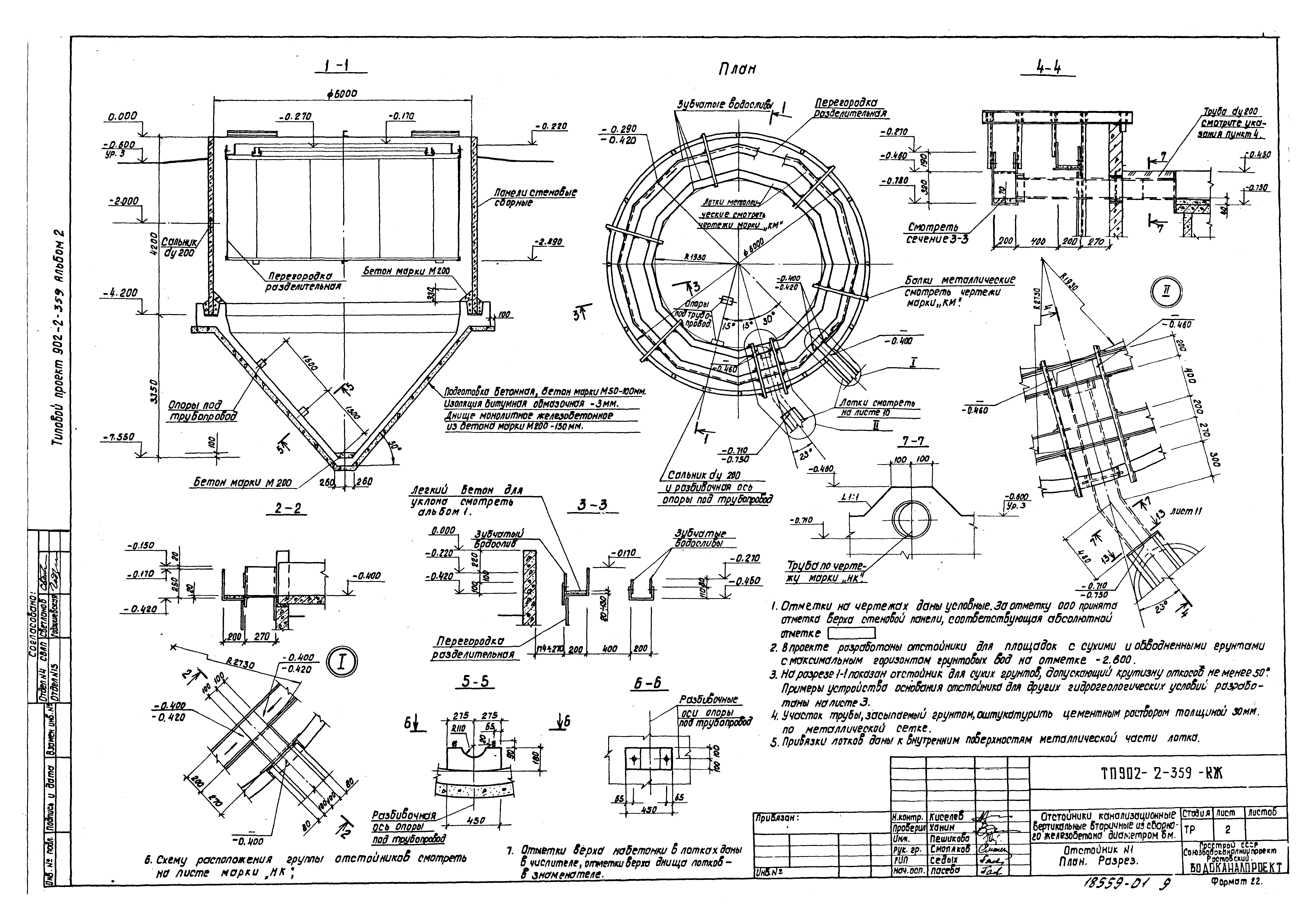
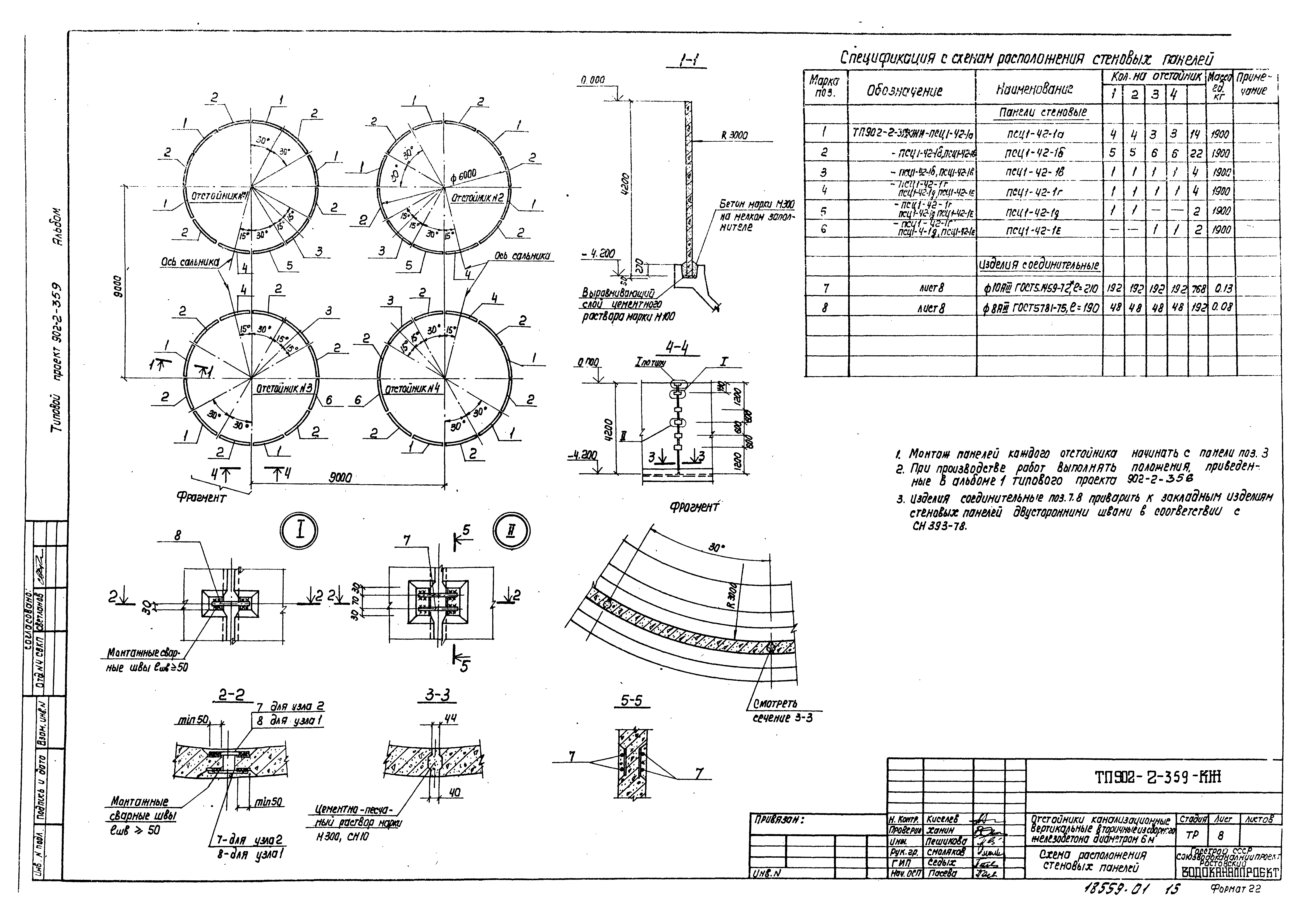
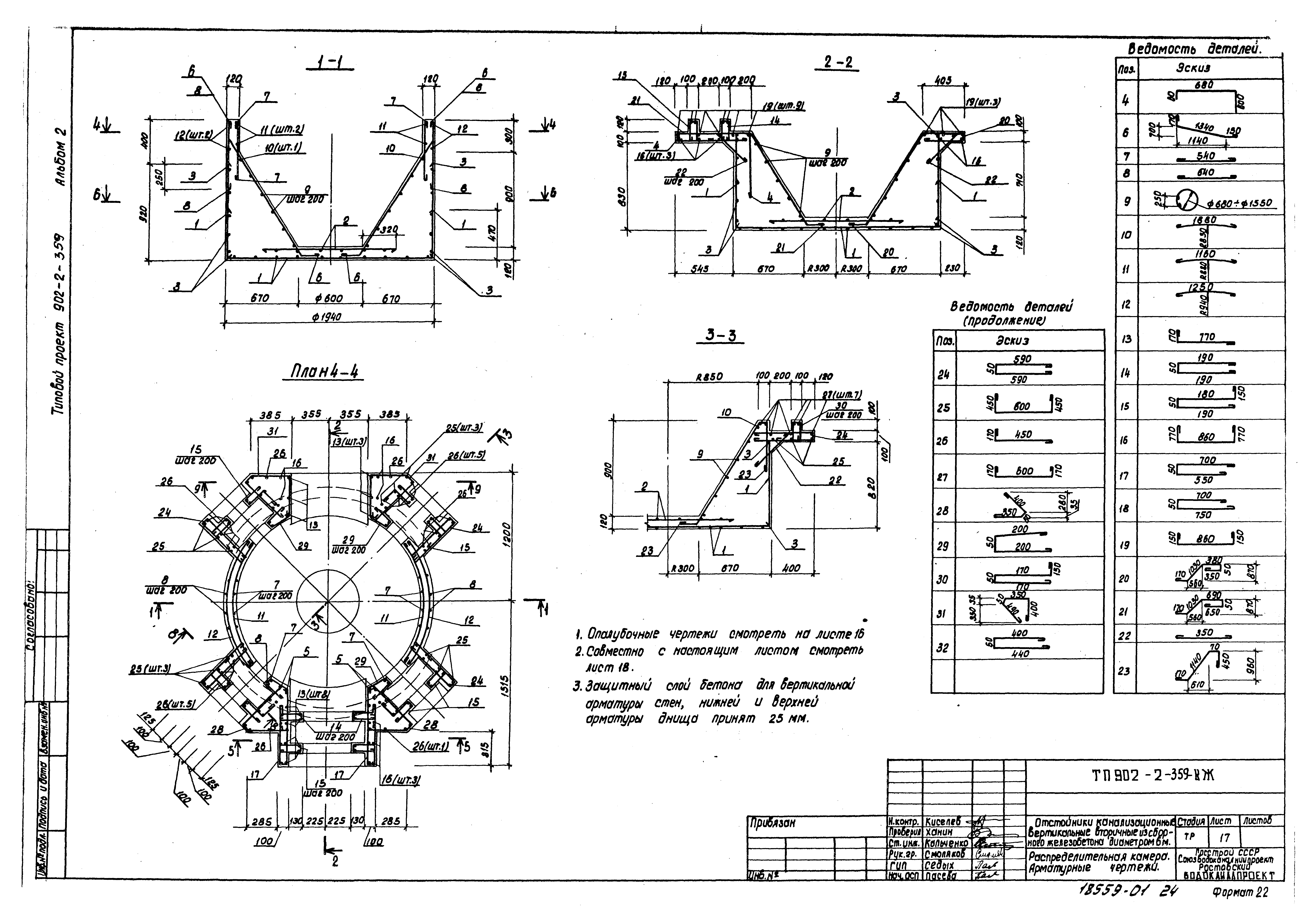
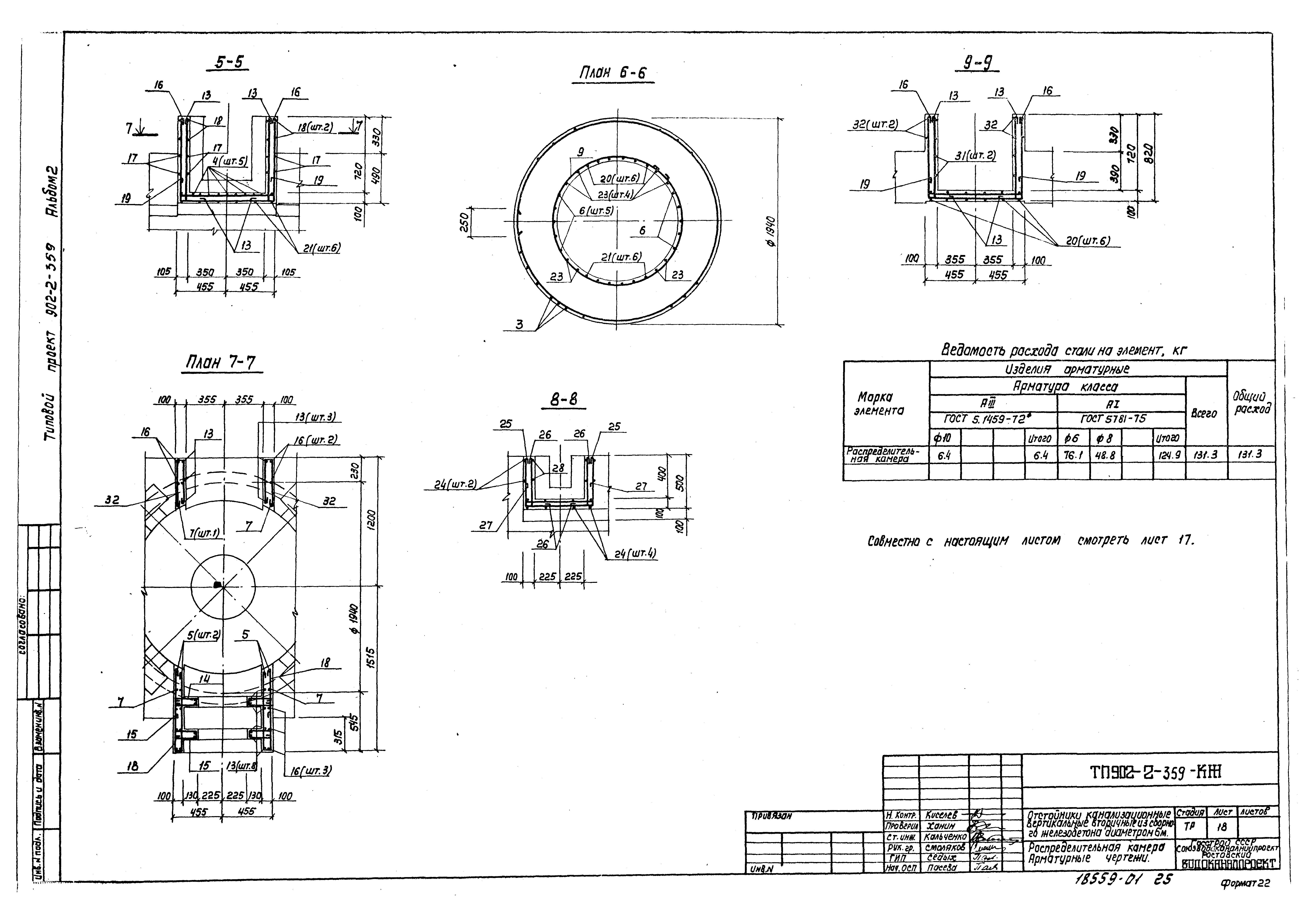
Скачать Типовой проект 902-2-359 Альбом 2. Технологическая и строительная части. Заказные спецификацииДата актуализации: 01.01.2021
|
| Обозначение: | Типовой проект 902-2-359 |
| Обозначение англ: | 902-2-359 |
| Статус: | не определен законодательством |
| Название рус.: | Альбом 2. Технологическая и строительная части. Заказные спецификации |
| Дата добавления в базу: | 01.09.2013 |
| Дата актуализации: | 01.01.2021 |
| Дата введения: | 26.01.1983 |
| Дата окончания срока действия: | 30.06.2003 |
| Разработан: | Союзводоканалпроект Ростовский Водоканалпроект |
| Утверждён: | 25.08.1982 Главпромстройпроект Госстроя СССР (32) |
| Заменяет собой: |
































