Скачать Типовой проект 703-1-5.86 Альбом 5. Строительные изделияДата актуализации: 01.01.2021
|
| Обозначение: | Типовой проект 703-1-5.86 |
| Обозначение англ: | 703-1-5.86 |
| Статус: | не определен законодательством |
| Название рус.: | Альбом 5. Строительные изделия |
| Дата добавления в базу: | 01.09.2013 |
| Дата актуализации: | 01.01.2021 |
| Дата введения: | 23.05.1986 |
| Дата окончания срока действия: | 30.06.2003 |
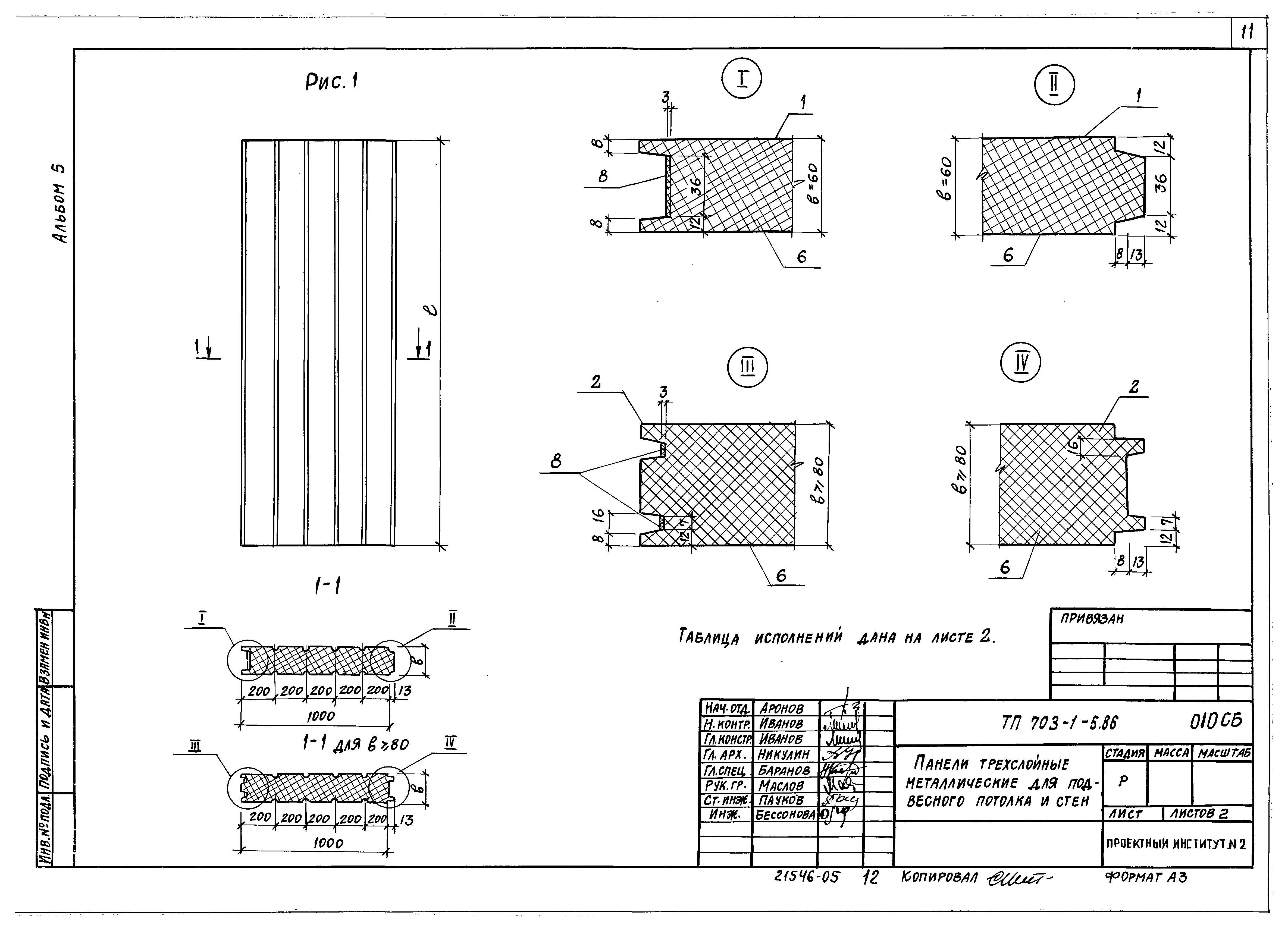
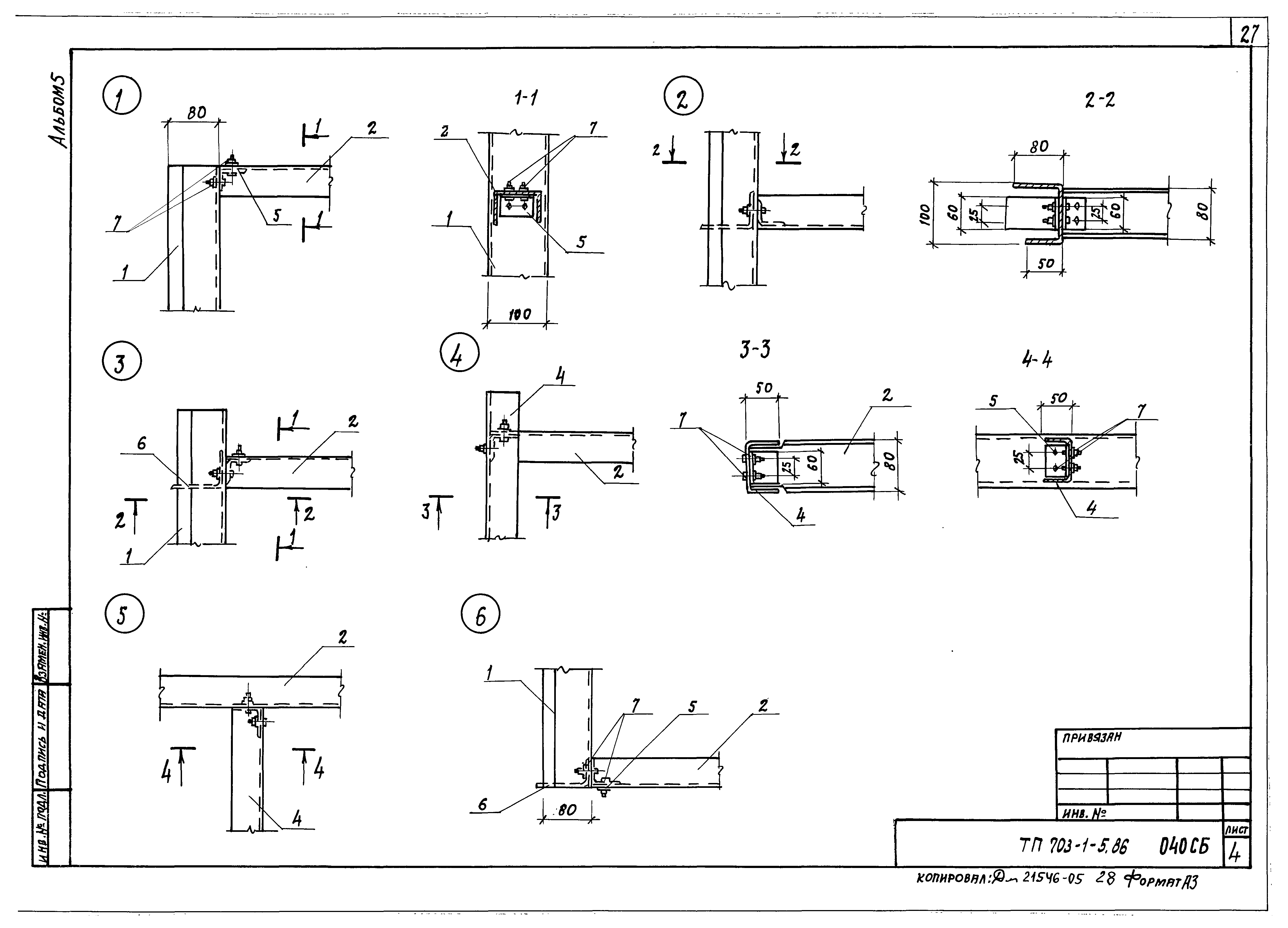
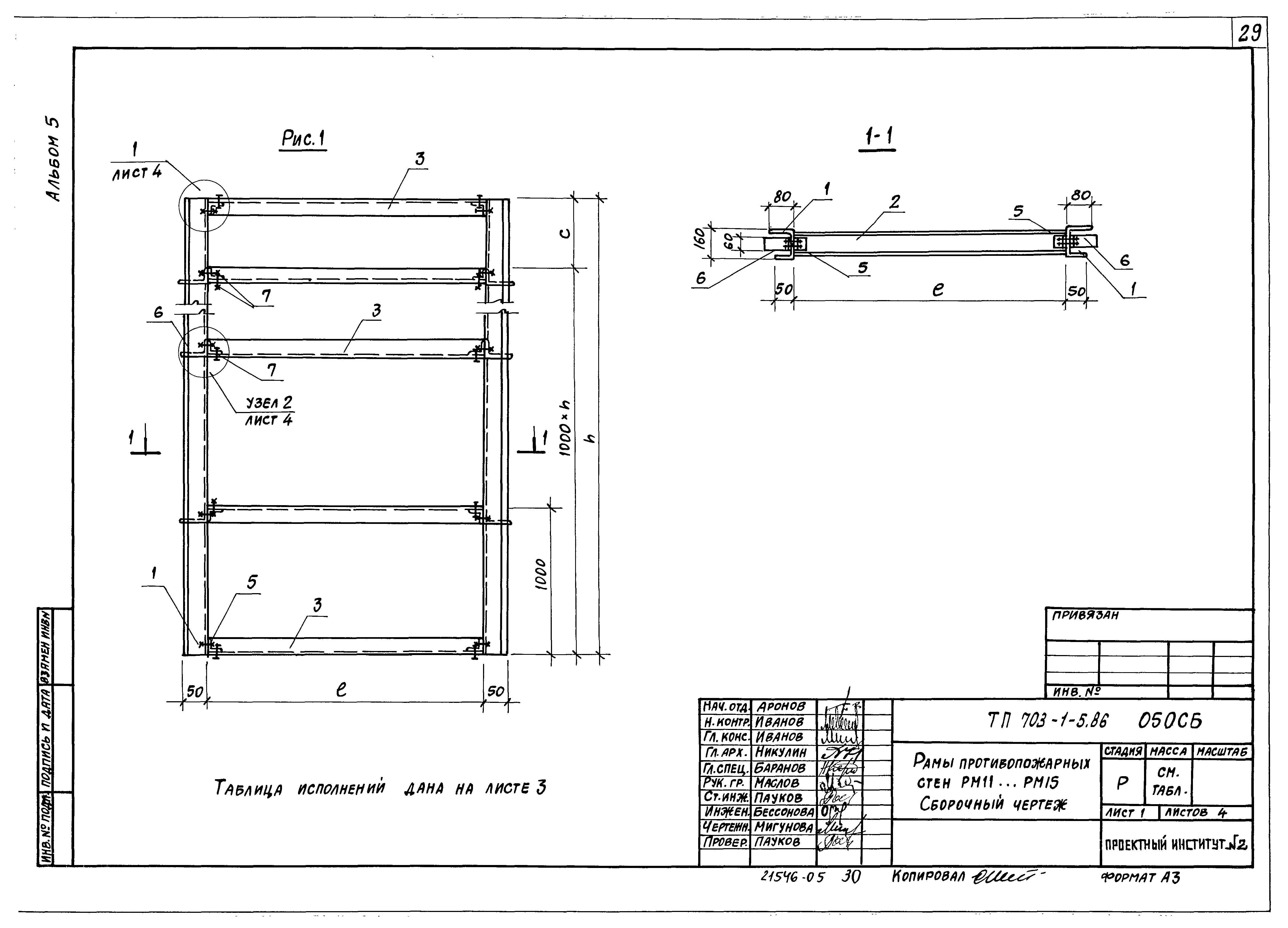
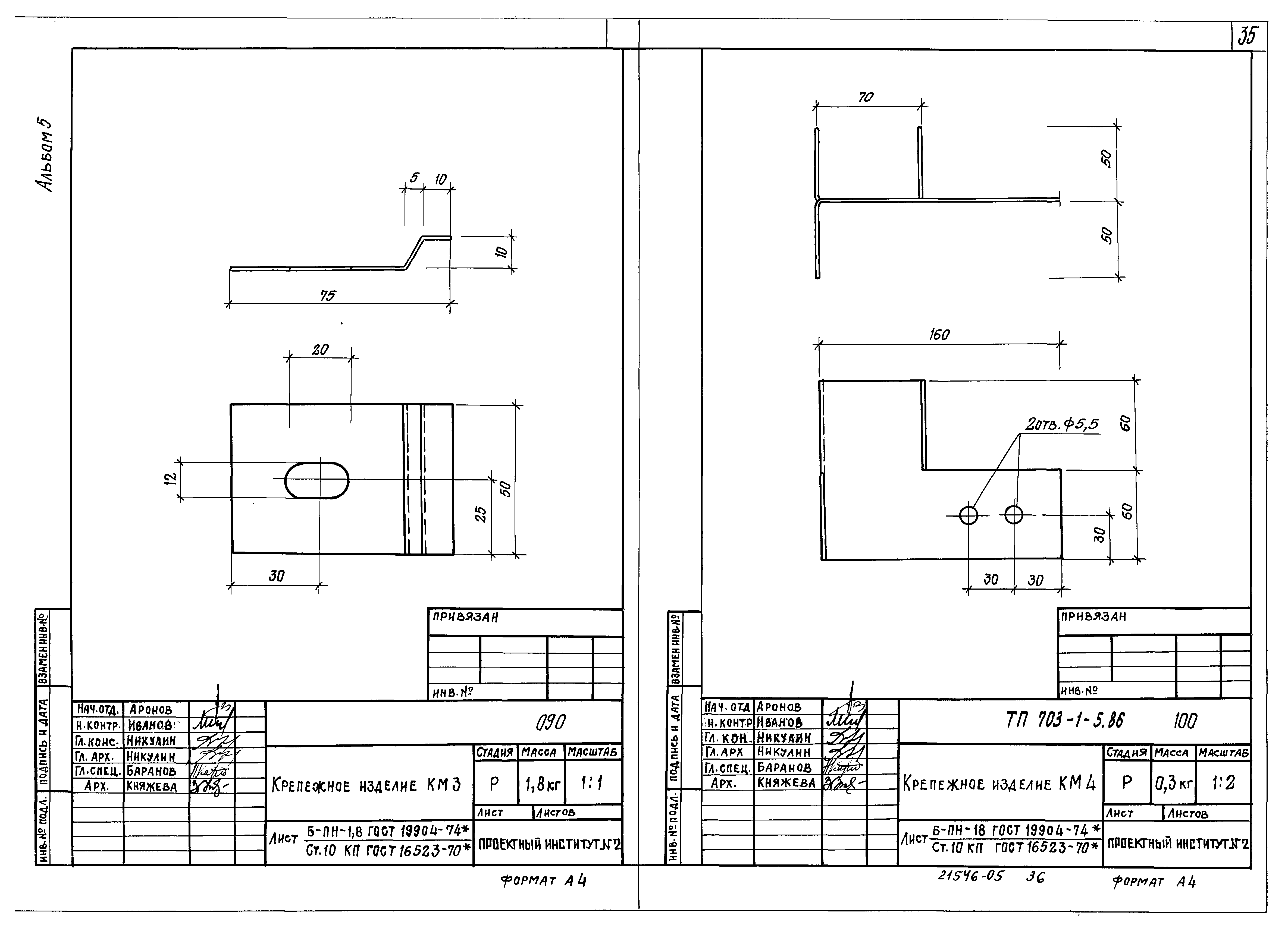
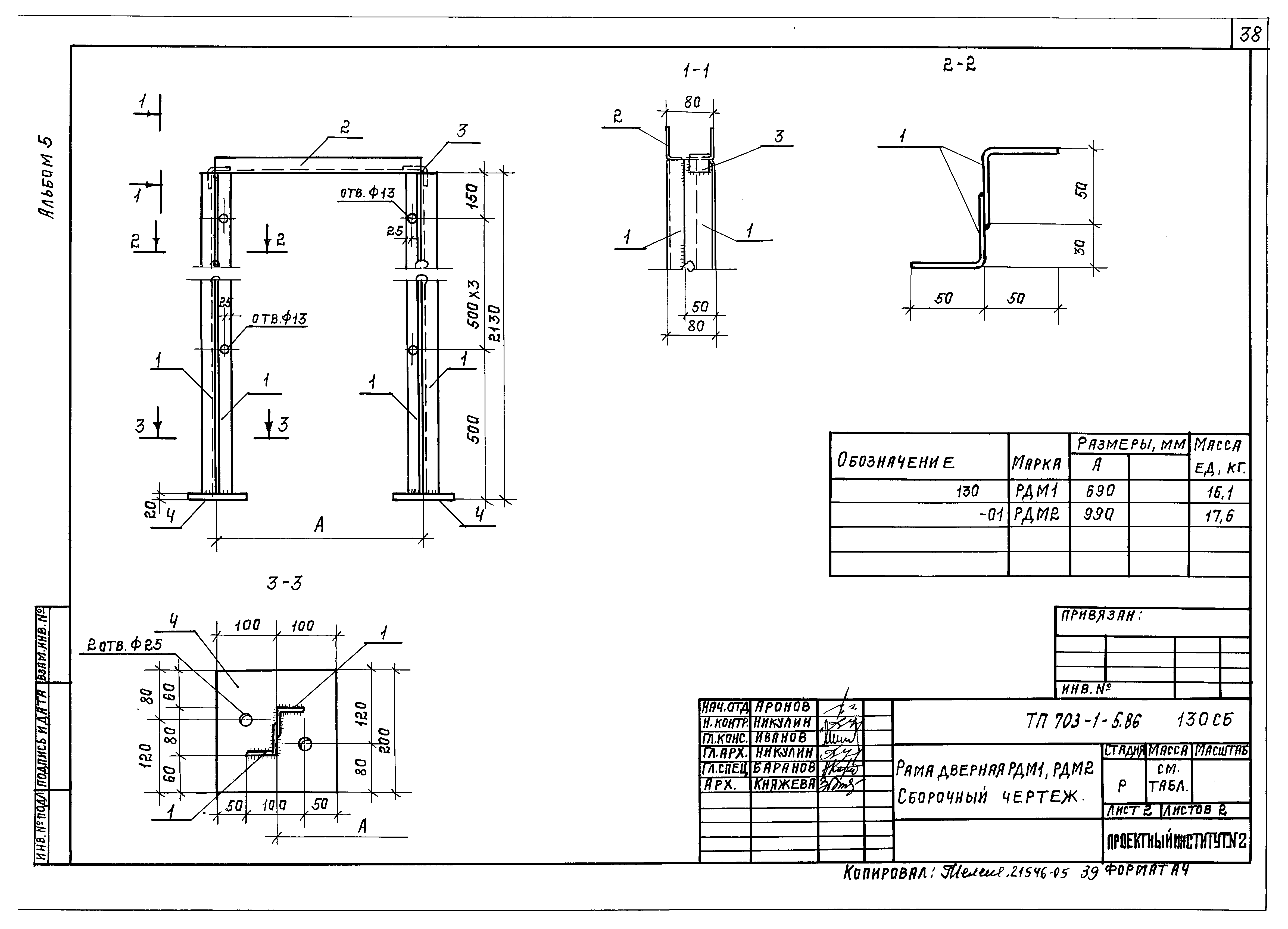
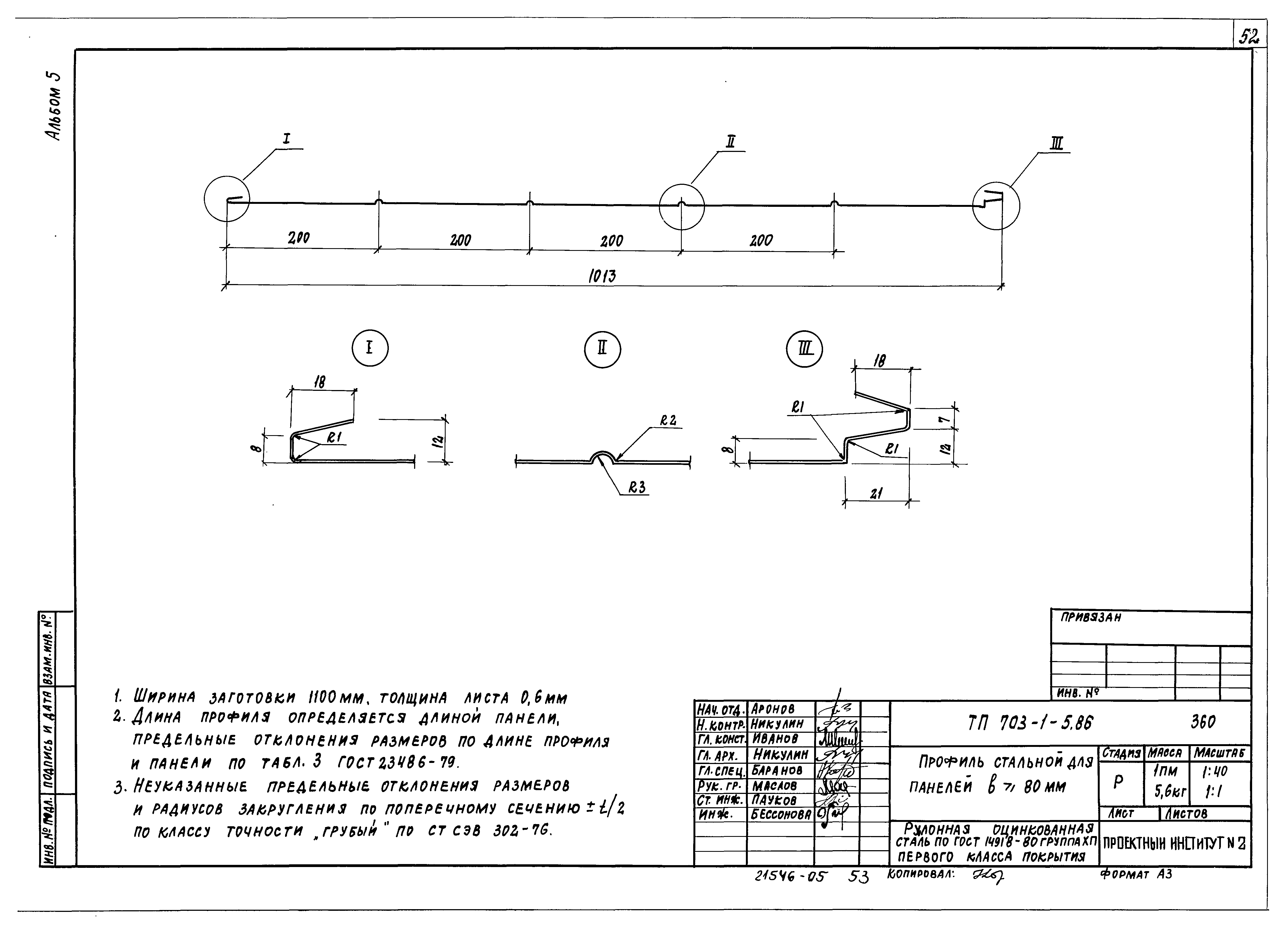
| Оглавление: | ТП 703-1-5.86 Содержание ТП 703-1-5.86 000ТО Техническое описание ТП 703-1-5.86 000НИ Номенклатура изделий ТП 703-1-5.86 00010 Панели трехслойные металлические для подвесного потолка и стен вертикальной разрезки ТП 703-1-5.86 010 СБ Панели трехслойные металлические для подвесного потолка и стен вертикальной разрезки. Сборочный чертеж ТП 703-1-5.86 020 Панели противопожарных перегородок ТП 703-1-5.86 020 СБ Панели противопожарных перегородок. Сборочный чертеж ТП 703-1-5.86 030 Панели противопожарных стен ТП 703-1-5.86 030 СБ Панели противопожарных стен. Сборочный чертеж ТП 703-1-5.86 040 Рамы противопожарных перегородок РН...РН10 ТП 703-1-5.86 040 СБ Рамы противопожарных перегородок РН...РН10. Сборочный чертеж ТП 703-1-5.86 050 Рамы противопожарных перегородок РН11...РН15 ТП 703-1-5.86 050 СБ Рамы противопожарных перегородок РН11...РН15. Сборочный чертеж ТП 703-1-5.86 060 Комплекты деталей МС-1 ТП 703-1-5.86 060 СБ Комплекты деталей МС-1. Сборочный чертеж ТП 703-1-5.86 070 Крепежное изделие КМ1 ТП 703-1-5.86 080 Крепежное изделие КМ2 ТП 703-1-5.86 090 Крепежное изделие КМ3 ТП 703-1-5.86 100 Крепежное изделие КМ4 ТП 703-1-5.86 110 Крепежное изделие КМ5,КМ6 ТП 703-1-5.86 120 Крепежное изделие КМ7 ТП 703-1-5.86 130 Рама дверная РДМ1;РДМ2 ТП 703-1-5.86 130 СБ Рама дверная РДМ1;РДМ2. Сборочный чертеж ТП 703-1-5.86 140 Слив С1;С2 ТП 703-1-5.86 150 Слив С3 ТП 703-1-5.86 160 Слив С4 ТП 703-1-5.86 170 Костыль К1;К2;К3 ТП 703-1-5.86 180 Нащельник металлический НМ1 ТП 703-1-5.86 190 Нащельник металлический НМ2,НМ6 ТП 703-1-5.86 200 Нащельник металлический НМ7,НМ10 ТП 703-1-5.86 210 Нащельник металлический НМ11,НМ12 ТП 703-1-5.86 220 Нащельник металлический НМ13...НМ16 ТП 703-1-5.86 230 Нащельник металлический НМ17 ТП 703-1-5.86 240 Нащельник металлический НМ18 ТП 703-1-5.86 250 Нащельник металлический НМ19...НМ21 ТП 703-1-5.86 260 Нащельник металлический НМ22,НМ23 ТП 703-1-5.86 270 Нащельник металлический НМ24,НМ34 ТП 703-1-5.86 280 Нащельник металлический НМ25 ТП 703-1-5.86 290 Нащельник металлический НМ26 ТП 703-1-5.86 300 Нащельник металлический НМ27 ТП 703-1-5.86 310 Нащельник металлический НМ28,НМ29 ТП 703-1-5.86 320 Нащельник металлический НМ30,НМ31 ТП 703-1-5.86 330 Нащельник металлический НМ32 ТП 703-1-5.86 340 Комбинированный болт КД1...КЛ4 ТП 703-1-5.86 340 СБ Комбинированный болт КД1...КЛ4. Сборочный чертеж ТП 703-1-5.86 350 Профиль стальной для панелей В=60 мм ТП 703-1-5.86 360 Профиль стальной для панелей В≥80 мм ТП 703-1-5.86 370 Прокладка П1...П3 ТП 703-1-5.86 380 Прокладка ПР1 ТП 703-1-5.86 39- Элемент фасонный ЭФ1,ЭФ2 ТП 703-1-5.86 400 Элемент фасонный ЭФ3,ЭФ4 ТП 703-1-5.86 410 Элемент фасонный ЭФ5 |
| Разработан: | Проектный институт №2 |
| Утверждён: | 17.02.1986 Министерство торговли СССР (USSR Ministry of Commerce 31/Л-3) |























































