Скачать Типовой проект 703-1-6.86 Альбом 2. Архитектурные решения. Конструкции железобетонныеДата актуализации: 01.01.2021
|
| Обозначение: | Типовой проект 703-1-6.86 |
| Обозначение англ: | 703-1-6.86 |
| Статус: | не определен законодательством |
| Название рус.: | Альбом 2. Архитектурные решения. Конструкции железобетонные |
| Дата добавления в базу: | 01.09.2013 |
| Дата актуализации: | 01.01.2021 |
| Дата введения: | 23.05.1986 |
| Дата окончания срока действия: | 30.06.2003 |
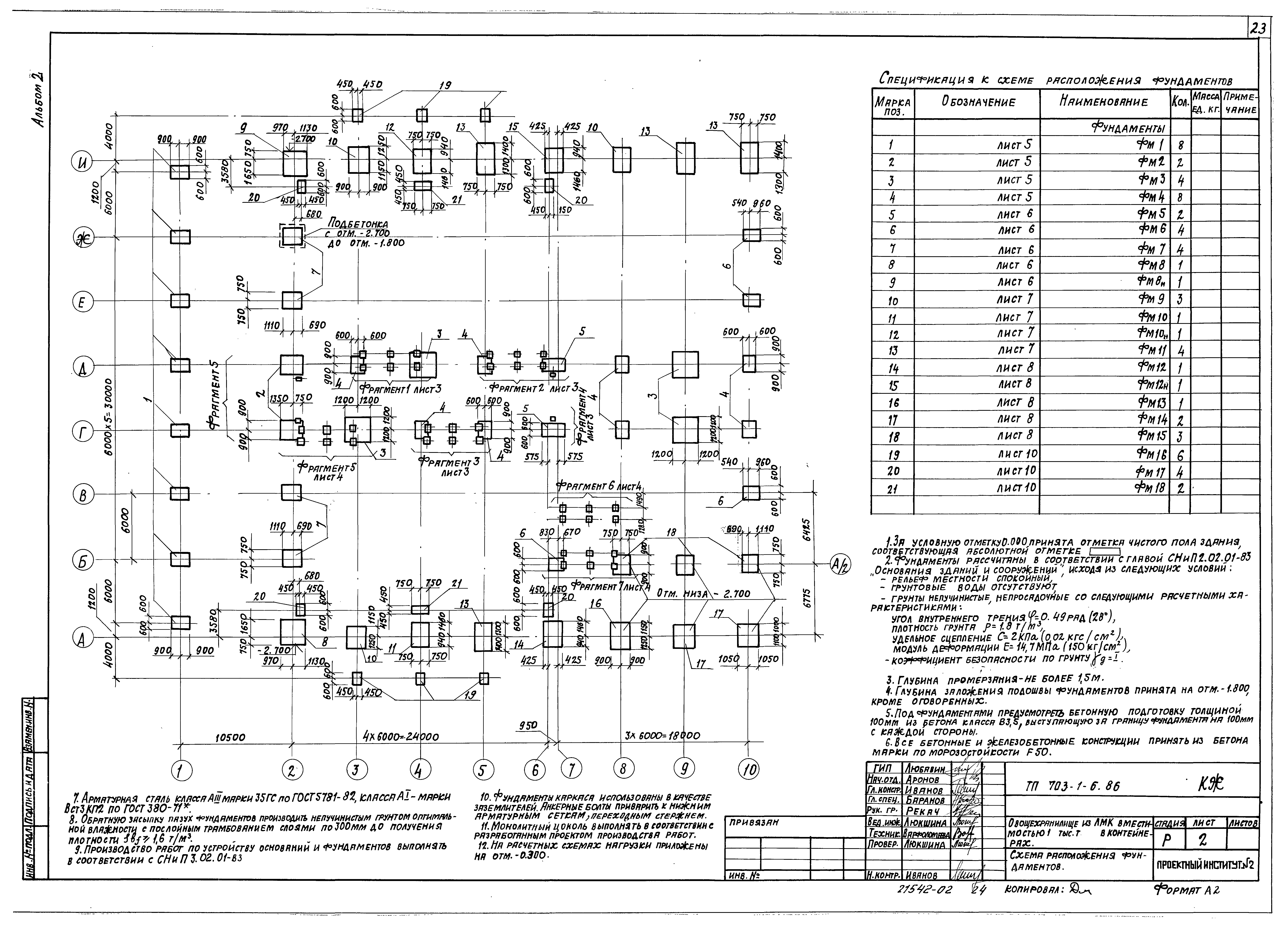
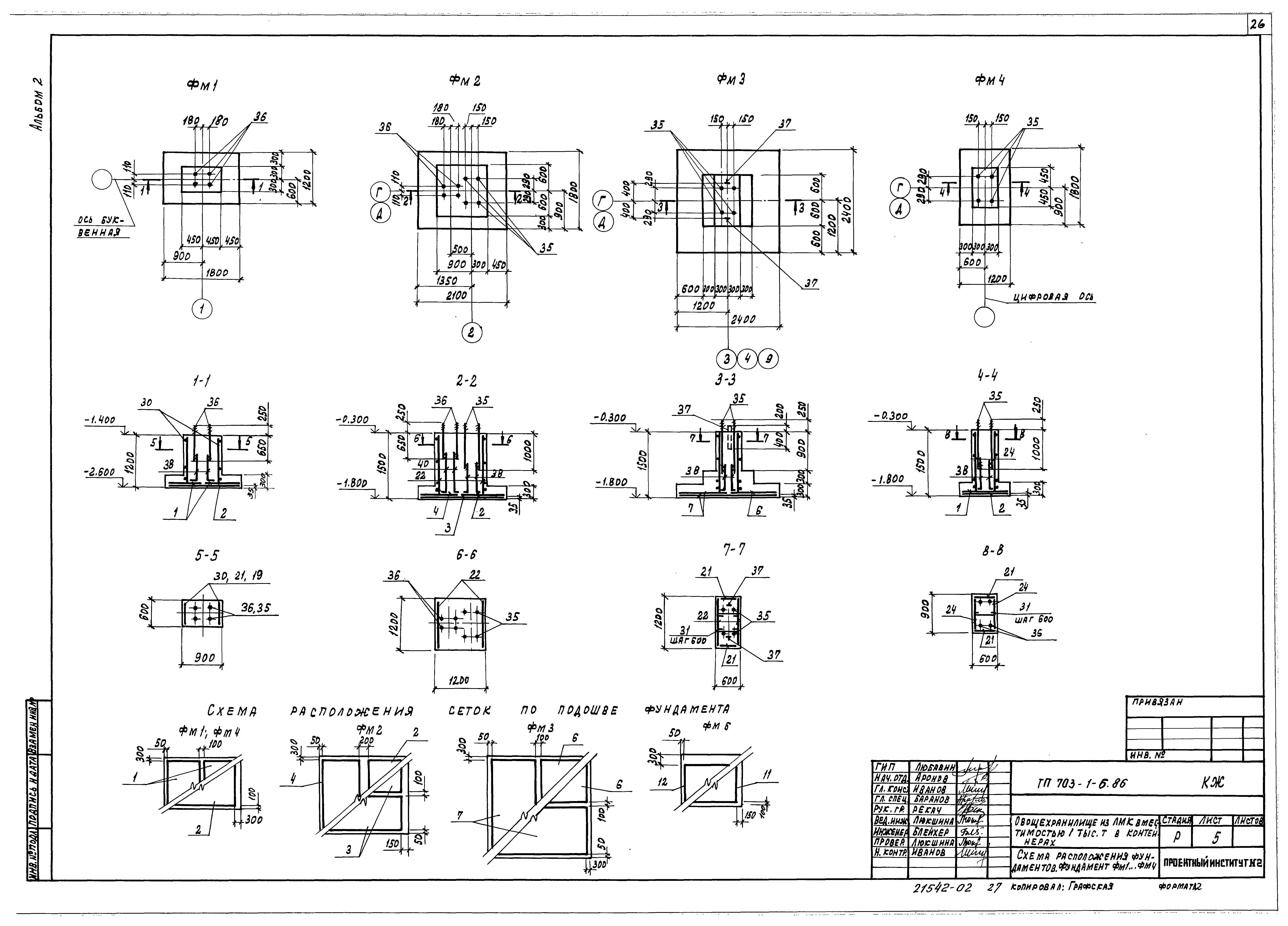
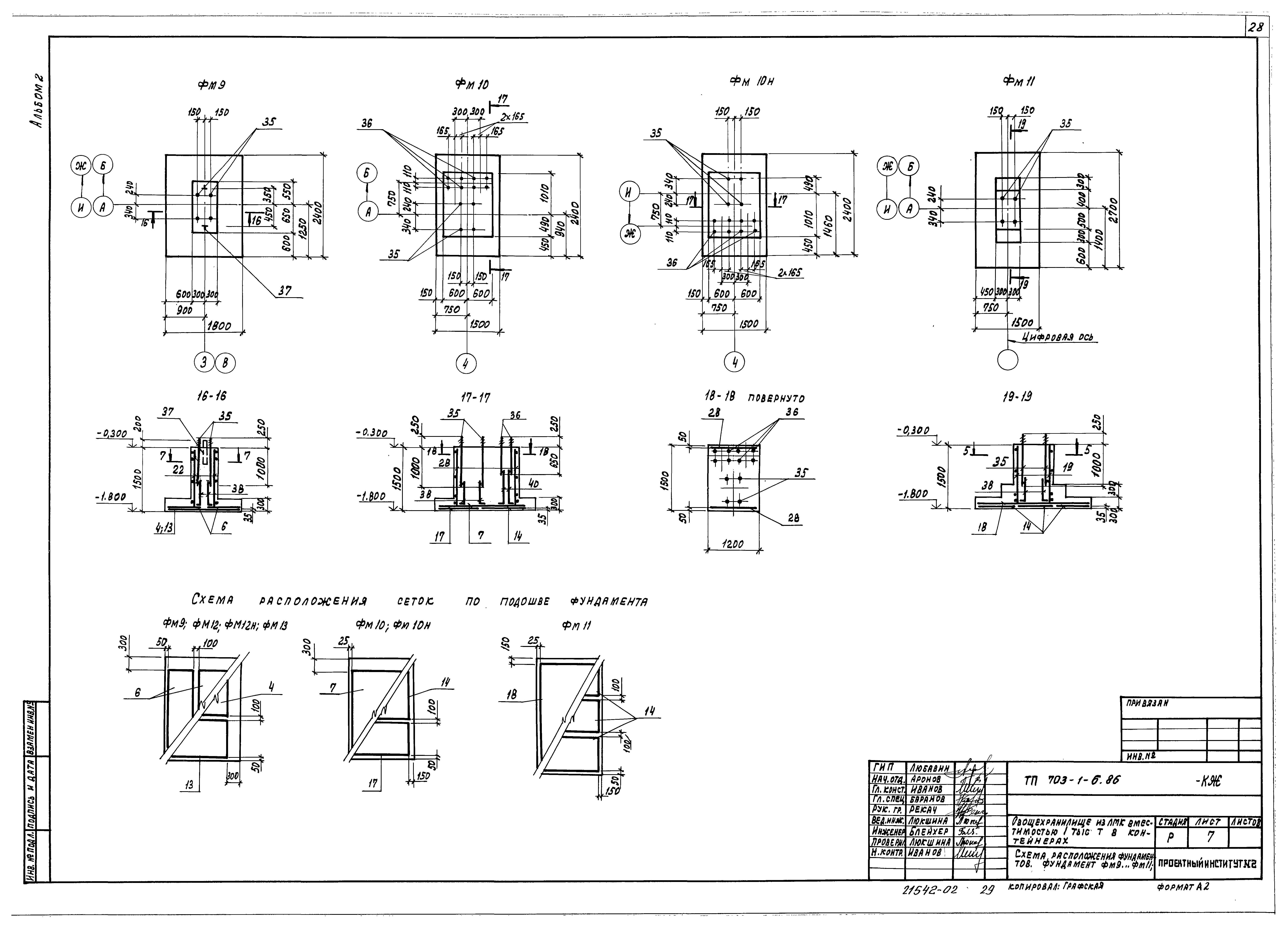
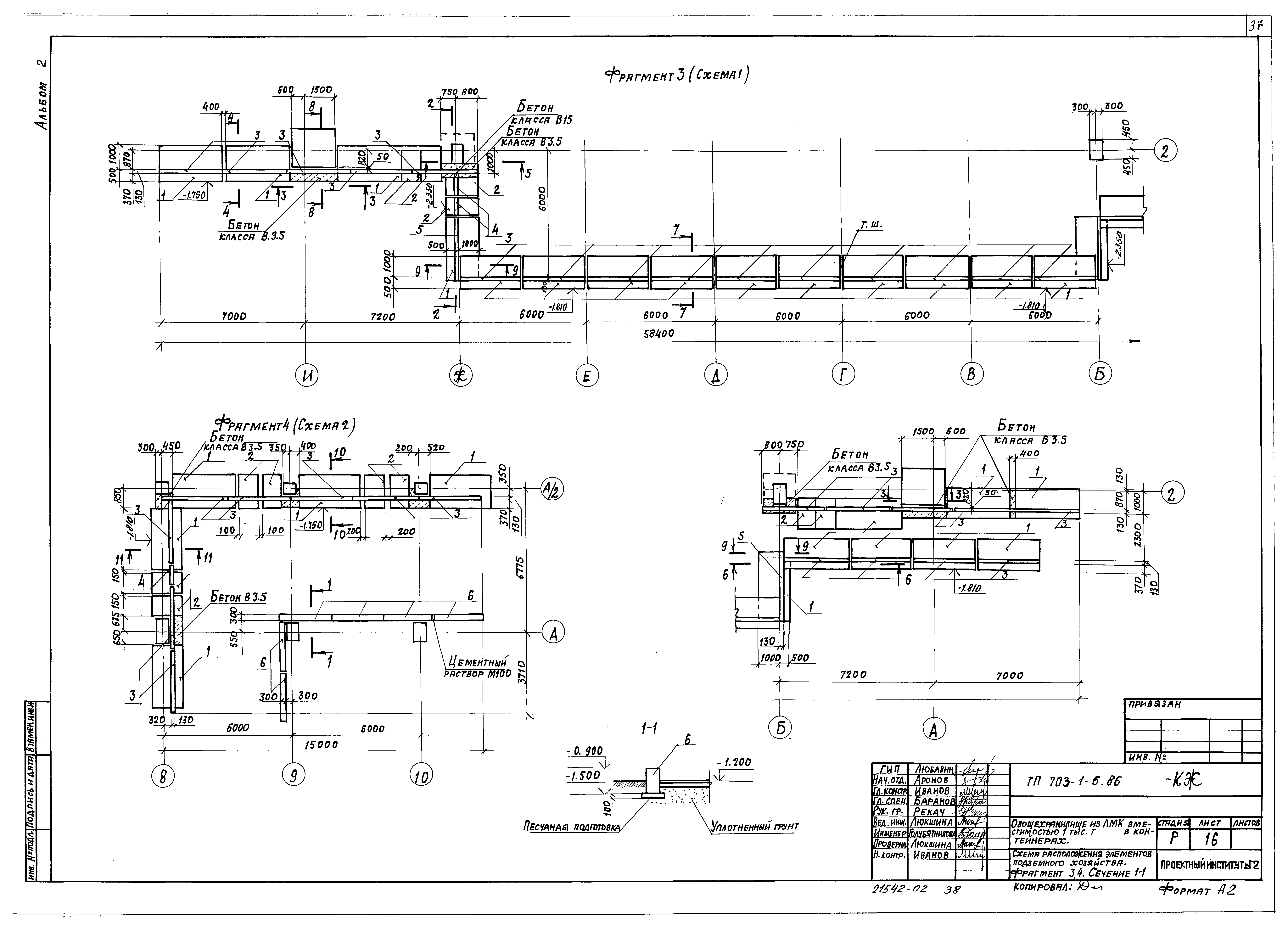
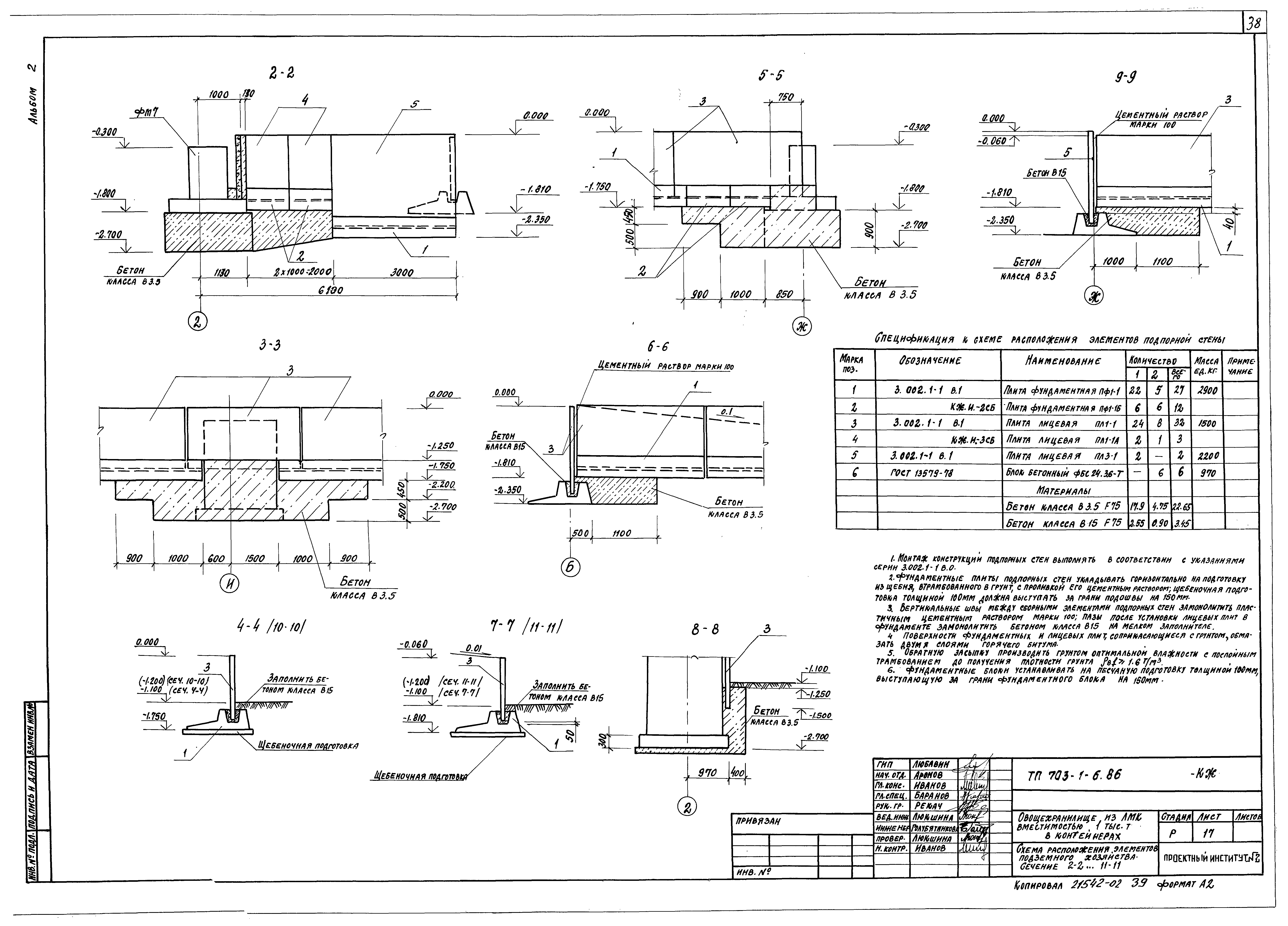
| Оглавление: | ТП 703-1-6.86 АР1 Общие данные (начало) ТП 703-1-6.86 АР2 Общие данные (окончание) ТП 703-1-6.86 АР3 План на отм. 0.000. Фрагмент 1 ТП 703-1-6.86 АР4 Разрезы 1-1;2-2 ТП 703-1-6.86 АР5 Разрез 5-5. Фасад 1-10. Схемы заполнения оконных проемов ТП 703-1-6.86 АР6 Фасады А-И,И-А,10-1 ТП 703-1-6.86 АР7 План полов, план кровли. Фрагмент 2 ТП 703-1-6.86 АР8 Схемы расположения элементов щитовых перегородок ТП 703-1-6.86 АР9 Спецификация элементов к узлам заполнения дверных проемов и ворот ТП 703-1-6.86 АР10 Схемы расположения стеновых панелей в осях "И...А";"2...6";"А";"1...10";"А/2";"2...6";"Д" ТП 703-1-6.86 АР11 Схемы расположения стеновых панелей в осях "А/2...И";"10";"10...2";"И";и"2...6";"Г" ТП 703-1-6.86 АР12 Схемы расположения стеновых панелей в осях "А/2...И";"7";"Б...А";"6";"7...10";"Ж...И" ТП 703-1-6.86 АР13 Схемы расположения панелей перегородок в осях "7...10";"Ж...И". Сечение 1-1...10-10 ТП 703-1-6.86 АР14 Схемы расположения панелей перегородок в осях "7...10";"Ж...И";сечение 11-11...13-13; и "7-8"..."А/2"; сечение 14-14;15-15 ТП 703-1-6.86 АР15 Схемы расположения противопожарных стен и перегородок в осях "А...И";"6";"7...10";"Ж"; сечение 16-16...18-18 ТП 703-1-6.86 АР16 Спецификация к схемам расположения стеновых панелей и перегородок (начало) ТП 703-1-6.86 АР17 Спецификация к схемам расположения стеновых панелей и перегородок (окончание) ТП 703-1-6.86 АР18 Схема расположения элементов подвесного потолка ТП 703-1-6.86 АР19 Схема расположения элементов подвесного потолка. Фрагмент 1 ТП 703-1-6.86 КЖ1 Общие данные ТП 703-1-6.86 КЖ2 Схема расположения фундаментов ТП 703-1-6.86 КЖ3 Схема расположения фундаментов. Фрагмент 1...4 ТП 703-1-6.86 КЖ4 Схема расположения фундаментов. Фрагмент 5...7 ТП 703-1-6.86 КЖ5 Схема расположения фундаментов. Фундамент ФМ1...ФМ4 ТП 703-1-6.86 КЖ6 Схема расположения фундаментов. Фундамент ФМ5...ФМ8Н ТП 703-1-6.86 КЖ7 Схема расположения фундаментов. Фундамент ФМ9...ФМ11 ТП 703-1-6.86 КЖ8 Схема расположения фундаментов. Фундамент ФМ12...ФМ15 ТП 703-1-6.86 КЖ9 Схема расположения фундаментов. Выборка сеток фундамента (начало). Схема и таблица нагрузок на ФМ1,ФМ2 ТП 703-1-6.86 КЖ10 Схема расположения фундаментов. Выборка сеток фундамента (окончание). Фундамент ФМ16...ФМ18 ТП 703-1-6.86 КЖ11 Схема расположения фундаментов. Ведомость расхода стали на элемент. Схема и таблица нагрузок на ФМ3;ФМ4 ТП 703-1-6.86 КЖ12 Схема расположения фундаментов. Схема и таблица нагрузок на ФМ5...ФМ13 ТП 703-1-6.86 КЖ13 Схема расположения фундаментов. Схема и таблица нагрузок на ФМ12...ФМ18 ТП 703-1-6.86 КЖ14 Схема расположения подземного хозяйства и лестниц ТП 703-1-6.86 КЖ15 Схема расположения подземного хозяйства. Фрагмент 1,2. Приямок ПР1,ПР2 ТП 703-1-6.86 КЖ16 Схема расположения подземного хозяйства. Фрагмент 3,4. Сечение 1-1 ТП 703-1-6.86 КЖ17 Схема расположения подземного хозяйства. Фрагмент 3,4. Сечение 2-2...11-11 ТП 703-1-6.86 КЖ18 Схема расположения цоколей. Узел 1,2 ТП 703-1-6.86 КЖИ-ТУ1 Технические условия на изготовление сборных железобетонных конструкций ТП 703-1-6.86 КЖИ-ТУ2 Технические условия на изготовление арматурных закладных изделий ТП 703-1-6.86 КЖИ-1 Изделие закладное МН1 ТП 703-1-6.86 КЖИ-2 Плита фундаментная ПФ1-16 ТП 703-1-6.86 КЖИ-2СБ Плита фундаментная ПФ1-16. Сборочный чертеж ТП 703-1-6.86 КЖИ-2.1 Сетка С1 ТП 703-1-6.86 КЖИ-2.2 Сетка С2 ТП 703-1-6.86 КЖИ-2.3 Сетка С3 ТП 703-1-6.86 КЖИ-2.4 Сетка С4 ТП 703-1-6.86 КЖИ-2.5 Сетка С5 ТП 703-1-6.86 КЖИ-2.6 Каркас КР1 ТП 703-1-6.86 КЖИ-3 Плита лицевая ПЛ1-1А ТП 703-1-6.86 КЖИ-3 СБ Плита лицевая ПЛ1-1А. Сборочный чертеж ТП 703-1-6.86 КЖИ-3.1 Сетка С6 ТП 703-1-6.86 КЖИ-3.2 Сетка С7 ТП 703-1-6.86 КЖИ-3.3 Сетка С8 ТП 703-1-6.86 КЖИ-3.4 Каркас КР2 ТП 703-1-6.86 КЖИ-4 Шпилька горизонтальная (ШП1...ШП4) ТП 703-1-6.86 КЖИ-5 Шпилька вертикальная (А1...А4) ТП 703-1-6.86 КЖИ-6 Щит Щ1 |
| Разработан: | Проектный институт №2 |
| Утверждён: | 17.02.1986 Министерство торговли СССР (USSR Ministry of Commerce 31/П-3) |













































