Скачать Типовой проект 902-2-372.83 Альбом VIII. СметыДата актуализации: 01.01.2021
|
| Обозначение: | Типовой проект 902-2-372.83 |
| Обозначение англ: | 902-2-372.83 |
| Статус: | не определен законодательством |
| Название рус.: | Альбом VIII. Сметы |
| Дата добавления в базу: | 01.09.2013 |
| Дата актуализации: | 01.01.2021 |
| Дата введения: | 17.05.1992 |
| Дата окончания срока действия: | 30.06.2003 |
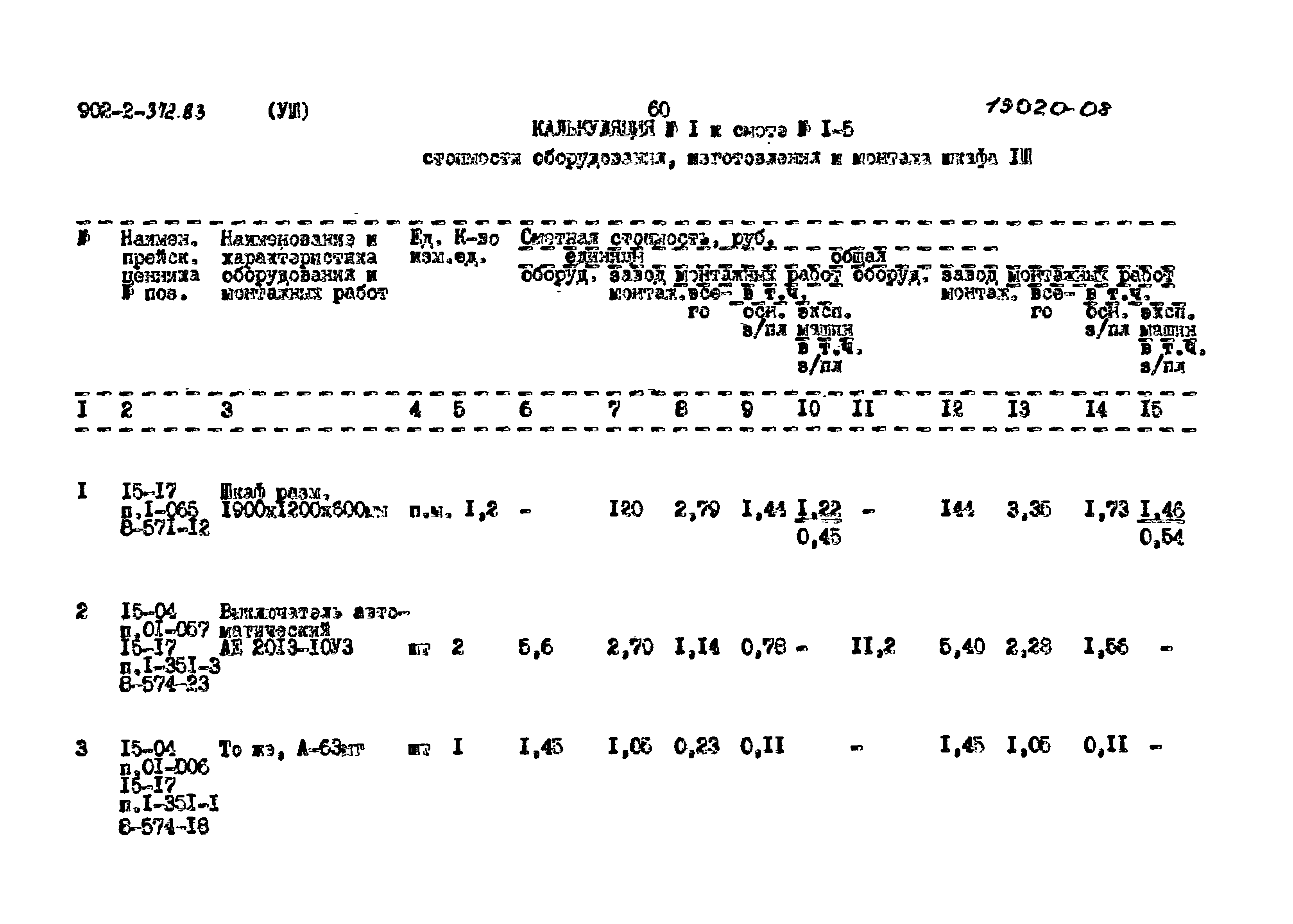
| Оглавление: | ТП 902-2-372.83 Пояснительная записка ТП 902-2-372.83 Объектная смета №1 - на строительство песколовок ТП 902-2-372.83 Объектная смета № 2 - на строительство вставки, длиной 3 м ТП 902-2-372.83 Сводка объемов и стоимости работ к локальной смете № 1-1 ТП 902-2-372.83 Песколовки ТП 902-2-372.83 Смета № 1-1 - общестроительные работы ТП 902-2-372.83 Смета № 1-2 - технологическое оборудование и трубопроводы (вариант с стальными трубами) ТП 902-2-372.83 Смета № 1-3 - технологическое оборудование и трубопроводы (вариант с полиэтиленовыми трубами) ТП 902-2-372.83 Смета № 1-4 - нестандартизированное оборудование ТП 902-2-372.83 Смета № 1-5 - силовое электрооборудование ТП 902-2-372.83 Вставка, длиной 3,0 м ТП 902-2-372.83 Смета № 2-1 - общестроительные работы ТП 902-2-372.83 Смета № 2-2 - технологические трубопроводы (вариант с стальными трубами) ТП 902-2-372.83 Смета № 2-3 - технологические трубопроводы (вариант с полиэтиленовыми трубами) ТП 902-2-372.83 Ведомость потребности № 1 в производственных ресурсах ТП 902-2-372.83 Ведомость потребности № 2 в производственных ресурсах |
| Разработан: | ЦНИИЭП |
| Утверждён: | 22.07.1974 Госгражданстрой (Gosgrazhdanstroy 164) |


































































































