Скачать Типовой проект 901-8-10.83 Альбом V. Строительные изделияДата актуализации: 01.01.2021
|
| Обозначение: | Типовой проект 901-8-10.83 |
| Обозначение англ: | 901-8-10.83 |
| Статус: | не определен законодательством |
| Название рус.: | Альбом V. Строительные изделия |
| Дата добавления в базу: | 01.09.2013 |
| Дата актуализации: | 01.01.2021 |
| Дата введения: | 17.12.1982 |
| Дата окончания срока действия: | 30.06.2003 |
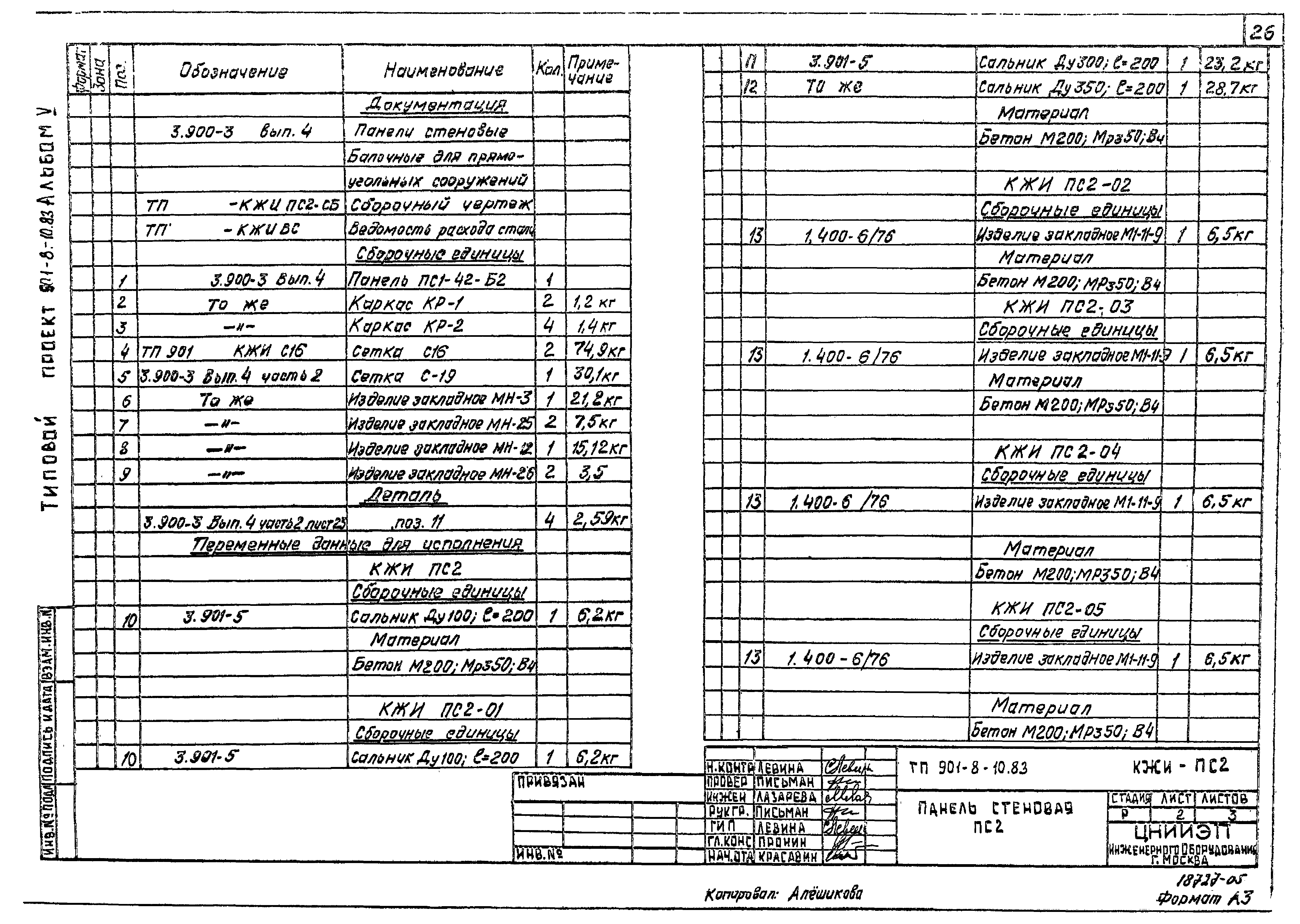
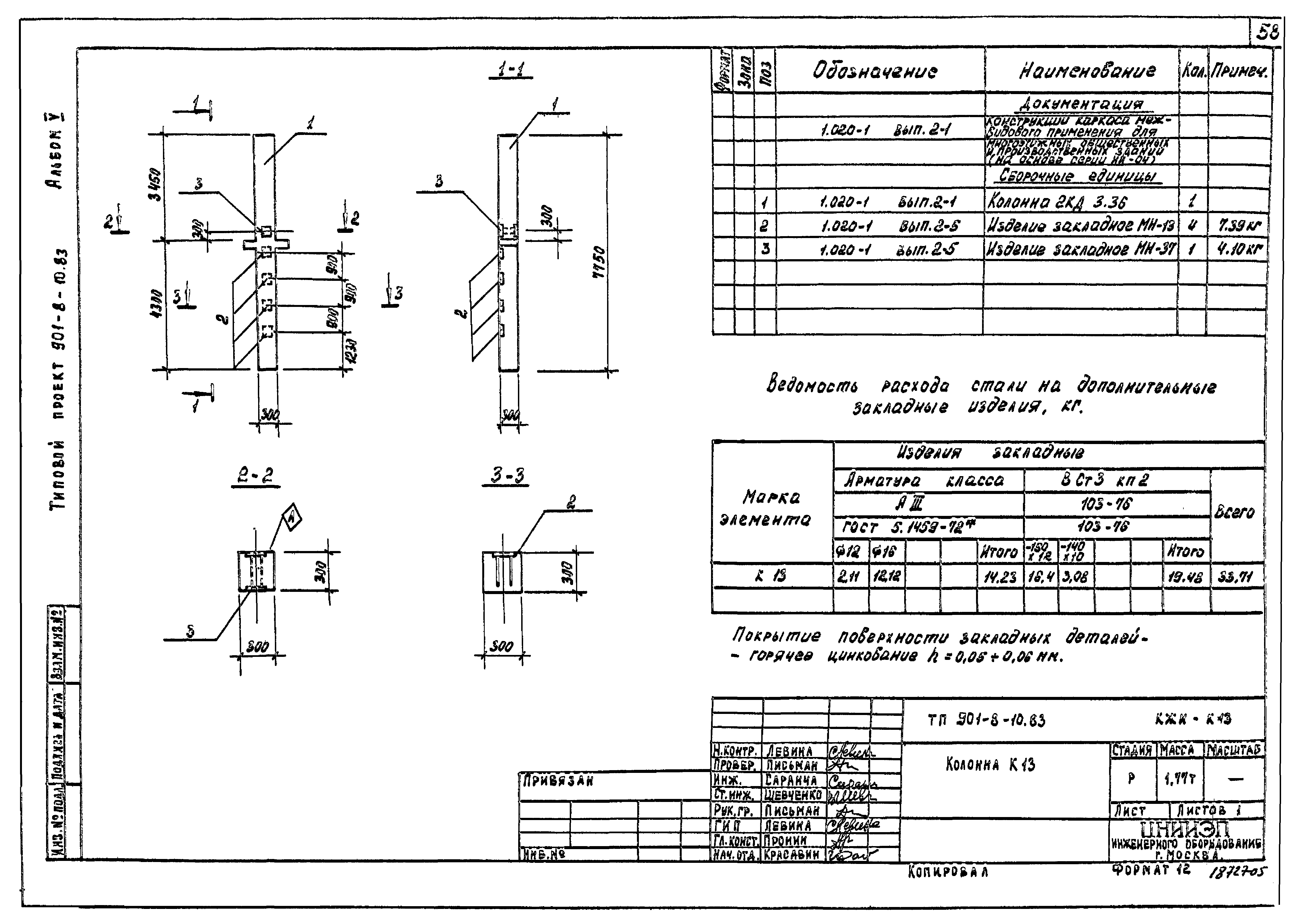
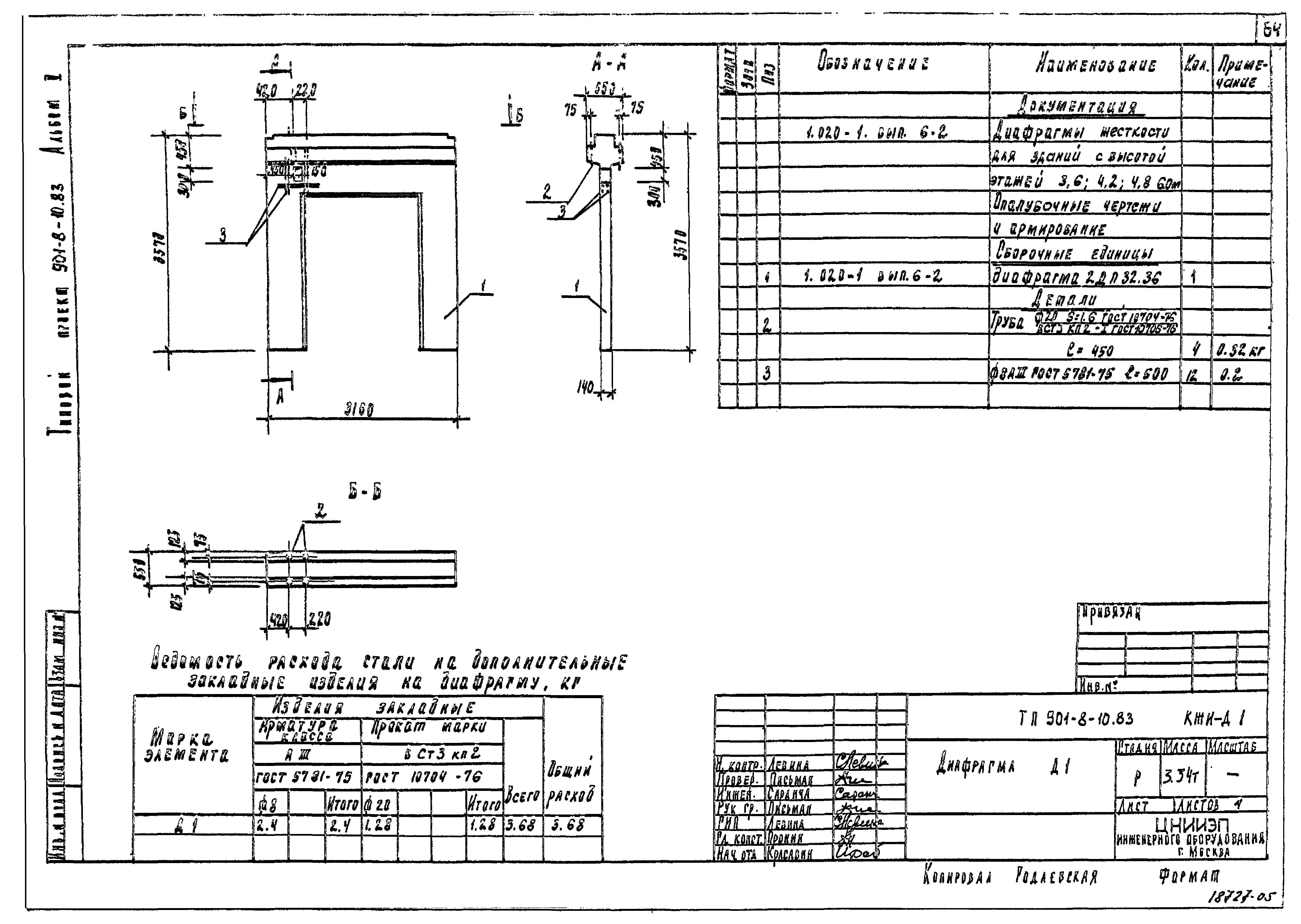
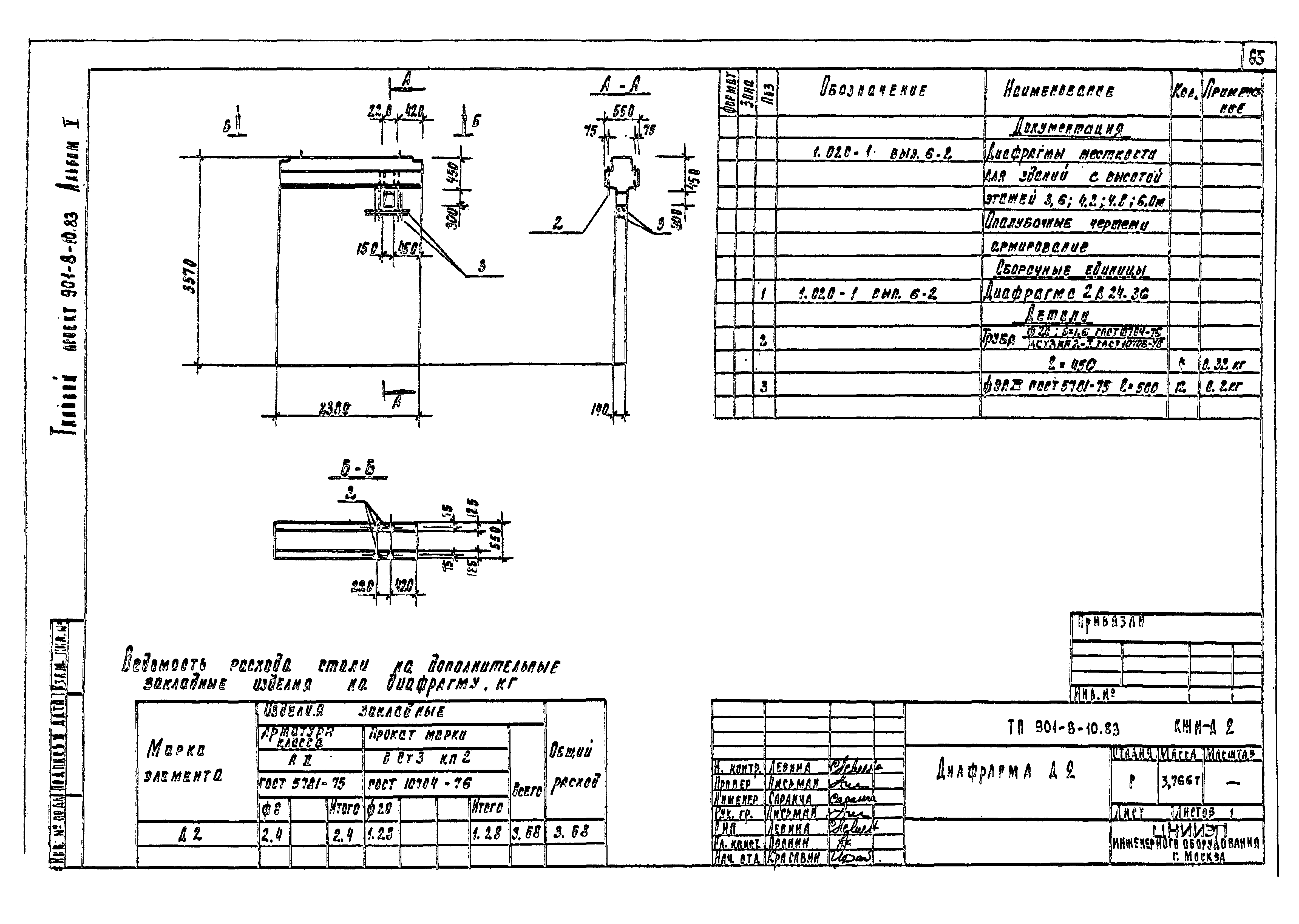
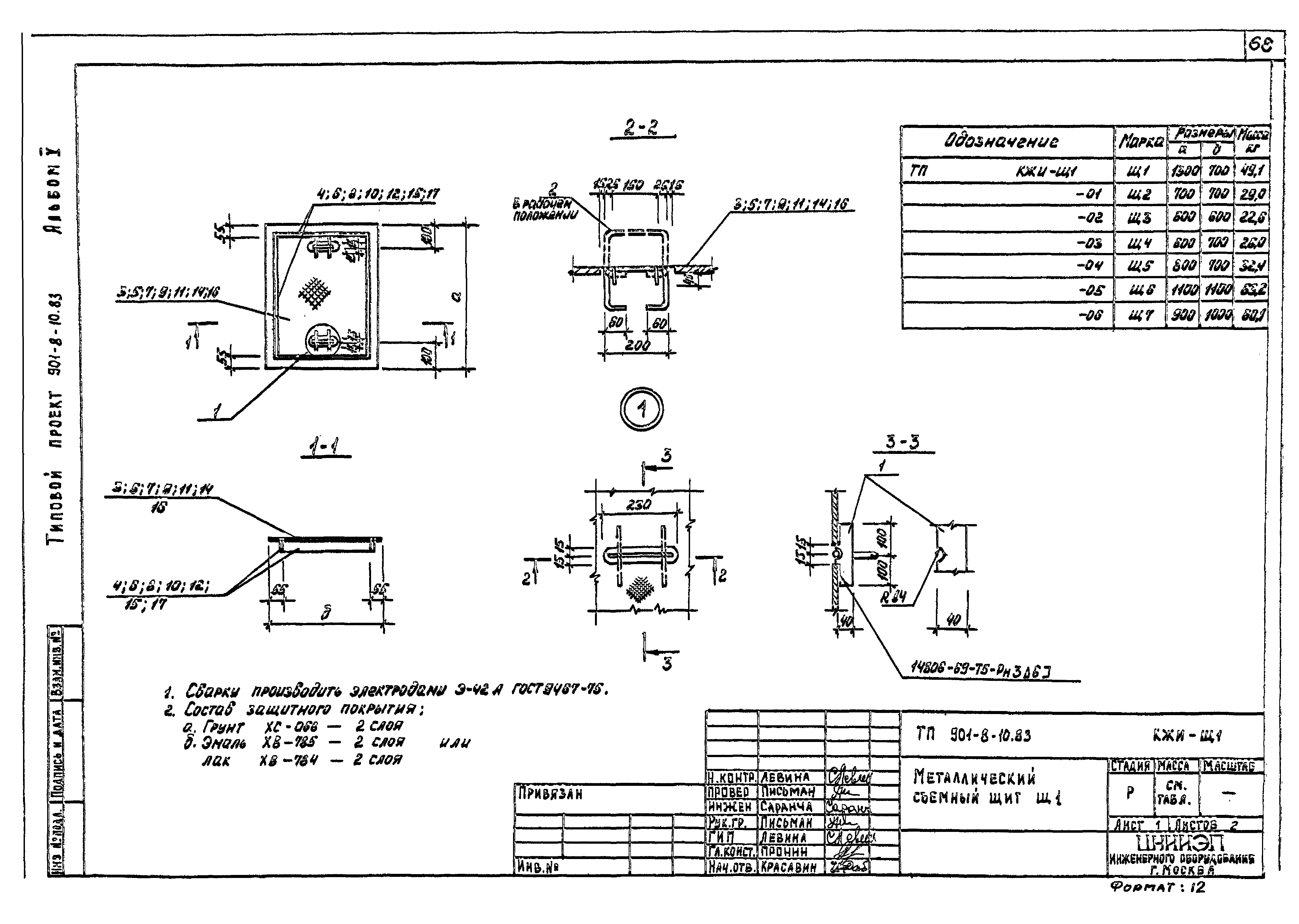
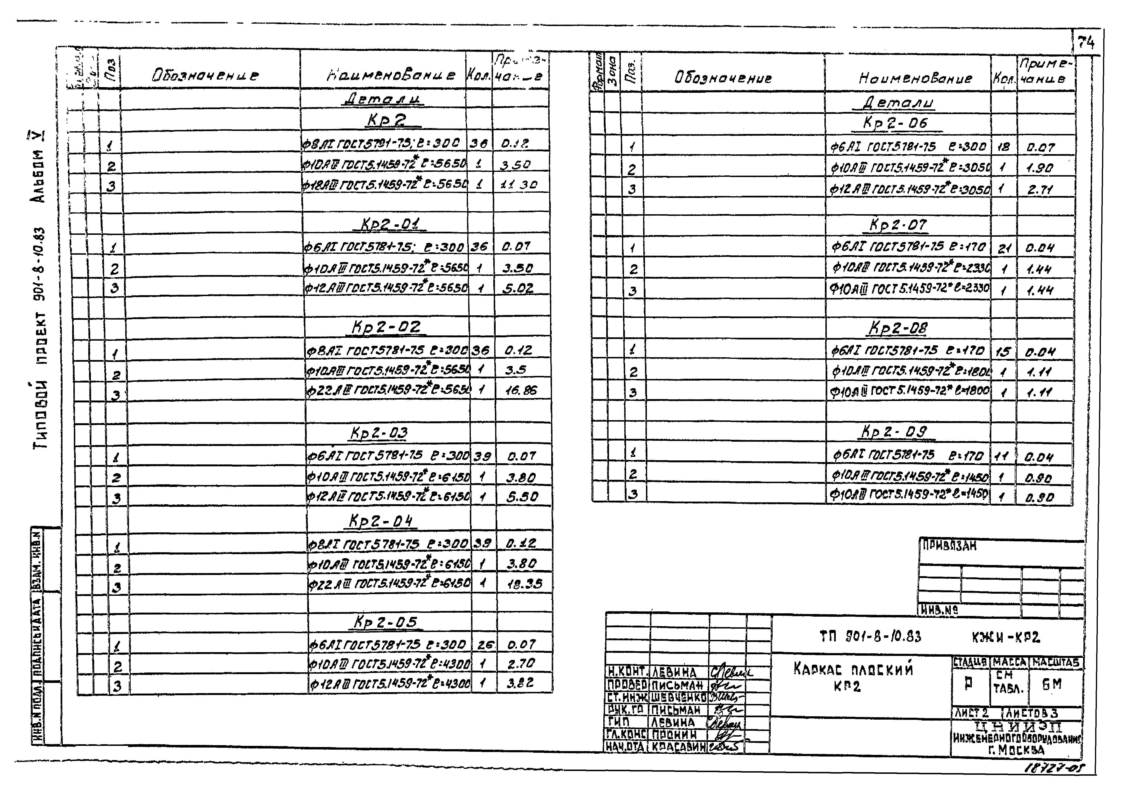
| Оглавление: | ТП 901-8-10.83 КЖИ-С1 Сетка арматурная С1 ТП 901-8-10.83 КЖИ-С2 Сетка арматурная С2 ТП 901-8-10.83 КЖИ-С3 Сетка арматурная С3 ТП 901-8-10.83 КЖИ-С4 Сетка арматурная С4 ТП 901-8-10.83 КЖИ-С5 Сетка арматурная С5 ТП 901-8-10.83 КЖИ-С6 Сетка арматурная С6 ТП 901-8-10.83 КЖИ-С7 Сетка арматурная С7 ТП 901-8-10.83 КЖИ-КП10 Каркас пространственный КП10 ТП 901-8-10.83 КЖИ-С8 Сетка арматурная С8 ТП 901-8-10.83 КЖИ-С9 Сетка арматурная С9 ТП 901-8-10.83 КЖИ-КП1 Каркас пространственный КП1 ТП 901-8-10.83 КЖИ-С10 Сетка арматурная С10 ТП 901-8-10.83 КЖИ-КП2 Каркас пространственный КП2 ТП 901-8-10.83 КЖИ-С11 Сетка арматурная С11 ТП 901-8-10.83 КЖИ-С13 Сетка арматурная С13 ТП 901-8-10.83 КЖИ-КП3 Каркас пространственный КП3 ТП 901-8-10.83 КЖИ-С12 Сетка арматурная С12 ТП 901-8-10.83 КЖИ-С14 Сетка арматурная С14 ТП 901-8-10.83 КЖИ-С15 Сетка арматурная С15 ТП 901-8-10.83 КЖИ-С16 Сетка арматурная С16 ТП 901-8-10.83 КЖИ-КР3 Каркас плоский КР3 ТП 901-8-10.83 КЖИ-С17 Сетка арматурная С17 ТП 901-8-10.83 КЖИ-С25 Сетка арматурная С25 ТП 901-8-10.83 КЖИ-С18 Сетка арматурная С18 ТП 901-8-10.83 КЖИ-С19 Сетка арматурная С19 ТП 901-8-10.83 КЖИ-КП5 Каркас пространственный КП5 ТП 901-8-10.83 КЖИ-С20 Сетка арматурная С20 ТП 901-8-10.83 КЖИ-КП6 Каркас пространственный КП6 ТП 901-8-10.83 КЖИ-С21 Сетка арматурная С21 ТП 901-8-10.83 КЖИ-С23 Сетка арматурная С23 ТП 901-8-10.83 КЖИ-С22 Сетка арматурная С22 ТП 901-8-10.83 КЖИ-КП7 Каркас пространственный КП7 ТП 901-8-10.83 КЖИ-КП9 Каркас пространственный КП9 ТП 901-8-10.83 КЖИ-С24 Сетка арматурная С24 ТП 901-8-10.83 КЖИ-ПС-1-СБ Панель стеновая ПС-1 СБ ТП 901-8-10.83 КЖИ-ПС-1 Панель стеновая ПС-1 ТП 901-8-10.83 КЖИ-ПС-2-СБ Панель стеновая ПС-2 СБ ТП 901-8-10.83 КЖИ-ПС-2 Панель стеновая ПС-2 ТП 901-8-10.83 КЖИ-ПС-2-ВС Панель стеновая ПС-2 ТП 901-8-10.83 КЖИ-ЛТ1-СБ Лоток ЛТ1 ТП 901-8-10.83 КЖИ-Л1 Лоток Л1 ТП 901-8-10.83 КЖИ-ЛТ2 Лоток ЛТ2 ТП 901-8-10.83 КЖИ-ПГ1 Плита перекрытия ПГ1 ТП 901-8-10.83 КЖИ-ПГ2 Плита перекрытия ПГ2 ТП 901-8-10.83 КЖИ-ПГ3 Плита перекрытия ПГ3 ТП 901-8-10.83 КЖИ-ПГ4 Плита перекрытия ПГ4 ТП 901-8-10.83 КЖИ-ПГ5 Плита перекрытия ПГ5 ТП 901-8-10.83 КЖИ-ПГ6 Плита перекрытия ПГ6 ТП 901-8-10.83 КЖИ-ПГ7 Плита перекрытия ПГ7 ТП 901-8-10.83 КЖИ-ПГ8 Плита перекрытия ПГ8 ТП 901-8-10.83 КЖИ-ПГ9 Плита перекрытия ПГ9 ТП 901-8-10.83 КЖИ-Б1 Балка Б1 ТП 901-8-10.83 КЖИ-Б2 Балка Б2 ТП 901-8-10.83 КЖИ-Б3 Балка Б3 ТП 901-8-10.83 КЖИ-Б4 Балка Б4 ТП 901-8-10.83 КЖИ-Б5 Балка Б5 ТП 901-8-10.83 КЖИ-Р1 Ригель Р1 ТП 901-8-10.83 КЖИ-Р2 Ригель Р2 ТП 901-8-10.83 КЖИ-Р3 Ригель Р3 ТП 901-8-10.83 КЖИ-Р; Ригель Р4 ТП 901-8-10.83 КЖИ-К1 Колонна К1 ТП 901-8-10.83 КЖИ-К2 Колонна К2 ТП 901-8-10.83 КЖИ-К4 Колонна К4 ТП 901-8-10.83 КЖИ-К5 Колонна К5 ТП 901-8-10.83 КЖИ-К7 Колонна К7 ТП 901-8-10.83 КЖИ-К9 Колонна К9 ТП 901-8-10.83 КЖИ-К10 Колонна К10 ТП 901-8-10.83 КЖИ-К11 Колонна К11 ТП 901-8-10.83 КЖИ-К12 Колонна К12 ТП 901-8-10.83 КЖИ-К13 Колонна К13 ТП 901-8-10.83 КЖИ-К14 Колонна К14 ТП 901-8-10.83 КЖИ-К15 Колонна К15 ТП 901-8-10.83 КЖИ-К17 Колонна К17 ТП 901-8-10.83 КЖИ-К18 Колонна К18 ТП 901-8-10.83 КЖИ-К20 Колонна К20 ТП 901-8-10.83 КЖИ-Д1 Диафрагма Д1 ТП 901-8-10.83 КЖИ-Д2 Диафрагма Д2 ТП 901-8-10.83 КЖИ-РМ1 Рама металлическая РМ1 ТП 901-8-10.83 КЖИ-РМ2 Рама металлическая РМ2 ТП 901-8-10.83 КЖИ-Щ1 Металлический съемный щит Щ1 ТП 901-8-10.83 КЖИ-Щ2 Металлический съемный щит Щ1 ТП 901-8-10.83 КЖИ-МС1 Соединительный элемент МС1 ТП 901-8-10.83 КЖИ-МС2 Соединительный элемент МС2 ТП 901-8-10.83 КЖИ-МС3 Соединительный элемент МС3 ТП 901-8-10.83 КЖИ-КР1 Каркас плоский КР1 ТП 901-8-10.83 КЖИ-КР2 Каркас плоский КР2 |
| Разработан: | ЦНИИЭП |
| Утверждён: | 22.07.1981 Госгражданстрой (Gosgrazhdanstroy 219) |











































































