Скачать Типовой проект 901-8-12.83 Альбом IV. Задания заводам-изготовителям на низковольтные комплектные устройства и щит автоматизацииДата актуализации: 01.01.2021
|
| Обозначение: | Типовой проект 901-8-12.83 |
| Обозначение англ: | 901-8-12.83 |
| Статус: | не определен законодательством |
| Название рус.: | Альбом IV. Задания заводам-изготовителям на низковольтные комплектные устройства и щит автоматизации |
| Дата добавления в базу: | 01.09.2013 |
| Дата актуализации: | 01.01.2021 |
| Дата введения: | 17.12.1982 |
| Дата окончания срока действия: | 30.06.2003 |
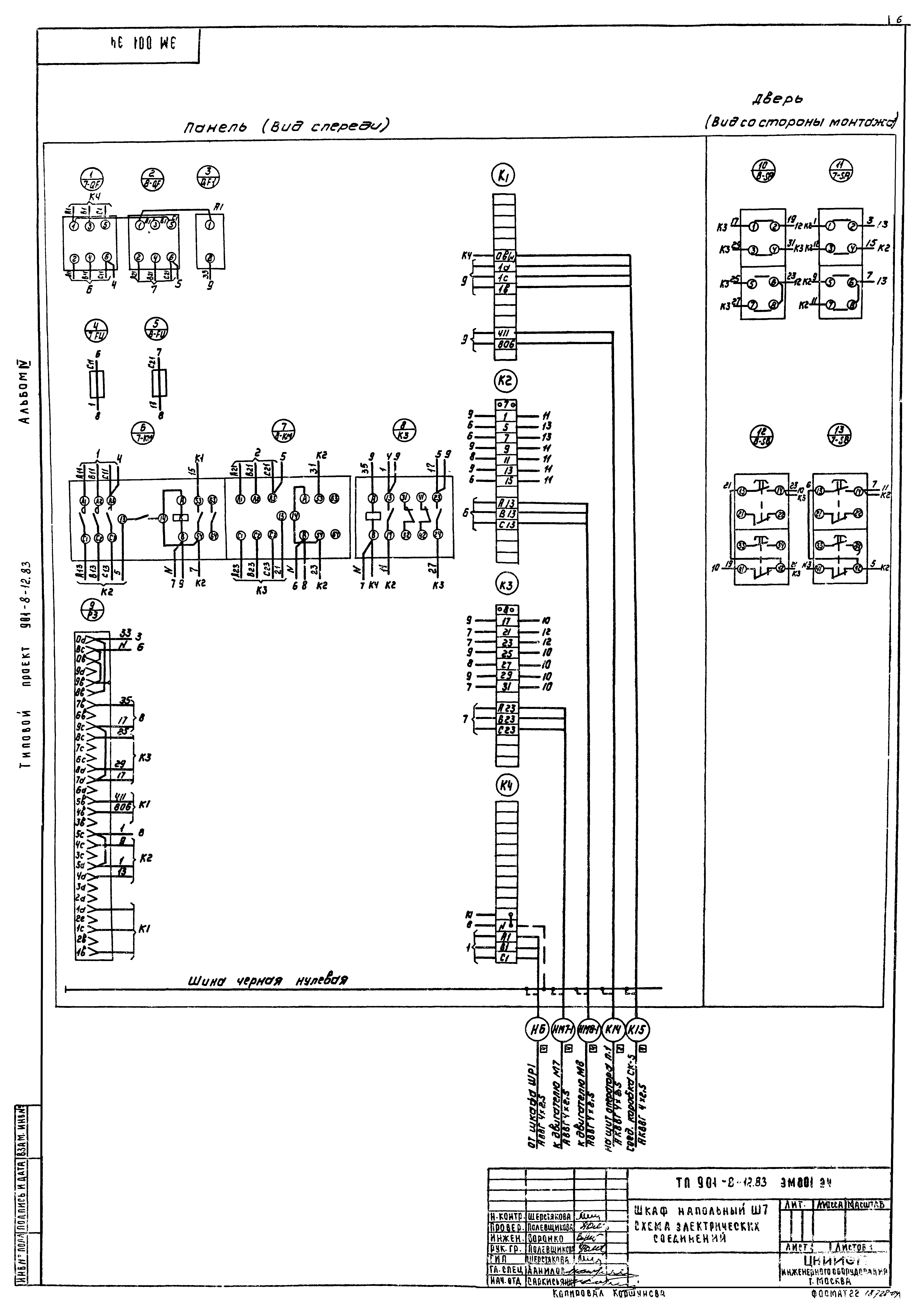
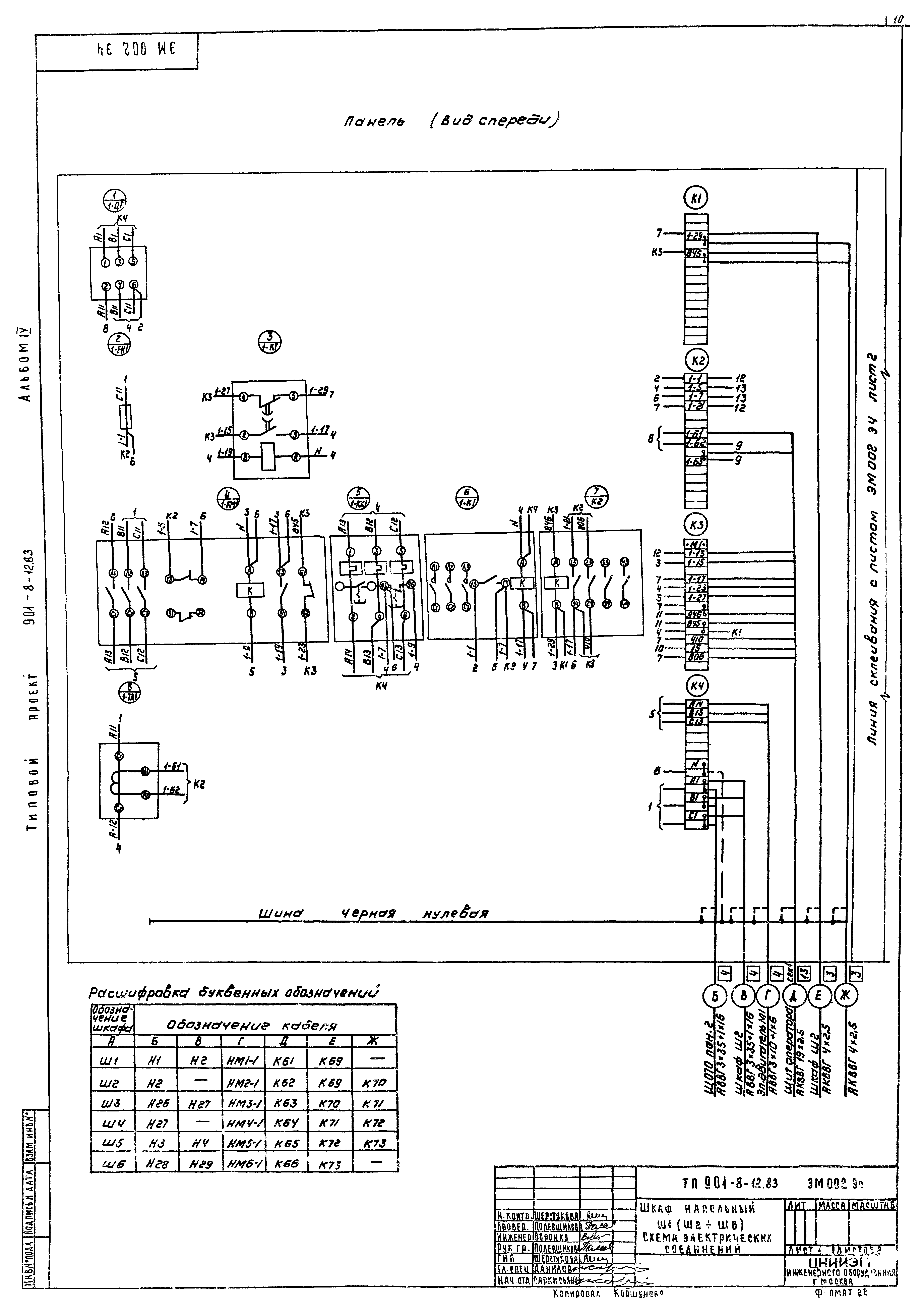
| Оглавление: | ТП 901-8-10.83 ЭМ001ВС Шкаф напольный Ш7. Технические данные аппаратов ТП 901-8-10.83 ЭМ001ВО Шкаф напольный Ш7. Чертеж общего вида ТП 901-8-10.83 ЭМ001ЭЧ Шкаф напольный Ш7. Схема электрических соединений ТП 901-8-10.83 ЭМ001ТБ Шкаф напольный Ш7. Таблица перечня надписей ТП 901-8-10.83 ЭМ002ВС Шкаф напольный Ш1(Ш2-Ш6). Технические данные аппаратов ТП 901-8-10.83 ЭМ002ВО Шкаф напольный Ш1(Ш2-Ш6). Чертеж общего вида ТП 901-8-10.83 ЭМ002ЭЧ Шкаф напольный Ш1(Ш2-Ш6). Схема электрических соединений ТП 901-8-10.83 ЭМ002ТБ Шкаф напольный Ш1(Ш2-Ш6). Таблица перечня надписей ТП 901-8-10.83 ЭМ003ВС Шкаф напольный ШУ-1;ШУ-2. Технические данные аппаратов ТП 901-8-10.83 ЭМ003ВО Шкаф напольный ШУ-1;ШУ-2. Чертеж общего вида ТП 901-8-10.83 ЭМ003ЭЧ Шкаф напольный ШУ-1;ШУ-2. Схема электрических соединений ТП 901-8-10.83 ЭМ003ТБ Шкаф напольный ШУ-1;ШУ-2. Таблица перечня надписей ТП 901-8-12.83 А001 Заказная спецификация щитов и электроаппаратуры, поставляемой комплектно со щитами ТП 901-8-12.83 А002 Щит оператора. Общий вид ТП 901-8-12.83 А003 Щит оператора. Соединения проводок ТП 901-8-12.83 А004 Щит оператора. Подключения проводок ТП 901-8-12.83 А005 Щит автоматизации. Общий вид ТП 901-8-12.83 А006 Щит автоматизации. Соединения проводок ТП 901-8-12.83 А007 Щит автоматизации. Подключения проводок |
| Разработан: | ЦНИИЭП |
| Утверждён: | 22.07.1981 Госгражданстрой (Gosgrazhdanstroy 219) |



























