Скачать Типовой проект 901-9-15.84 Альбом VIII. СметыДата актуализации: 01.01.2021
|
| Обозначение: | Типовой проект 901-9-15.84 |
| Обозначение англ: | 901-9-15.84 |
| Статус: | не определен законодательством |
| Название рус.: | Альбом VIII. Сметы |
| Дата добавления в базу: | 01.09.2013 |
| Дата актуализации: | 01.01.2021 |
| Дата введения: | 14.12.1984 |
| Дата окончания срока действия: | 30.06.2003 |
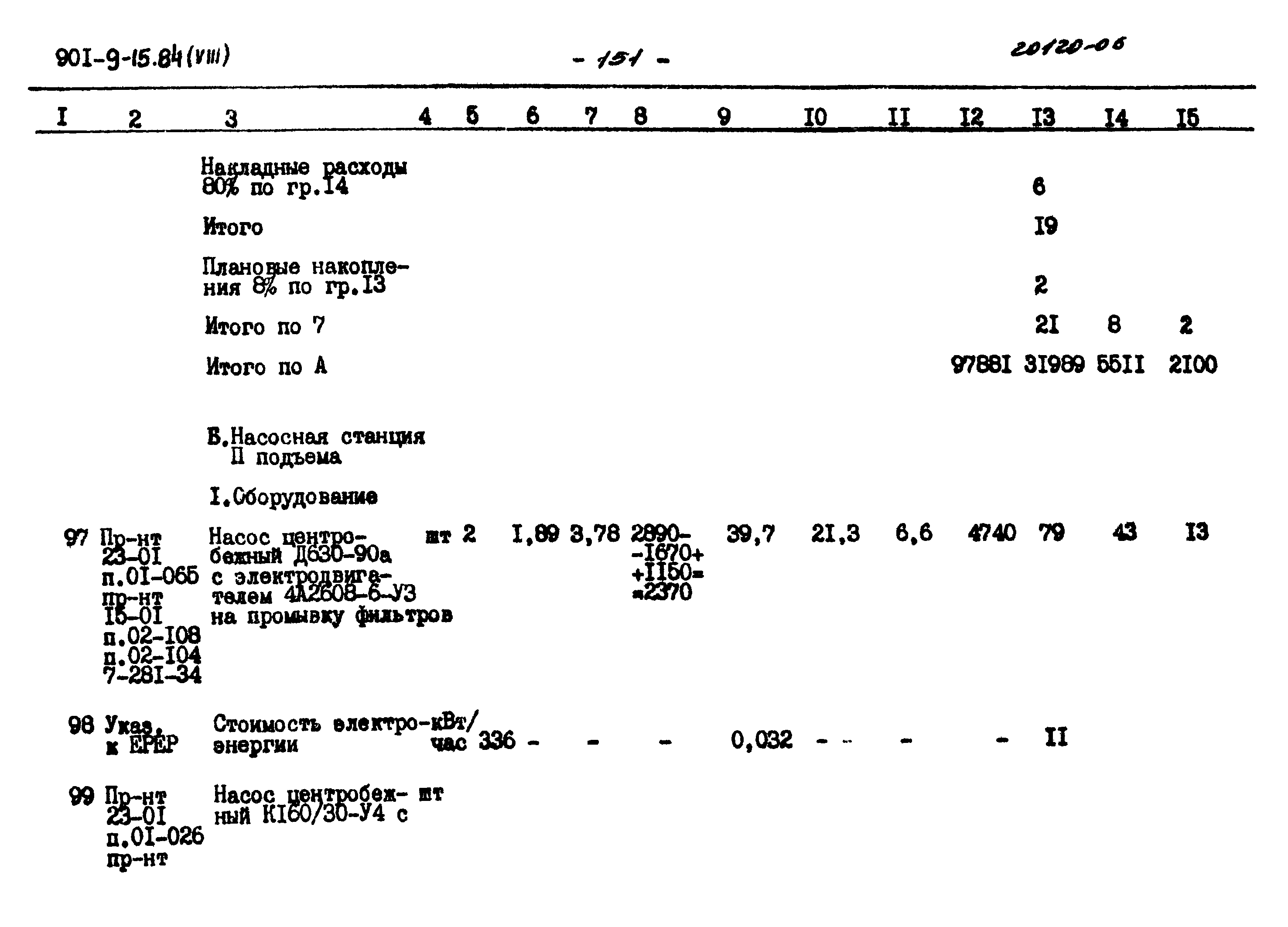
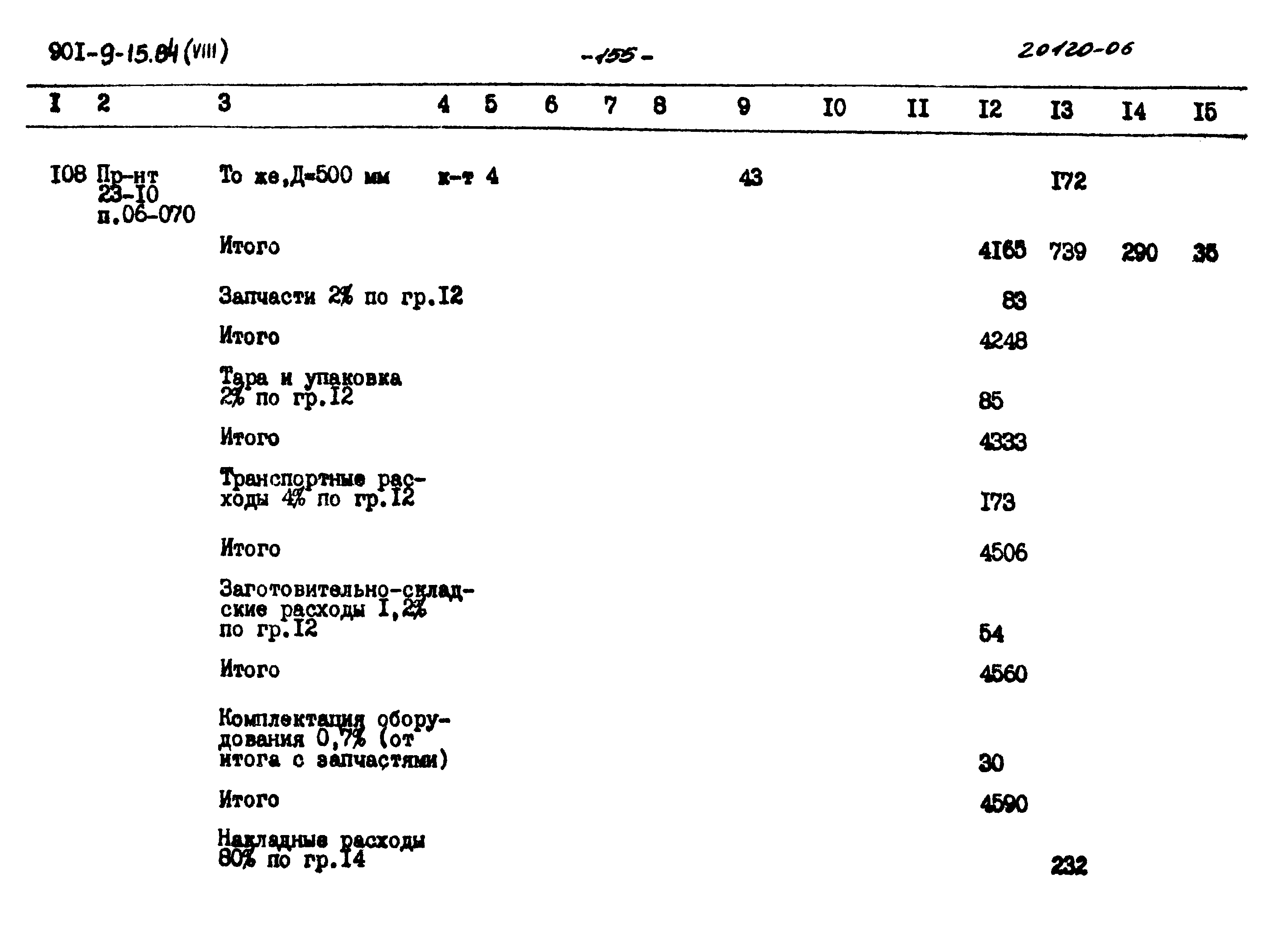
| Оглавление: | ТП 901-9-15.84 Пояснительная записка ТП 901-9-15.84 Объектная смета на строительство блока напорных фильтров и насосной станции 2 подъема в составе станции очистки речной воды производительностью 12,0 тыс.м³ в сут для производственных целей ТП 901-9-15.84 Локальная смета № 1 - на общестроительные работы производственной части ТП 901-9-15.84 Локальная смета № 2 - на общестроительные работы бытовых помещений ТП 901-9-15.84 Локальная смета № 3 - на особостроительные работы производственной части ТП 901-9-15.84 Локальная смета № 4 - на особостроительные работы бытовых помещений ТП 901-9-15.84 Локальная смета № 5 - на теплоснабжение установки A1-A7 производственной части ТП 901-9-15.84 Локальная смета № 6 - на вентиляцию производственной части ТП 901-9-15.84 Локальная смета № 7 - на отопление бытовых помещений ТП 901-9-15.84 Локальная смета № 8 - на вентиляцию бытовых помещений ТП 901-9-15.84 Локальная смета № 9 - на теплоснабжение установки П-1 бытовых помещений ТП 901-9-15.84 Локальная смета № 10 - на узел управления бытовых помещений ТП 901-9-15.84 Локальная смета № 11 - на горячее водоснабжение бытовых помещений ТП 901-9-15.84 Локальная смета № 12 - на водопровод бытовых помещений ТП 901-9-15.84 Локальная смета № 13 - на канализацию бытовых помещений ТП 901-9-15.84 Локальная смета № 14 - на оборудование и технологические трубопроводы фильтровального зала и насосной станции ТП 901-9-15.84 Локальная смета № 15 - на оборудование механической мастерской ТП 901-9-15.84 Локальная смета № 16 - на оборудование лаборатории ТП 901-9-15.84 Локальная смета № 17 - на оборудование гардеробной ТП 901-9-15.84 Локальная смета № 18 - на хозинвентарь ТП 901-9-15.84 Локальная смета № 19 - на производственный инвентарь ТП 901-9-15.84 Локальная смета № 20 - на трубопровод промывной воды ТП 901-9-15.84 Локальная смета №21 - на электросиловое оборудование ТП 901-9-15.84 Локальная смета № 22 - на электроосвещение ТП 901-9-15.84 Локальная смета № 23 - на КИП и средства автоматизации ТП 901-9-15.84 Ведомость потребности в производственных ресурсах |
| Разработан: | Харьковский Водоканалпроект |
| Утверждён: | 17.11.1982 Главпромстройпроект Госстроя СССР (19/5-5004) |







































































































































































































































