Скачать Типовой проект 903-1-244.87 Альбом 11. Автоматизация. Схемы функциональныеДата актуализации: 01.01.2021
|
| Обозначение: | Типовой проект 903-1-244.87 |
| Обозначение англ: | 903-1-244.87 |
| Статус: | не определен законодательством |
| Название рус.: | Альбом 11. Автоматизация. Схемы функциональные |
| Дата добавления в базу: | 01.09.2013 |
| Дата актуализации: | 01.01.2021 |
| Дата введения: | 17.04.1987 |
| Дата окончания срока действия: | 30.06.2003 |
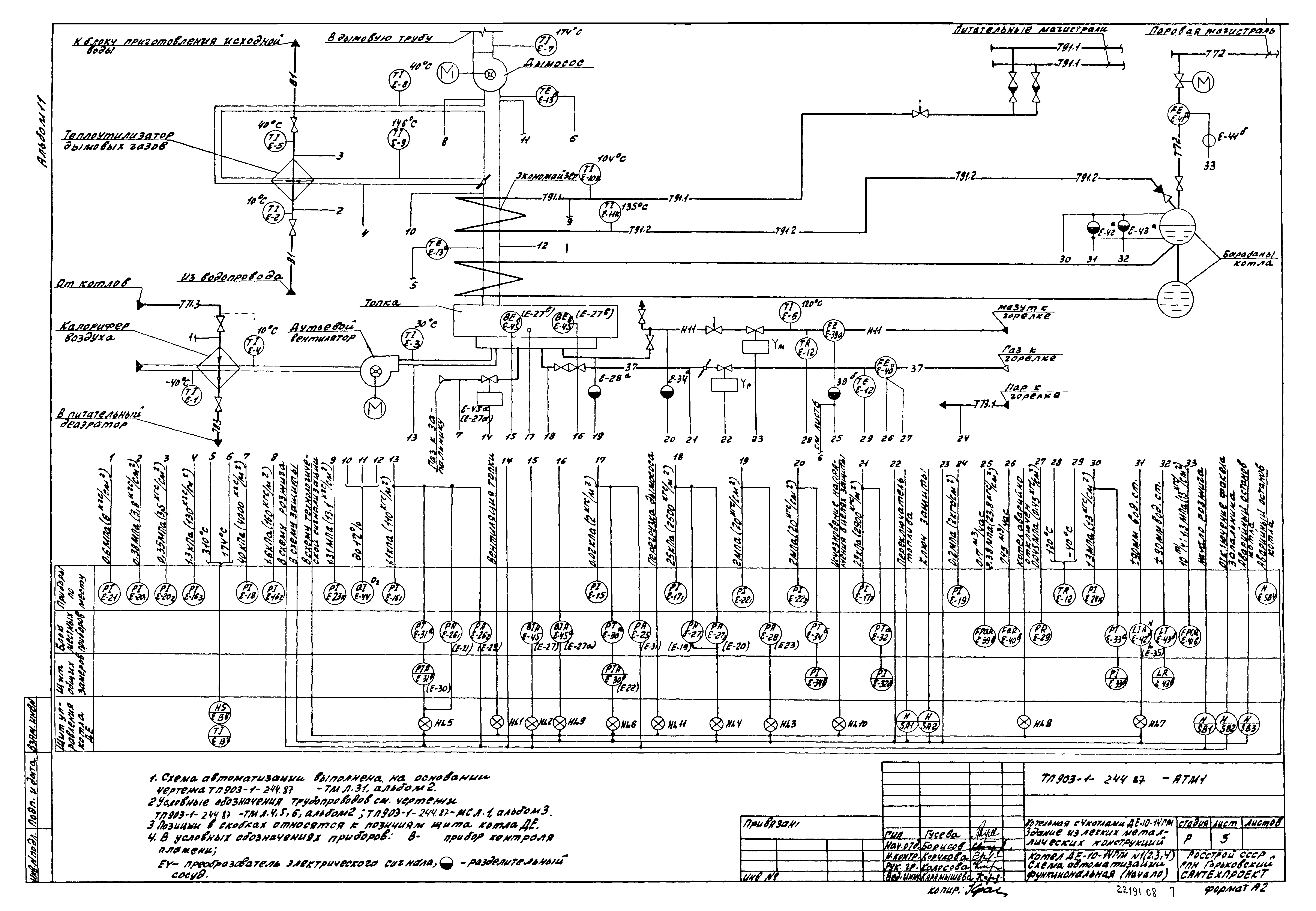
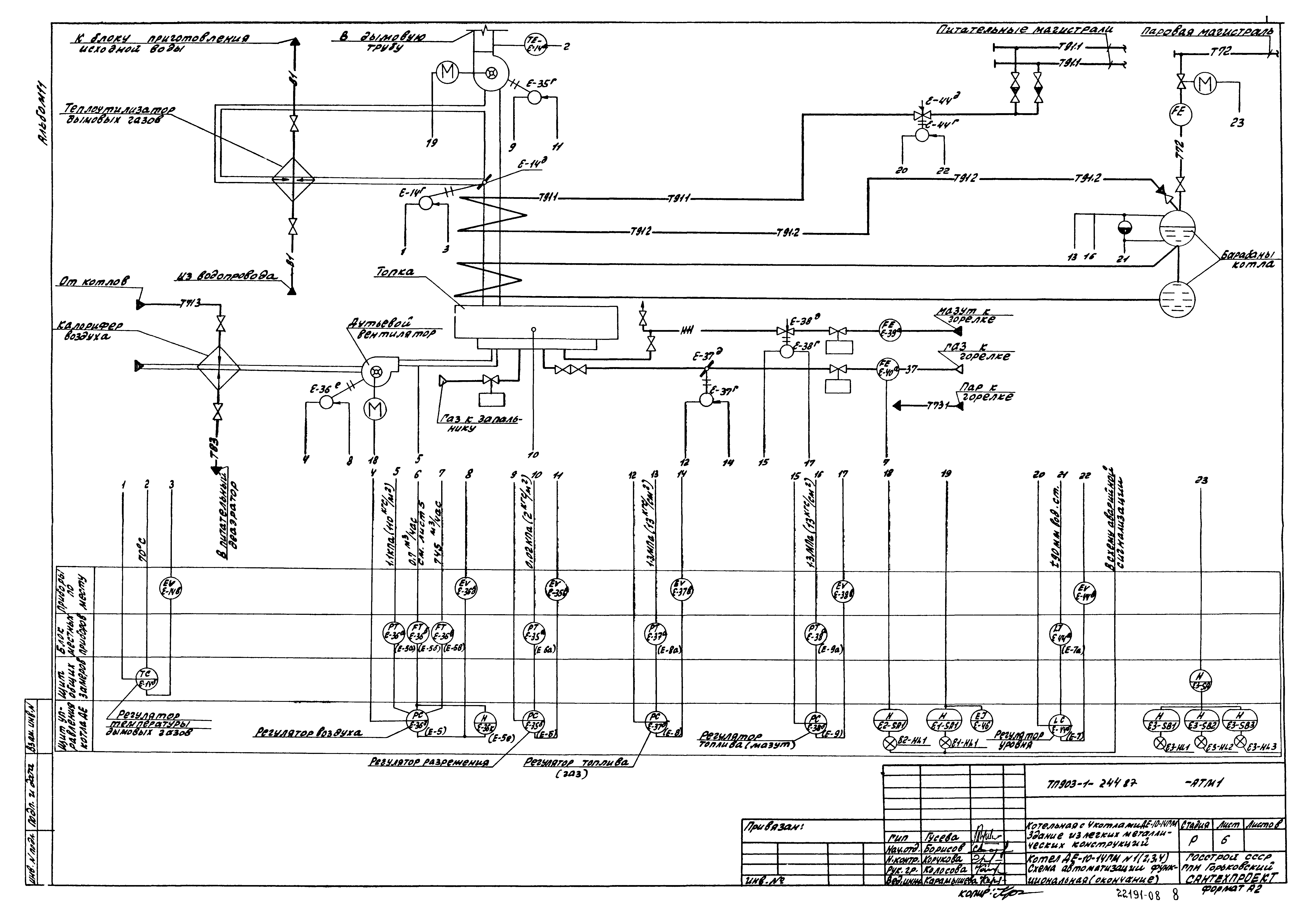
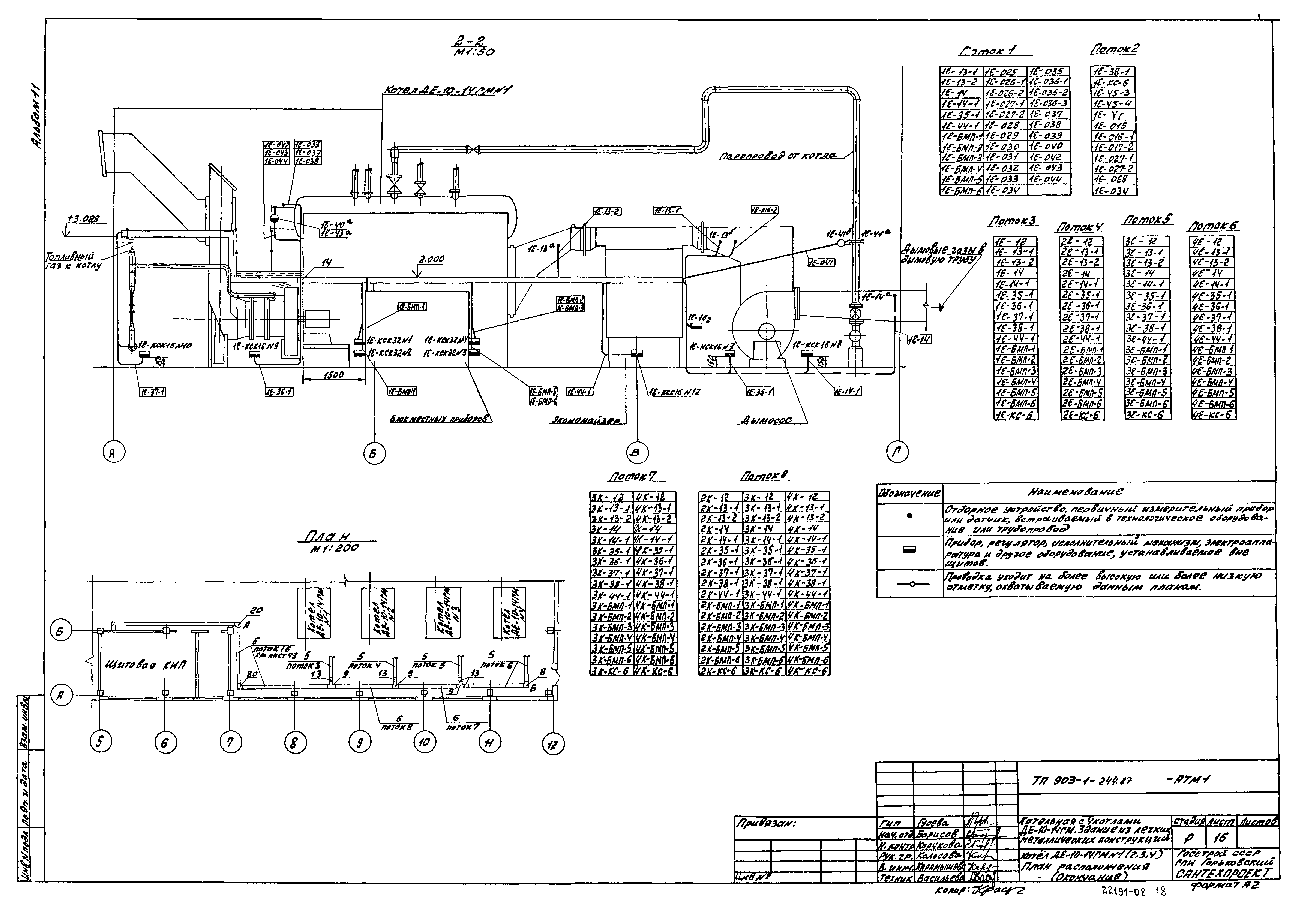
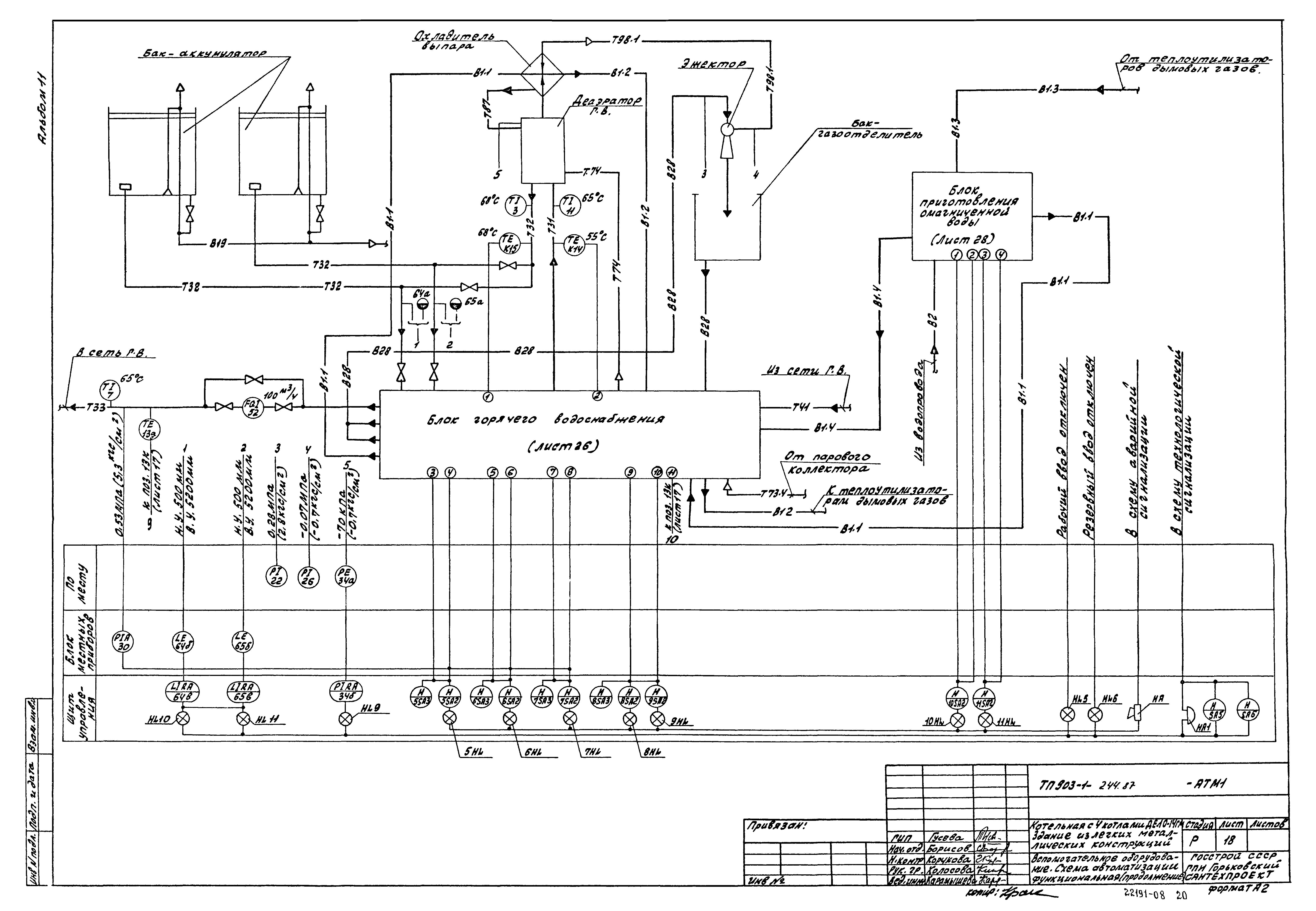
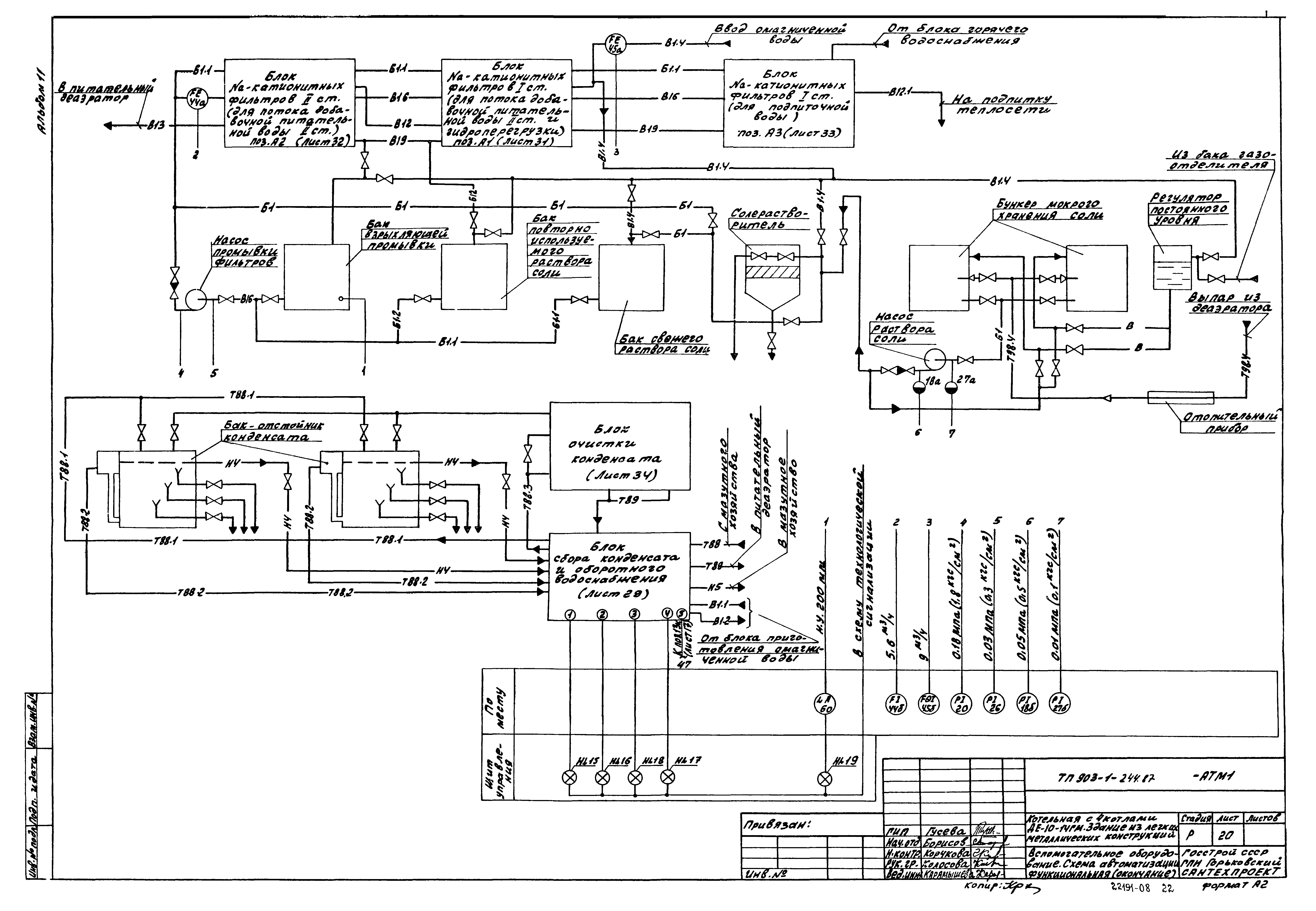
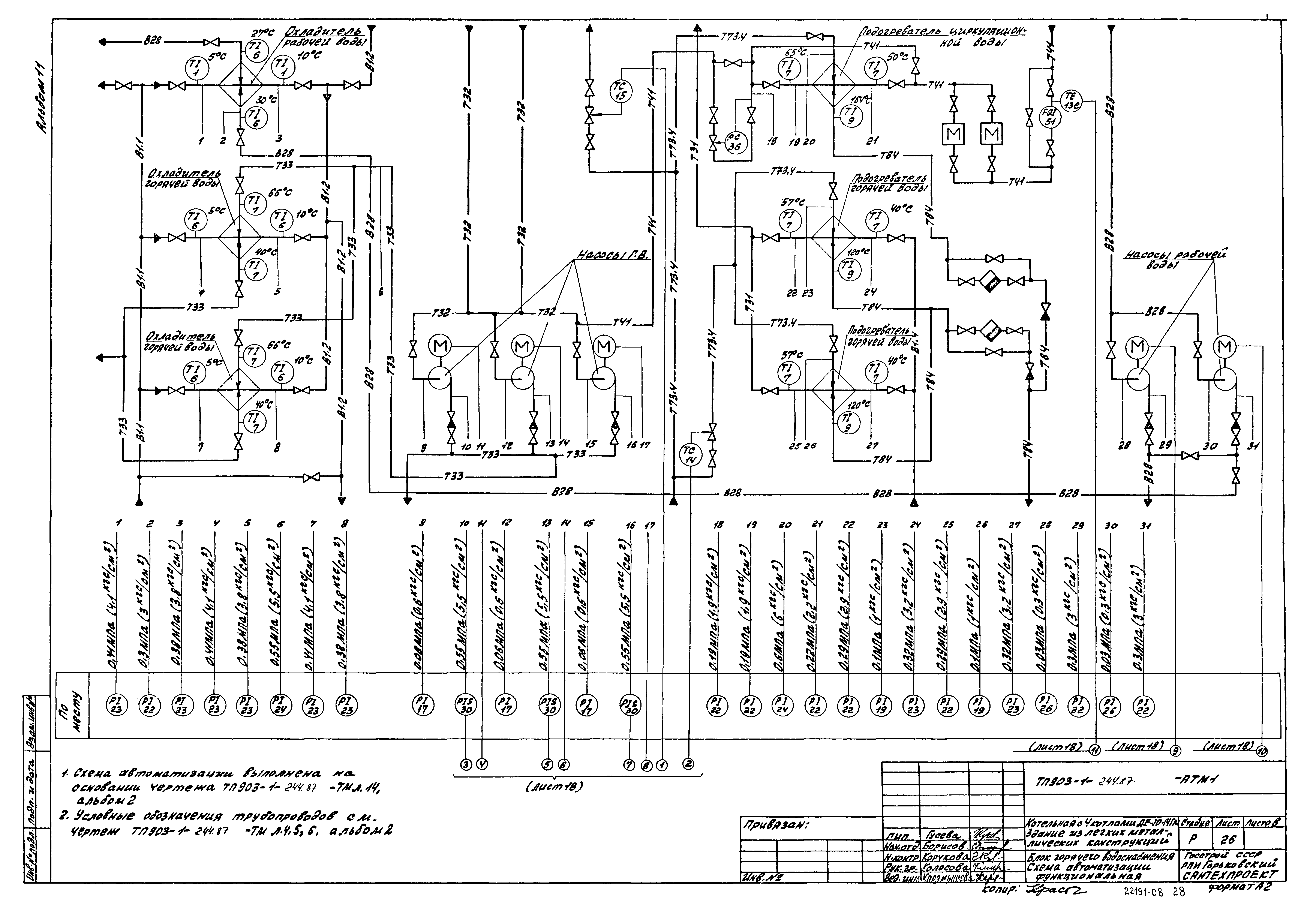
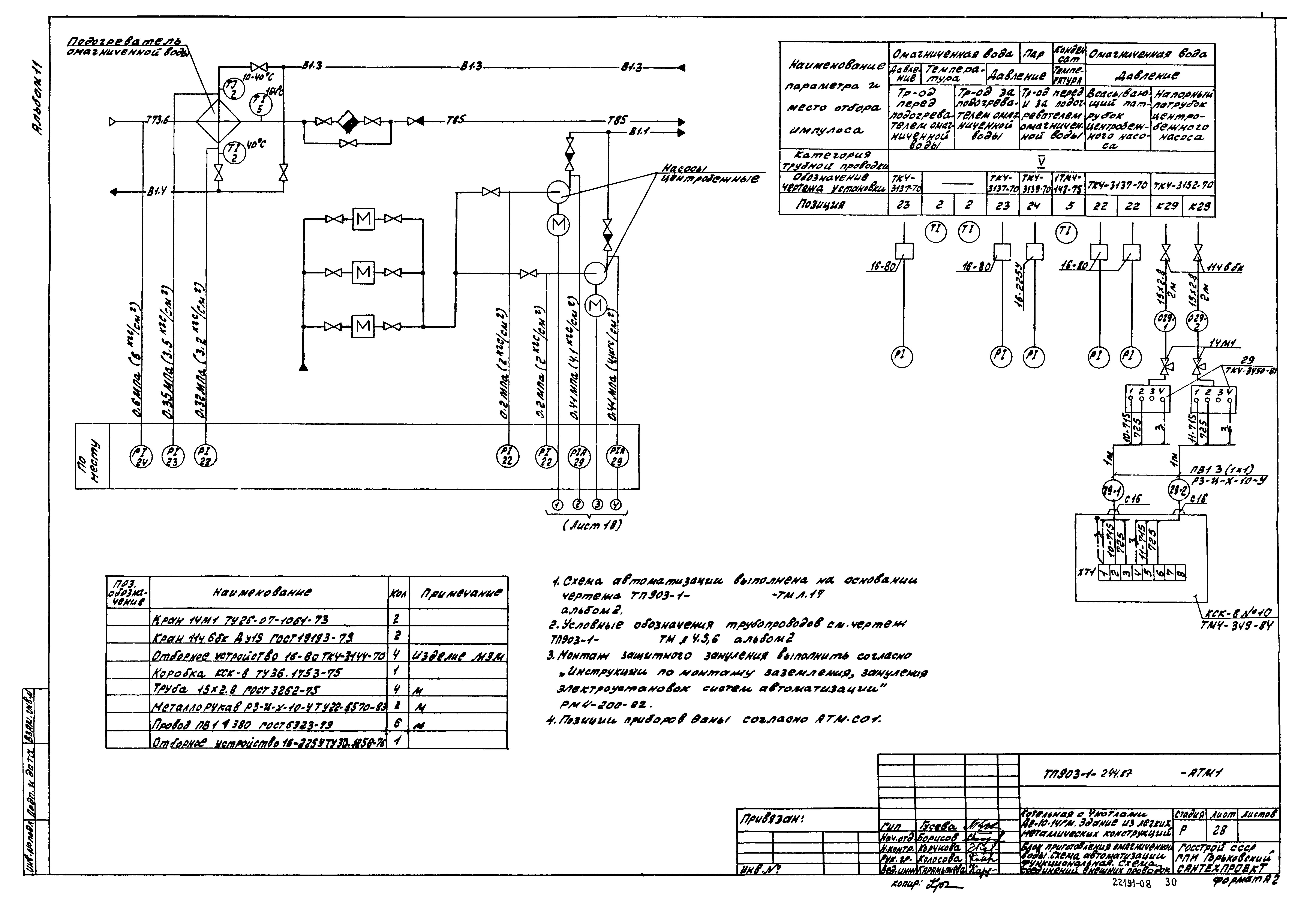
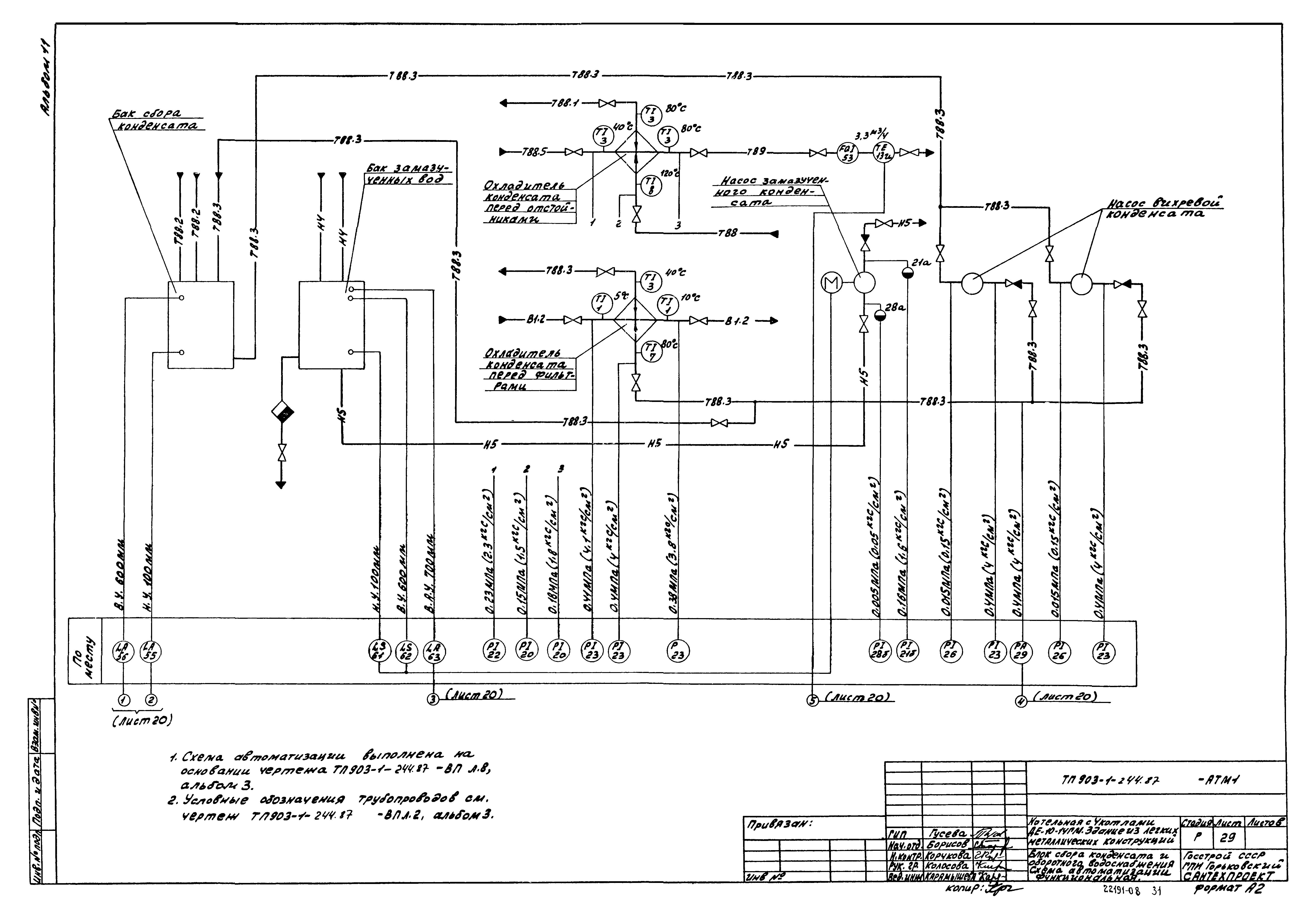
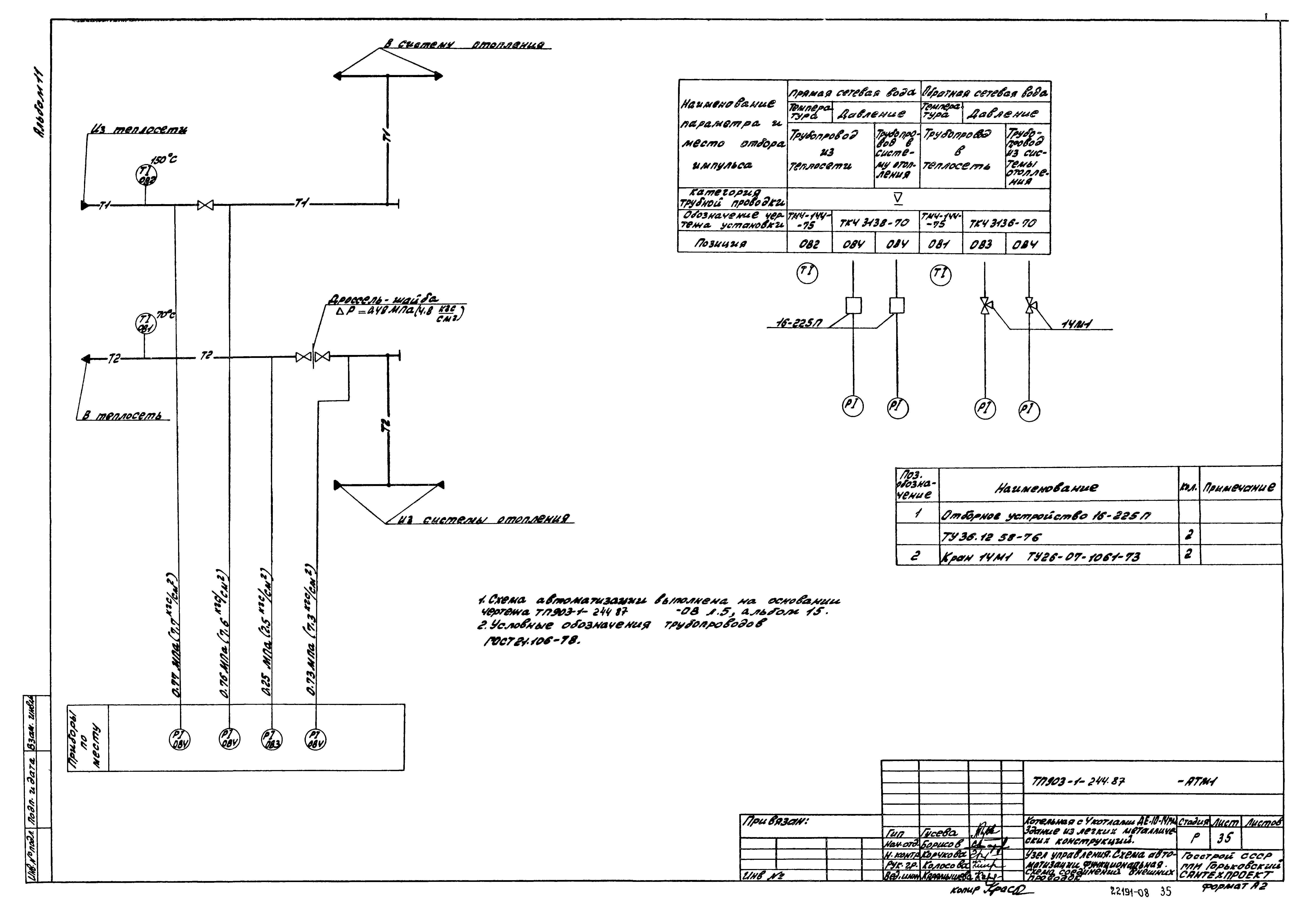
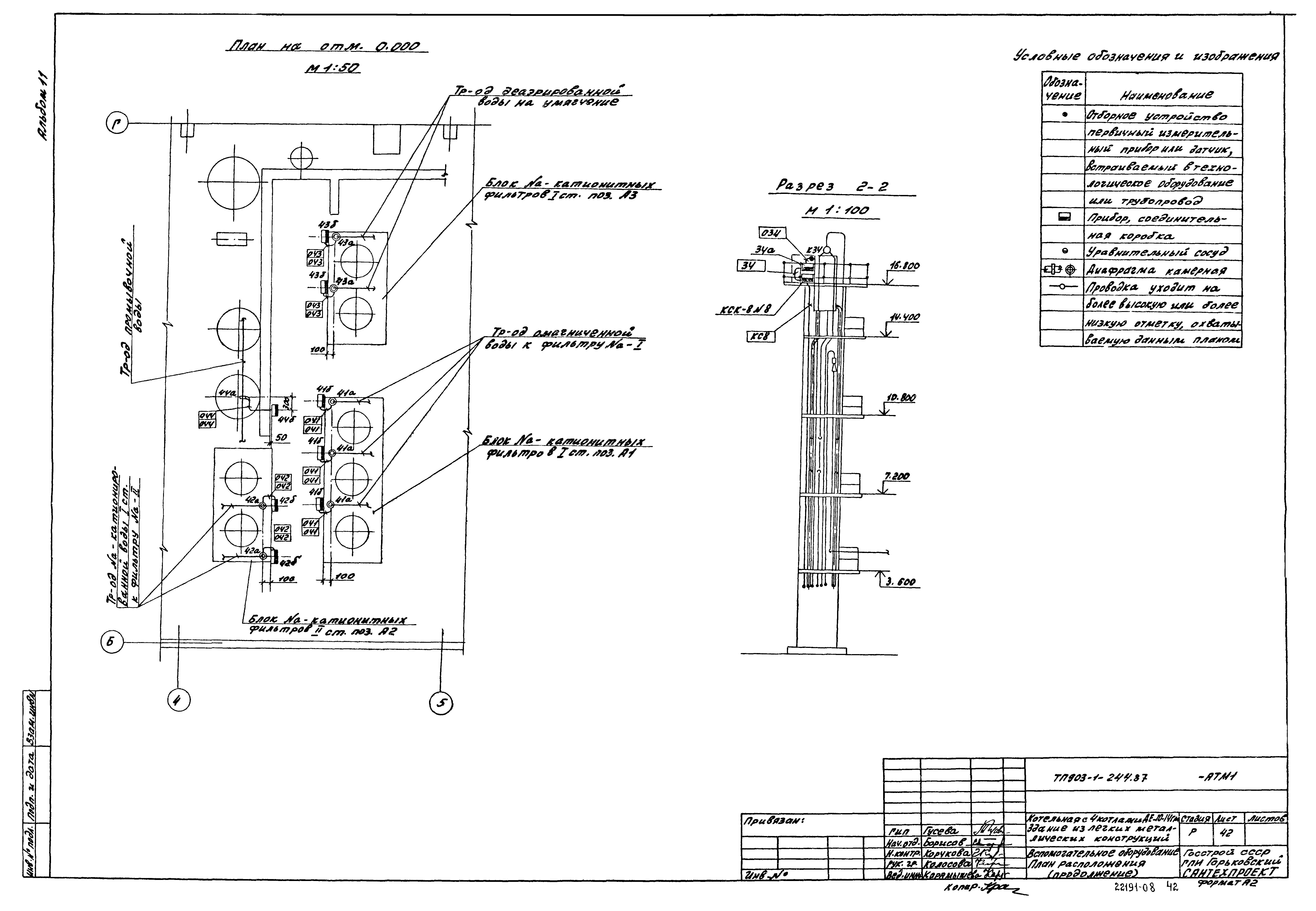
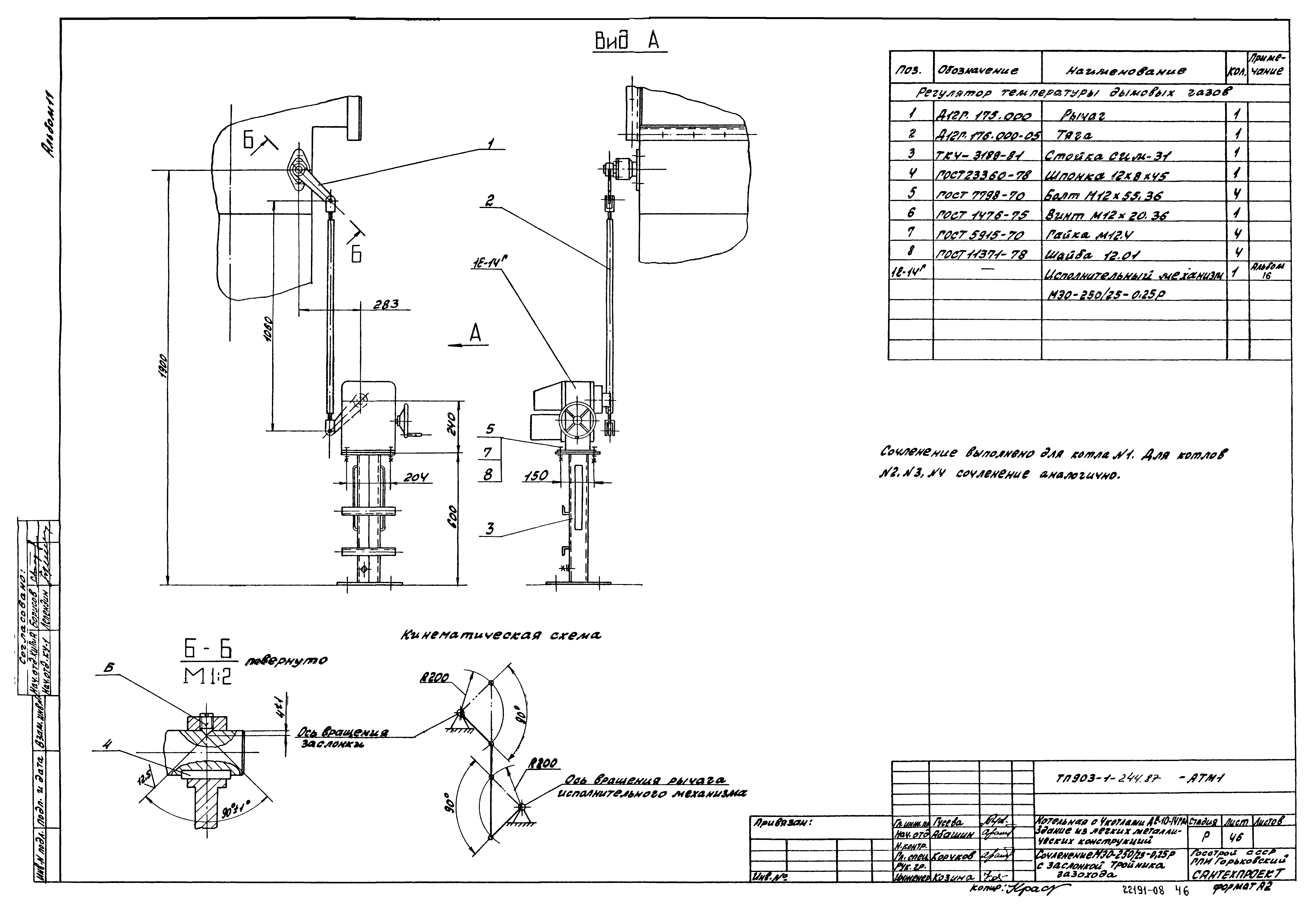
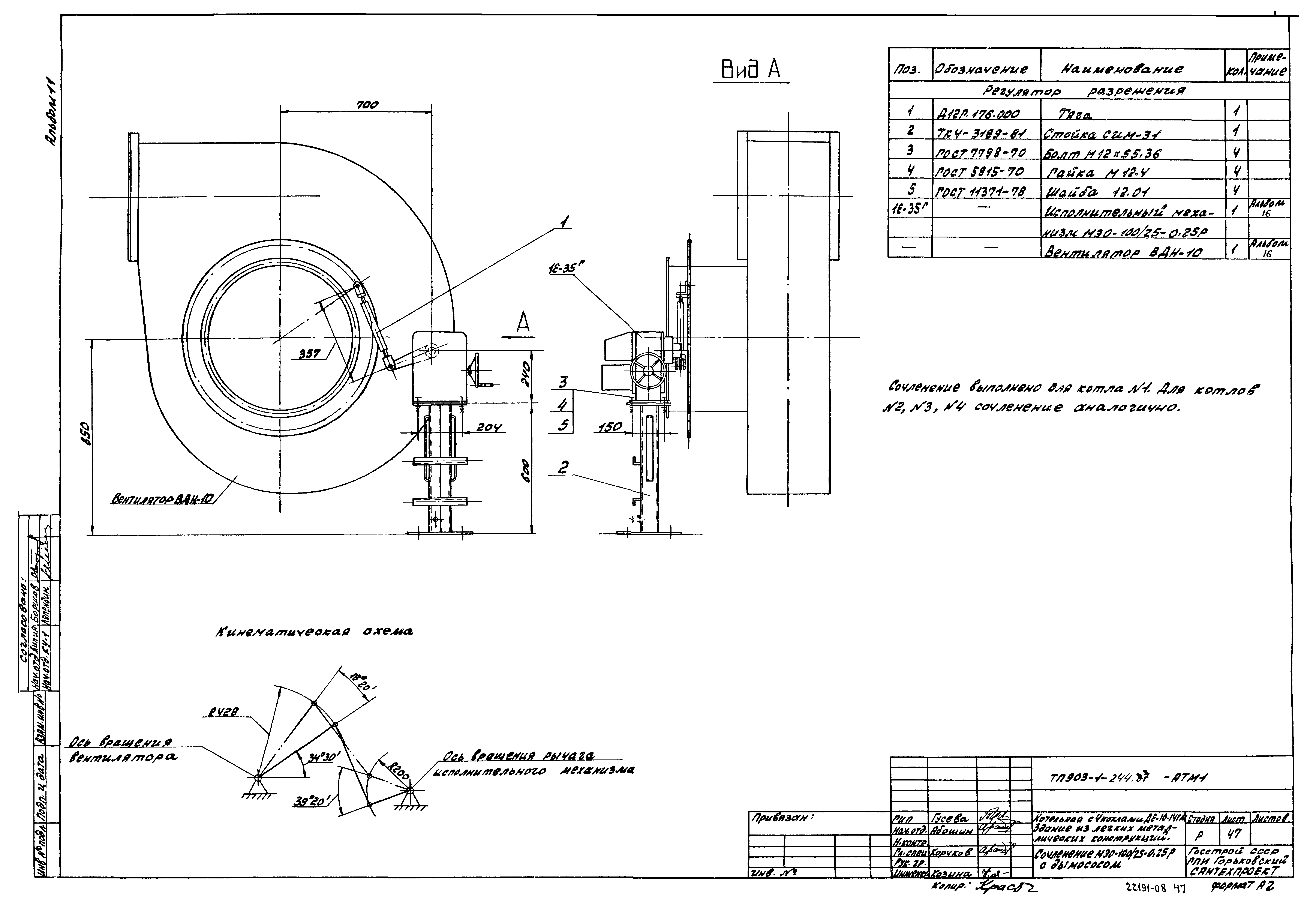
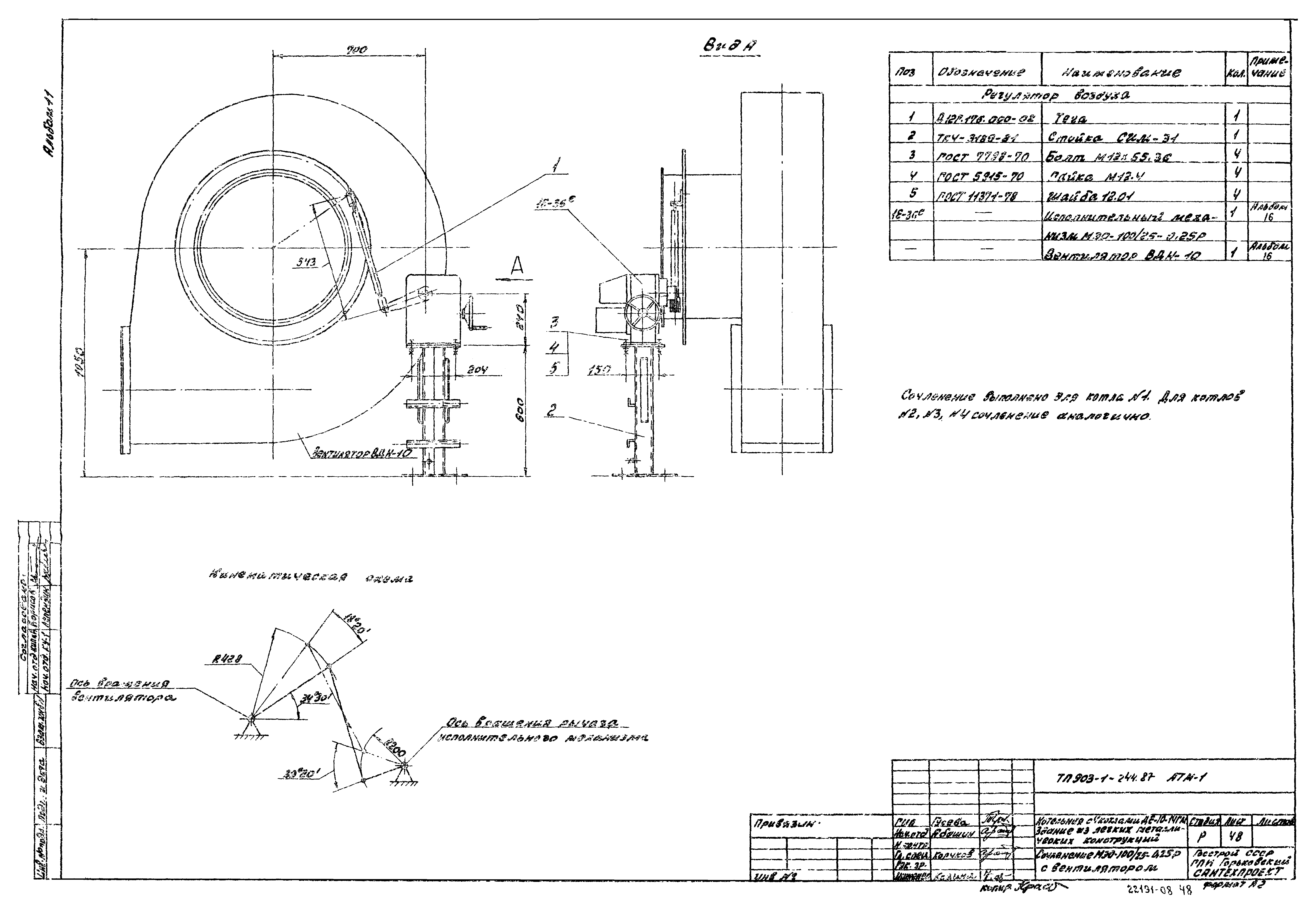
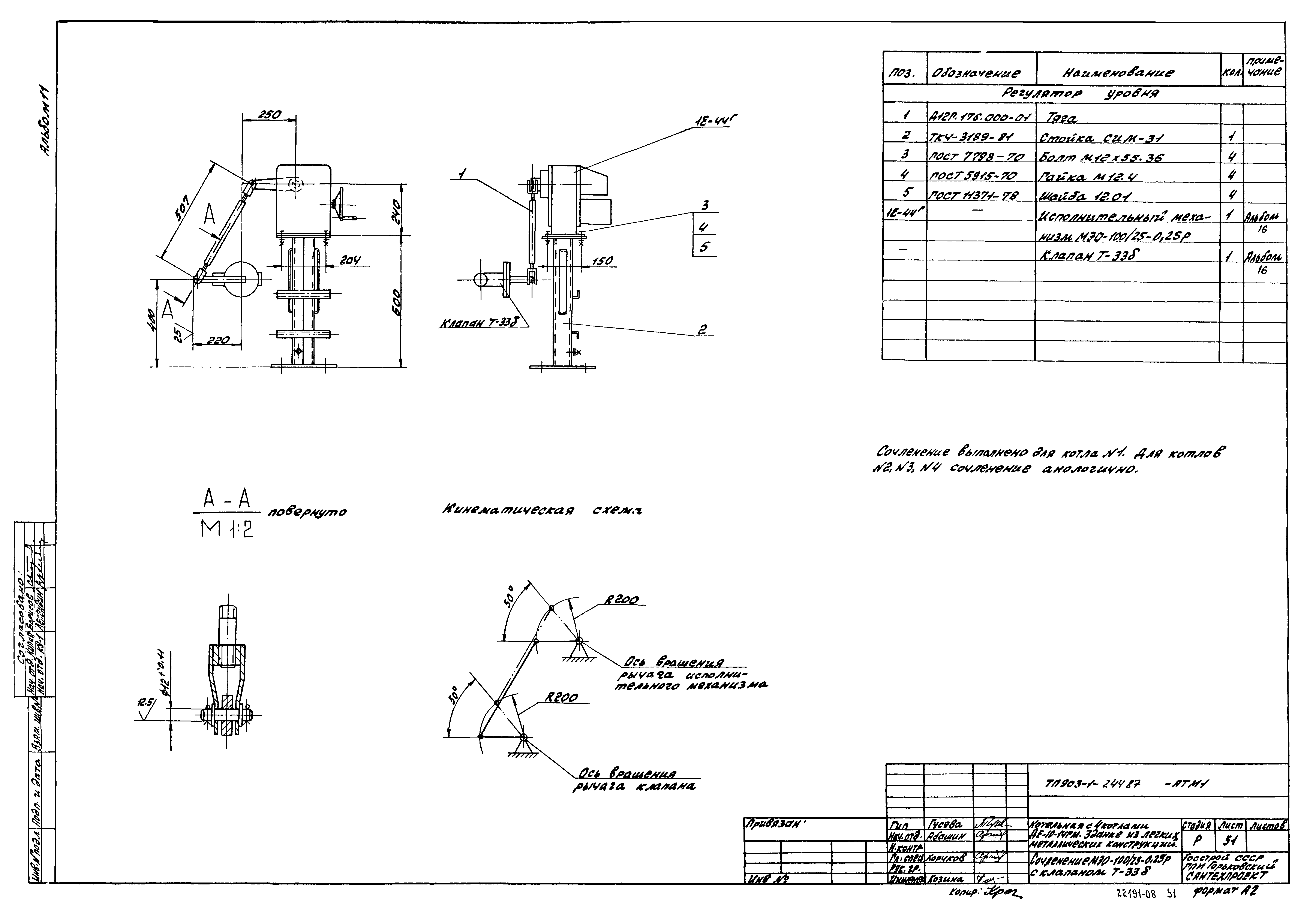
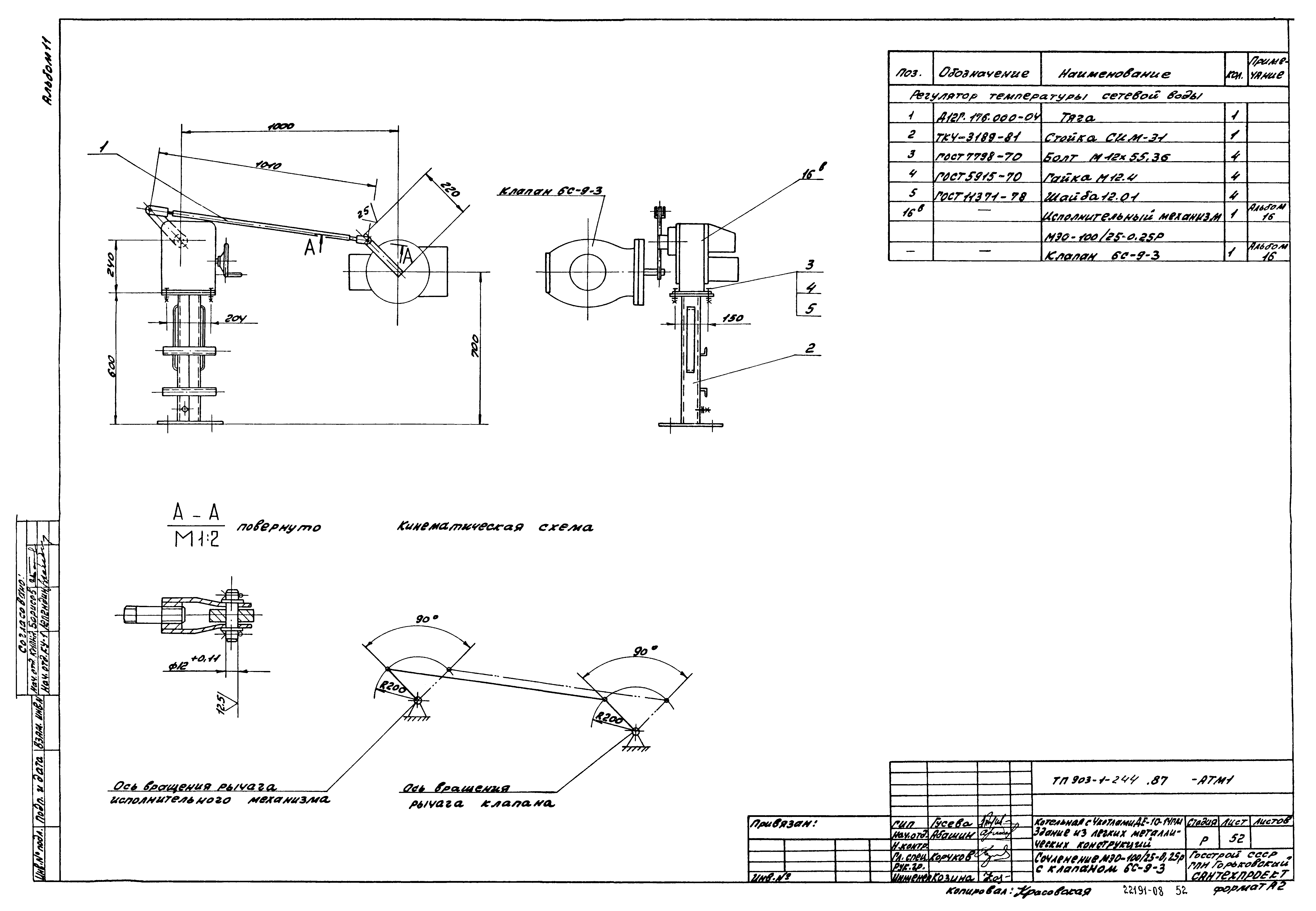
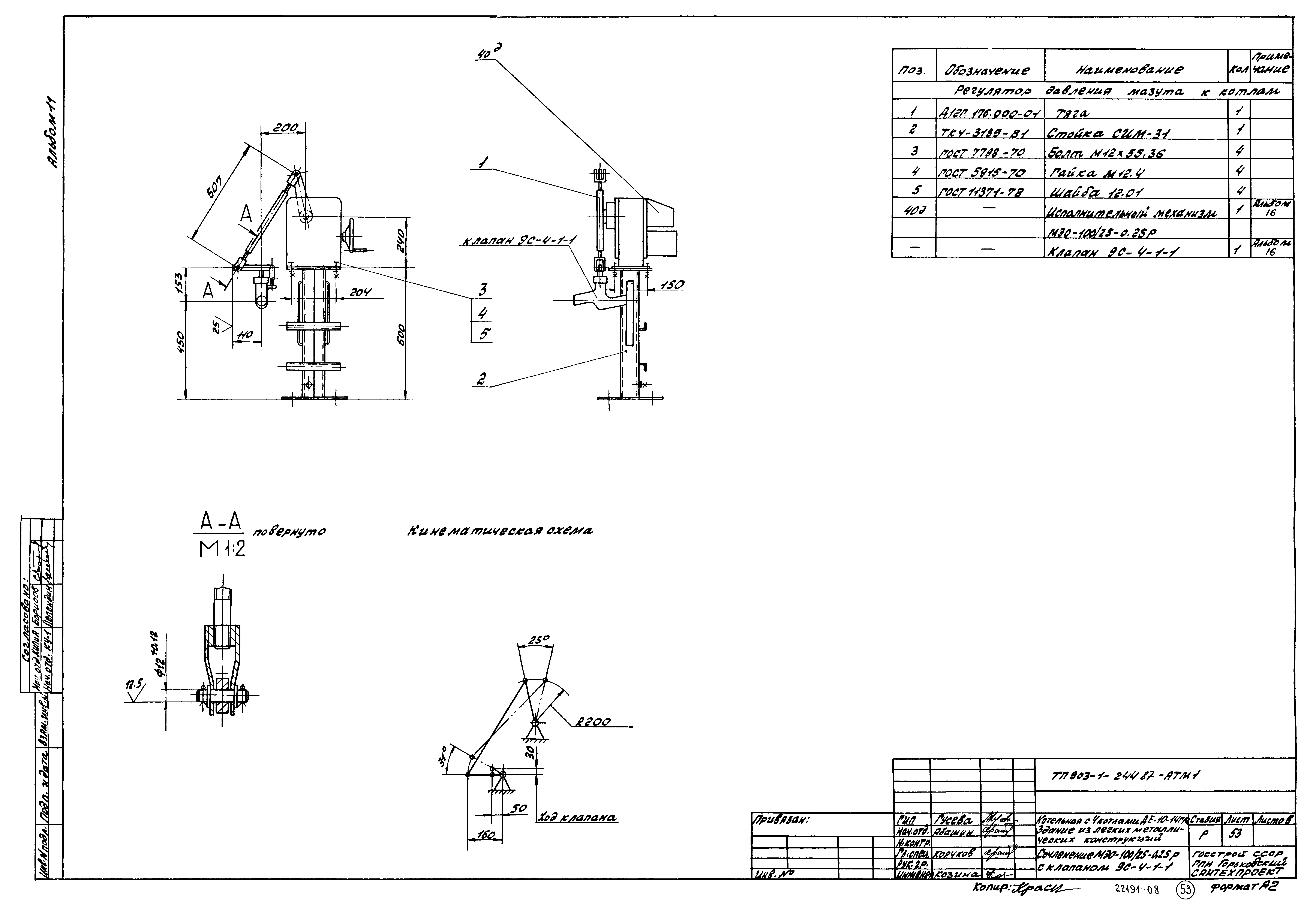
| Оглавление: | ТП 903-1-244.87-АТМ1 Титульный лист ТП 903-1-244.87-АТМ1-1 Общие данные (начало) ТП 903-1-244.87-АТМ1-2 Общие данные (продолжение) ТП 903-1-244.87-АТМ1-3 Общие данные (продолжение) ТП 903-1-244.87-АТМ1-4 Общие данные (окончание) ТП 903-1-244.87-АТМ1-5 Котел ДЕ-10-14ГМ №1(2,3,4). Схема автоматизации функциональная (начало) ТП 903-1-244.87-АТМ1-6 Котел ДЕ-10-14ГМ №1(2,3,4). Схема автоматизации функциональная (окончание) ТП 903-1-244.87-АТМ1-7 Котел ДЕ-10-14ГМ №1(2,3,4). Щит котла ДЕ. Щит общих замеров. Схемы подключения ТП 903-1-244.87-АТМ1-8 Котел ДЕ-10-14ГМ №1(2,3,4). Схема соединений внешних проводок (начало) ТП 903-1-244.87-АТМ1-9 Котел ДЕ-10-14ГМ №1(2,3,4). Схема соединений внешних проводок (продолжение) ТП 903-1-244.87-АТМ1-10 Котел ДЕ-10-14ГМ №1(2,3,4). Схема соединений внешних проводок (продолжение) ТП 903-1-244.87-АТМ1-11 Котел ДЕ-10-14ГМ №1(2,3,4). Схема соединений внешних проводок (продолжение) ТП 903-1-244.87-АТМ1-12 Котел ДЕ-10-14ГМ №1(2,3,4). Схема соединений внешних проводок (окончание) ТП 903-1-244.87-АТМ1-13 Котел ДЕ-10-14ГМ №1(2,3,4). Блок местных приборов (Начало) ТП 903-1-244.87-АТМ1-14 Котел ДЕ-10-14ГМ №1(2,3,4). Блок местных приборов (Окончание) ТП 903-1-244.87-АТМ1-15 Котел ДЕ-10-14ГМ №1(2,3,4). План расположения (Начало) ТП 903-1-244.87-АТМ1-16 Котел ДЕ-10-14ГМ №1(2,3,4). План расположения (Окончание) ТП 903-1-244.87-АТМ1-17 Вспомогательное оборудование. Схема автоматизации функциональная (Начало) ТП 903-1-244.87-АТМ1-18 Вспомогательное оборудование. Схема автоматизации функциональная (Продолжение) ТП 903-1-244.87-АТМ1-19 Вспомогательное оборудование. Схема автоматизации функциональная (Продолжение) ТП 903-1-244.87-АТМ1-20 Вспомогательное оборудование. Схема автоматизации функциональная (Окончание) ТП 903-1-244.87-АТМ1-21 Вспомогательное оборудование. Схема соединений внешних проводок (Начало) ТП 903-1-244.87-АТМ1-22 Вспомогательное оборудование. Схема соединений внешних проводок (Продолжение) ТП 903-1-244.87-АТМ1-23 Вспомогательное оборудование. Схема соединений внешних проводок (Продолжение) ТП 903-1-244.87-АТМ1-24 Вспомогательное оборудование. Схема соединений внешних проводок (Продолжение) ТП 903-1-244.87-АТМ1-25 Вспомогательное оборудование. Схема соединений внешних проводок (Окончание) ТП 903-1-244.87-АТМ1-26 Блок горячего водоснабжения. Схема автоматизации функциональная ТП 903-1-244.87-АТМ1-27 Блок горячего водоснабжения. Схема соединений внешних проводок ТП 903-1-244.87-АТМ1-28 Блок приготовления омагниченной воды. Схема автоматизации функциональная. Схема соединений внешних проводок ТП 903-1-244.87-АТМ1-29 Блок сбора конденсата и обратного водоснабжения. Схема автоматизации функциональная ТП 903-1-244.87-АТМ1-30 Блок сбора конденсата и обратного водоснабжения. Схема соединения внешних проводок ТП 903-1-244.87-АТМ1-31 Блок Nа-катионитных фильтров 1ст. Поз.А1. Схема автоматизации функциональная. Схема соединений внешних проводок ТП 903-1-244.87-АТМ1-32 Блок Nа-катионитных фильтров 2ст. Поз.А2. Схема автоматизации функциональная. Схема соединений внешних проводок ТП 903-1-244.87-АТМ1-33 Блок Nа-катионитных фильтров 1ст. Поз.А3. Схема автоматизации функциональная. Схема соединений внешних проводок ТП 903-1-244.87-АТМ1-34 Блок очистки конденсата. Схема автоматизации функциональная. Схема соединений внешних проводок ТП 903-1-244.87-АТМ1-35 Узел управления. Схема автоматизации функциональная. Схема соединений внешних проводок ТП 903-1-244.87-АТМ1-36 Щит управления вспомогательного оборудования №1. Схема подключения ТП 903-1-244.87-АТМ1-37 Щит управления вспомогательного оборудования №2. Схема подключения ТП 903-1-244.87-АТМ1-38 Вспомогательное оборудование. Блок местных приборов №1 (начало) ТП 903-1-244.87-АТМ1-39 Вспомогательное оборудование. Блок местных приборов №1 (окончание) ТП 903-1-244.87-АТМ1-40 Вспомогательное оборудование. Блок местных приборов №2 ТП 903-1-244.87-АТМ1-41 Вспомогательное оборудование. План расположения (начало) ТП 903-1-244.87-АТМ1-42 Вспомогательное оборудование. План расположения (продолжение) ТП 903-1-244.87-АТМ1-43 Вспомогательное оборудование. План расположения (продолжение) ТП 903-1-244.87-АТМ1-44 Вспомогательное оборудование. План расположения (окончание) ТП 903-1-244.87-АТМ1-45 Диафрагма с коническим входом на мазутопроводе к котлам поз. 49а ТП 903-1-244.87-АТМ1-46 Сочленение МЭО-250/25-0.25р с заслонкой тройника газохода ТП 903-1-244.87-АТМ1-47 Сочленение МЭО-100/25-0.25р с дымососом ТП 903-1-244.87-АТМ1-48 Сочленение МЭО-100/25-0.25р с вентилятором ТП 903-1-244.87-АТМ1-49 Сочленение МЭО-16/25-0.25р с заслонкой ЗМС-70 ТП 903-1-244.87-АТМ1-50 Сочленение МЭО-16/25-0.25р с клапаном 9С-1-2 ТП 903-1-244.87-АТМ1-51 Сочленение МЭО-100/25-0.25р с клапаном Т-33б ТП 903-1-244.87-АТМ1-52 Сочленение МЭО-100/25-0.25р с клапаном 6С-9-3 ТП 903-1-244.87-АТМ1-53 Сочленение МЭО-100/25-0.25р с клапаном 9С-4-1-1 |
| Разработан: | Горьковский Сантехпроект |
| Утверждён: | 17.04.1987 Госстрой СССР (Государственный комитет Совета Министров СССР по делам строительства) (USSR Gosstroy А4-43) |




















































