Скачать Типовые проектные решения 904-02-6 Альбом 0. Часть 2. Рекомендации по применению. Узлы регулированияДата актуализации: 01.01.2021
|
| Обозначение: | Типовые проектные решения 904-02-6 |
| Обозначение англ: | 904-02-6 |
| Статус: | справочные материалы, мп, тпр |
| Название рус.: | Альбом 0. Часть 2. Рекомендации по применению. Узлы регулирования |
| Дата добавления в базу: | 01.09.2013 |
| Дата актуализации: | 01.01.2021 |
| Дата окончания срока действия: | 06.08.1981 |
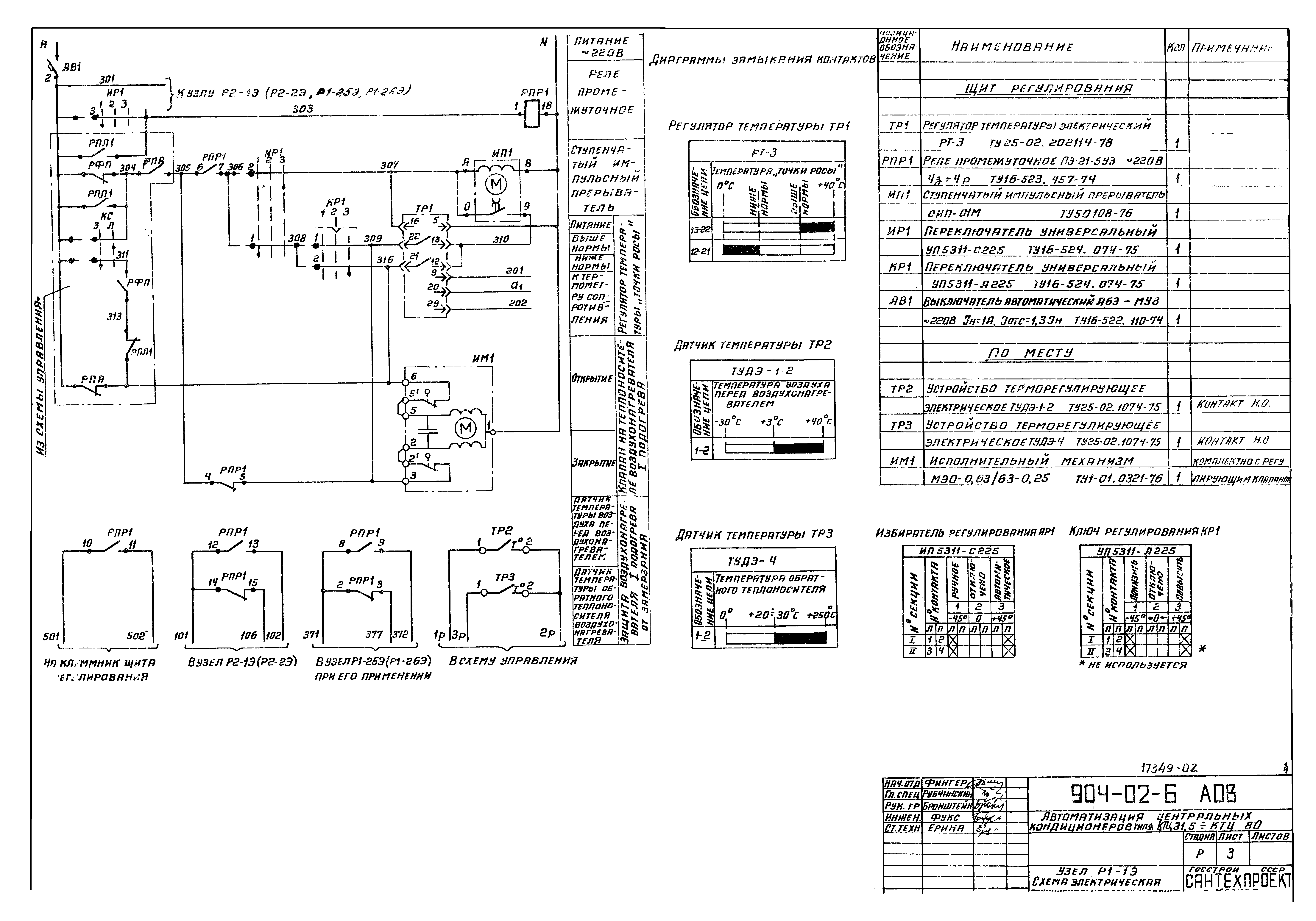
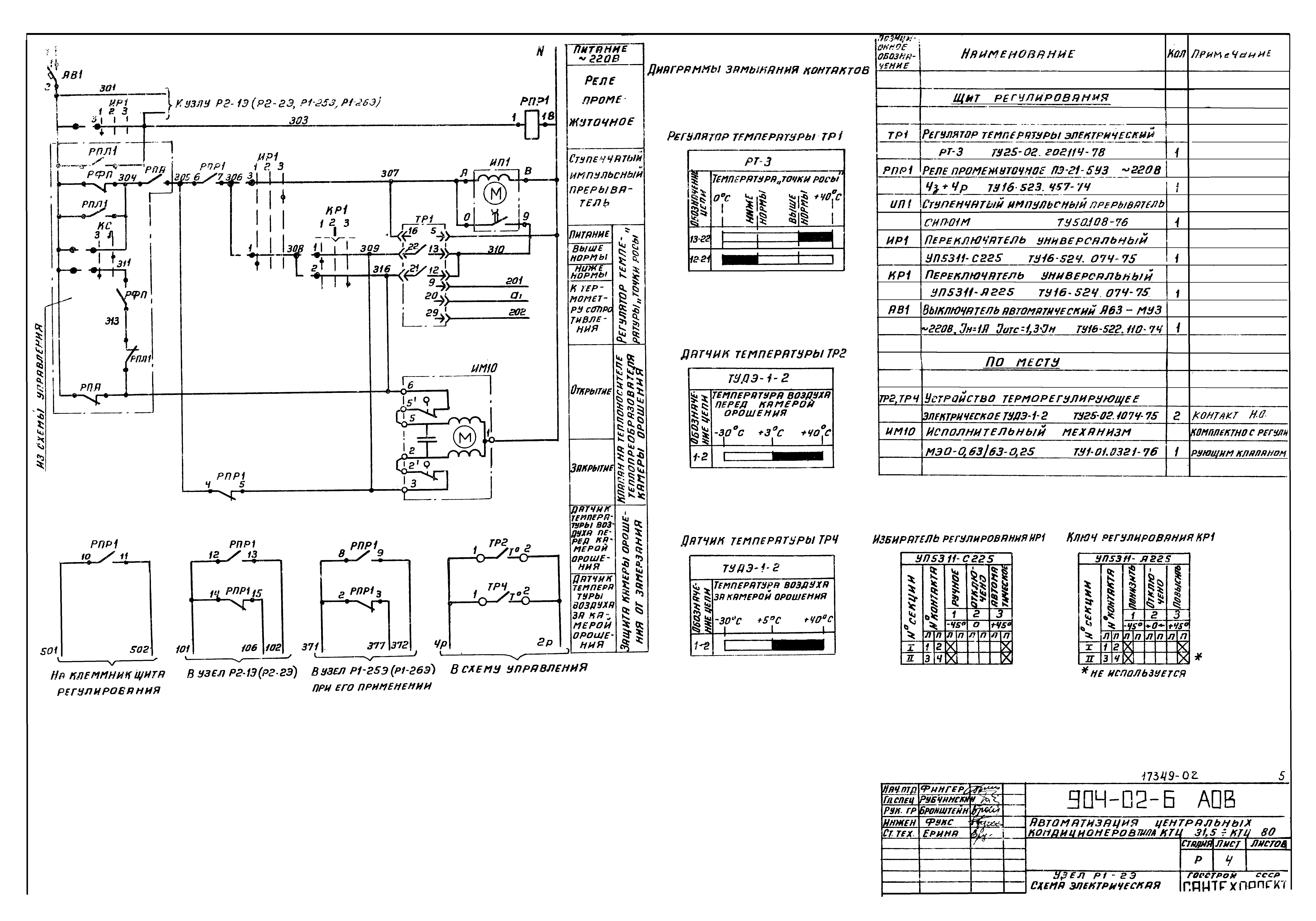
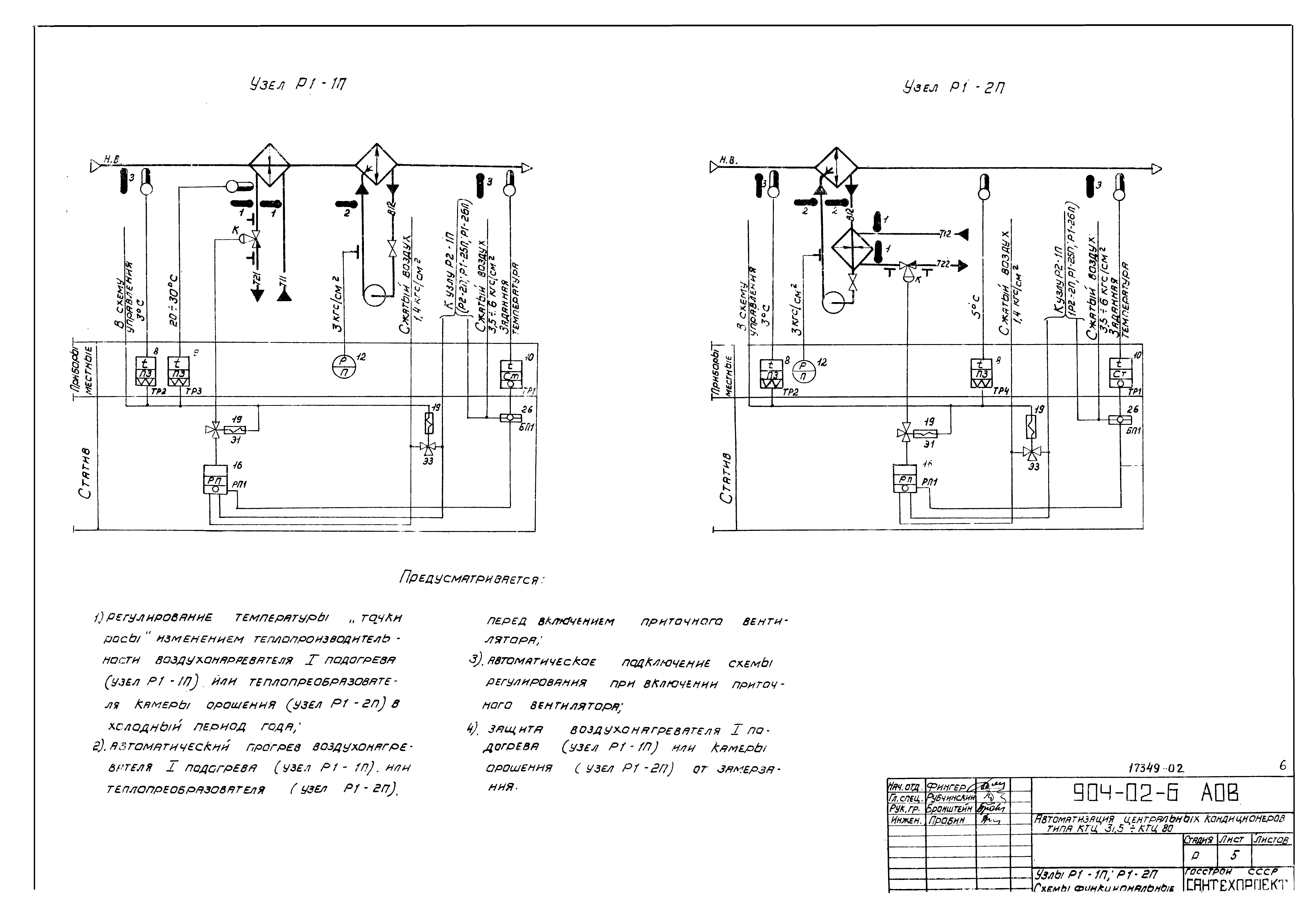
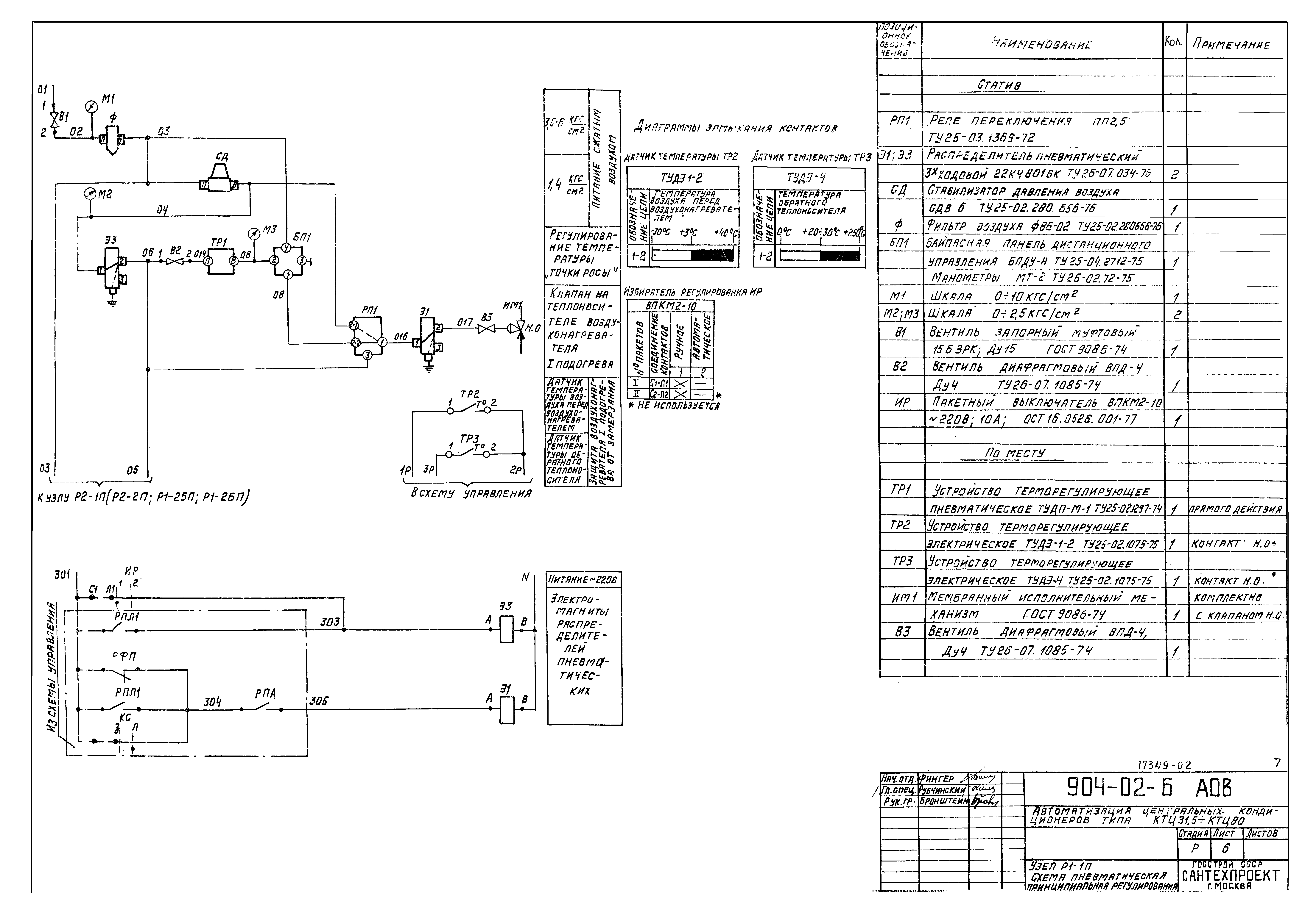
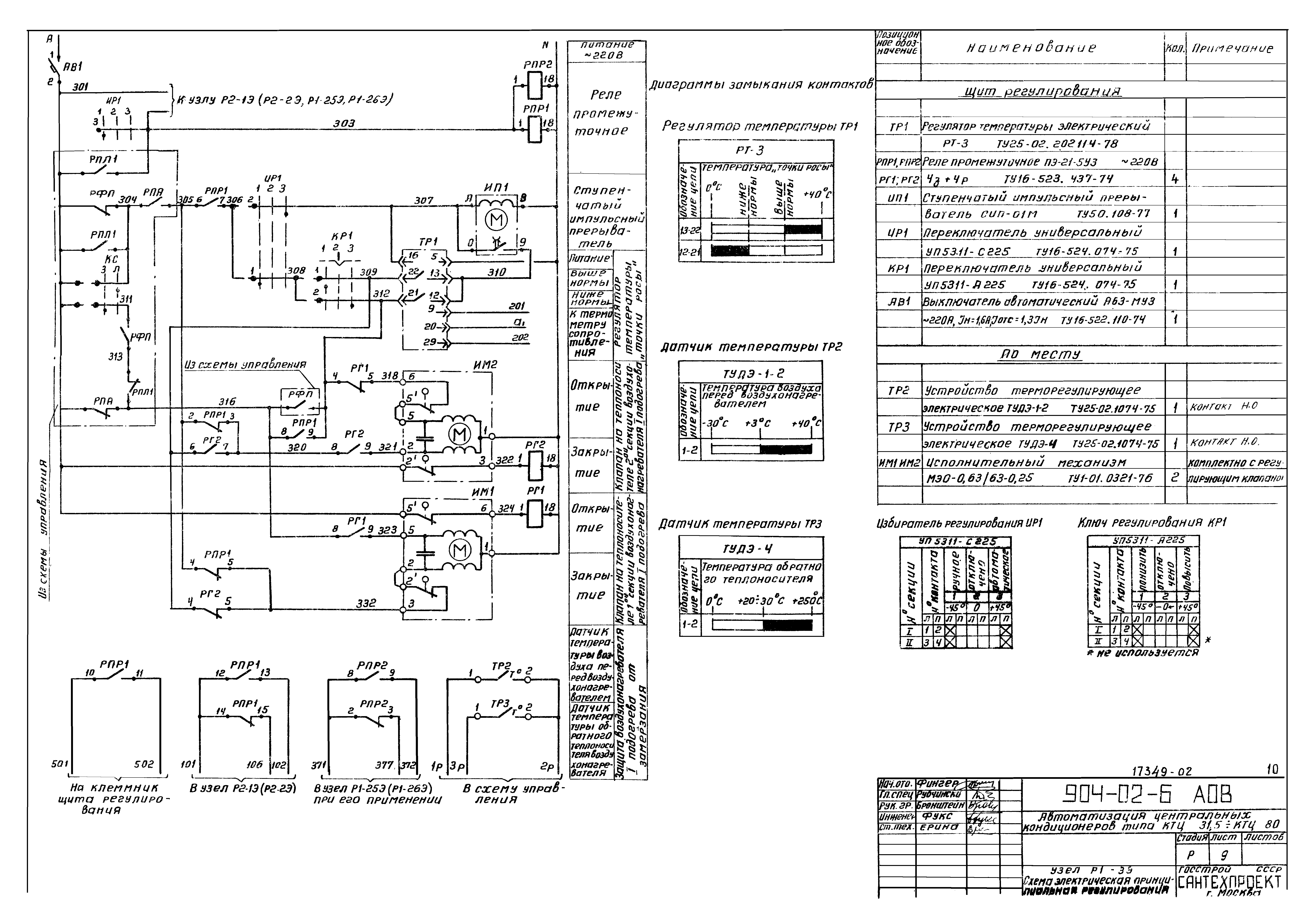
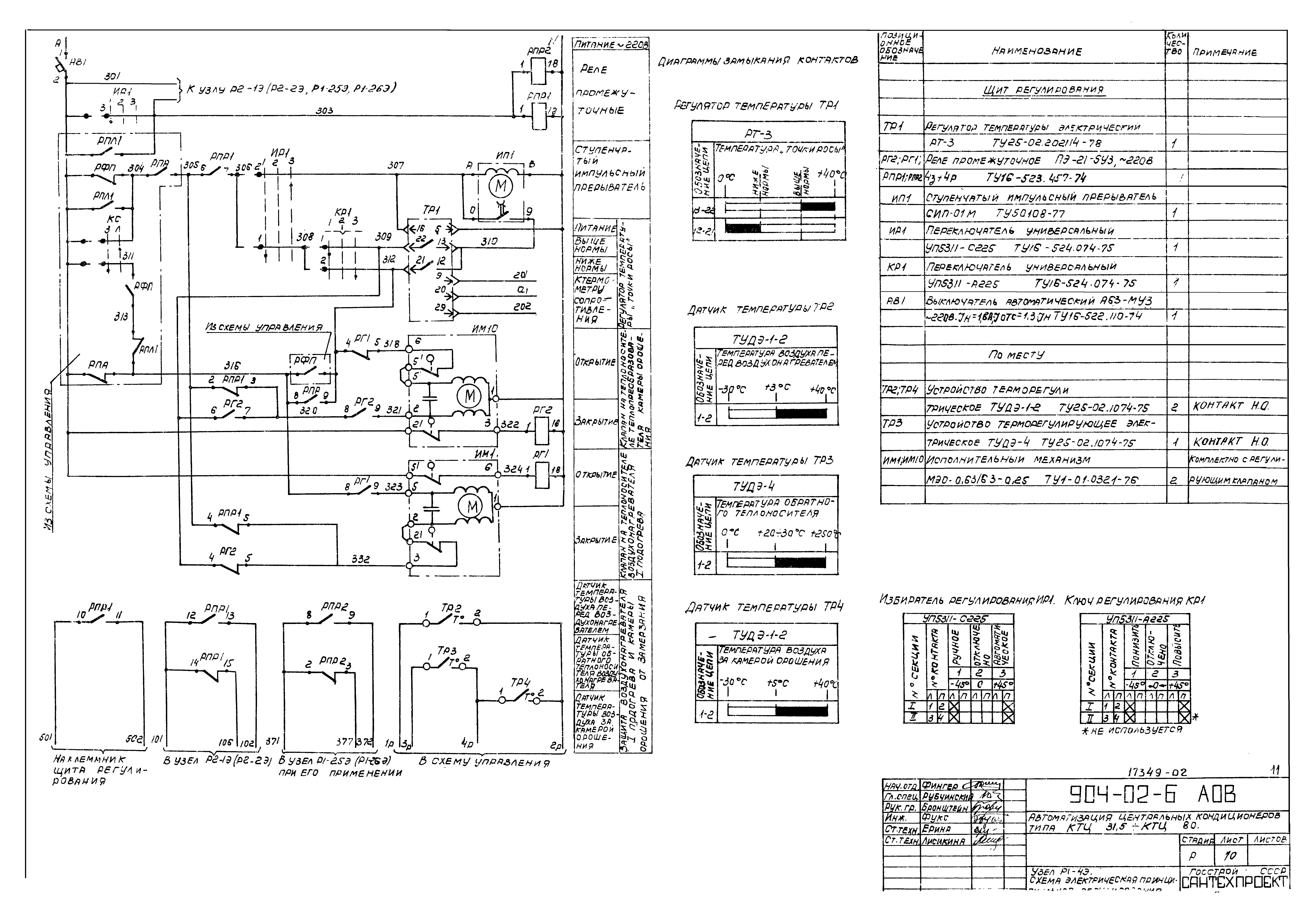
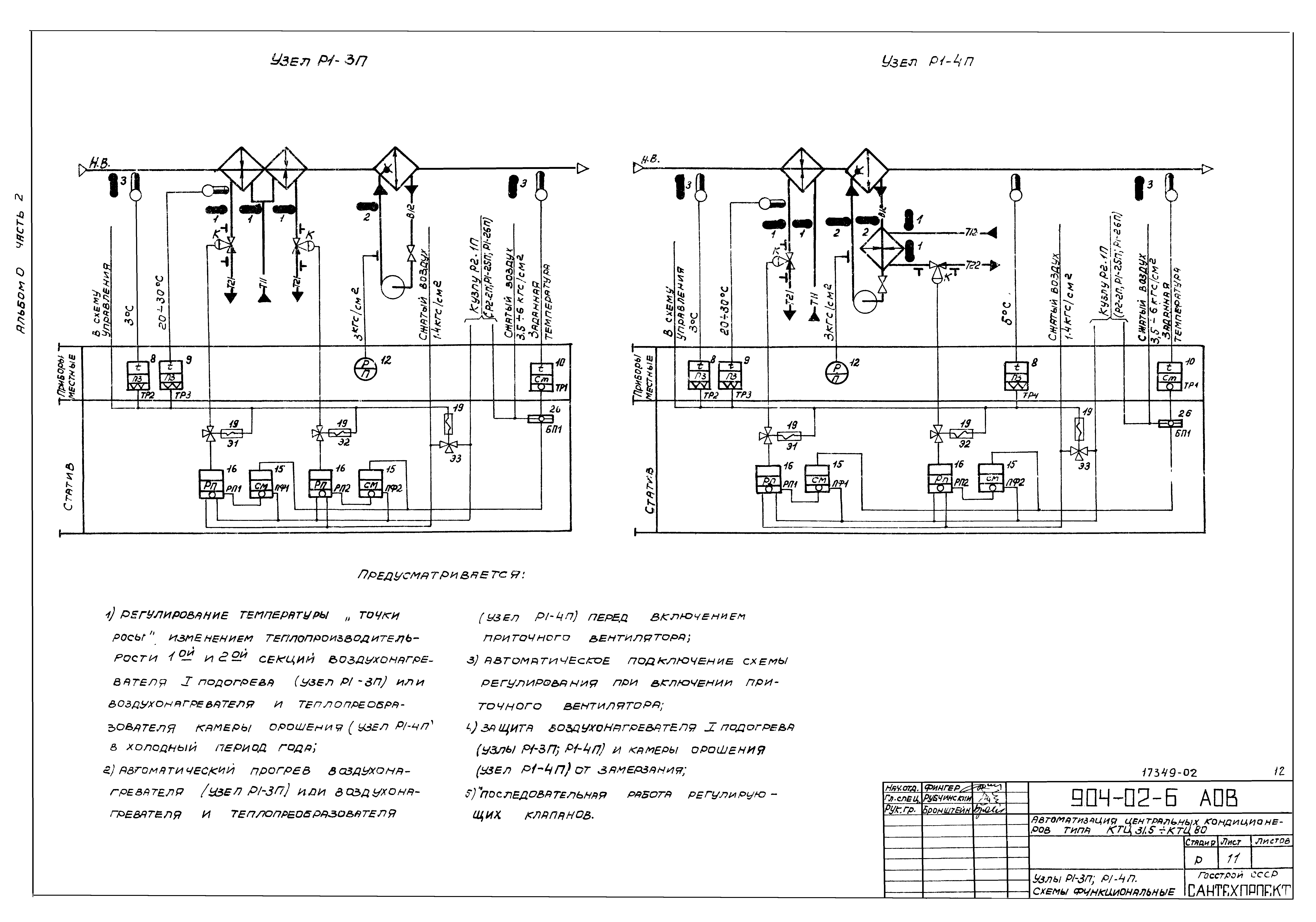
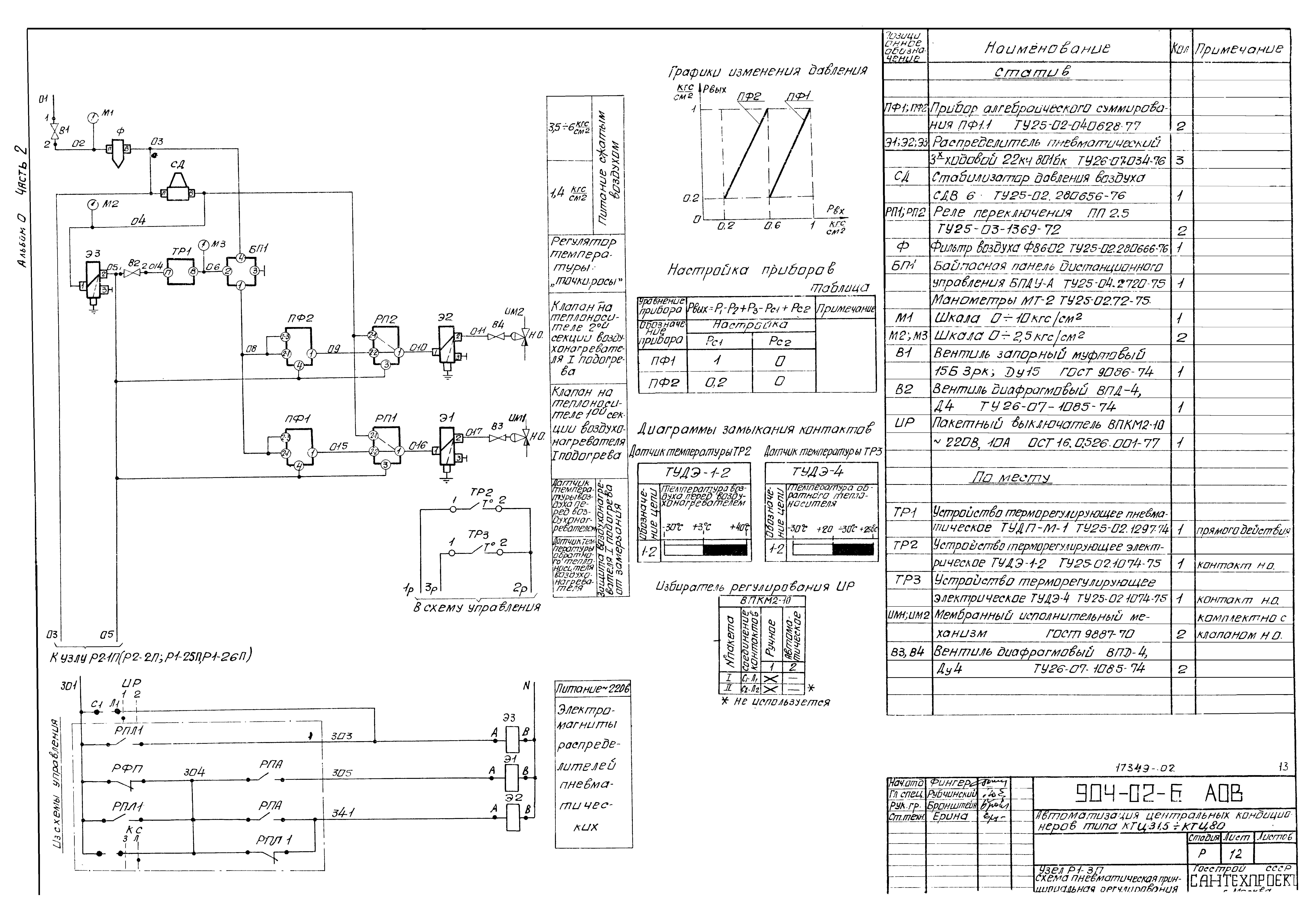
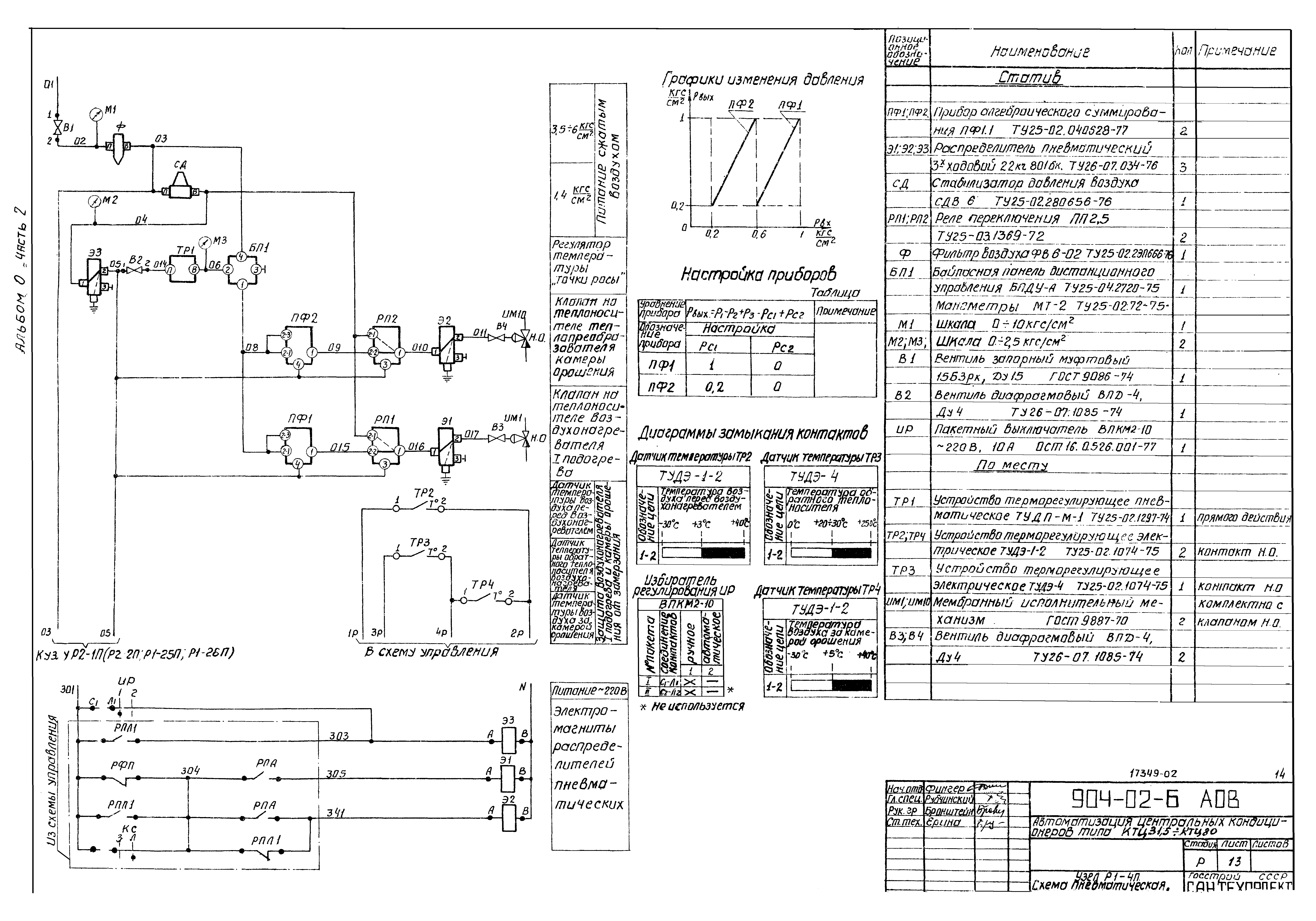
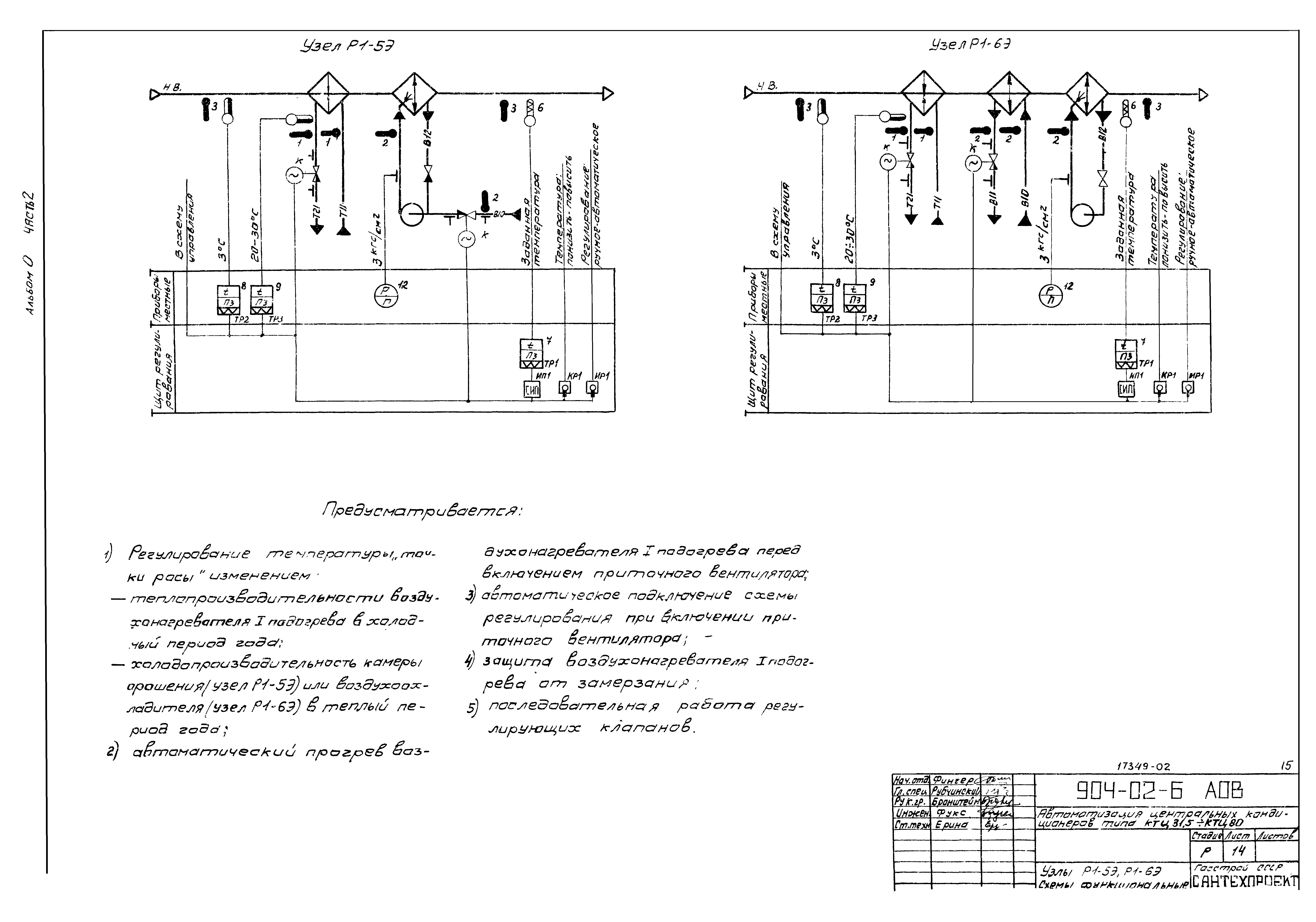
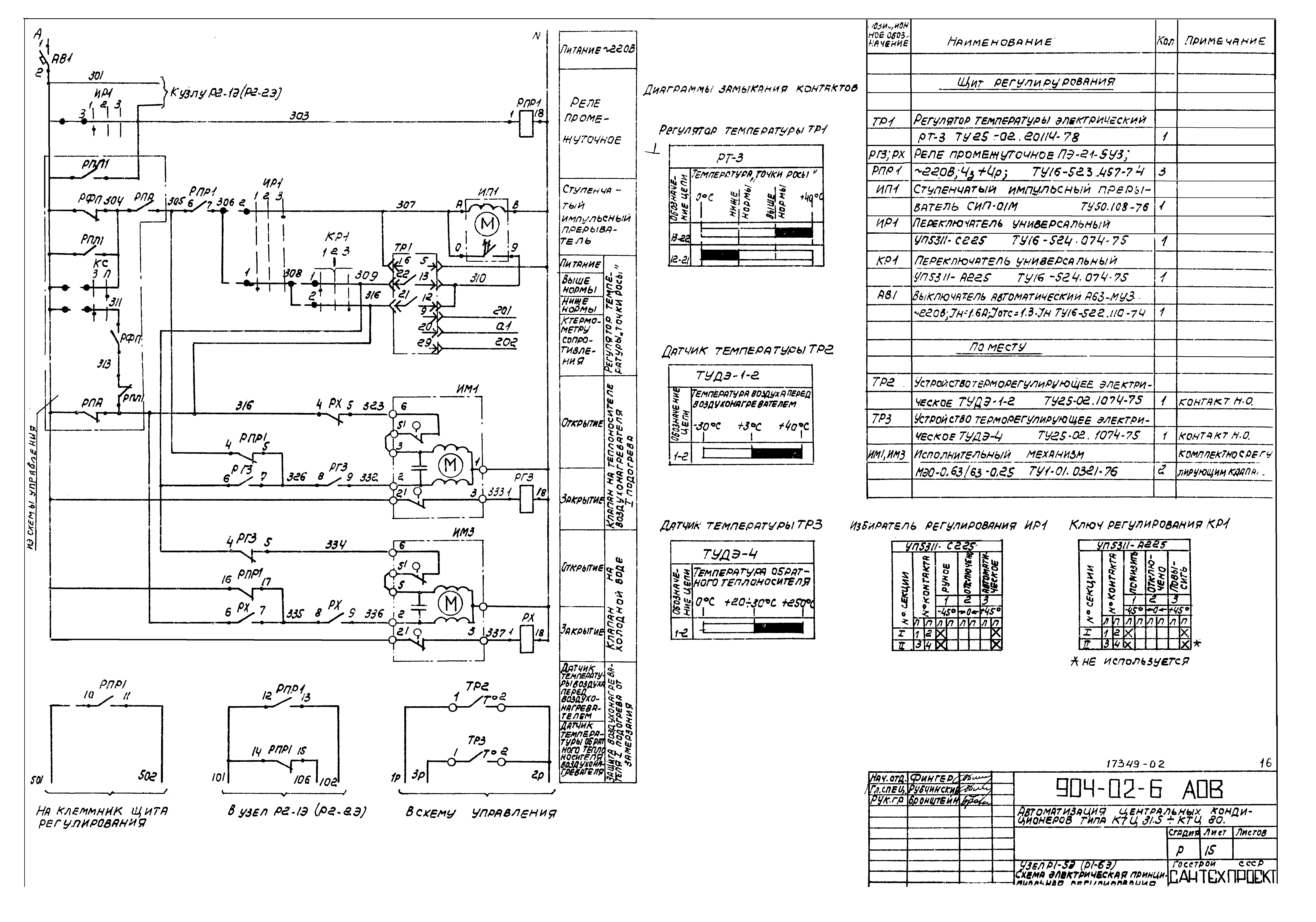
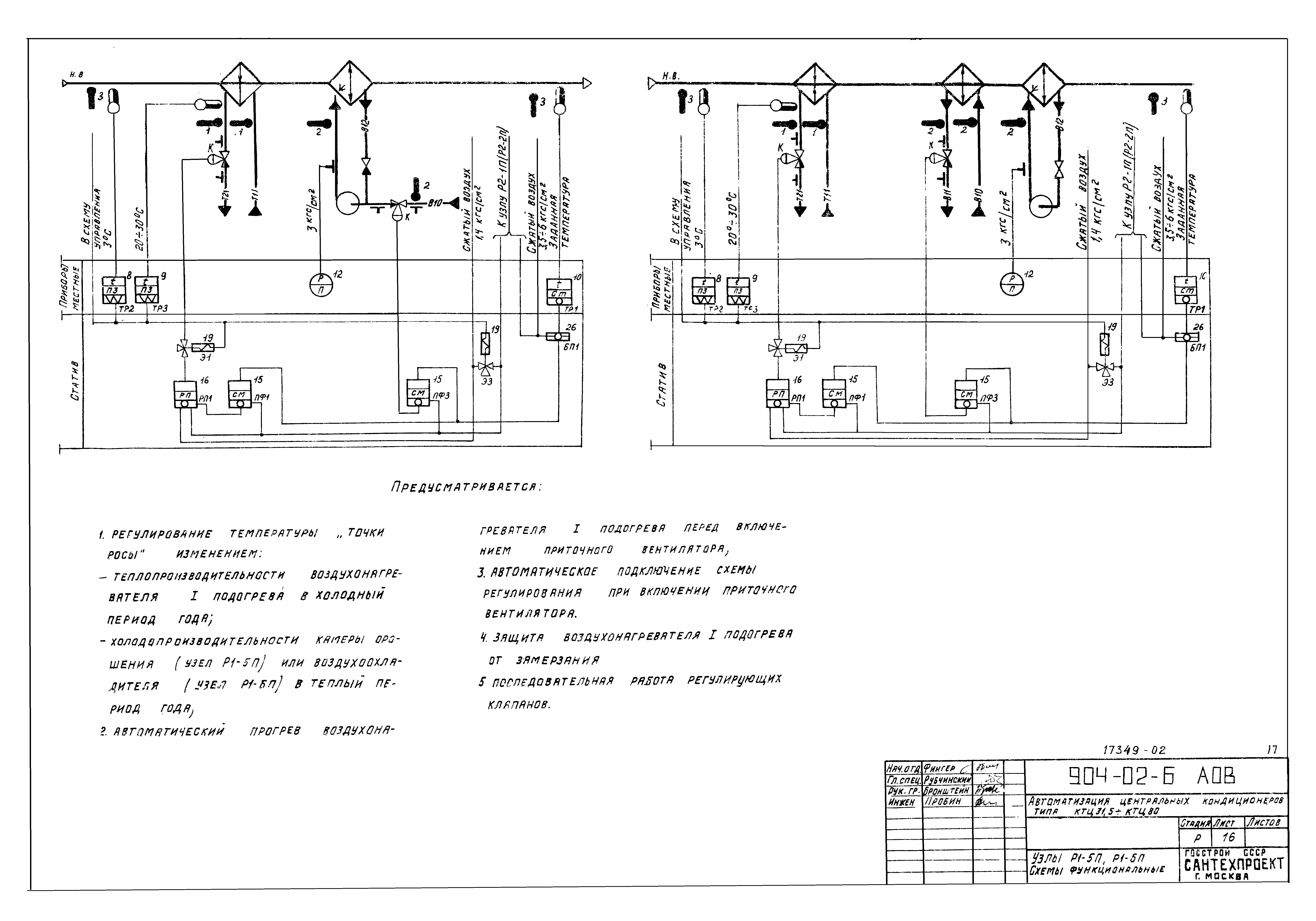
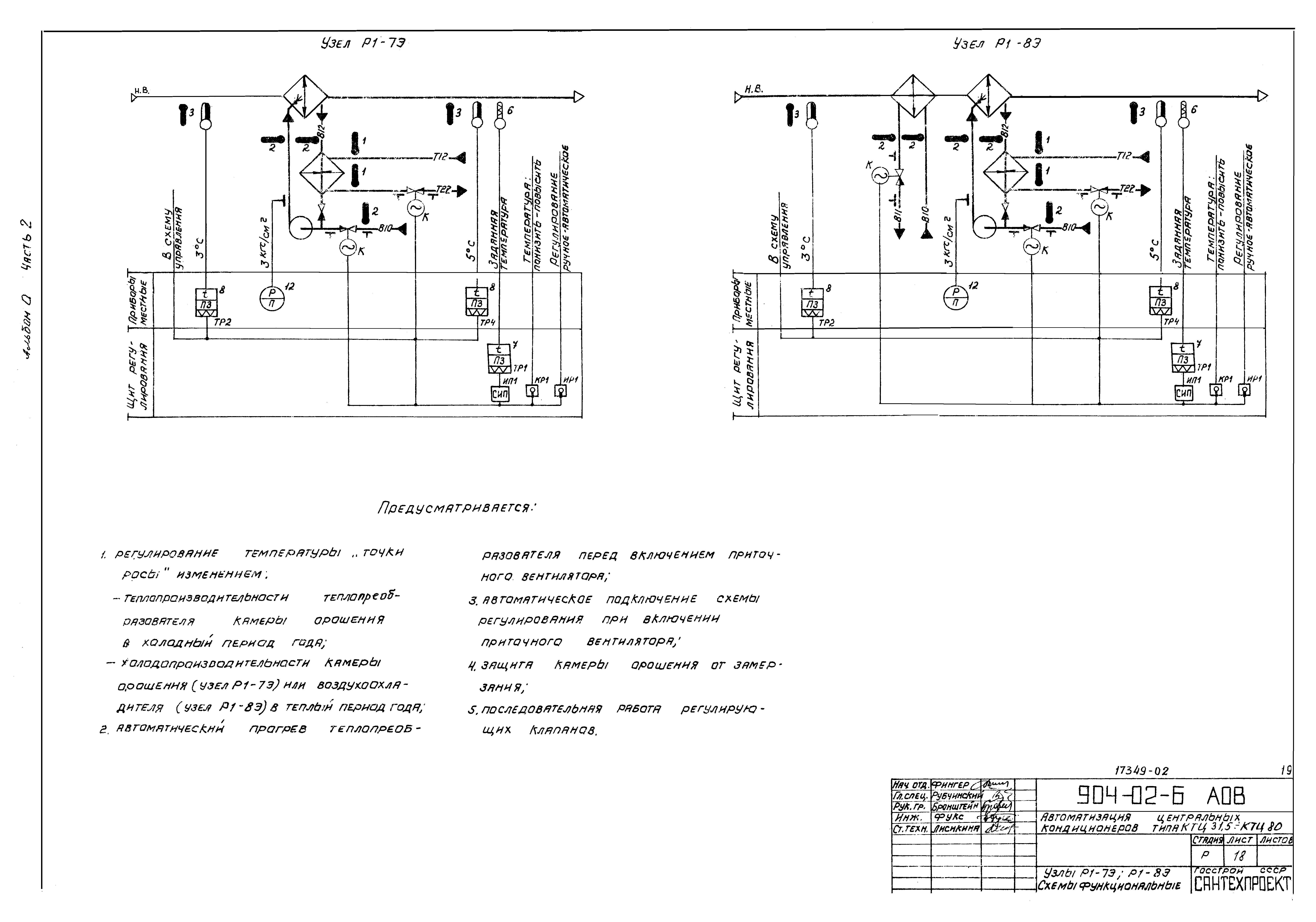
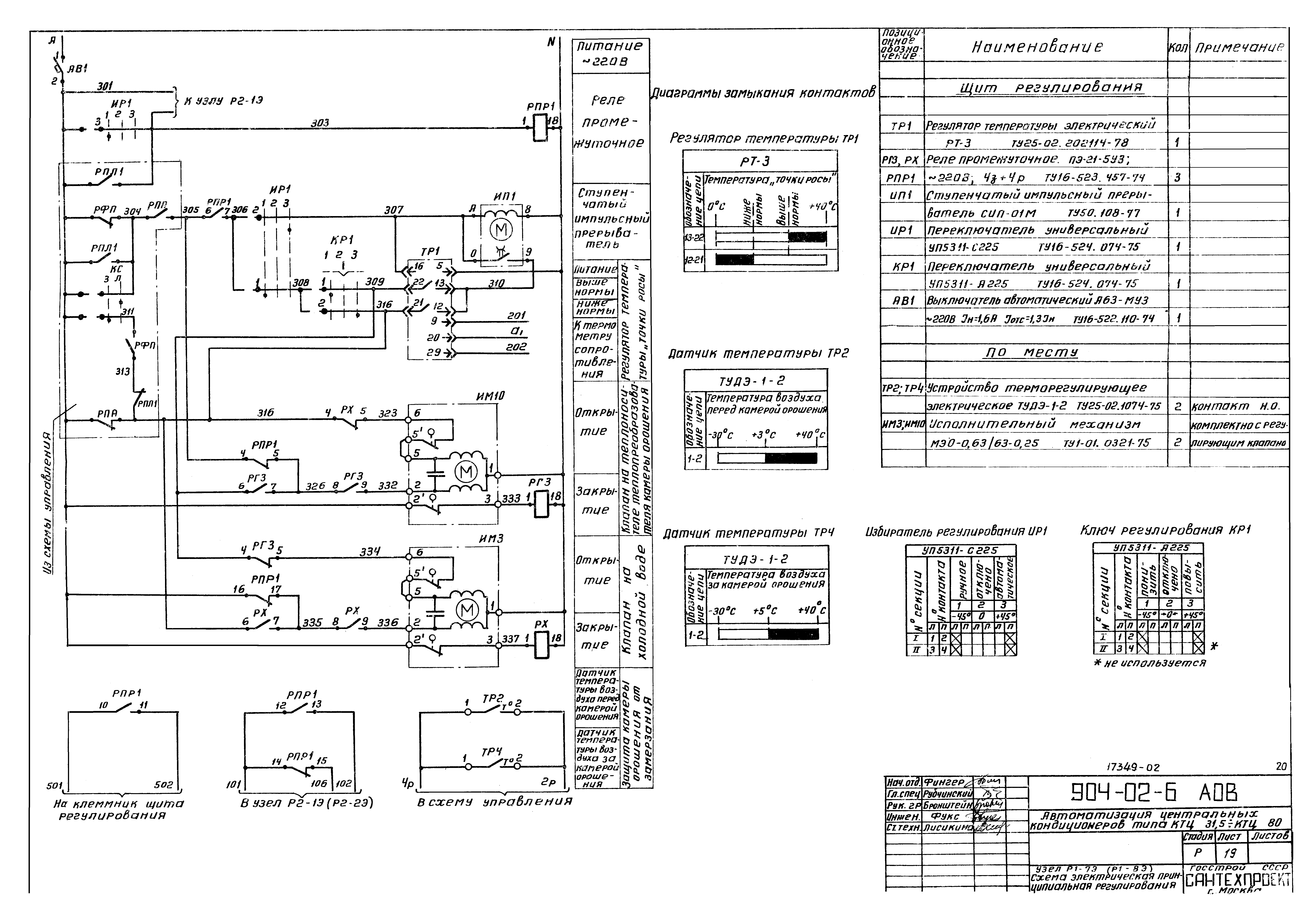
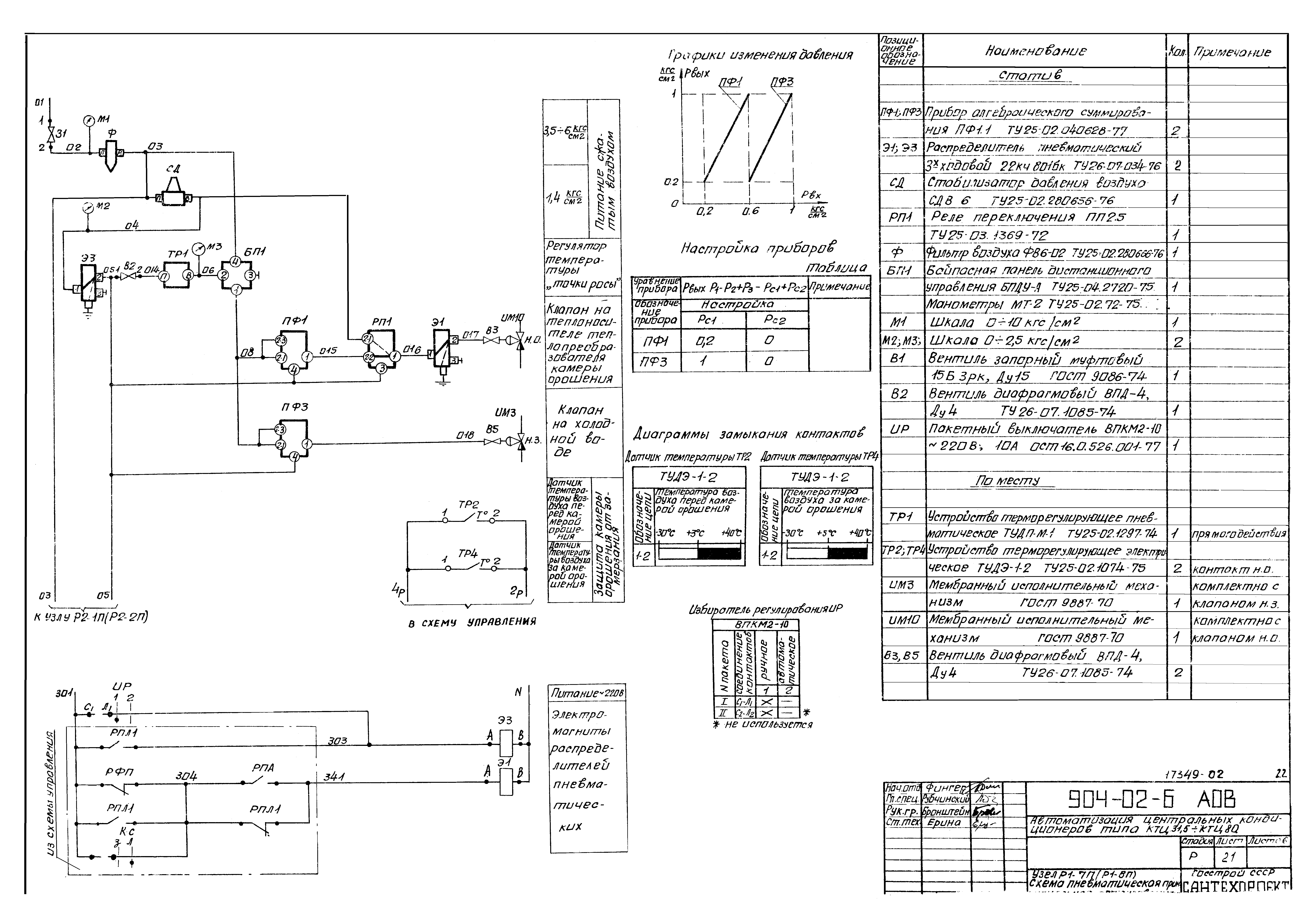
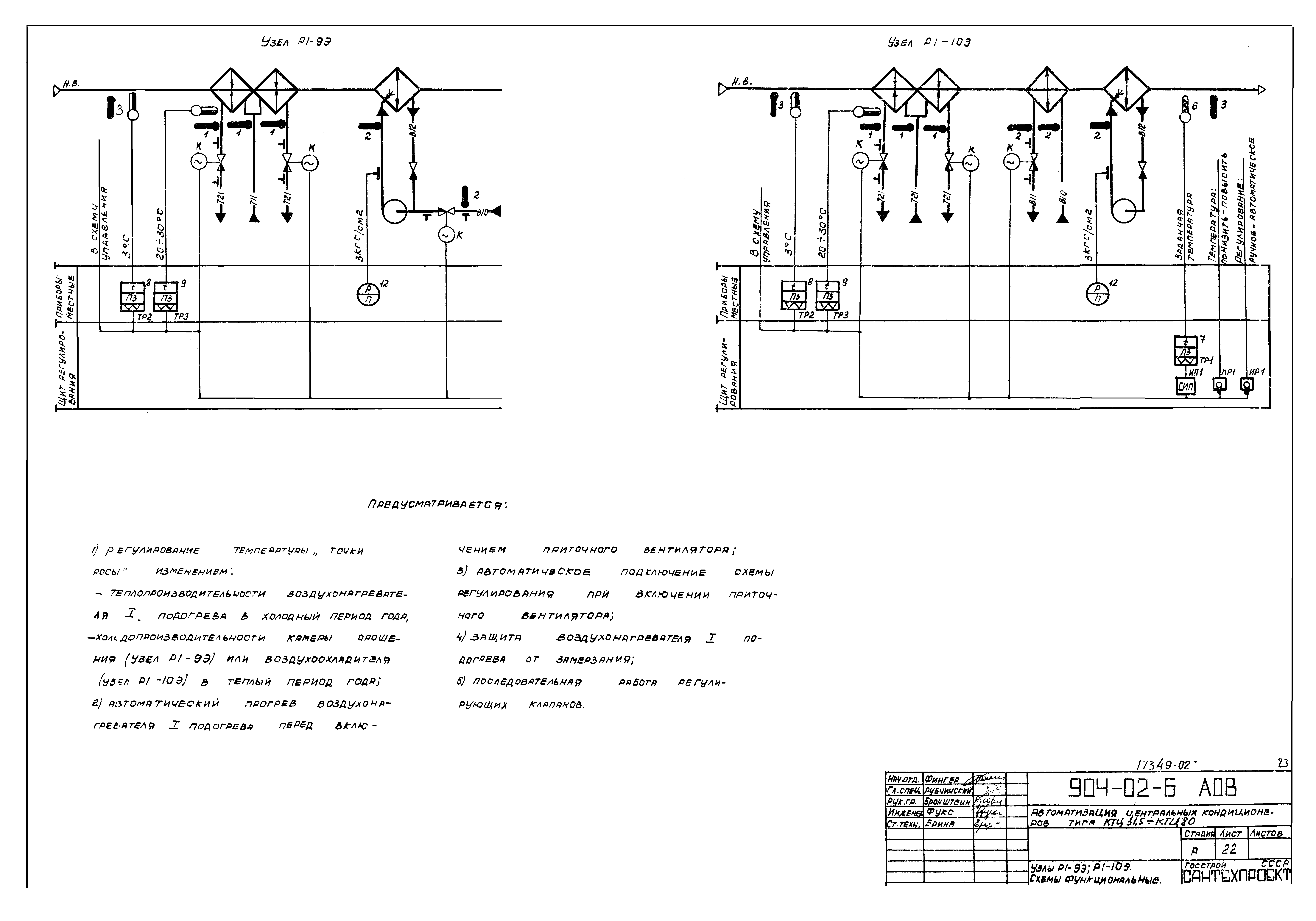
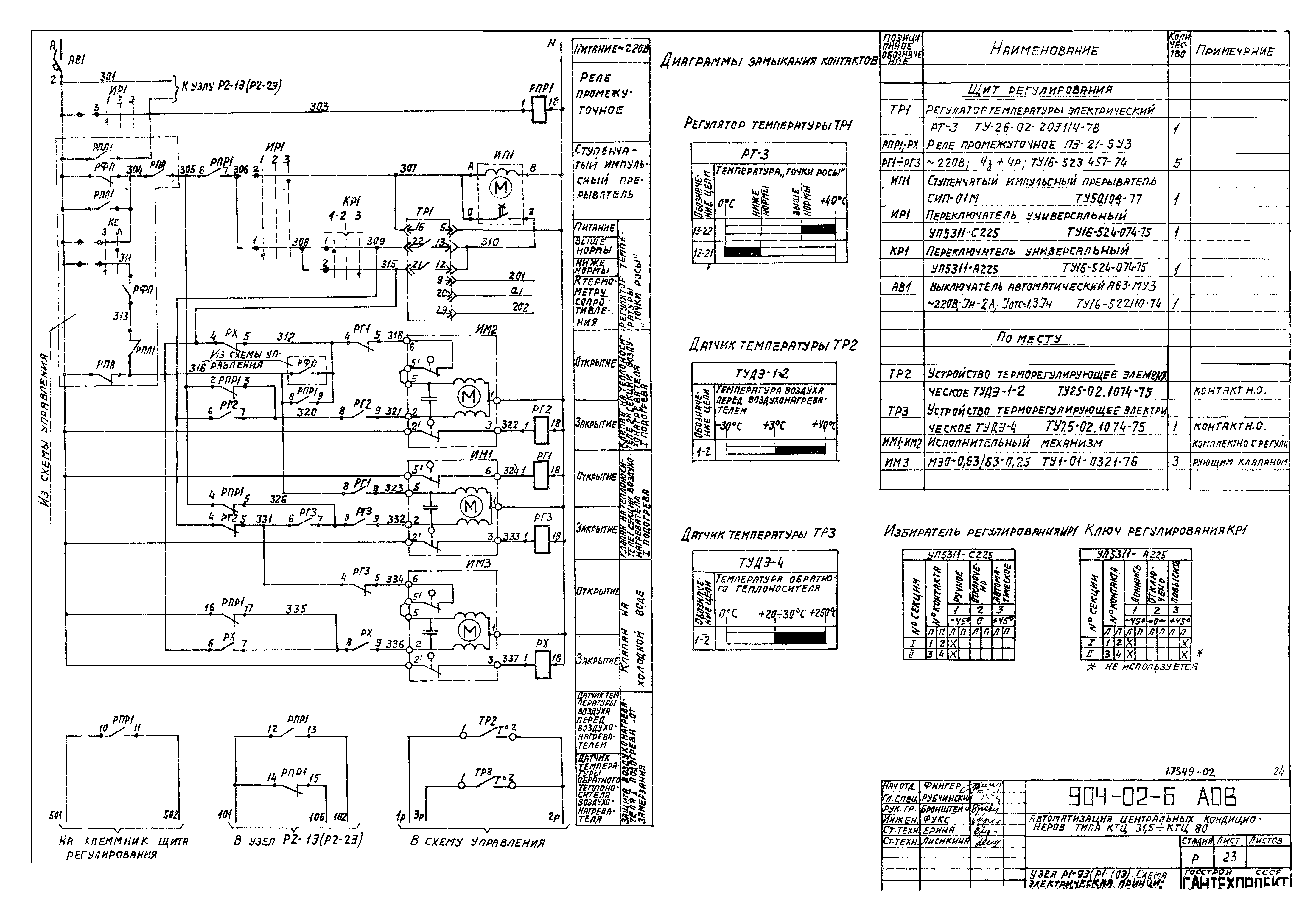
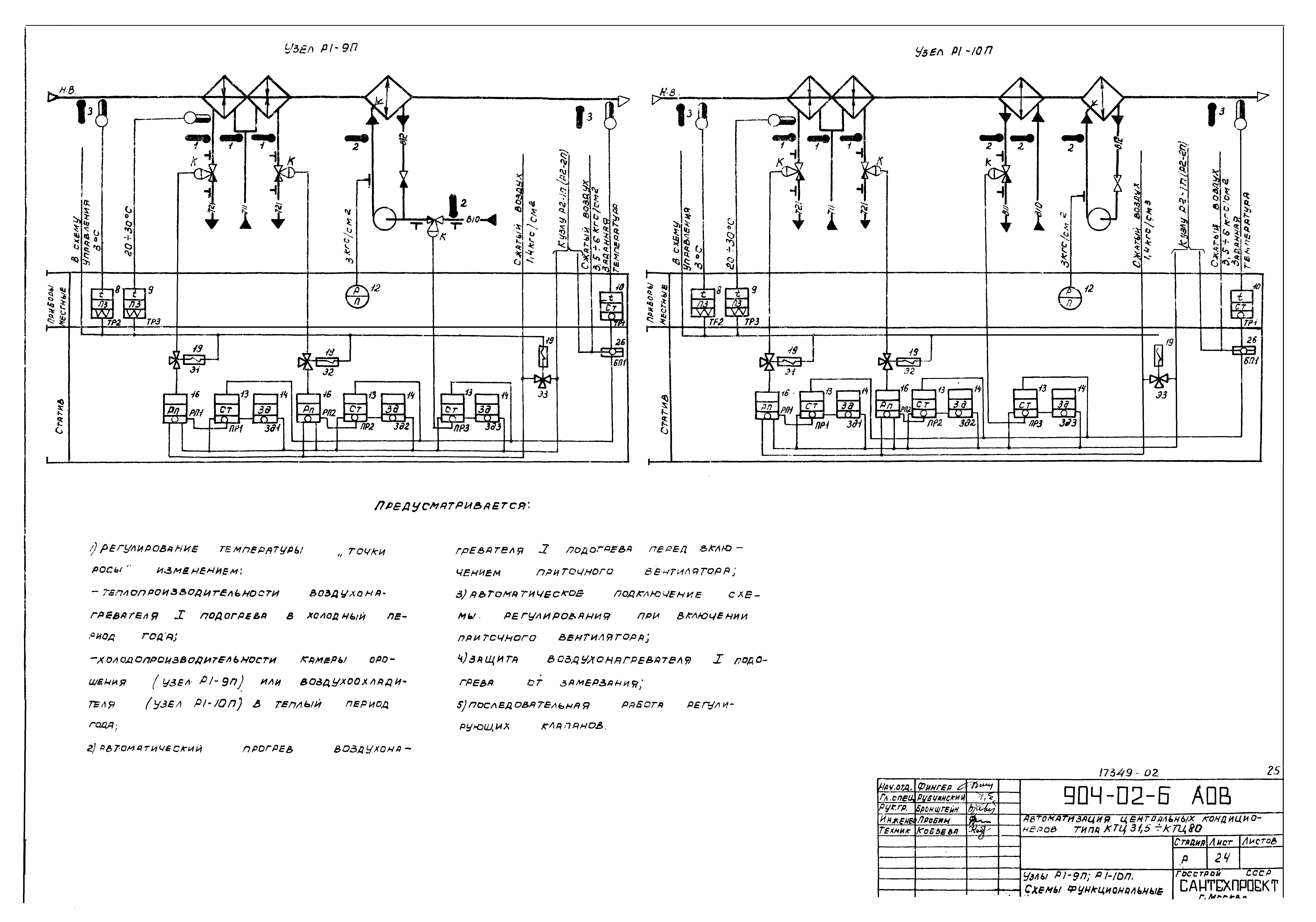
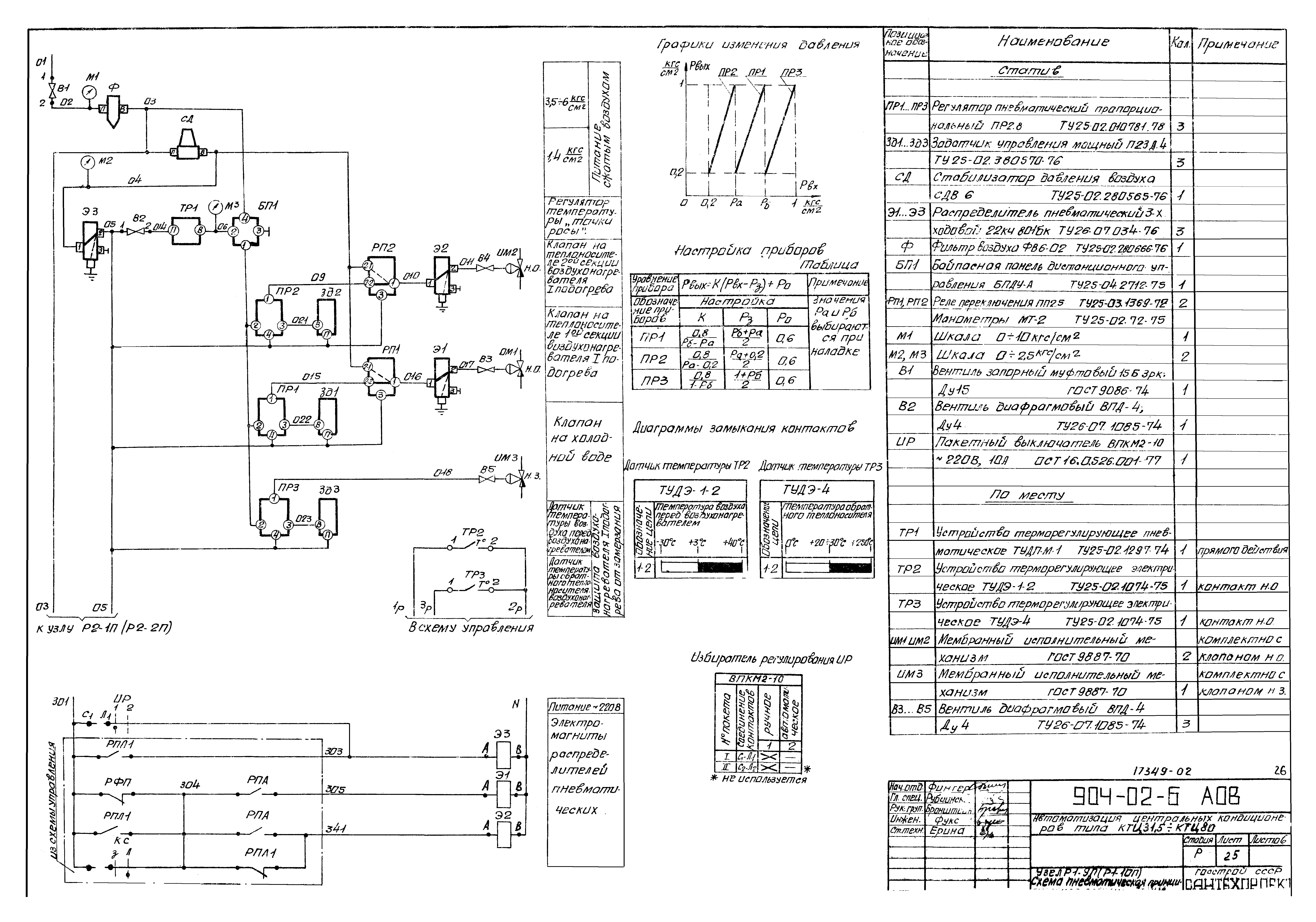
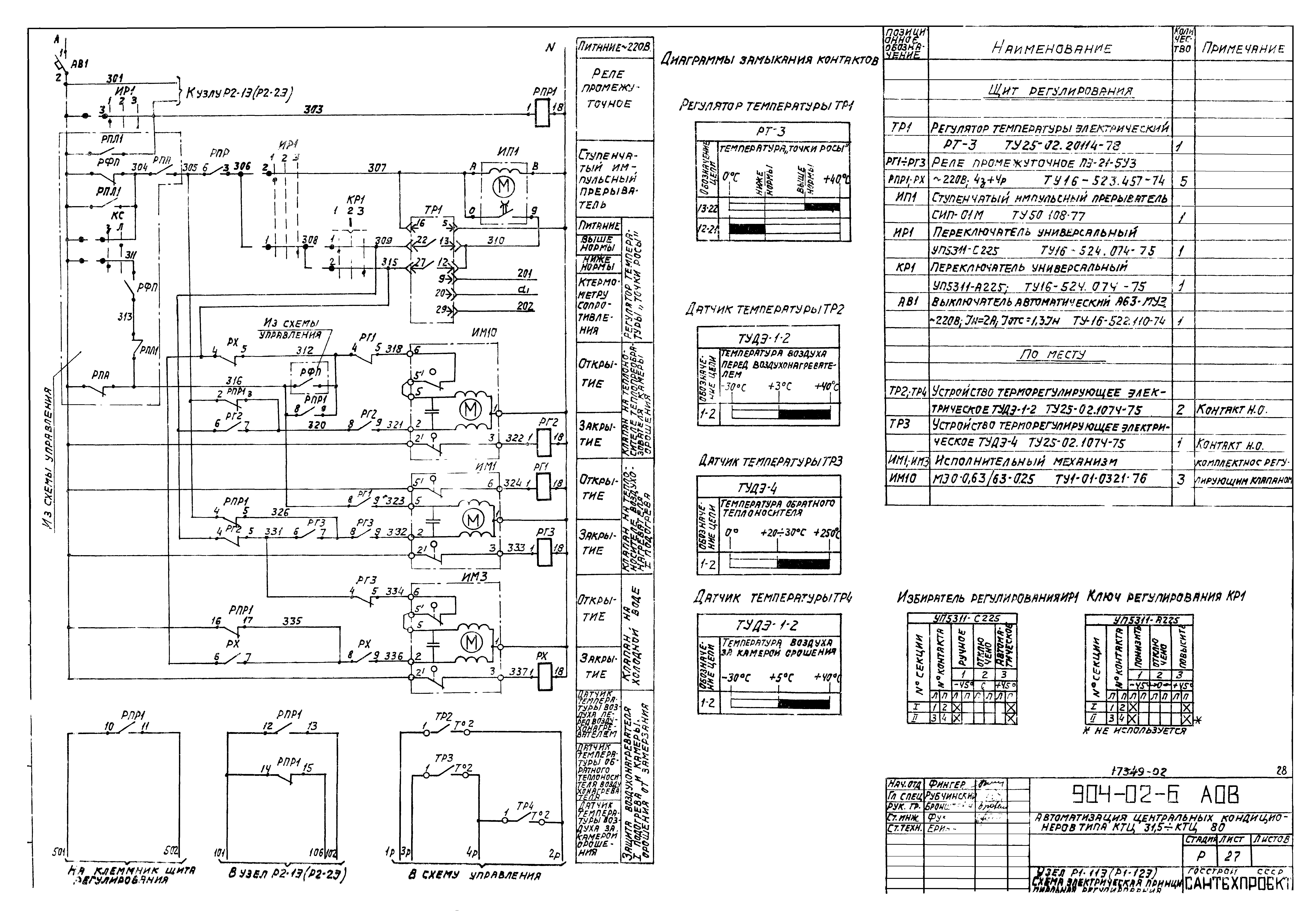
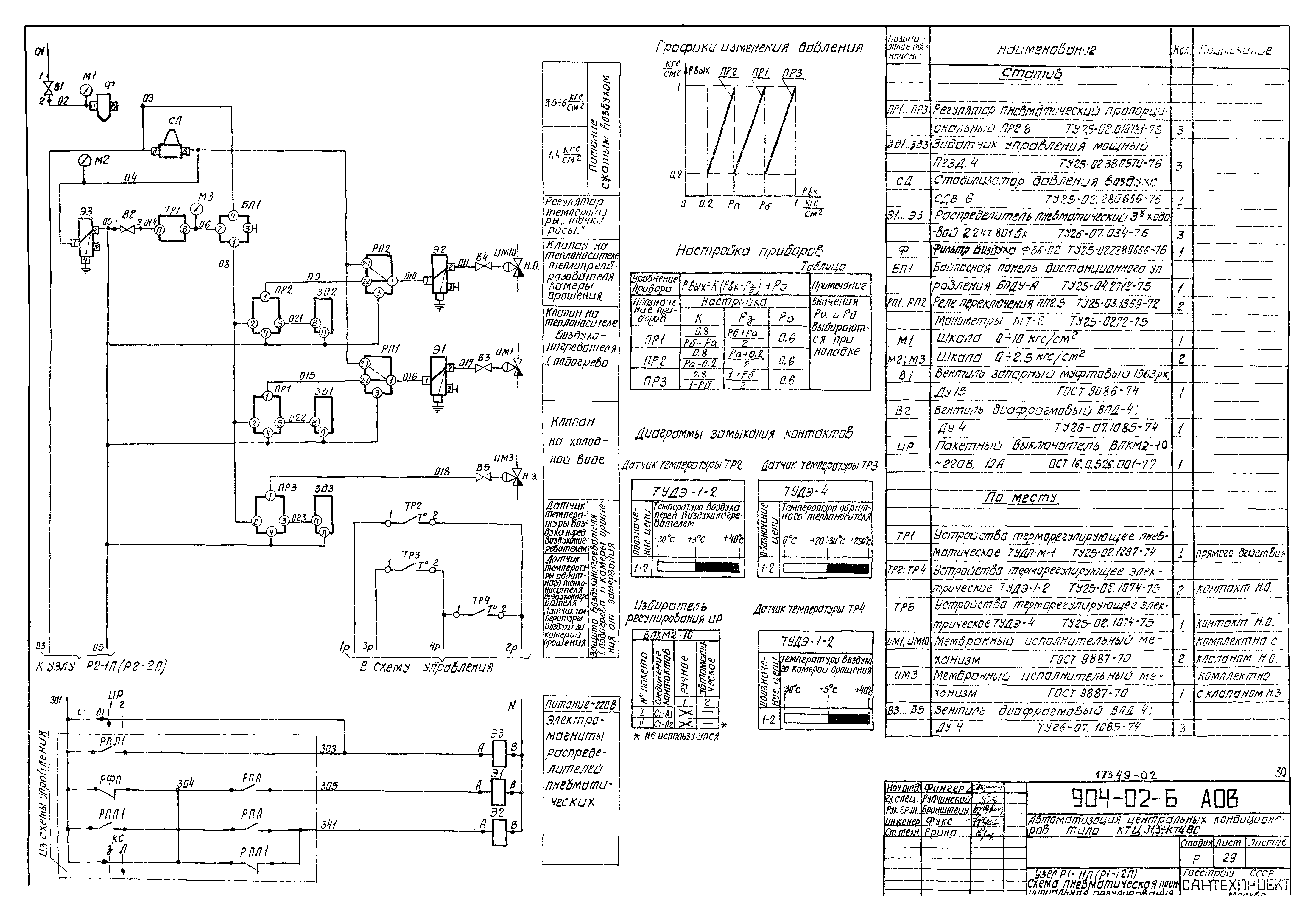
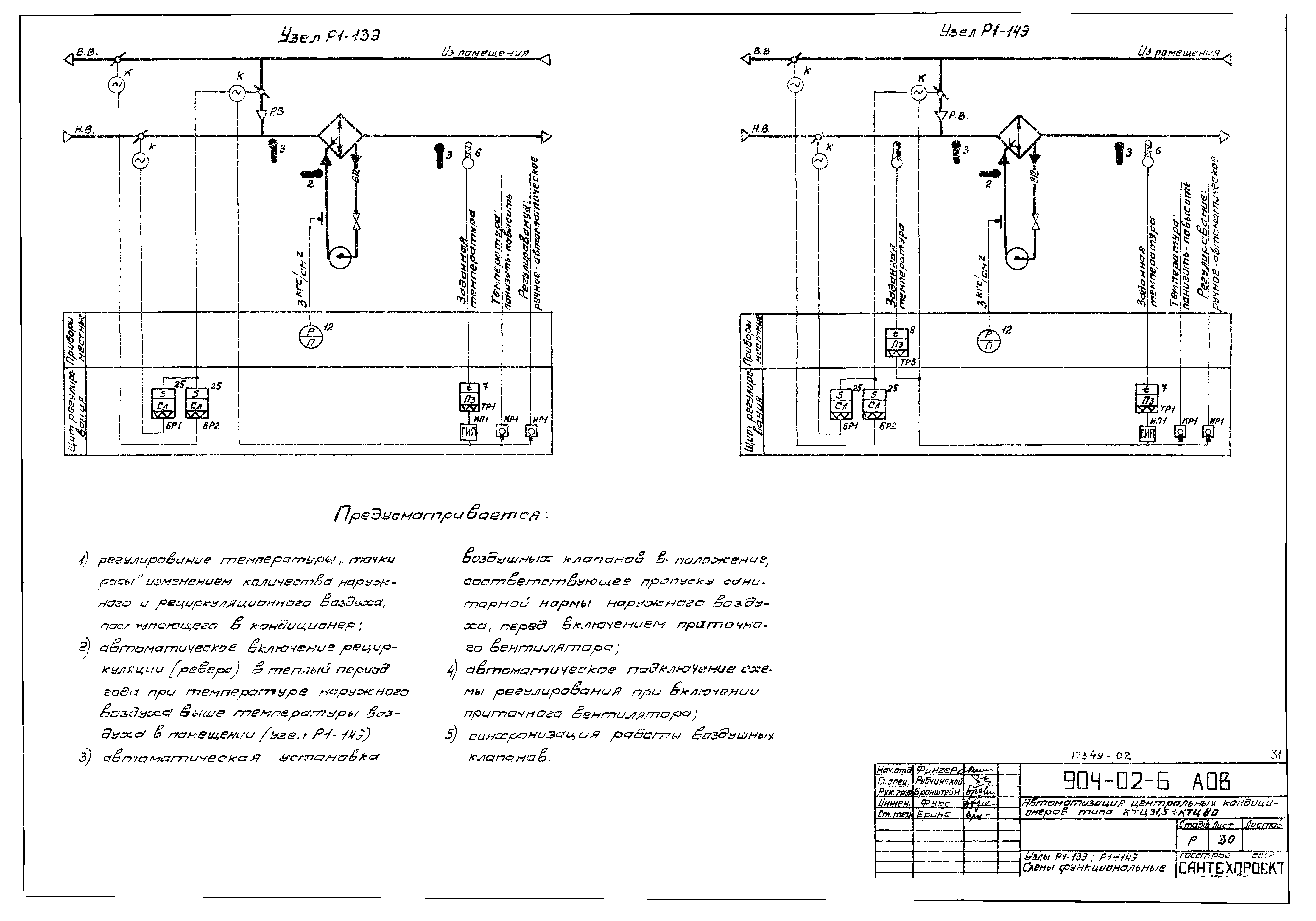
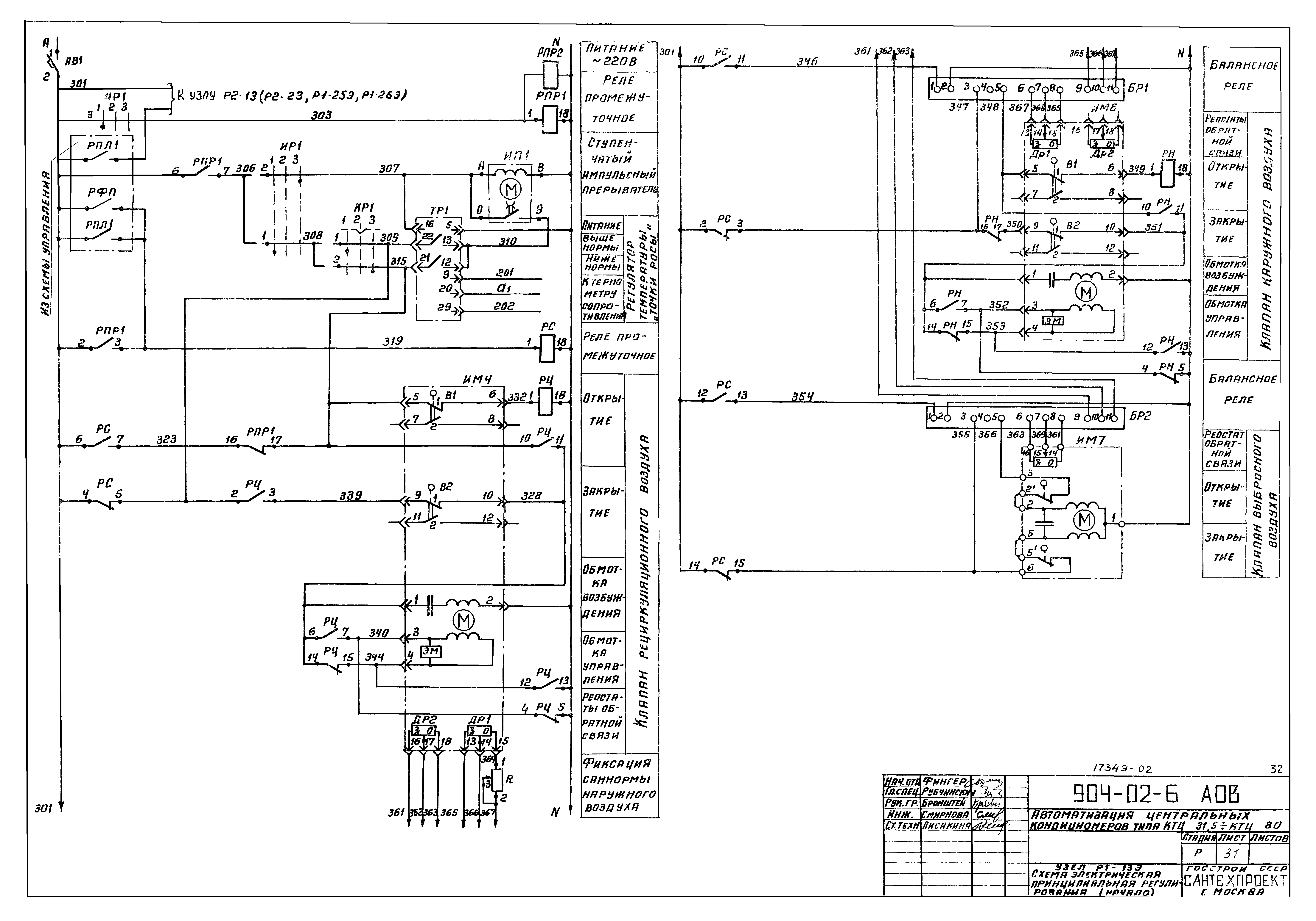
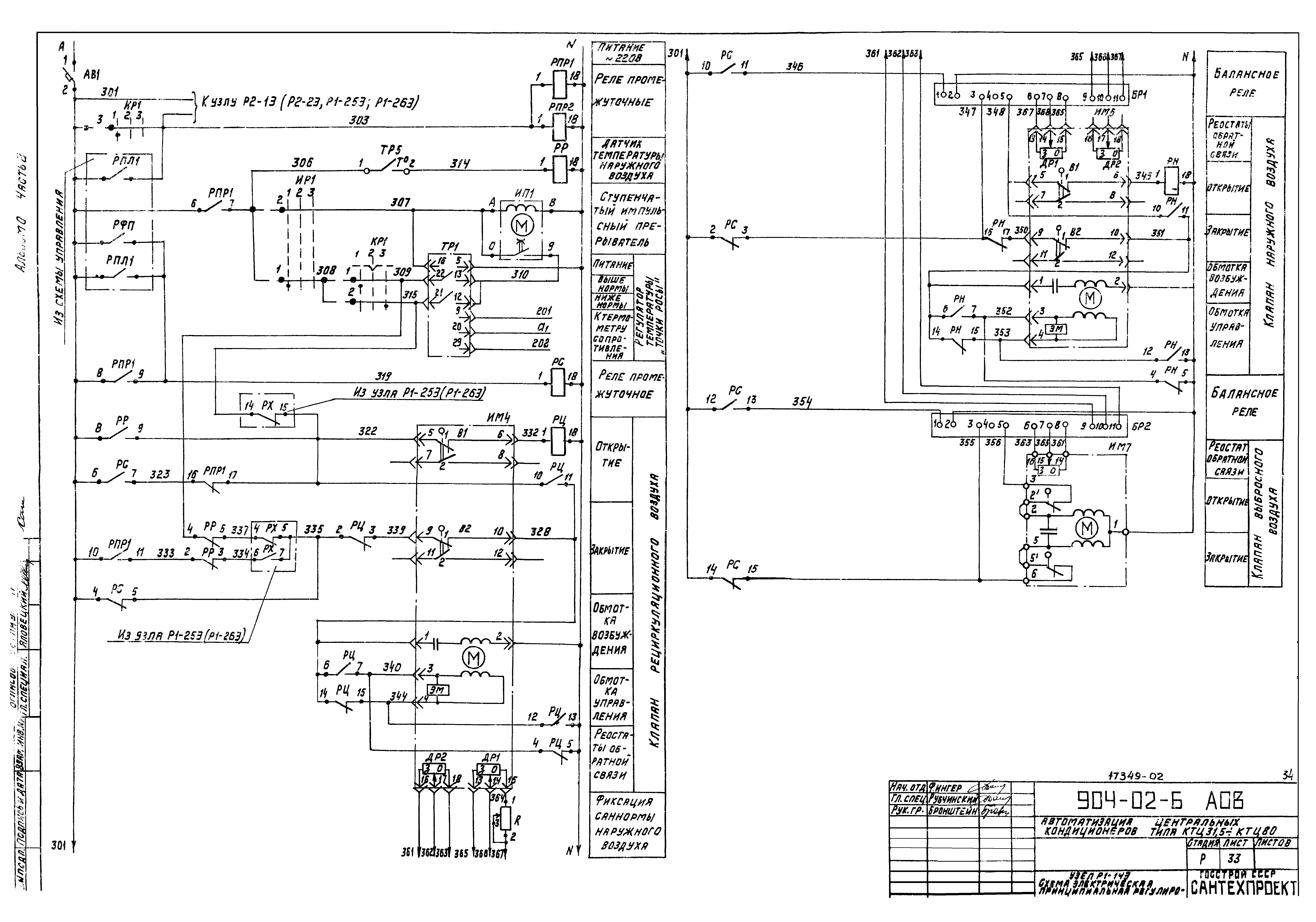
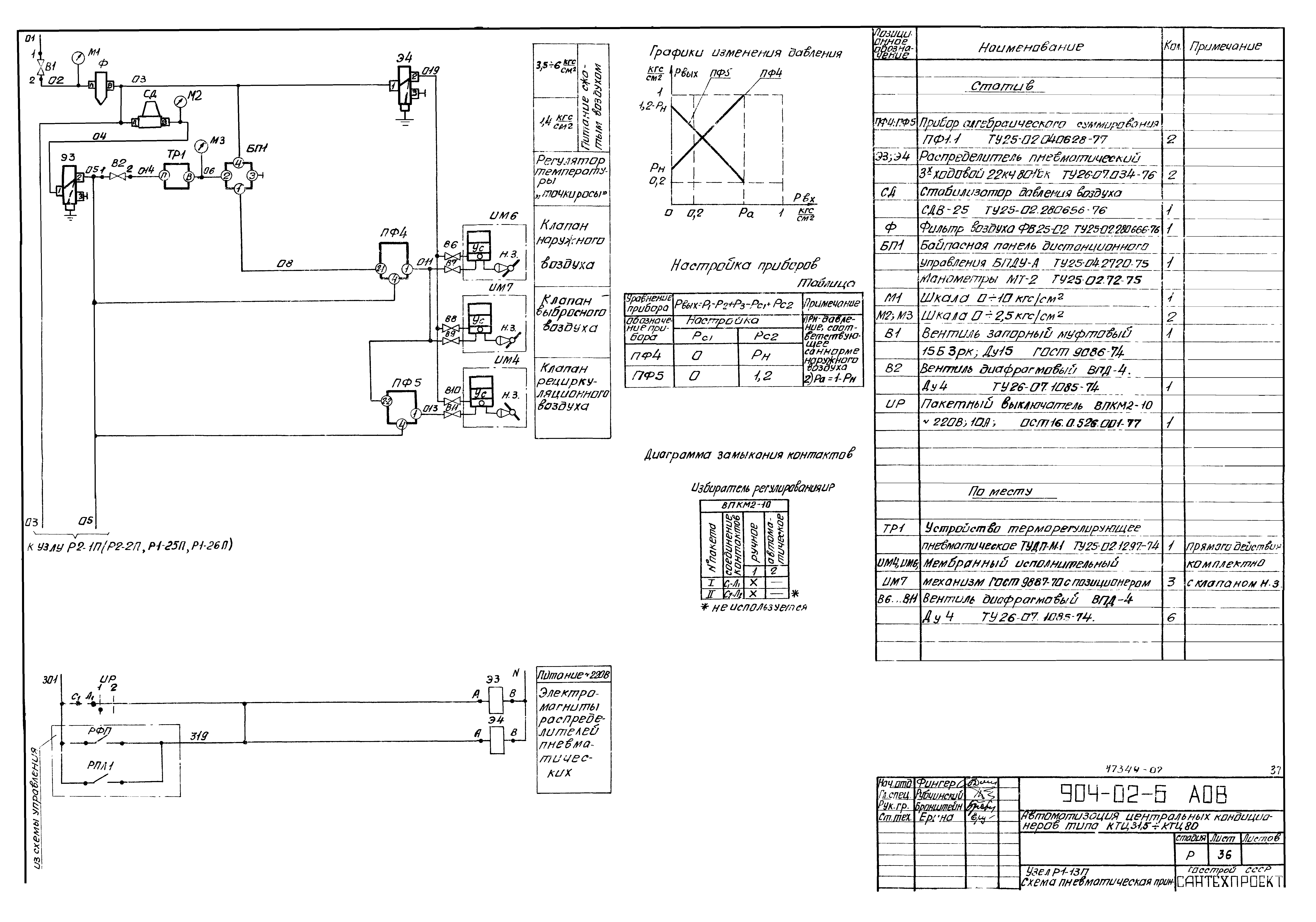
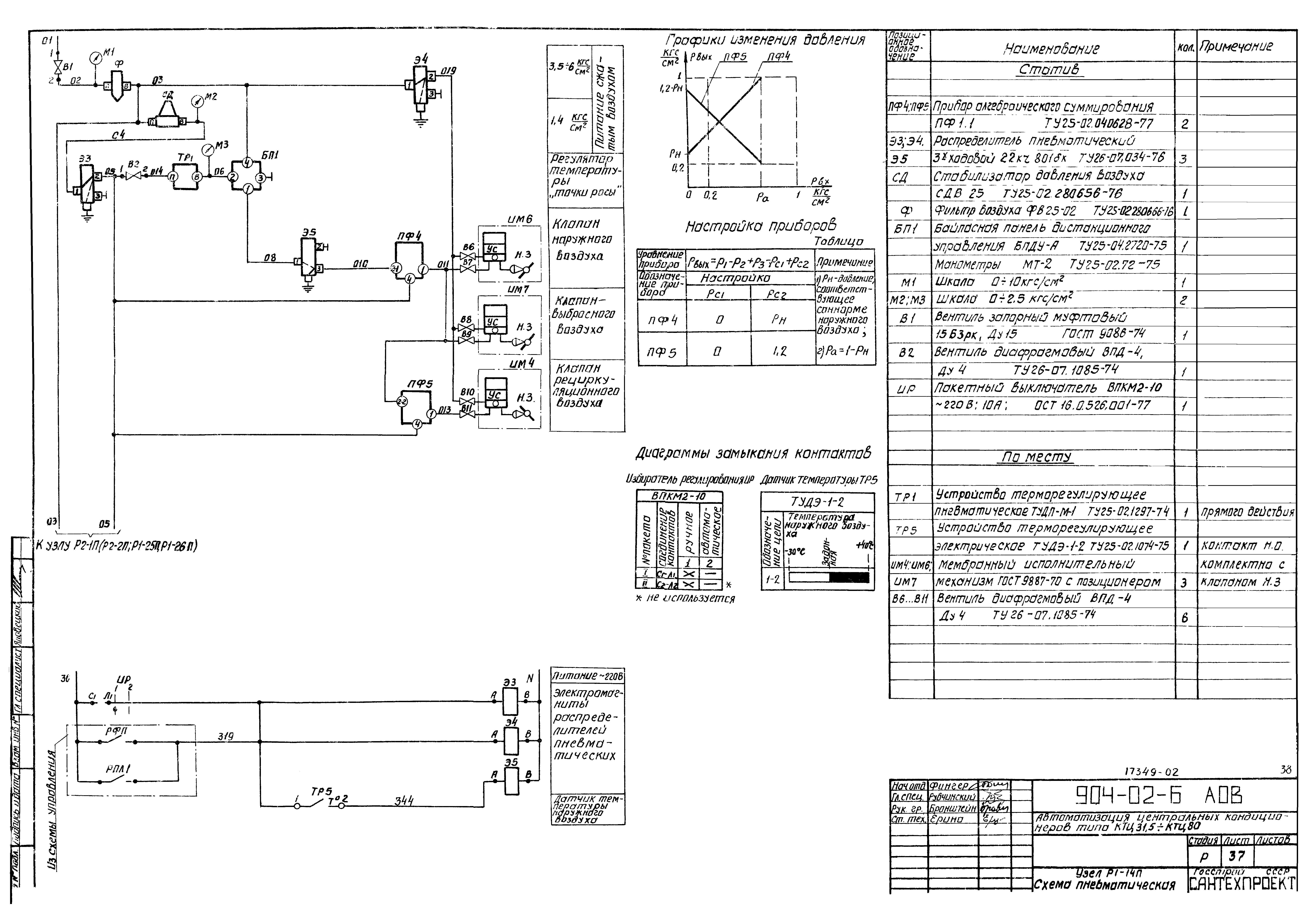
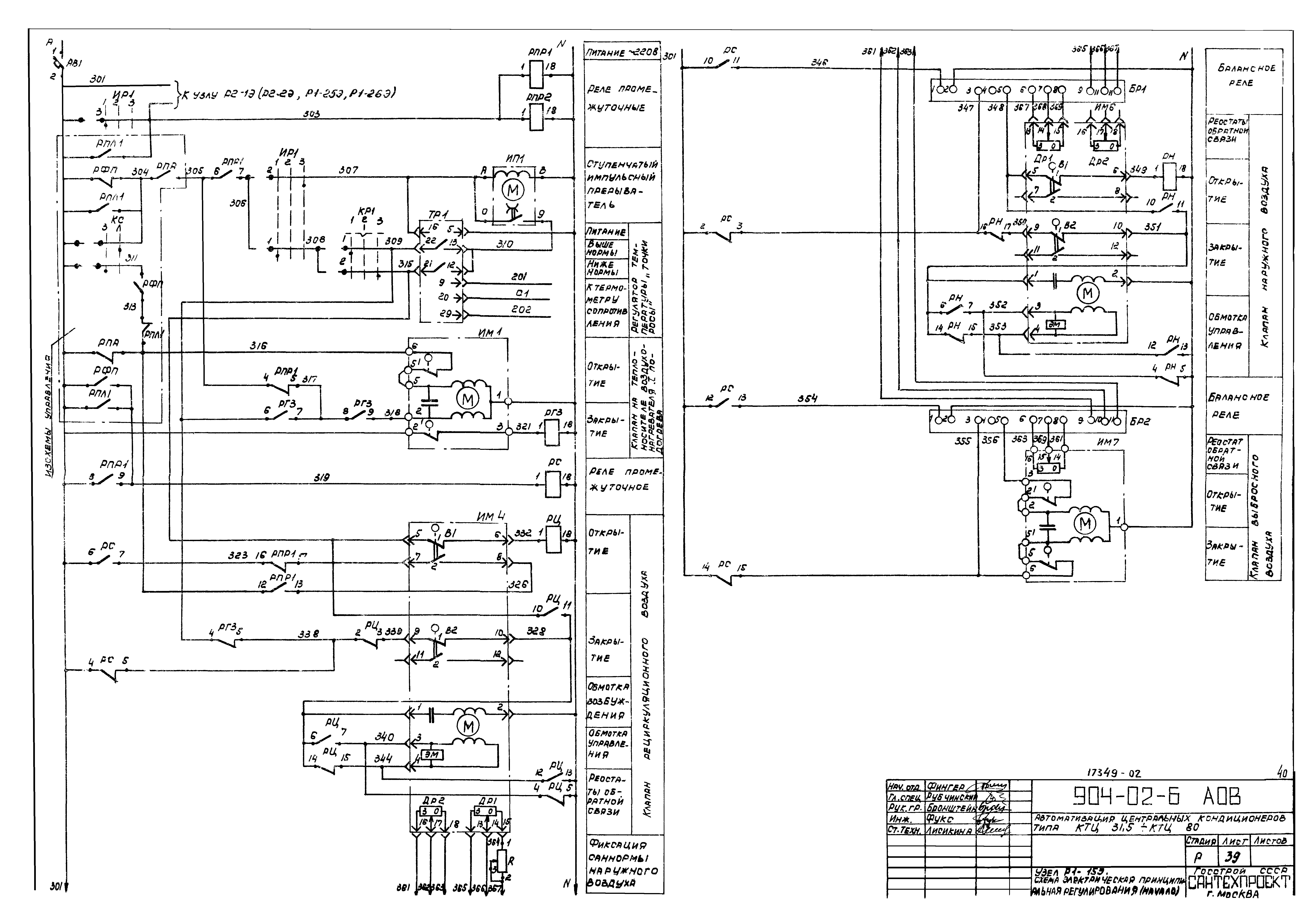
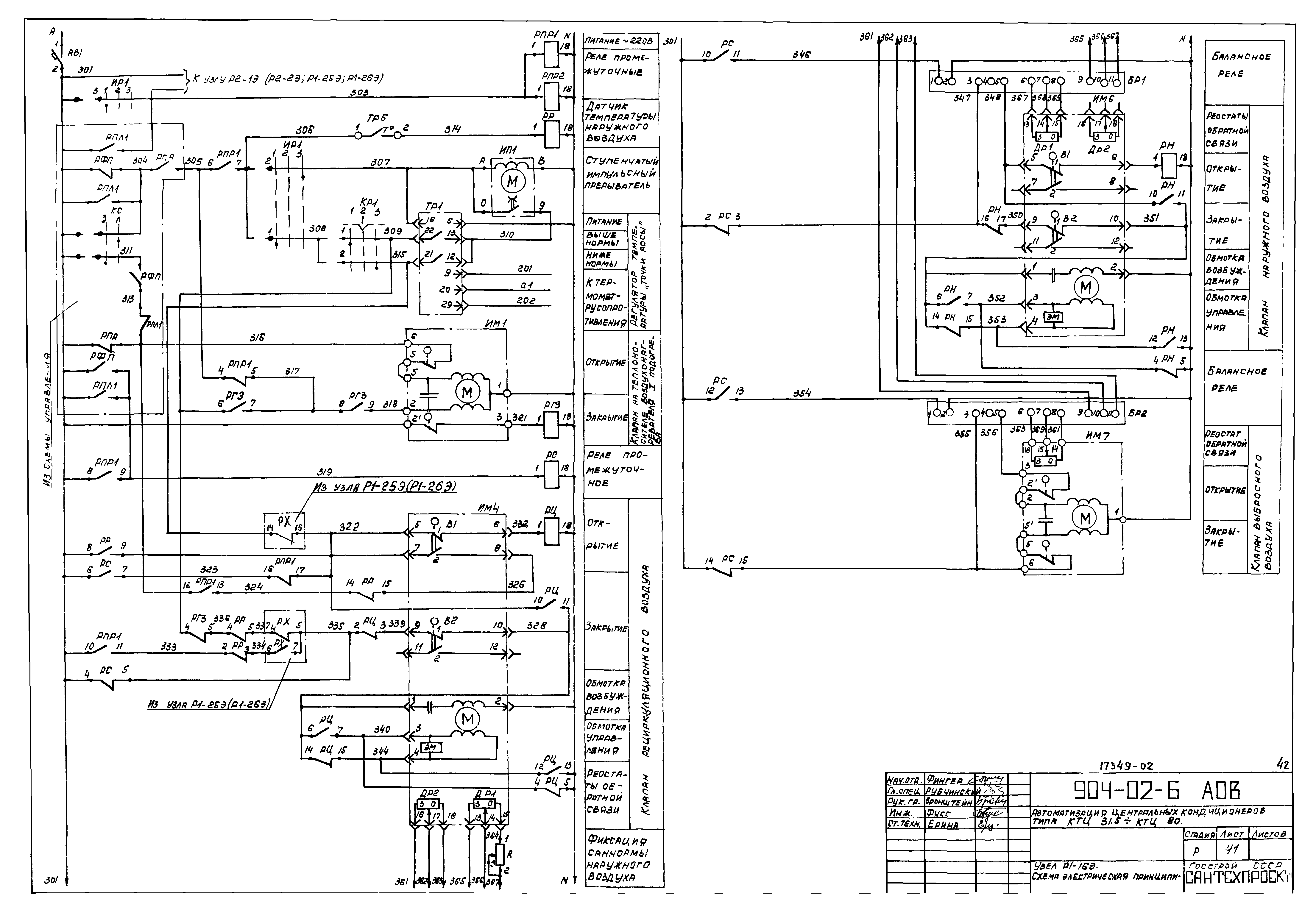
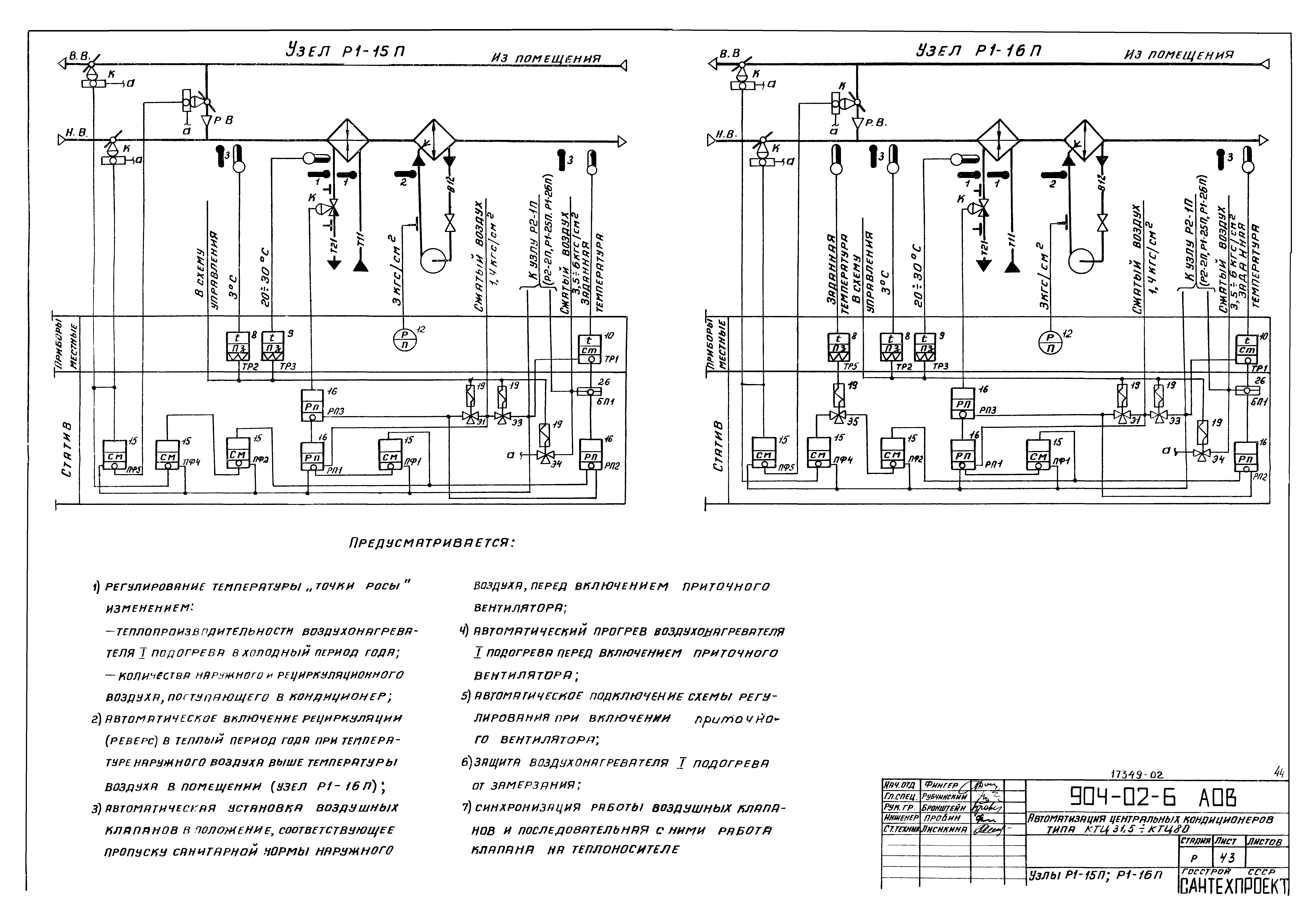
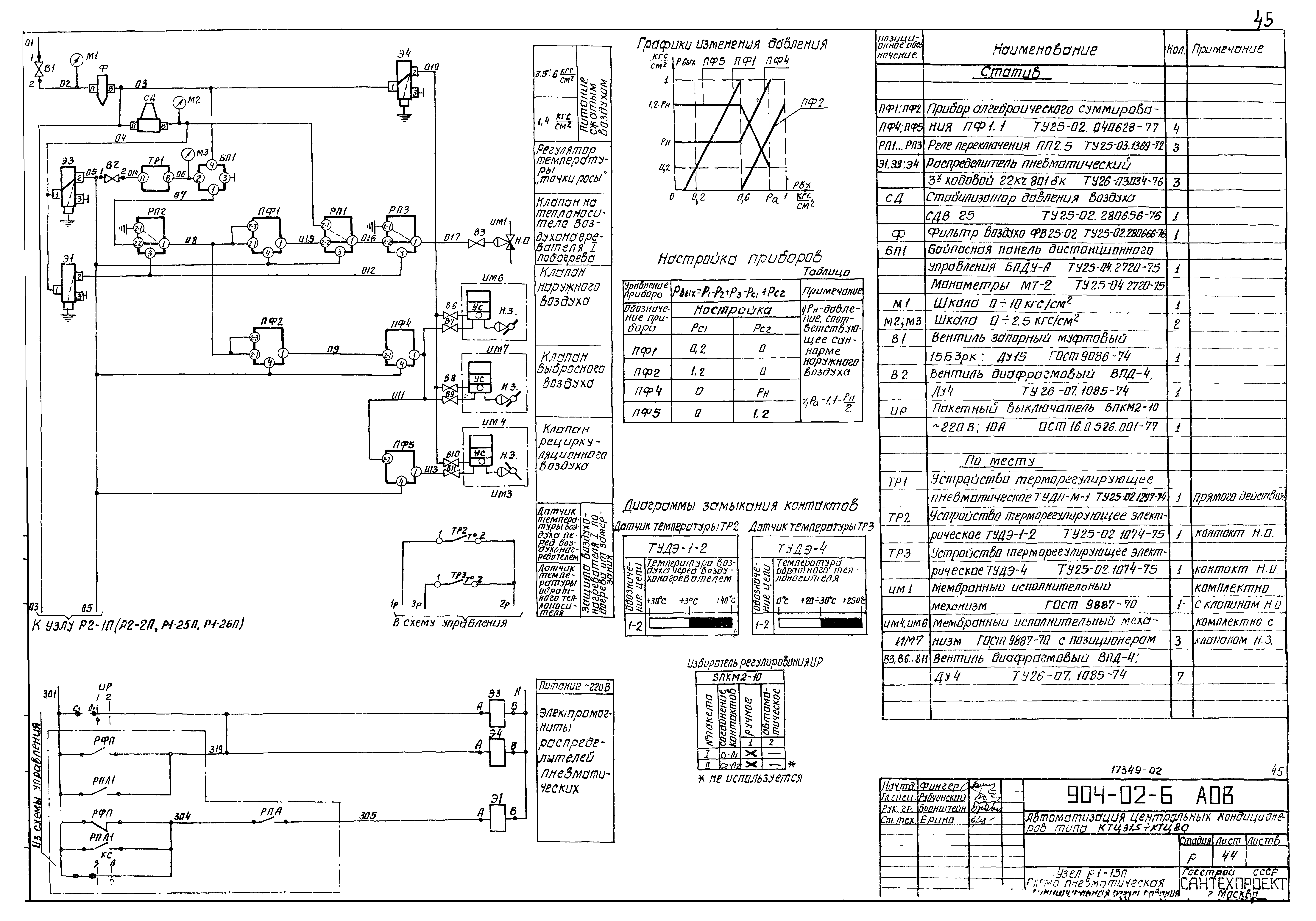
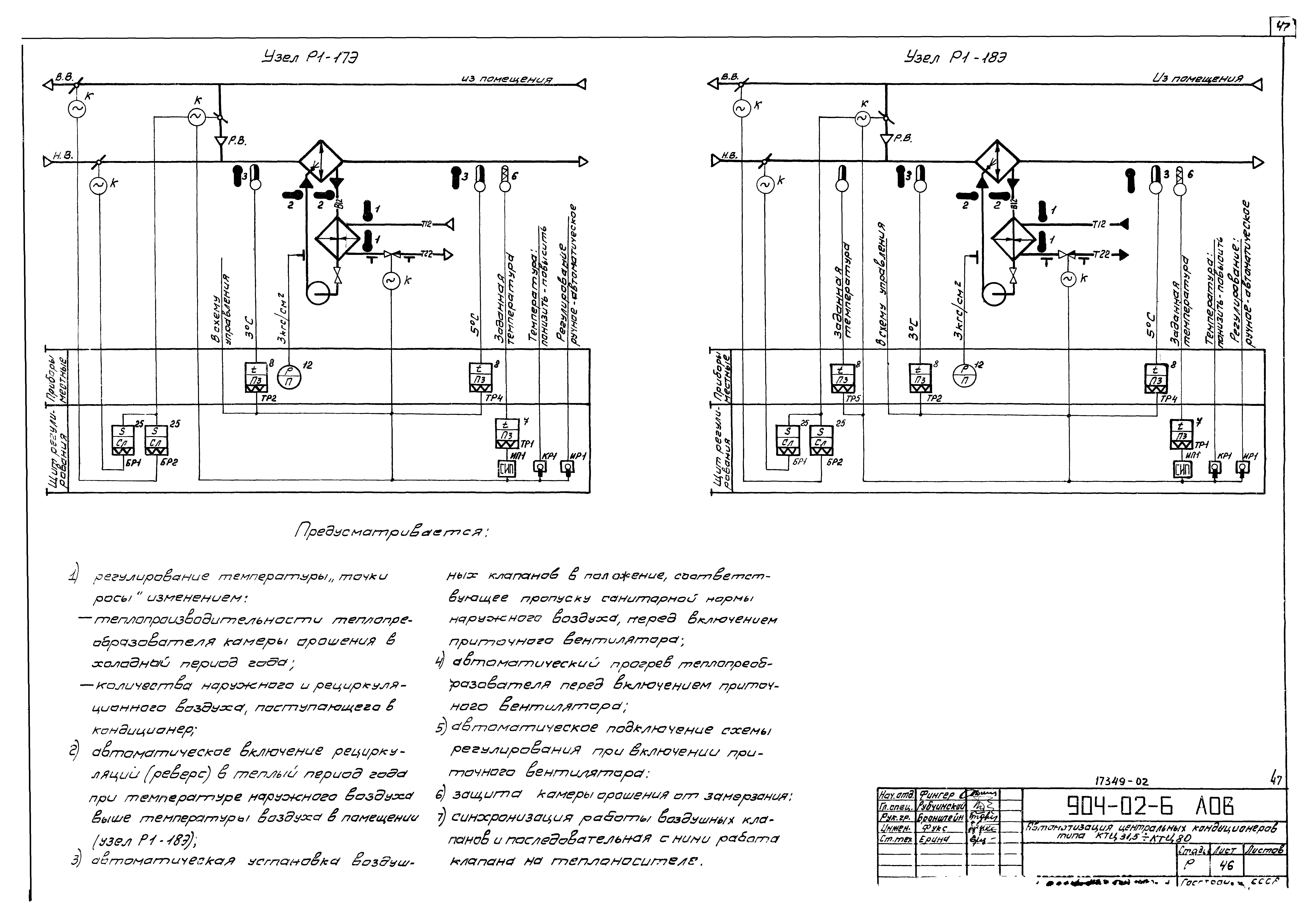
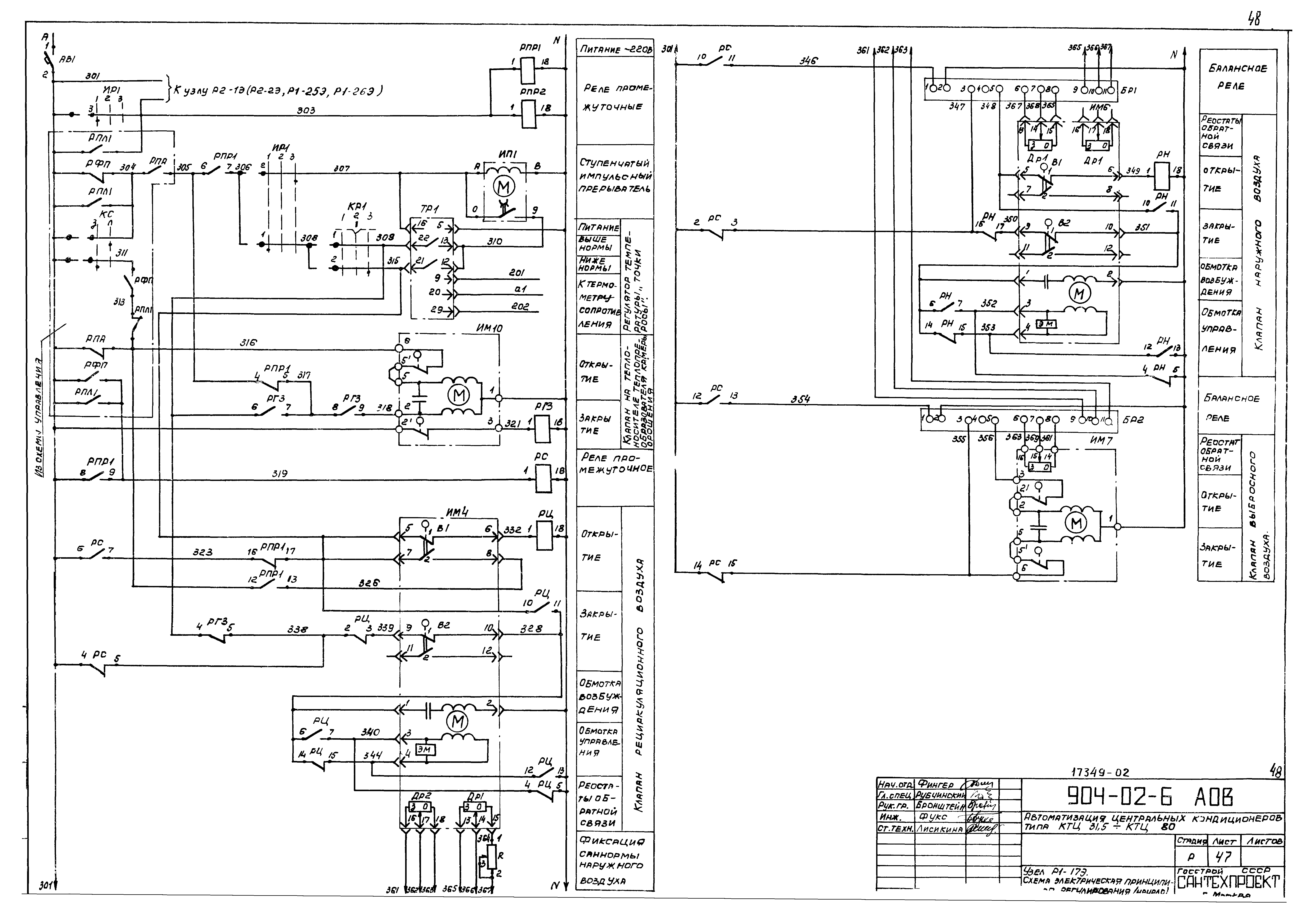
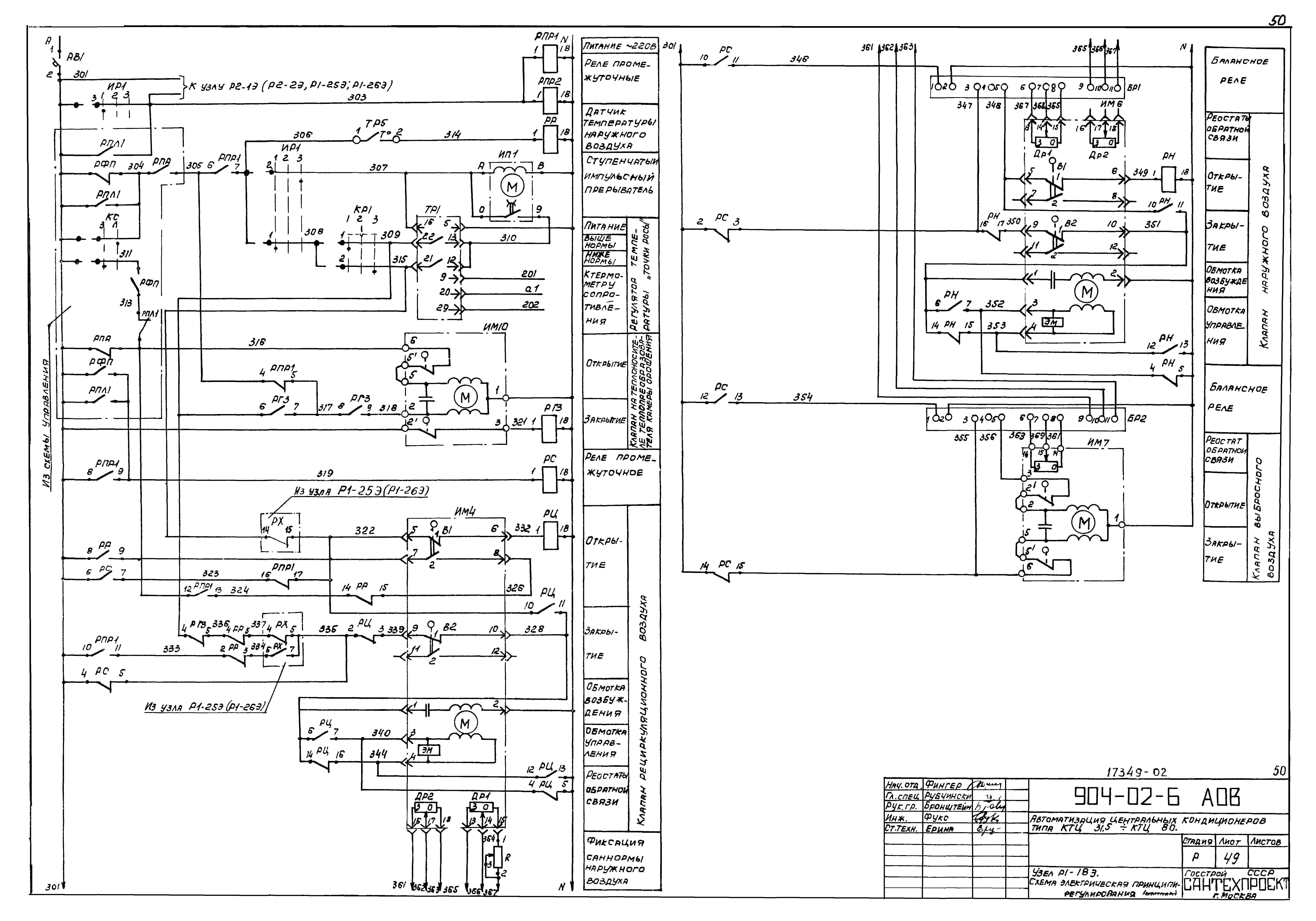
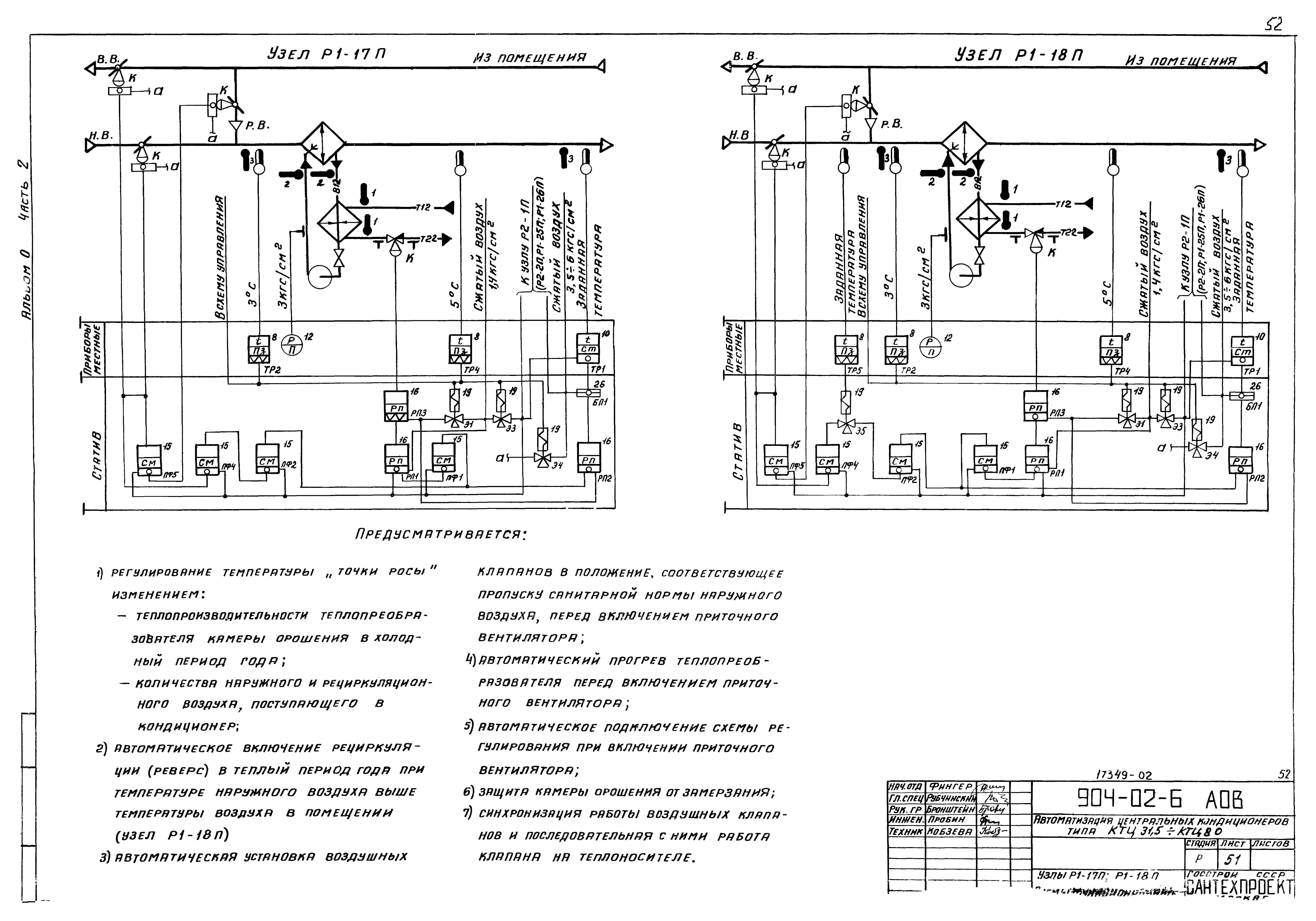
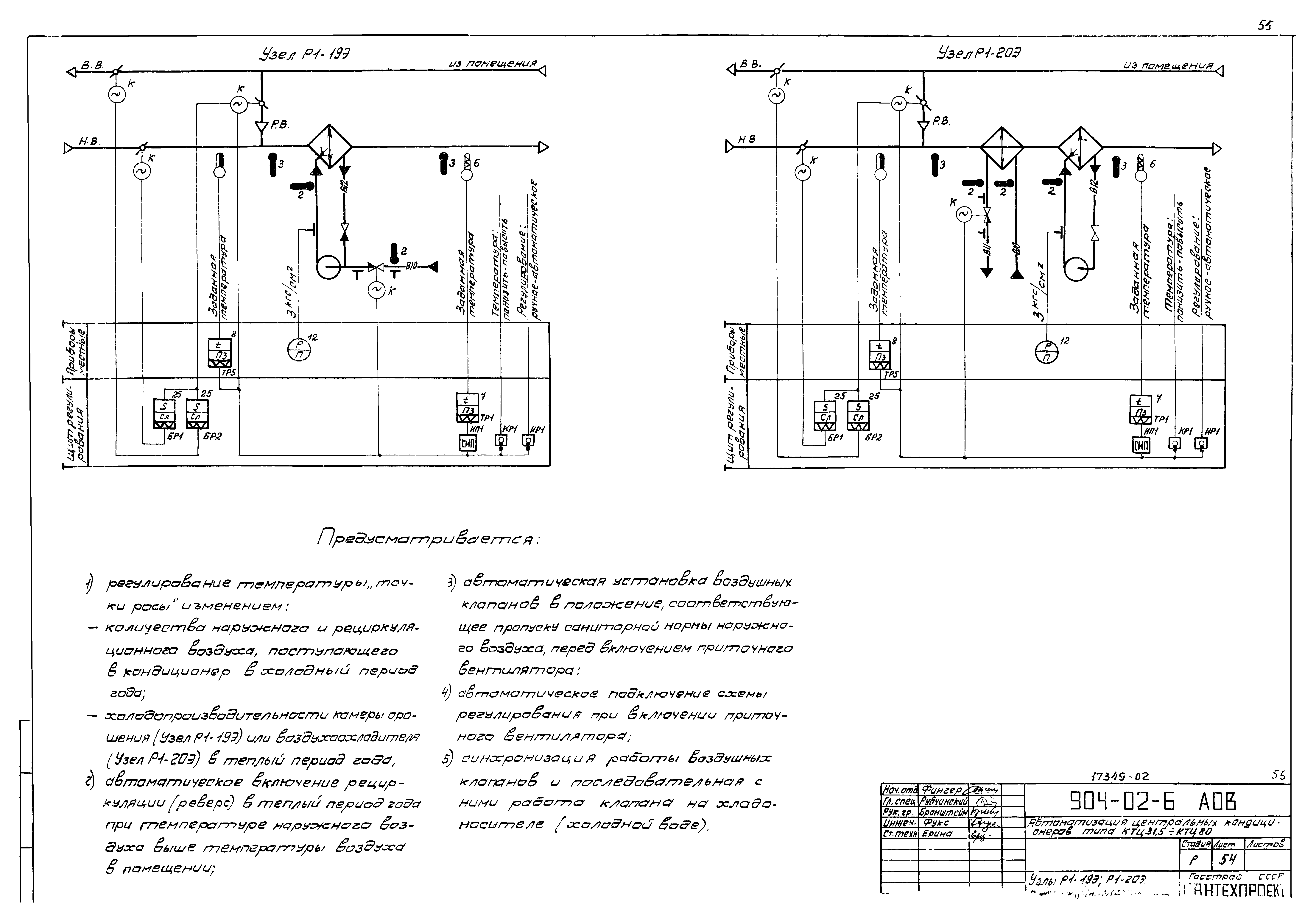
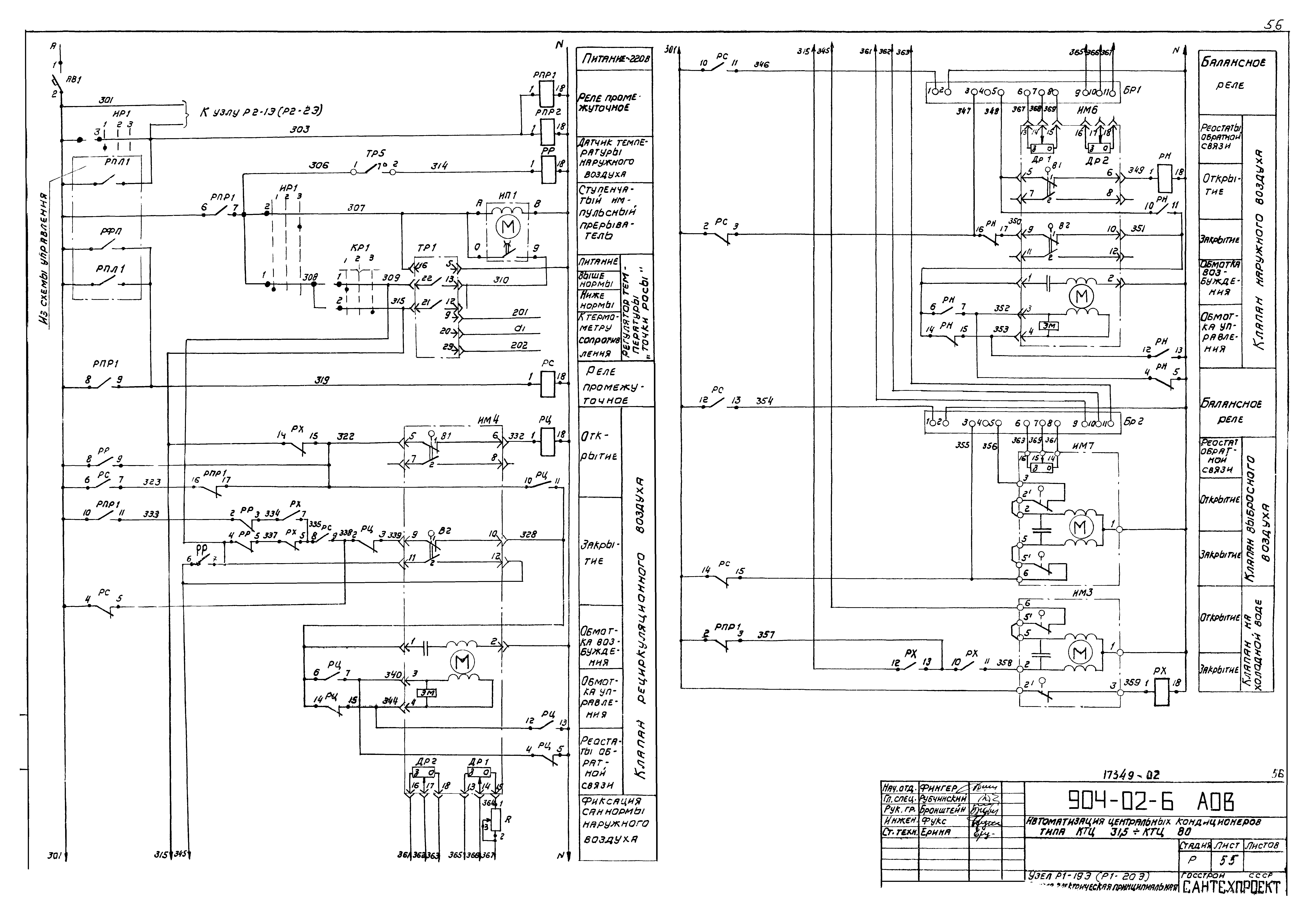
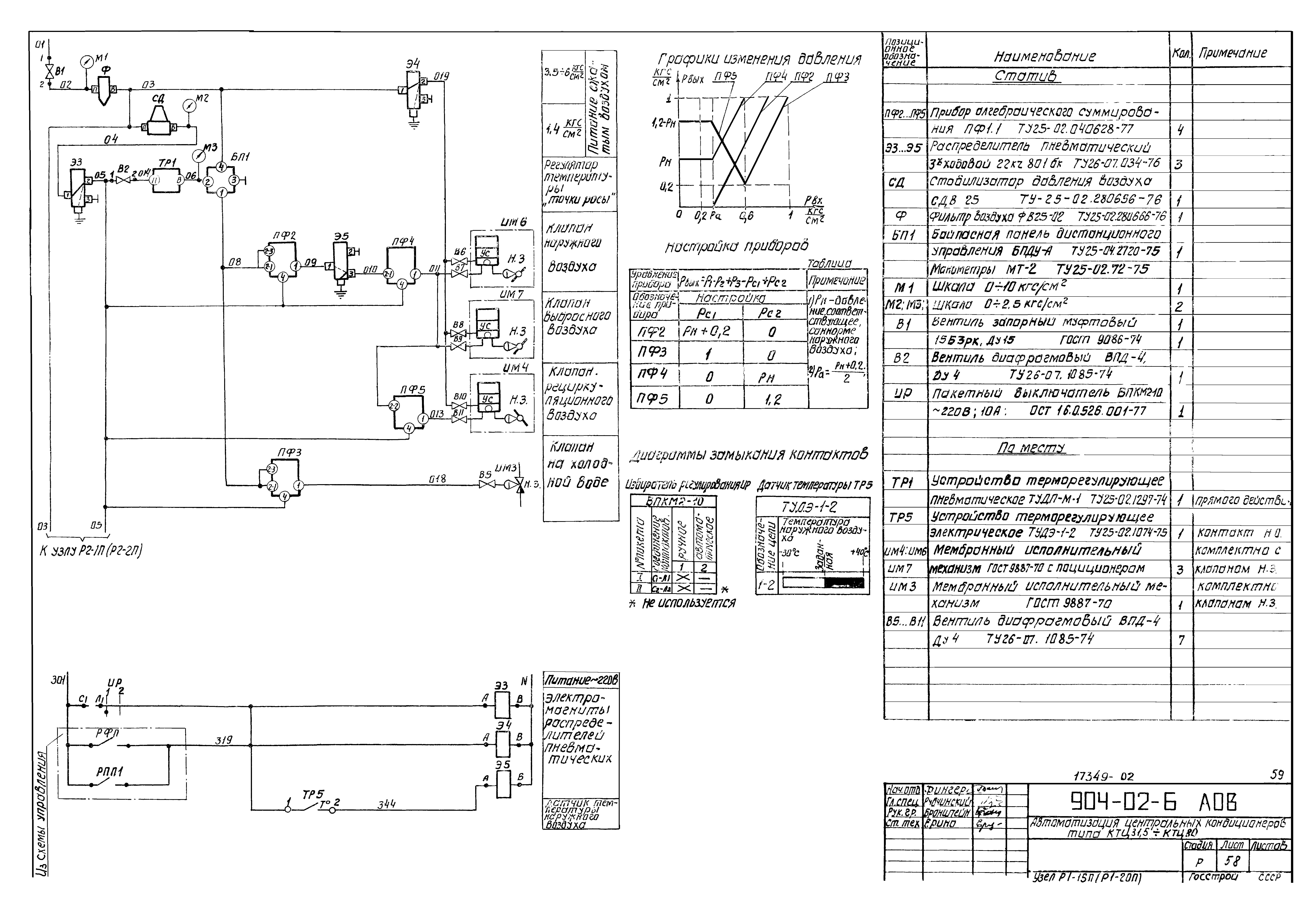
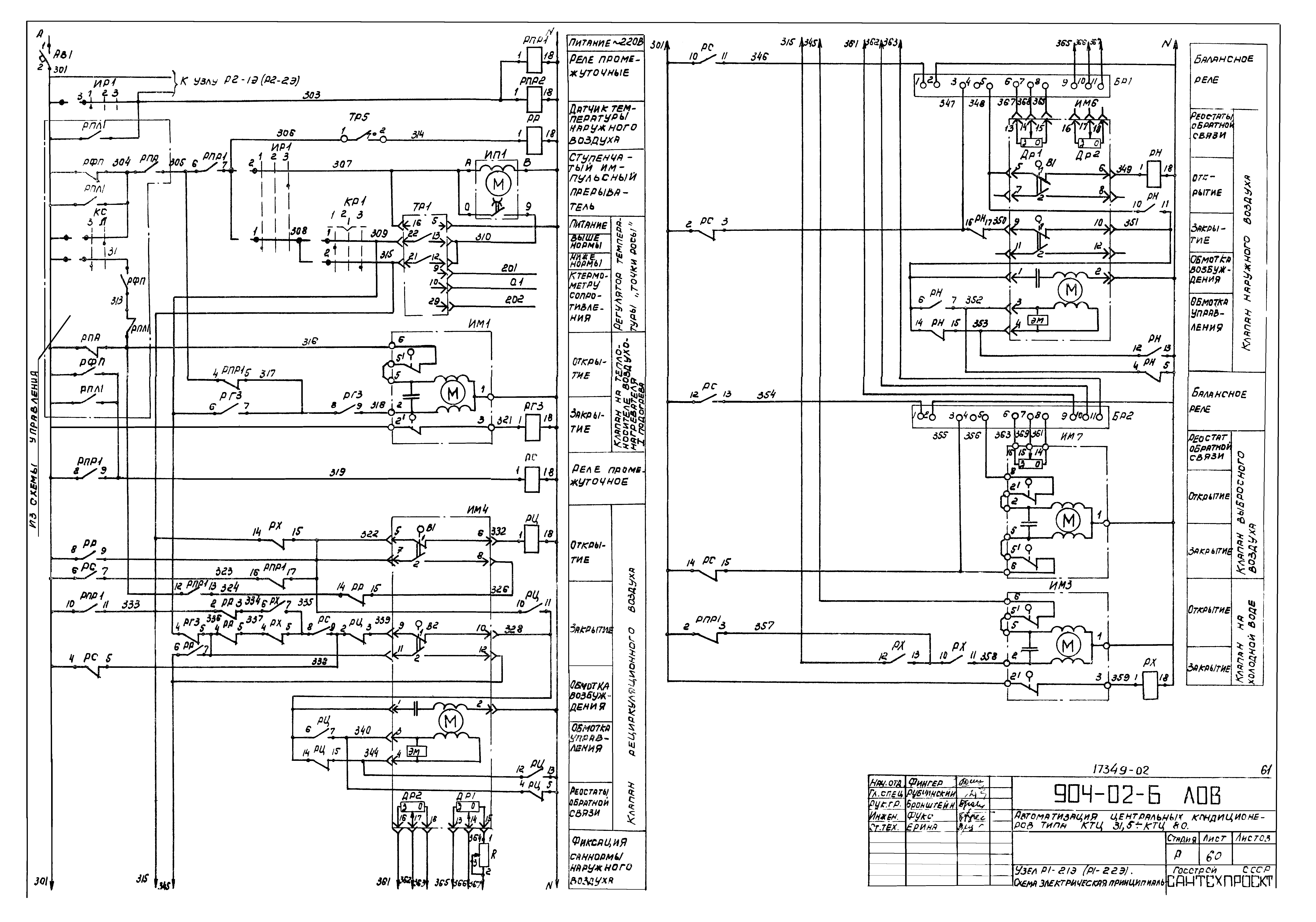
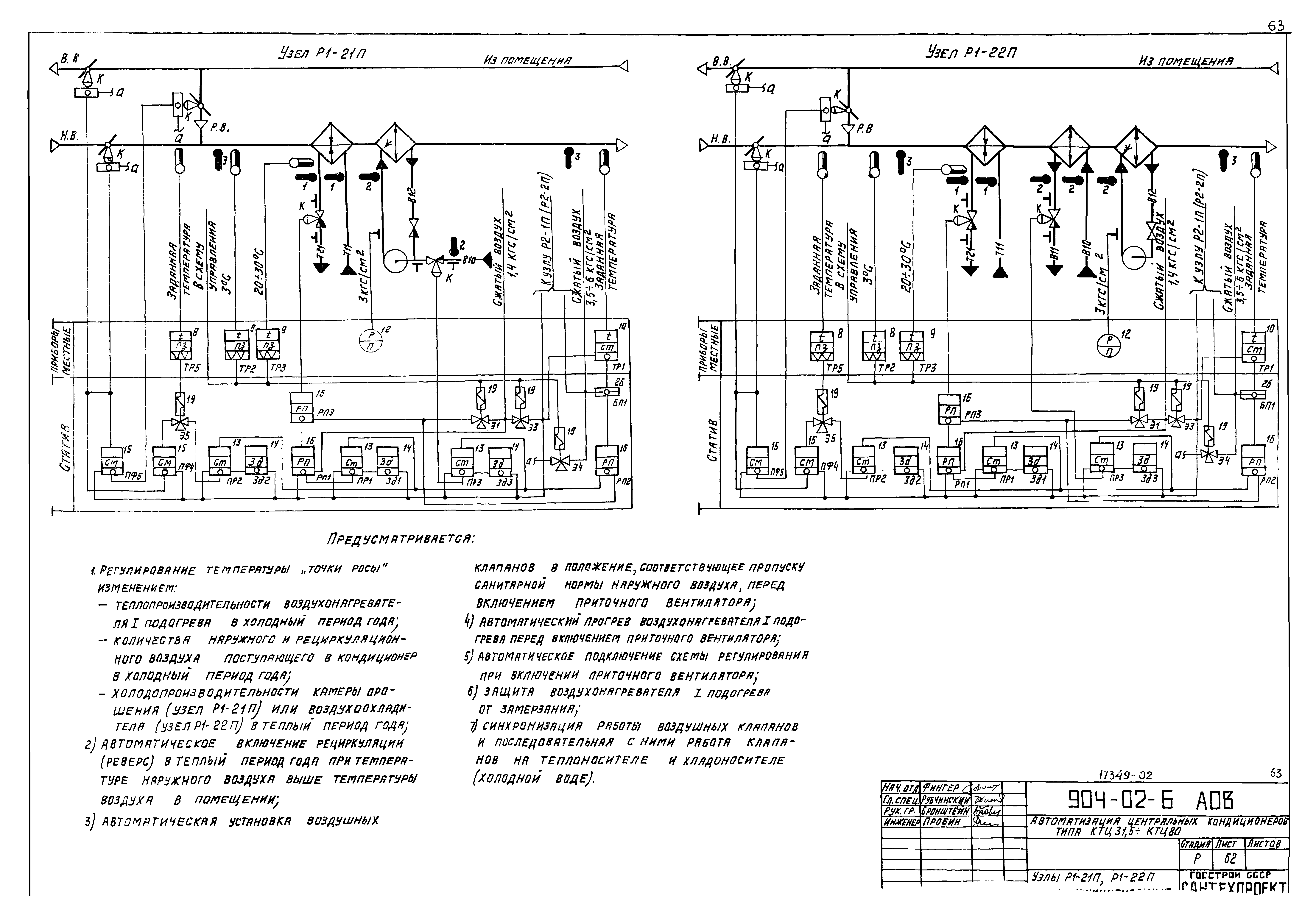
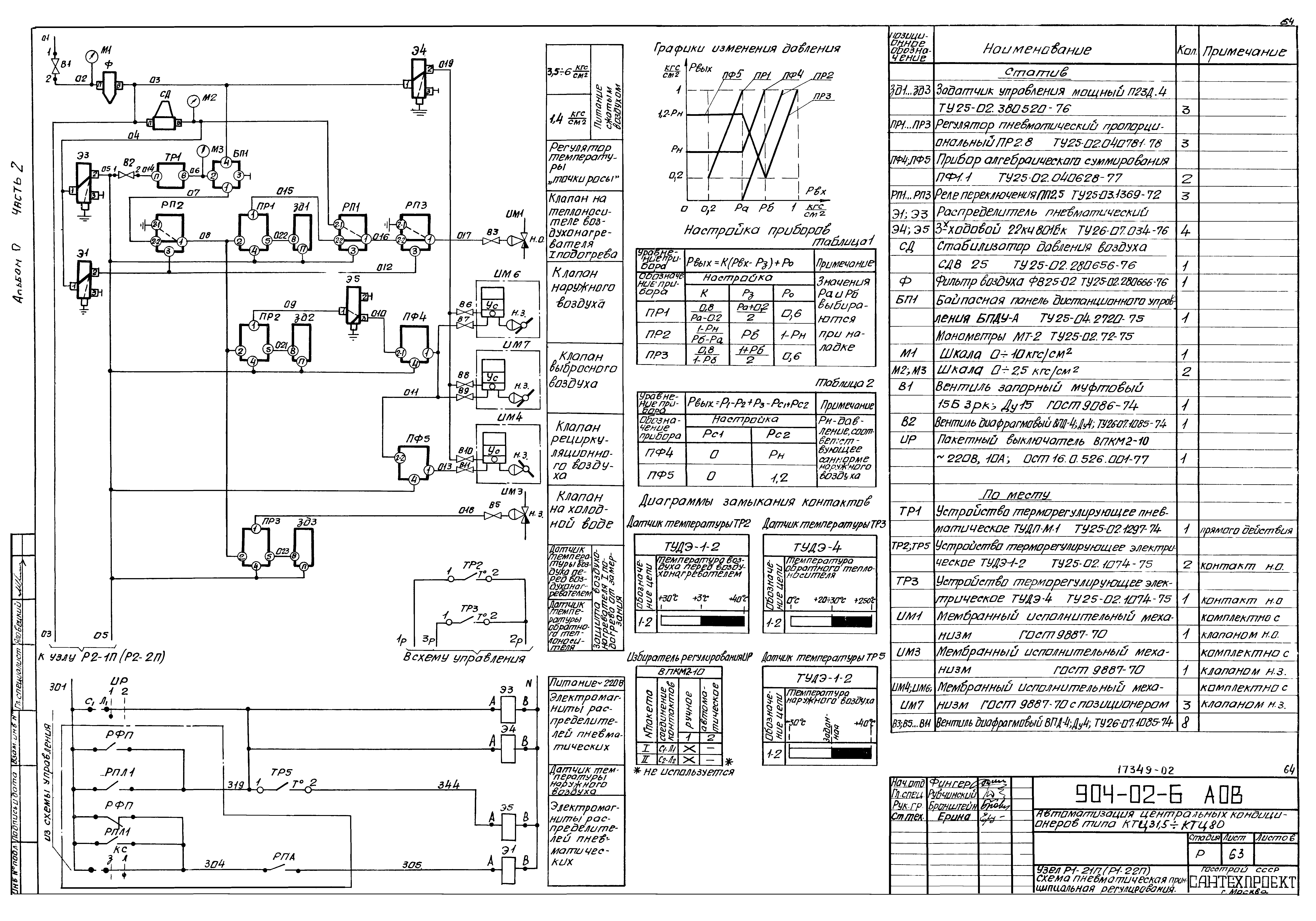
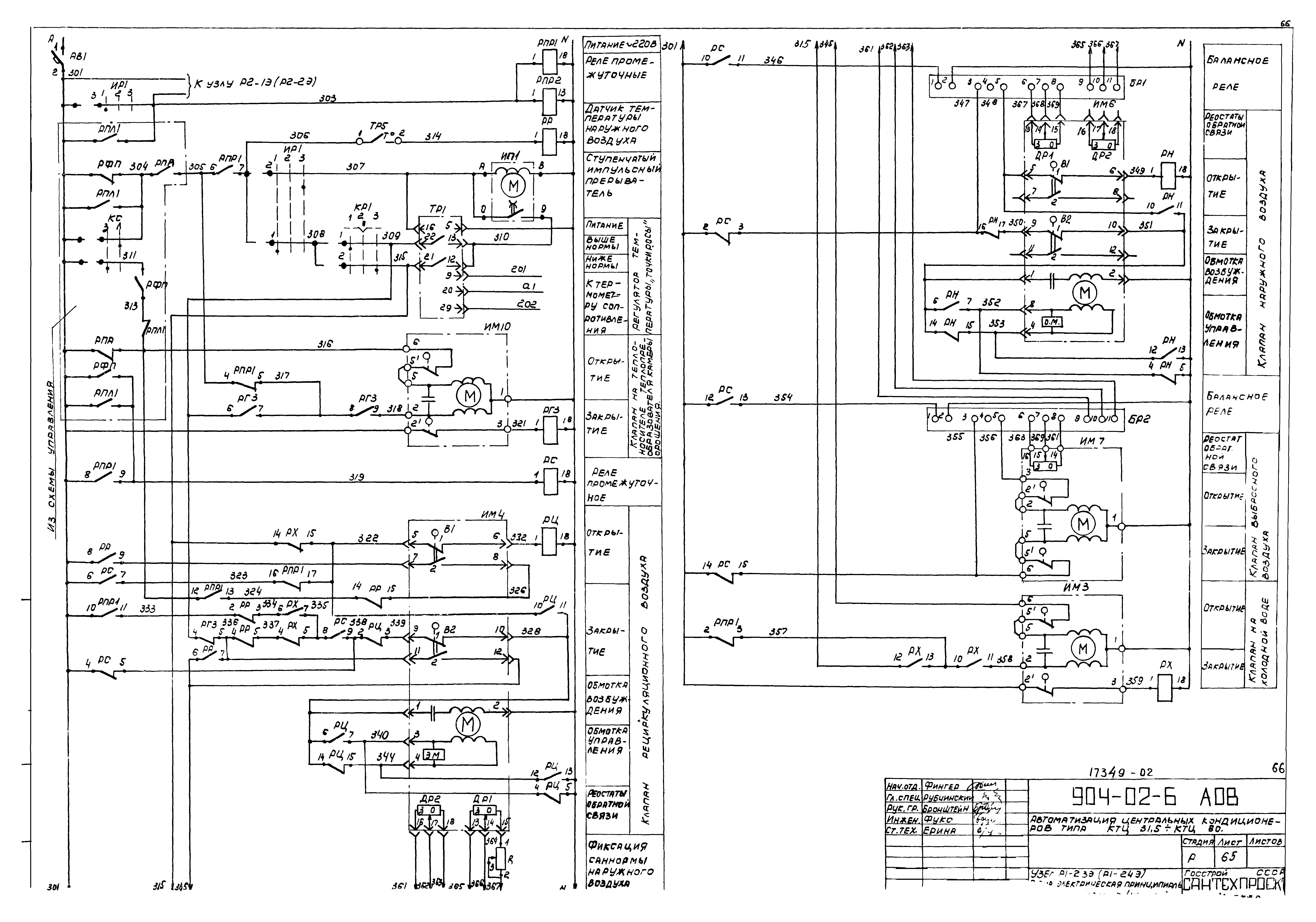
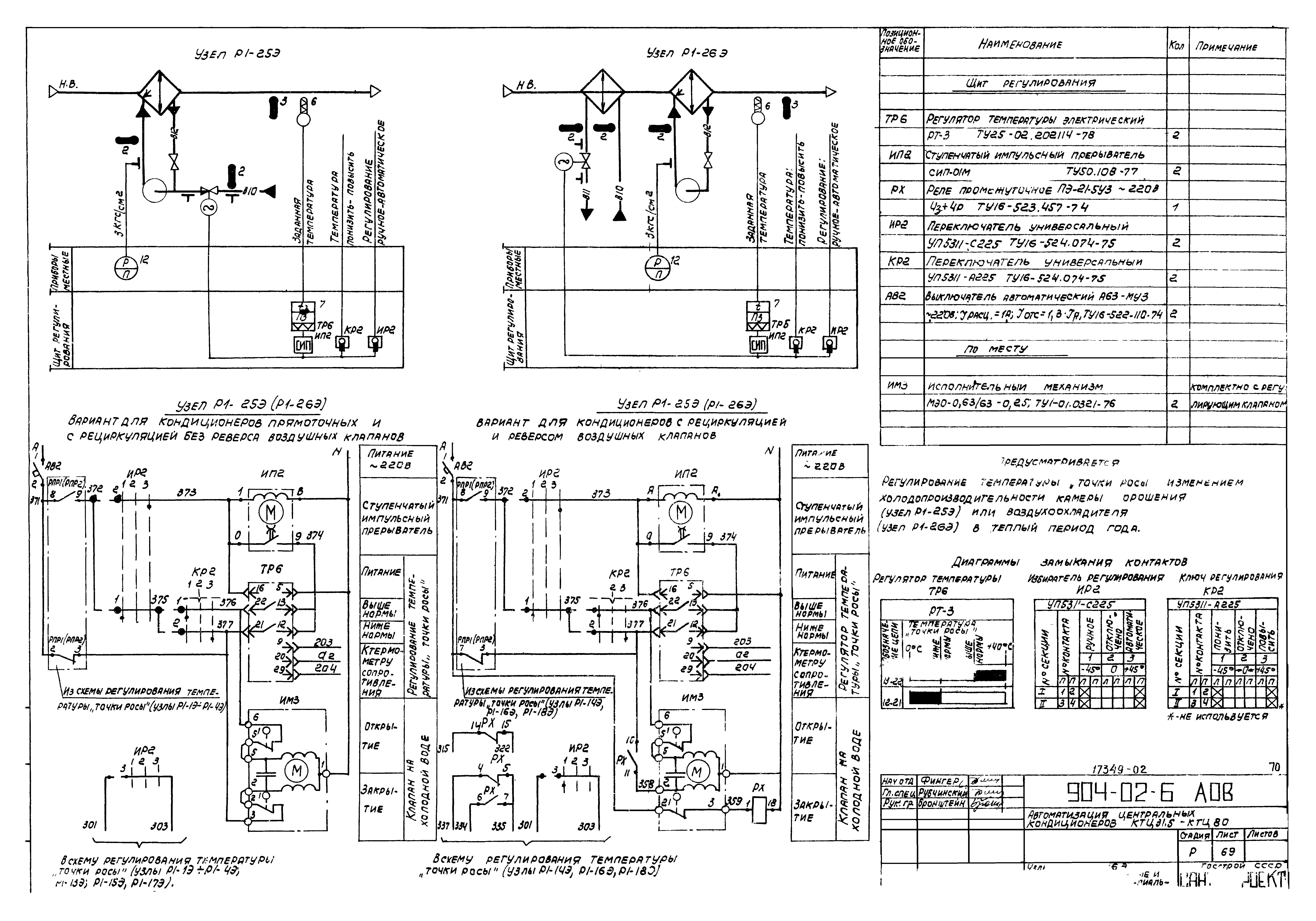
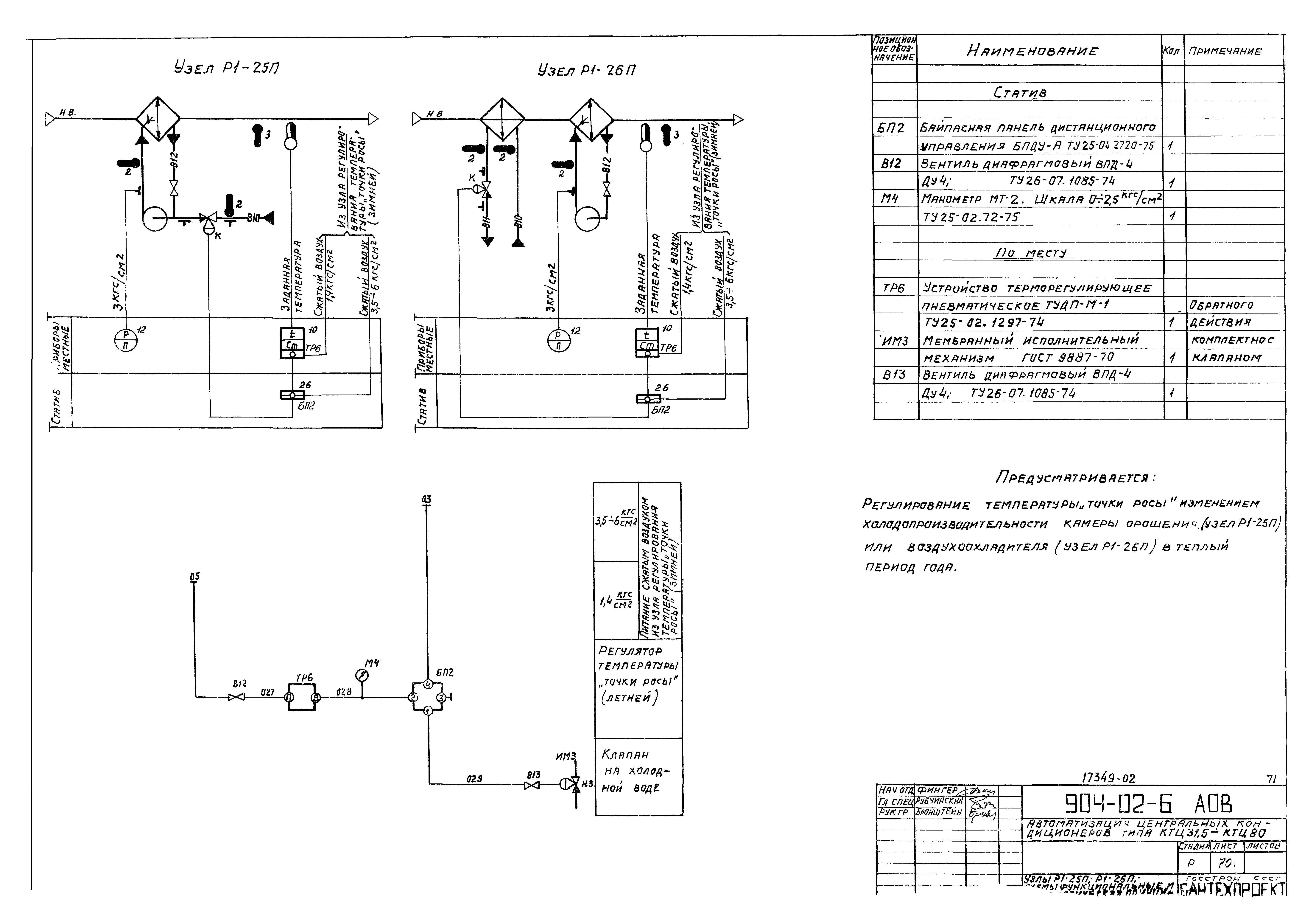
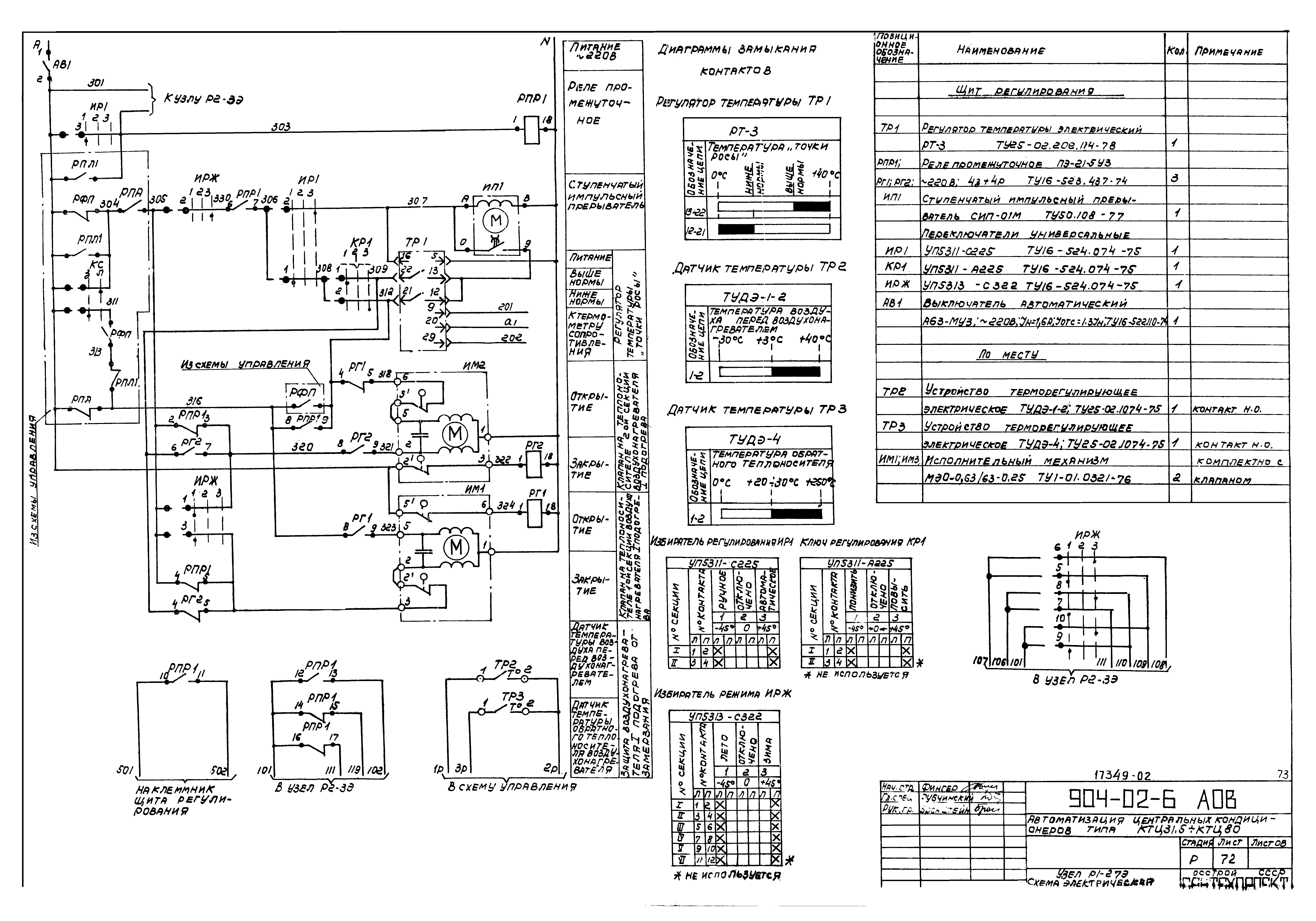
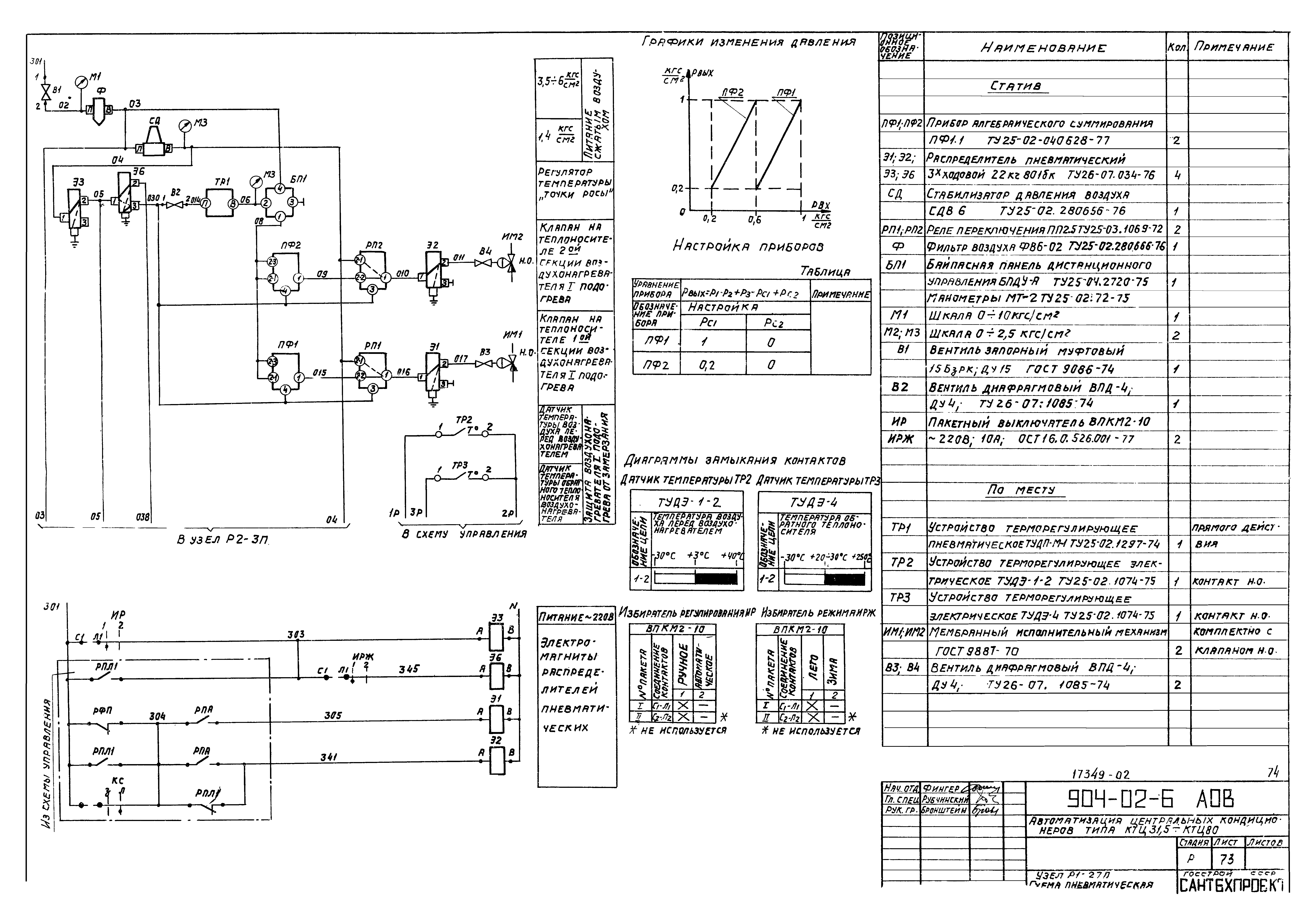
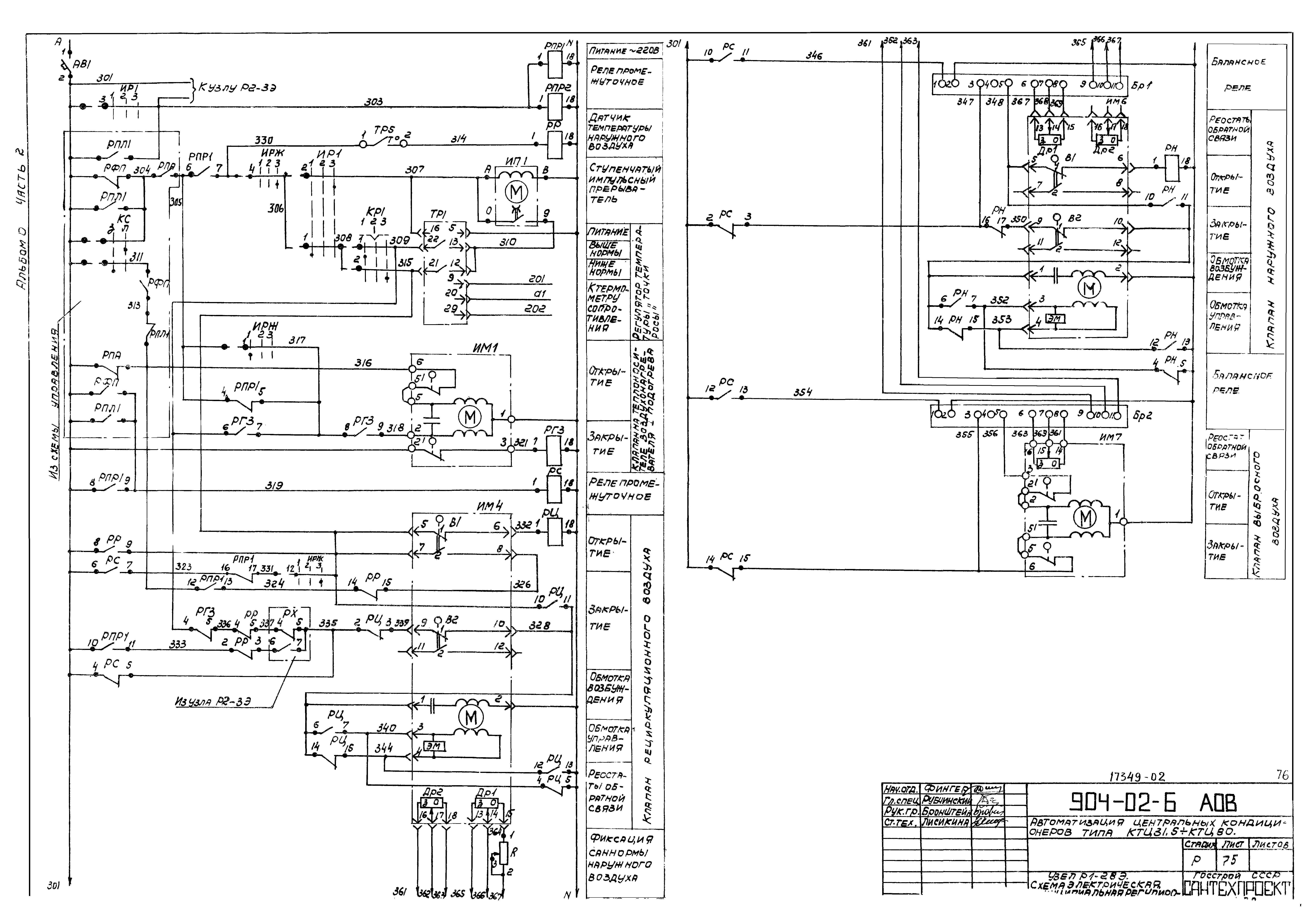
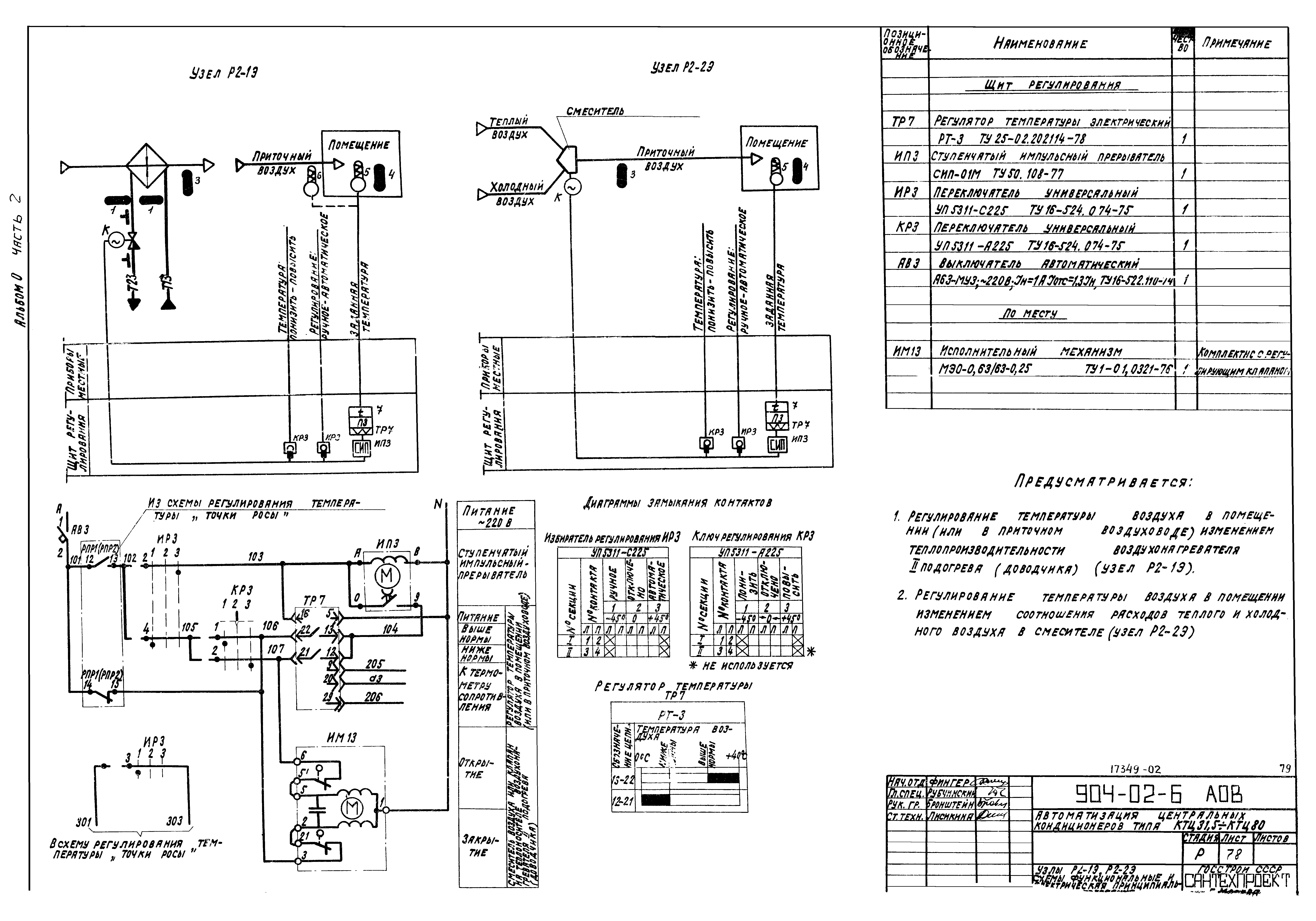
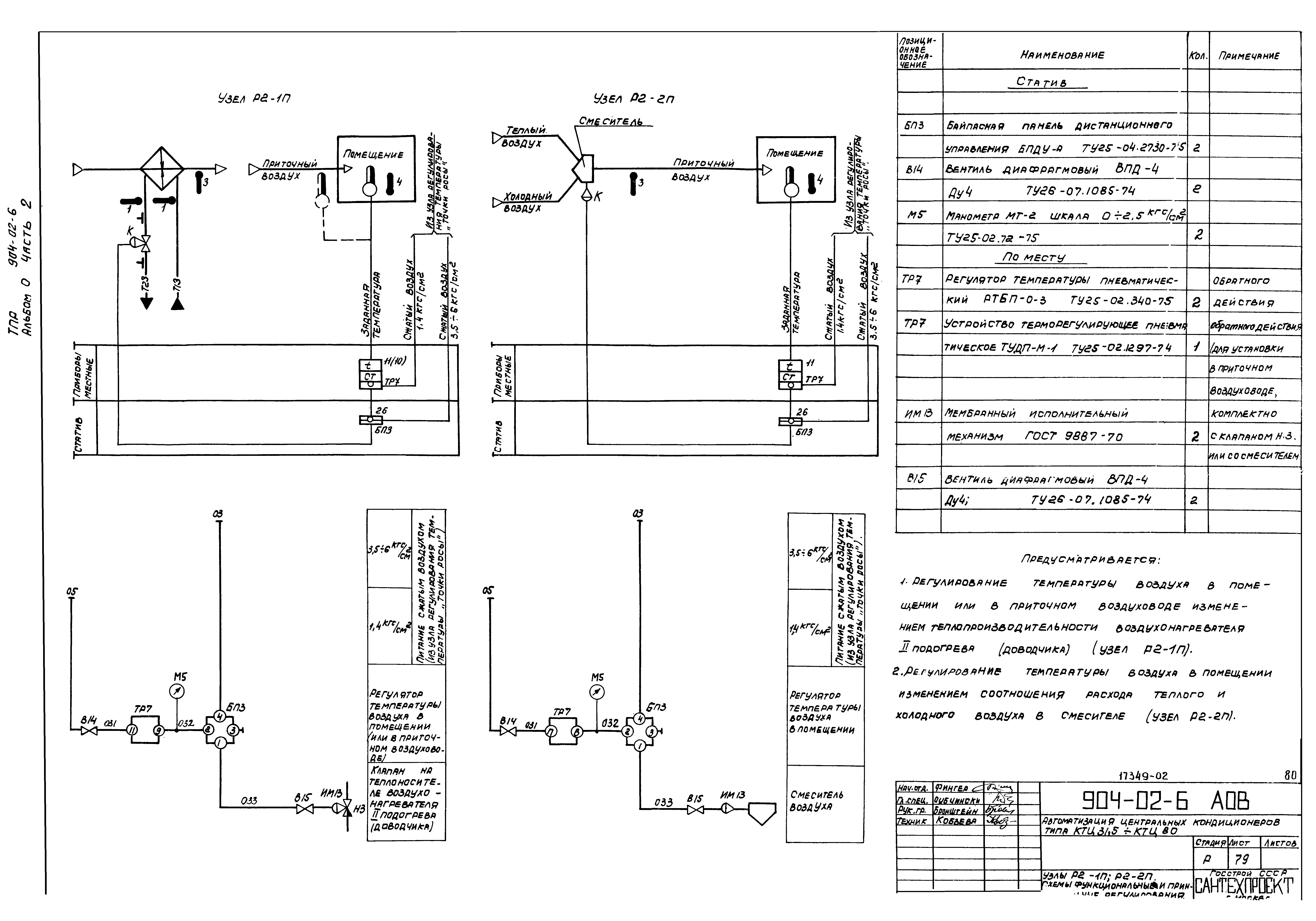
| Оглавление: | Часть 2 ТП 904-02-6 АОВ Общие данные ТП 904-02-6 АОВ Узлы регулирования (чертежи) |
| Разработан: | Сантехпроект Госстроя СССР |
| Утверждён: | 06.08.1981 Главпромстройпроект Госстроя СССР (47) |



















































































