Скачать Типовые проектные решения 904-02-6 Альбом V. Часть 2. Кондиционер прямоточный с двумя секциями воздухонагревателя первого подогрева и тремя доводчиками. Пневматическая система регулированияДата актуализации: 01.01.2021
|
| Обозначение: | Типовые проектные решения 904-02-6 |
| Обозначение англ: | 904-02-6 |
| Статус: | справочные материалы, мп, тпр |
| Название рус.: | Альбом V. Часть 2. Кондиционер прямоточный с двумя секциями воздухонагревателя первого подогрева и тремя доводчиками. Пневматическая система регулирования |
| Дата добавления в базу: | 01.09.2013 |
| Дата актуализации: | 01.01.2021 |
| Дата окончания срока действия: | 06.08.1981 |
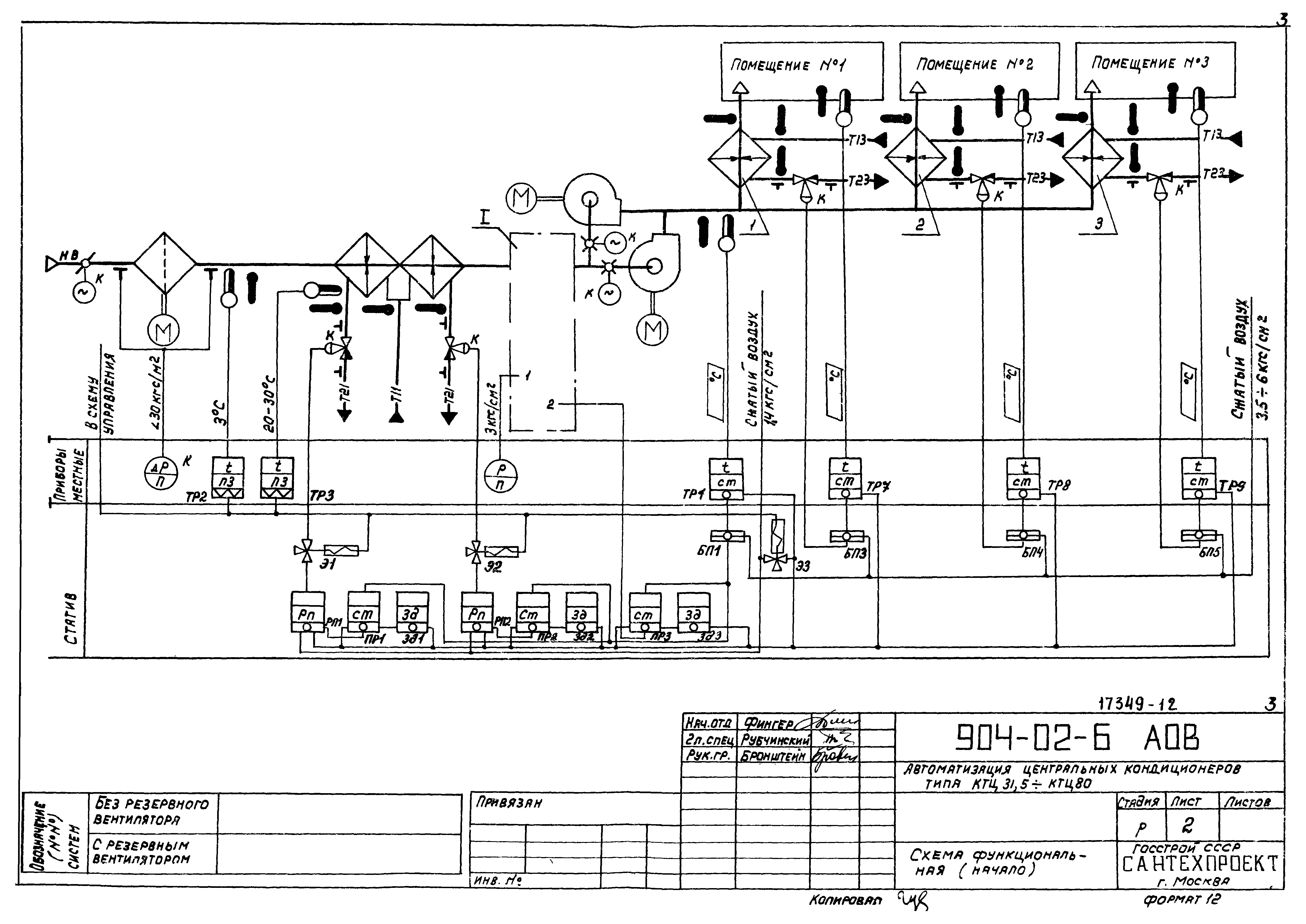
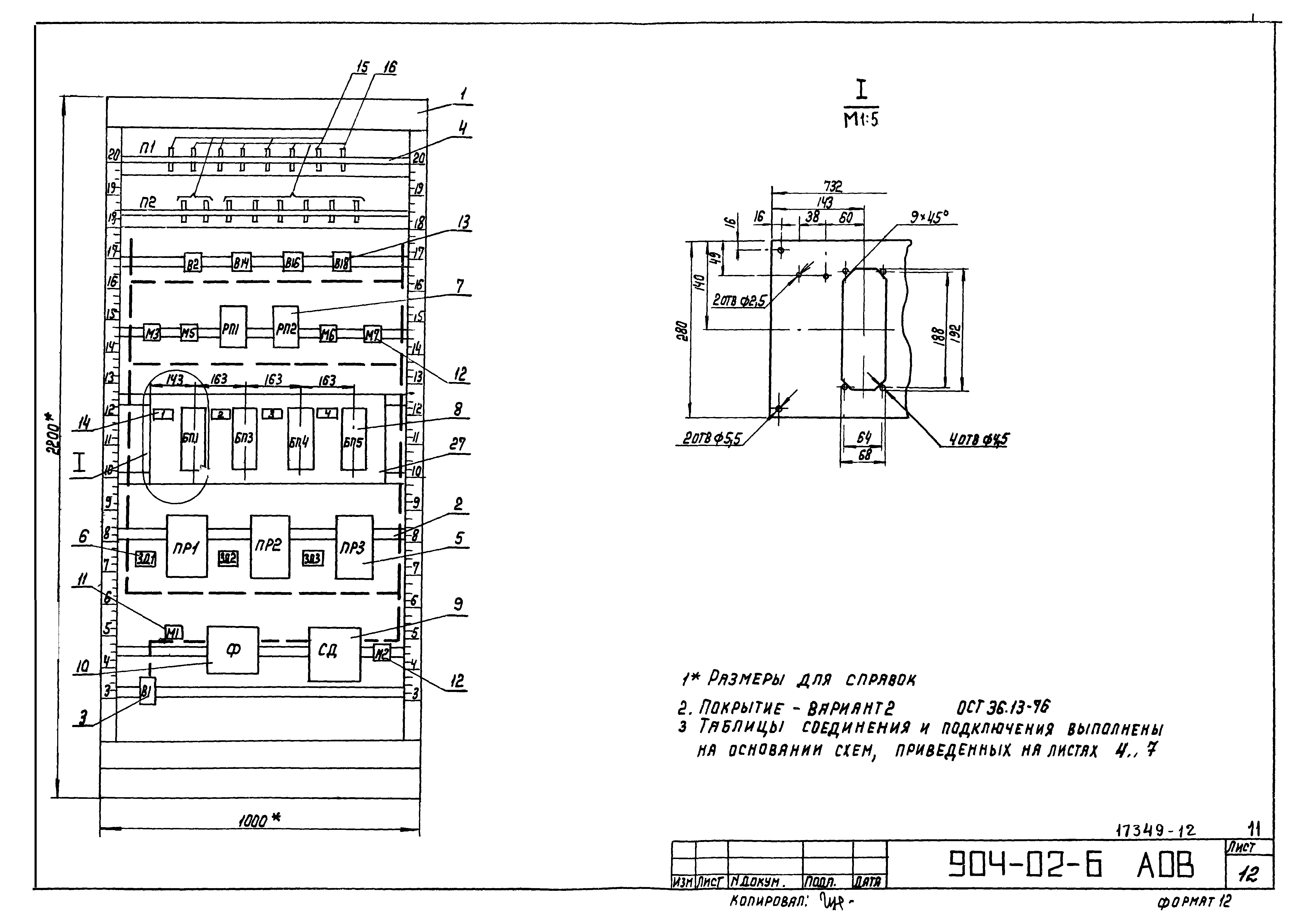
| Оглавление: | ТП 904-02-6 АОВ Общие данные ТП 904-02-6 АОВ Схема функциональная ТП 904-02-6 АОВ Схема пневматическая принципиальная регулирования ТП 904-02-6 АОВ Статив С5.1. Общий вид ТП 904-02-6 АОВ Статив С5.2. Общий вид ТП 904-02-6 АОВ Схема подключения |
| Разработан: | Сантехпроект Госстроя СССР |
| Утверждён: | 06.08.1981 Главпромстройпроект Госстроя СССР (47) |



















