Скачать Типовые проектные решения 904-02-6 Альбом VIII. Часть 1. Кондиционер с рециркуляцией и двумя доводчиками. Электрическая система регулированияДата актуализации: 01.01.2021
|
| Обозначение: | Типовые проектные решения 904-02-6 |
| Обозначение англ: | 904-02-6 |
| Статус: | справочные материалы, мп, тпр |
| Название рус.: | Альбом VIII. Часть 1. Кондиционер с рециркуляцией и двумя доводчиками. Электрическая система регулирования |
| Дата добавления в базу: | 01.09.2013 |
| Дата актуализации: | 01.01.2021 |
| Дата окончания срока действия: | 06.08.1981 |
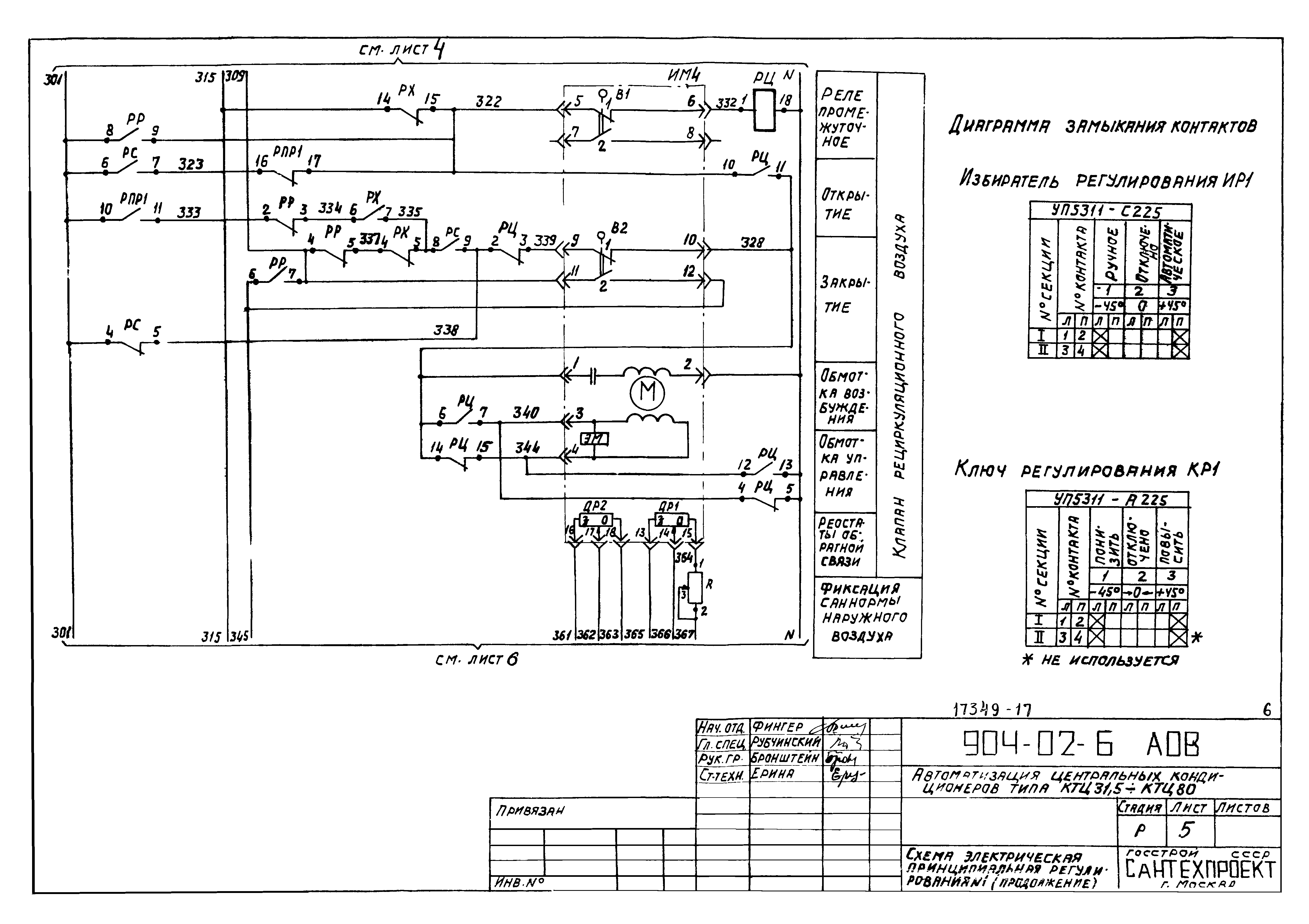
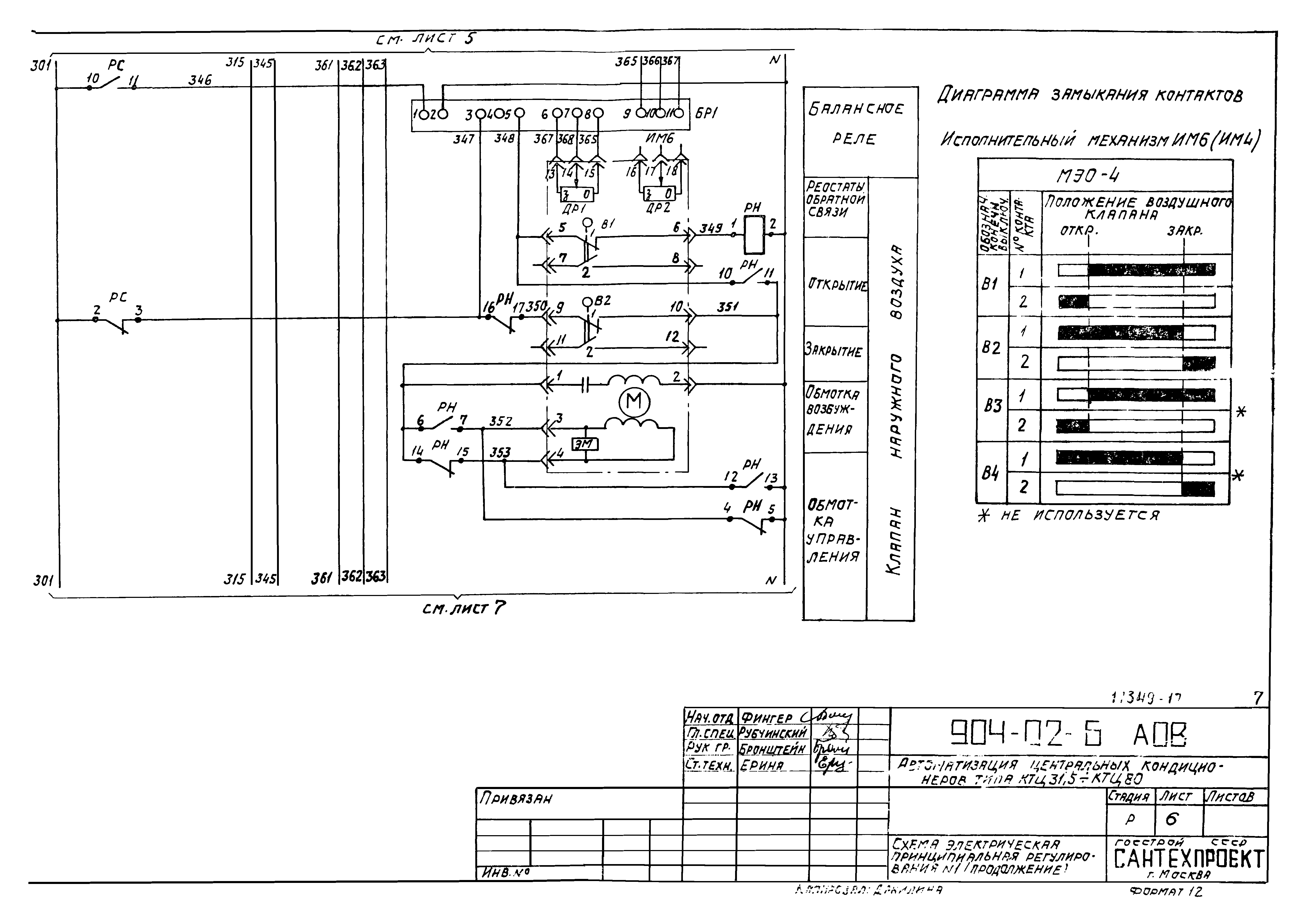
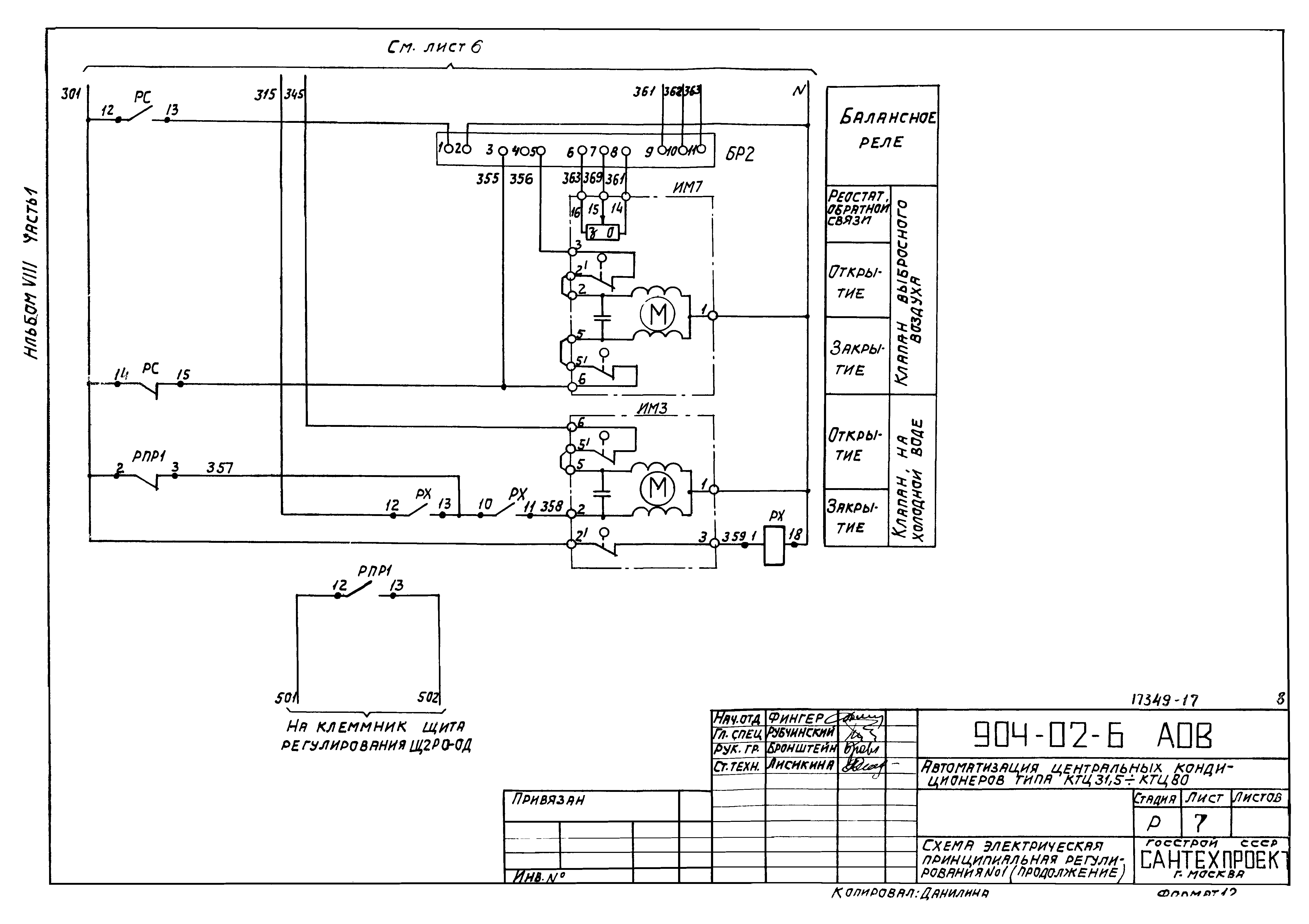
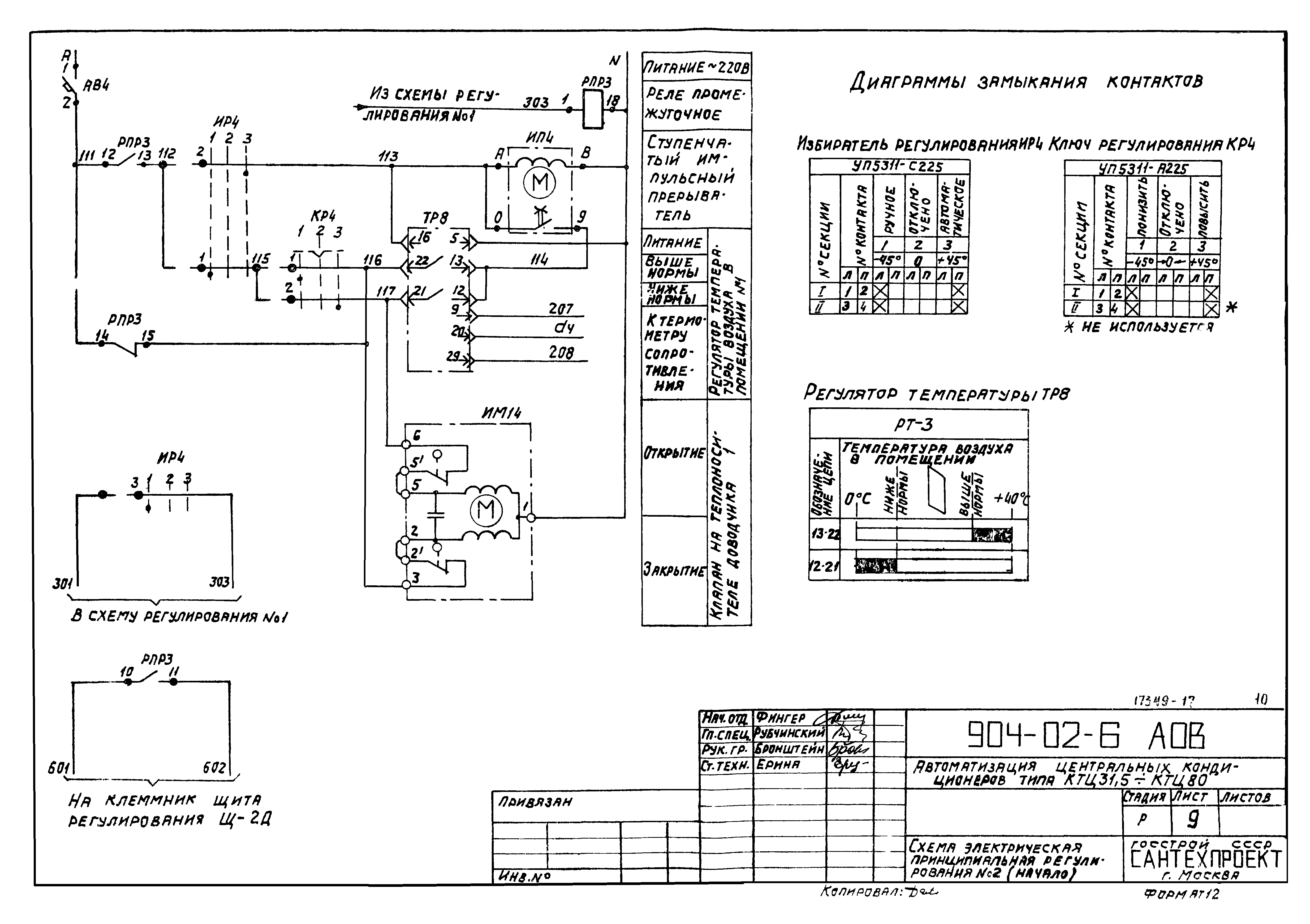
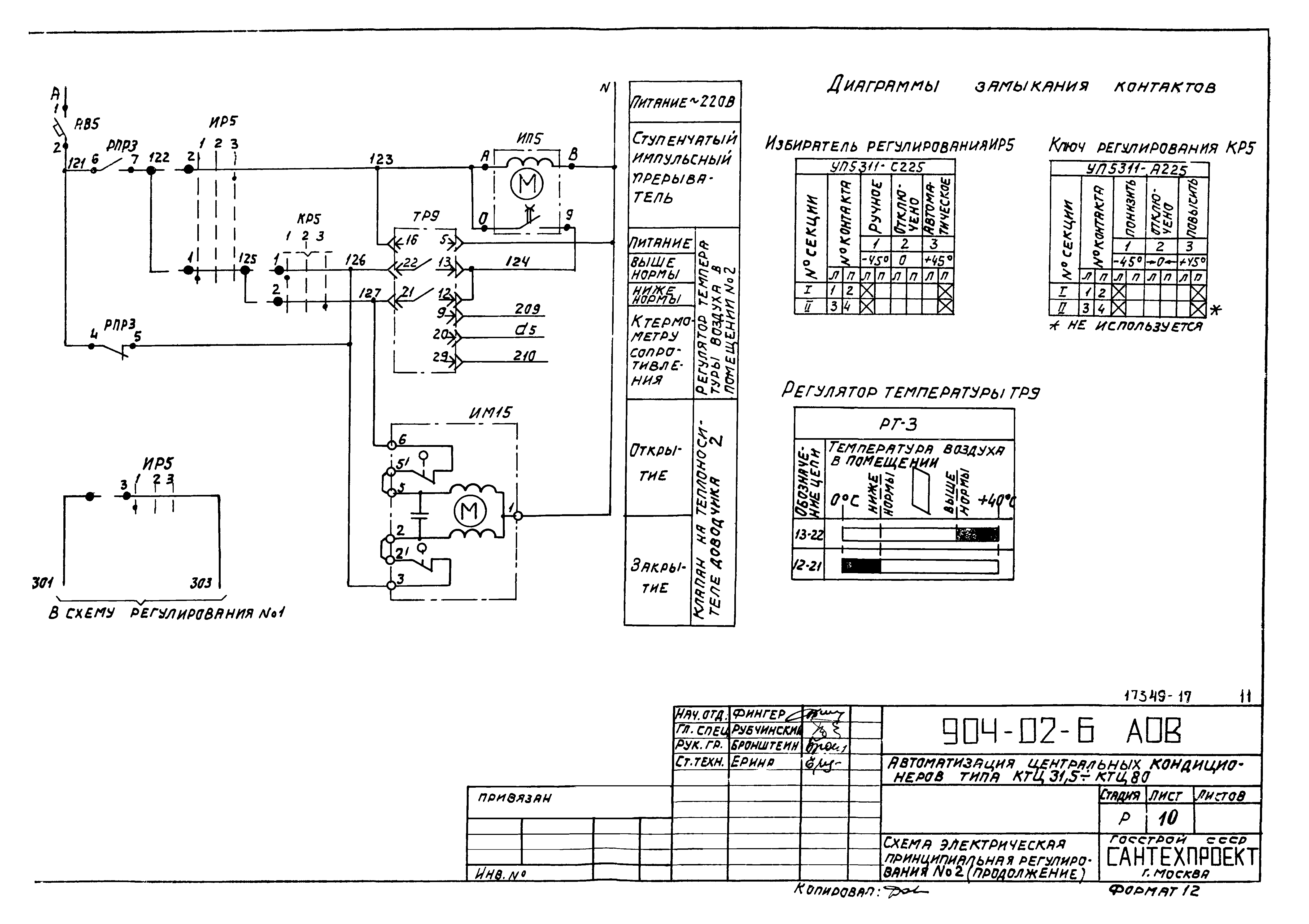
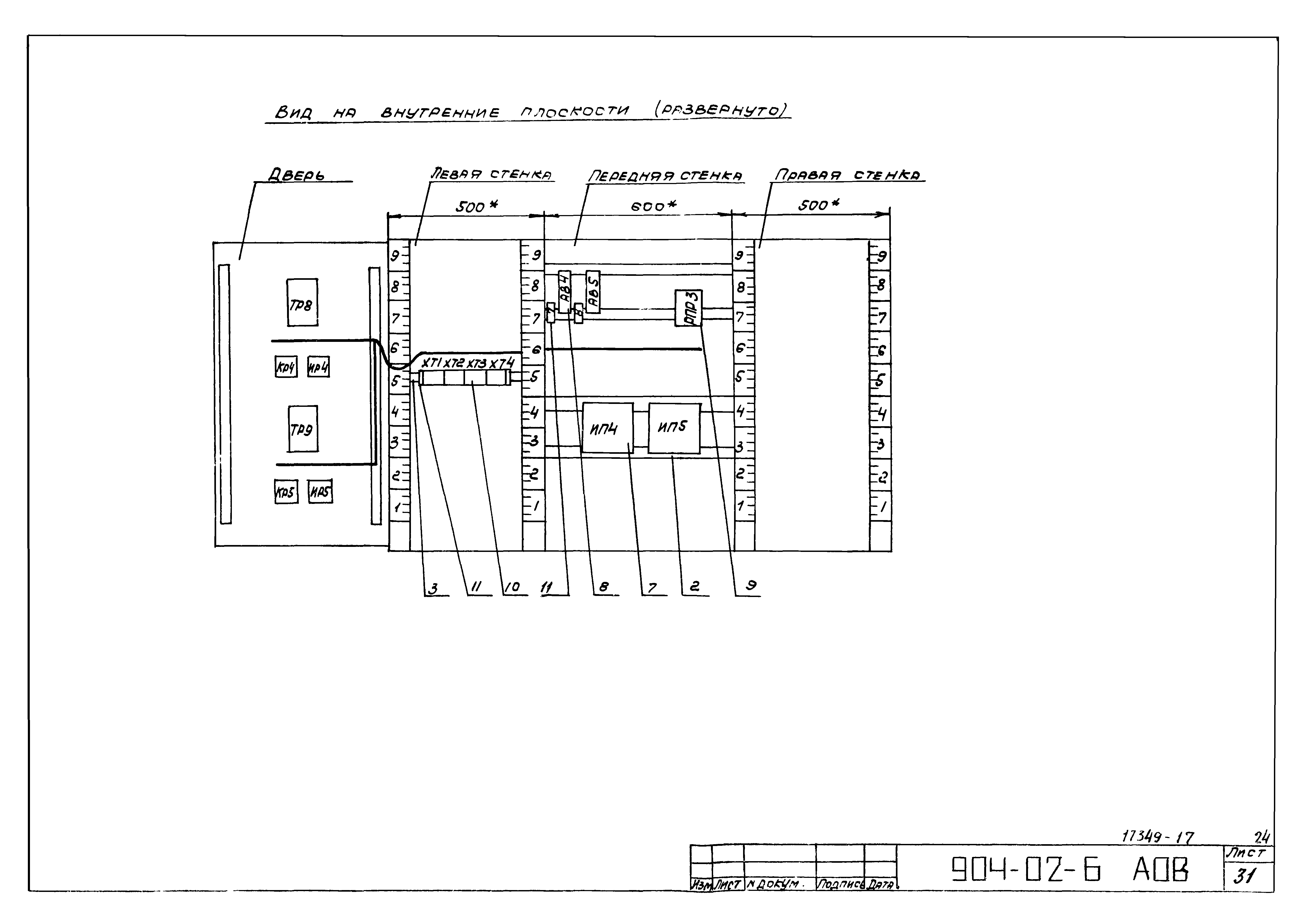
| Оглавление: | ТП 904-02-6 АОВ Общие данные ТП 904-02-6 АОВ Схема функциональная ТП 904-02-6 АОВ Схема электрическая принципиальная регулирования №1 ТП 904-02-6 АОВ Схема электрическая принципиальная регулирования №2 ТП 904-02-6 АОВ Щит Щ2РО-ОД. Общий вид ТП 904-02-6 АОВ Щит Щ-2Д. Общий вид ТП 904-02-6 АОВ Схема подключения №1 ТП 904-02-6 АОВ Схема подключения №2 |
| Разработан: | Сантехпроект Госстроя СССР |
| Утверждён: | 06.08.1981 Главпромстройпроект Госстроя СССР (47) |































