Скачать Типовой проект 904-1-58.85 Альбом 7. Сметы и ведомости потребности в материалах на технологические решенияДата актуализации: 01.01.2021
|
| Обозначение: | Типовой проект 904-1-58.85 |
| Обозначение англ: | 904-1-58.85 |
| Статус: | не действует |
| Название рус.: | Альбом 7. Сметы и ведомости потребности в материалах на технологические решения |
| Дата добавления в базу: | 01.09.2013 |
| Дата актуализации: | 01.01.2021 |
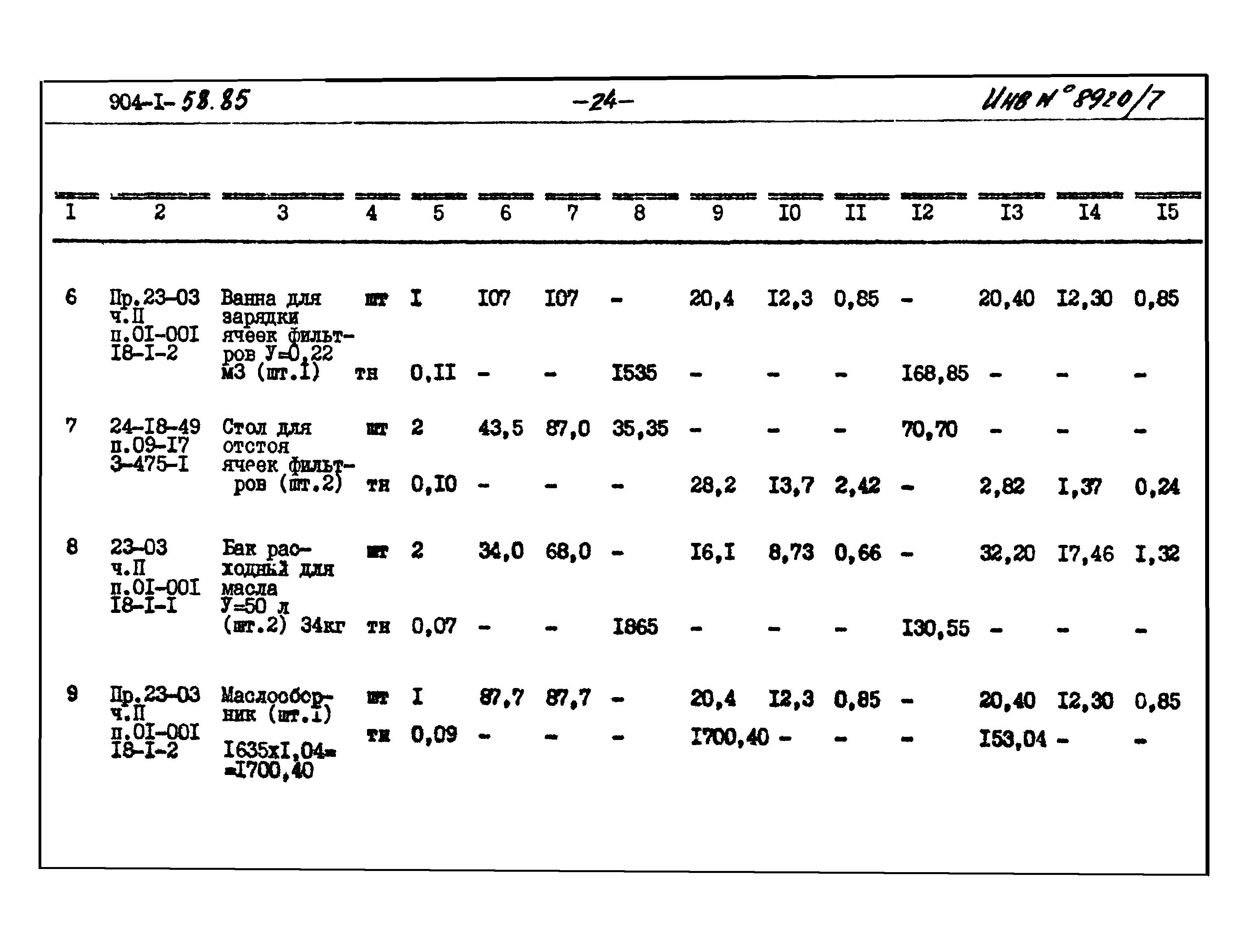
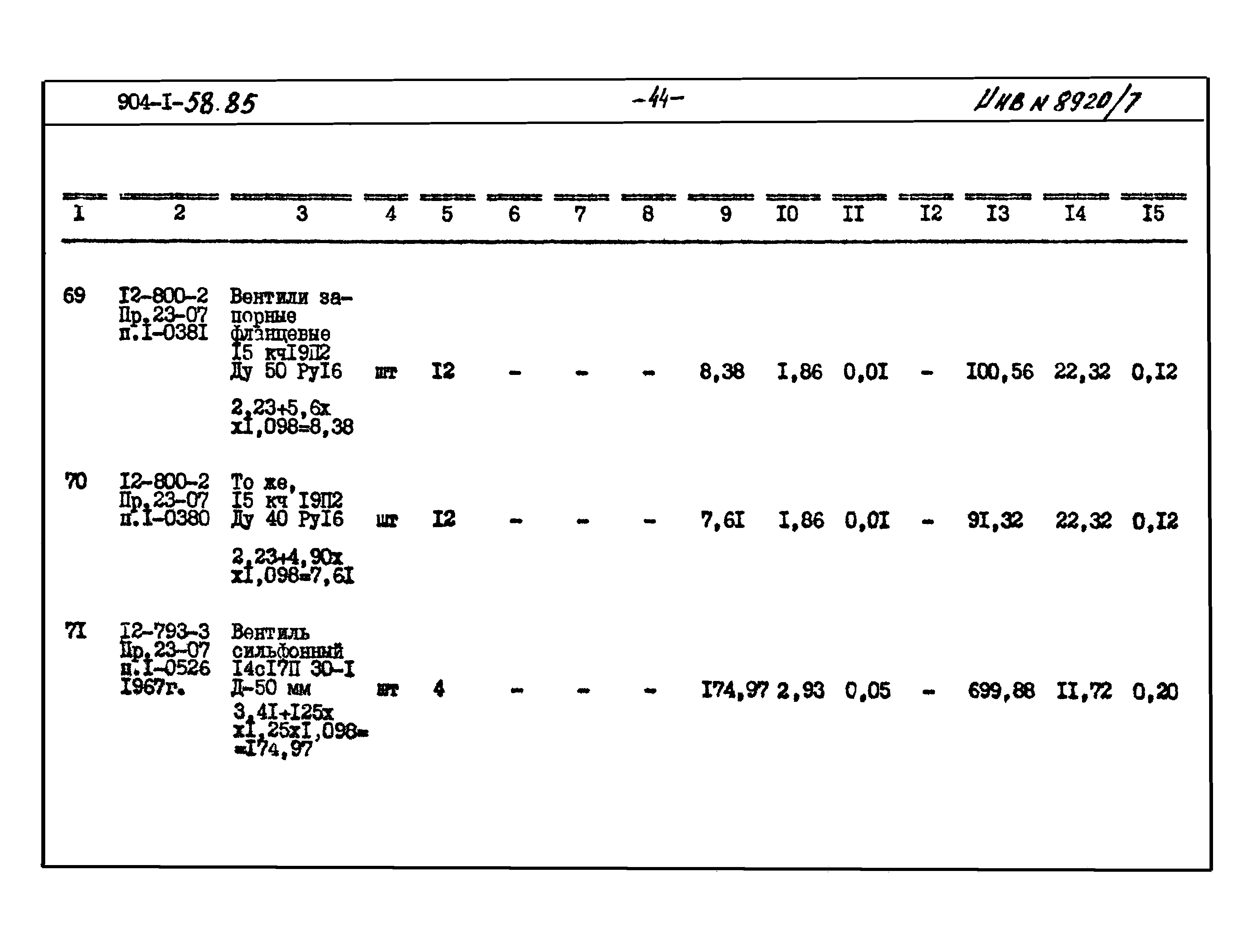
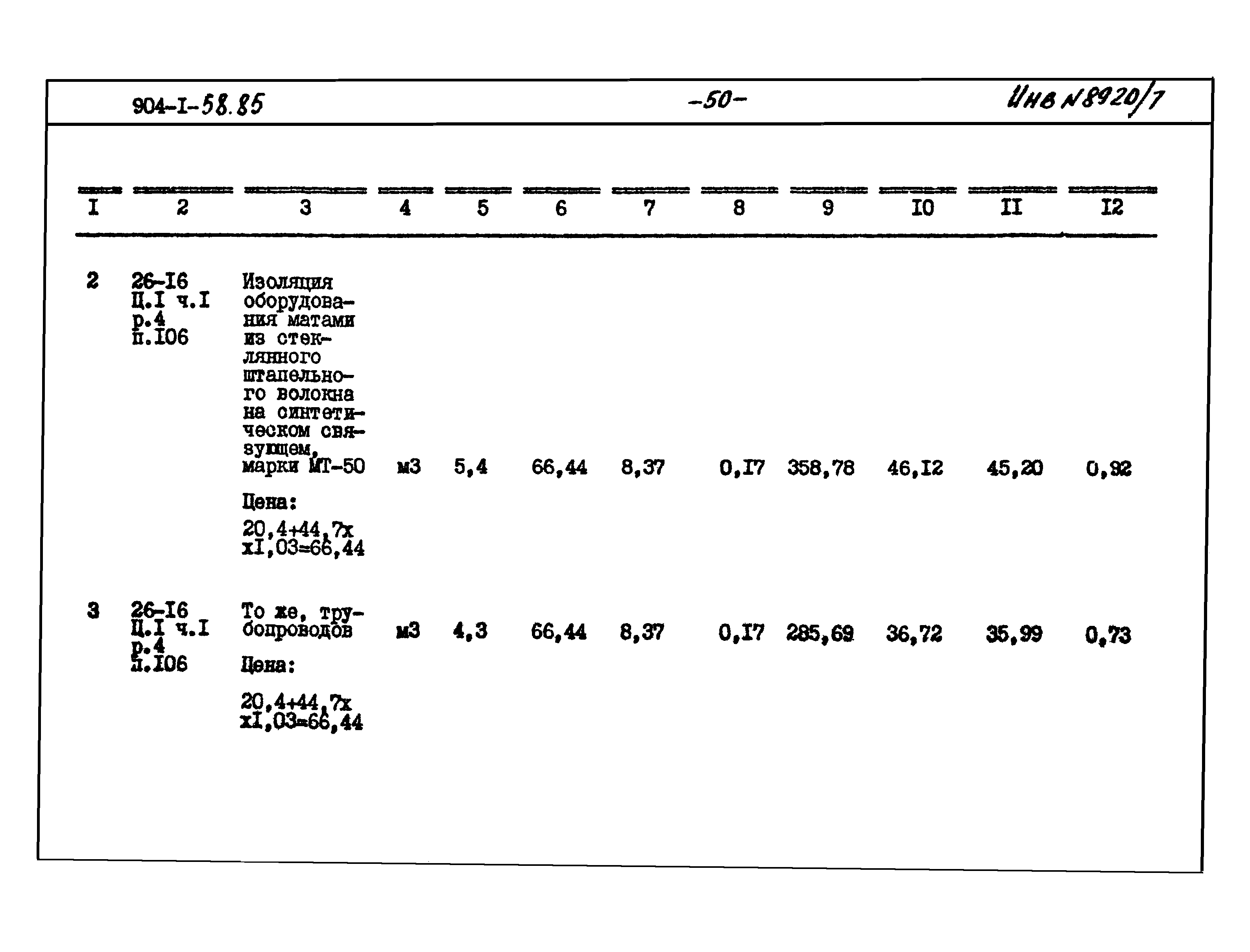
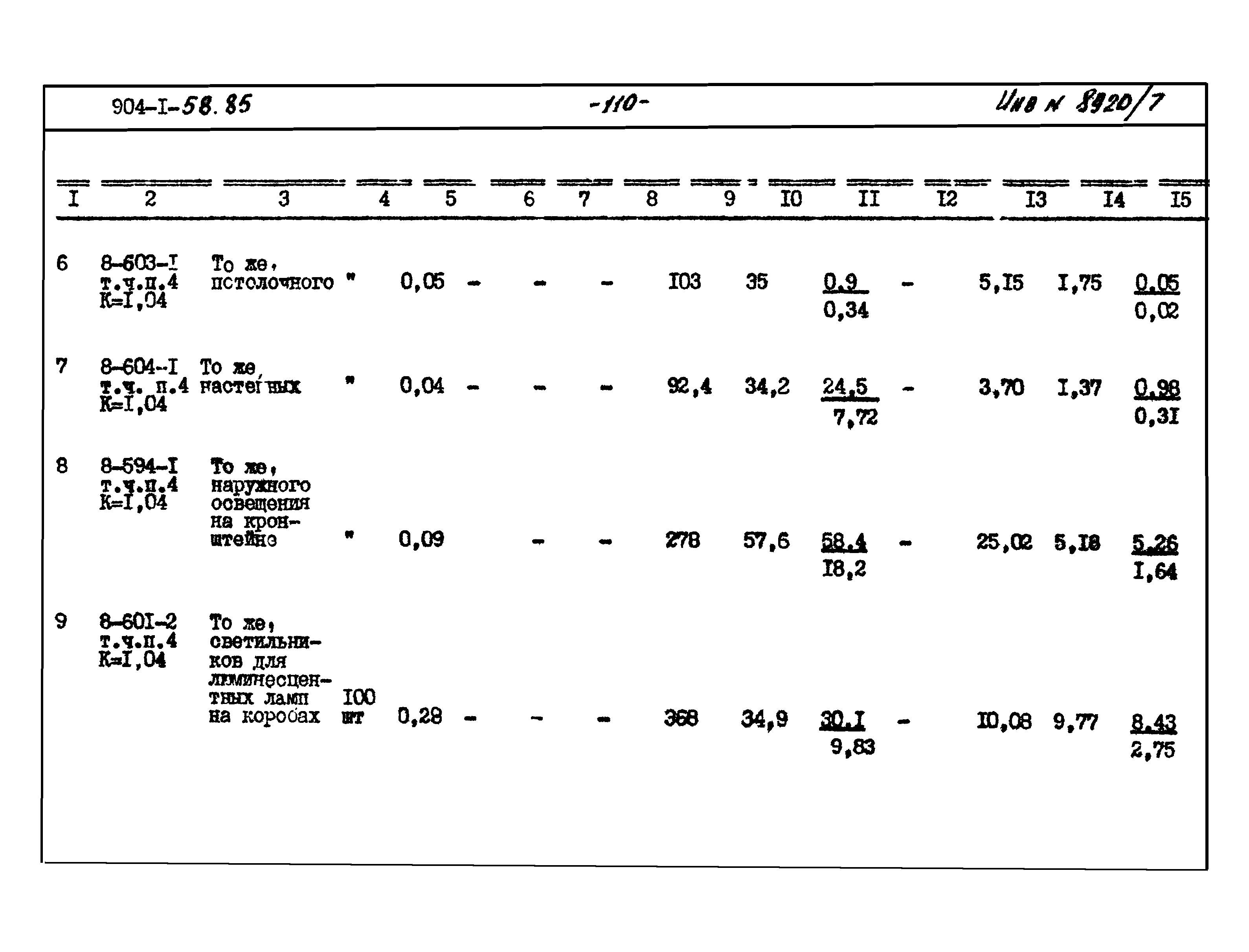
| Оглавление: | ТП 904-1-58.85 Пояснительная записка ТП 904-1-58.85 Объектная смета ТП 904-1-58.85 Локальна смета № 1-ТХ. Приобретение и монтаж технологического оборудования ТП 904-1-58.85 Локальна смета № 1-ТХ. Нестандартизированное оборудование ТП 904-1-58.85 Локальна смета № 1-ТХ. Технологические трубопровода ТП 904-1-58.85 Локальна смета № 1-ТХ. Теплоизоляция ТП 904-1-58.85 Сметный расчет № 5-ТХ. Приобретение приспособлений и производственного инвентаря ТП 904-1-58.85-ТХ.ВМ Ведомость потребности в материалах ТП 904-1-58.85 Локальна смета № 1-ЭМ. Электрооборудование и монтаж комплексной трансформаторной подстанции ТП 904-1-58.85 Локальна смета № 1-ЭМ. Силовое электрооборудование и монтаж ТП 904-1-58.85-ЭМ.ВМ Силовое электрооборудование. Ведомость потребности в материалах ТП 904-1-58.85 Локальна смета № 1-ЭО. Монтаж электроосвещения ТП 904-1-58.85-ЭО.ВМ Ведомость потребности в материалах ТП 904-1-58.85 Локальна смета № 4-СС. Монтаж сетей связи и сигнализации ТП 904-1-58.85-СС.ВМ Ведомость потребности в материалах ТП 904-1-58.85 Локальна смета № 1-А. Приобретение оборудования и монтаж контрольно-измерительных приборов и средств автоматизации |
| Разработан: | Гипростройдормаш |
| Утверждён: | 27.09.1984 Минстройдормаш (Minstroydormash 16/84) |
| Заменяет собой: |

























































































































































































































