Скачать Типовой проект 902-2-377.83 Альбом IV. Электротехническая частьДата актуализации: 01.01.2021
|
| Обозначение: | Типовой проект 902-2-377.83 |
| Обозначение англ: | 902-2-377.83 |
| Статус: | заменен |
| Название рус.: | Альбом IV. Электротехническая часть |
| Дата добавления в базу: | 01.09.2013 |
| Дата актуализации: | 01.01.2021 |
| Дата введения: | 27.07.1983 |
| Дата окончания срока действия: | 01.03.1990 |
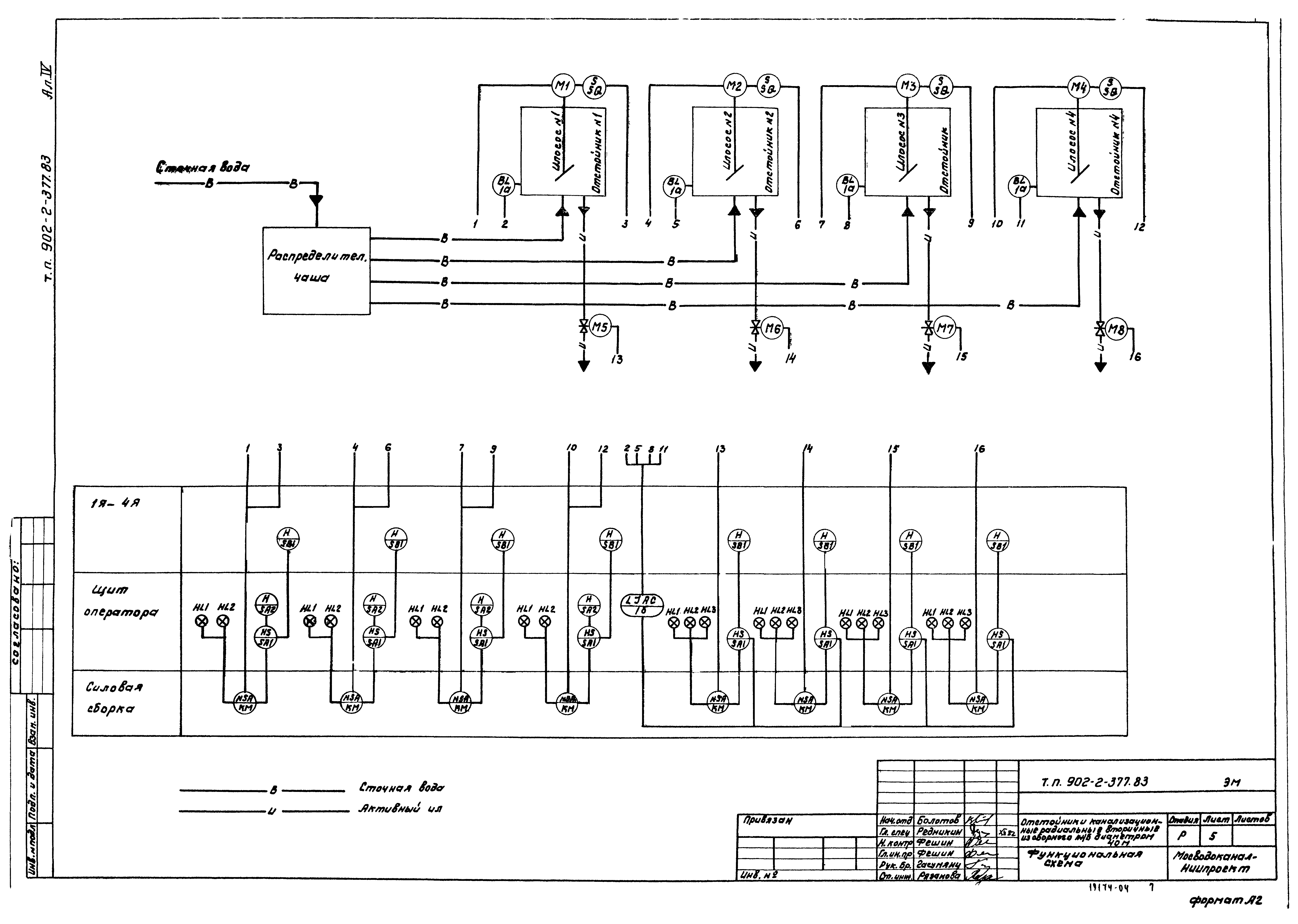
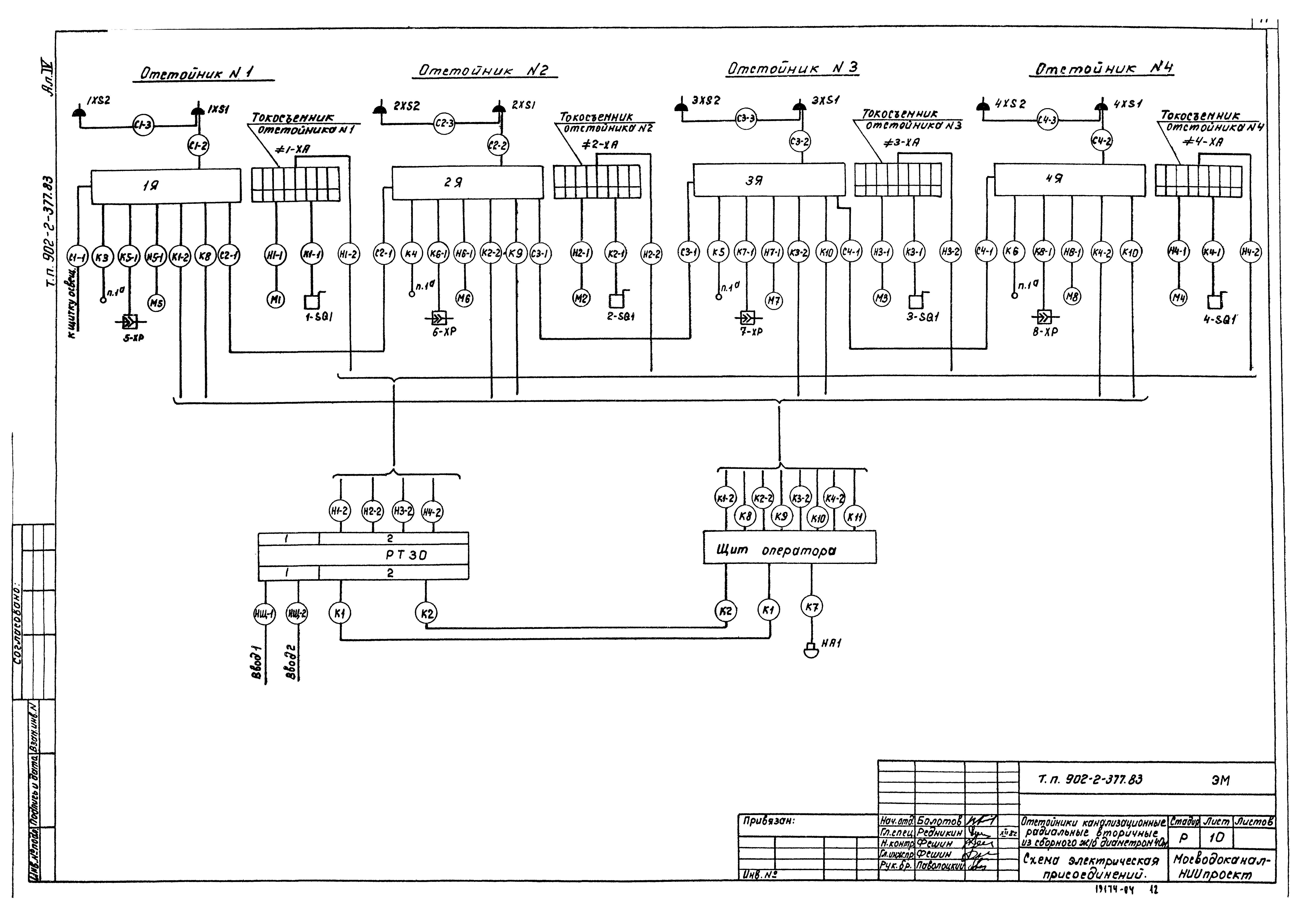
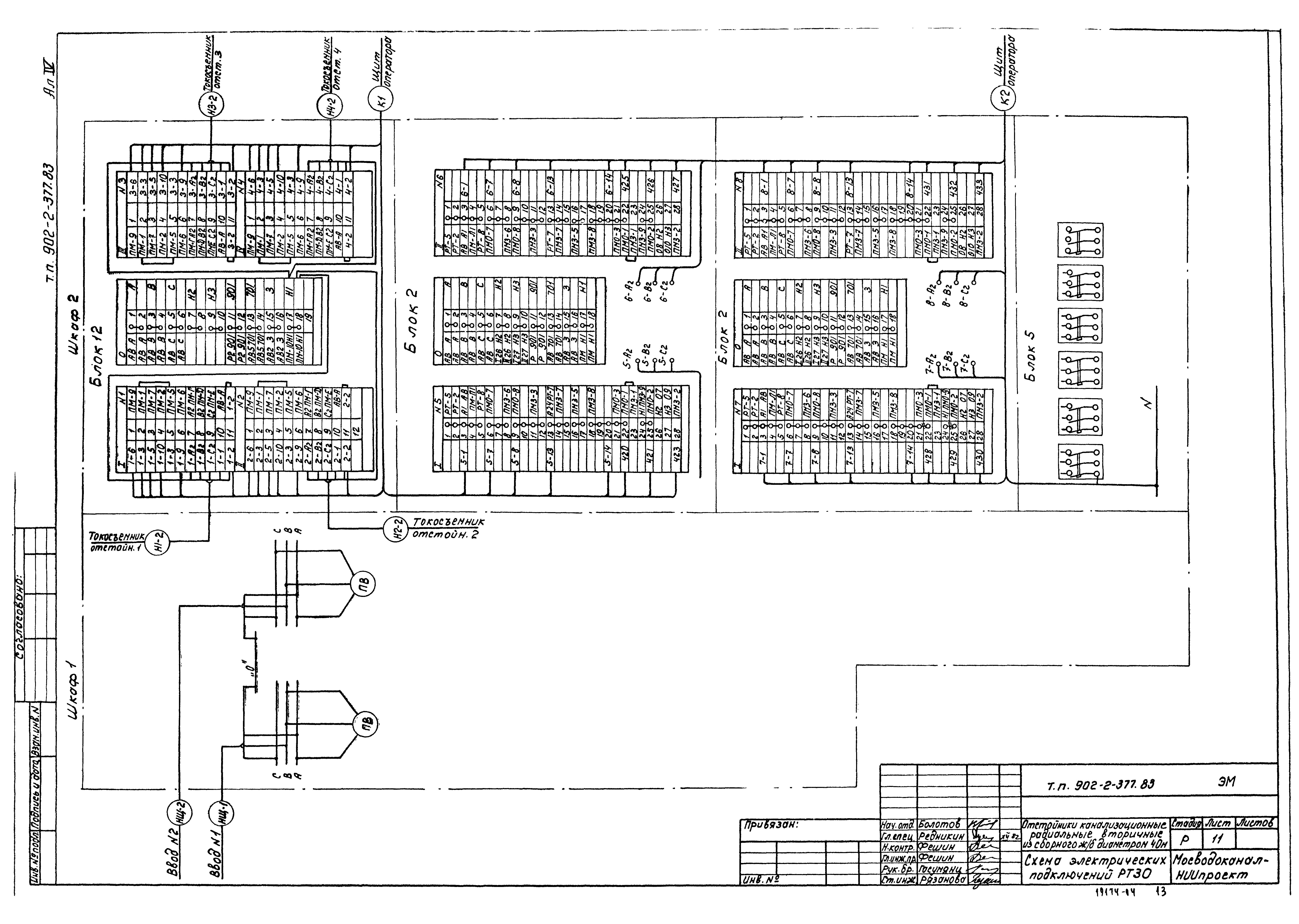
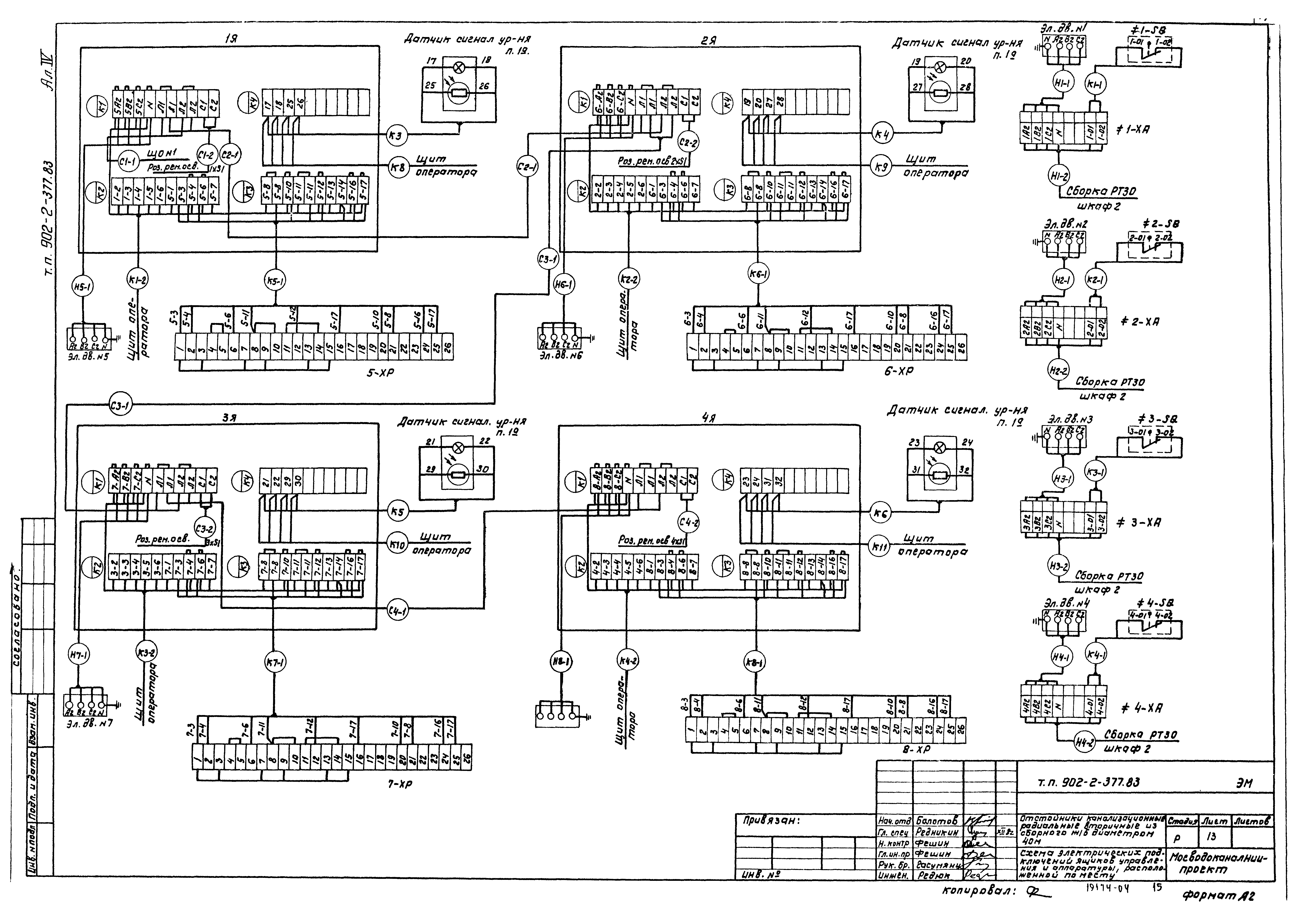
| Оглавление: | ТП 902-2-377.83-ЭМ-1 Общие данные (начало) ТП 902-2-377.83-ЭМ-2 Общие данные (окончание) ТП 902-2-377.83-ЭМ-3 Ведомость электрооборудования, кабельных изделий и материалов, поставляемых заказчиком. Ведомость объемов электромонтажных работ ТП 902-2-377.83-ЭМ-4 Схема электрическая принципиальная распределительной сети ~380/220В ТП 902-2-377.83-ЭМ-5 Функциональная схема ТП 902-2-377.83-ЭМ-6 Схема электрическая принципиальная управления илососами ТП 902-2-377.83-ЭМ-7 Схема электрическая принципиальная управления щитовыми затворами ТП 902-2-377.83-ЭМ-8 Схема электрическая принципиальная регулирования уровня ТП 902-2-377.83-ЭМ-9 Схема электрическая принципиальная аварийной сигнализации ТП 902-2-377.83-ЭМ-10 Схема электрическая присоединений ТП 902-2-377.83-ЭМ-11 Схема электрических подключений РТЗО ТП 902-2-377.83-ЭМ-12 Схема электрических подключений щита оператора ТП 902-2-377.83-ЭМ-13 Схема электрических подключений ящиков управления и аппаратуры, расположенной по месту ТП 902-2-377.83-ЭМ-14 Кабельный журнал ТП 902-2-377.83-ЭМ-15 План установки электрооборудования, электроаппаратуры и прокладка кабелей |
| Разработан: | МосводоканалНИИпроект |
| Утверждён: | 27.07.1983 МосводоканалНИИпроект (169) |
| Заменяет собой: |
|
| Чем заменён: |

















