Скачать Типовой проект 902-1-96.84 Альбом IV. Строительные решения. Подземная частьДата актуализации: 01.01.2021
|
| Обозначение: | Типовой проект 902-1-96.84 |
| Обозначение англ: | 902-1-96.84 |
| Статус: | заменен |
| Название рус.: | Альбом IV. Строительные решения. Подземная часть |
| Дата добавления в базу: | 01.09.2013 |
| Дата актуализации: | 01.01.2021 |
| Дата введения: | 27.09.1984 |
| Дата окончания срока действия: | 01.02.1989 |
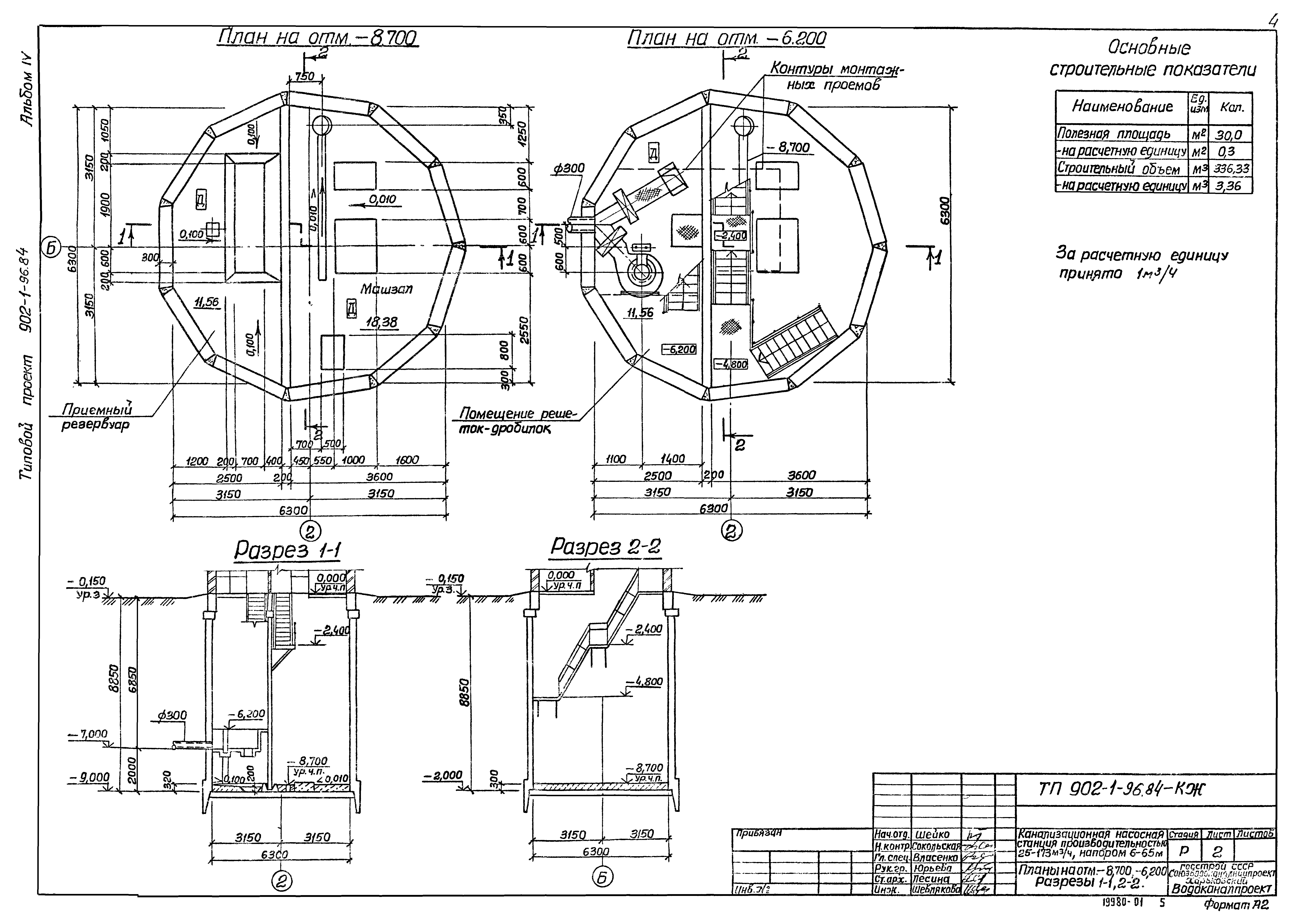
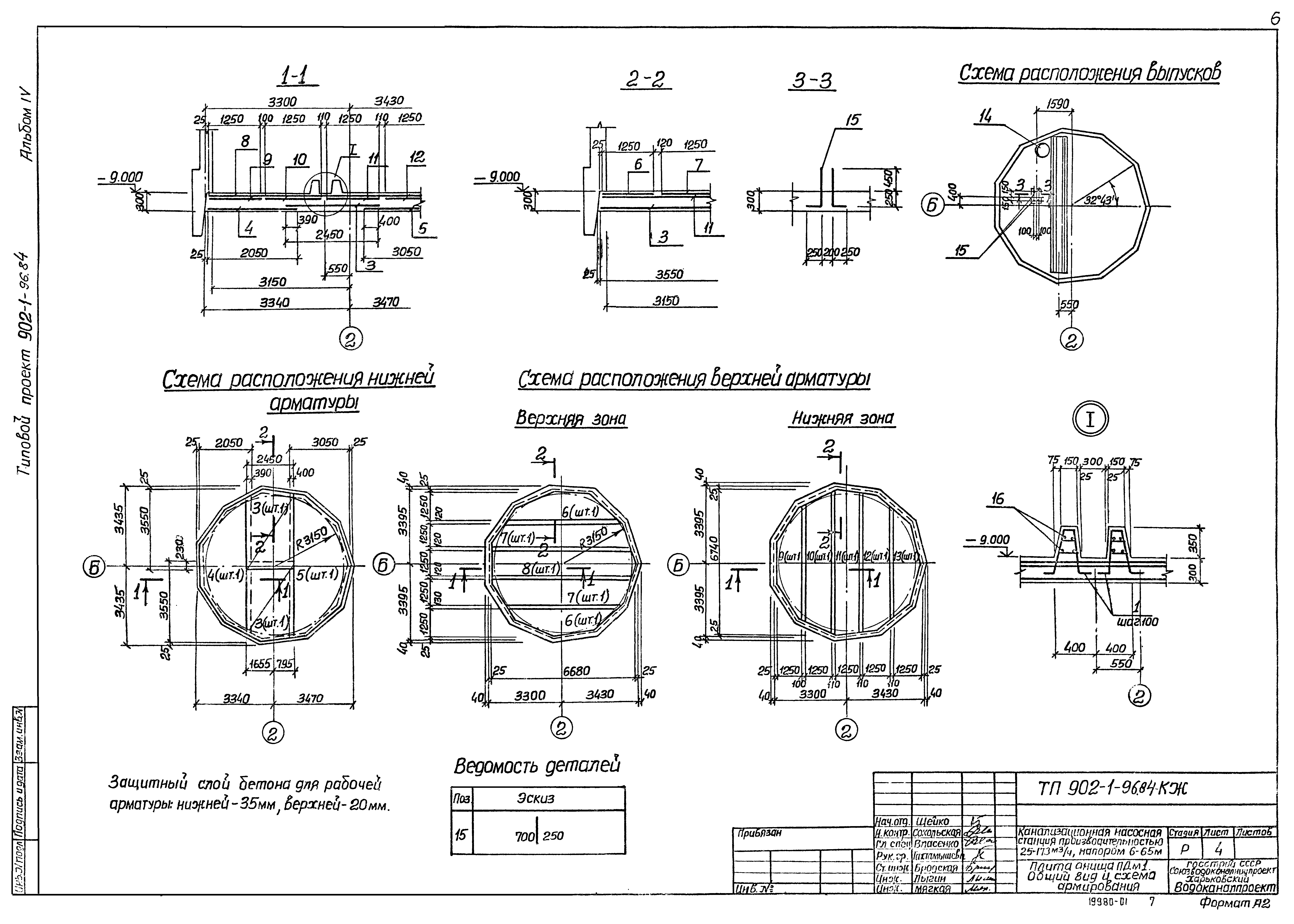
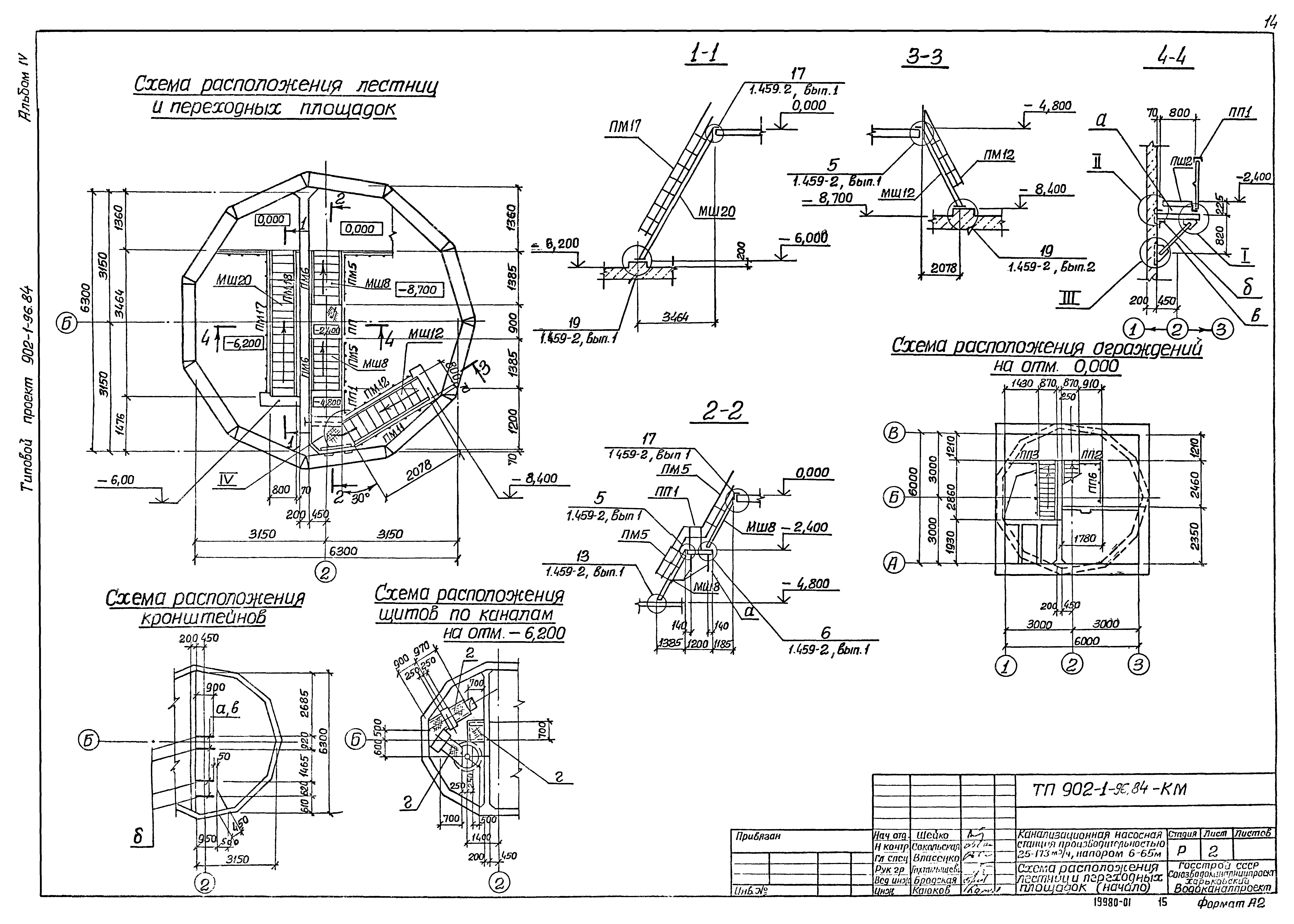
| Оглавление: | ТП 902-1-96.84 Содержание альбома IV ТП 902-1-96.84-КЖ Основной комплект марки КЖ ТП 902-1-96.84-КЖ-1 Общие данные ТП 902-1-96.84-КЖ-2 Планы на отм. -8.700,-6.200. Разрезы 1-1,2-2 ТП 902-1-96.84-КЖ-3 Схема расположения конструкций подземной части ТП 902-1-96.84-КЖ-4 Плита днища ПДм1. Общий вид и схема армирования ТП 902-1-96.84-КЖ-5 Плита днища ПДм1. Схема расположения каркасов. Спецификация ТП 902-1-96.84-КЖ-6 Схема расположения стеновых панелей ТП 902-1-96.84-КЖ-7 Схема расположения стеновых панелей. Узлы 3-8,11-12. Шпоночный стык ТП 902-1-96.84-КЖ-8 Схема расположения стеновых панелей. Узлы 3-8,11-12. Клиновидный стык ТП 902-1-96.84-КЖ-9 Схема расположения стеновых панелей. Узлы 9,10 ТП 902-1-96.84-КЖ-10 Спецификация к схеме расположения стеновых панелей ТП 902-1-96.84-КМ Основной комплект марки КМ ТП 902-1-96.84-КМ-1 Общие данные ТП 902-1-96.84-КМ-2 Схема расположения лестниц и переходных площадок (начало) ТП 902-1-96.84-КМ-3 Схема расположения металлических лестниц (окончание) |
| Разработан: | Харьковский Водоканалпроект |
| Утверждён: | 07.06.1984 СоюзводоканалНИИпроект (SoyuzvodokanalNIIproject 29) |
| Заменяет собой: | |
| Чем заменён: |
















