Скачать Типовой проект 901-3-207.85 Альбом III. Электротехническая часть. Связь и сигнализацияДата актуализации: 01.01.2021
|
| Обозначение: | Типовой проект 901-3-207.85 |
| Обозначение англ: | 901-3-207.85 |
| Статус: | не определен законодательством |
| Название рус.: | Альбом III. Электротехническая часть. Связь и сигнализация |
| Дата добавления в базу: | 01.09.2013 |
| Дата актуализации: | 01.01.2021 |
| Дата введения: | 21.12.1984 |
| Дата окончания срока действия: | 30.06.2003 |
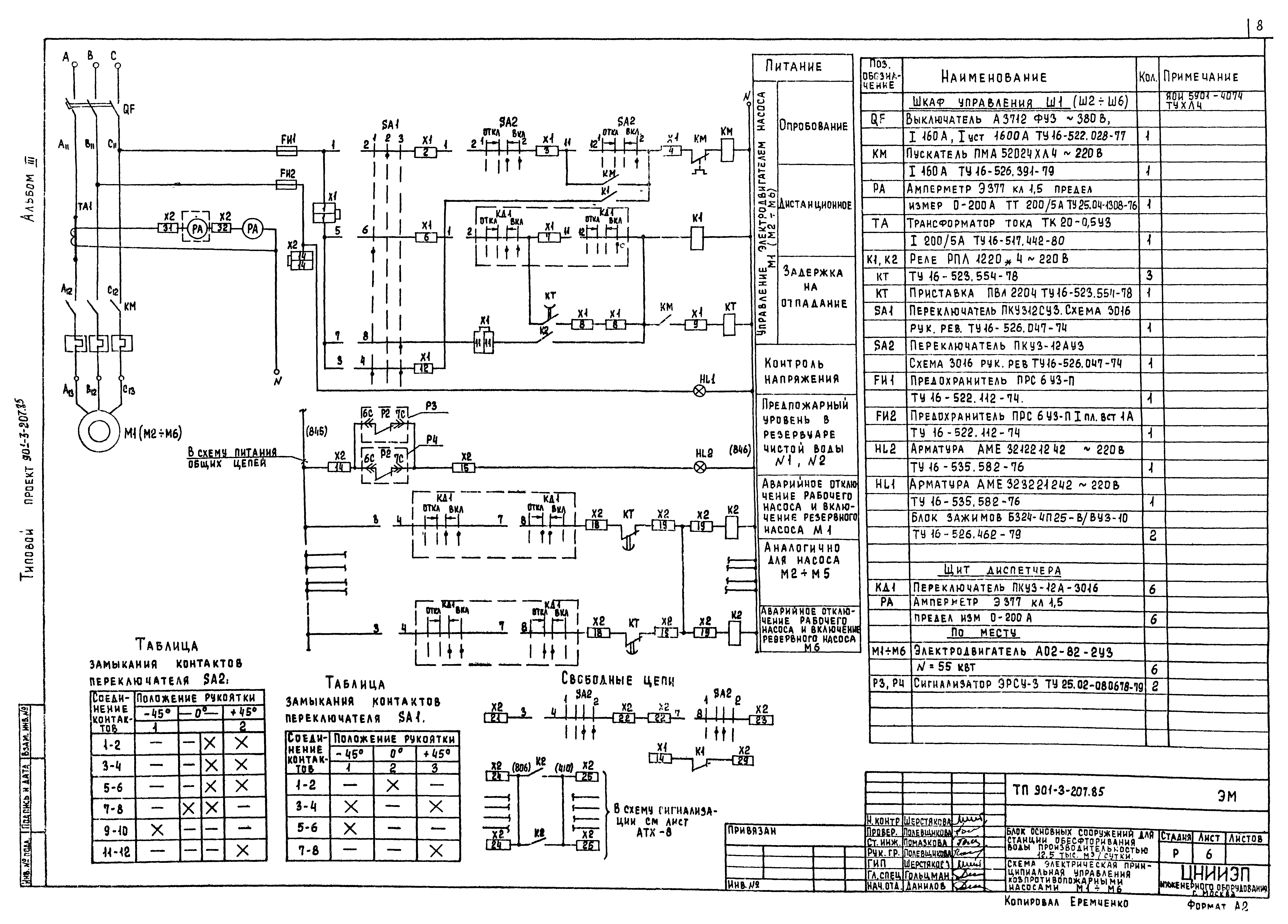
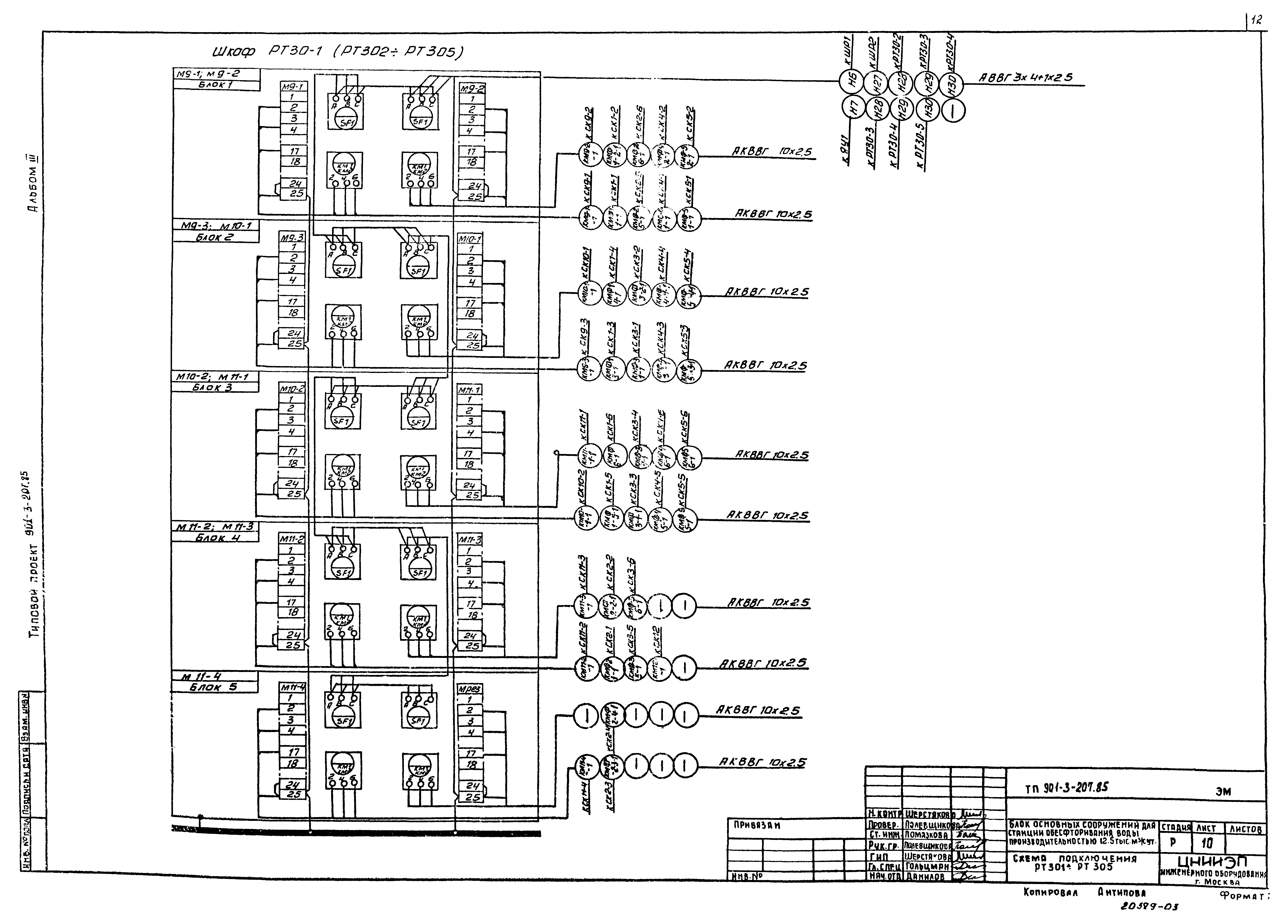
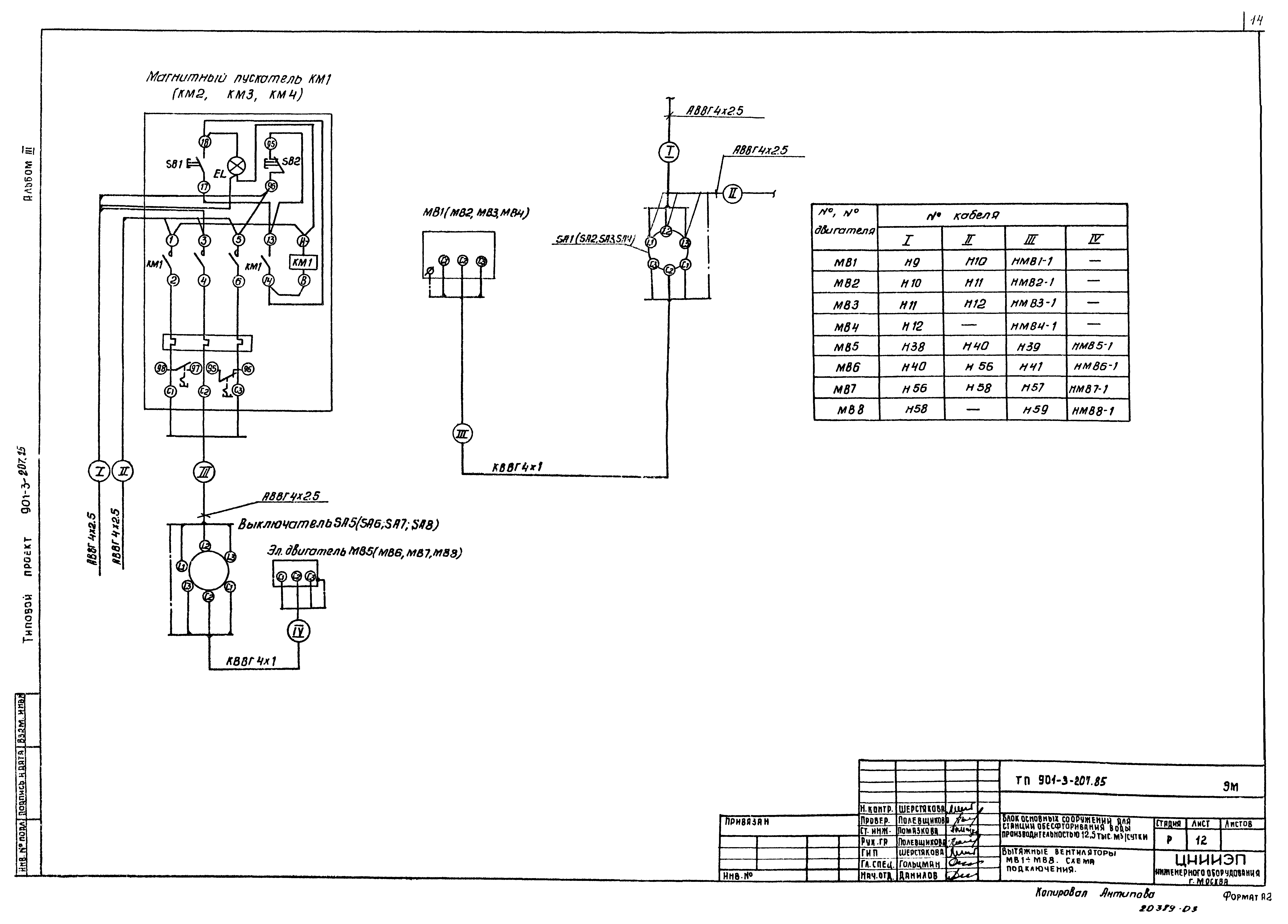
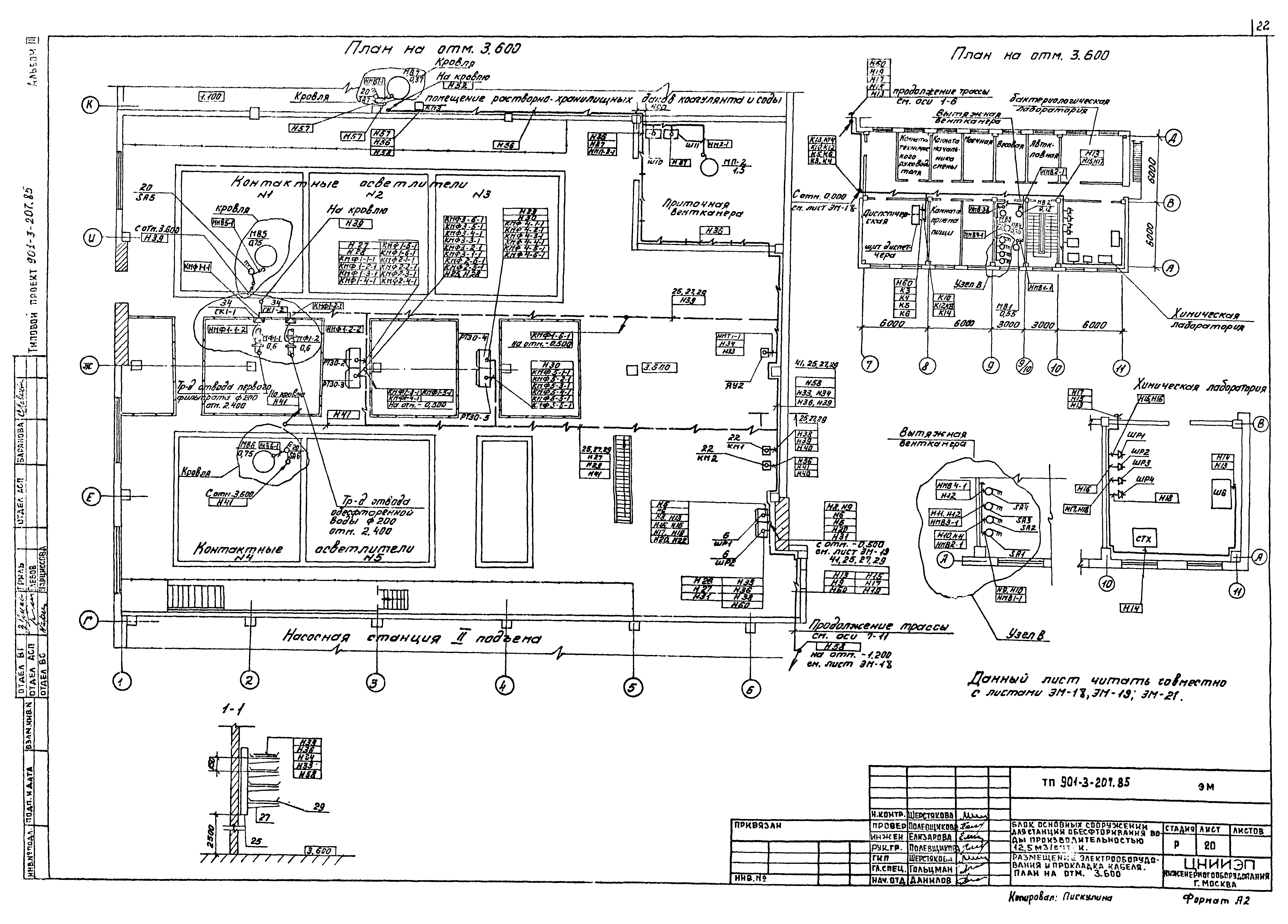
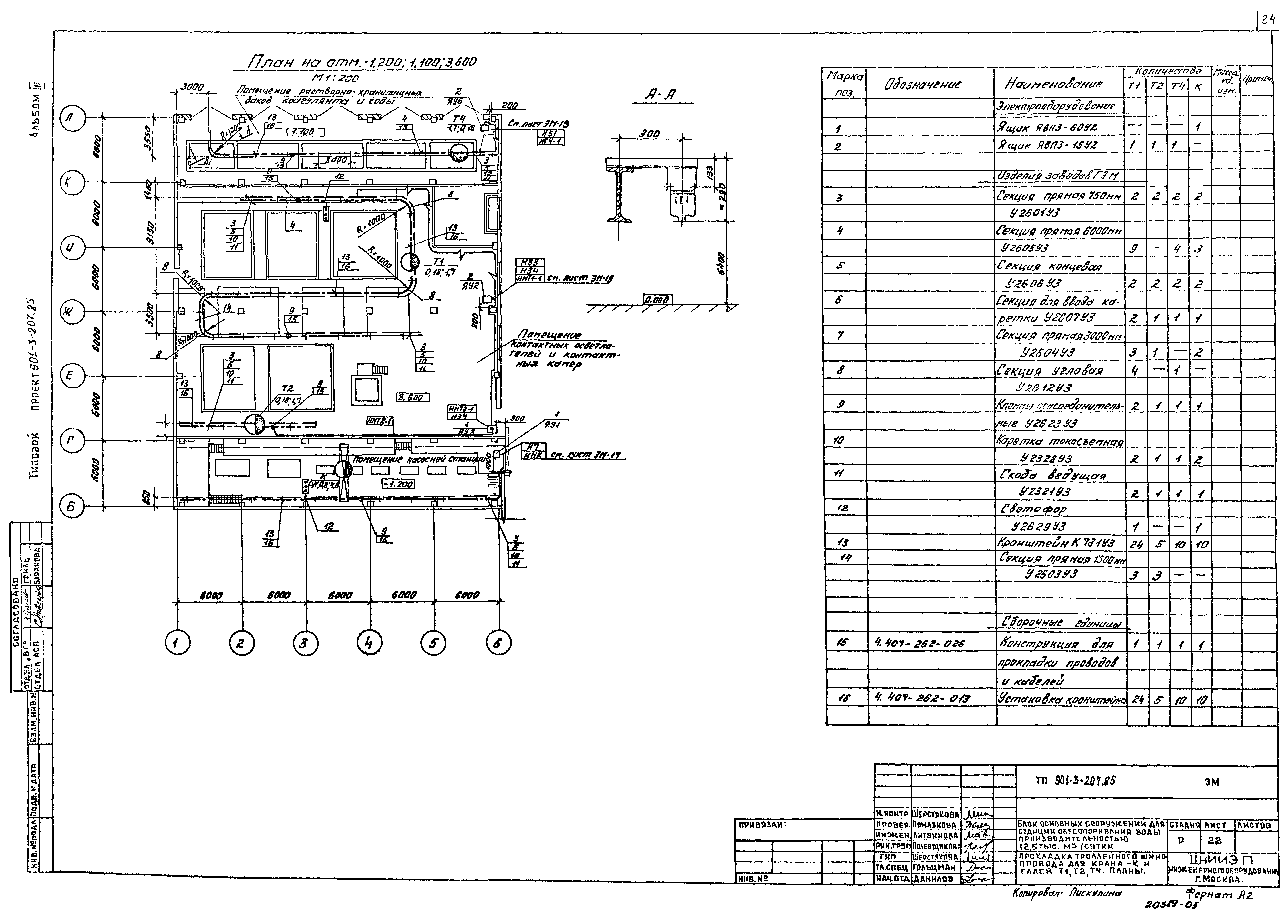
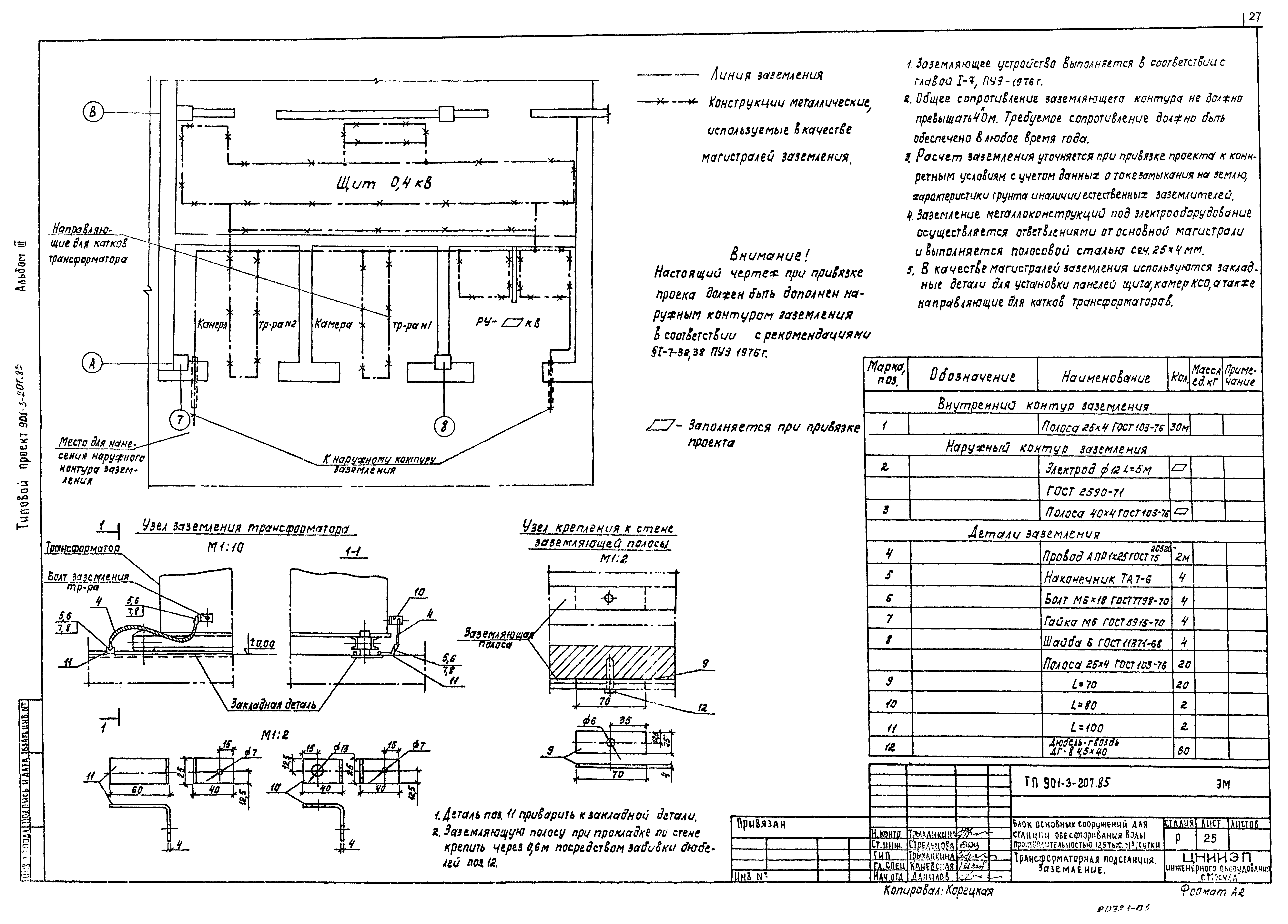
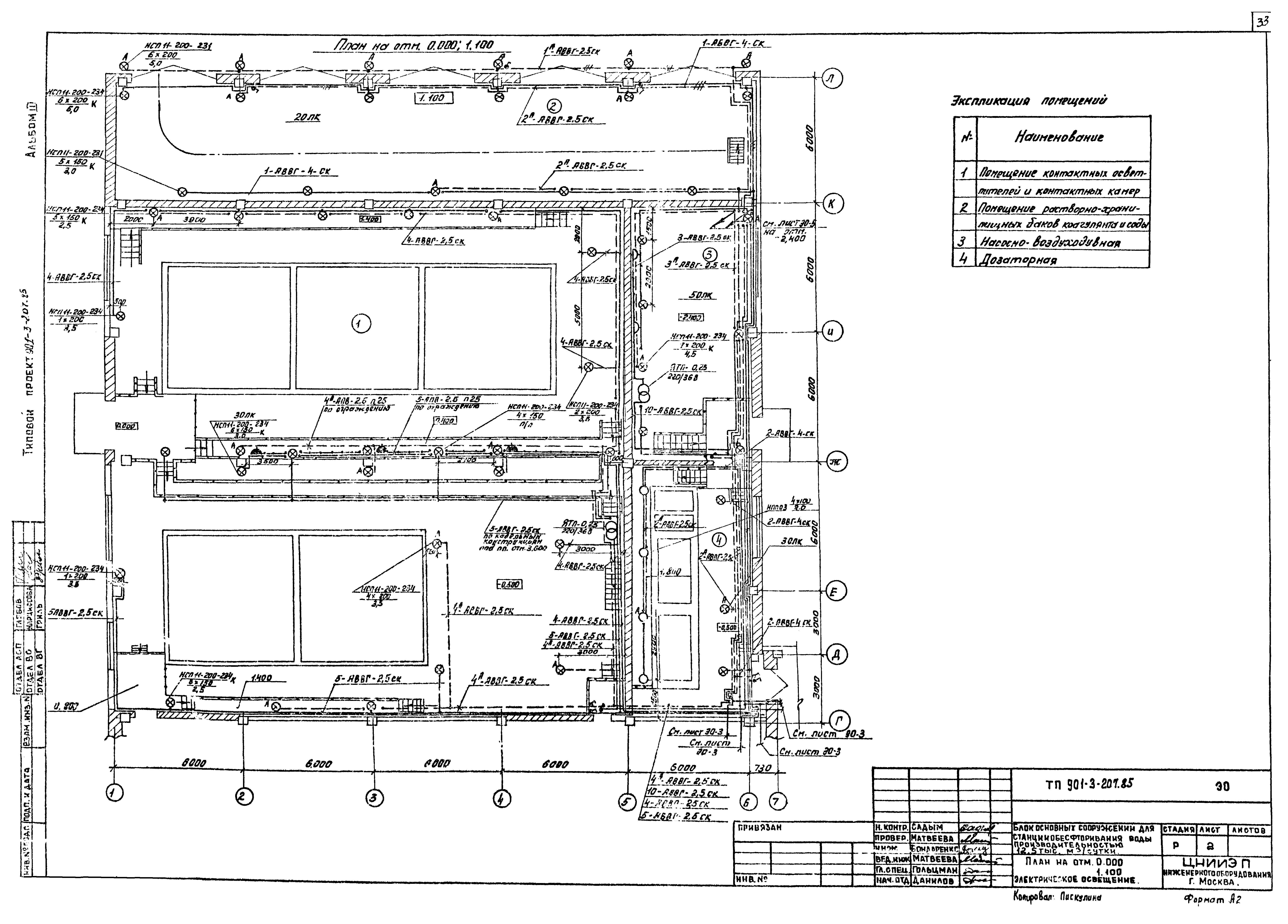
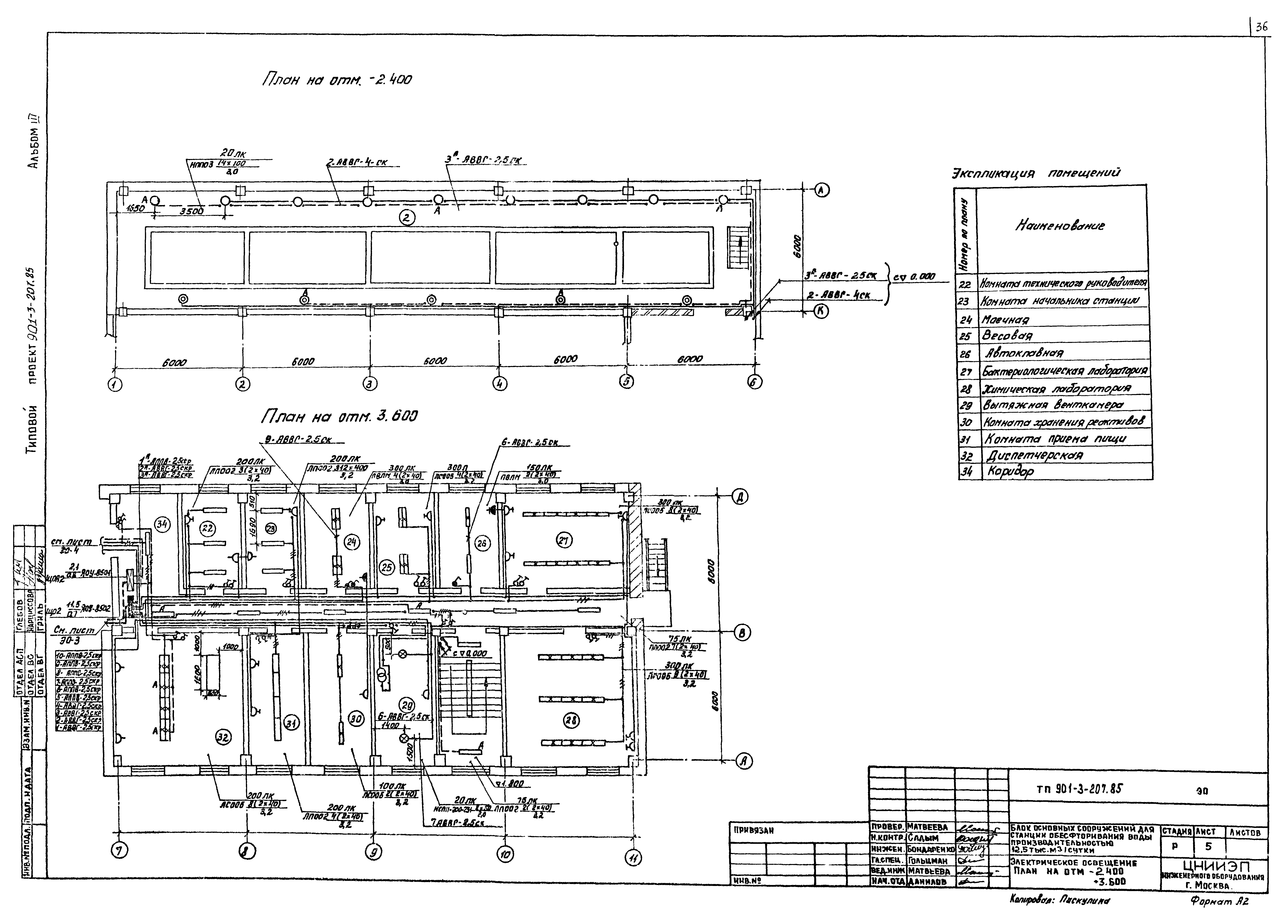
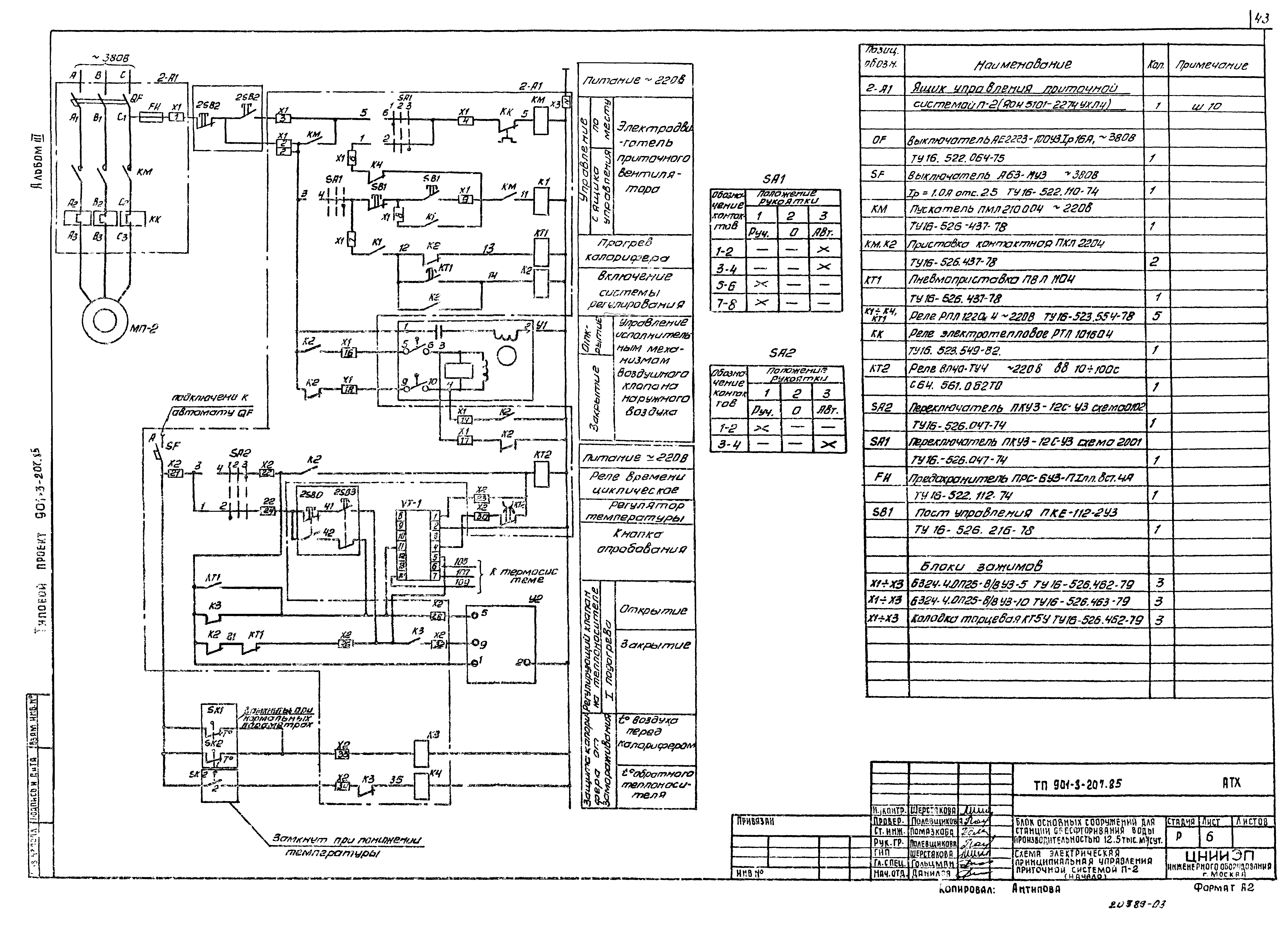
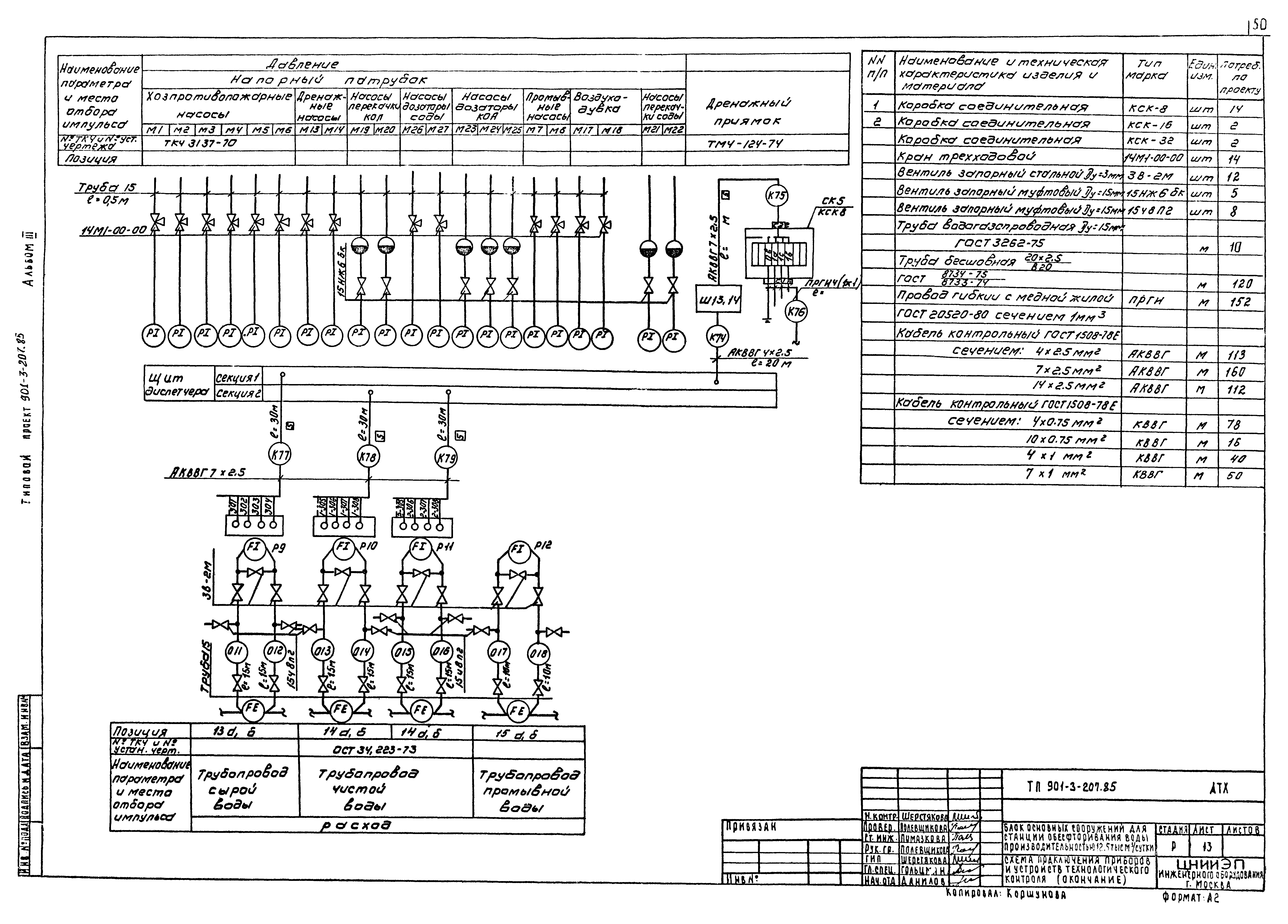
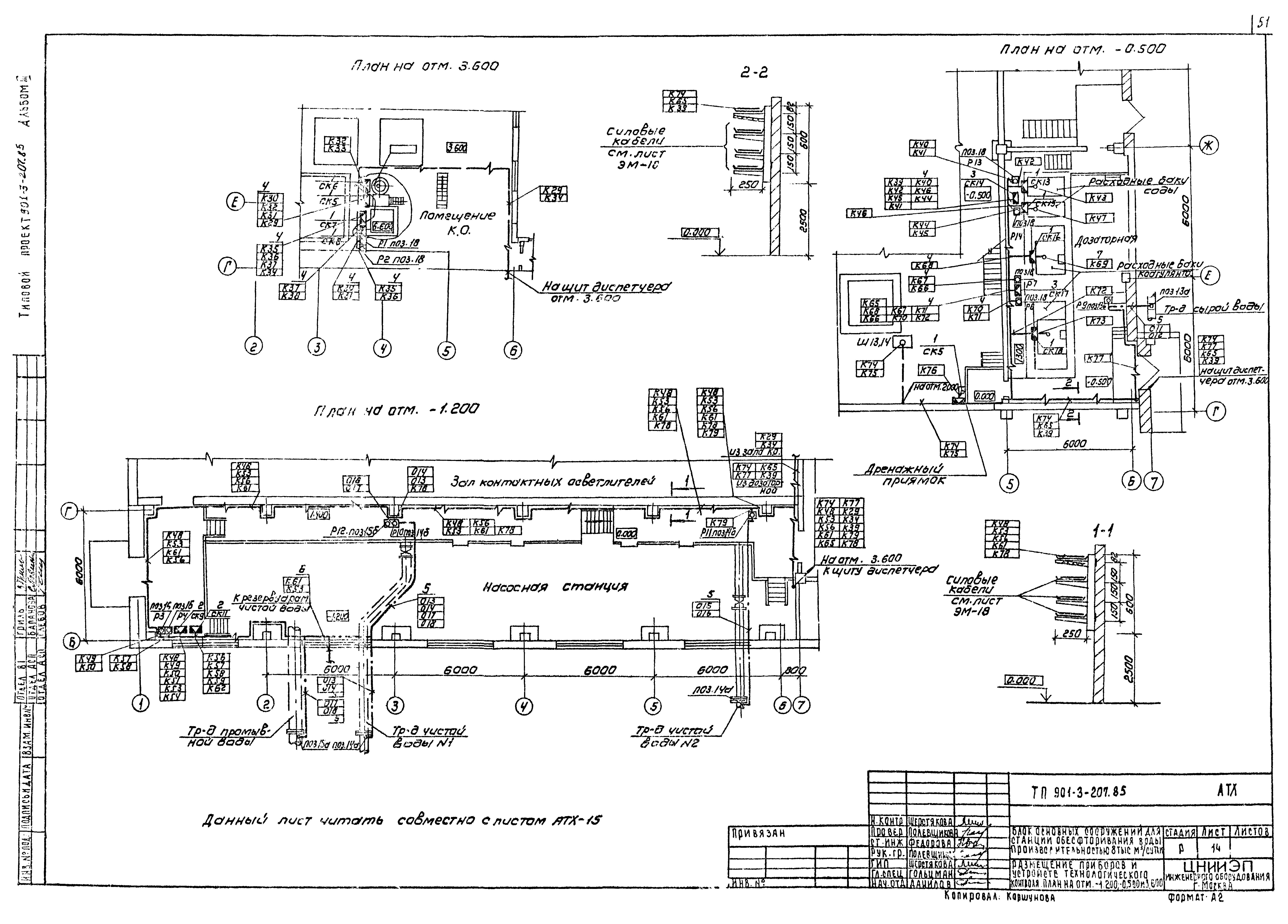
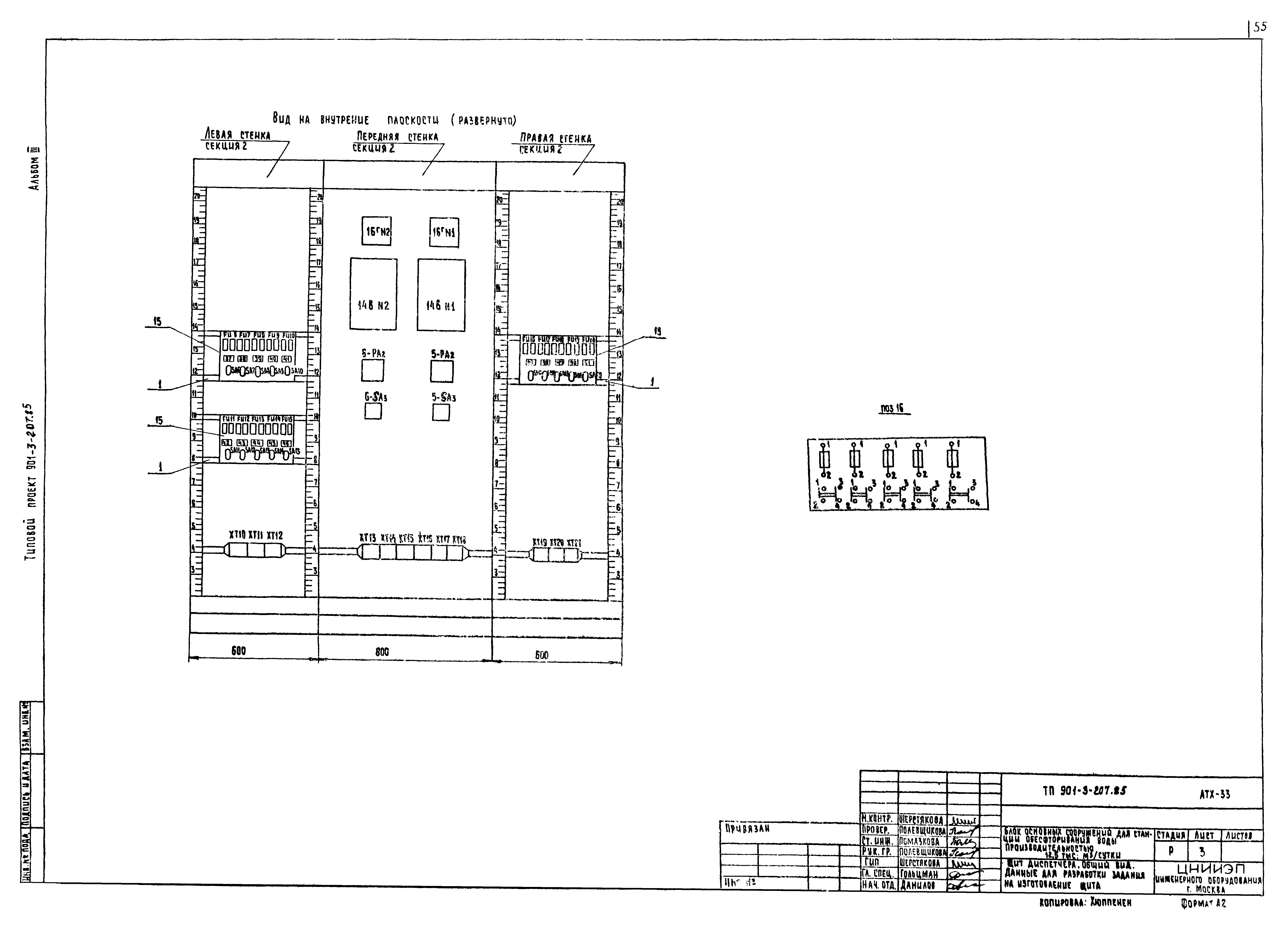
| Оглавление: | ТП 901-3-207.85 Содержание альбома ТП 901-3-207.85-ЭМ Силовое электрооборудование ТП 901-3-207.85-ЭМ-1 Общие данные ТП 901-3-207.85-ЭМ-2 Трансформаторная подстанция. Схема принципиальная однолинейная 0.4кВ ТП 901-3-207.85-ЭМ-3 Схема электрическая принципиальная распределительной сети ~380/220В (начало) ТП 901-3-207.85-ЭМ-4 Схема электрическая принципиальная распределительной сети ~380/220В (продолжение) ТП 901-3-207.85-ЭМ-5 Схема электрическая принципиальная распределительной сети ~380/220В (окончание) ТП 901-3-207.85-ЭМ-6 Схема электрическая принципиальная управления хозпротивопожарными насосами М1-М6 ТП 901-3-207.85-ЭМ-7 Схема электрическая принципиальная управления промывными насосами М1-М8 ТП 901-3-207.85-ЭМ-8 Схема электрическая принципиальная управления дренажными насосами М13,М14 ТП 901-3-207.85-ЭМ-9 Схема электрическая принципиальная управления затворами М9-1÷М9-3;М10-1;М10-2;М11-1÷М11-4;М1-1-М1-6÷М5-1-М5-6,М12 ТП 901-3-207.85-ЭМ-10 Схема подключения шкафов РТ30-1÷РТ30-5 ТП 901-3-207.85-ЭМ-11 Схема подключения затворов М9-1÷М9-3;М10-1;М10-2;М11-1÷М11-4;М1-1÷М1-6÷М5-1÷М5-6;М12 ТП 901-3-207.85-ЭМ-12 Вытяжные вентиляторы МВ1-МВ8. Схема подключения ТП 901-3-207.85-ЭМ-13 Шкаф счетчиков. Общий вид. Принципиальная схема соединений ТП 901-3-207.85-ЭМ-14 Кабельный журнал (начало) ТП 901-3-207.85-ЭМ-15 Кабельный журнал (продолжение 1) ТП 901-3-207.85-ЭМ-16 Кабельный журнал (продолжение 2) ТП 901-3-207.85-ЭМ-17 Кабельный журнал (окончание) ТП 901-3-207.85-ЭМ-18 Размещение электрооборудования и прокладка кабелей. Планы на отм. -1.200;0.000;1.400 ТП 901-3-207.85-ЭМ-19 Размещение электрооборудования и прокладка кабелей. Планы на отм. -2.400;-0.500;0.000 ТП 901-3-207.85-ЭМ-20 Размещение электрооборудования и прокладка кабелей. Планы на отм. 3.600 ТП 901-3-207.85-ЭМ-21 Размещение электрооборудования и прокладка кабелей. Спецификация ТП 901-3-207.85-ЭМ-22 Прокладка троллейного шинопровода для крана "К" и талей Т1,Т2,Т4. Планы ТП 901-3-207.85-ЭМ-23 Трансформаторная подстанция. Установка электрооборудования ТП 901-3-207.85-ЭМ-24 Трансформаторная подстанция. Узлы установки электрооборудования ТП 901-3-207.85-ЭМ-25 Трансформаторная подстанция. Заземление ТП 901-3-207.85-ЭМ.ОЛ1 Опросный лист для заказа камер серии КСО-366 ТП 901-3-207.85-ЭМ.ОЛ2 Опросный лист для заказа щита из панелей ЩО-70 ТП 901-3-207.85-ЭМ.МЭЗ-1 Изделия МЭЗ. Ведомость материалов МЭЗ. Ведомость потребности в материалах для изделий МЭЗ. Конструкции ТП 901-3-207.85-ЭМ.МЭЗ-2 Изделия МЭЗ. Конструкции ТП 901-3-207.85-ЭО Электроосвещение ТП 901-3-207.85-ЭО-1 Общие данные ТП 901-3-207.85-ЭО-2 Электрическое освещение. План на отм. 0.000;1.100 ТП 901-3-207.85-ЭО-3 Электрическое освещение. Помещение насосной станции. План на отм. 0.000. План на отм. 0.000 в осях 7-11 ТП 901-3-207.85-ЭО-4 Электрическое освещение. План на отм. 3.600 ТП 901-3-207.85-ЭО-5 Электрическое освещение. План на отм. -2.400;3.600 ТП 901-3-207.85-ЭО-6 Электрическое освещение. Спецификация ТП 901-3-207.85-АТХ Автоматизация технологического процесса ТП 901-3-207.85-АТХ-1 Общие данные. Схема функциональная приточной системы П-1 ТП 901-3-207.85-АТХ-2 Схема функциональная приточной системы П-2 ТП 901-3-207.85-АТХ-3 Схема функциональная технологического процесса ТП 901-3-207.85-АТХ-4 Схема электрическая принципиальная управления приточной системой П-1 (начало) ТП 901-3-207.85-АТХ-5 Схема электрическая принципиальная управления приточной системой П-1 (окончание) ТП 901-3-207.85-АТХ-6 Схема электрическая принципиальная управления приточной системой П-2 (начало) ТП 901-3-207.85-АТХ-7 Схема электрическая принципиальная управления приточной системой П-2 (окончание) ТП 901-3-207.85-АТХ-8 Схема электрическая принципиальная питания ТП 901-3-207.85-АТХ-9 Схема электрическая принципиальная сигнализаций ТП 901-3-207.85-АТХ-10 Схема подключения приборов и устройств технологического контроля (начало) ТП 901-3-207.85-АТХ-11 Схема подключения приборов и устройств технологического контроля (продолжение 1) ТП 901-3-207.85-АТХ-12 Схема подключения приборов и устройств технологического контроля (продолжение 2) ТП 901-3-207.85-АТХ-13 Схема подключения приборов и устройств технологического контроля (окончание) ТП 901-3-207.85-АТХ-14 Размещение приборов и устройств технологического контроля. Планы на отм. -1.200;-0.500 и 3.600 ТП 901-3-207.85-АТХ-15 Размещение приборов и устройств технологического контроля. Планы на отм. 0.000 и 3.600 ТП 901-3-207.85-АТХ-33 Данные для разработки здания на изготовления щита диспетчера ТП 901-3-207.85-СС Связь и сигнализация ТП 901-3-207.85-СС-1 Общие данные. План на отм. 0.000 с сетями связи. Спецификация. Скелетная схема ТП 901-3-207.85-СС-2 План на отм. 3.600 с сетями связи. Экспликация помещений |
| Разработан: | ЦНИИЭП |
| Утверждён: | 22.07.1981 Госгражданстрой (Gosgrazhdanstroy 219) |



























































