Скачать Типовой проект 901-1-97.88 Альбом VI. Электротехническая часть (из ТП 901-1-95.88)Дата актуализации: 01.01.2021
|
| Обозначение: | Типовой проект 901-1-97.88 |
| Обозначение англ: | 901-1-97.88 |
| Статус: | не определен законодательством |
| Название рус.: | Альбом VI. Электротехническая часть (из ТП 901-1-95.88) |
| Дата добавления в базу: | 01.10.2014 |
| Дата актуализации: | 01.01.2021 |
| Дата введения: | 05.07.1988 |
| Дата окончания срока действия: | 30.06.2003 |
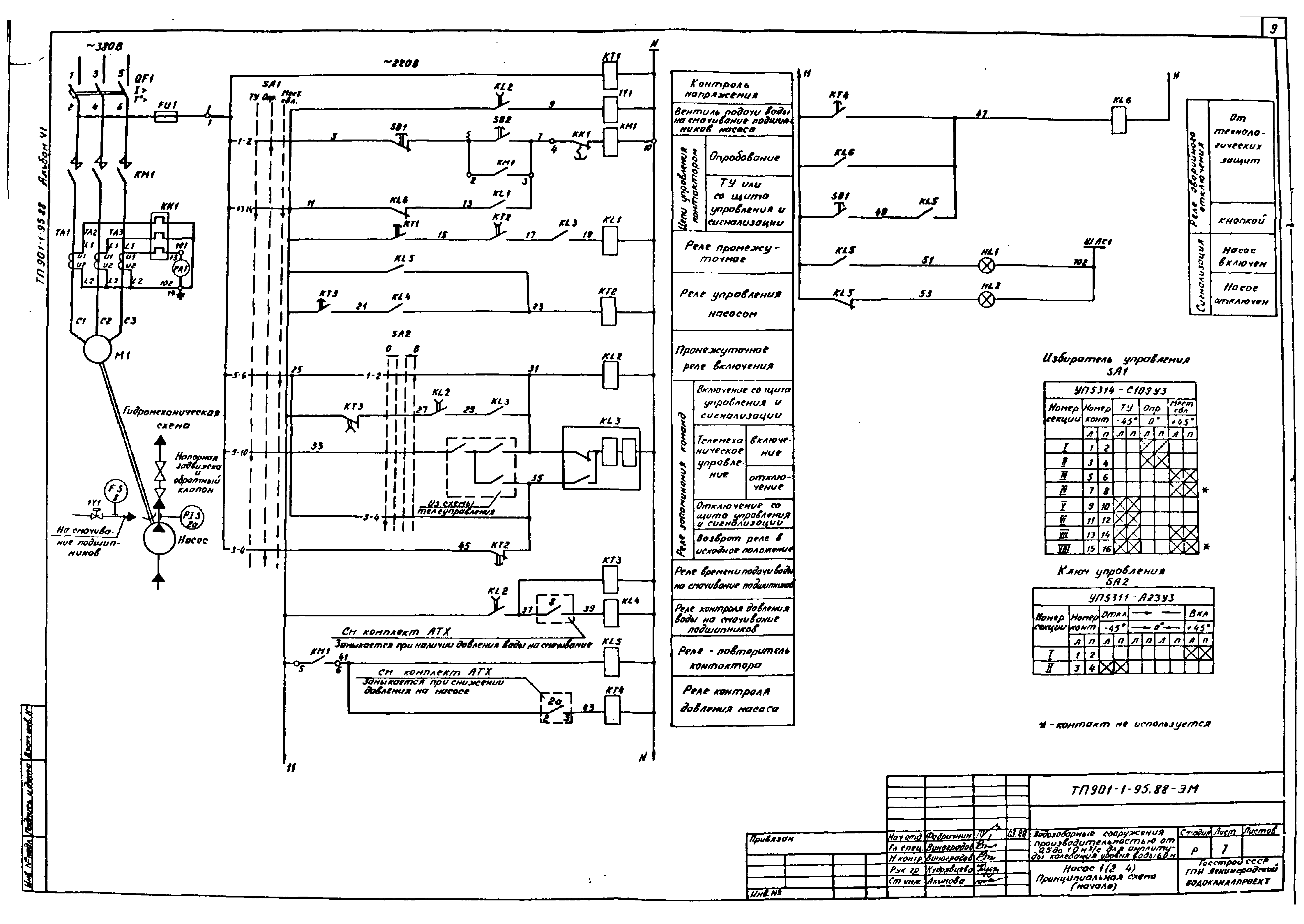
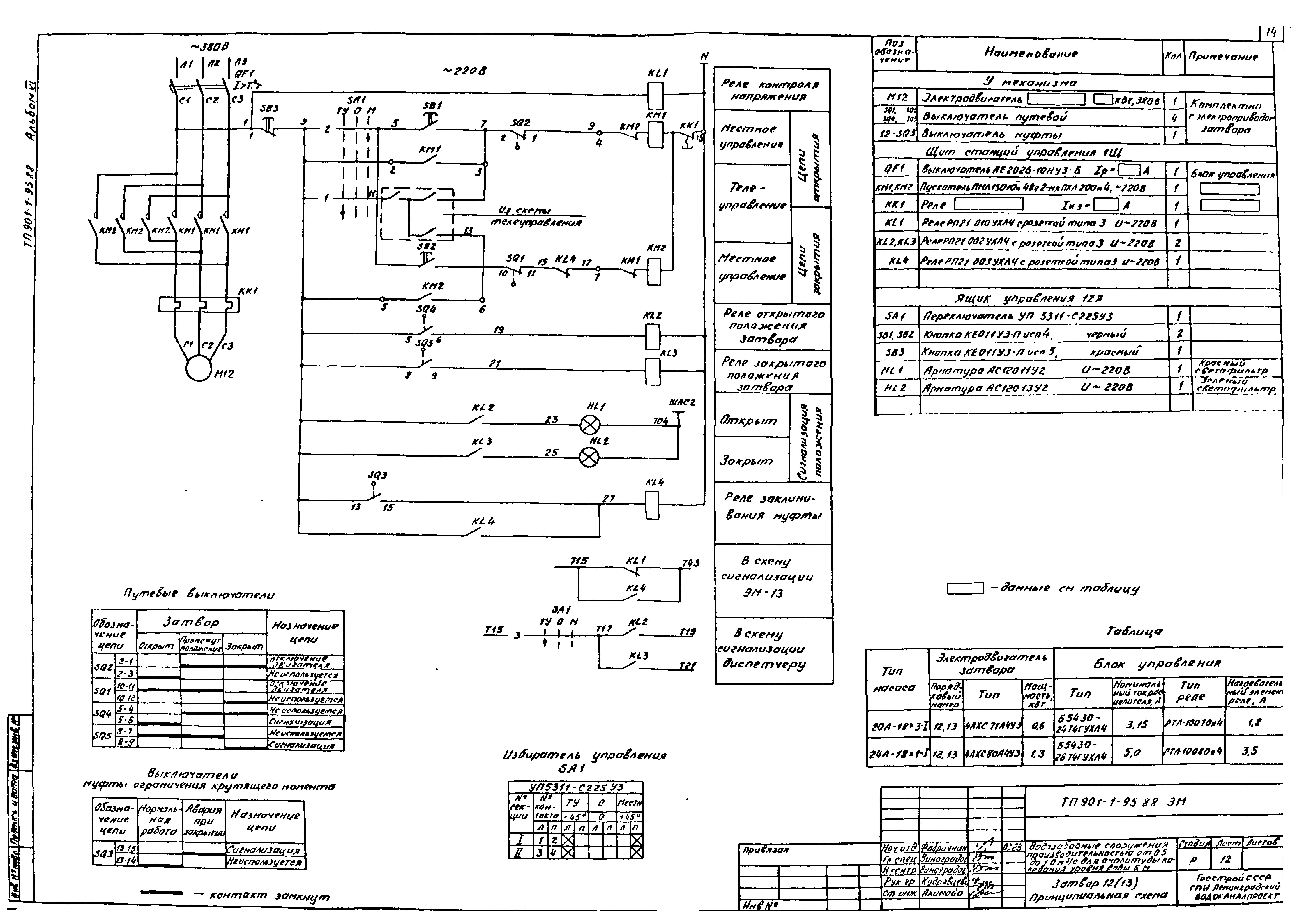
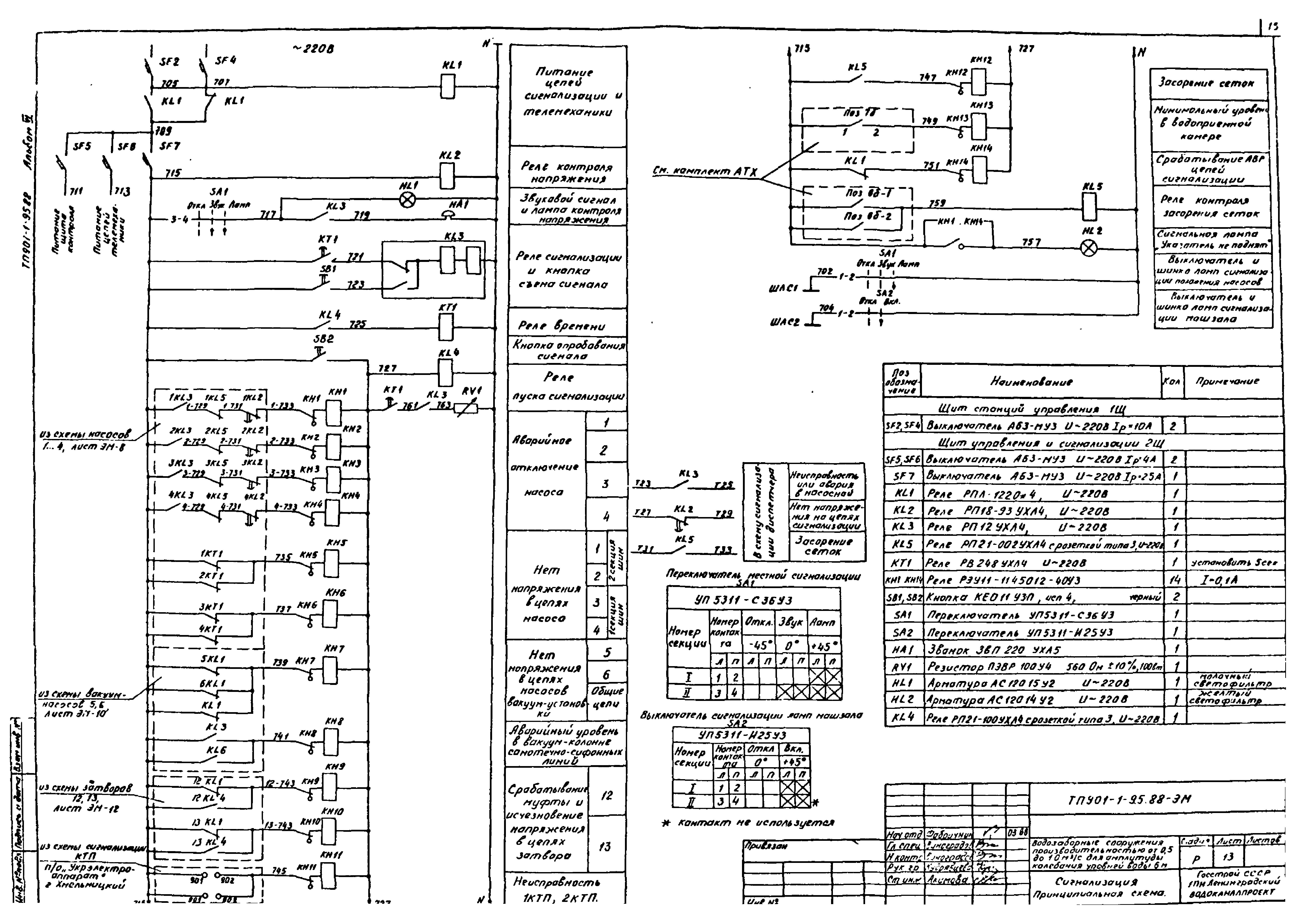
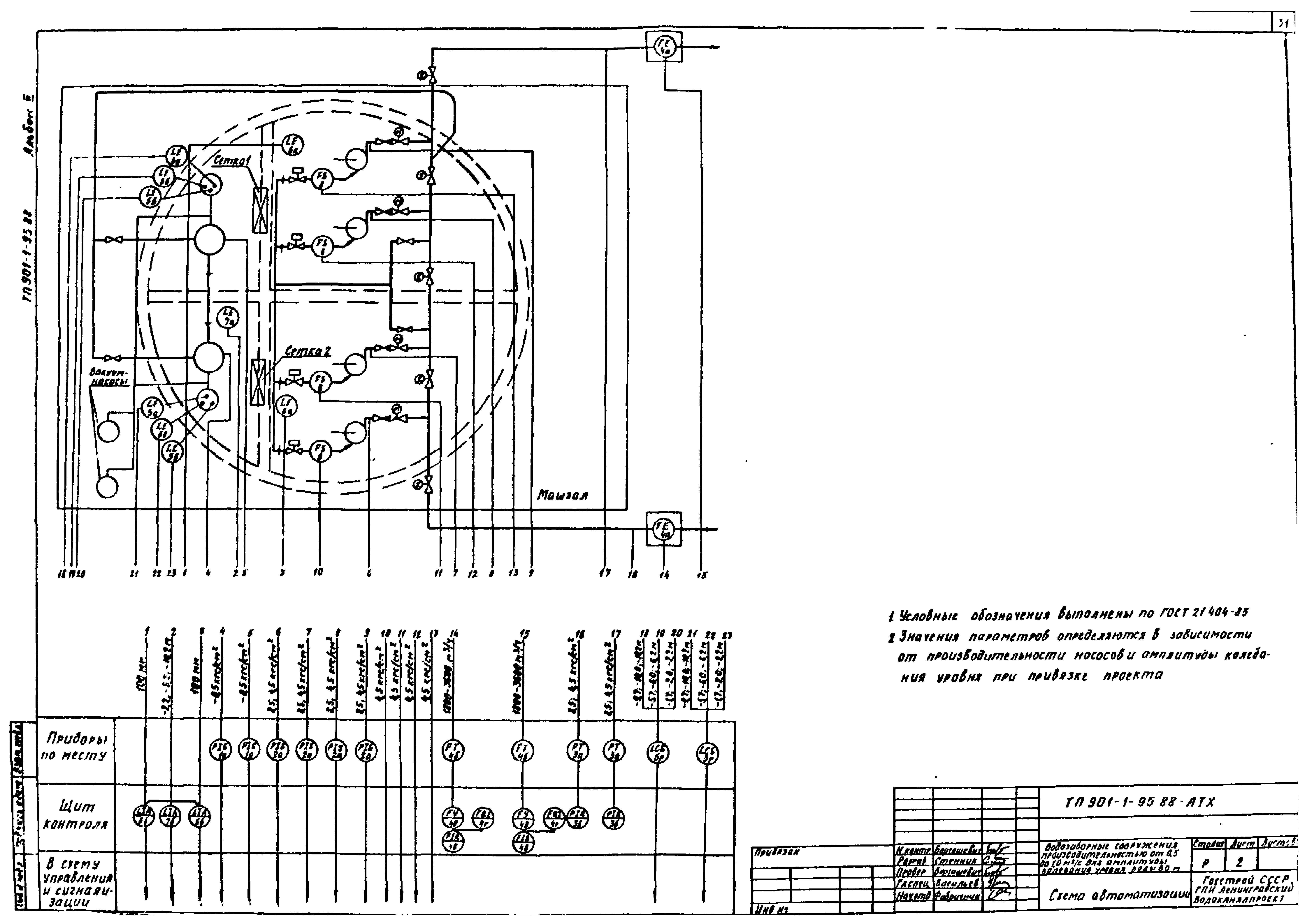
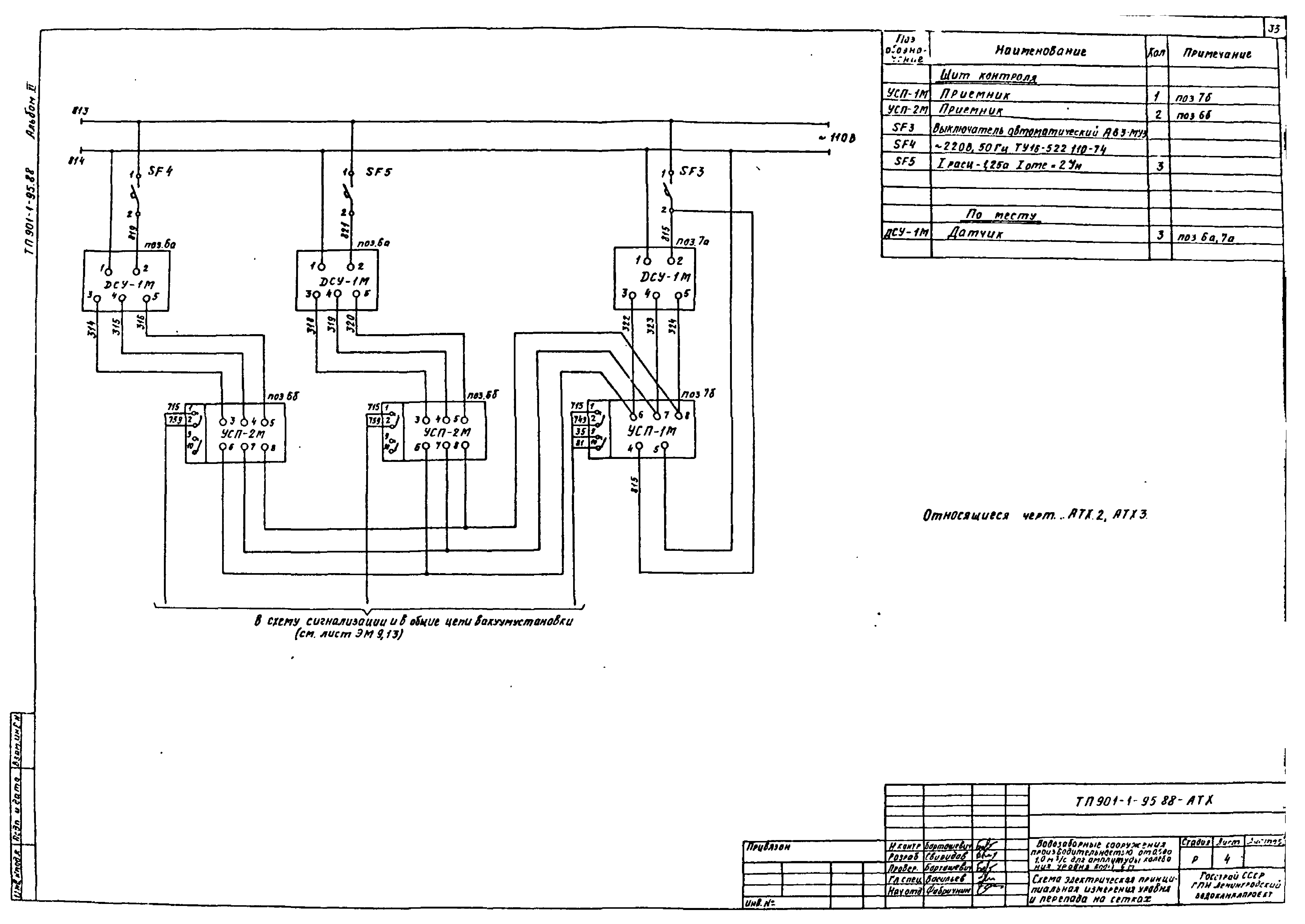
| Оглавление: | Основной комплект марки ЭМ Общие данные Гидромеханическая схема и ведомость электроприводов Подстанция. Щит станций управления 1Щ. Принципиальная однолинейная схема Насос 1 (2…4). Принципиальная схема Вакуум-насос 5 (6). Клапан 8 (9). Принципиальная схема Задвижка 10 (11). Затвор 14 (15, 16). Насос 18 (19). Принципиальная схема Затвор 12 (13). Принципиальная схема Сигнализация. Принципиальная схема Электропривода. Схема подключений Щит станций управления 1Щ. Схема подключения Щит станций управления 2Щ. Ящики управления. Схема подключения Кабельный журнал План расположения электрооборудования и прокладка кабелей Сеть заземления и зануления. План Шинный мост Основной комплект марки ЭО Общие данные Электрическое освещение. План Установка светильников РСП11-400 и ПВЛМ-2х40 на кронштейне, на стене Основной комплект марки АТХ Общие данные Схема автоматизации Схема электрическая принципиальная распределительной сети Схема электрическая принципиальная измерения уровня и перепада на сетках Схема соединений внешних проводок Схема подключения внешних проводок Щитовое помещение. План расположения Машзал. План расположения |
| Разработан: | Ленинградский Водоканалпроект |
| Утверждён: | 06.04.1988 Госстрой СССР (Государственный комитет Совета Министров СССР по делам строительства) (USSR Gosstroy 25) |
| Издан: | ЦИТП Госстроя СССР (CITP, Gosstroy (USSR) 1988 г. ) |
| Заменяет собой: |





































