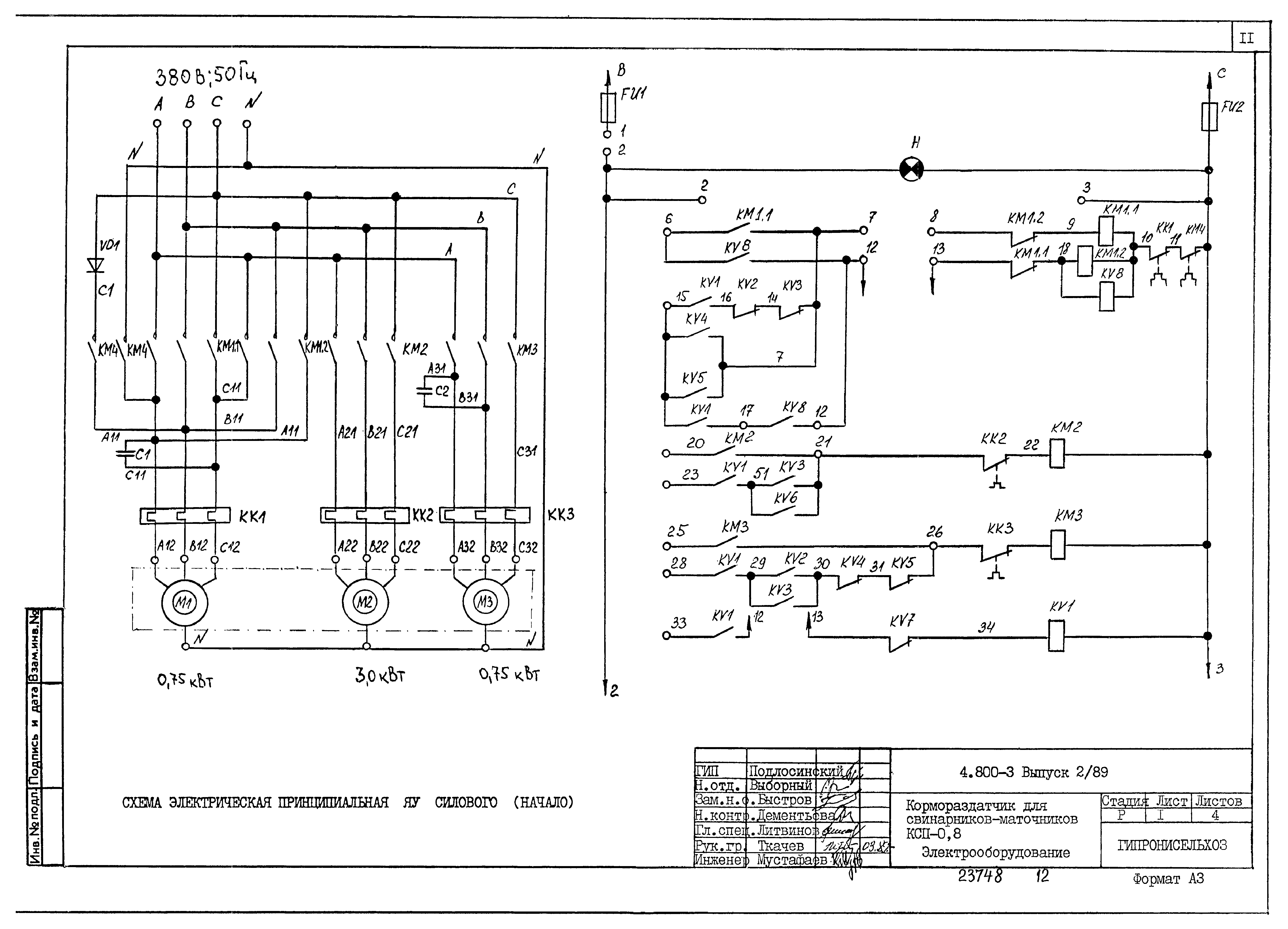
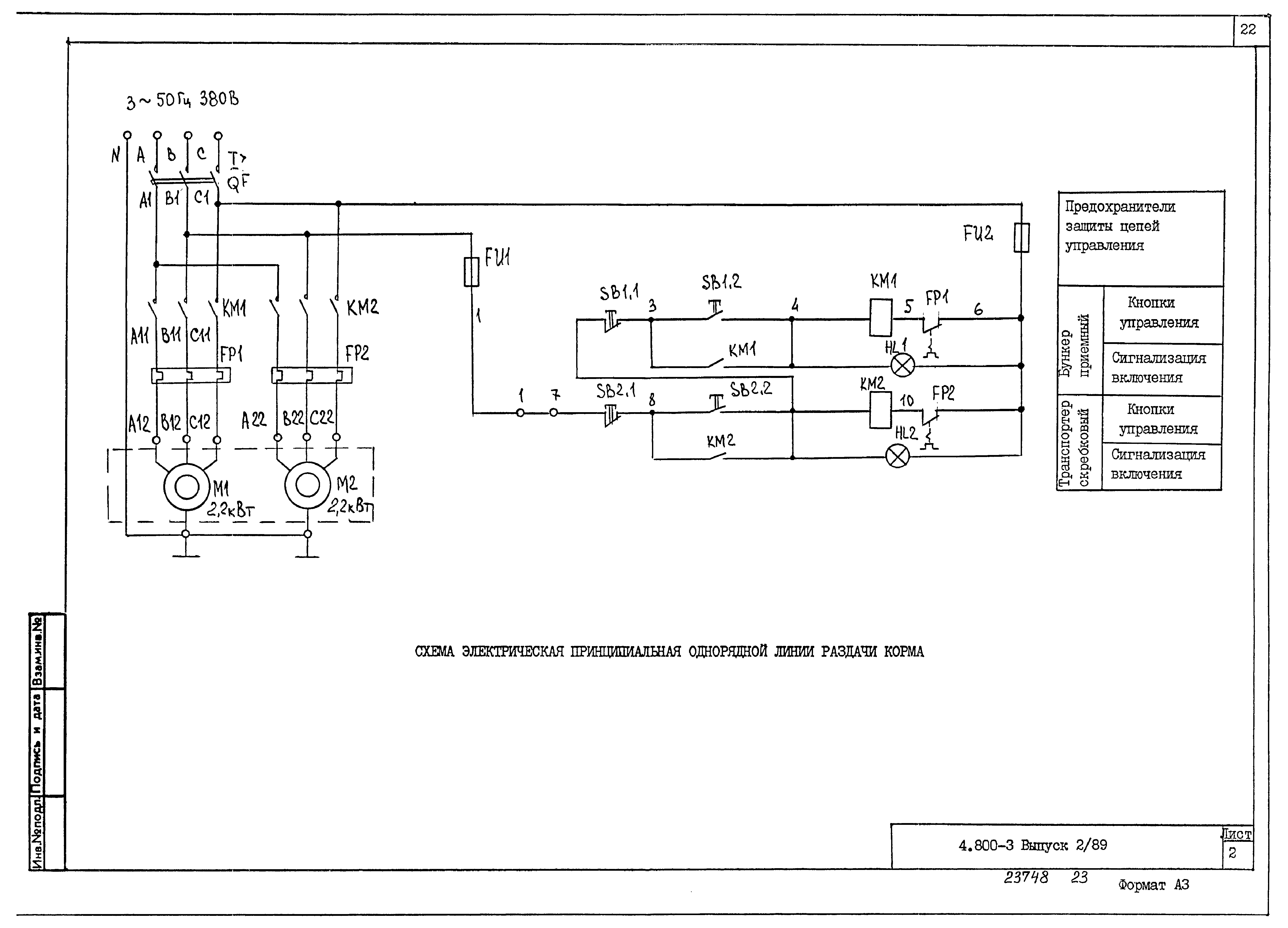
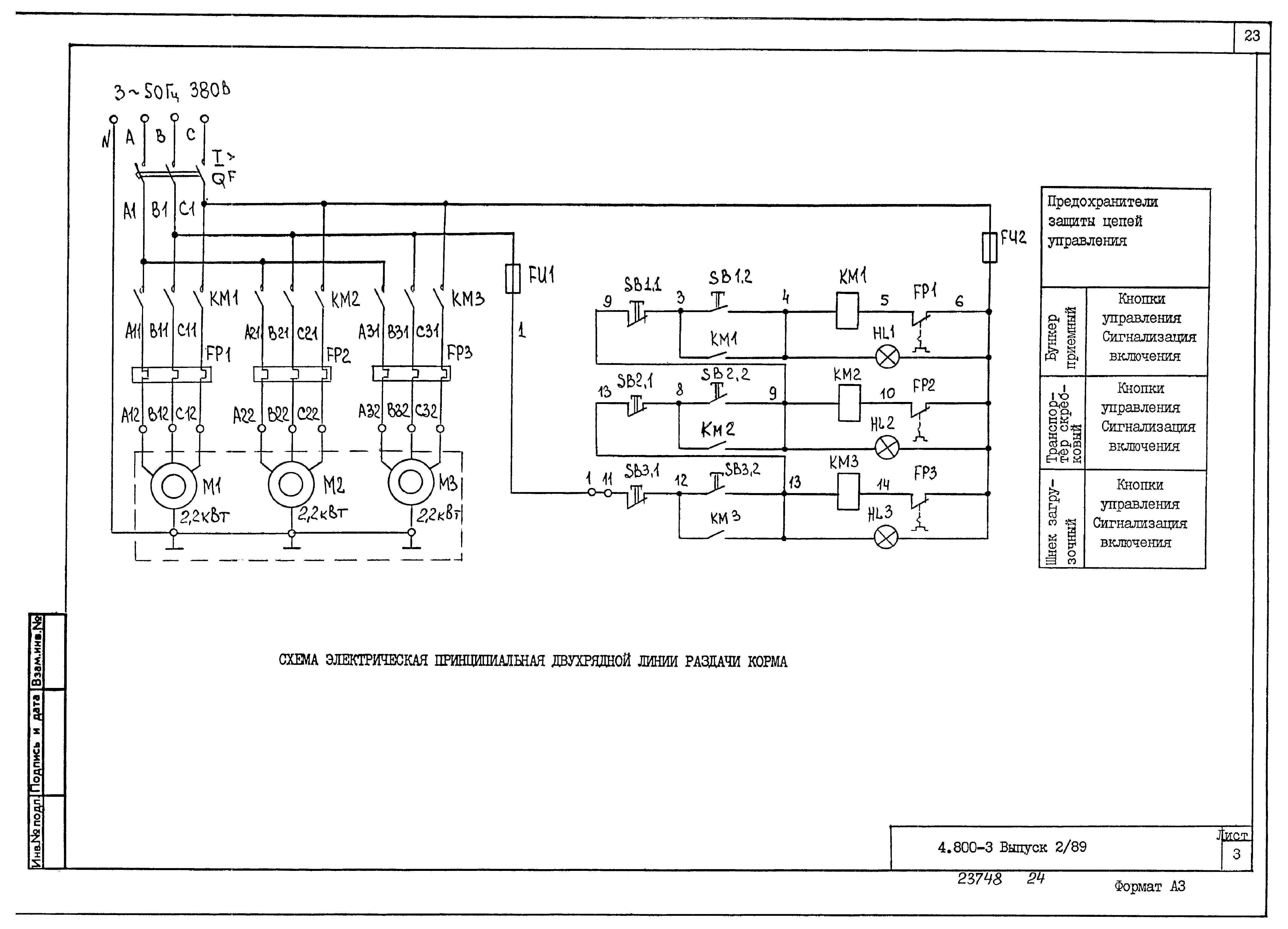
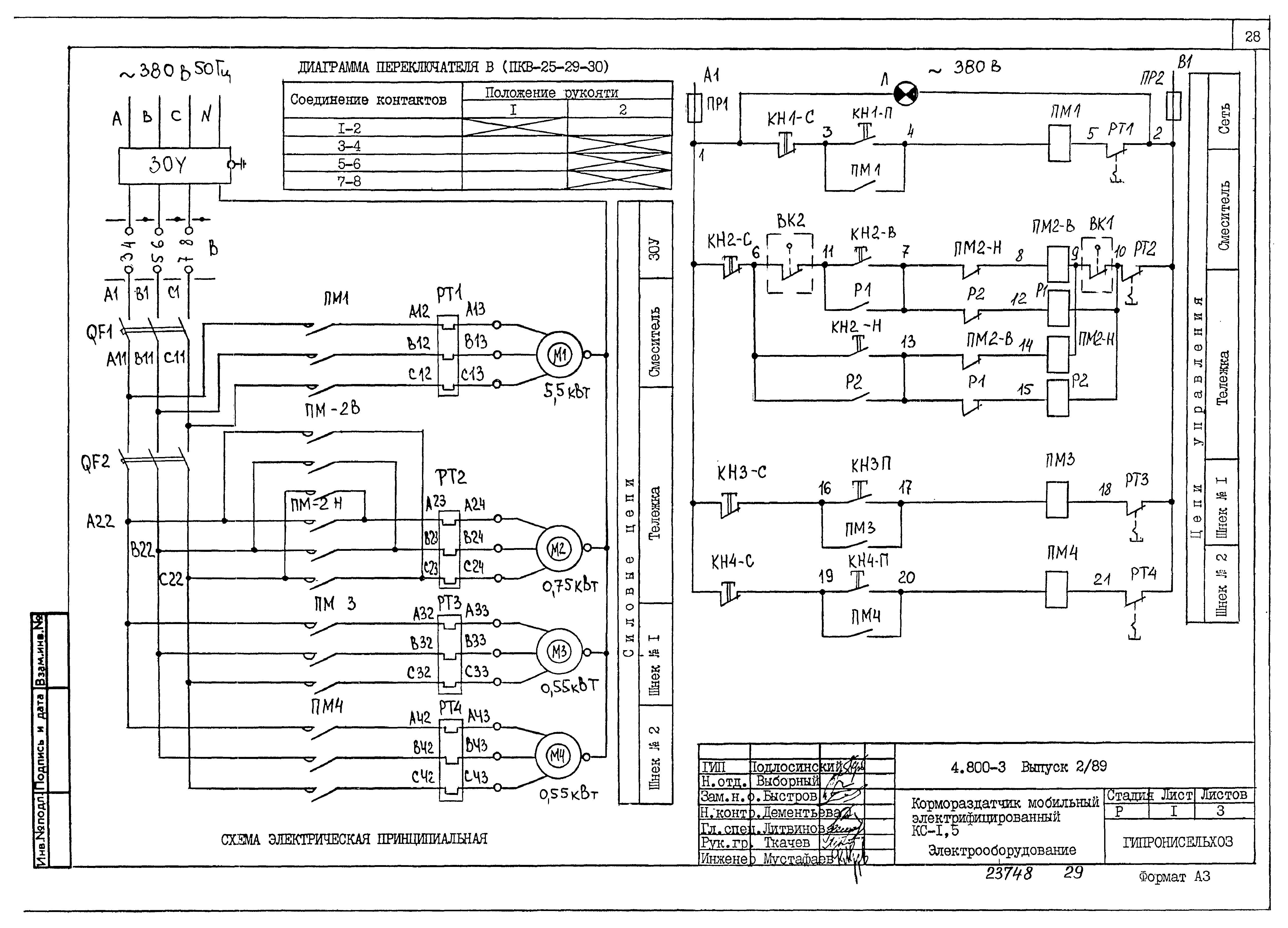
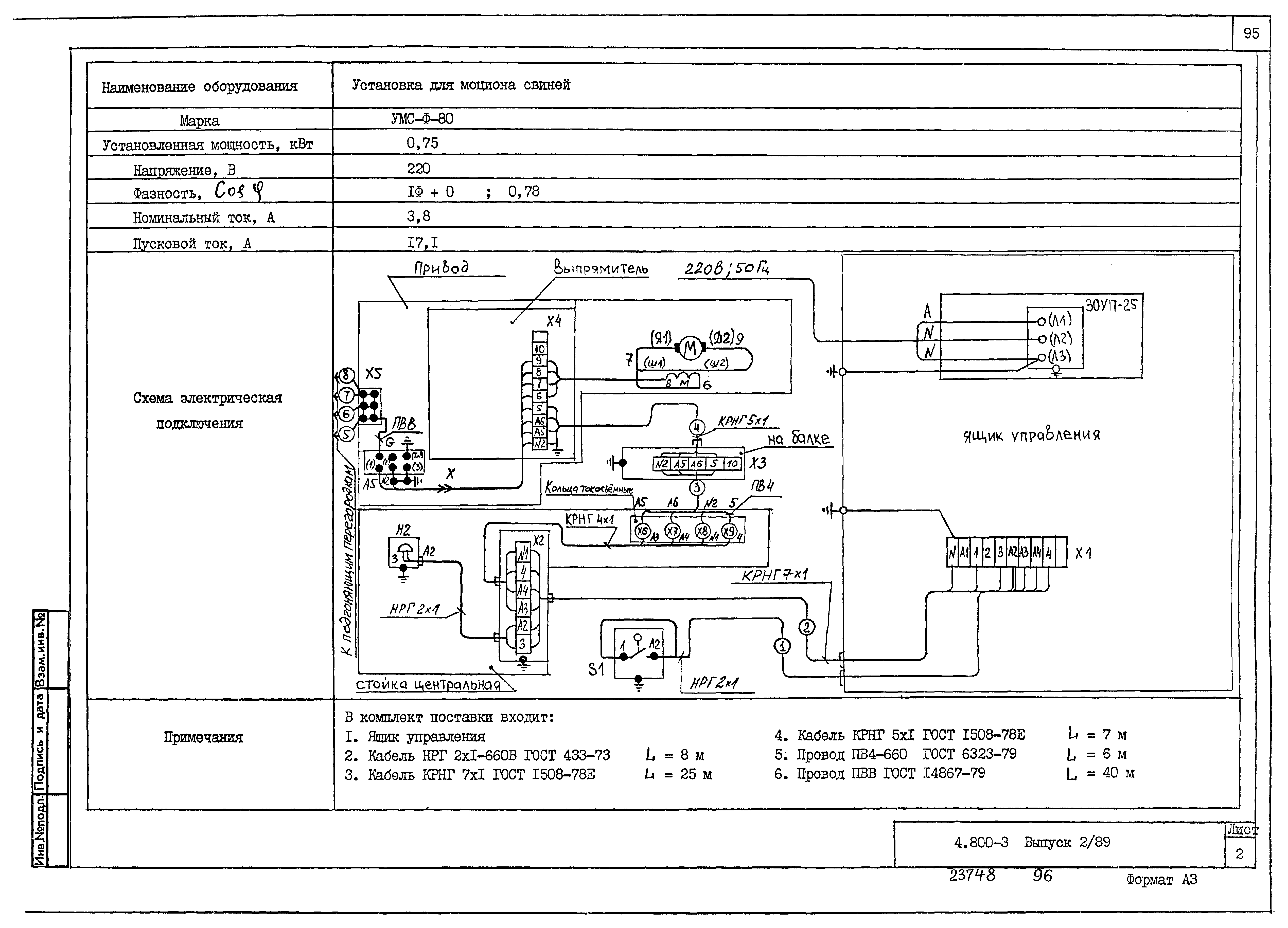
Скачать Серия 4.800-3 Выпуск 2/89. Установочные чертежи машин и механизмов для свиноводческих фермДата актуализации: 01.01.2021
|
| Обозначение: | Серия 4.800-3 |
| Обозначение англ: | Series 4.800-3 |
| Статус: | не определен законодательством |
| Название рус.: | Выпуск 2/89. Установочные чертежи машин и механизмов для свиноводческих ферм |
| Дата добавления в базу: | 01.02.2020 |
| Дата актуализации: | 01.01.2021 |
| Дата введения: | 01.10.1989 |
| Дата окончания срока действия: | 30.06.2003 |
| Разработан: | ГипроНИсельхоз (Институт Гипронисельхоз ) |
| Утверждён: | 28.03.1989 Гипронисельхоз (Giproniselkhoz 44П) |
































































































