Скачать Типовой проект 903-1-224.86 Альбом 5.1. Котельная. Архитектурно-строительная частьДата актуализации: 01.01.2021
|
| Обозначение: | Типовой проект 903-1-224.86 |
| Обозначение англ: | 903-1-224.86 |
| Статус: | действует |
| Название рус.: | Альбом 5.1. Котельная. Архитектурно-строительная часть |
| Дата добавления в базу: | 01.09.2013 |
| Дата актуализации: | 01.01.2021 |
| Дата введения: | 20.05.1986 |
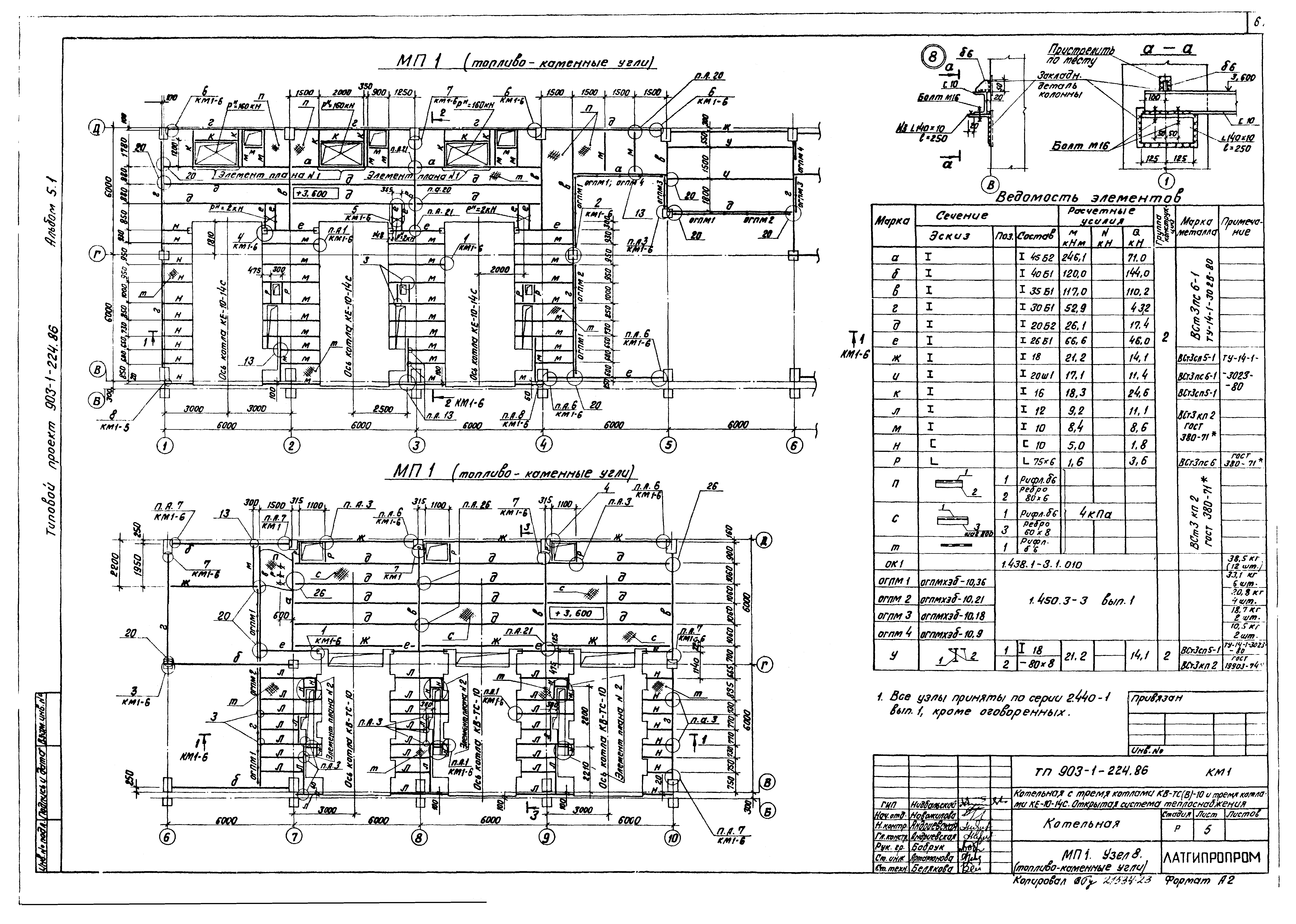
| Оглавление: | ТП 903-1-224.86-АР1 Архитектурно-строительные решения ТП 903-1-224.86-АР1-1 Общие данные (начало) ТП 903-1-224.86-АР1-2 Общие данные (продолжение) ТП 903-1-224.86-АР1-3 Общие данные (окончание). Узел 1 ТП 903-1-224.86-АР1-4 Планы полов и кровли. Схемы 1-4 ТП 903-1-224.86-АР1-5 Экспликация полов и кровли ТП 903-1-224.86-АР1-6 План на отм. 0.000. Разрез 1-1. Узлы 2,3 ТП 903-1-224.86-АР1-7 План на отм. 3.600. Разрез 2-2 ТП 903-1-224.86-АР1-8 План на отм. 7.200;10.800 ТП 903-1-224.86-АР1-9 План на отм. 15.000;18.600. Узлы 4-12 ТП 903-1-224.86-АР1-10 Фрагменты 1;2;5 ТП 903-1-224.86-АР1-11 Фрагменты 3;4. Узел 13 ТП 903-1-224.86-АР1-12 Фасады 1-10;А-Е. Узлы 14;15 ТП 903-1-224.86-АР1-13 Фасады 10-1;Е-А. Фрагмент 6. Узлы 16-17. ОК1-ОК6 ТП 903-1-224.86-АР1-14 Разрезы 3-3;4-4. Узлы 18-20 ТП 903-1-224.86-АР1-15 Боров. План на отм. 5.200. Фасад. Узлы 21-24 ТП 903-1-224.86-АР1-16 Боров. Разрезы 1-1÷7-7. Узлы 25,26 ТП 903-1-224.86-КЖ1 Конструкции железобетонные ТП 903-1-224.86-КЖ1-1 Общие данные (начало) ТП 903-1-224.86-КЖ1-2 Общие данные (продолжение) ТП 903-1-224.86-КЖ1-3 Общие данные (окончание) ТП 903-1-224.86-КЖ1-4 Схема расположения колонн ТП 903-1-224.86-КЖ1-5 Схема расположения балок покрытия и ригелей перекрытия. Узлы 1,2 ТП 903-1-224.86-КЖ1-6 Разрезы 1-1÷7-7 ТП 903-1-224.86-КЖ1-7 Схемы расположения плит перекрытия на отм. 3.600;7.200;10.800;15.000. План плит покрытия в осях А-Б ТП 903-1-224.86-КЖ1-8 Схемы расположения плит перекрытия на отм. 18.600 и покрытия в осях А-Б ТП 903-1-224.86-КЖ1-9 Фрагмент 1. Спецификация соединительных элементов ТП 903-1-224.86-КЖ1-10 Узлы 3-7 ТП 903-1-224.86-КЖ1-11 Схемы расположения плит покрытия в осях Д-Е и плит перекрытия в осях 5-6 на отм. 3.600 ТП 903-1-224.86-КЖ1-12 Схемы расположения плит покрытия в осях В-Д ТП 903-1-224.86-КЖ1-13 Схемы расположения стеновых панелей по осям А;10;4;6 и по оси Е ТП 903-1-224.86-КЖ1-14 Схемы расположения стеновых панелей по осям Б;1 и Д ТП 903-1-224.86-КЖ1-15 Схемы расположения стеновых панелей. Спецификация ТП 903-1-224.86-КЖ1-16 Схемы расположения стеновых панелей. Фрагменты 1-5;13-16 ТП 903-1-224.86-КЖ1-17 Схемы расположения стеновых панелей. Фрагменты 6-12 ТП 903-1-224.86-КЖ1-18 Схемы расположения стеновых панелей. Фрагменты 17-23 ТП 903-1-224.86-КЖ1-19 Схемы расположения стеновых панелей. Фрагменты 24-31 ТП 903-1-224.86-КЖ1-20 Схемы расположения стеновых панелей. Узлы А-Г;Е-Н ТП 903-1-224.86-КЖ1-21 Схемы расположения перегородок в осях А-Б по оси 7, в осях 4-7 по оси Б ТП 903-1-224.86-КЖ1-22 Схемы расположения перегородок в осях Б-Д;5-6;5-7. Узлы 8,9 ТП 903-1-224.86-КЖ1-23 Плиты монолитные ПМ1;ПМ2. Опалубка и армирование ТП 903-1-224.86-КЖ1-24 Опалубка фундаментов под оборудование на отм. 15.000 ТП 903-1-224.86-КЖ1-25 Схема расположения закладных изделий на отм. 3.600 в осях 5-7 у оси А и в осях 5-6;Д-Е ТП 903-1-224.86-КЖ1-26 Монолитные участки УМ1;УМ6;УМ7;УМ8. Опалубка и армирование ТП 903-1-224.86-КЖ1-27 Монолитный участок УМ2. Опалубка и армирование ТП 903-1-224.86-КЖ1-28 Монолитный участок УМ3. Опалубка и армирование. Сечение 1-1÷3-3 ТП 903-1-224.86-КЖ1-29 УМ3. Сечения 4-4÷7-7. УМ17. ОП2. Узлы 10;11 ТП 903-1-224.86-КЖ1-30 Монолитные участки УМ4;УМ5. Опалубка и армирование ТП 903-1-224.86-КЖ1-31 Монолитные участки УМ9;УМ10. ОП1. Узлы 12;13 ТП 903-1-224.86-КЖ1-32 Монолитный участок УМ11. Опалубка и армирование ТП 903-1-224.86-КЖ1-33 Монолитный участок УМ12. Опалубка и армирование ТП 903-1-224.86-КЖ1-34 Монолитный участок УМ13. Опалубка и армирование ТП 903-1-224.86-КЖ1-35 Монолитный участок УМ14;УМ5. Опалубка и армирование ТП 903-1-224.86-КЖ1-36 Монолитный участок УМ18. Узел 14. Спецификация монолитных участков УМ18;УМ16 ТП 903-1-224.86-КЖ1-37 Боров. Схема расположения фундаментов ТП 903-1-224.86-КЖ1-38 Боров. Фундаменты ФМ1;ФМ2;ФМ3. Опалубка и армирование ТП 903-1-224.86-КЖ1-39 Боров. Схема расположения колонн и плит перекрытия ТП 903-1-224.86-КЖ1-40 Боров. Схема расположения плит покрытия. Разрезы 1-1÷4-4 ТП 903-1-224.86-КЖ1-41 Боров. Монолитные участки УМ1а-УМ8а. Опалубка и армирование ТП 903-1-224.86-КЖ1-42 Боров. Узлы 15-18. Спецификация монолитных участков ТП 903-1-224.86-КМ1 Конструкции металлические ТП 903-1-224.86-КМ1-1 Общие данные. Ведомость конструкций по видам профилей ТП 903-1-224.86-КМ1-2 Техническая спецификация металла (начало) ТП 903-1-224.86-КМ1-3 Техническая спецификация металла (продолжение) ТП 903-1-224.86-КМ1-4 Техническая спецификация металла (окончание) ТП 903-1-224.86-КМ1-5 МП1 (топливо-каменные угли). Узел 8 ТП 903-1-224.86-КМ1-6 Узлы 1-7. Разрезы 1-1÷3-3 (Топливо-каменные угли) ТП 903-1-224.86-КМ1-7 МП1 (топливо-бурые угли). Узел 15 ТП 903-1-224.86-КМ1-8 Разрезы 1-1÷3-3. Узлы 9-14 (Топливо-бурые угли) ТП 903-1-224.86-КМ1-9 Элементы плана №1 и №2. Узлы 16-18 ТП 903-1-224.86-КМ1-10 Площадка МП2 под золоуловитель БЦ-2-5х(4-2) в осях 1-4. Узлы 19;20 ТП 903-1-224.86-КМ1-11 Площадка МП3 под золоуловитель БЦ-2-7х(5-3) в осях 7-10 ТП 903-1-224.86-КМ1-12 Схема расположения балок перекрытия и бункеров на отм. 15.000 ТП 903-1-224.86-КМ1-13 Узлы 22-26. Бункера на отм. 15.000 ТП 903-1-224.86-КМ1-14 Схема расположения балок в перекрытии на отм. 6.000 в осях "5-6","Д-Е". Узлы 27-30 ТП 903-1-224.86-КМ1-15 Схема расположения монорельсовых путей в осях 1-4;Д-Е; в осях 5-6;А-Б; в осях 6-7;В-Д ТП 903-1-224.86-КМ1-16 Схема расположения путей подвесного транспорта в осях 7-10. Узлы 33-35. МР-1 ТП 903-1-224.86-КМ1-17 Схема расположения опор под трубопроводы на отм. 0.000. Элемент плана №1;№2 ТП 903-1-224.86-КМ1-18 Опоры под трубопроводы. Узлы 36-46 ТП 903-1-224.86-КМ1-19 Схема расположения опор под трубопроводы на отм. 18.600. Узлы 47-53 ТП 903-1-224.86-КМ1-20 Схема расположения опоры на отм. 15.000 в осях 2-3;А-Б. Узлы 54-62 ТП 903-1-224.86-КМ1-21 Схема расположения монорельсового пути в осях А-Б;1-2;9-10. Узлы 63-67. Связь СВ ТП 903-1-224.86-КМ1-22 Металлические лестницы ЛМ1;ЛМ2. Узлы 68;69 ТП 903-1-224.86-КМ1-23 Металлическая лестница ЛМ3. Узлы 70-72 ТП 903-1-224.86-КМ1-24 Металлические лестницы ЛМ4;ЛМ5;ЛМ6 ТП 903-1-224.86-КМ1-25 Металлические лестницы ЛМ7;ЛМ8;ЛМ9. Металлическая площадка МП4 ТП 903-1-224.86-КМ1-26 Схема расположения металлических конструкций на баках-аккумуляторах ТП 903-1-224.86-КМ1-27 Боров. Схема расположения металлических балок перекрытия. Узел А ТП 903-1-224.86-КМ1-28 Боров. Узлы 73-78 |
| Разработан: | Латгипропром |
| Утверждён: | 20.05.1986 Госстрой СССР (Государственный комитет Совета Министров СССР по делам строительства) (USSR Gosstroy А4-29) |
| Заменяет собой: |
|



























































































