Скачать Типовые проектные решения 704-1-0247.90 Альбом 1. Основания и фундаменты резервуара объемом 1 тыс. куб. мДата актуализации: 01.01.2021
|
| Обозначение: | Типовые проектные решения 704-1-0247.90 |
| Обозначение англ: | 704-1-0247.90 |
| Статус: | справочные материалы, мп, тпр |
| Название рус.: | Альбом 1. Основания и фундаменты резервуара объемом 1 тыс. куб. м |
| Дата добавления в базу: | 01.09.2013 |
| Дата актуализации: | 01.01.2021 |
| Дата окончания срока действия: | 16.10.1990 |
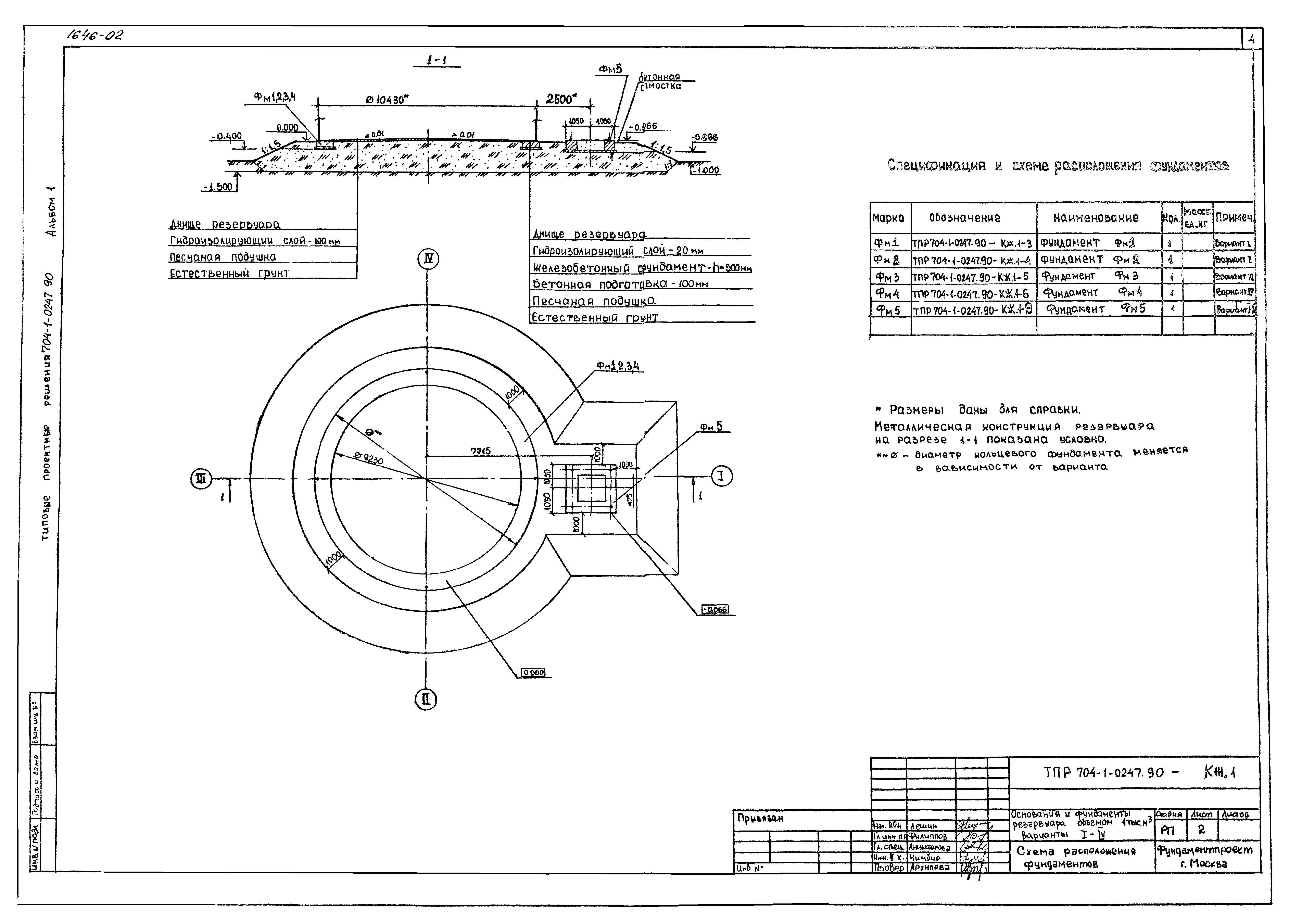
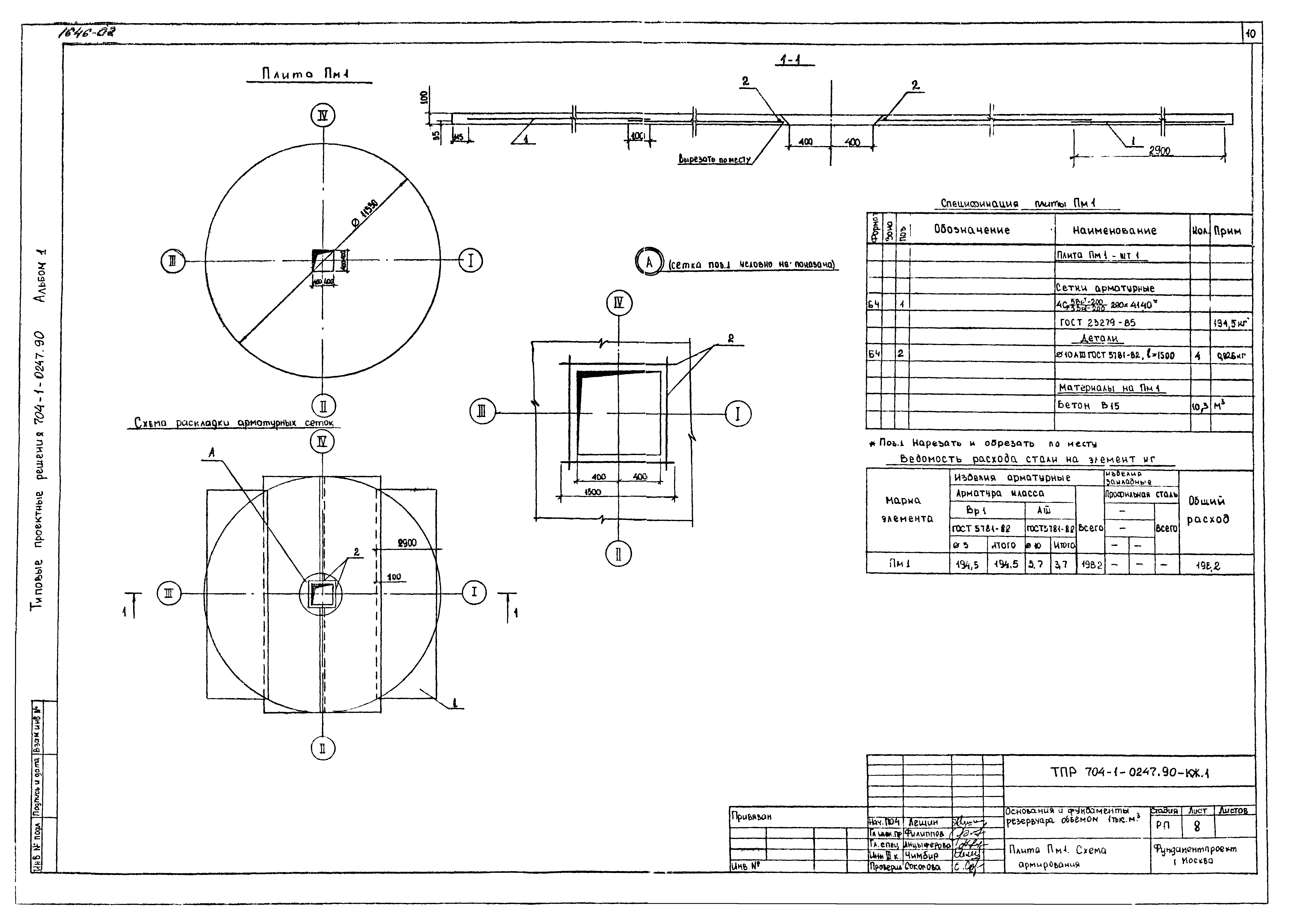
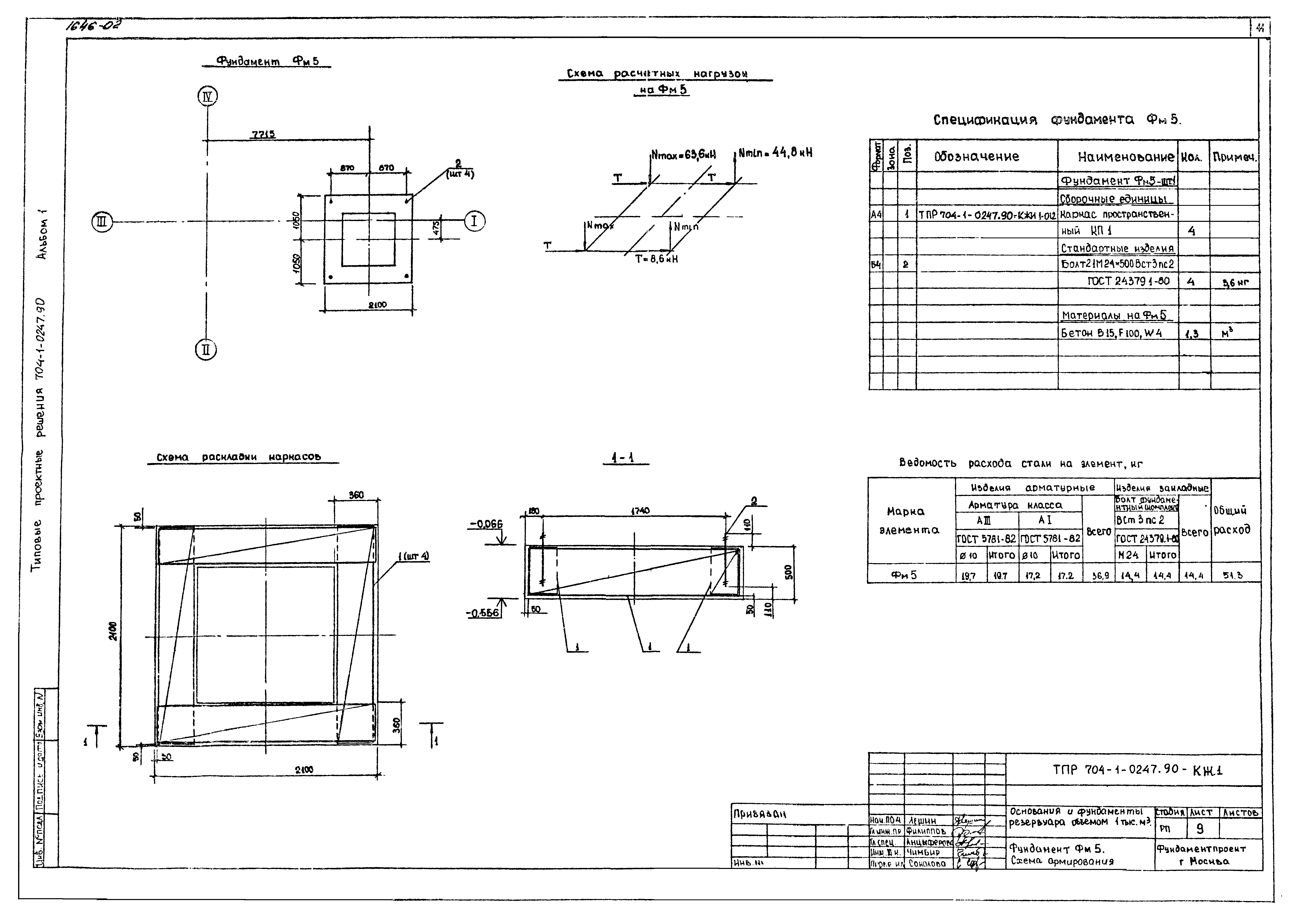
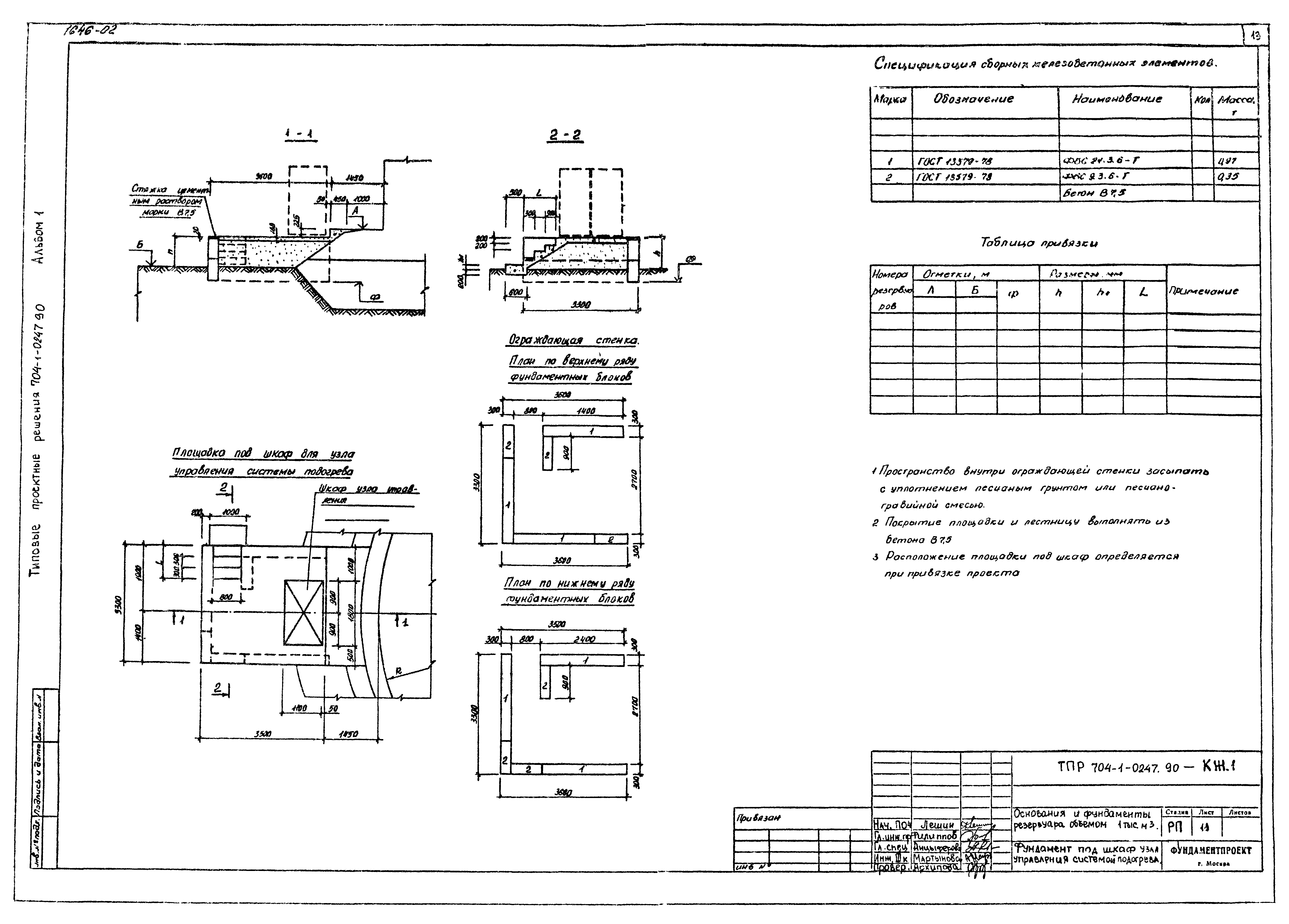
| Оглавление: | ТПР 704-1-0247.90-КЖ1-1 Общие данные ТПР 704-1-0247.90-КЖ1-2 Схема расположения фундаментов ТПР 704-1-0247.90-КЖ1-3 Фундамент Ф1. Узлы. Схема армирования ТПР 704-1-0247.90-КЖ1-4 Фундамент Ф2. Узлы. Схема армирования ТПР 704-1-0247.90-КЖ1-5 Фундамент Ф3. Узлы. Схема армирования ТПР 704-1-0247.90-КЖ1-6 Фундамент Ф4. Узлы. Схема армирования ТПР 704-1-0247.90-КЖ1-7 Схема расположения фундаментов и плиты ТПР 704-1-0247.90-КЖ1-8 Плита Пм1. Схема армирования ТПР 704-1-0247.90-КЖ1-9 Фундамент Ф5. Узлы. Схема армирования ТПР 704-1-0247.90-КЖ1-10 Контрольный колодец КК1 ТПР 704-1-0247.90-КЖ1-11 Фундамент под шкаф узла управления системой подогрева ТПР 704-1-0247.90-КЖИ1-010 Каркас плоский КР1 ТПР 704-1-0247.90-КЖИ1-011 Каркас плоский КР2 ТПР 704-1-0247.90-КЖИ1-012 Каркас пространственный КП1 ТПР 704-1-0247.90-КЖИ1-020 Закладная деталь МН1 |
| Разработан: | ГПИфундаментпроект |
| Утверждён: | 16.10.1990 Миннефтегазпром СССР (USSR Minneftegazprom 107"Э") |















