Скачать Типовые проектные решения 704-1-0247.90 Альбом 5. Основания и фундаменты резервуара объемом 10 тыс. куб. мДата актуализации: 01.01.2021
|
| Обозначение: | Типовые проектные решения 704-1-0247.90 |
| Обозначение англ: | 704-1-0247.90 |
| Статус: | не действует |
| Название рус.: | Альбом 5. Основания и фундаменты резервуара объемом 10 тыс. куб. м |
| Дата добавления в базу: | 01.09.2013 |
| Дата актуализации: | 01.01.2021 |
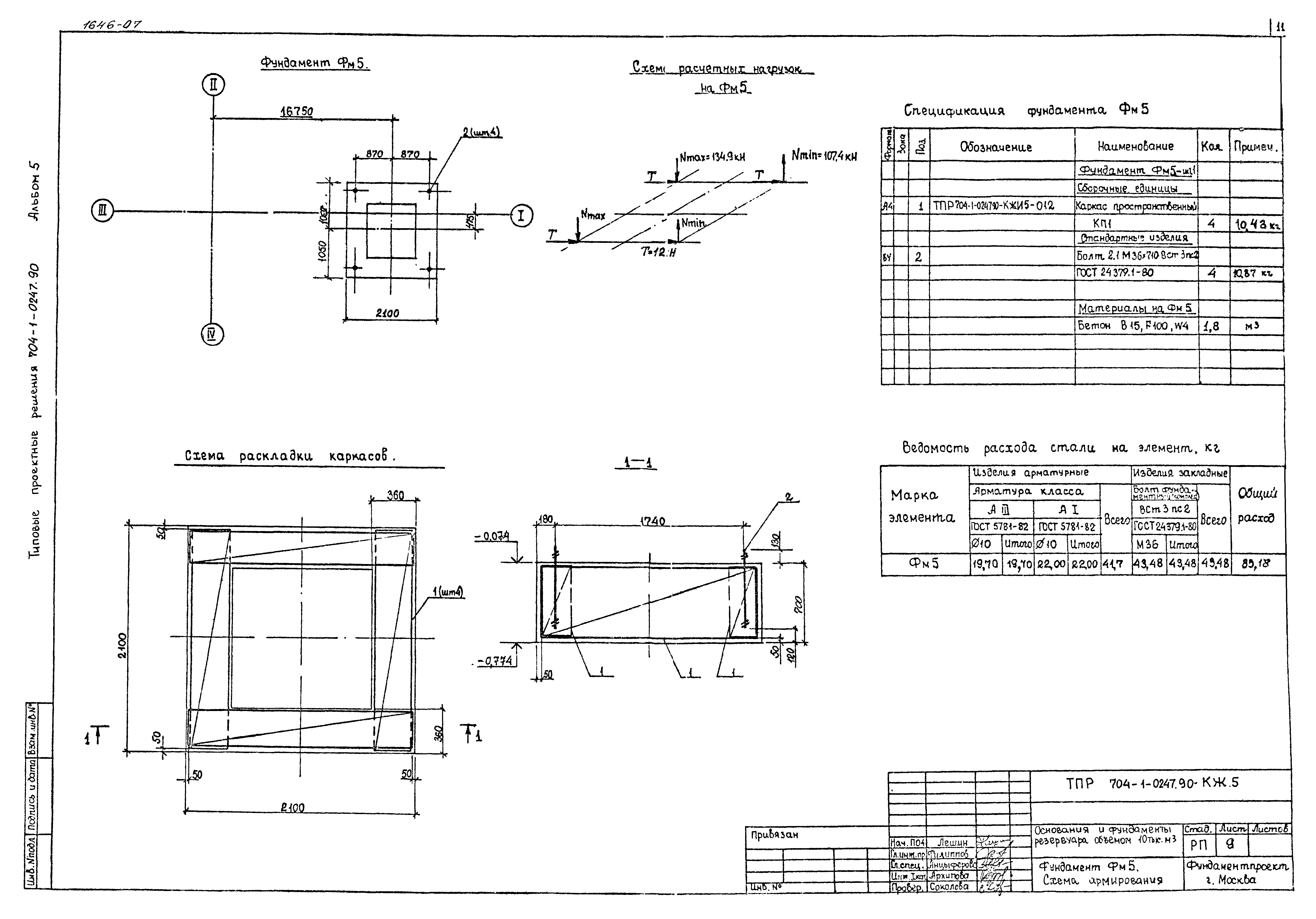
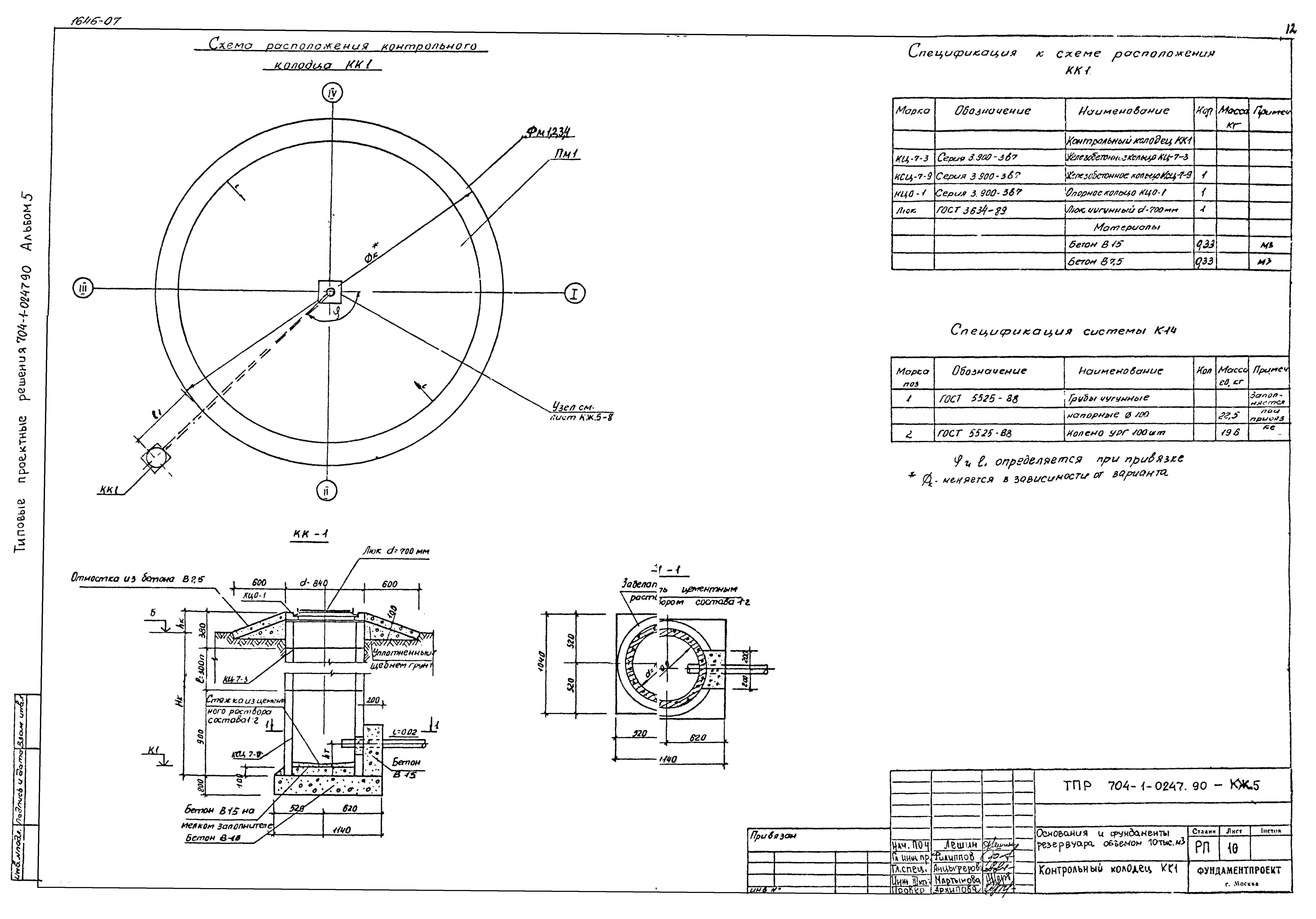
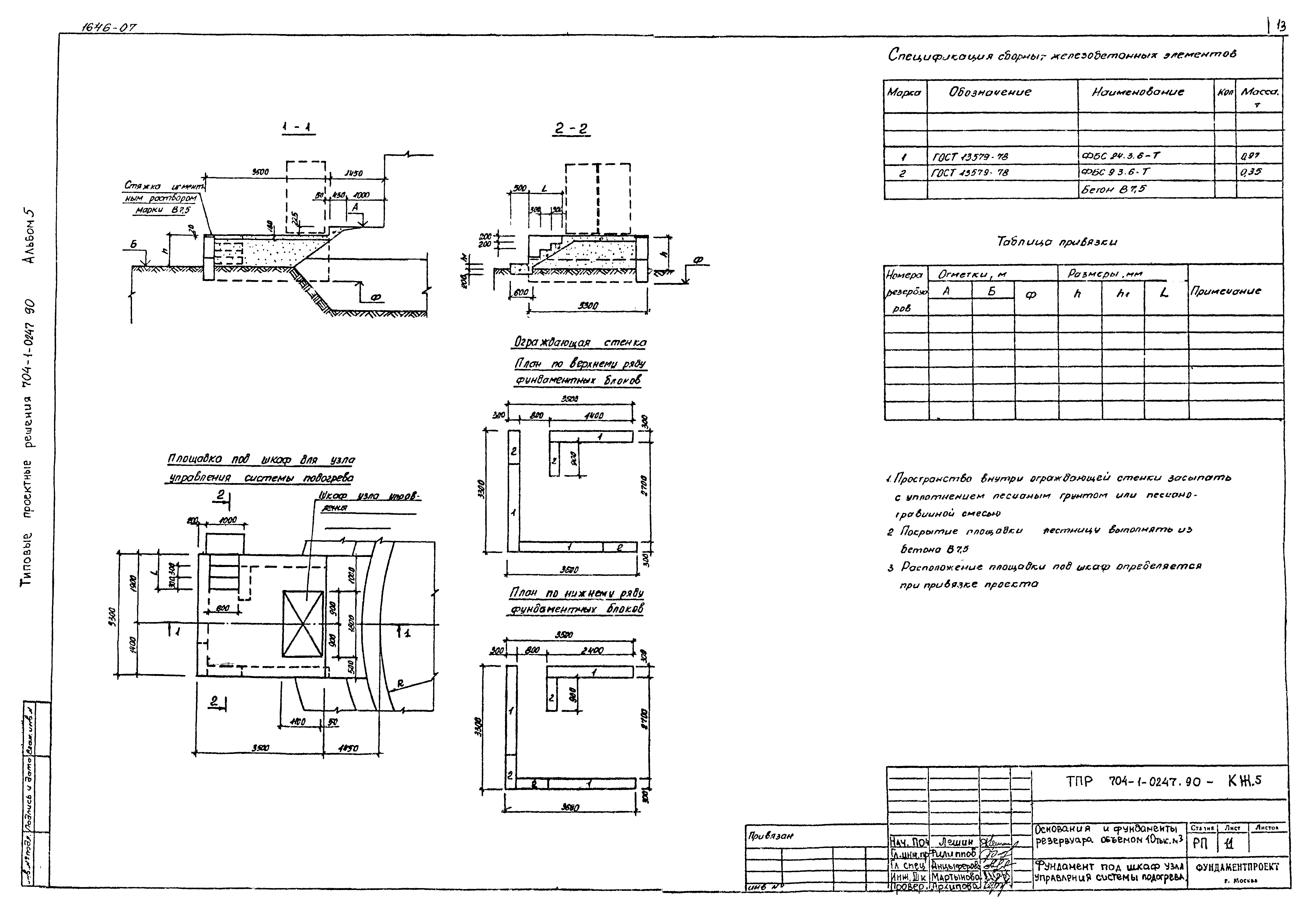
| Оглавление: | ТПР 704-1-0247.90-КЖ5-1 Общие данные ТПР 704-1-0247.90-КЖ5-2 Схема расположения фундаментов ТПР 704-1-0247.90-КЖ5-3 Фундамент Ф1. Узлы. Схема армирования ТПР 704-1-0247.90-КЖ5-4 Фундамент Ф2. Узлы. Схема армирования ТПР 704-1-0247.90-КЖ5-5 Фундамент Ф3. Узлы. Схема армирования ТПР 704-1-0247.90-КЖ5-6 Фундамент Ф4. Узлы. Схема армирования ТПР 704-1-0247.90-КЖ5-7 Схема расположения фундаментов и плиты ТПР 704-1-0247.90-КЖ5-8 Плита Пм1. Схема армирования ТПР 704-1-0247.90-КЖ5-9 Фундамент Ф5. Узлы. Схема армирования ТПР 704-1-0247.90-КЖ5-10 Контрольный колодец КК1 ТПР 704-1-0247.90-КЖ5-11 Фундамент под шкаф узла управления системой подогрева ТПР 704-1-0247.90-КЖИ5-010 Каркас плоский КР1 ТПР 704-1-0247.90-КЖИ5-011 Каркас плоский КР2 ТПР 704-1-0247.90-КЖИ5-012 Каркас пространственный КП1 ТПР 704-1-0247.90-КЖИ5-020 Закладная деталь МН1 |
| Разработан: | ГПИфундаментпроект |
| Утверждён: | 16.10.1990 Миннефтегазпром СССР (USSR Minneftegazprom 107"Э") |















