Скачать Типовые проектные решения 704-1-0247.90 Альбом 7. Основания и фундаменты резервуара объемом 30 тыс. куб. мДата актуализации: 01.01.2021
|
| Обозначение: | Типовые проектные решения 704-1-0247.90 |
| Обозначение англ: | 704-1-0247.90 |
| Статус: | справочные материалы, мп, тпр |
| Название рус.: | Альбом 7. Основания и фундаменты резервуара объемом 30 тыс. куб. м |
| Дата добавления в базу: | 01.09.2013 |
| Дата актуализации: | 01.01.2021 |
| Дата окончания срока действия: | 16.10.1990 |
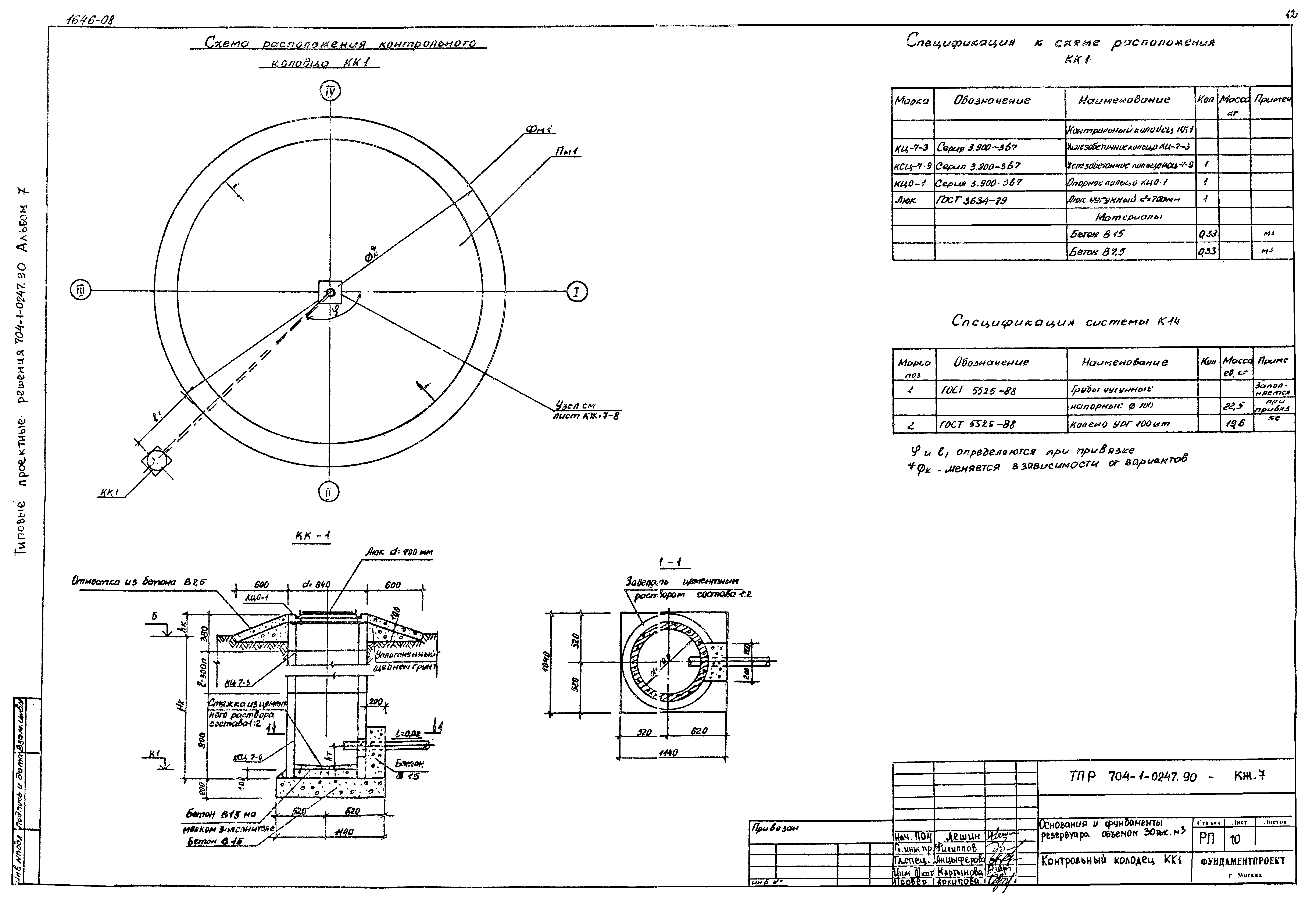
| Оглавление: | ТПР 704-1-0247.90-КЖ7-1 Общие данные ТПР 704-1-0247.90-КЖ7-2 Схема расположения фундаментов ТПР 704-1-0247.90-КЖ7-3 Фундамент Ф1. Узел. Разрезы ТПР 704-1-0247.90-КЖ7-4 Ф1. Схема армирования ТПР 704-1-0247.90-КЖ7-3 Фундамент Ф2. Узел. Разрезы ТПР 704-1-0247.90-КЖ7-4 Ф2. Схема армирования ТПР 704-1-0247.90-КЖ7-11 Схема расположения фундаментов и плиты ТПР 704-1-0247.90-КЖ7-12 Плита Пм1. Схема армирования ТПР 704-1-0247.90-КЖ7-13 Фундамент Ф3. Схема армирования ТПР 704-1-0247.90-КЖ7-14 Контрольный колодец КК1 ТПР 704-1-0247.90-КЖ7-15 Фундамент под шкаф узла управления системой подогрева ТПР 704-1-0247.90-КЖИ7-010 Каркас плоский КР1 ТПР 704-1-0247.90-КЖИ7-010 Каркас плоский КР2 ТПР 704-1-0247.90-КЖИ7-012 Каркас пространственный КП1 |
| Разработан: | ГПИфундаментпроект |
| Утверждён: | 16.10.1990 Миннефтегазпром СССР (USSR Minneftegazprom 107"Э") |















