Скачать Серия 1.435-11 Выпуск 1. Часть 2. Рабочие чертежиДата актуализации: 01.01.2021
|
| Обозначение: | Серия 1.435-11 |
| Обозначение англ: | Series 1.435-11 |
| Статус: | не действует |
| Название рус.: | Выпуск 1. Часть 2. Рабочие чертежи |
| Дата добавления в базу: | 01.09.2013 |
| Дата актуализации: | 01.01.2021 |
| Дата окончания срока действия: | 01.12.1984 |
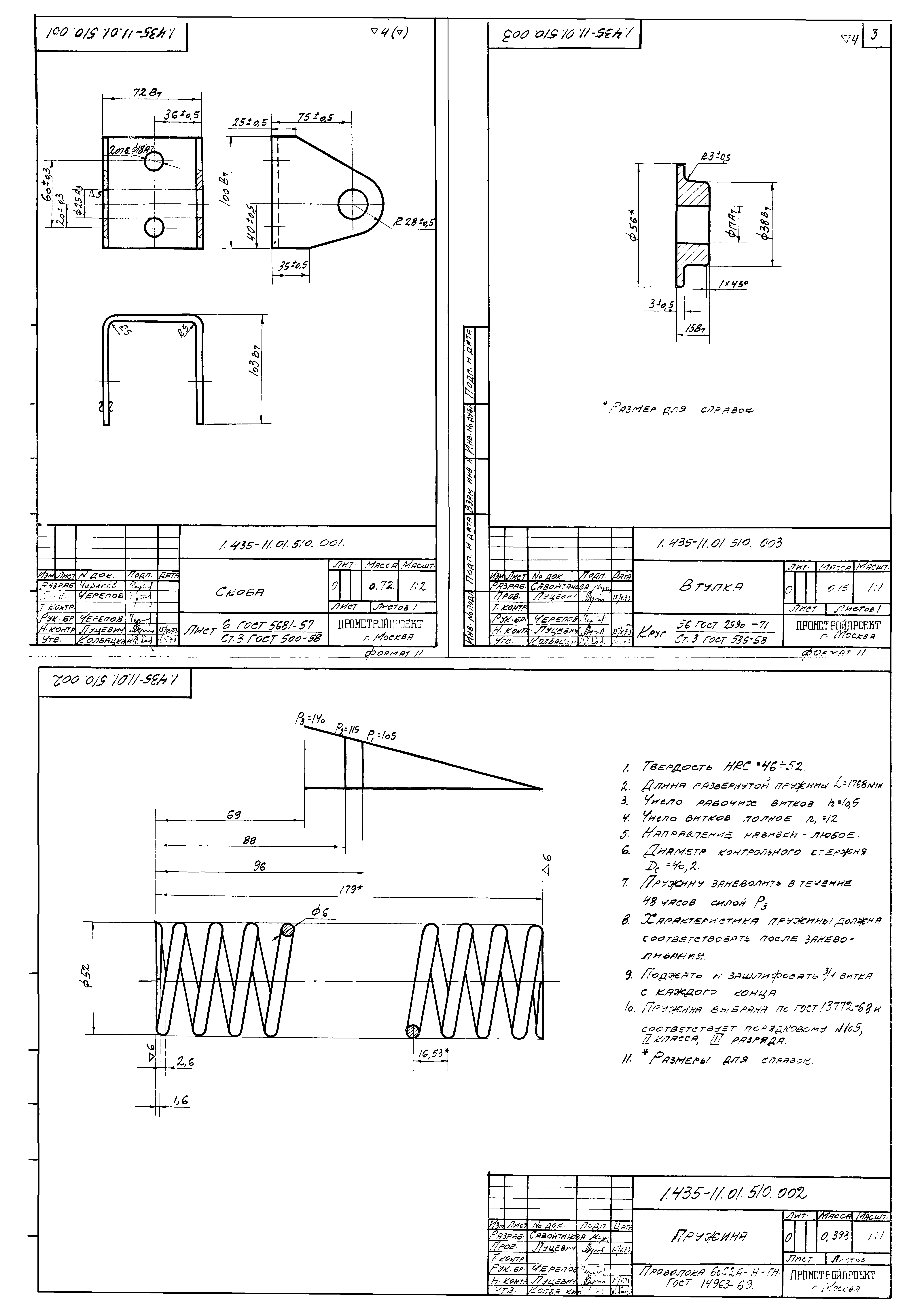
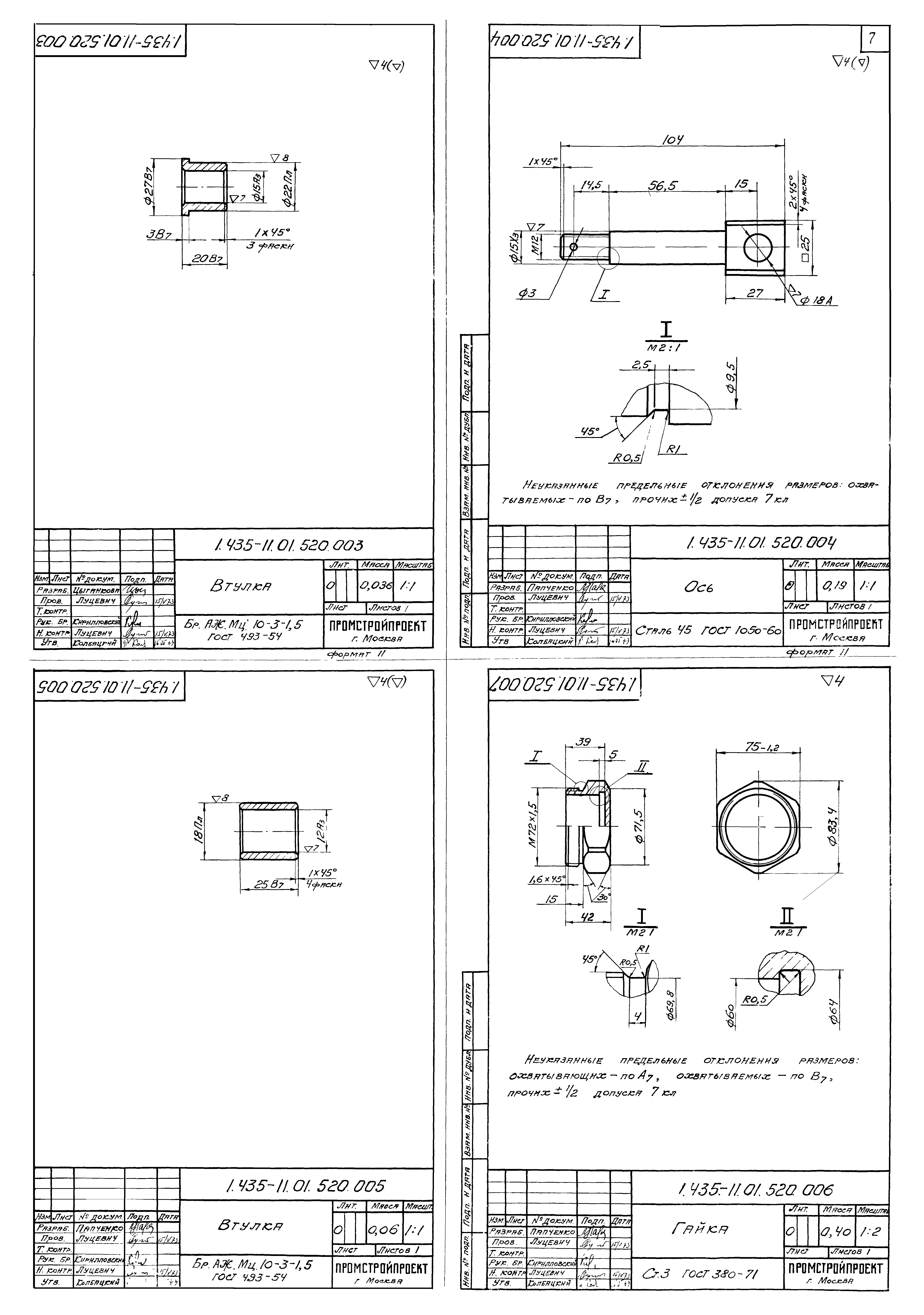
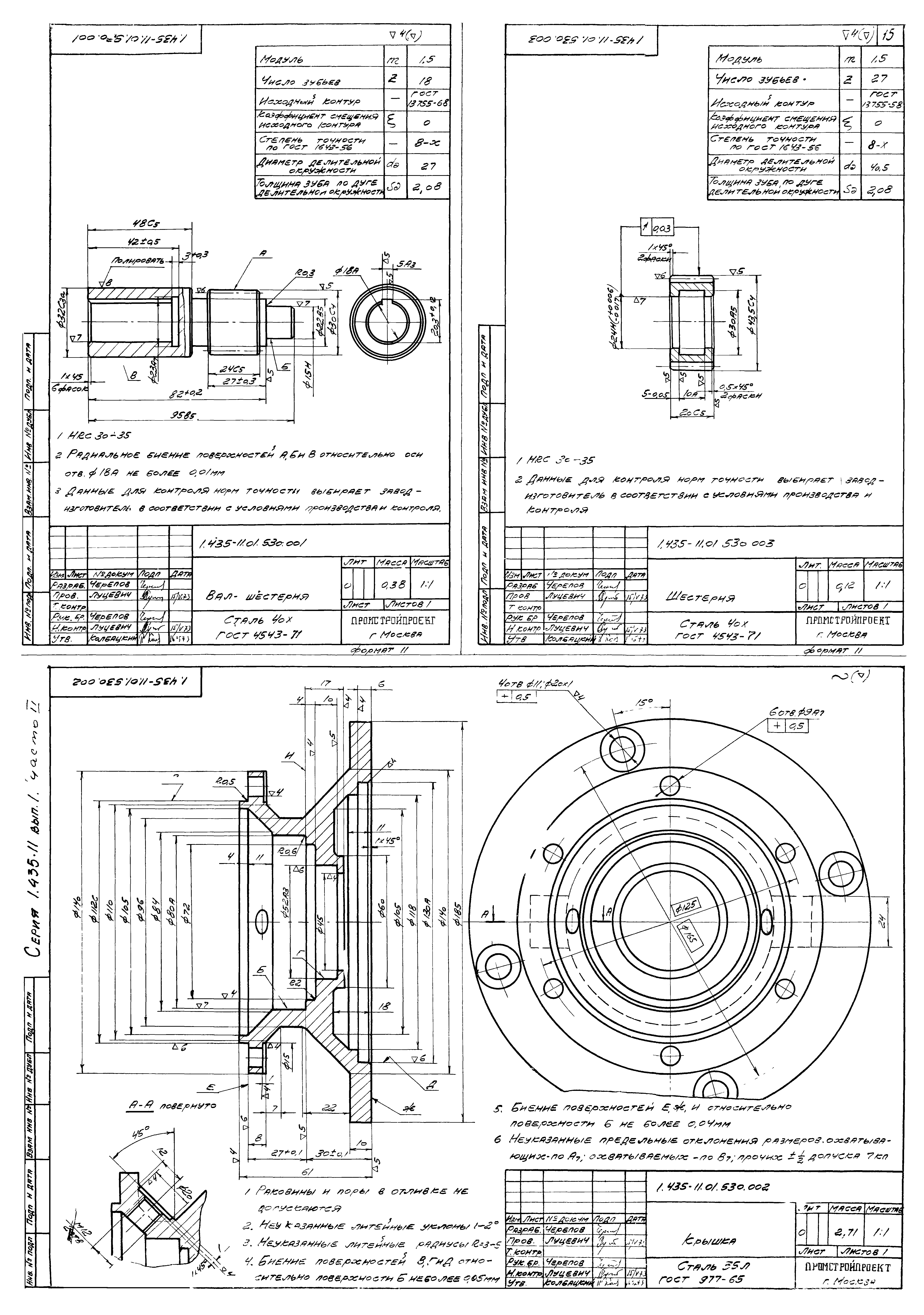
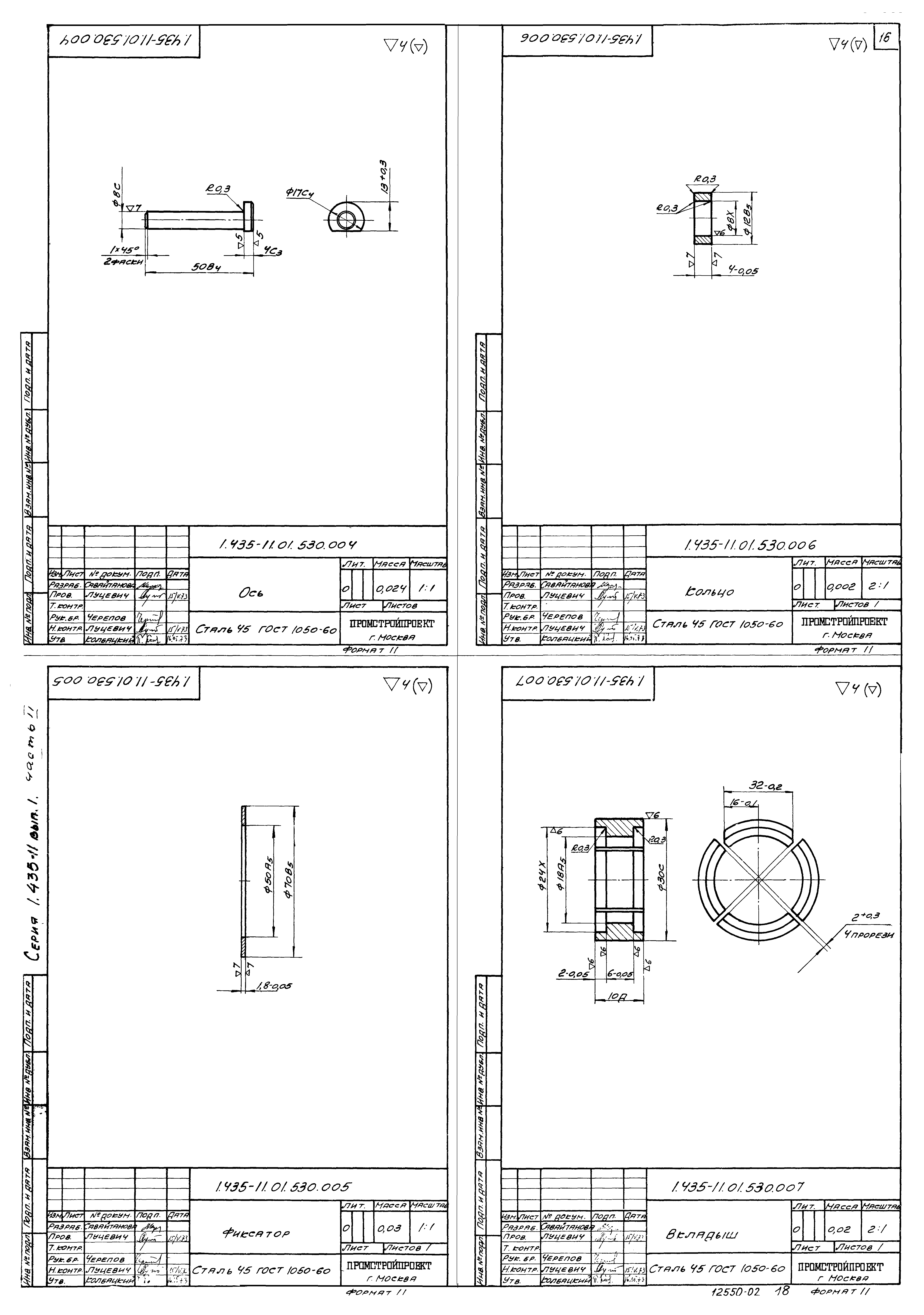
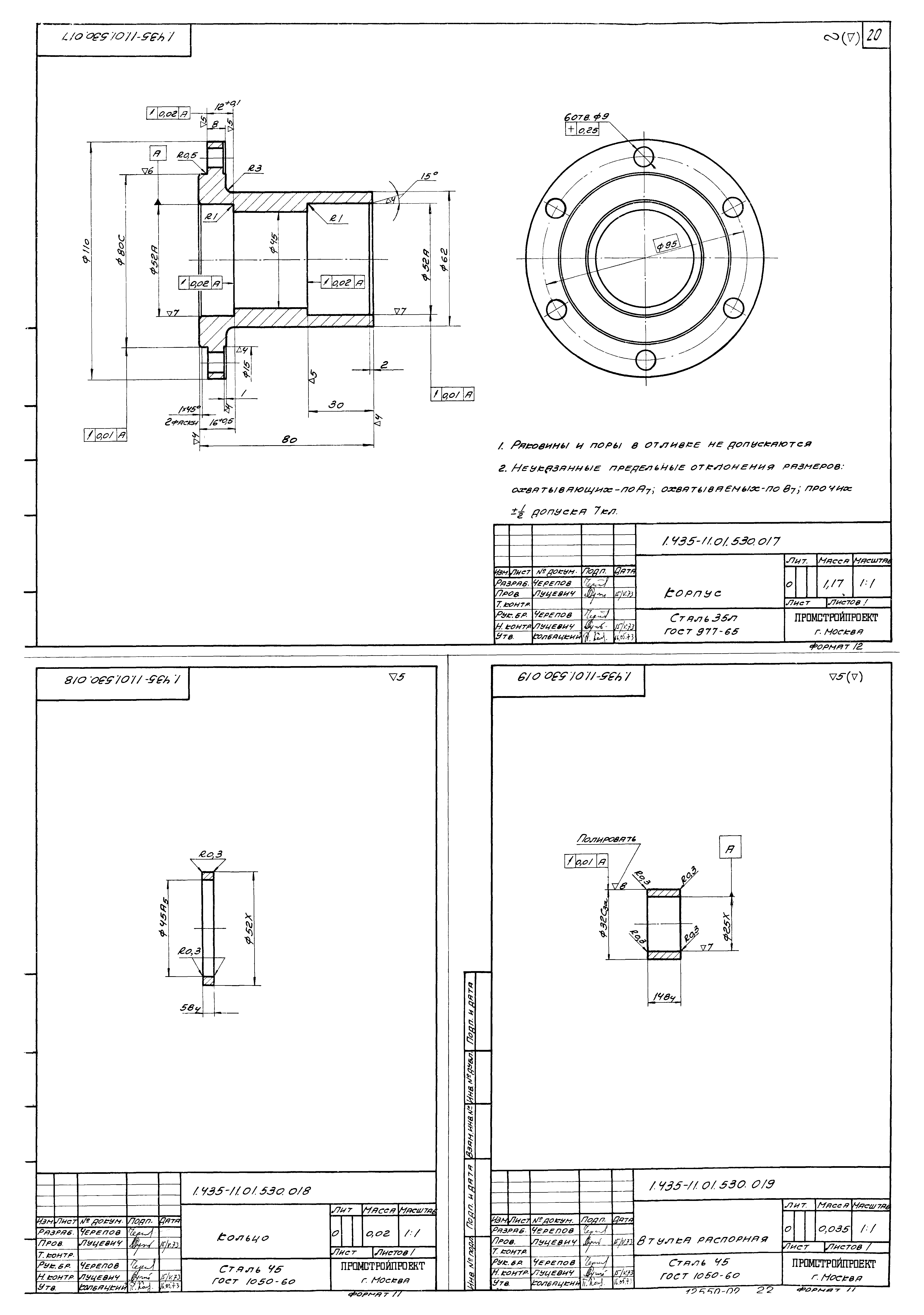
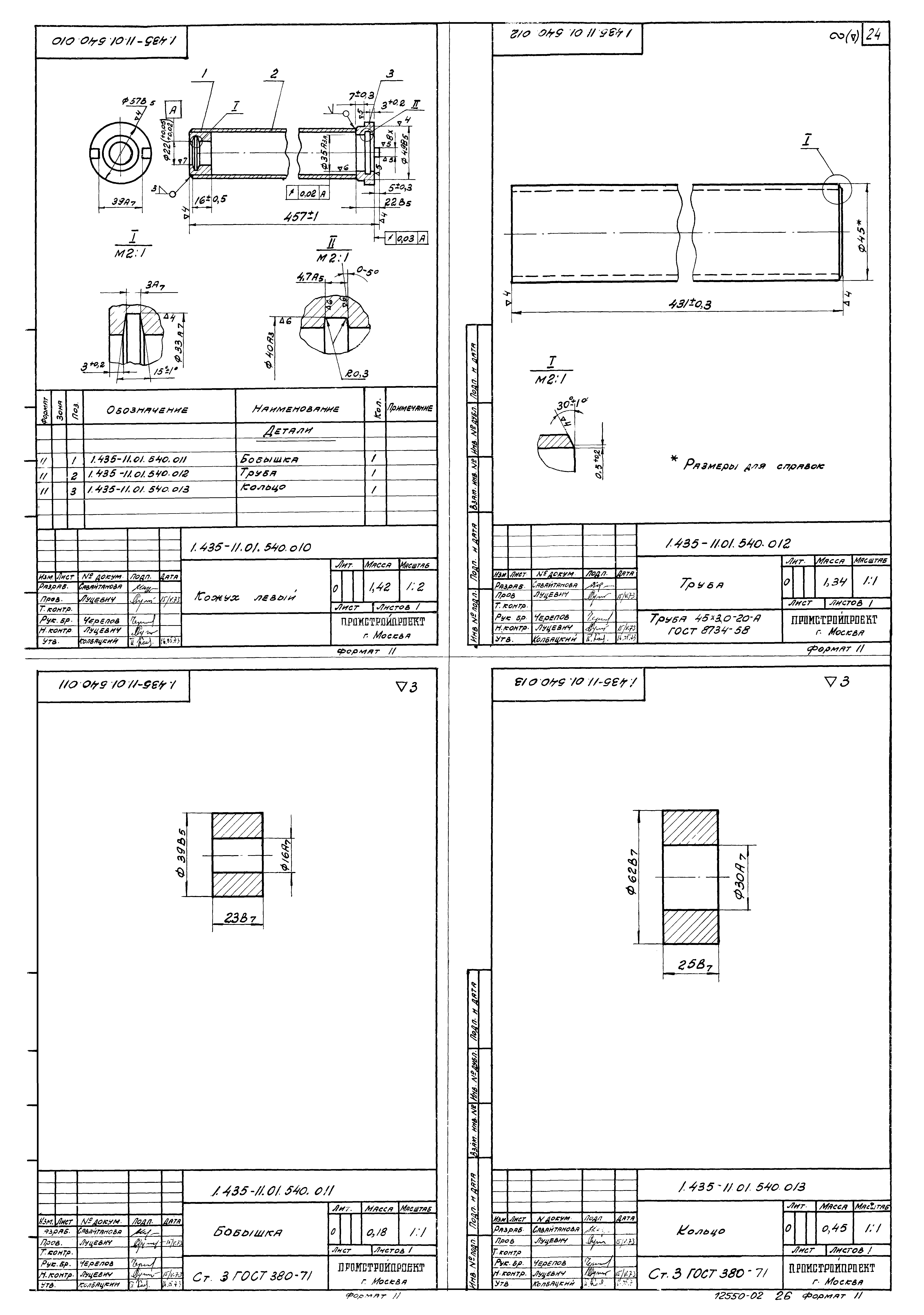
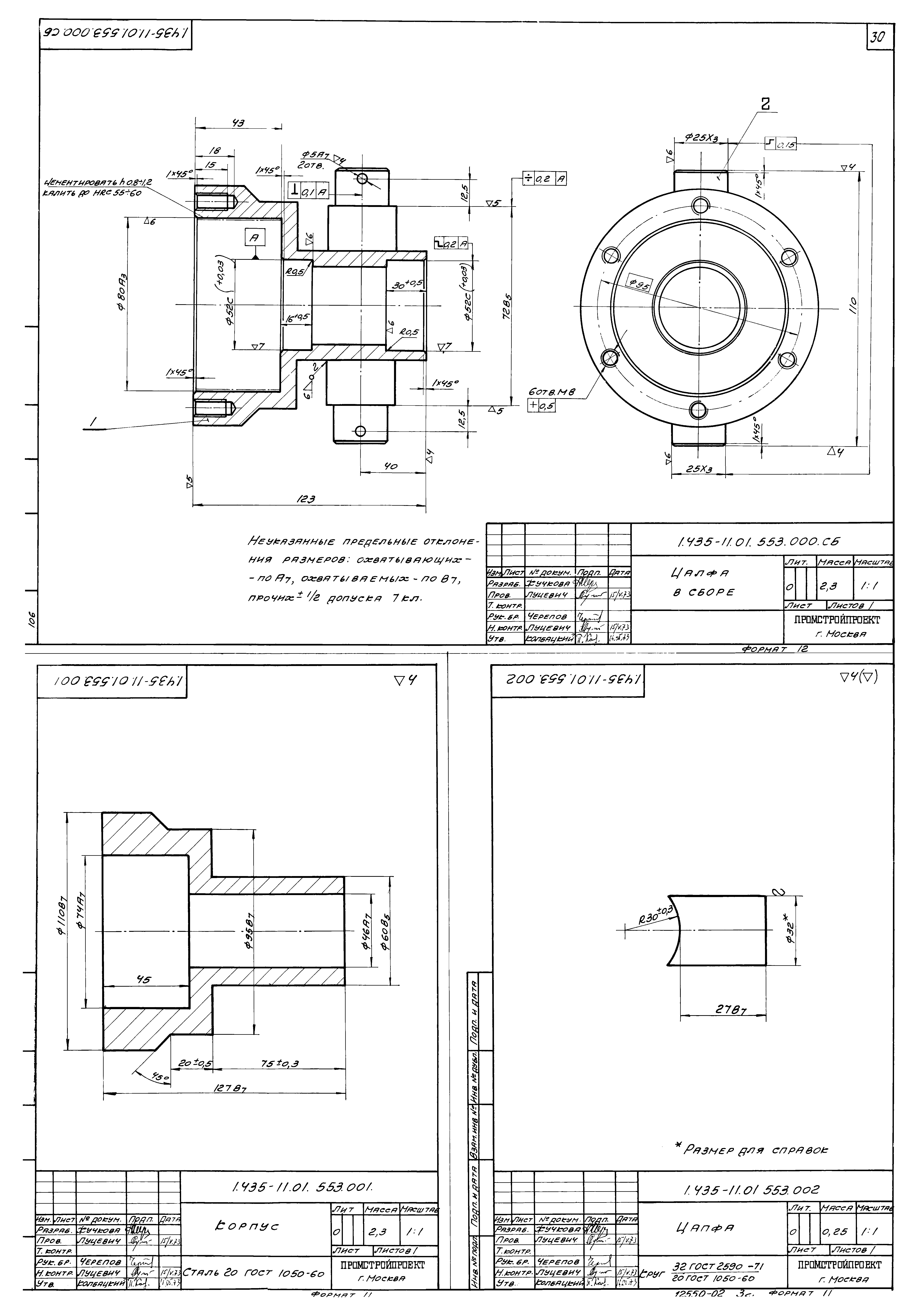
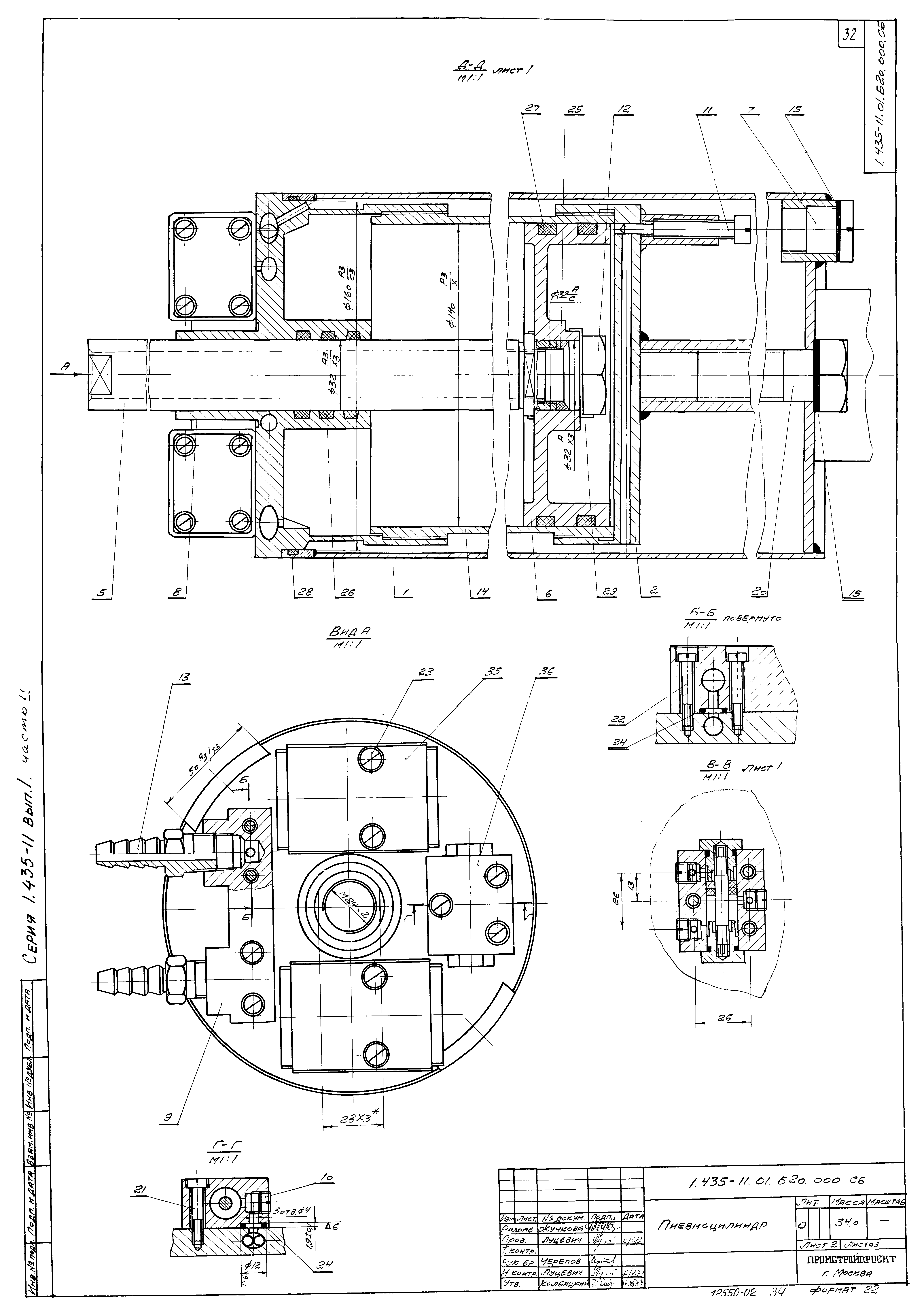
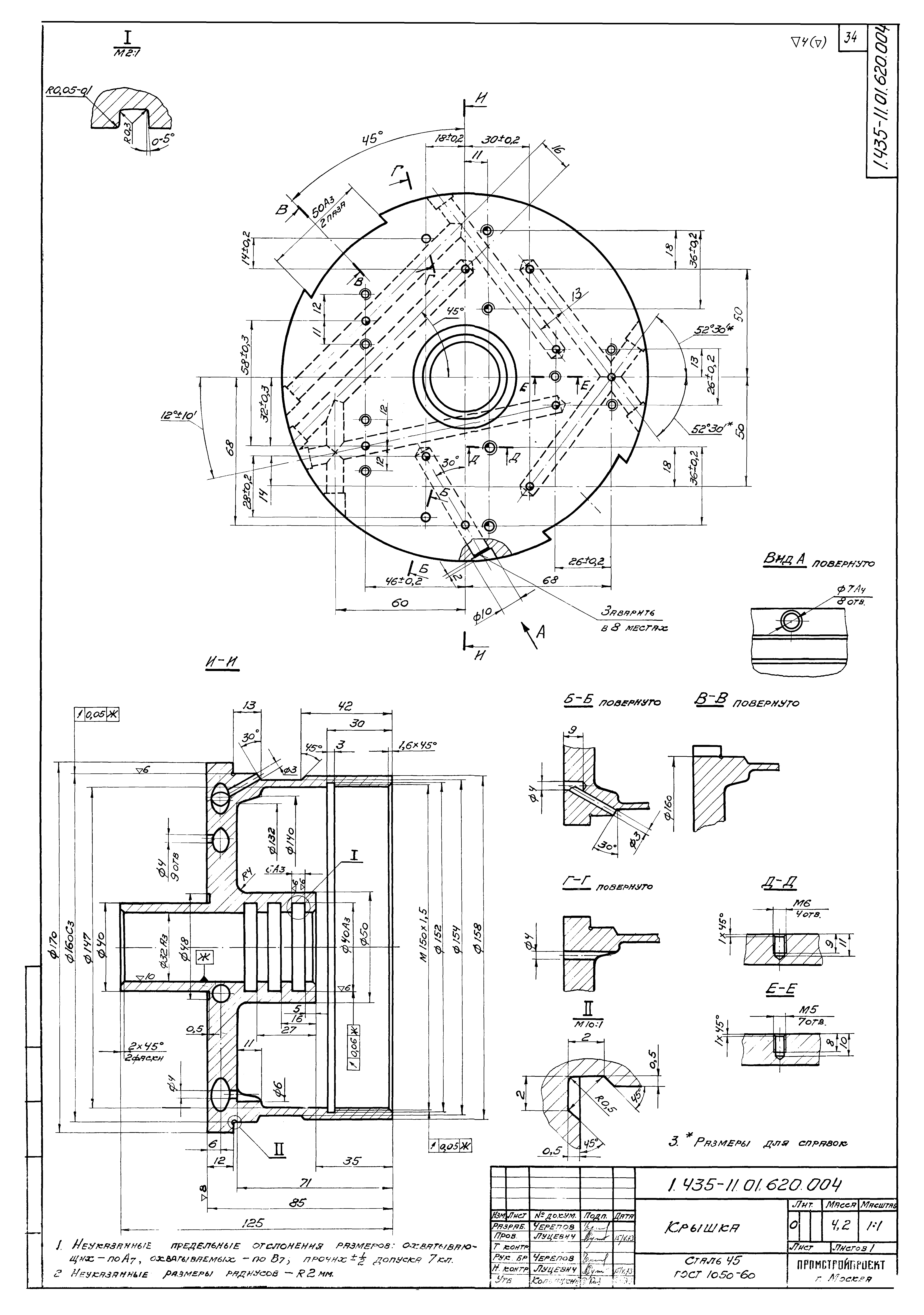
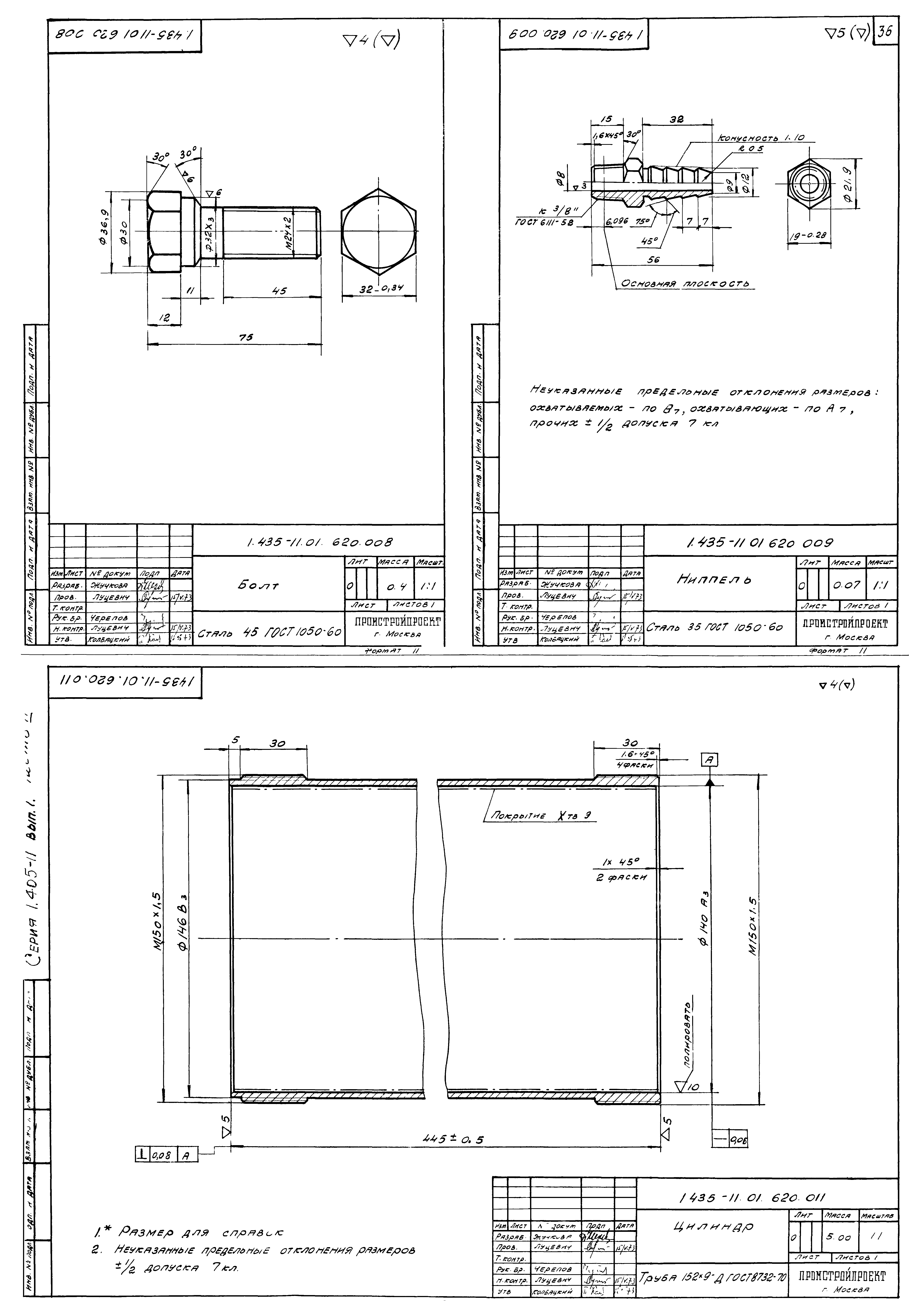
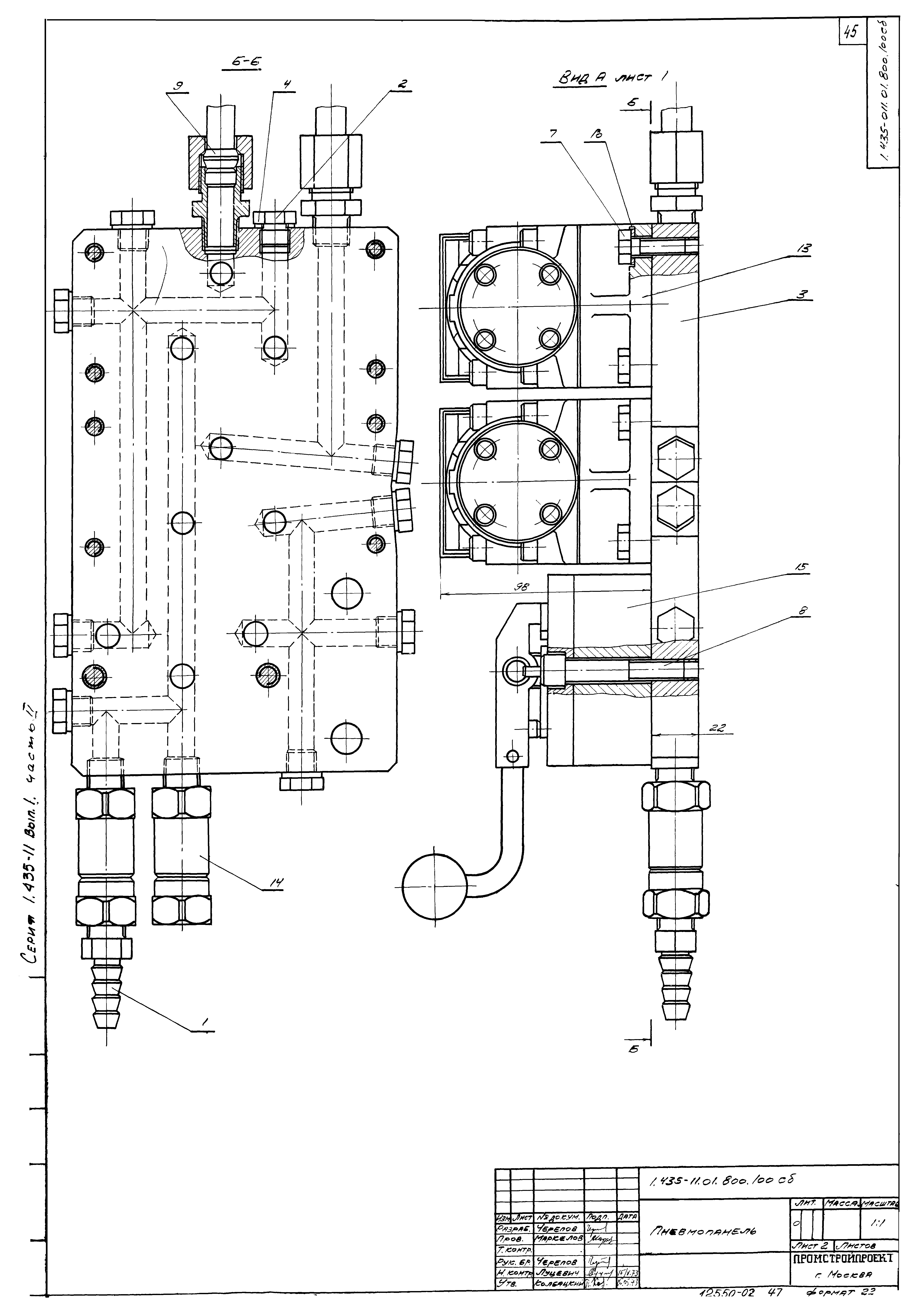
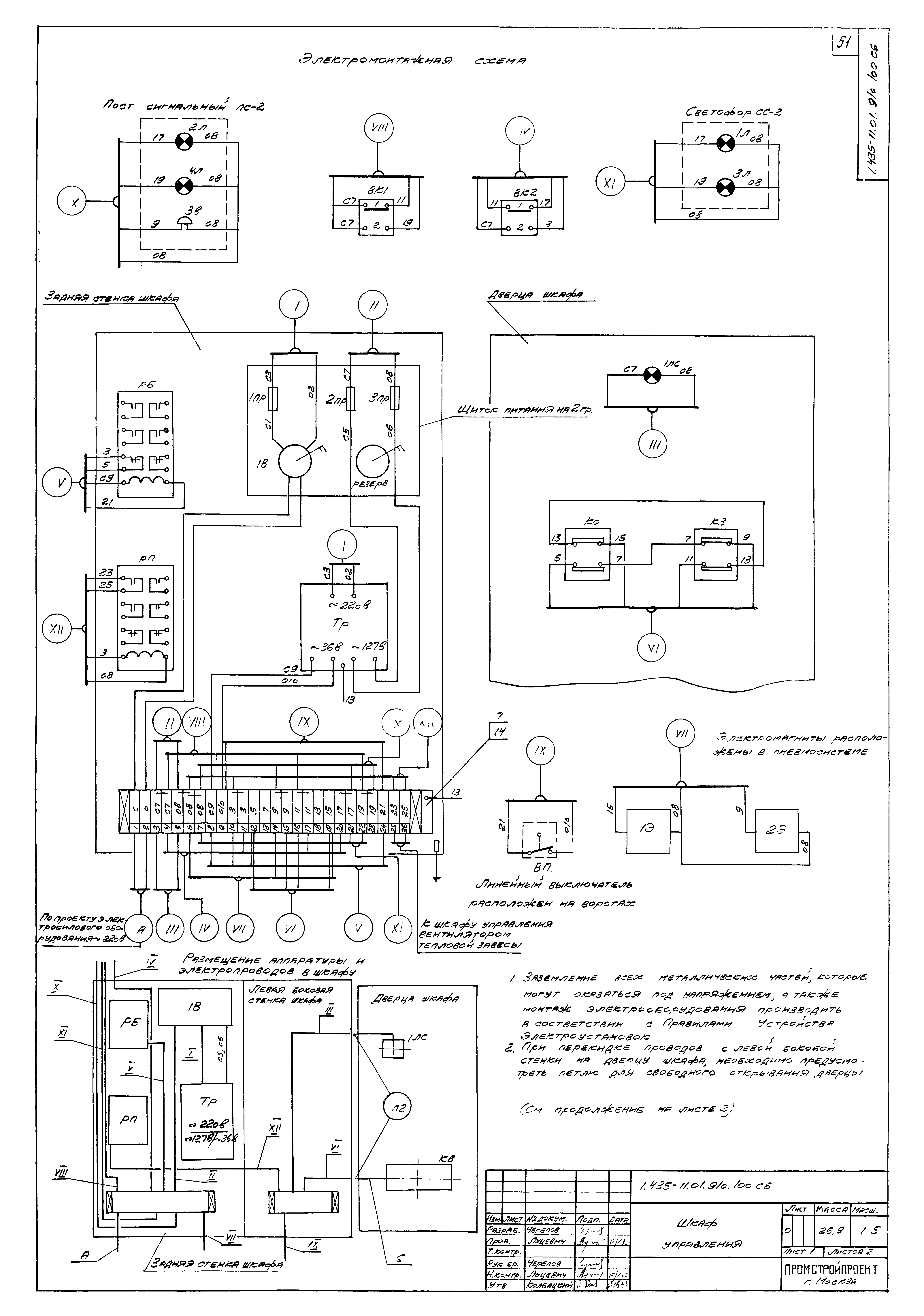
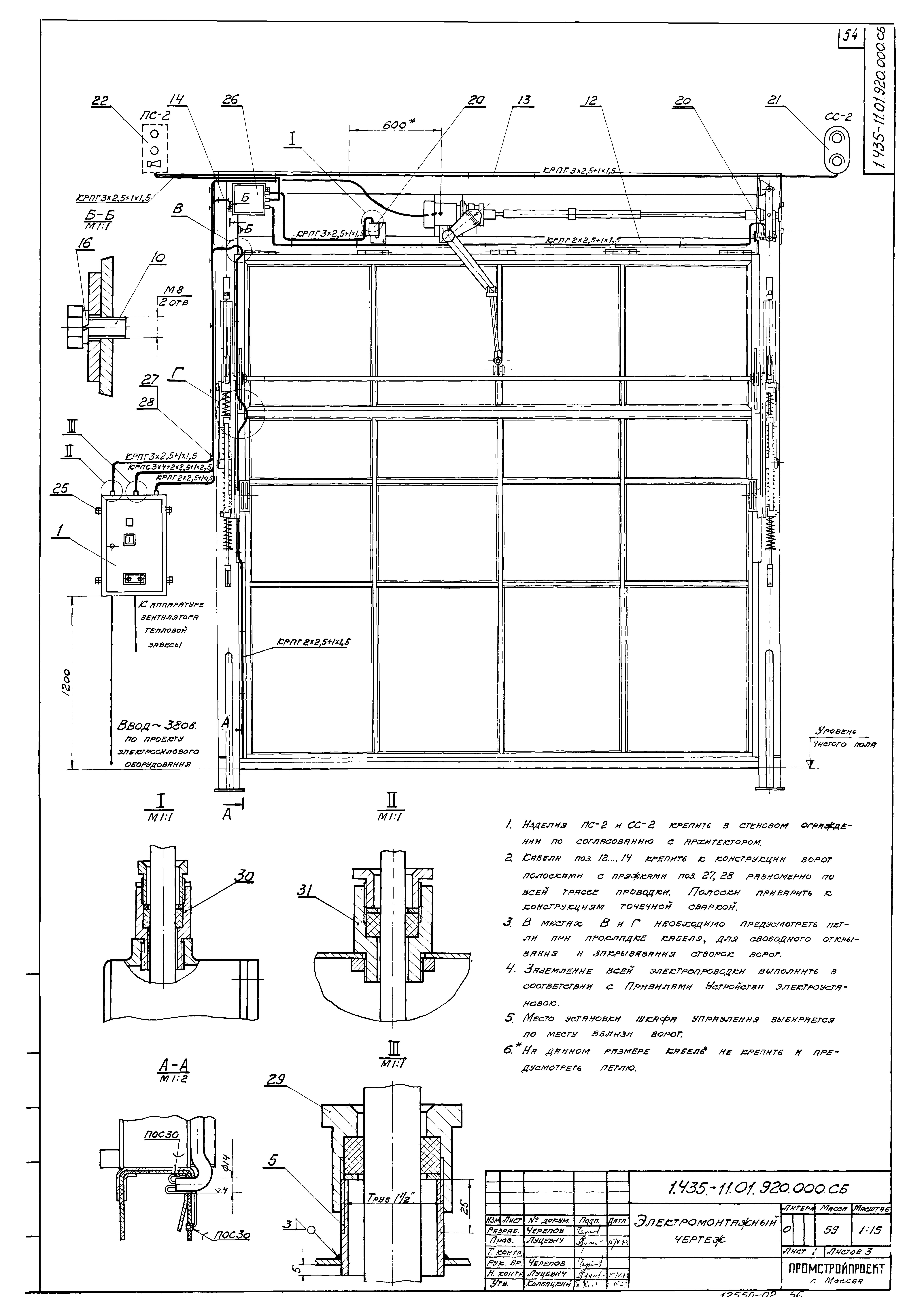
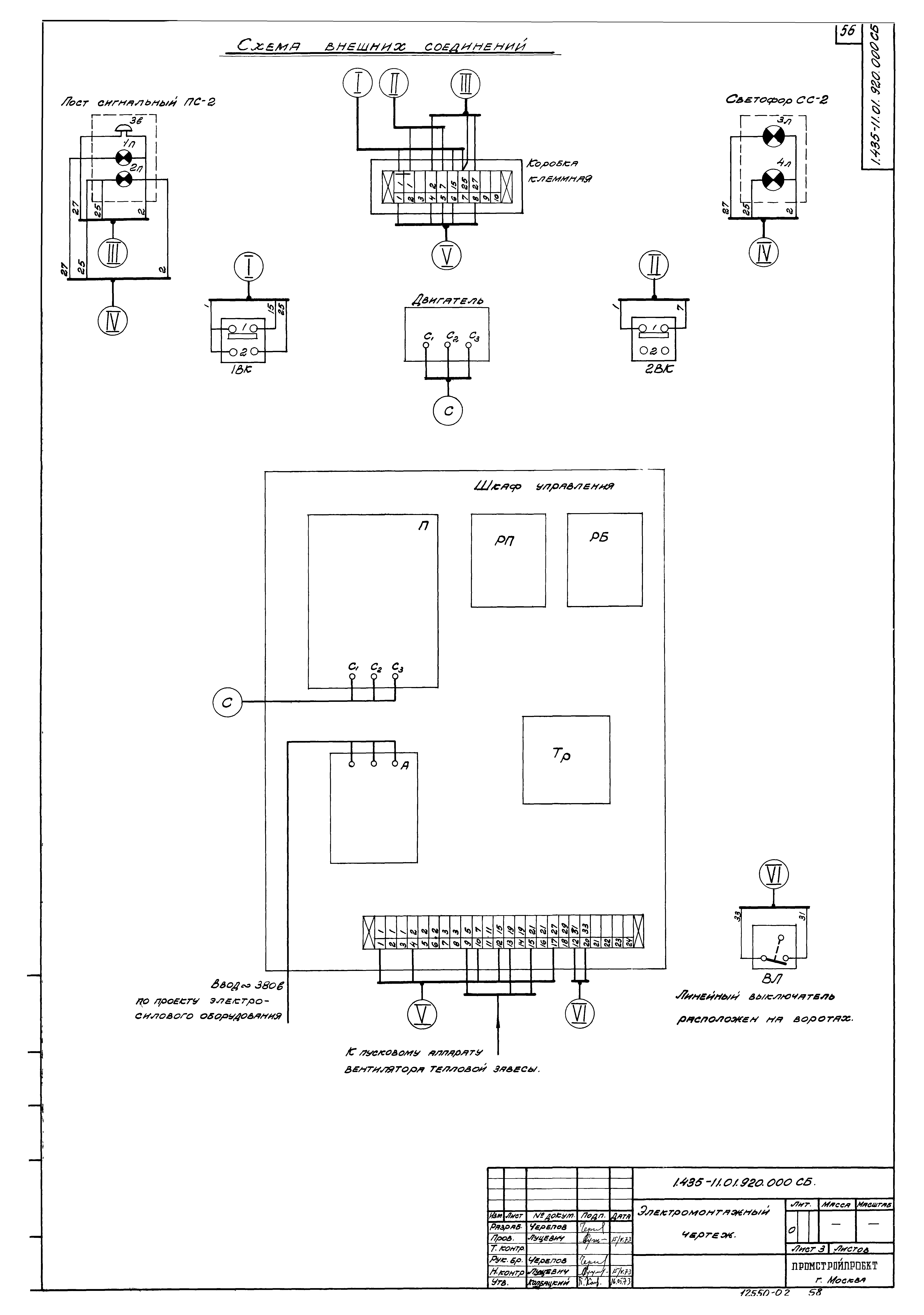
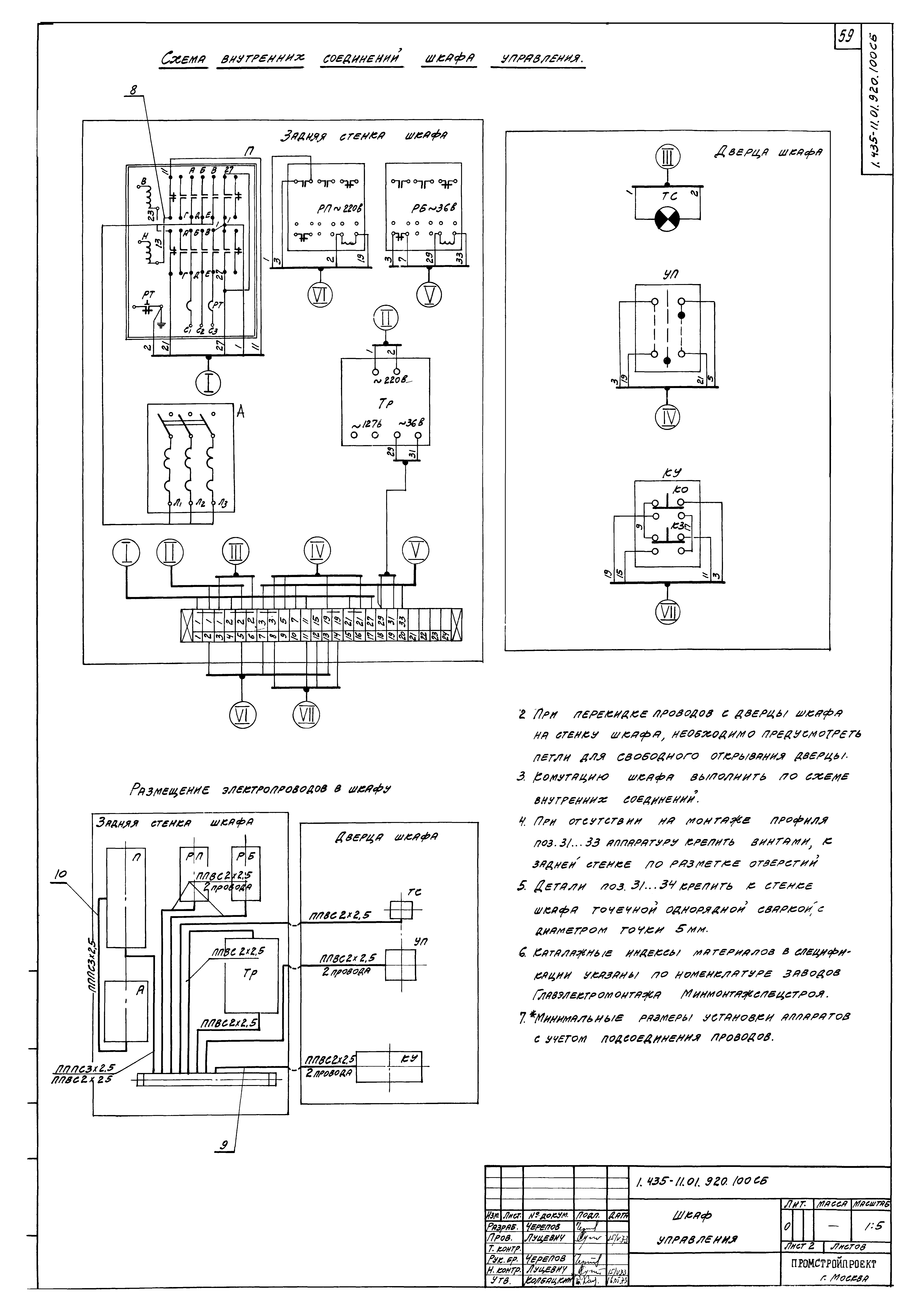
| Оглавление: | 1.435-11 Содержание 1.435-11 Блокировочное устройство (спецификация). Блокировочное устройство (сборочный чертеж) 1.435-11 Скоба. Пружина. Втулка 1.435-11 Щетка. Ось. Кронштейн (спецификация). Кронштейн (сборочный чертеж) 1.435-11 Система рычажная (спецификация). Вилка. Ось 1.435-11 Система рычажная (сборочный чертеж) 1.435-11 Втулка. Ось. Втулка Гайка 1.435-11 Рычаг. Опора (спецификация). Опора (сборочный чертеж). Ребро 1.435-11 Рычаг (спецификация). Скоба. Полоса 1.435-11 Рычаг (сборочный чертеж) 1.435-11 Кронштейн в сборе (спецификация). Кронштейн в сборе (сборочный чертеж). Косынка 1.435-11 Расчет размерных цепей 1.435-11 Мотор-редуктор (спецификация) 1.435-11 Мотор-редуктор (сборочный чертеж) 1.435-11 Вал-шестерня. Крышка. Шестерня 1.435-11 Ось. Фиксатор. Кольцо. Вкладыш 1.435-11 Водило. Колесо 1.435-11 Стакан. Опора. Вилка 1.435-11 Пружина. Ролик. Вал-кулачок 1.435-11 Корпус. Кольцо. Втулка распорная 1.435-11 Гайка. Клин. Отдушник. Пробка 1.435-11 Винтовая передача (спецификация). Винтовая передача (сборочный чертеж). Винт 1.435-11 Муфта. Гайка винта. Гайка. Клин 1.435-11 Кожух левый. Бобышка. Труба. Кольцо 1.435-11 Кожух правый. Хвостовик. Труба. Кольцо 1.435-11 Устройство ручное (спецификация). Устройство ручное (сборочный чертеж) 1.435-11 Колесо цепное. Прокладка. Ограничитель (спецификация) 1.435-11 Ограничитель (сборочный чертеж). Ограничитель. Поводок в сборе (спецификация). Вал 1.435-11 Поводок в сборе (сборочный чертеж). Вилка. Цапфа в сборе (спецификация) 1.435-11 Цапфа в сборе (сборочный чертеж). Корпус. Цапфа 1.435-11 Пневмоцилиндр (спецификация). Пневмоцилиндр (сборочный чертеж) 1.435-11 Пневмоцилиндр (сборочный чертеж) 1.435-11 Шток. Поршень. Пробка 1.435-11 Крышка 1.435-11 Колодка. Пробка. Винт 1.435-11 Болт. Ниппель. Цилиндр 1.435-11 Корпус в сборе (спецификация). Корпус в сборе (сборочный чертеж). Бобышка 1.435-11 Дно кольца. Труба. Проушина 1.435-11 Крышка в сборе (спецификация). Крышка в сборе (сборочный чертеж). Крышка (заготовка) 1.435-11 Принципиальная пневматическая схема управления 1.435-11 Пневмомонтажный чертеж (спецификация). Скоба. Ниппель 1.435-11 Пневмомонтажный чертеж (сборочный чертеж) 1.435-11 Пневмопанель (спецификация). Ниппель. Пробка 1.435-11 Пневмопанель (сборочный чертеж) 1.435-11 Плита 1.435-11 Принципиальная электрическая схема управления 1.435-11 Электромонтажный чертеж (спецификация). Угольник 1.435-11 Электромонтажный чертеж (сборочный чертеж) 1.435-11 Шкаф управления (спецификация) 1.435-11 Шкаф управления (сборочный чертеж) 1.435-11 Электромонтажный чертеж (спецификация) 1.435-11 Электромонтажный чертеж (сборочный чертеж) 1.435-11 Шкаф управления (спецификация) 1.435-11 Шкаф управления (сборочный чертеж) 1.435-11 Ворота подъемно-поворотные (техническое описание) 1.435-11 Ворота подъемно-поворотные (технические условия) 1.435-11 Схема расчетная привода 1.435-11 Ворота подъемно-поворотные (опись) |
| Разработан: | Промстройпроект Госстроя СССР |
| Утверждён: | 17.03.1973 Госстрой СССР (Государственный комитет Совета Министров СССР по делам строительства) (USSR Gosstroy 167) |
| Чем заменён: |









































































