Скачать Серия 1.463-11 Выпуск 1. Металлодеревянные трехшарнирные арки кругового очертания пролетами 12, 18 и 24 мДата актуализации: 01.01.2021
|
| Обозначение: | Серия 1.463-11 |
| Обозначение англ: | Series 1.463-11 |
| Статус: | не действует |
| Название рус.: | Выпуск 1. Металлодеревянные трехшарнирные арки кругового очертания пролетами 12, 18 и 24 м |
| Дата добавления в базу: | 01.09.2013 |
| Дата актуализации: | 01.01.2021 |
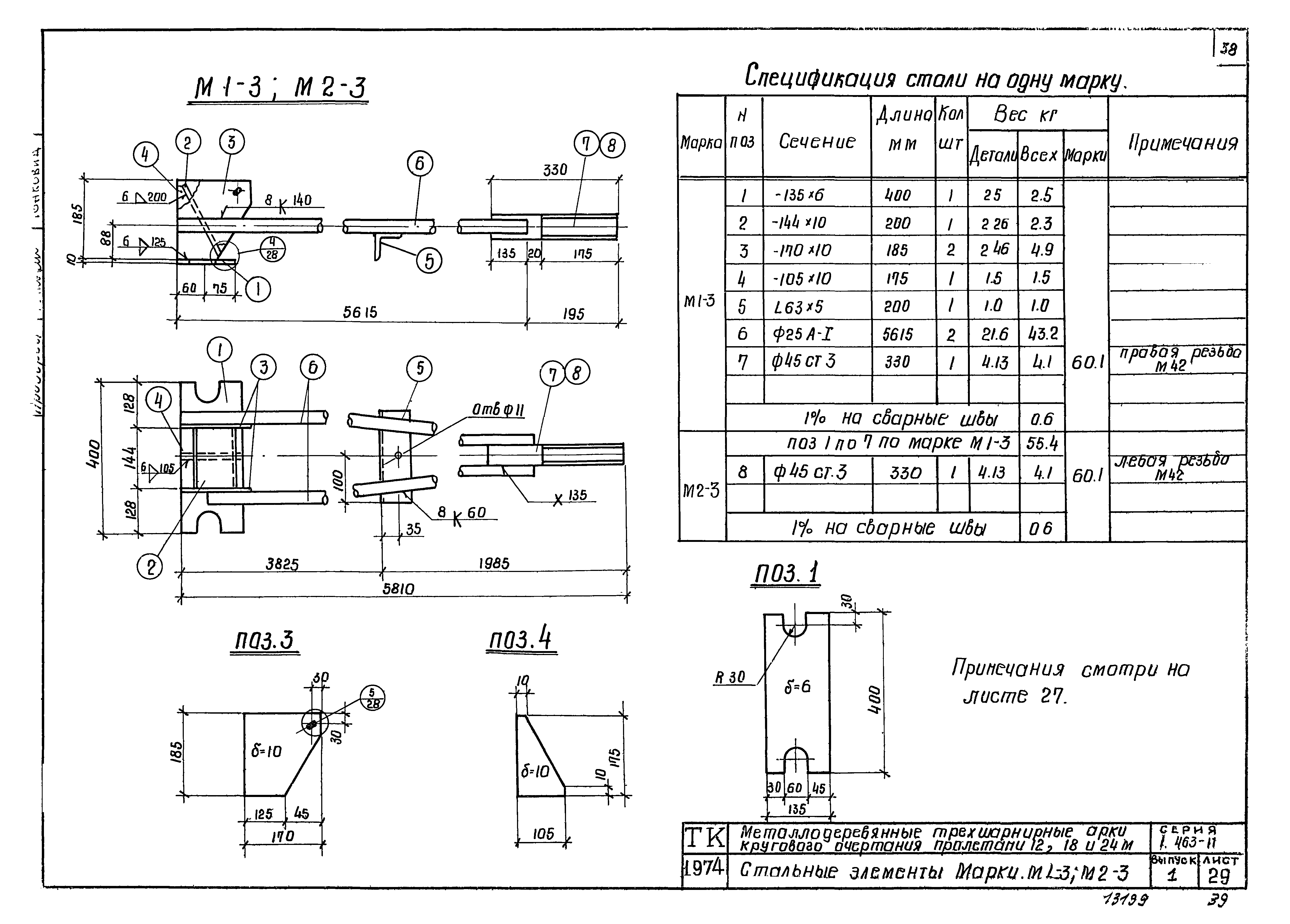
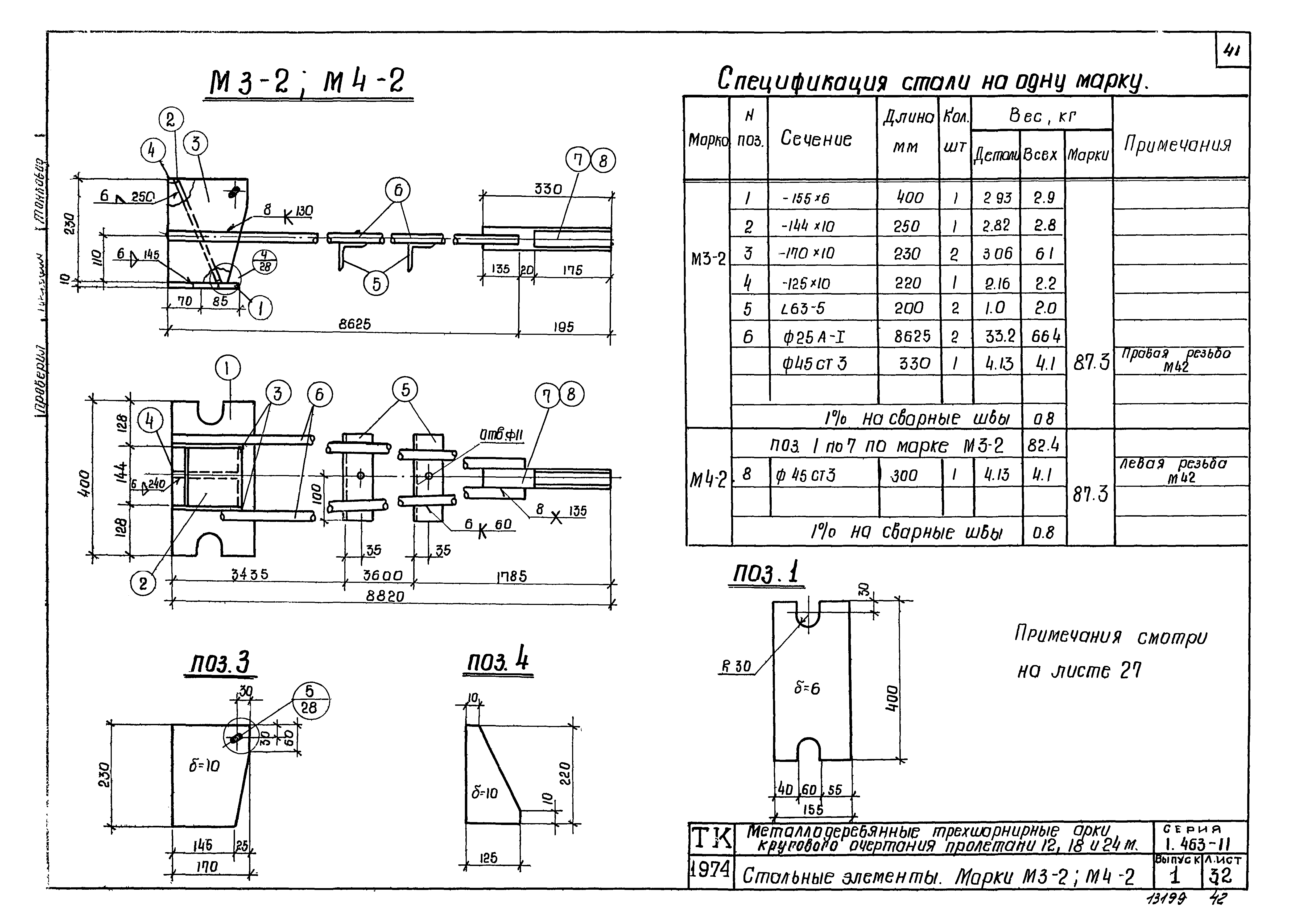
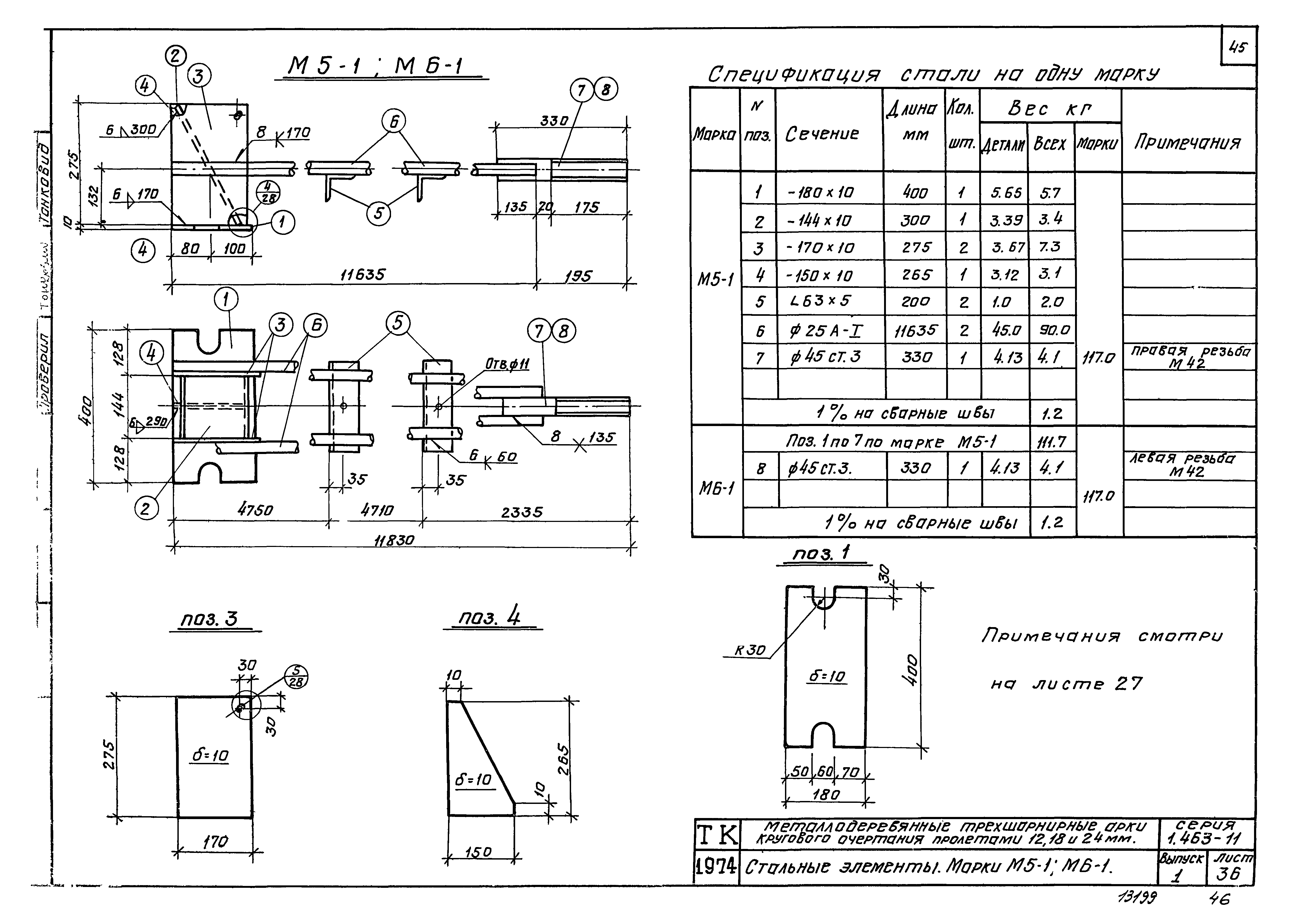
| Оглавление: | 1.463-11 Пояснительная записка 1.463-11 Номенклатура арок 1.463-11 Расчетные схемы и таблицы усилий в арках 1.463-11 Арка АКК-12-600. Общий вид, спецификация марок 1.463-11 Арка АКК-12-900. Общий вид, спецификация марок 1.463-11 Арка АКК-12-1200. Общий вид, спецификация марок 1.463-11 Арка АКК-12-1800. Общий вид, спецификация марок 1.463-11 Арка АКК-18-600. Общий вид, спецификация марок 1.463-11 Арка АКК-18-900. Общий вид, спецификация марок 1.463-11 Арка АКК-18-1200. Общий вид, спецификация марок 1.463-11 Арка АКК-18-1500. Общий вид, спецификация марок 1.463-11 Арка АКК-18-1800. Общий вид, спецификация марок 1.463-11 Арка АКК-24-600. Общий вид, спецификация марок 1.463-11 Арка АКК-24-900. Общий вид, спецификация марок 1.463-11 Арка АКК-24-1200. Общий вид, спецификация марок 1.463-11 Арка АКК-24-1500. Общий вид, спецификация марок 1.463-11 Арка АКК-24-1800. Общий вид, спецификация марок 1.463-11 Монтажные детали 1,2,3 1.463-11 Пример опирания арки на колонну и установка панелей на арку 1.463-11 Деревянные элементы. Марки Д1-1÷Д1-3 1.463-11 Деревянные элементы. Марки Д1-4,Д2-1,Д2-2 1.463-11 Деревянные элементы. Марки Д2-3÷Д2-5 1.463-11 Деревянные элементы. Марки Д3-1÷Д3-3 1.463-11 Деревянные элементы. Марки Д3-4÷Д3-5 1.463-11 Деревянные элементы. Марки Д4-1÷Д4-5;Д5-1÷Д5-5 1.463-11 Деревянные элементы. Марки Д4-6÷Д4-8;Д5-6÷Д5-8 1.463-11 Номенклатура стальных элементов 1.463-11 Стальные элементы. Марки М1-1,М2-1 1.463-11 Стальные элементы. Марки М1-2,М2-2 1.463-11 Стальные элементы. Марки М1-3,М2-3 1.463-11 Стальные элементы. Марки М1-4,М2-4 1.463-11 Стальные элементы. Марки М3-1,М4-1 1.463-11 Стальные элементы. Марки М3-2,М4-2 1.463-11 Стальные элементы. Марки М3-3,М4-3 1.463-11 Стальные элементы. Марки М3-4,М4-4 1.463-11 Стальные элементы. Марки М3-5,М4-5 1.463-11 Стальные элементы. Марки М5-1,М6-1 1.463-11 Стальные элементы. Марки М5-2,М6-2 1.463-11 Стальные элементы. Марки М5-3,М6-3 1.463-11 Стальные элементы. Марки М5-4,М6-4 1.463-11 Стальные элементы. Марки М5-5,М6-5 1.463-11 Стальные элементы. Марки М7-1÷М7-4 1.463-11 Стальные элементы. Марки М7-5÷М7-8 1.463-11 Стальные элементы. Марки М8 и М9 1.463-11 Стальные элементы. Марки М10 и М11 1.463-11 Пример схемы связей для зданий пролетом 12 м с шагом арок 6 м 1.463-11 Пример схемы связей для зданий пролетом 12 м с шагом арок 3 м 1.463-11 Пример схемы связей для зданий пролетом 18.0 м с шагом арок 6 м 1.463-11 Пример схемы связей для зданий пролетом 18.0 м с шагом арок 3 м 1.463-11 Пример схемы связей для зданий пролетом 24.0 м с шагом арок 6 м 1.463-11 Пример схемы связей для зданий пролетом 24.0 м с шагом арок 3 м 1.463-11 Пример крепления поит покрытия, горизонтальных распорок и раскосов |
| Разработан: | Проектный институт № 1 Госстроя СССР |
| Утверждён: | 11.11.1974 Госстрой СССР (Государственный комитет Совета Министров СССР по делам строительства) (USSR Gosstroy 2/3-580) |





























































