Скачать Серия 3.702-1 Выпуск 3А. Рабочие чертежи предварительно напряженных изделий для стен силосов размером 3х3 мДата актуализации: 01.01.2021
|
| Обозначение: | Серия 3.702-1 |
| Обозначение англ: | Series 3.702-1 |
| Статус: | не действует |
| Название рус.: | Выпуск 3А. Рабочие чертежи предварительно напряженных изделий для стен силосов размером 3х3 м |
| Дата добавления в базу: | 01.09.2013 |
| Дата актуализации: | 01.01.2021 |
| Дата окончания срока действия: | 01.08.1981 |
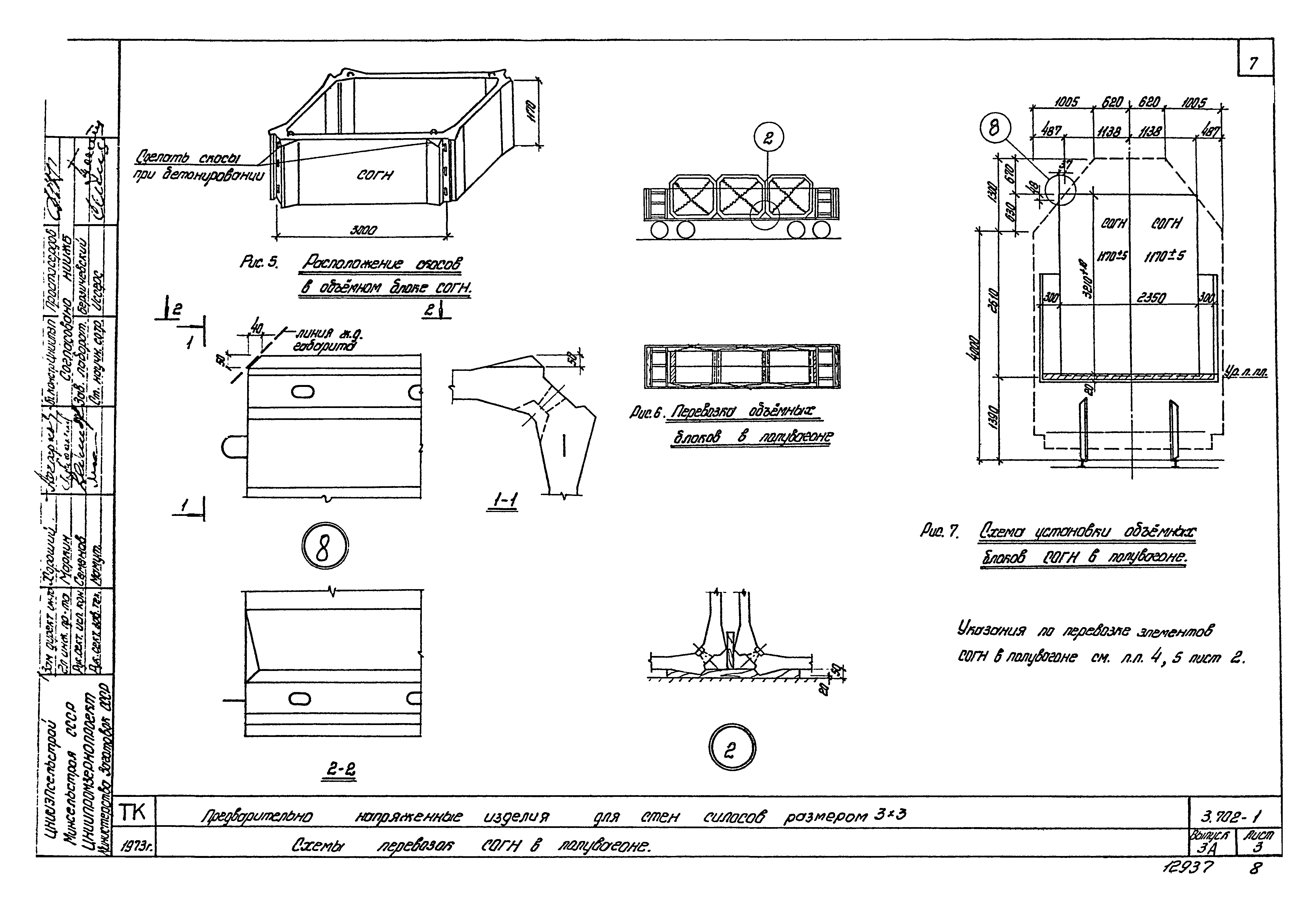
| Оглавление: | 3.702-1 Содержание 3.702-1 Пояснительная записка 3.702-1 Схемы испытаний СОГН,СУГН и СПГН 3.702-1 Схемы перевозок СОГН,СУГН и СПГН. Указания по перевозке 3.702-1 Схемы перевозок СОГН в полувагоне 3.702-1 Стеновые объемные блоки СОГН. Опалубочный чертеж. Показатели и выборка стали 3.702-1 Стеновые объемные блоки СОГН. Армирование. Спецификация 3.702-1 Угловые стеновые блоки СУГН. Опалубочный чертеж. Показатели и выборка стали 3.702-1 Угловые стеновые блоки СУГН. Армирование. Спецификация 3.702-1 Узлы 4 и 6 3.702-1 Плоские стеновые панели СПГН. Опалубочный чертеж. Показатели и выборка стали 3.702-1 Плоские стеновые панели СПГН. Армирование. Узел 7. Спецификация 3.702-1 Узлы 3 и 5 3.702-1 Пространственный каркасы КП-1;КП-2;КП-3 3.702-1 Плоские каркасы КР-1;КР-2;КР-3;КР-4 3.702-1 Анкеровка арматурной пряди |
| Разработан: | ЦНИИЭПсельстрой Минсельстроя СССР ЦНИИпромзернопроект |
| Утверждён: | 17.04.1974 Госстрой СССР (Государственный комитет Совета Министров СССР по делам строительства) (USSR Gosstroy 81) |
| Чем заменён: |
|



















