Скачать Типовой проект 904-1-35 Альбом V. Автоматизация и КИП. ЧертежиДата актуализации: 01.01.2021
|
| Обозначение: | Типовой проект 904-1-35 |
| Обозначение англ: | 904-1-35 |
| Статус: | не действует |
| Название рус.: | Альбом V. Автоматизация и КИП. Чертежи |
| Дата добавления в базу: | 01.09.2013 |
| Дата актуализации: | 01.01.2021 |
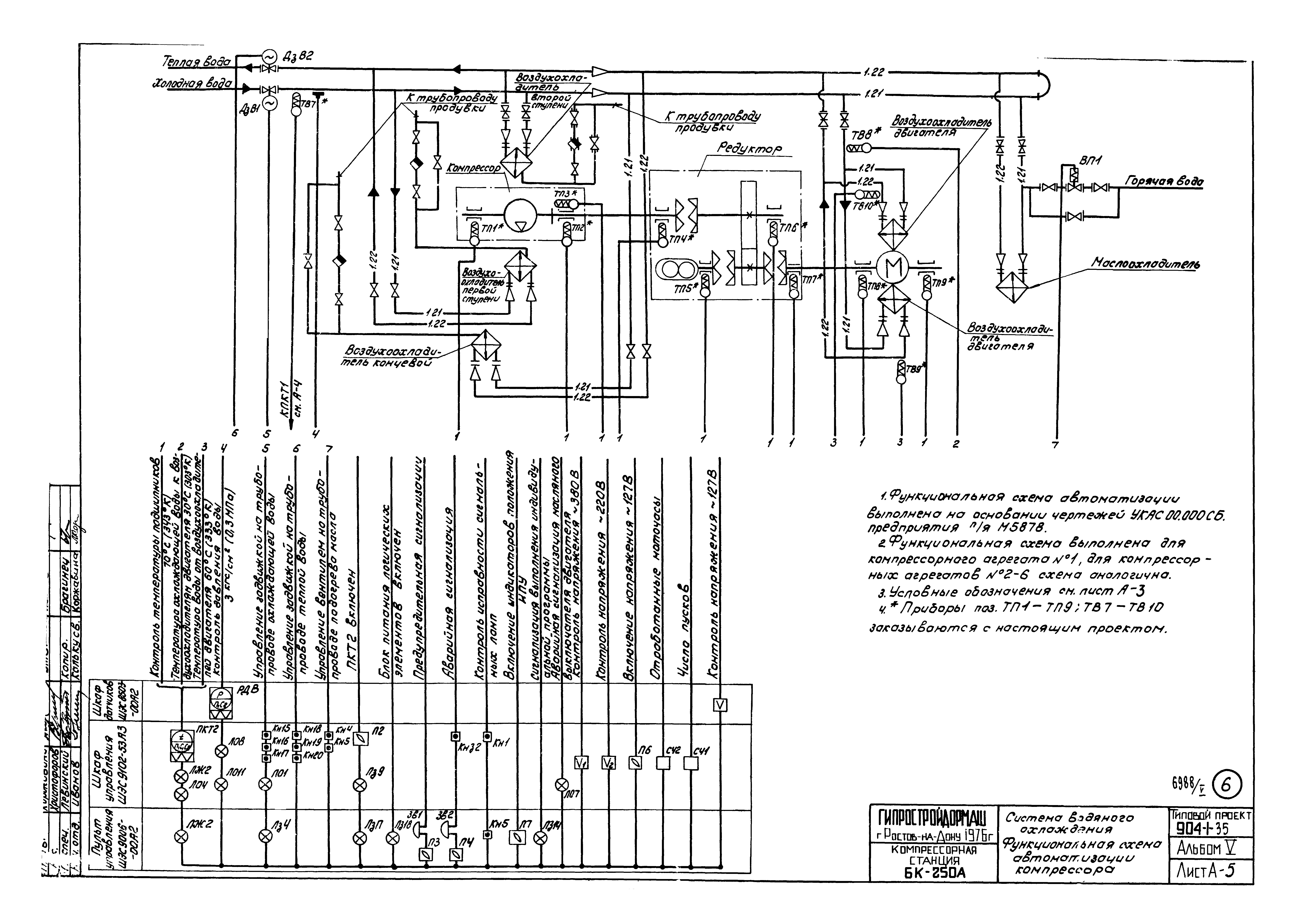
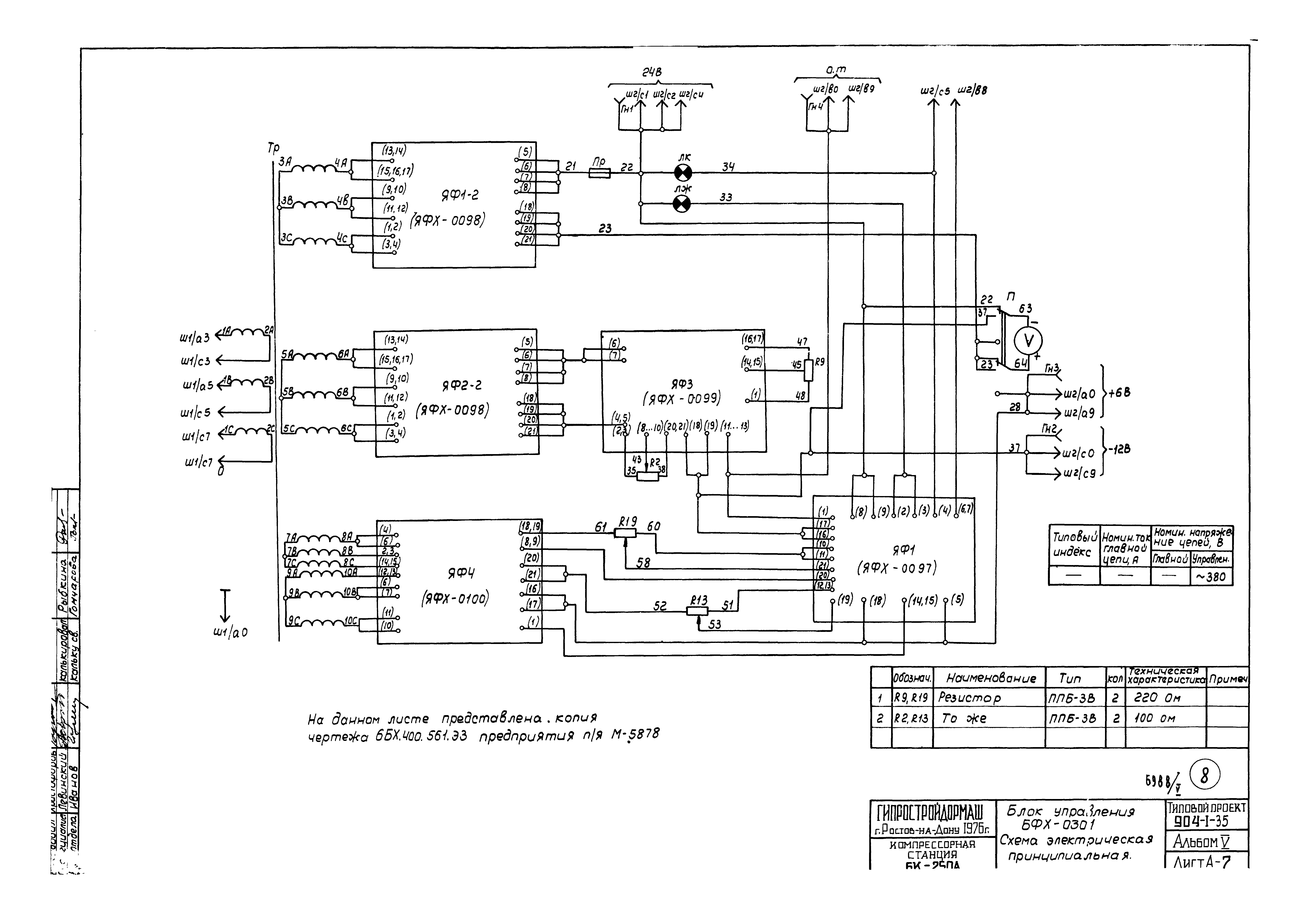
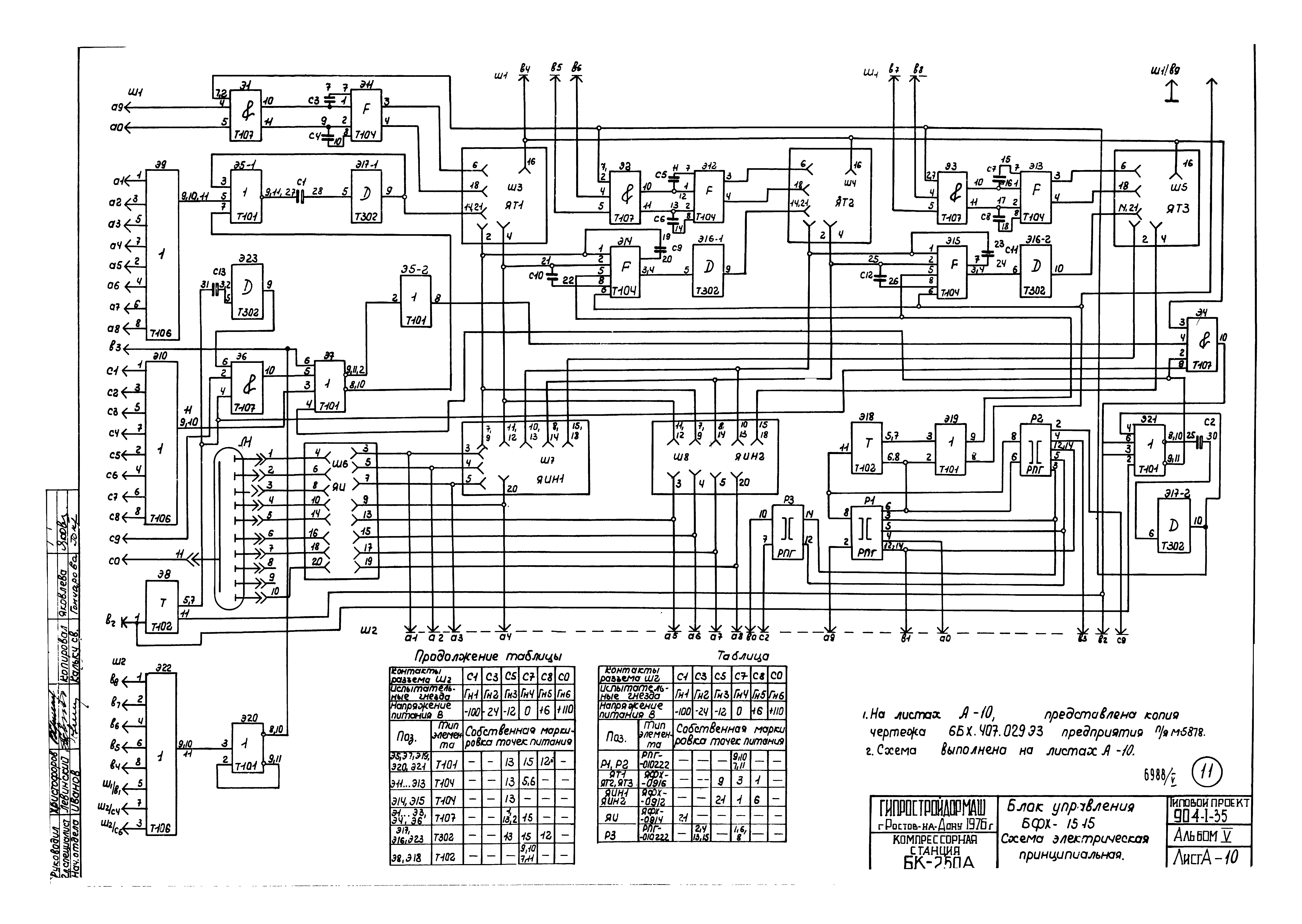
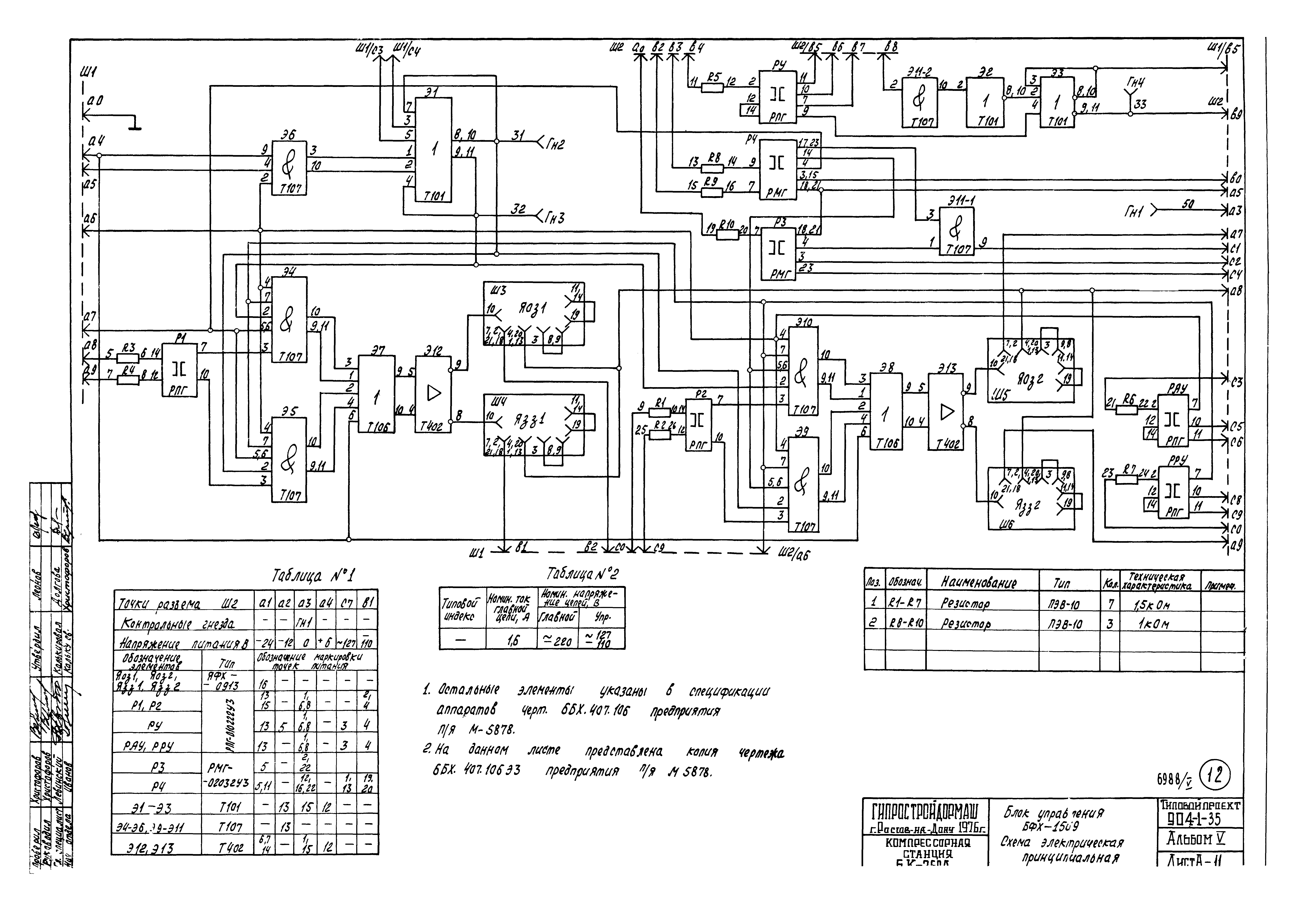
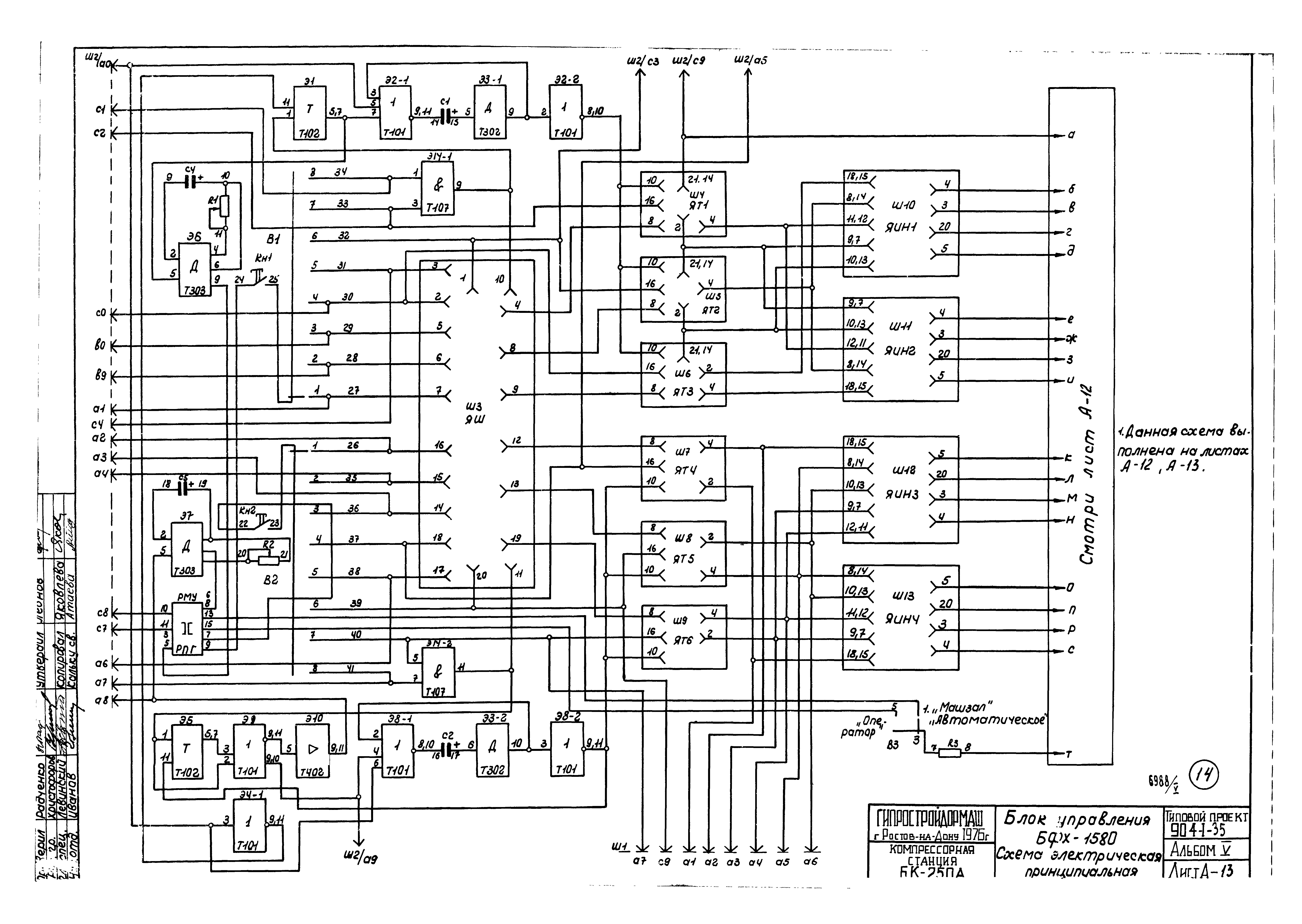
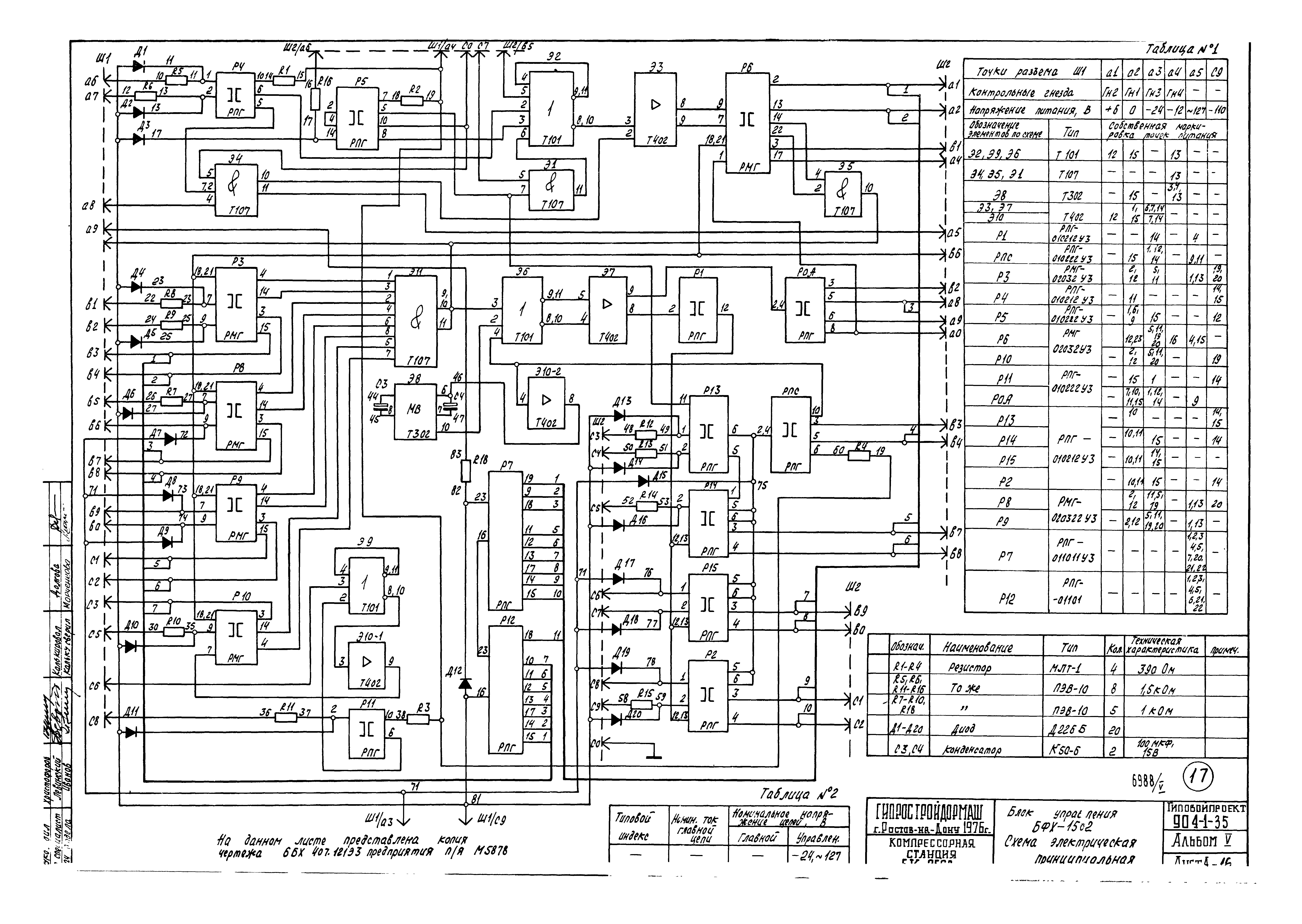
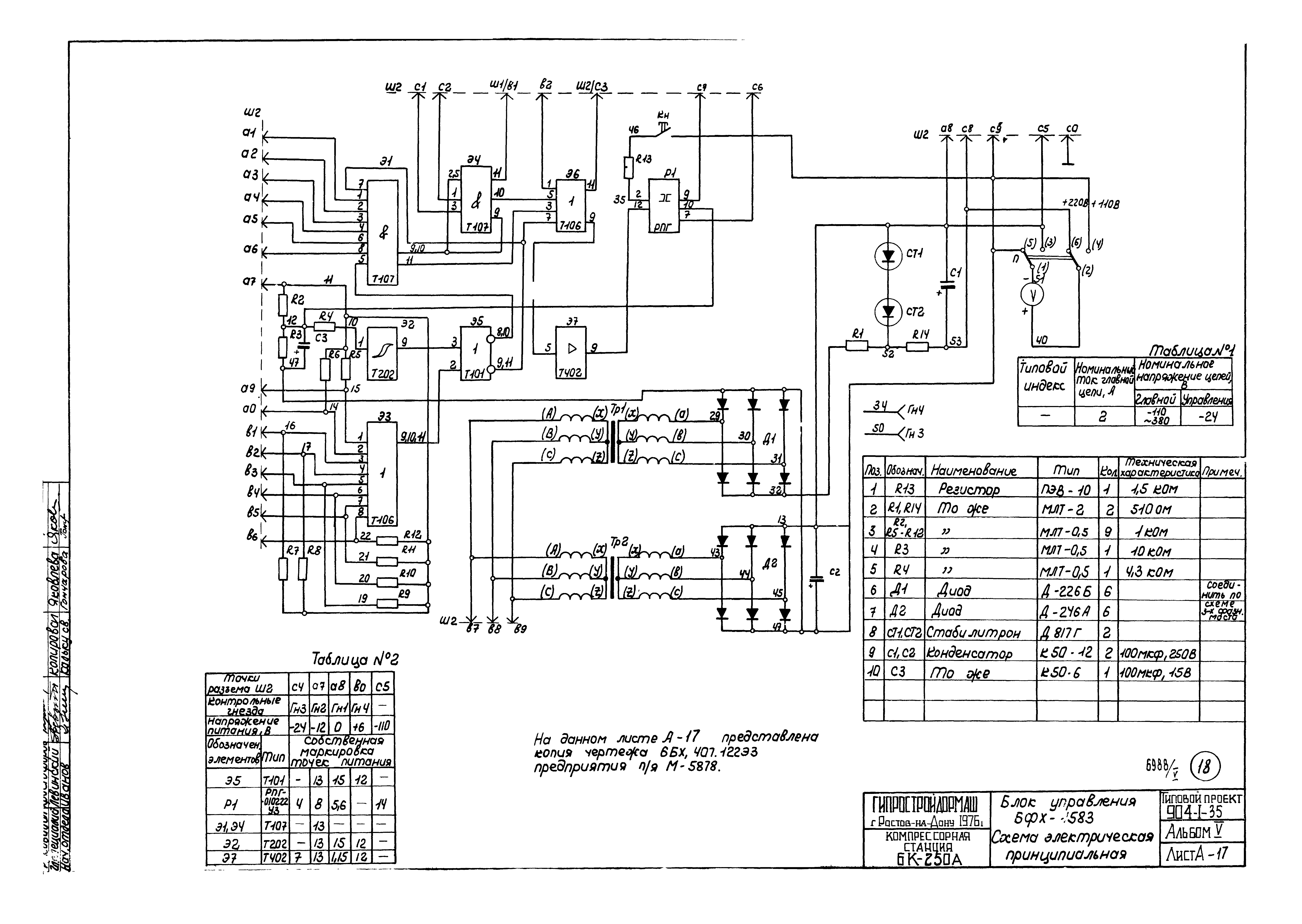
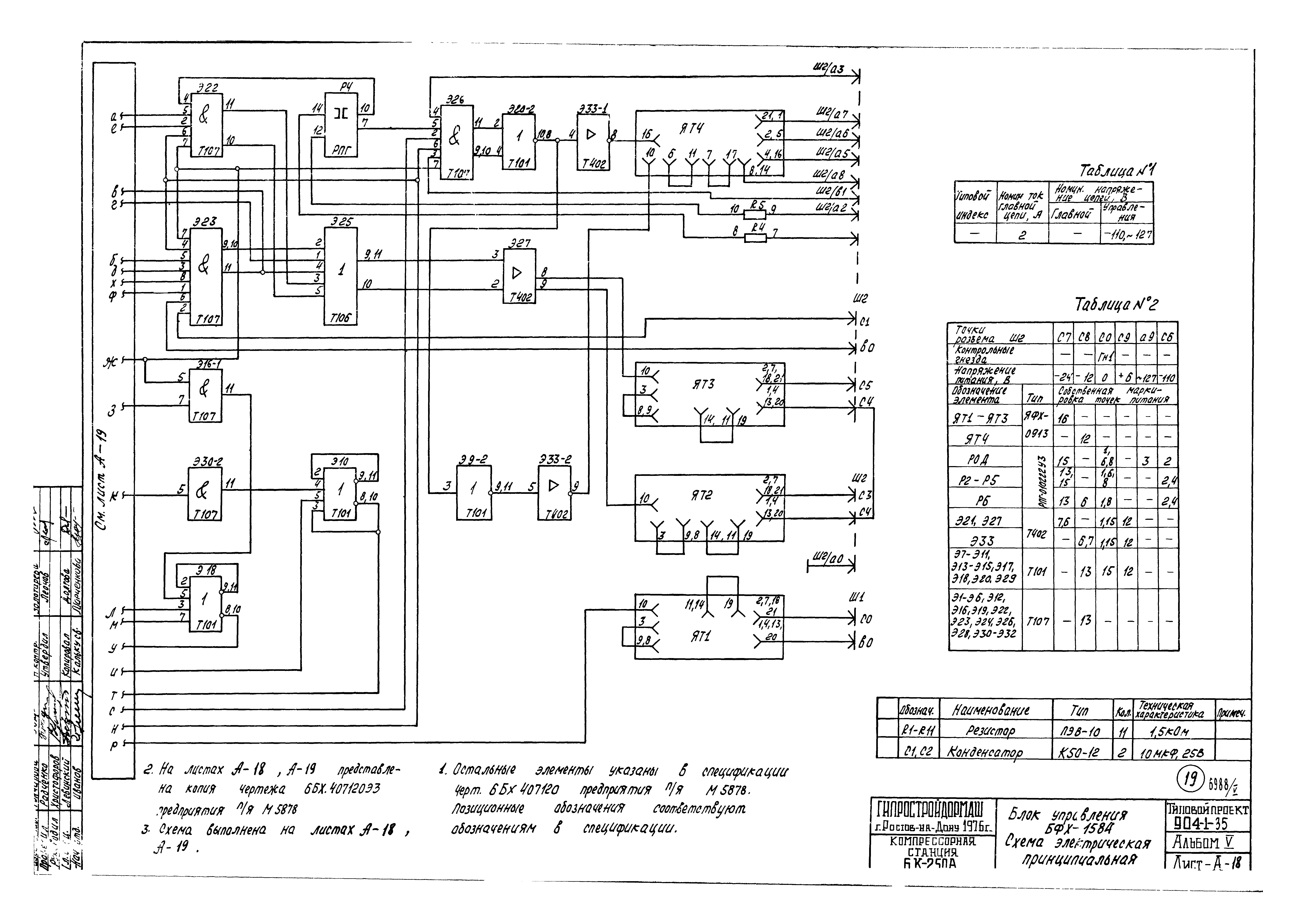
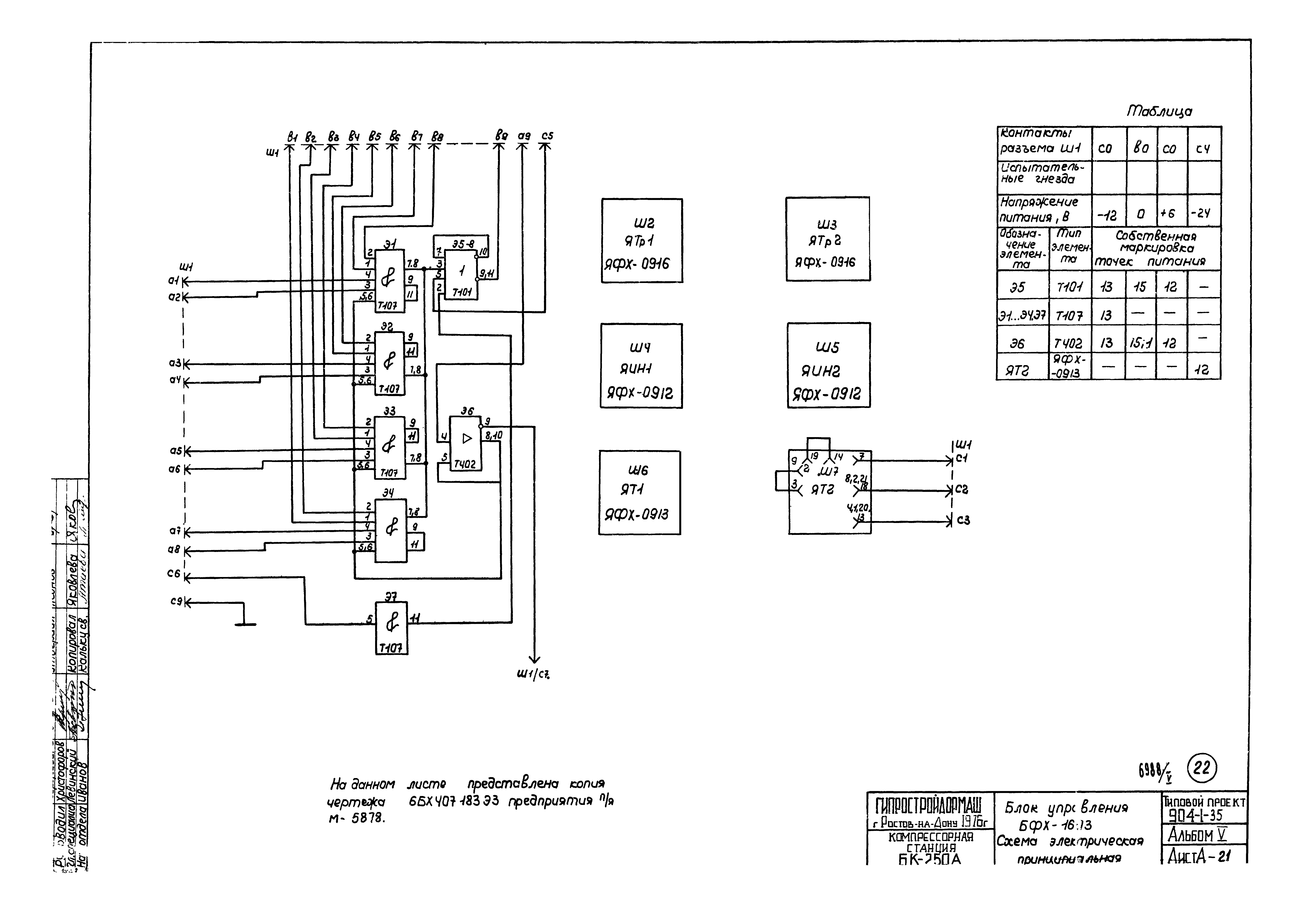
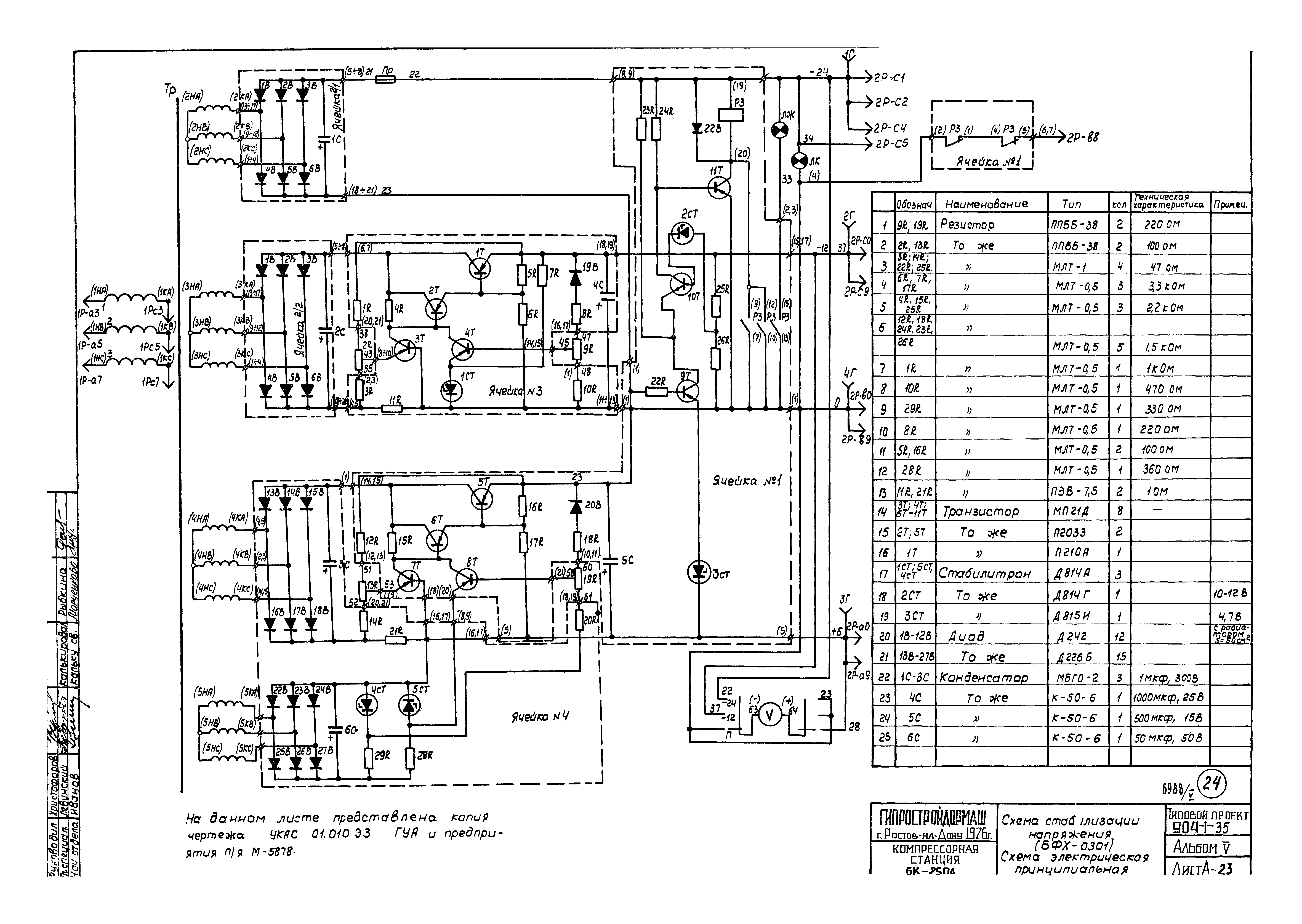
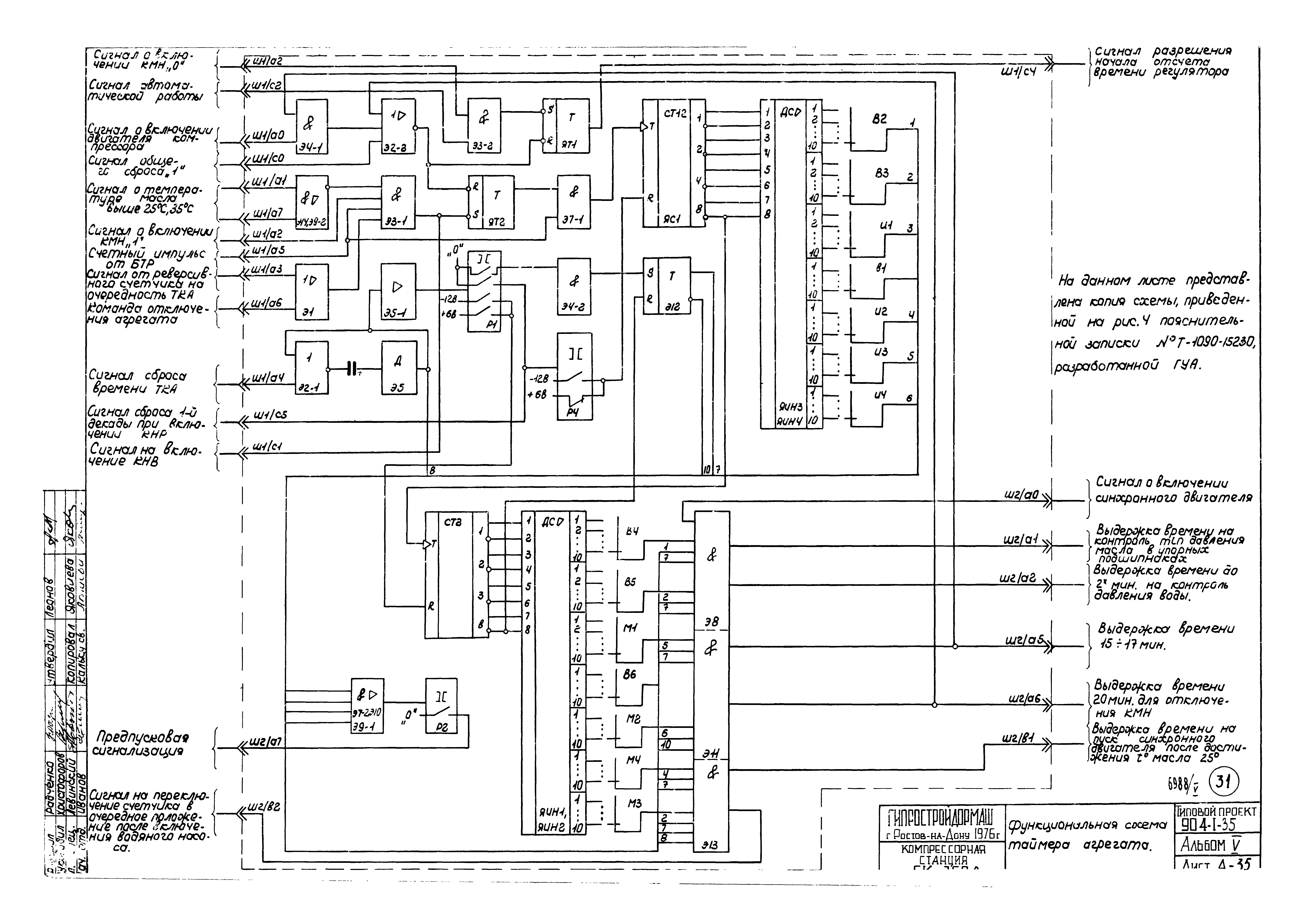
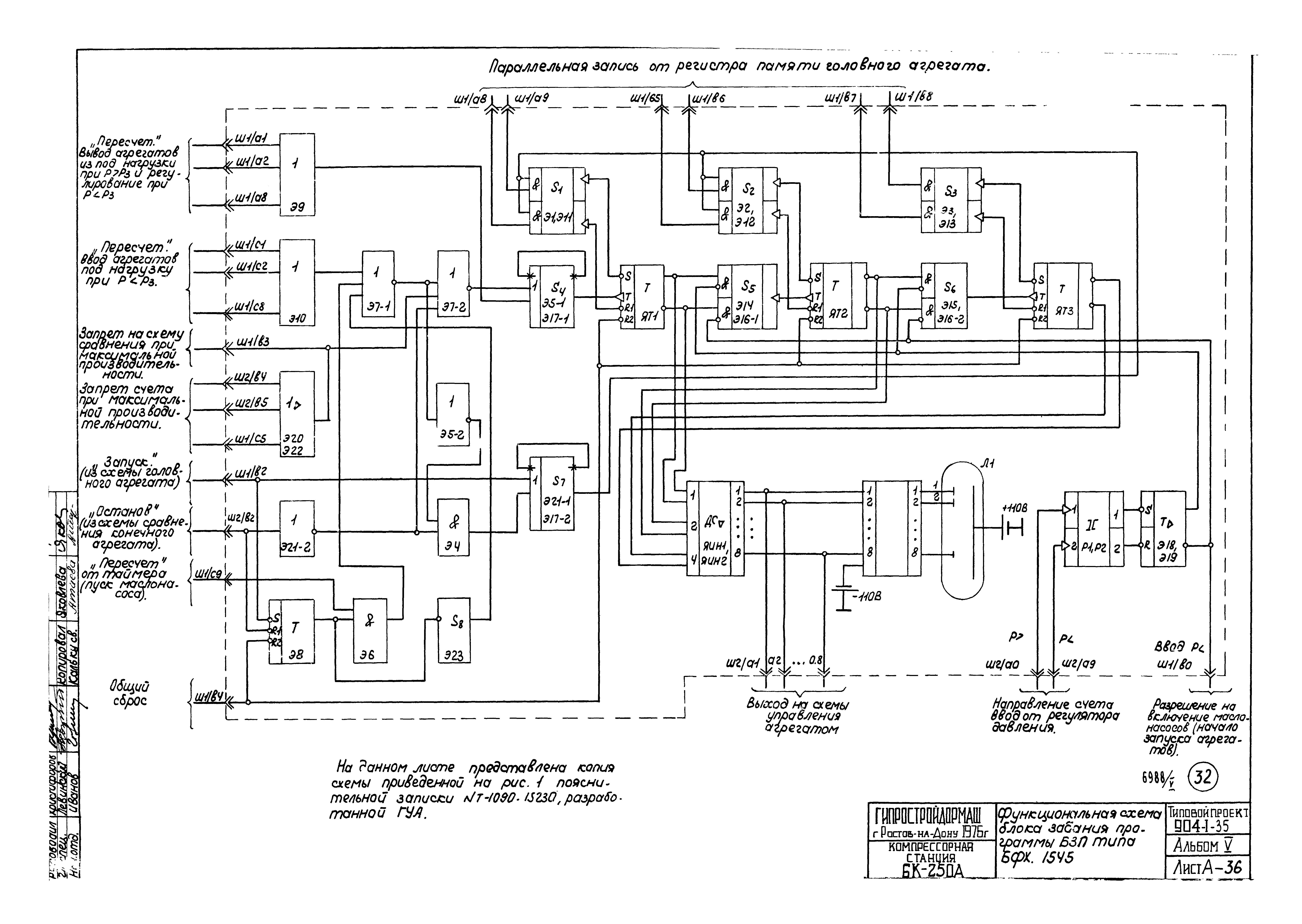
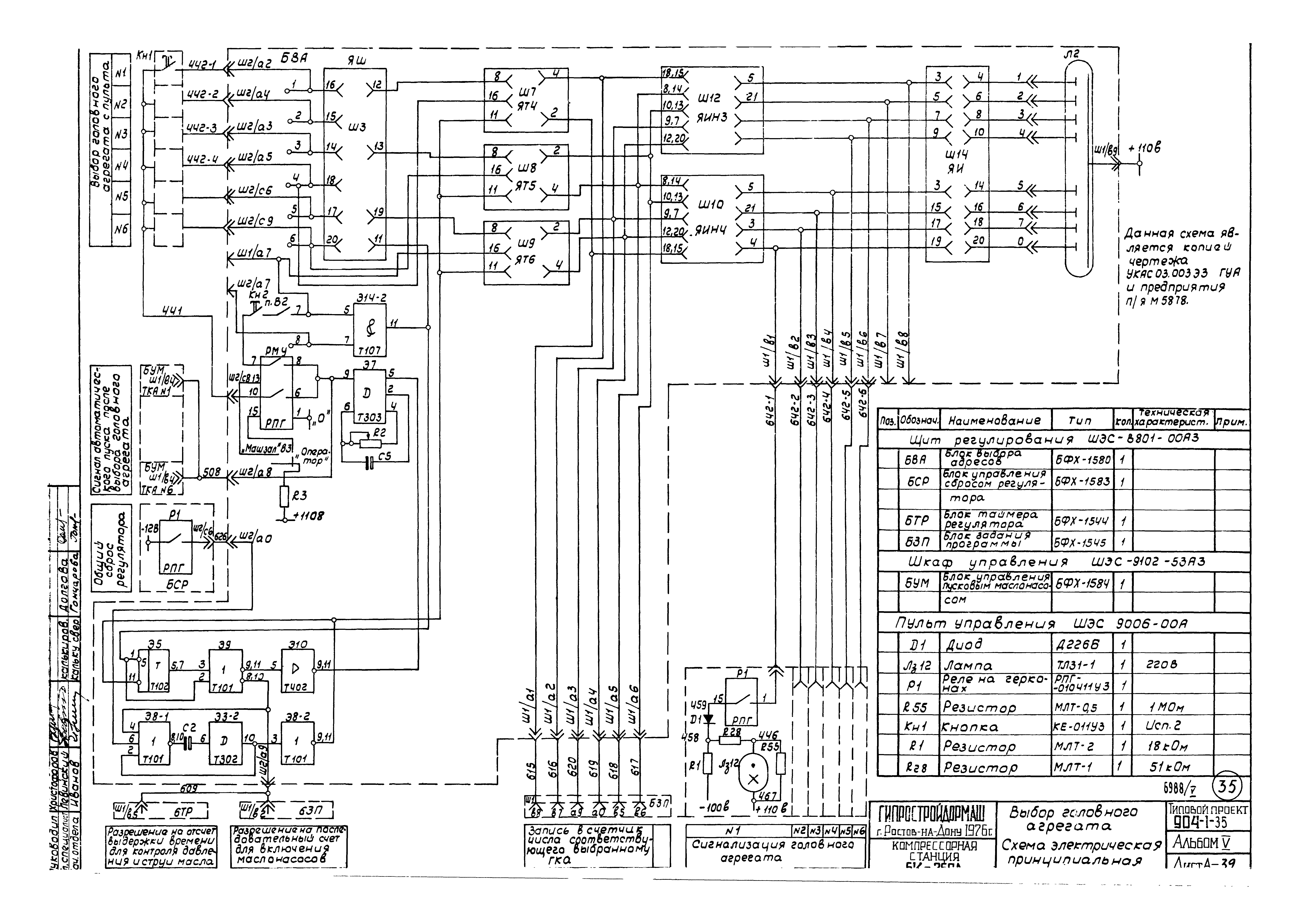
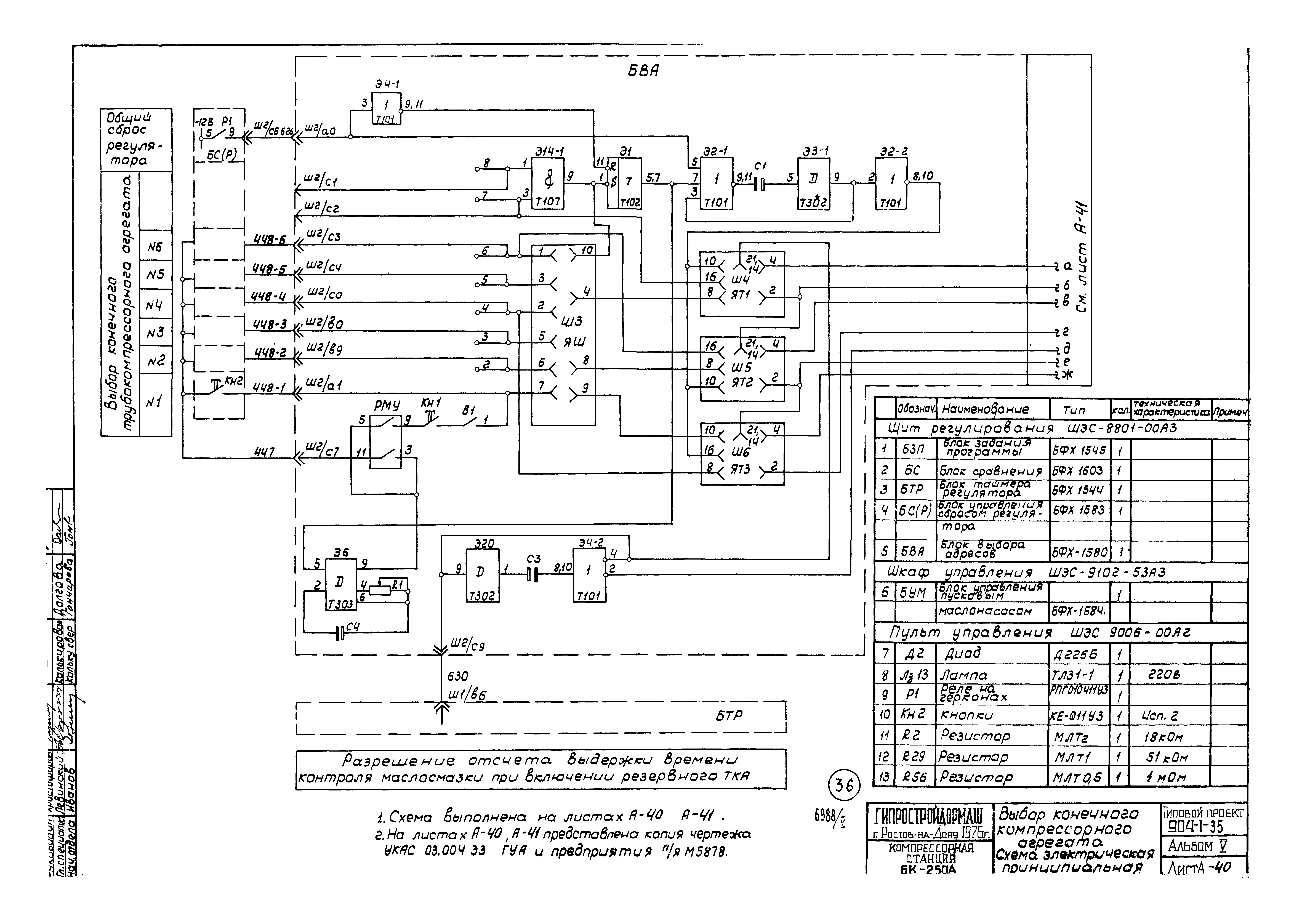
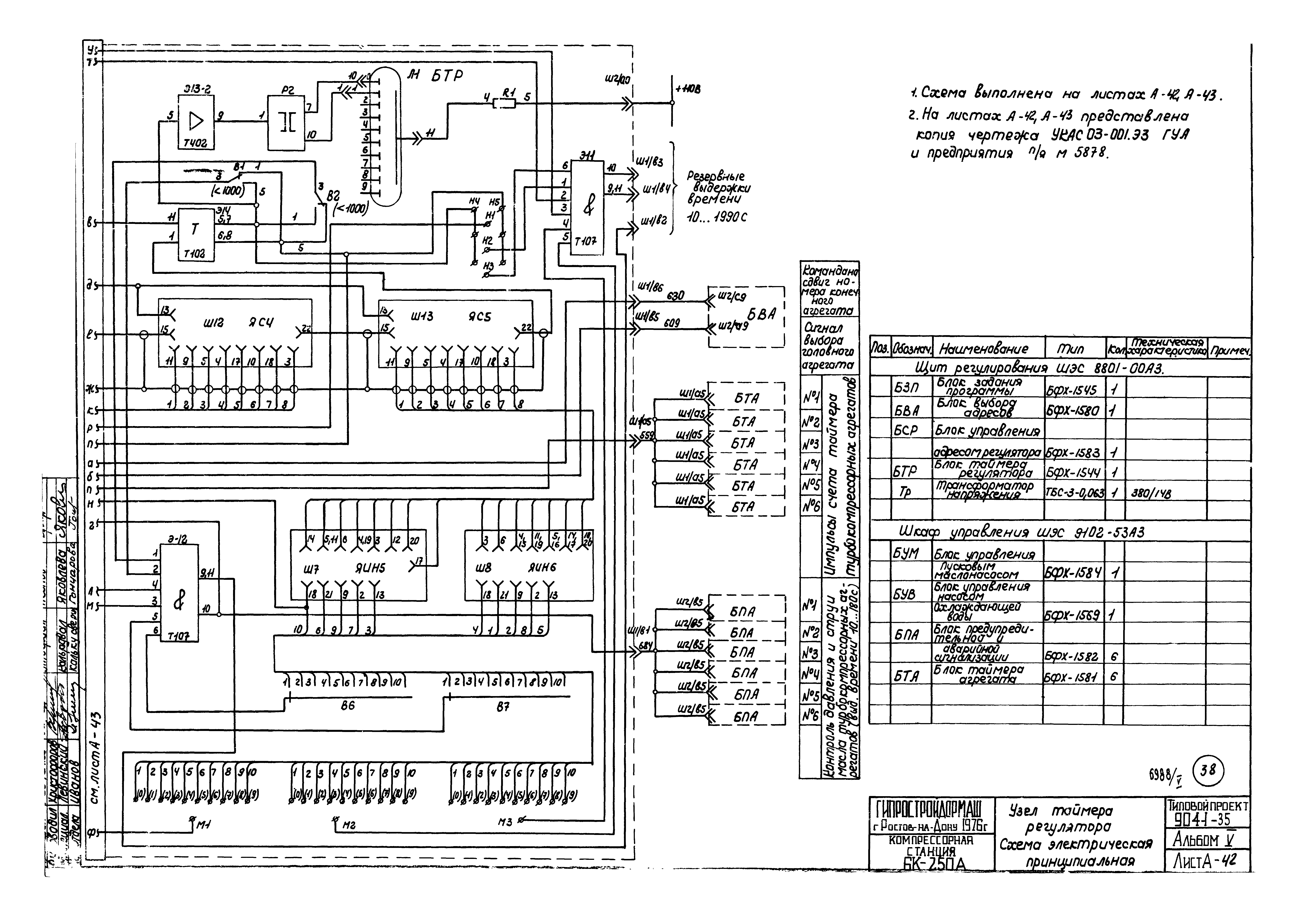
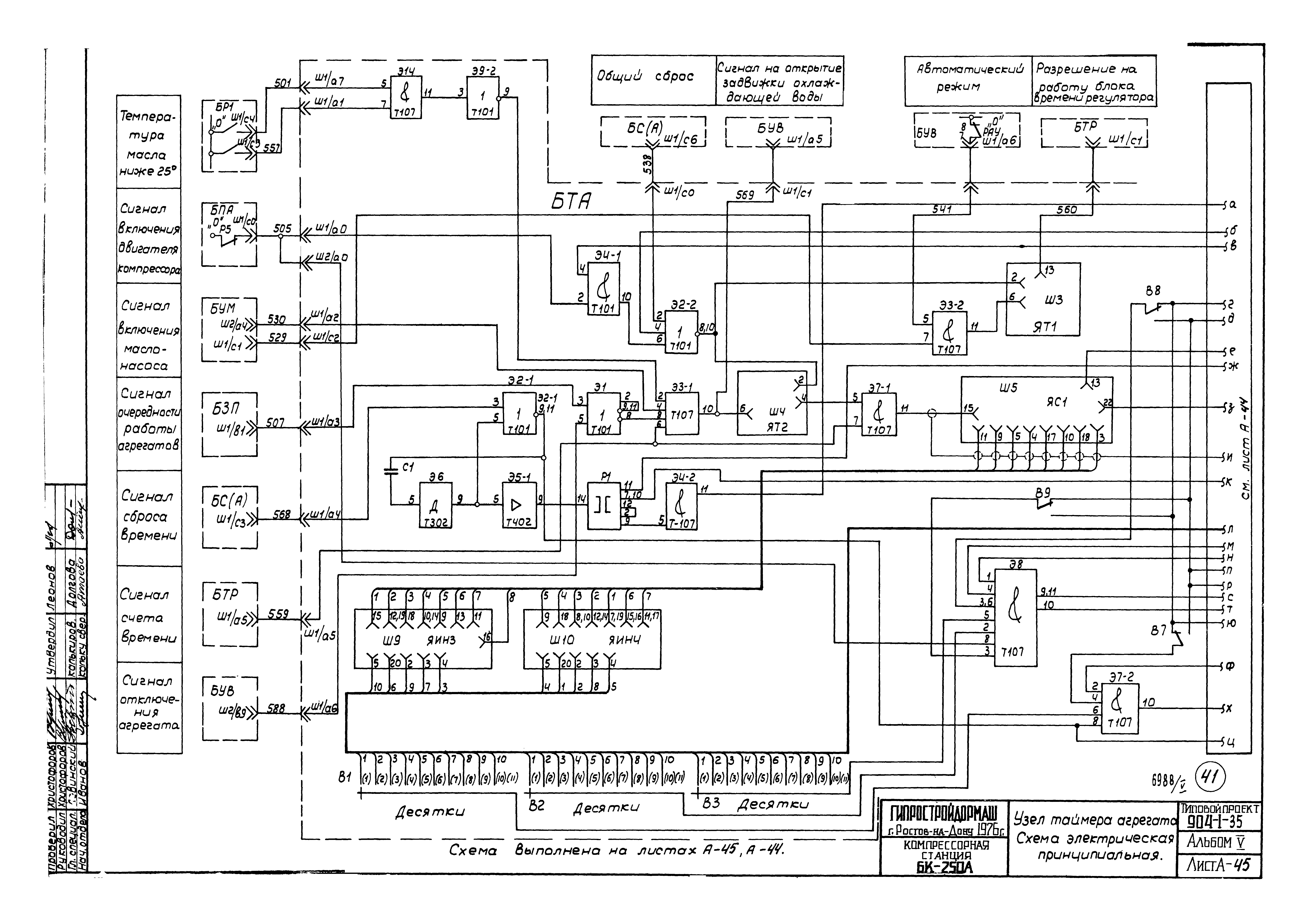
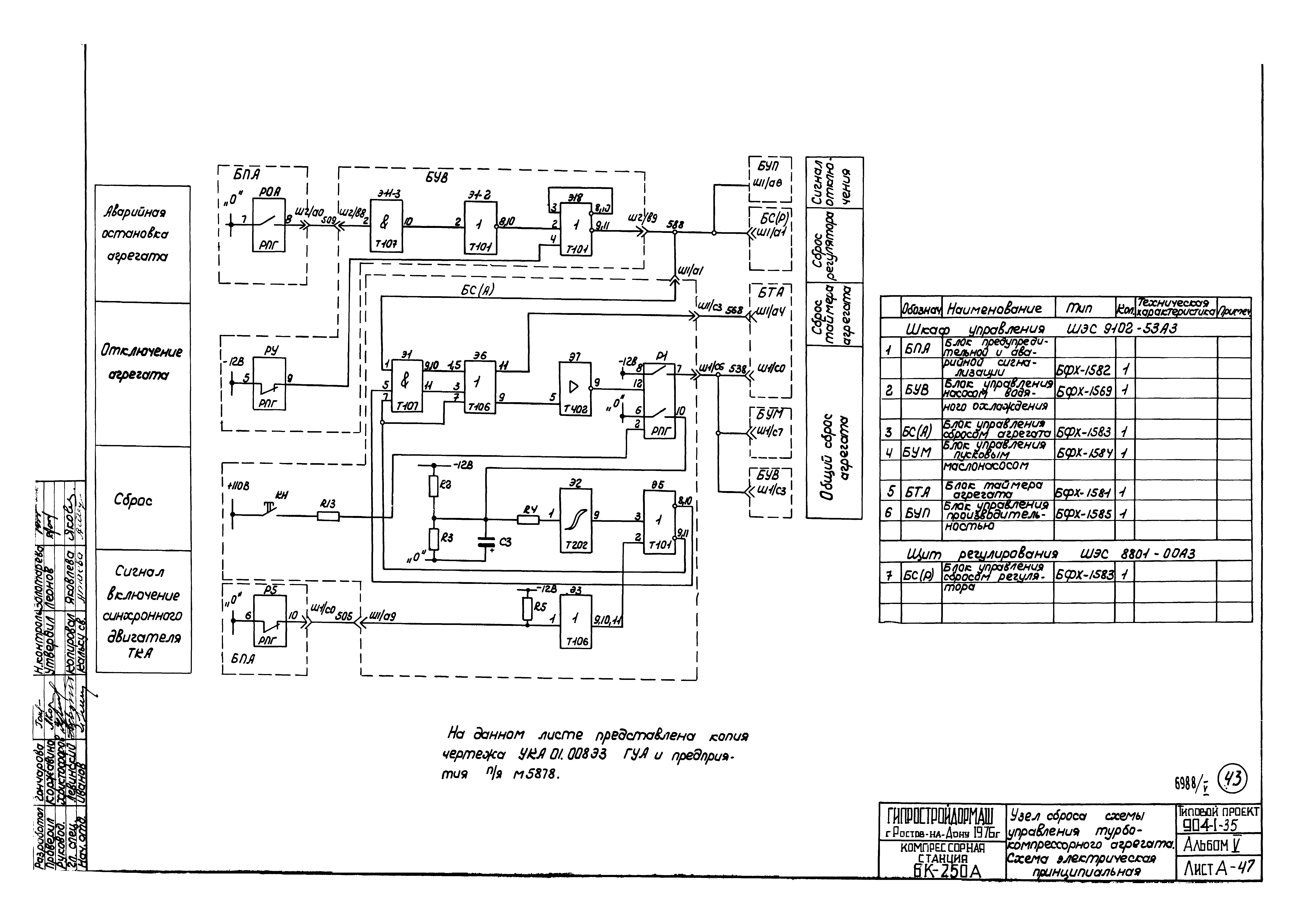
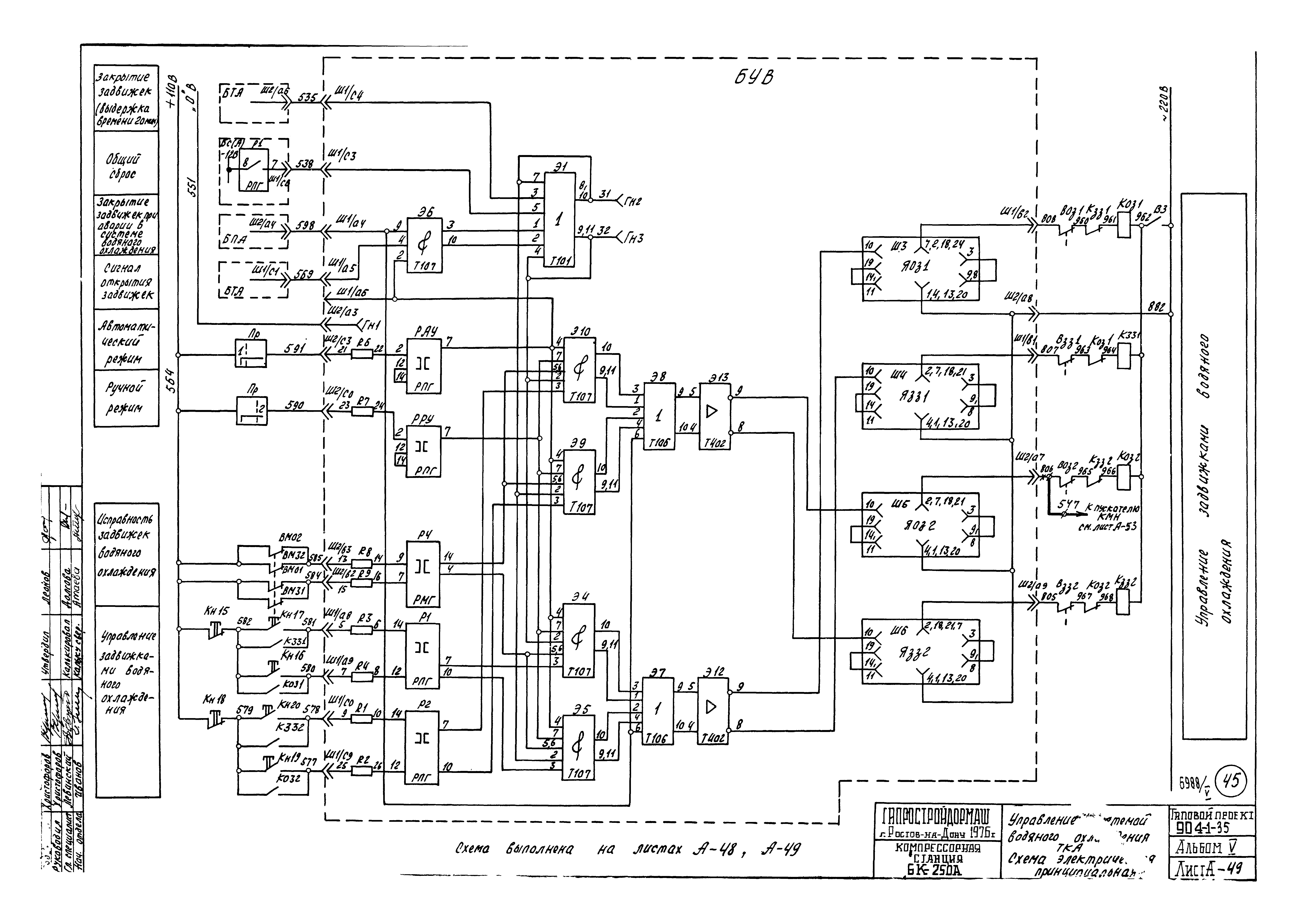
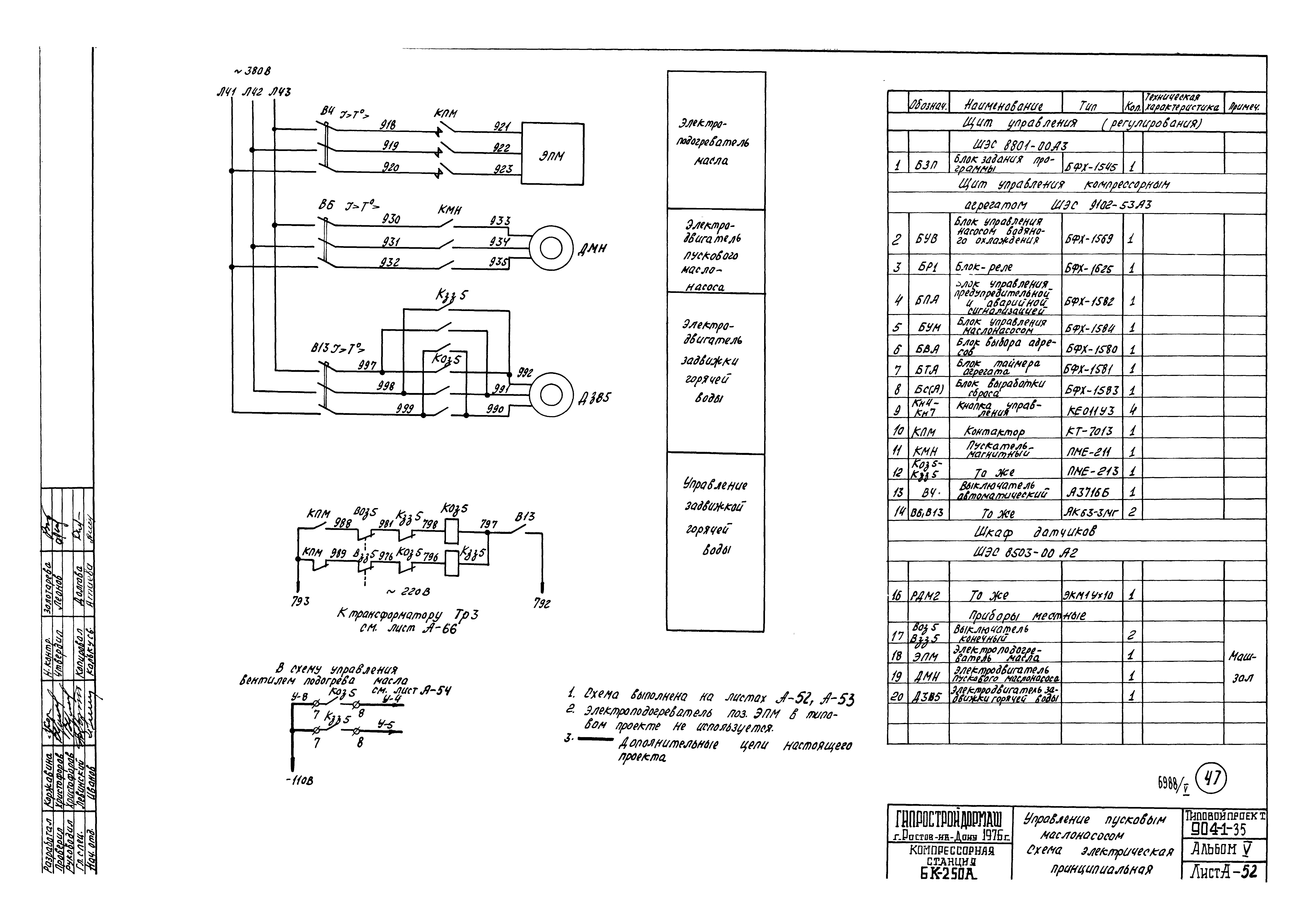
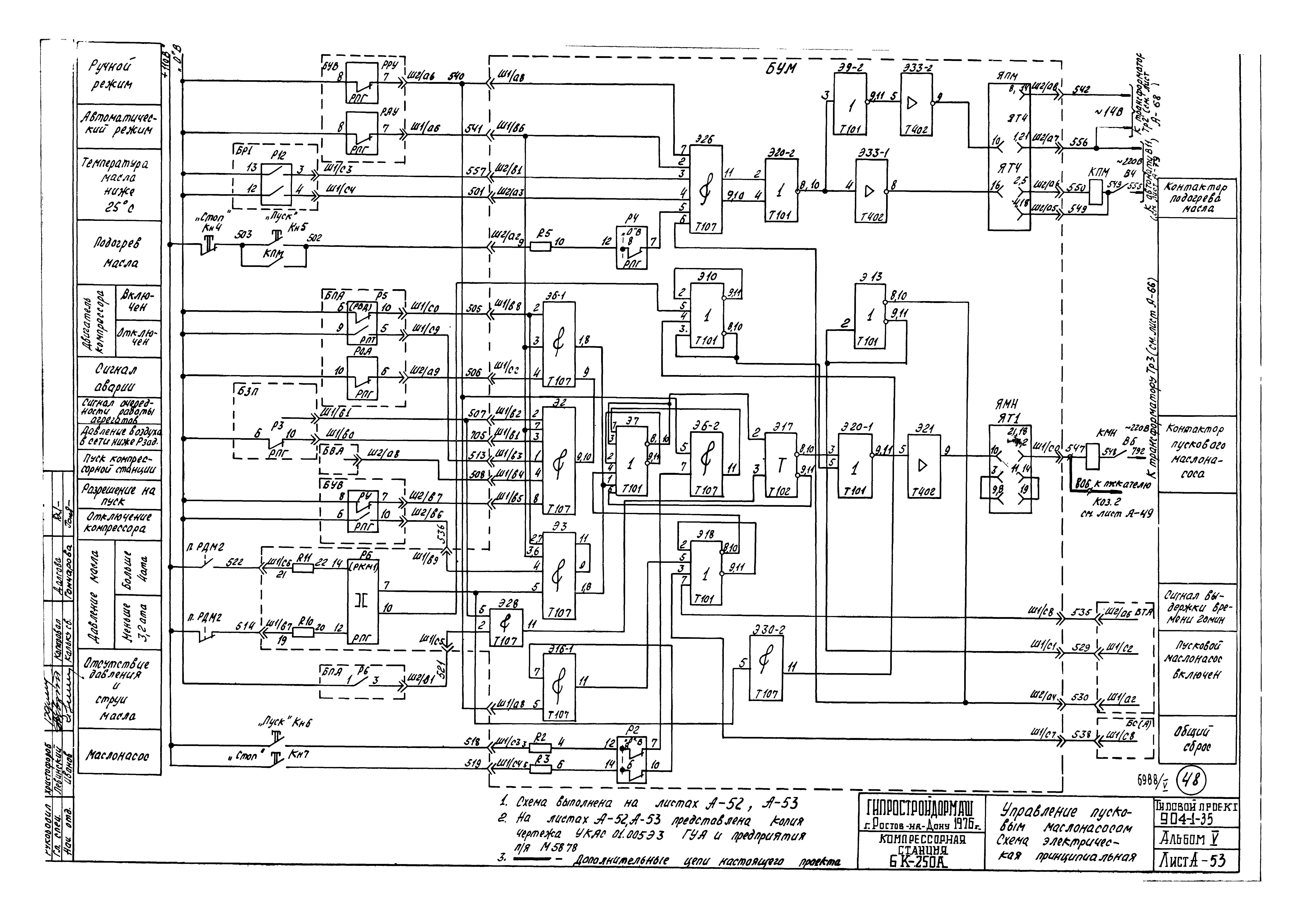
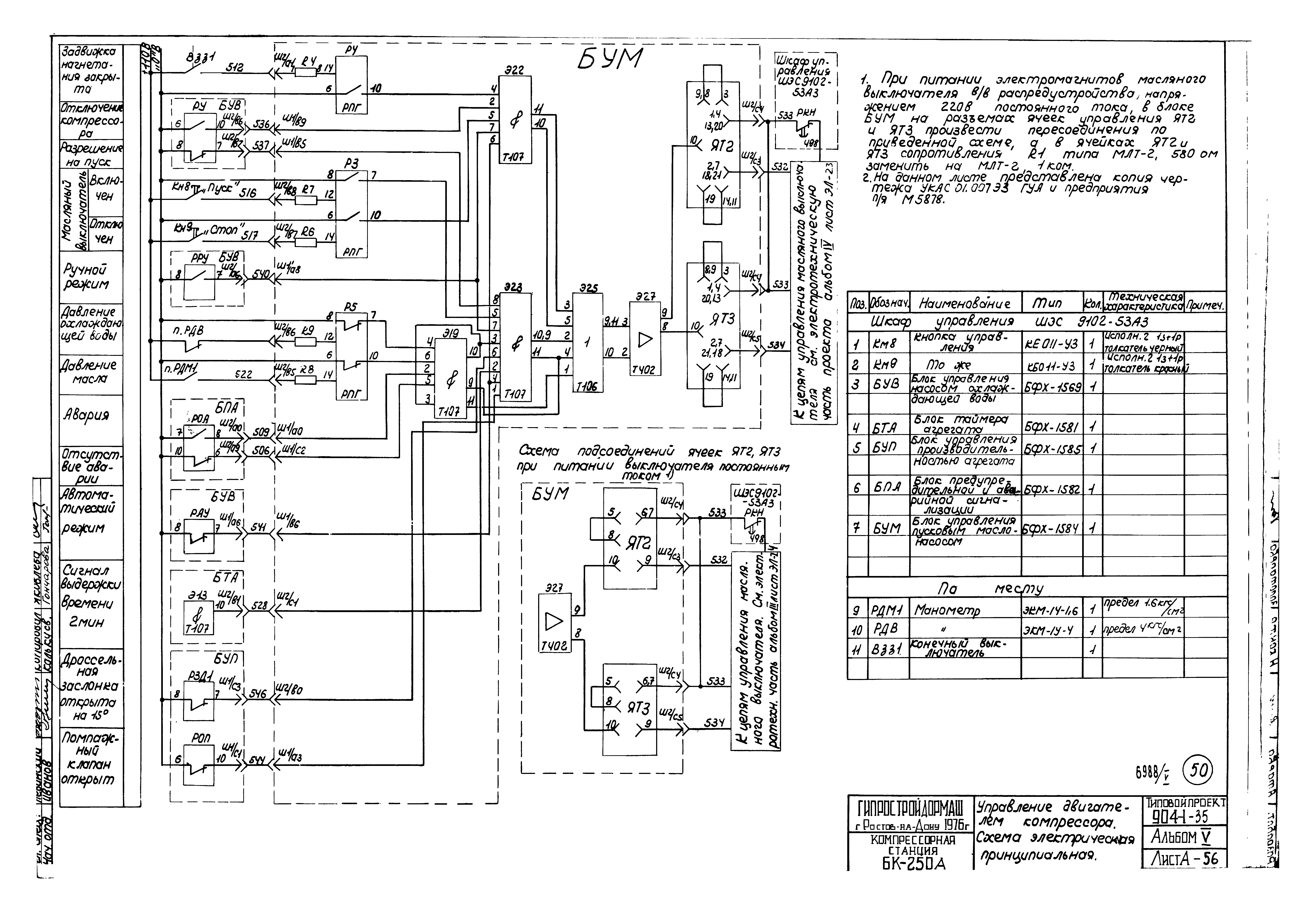
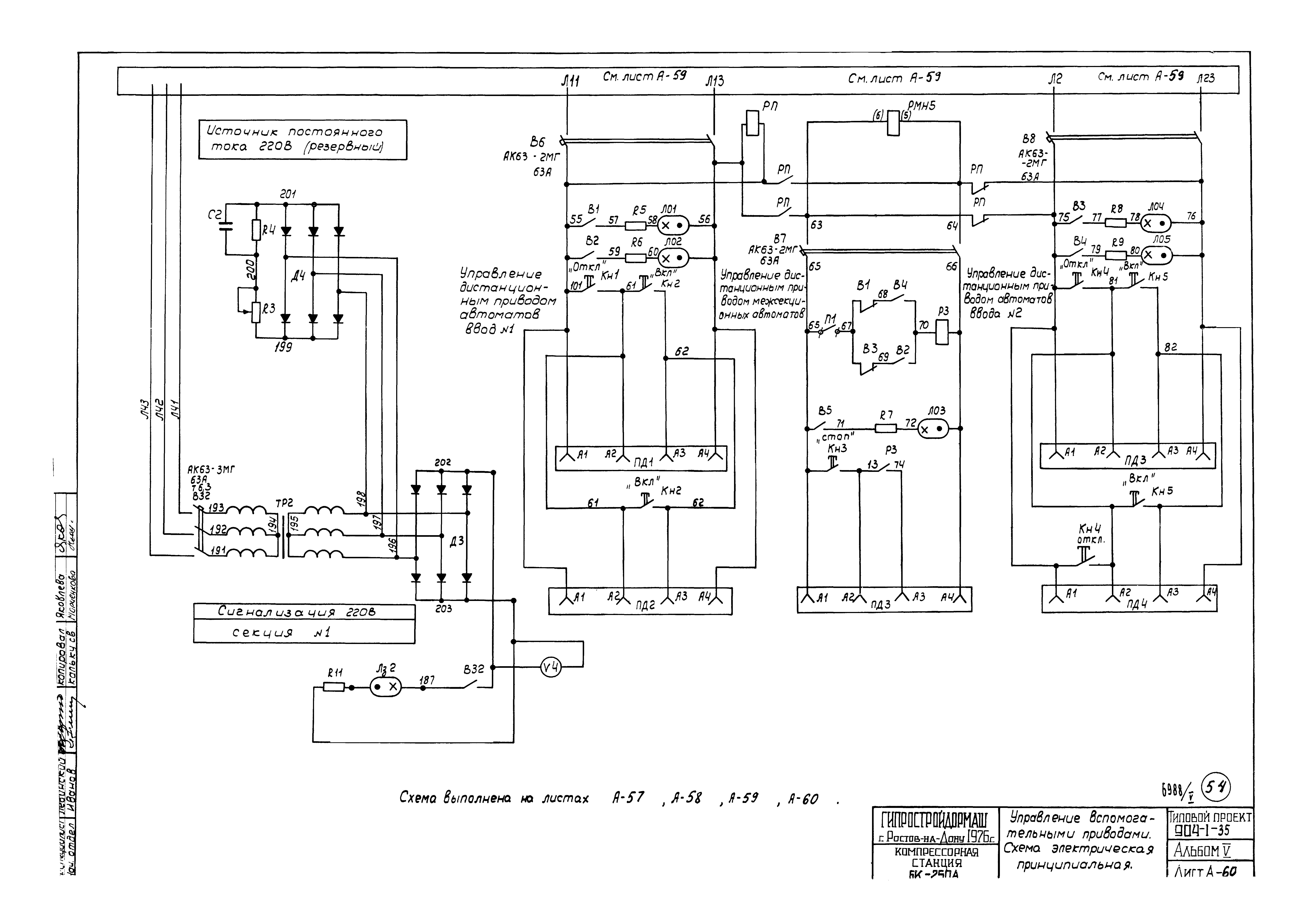
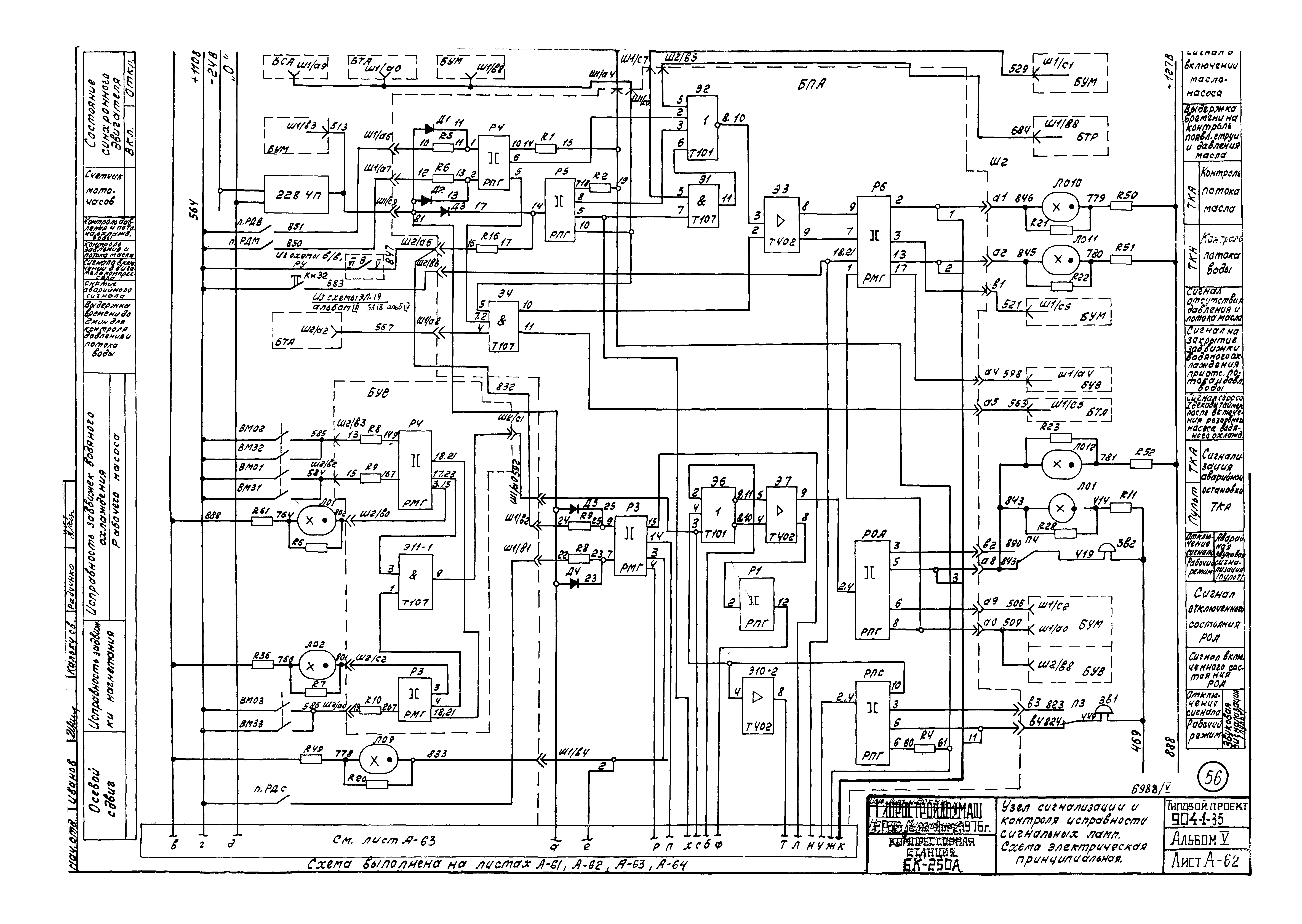
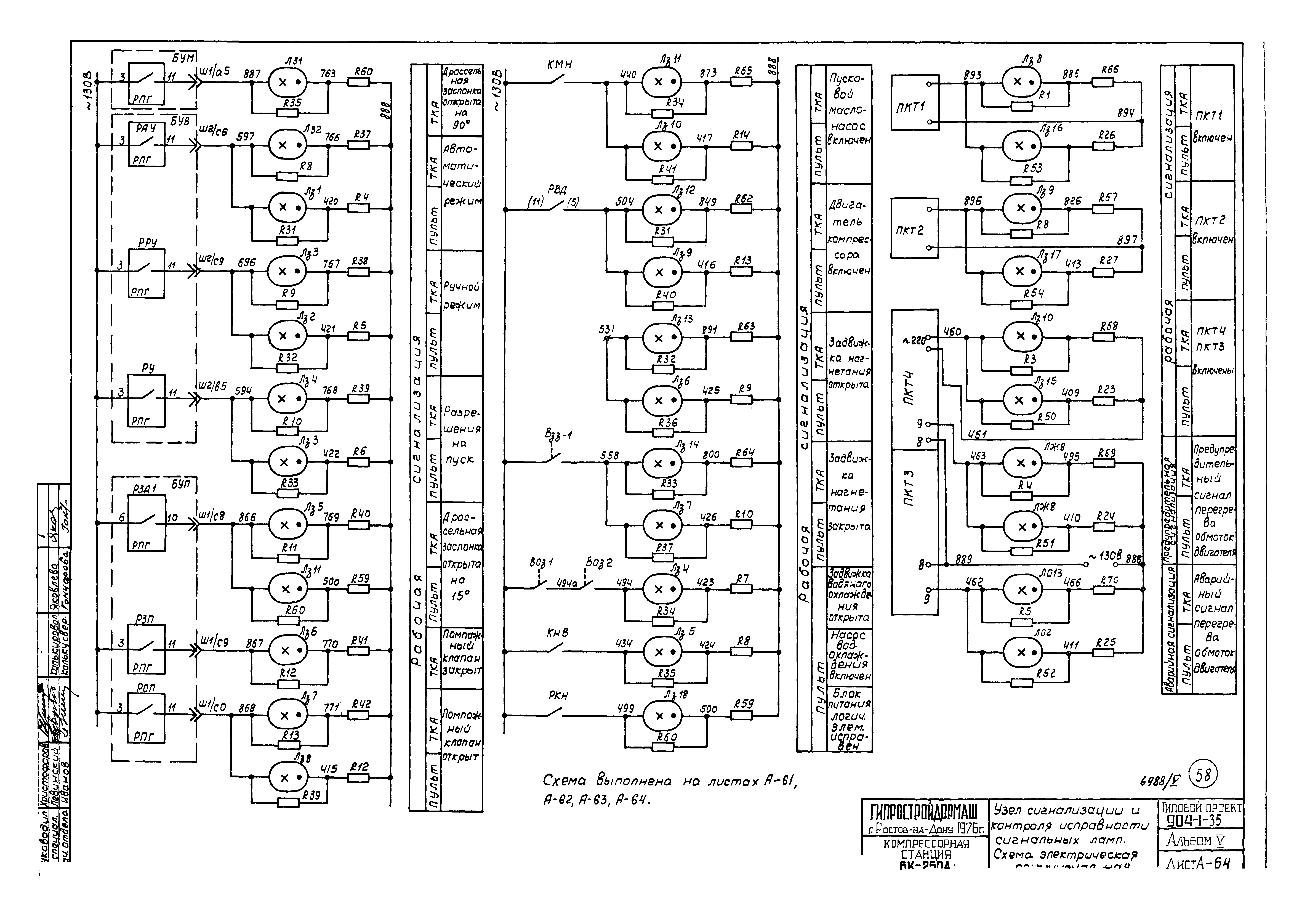
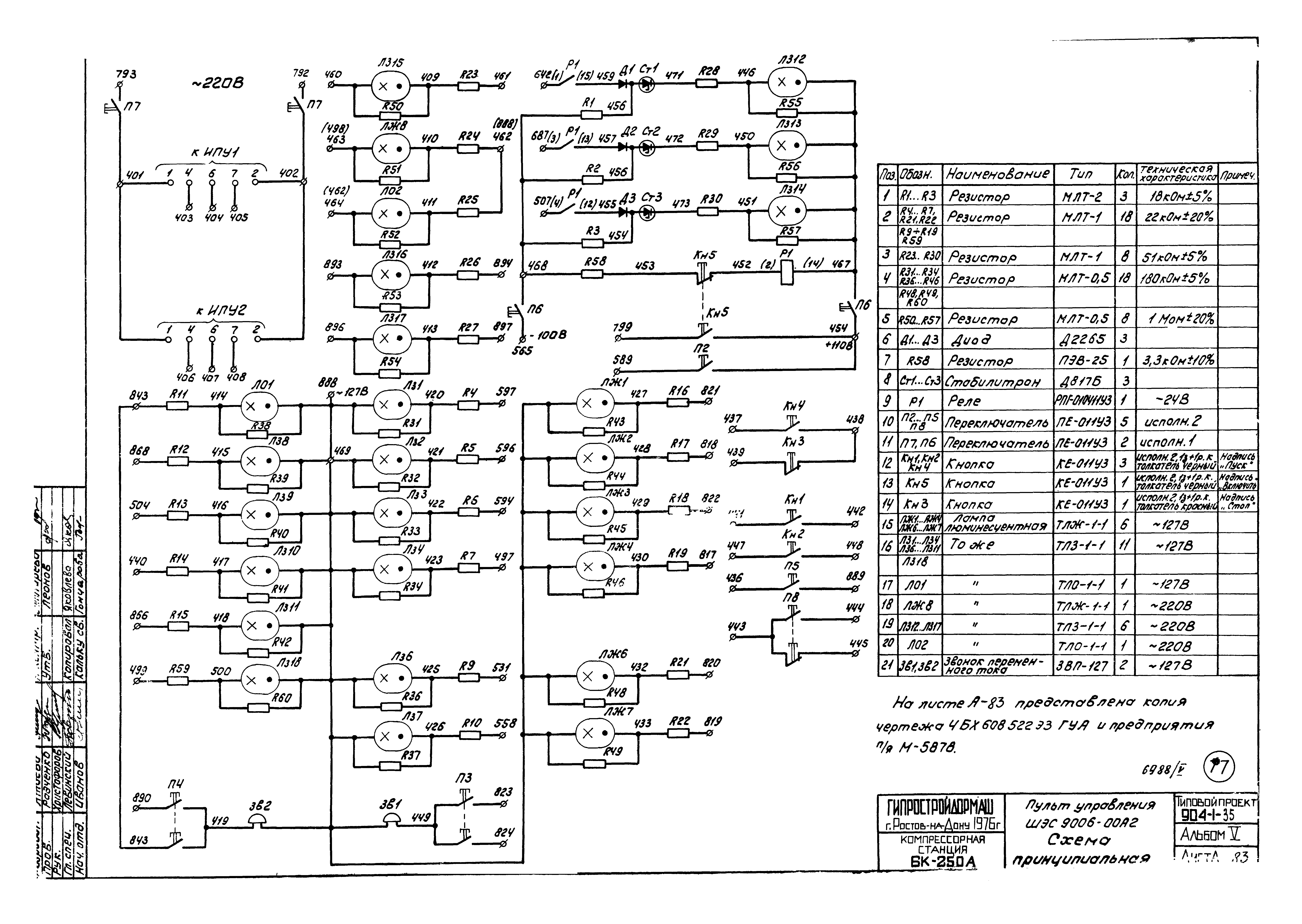
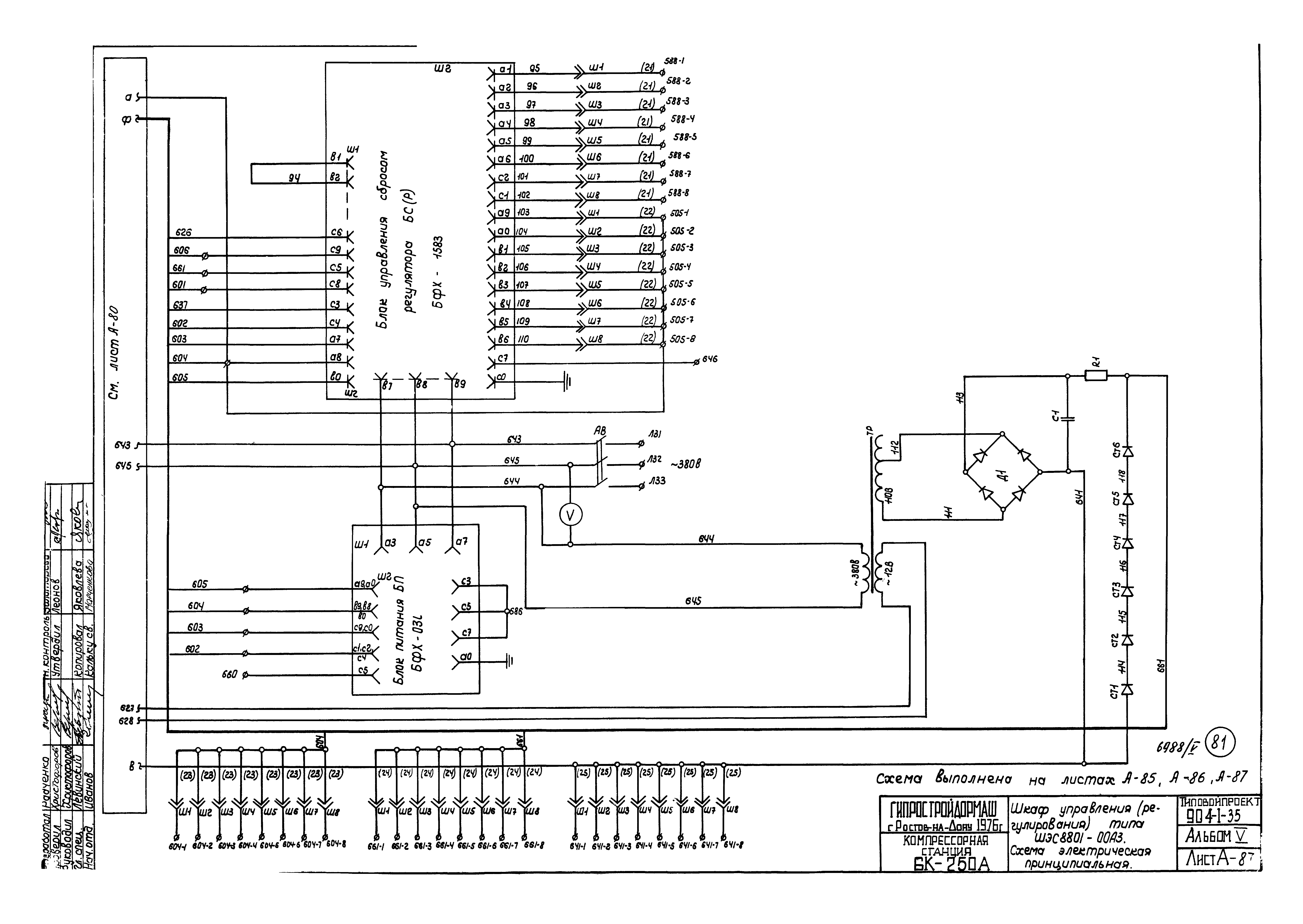
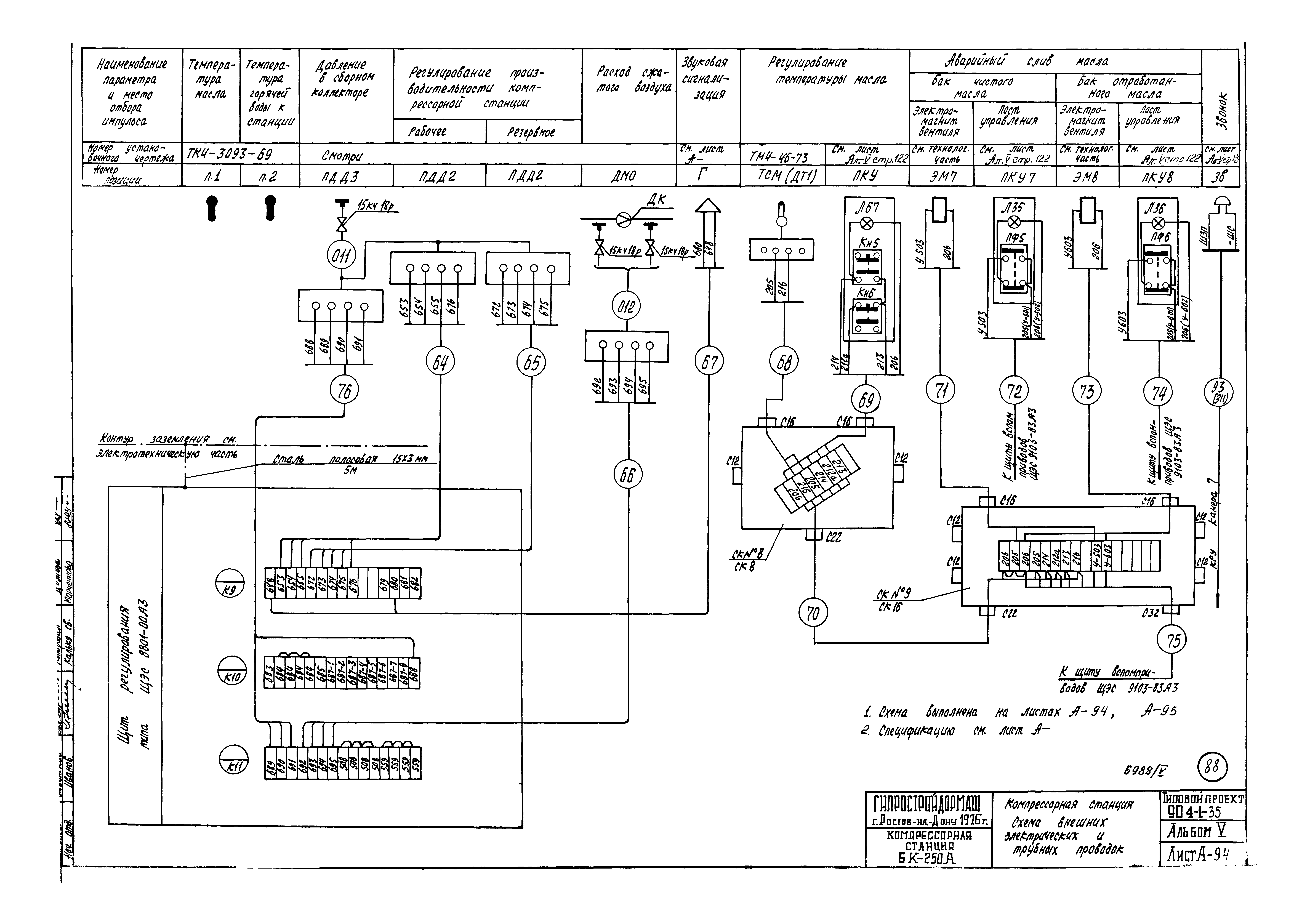
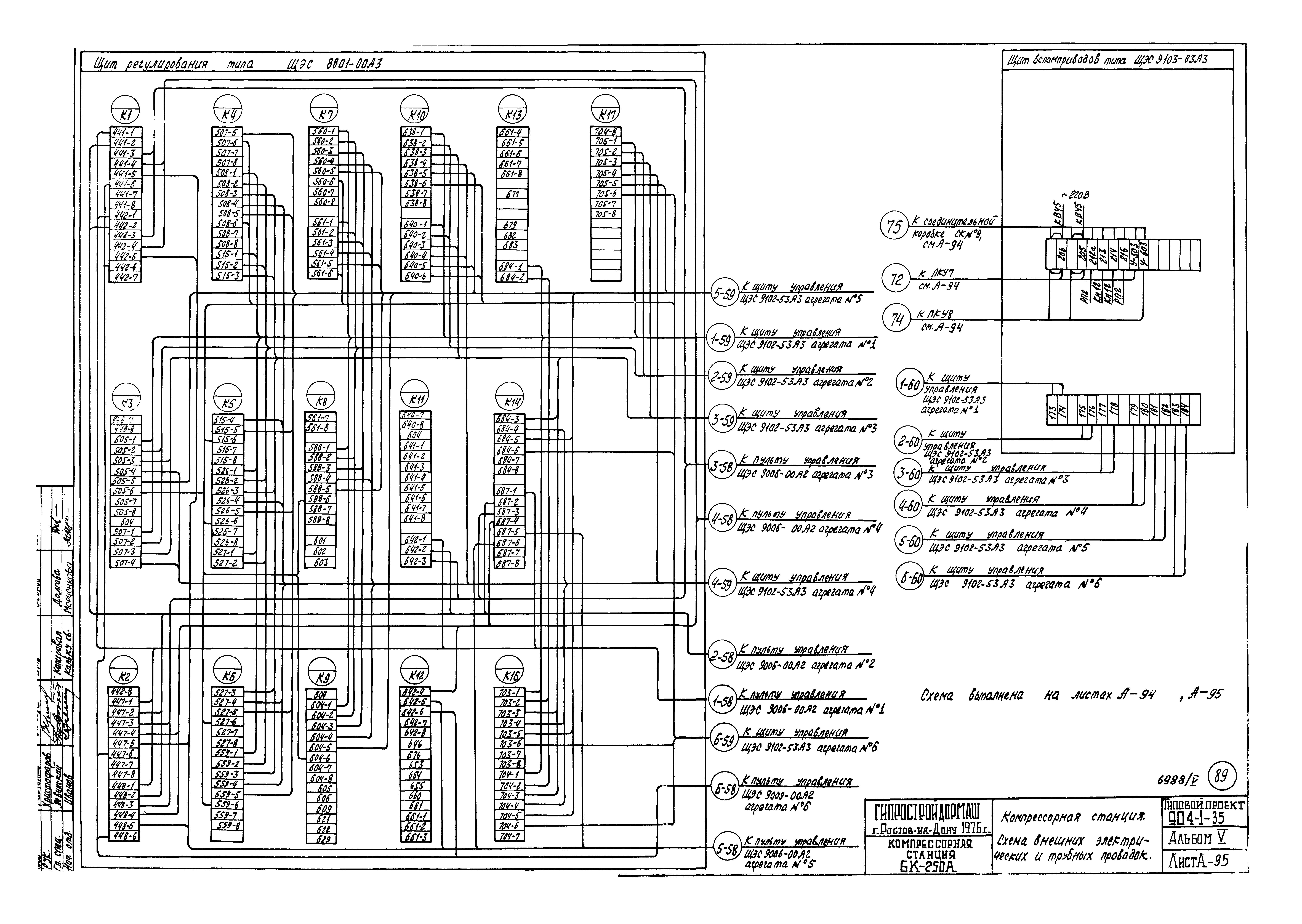
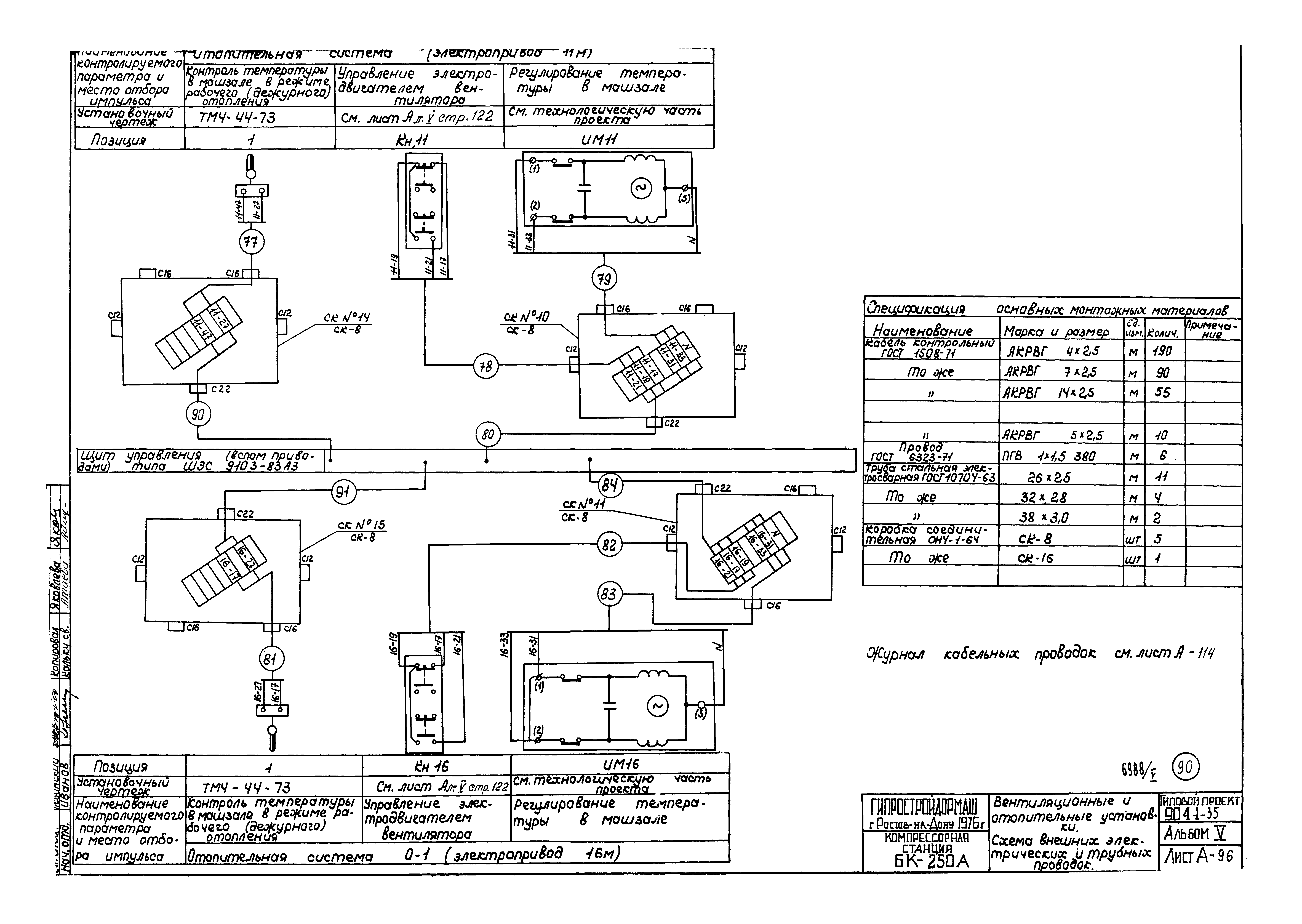
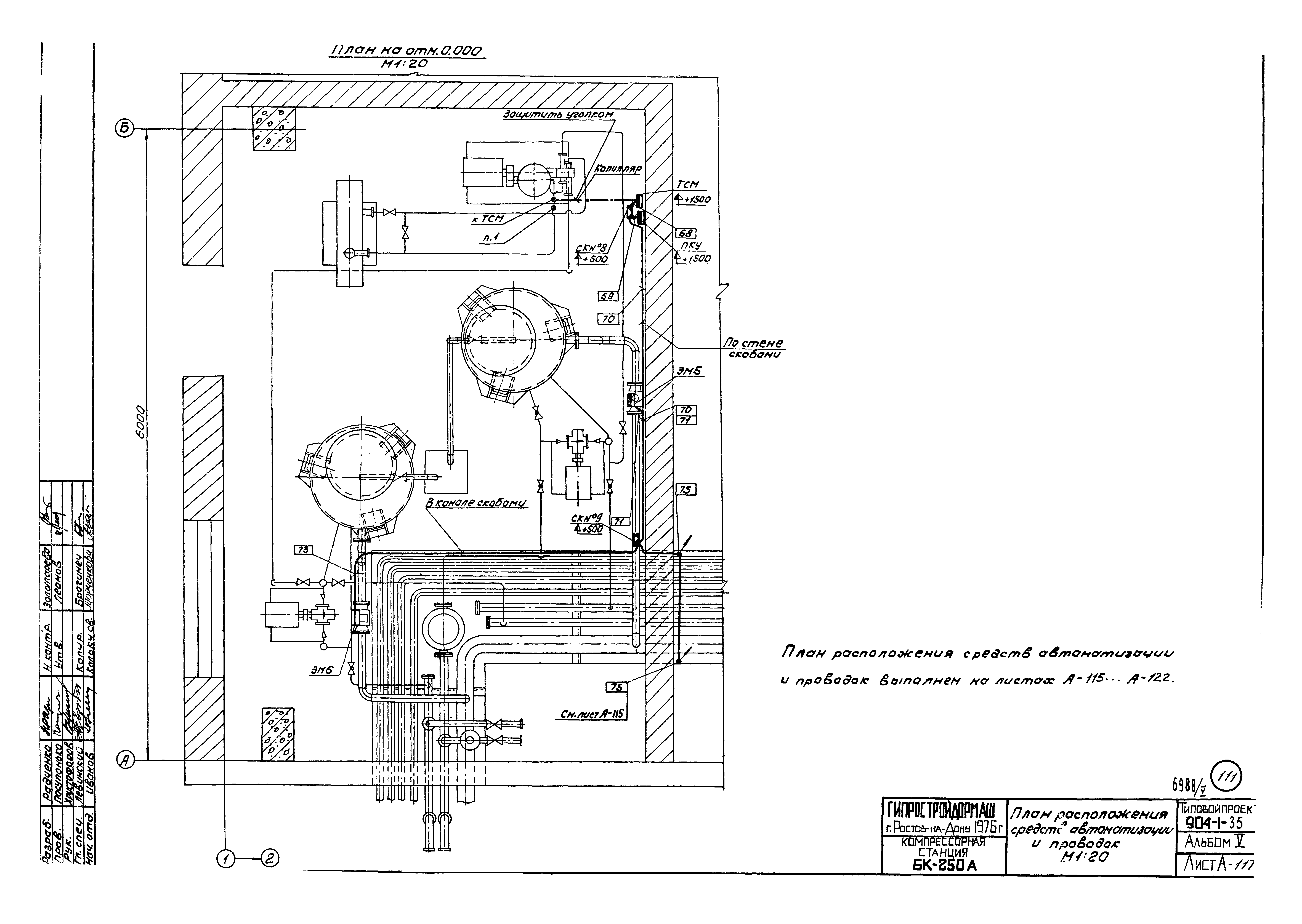
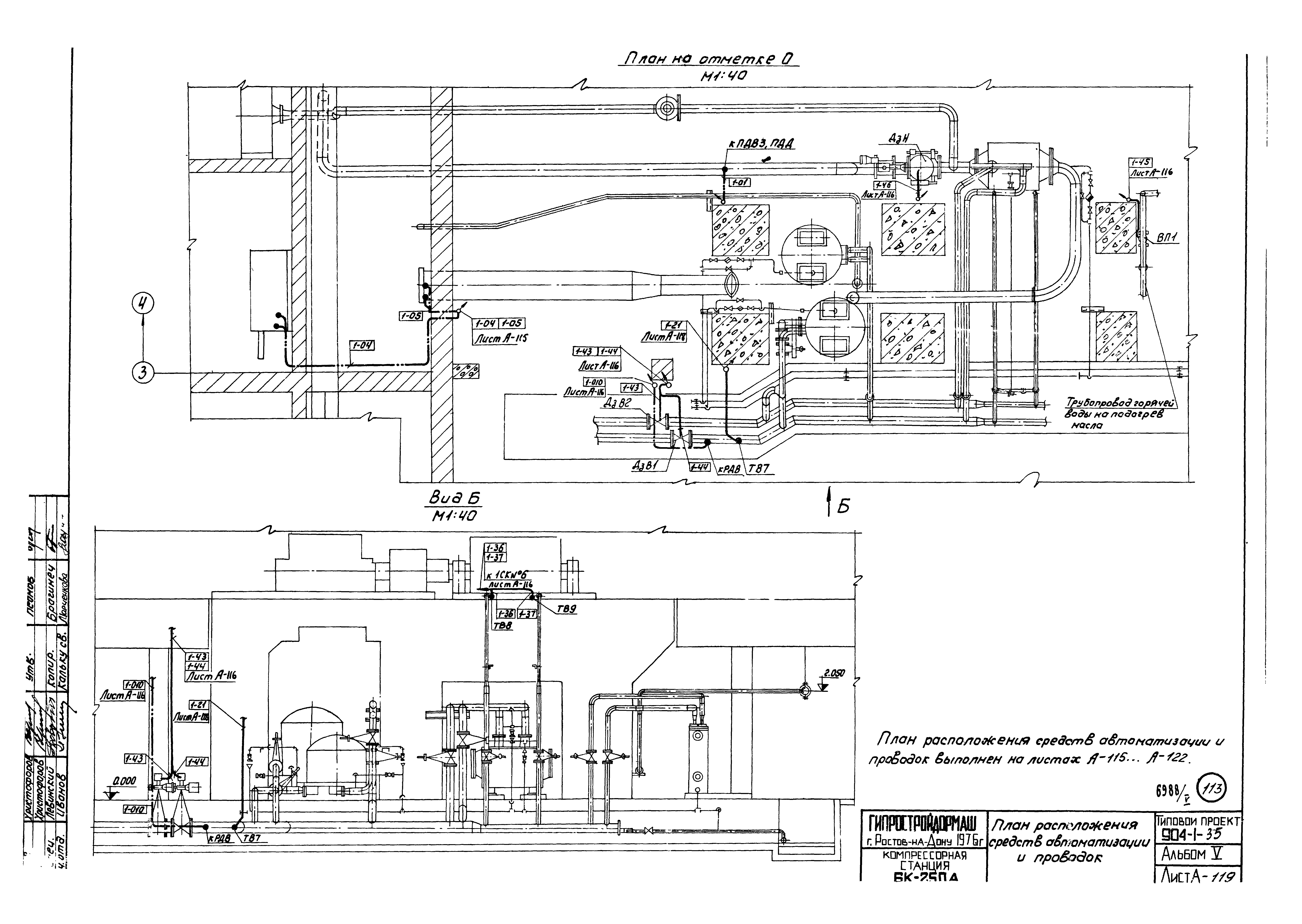
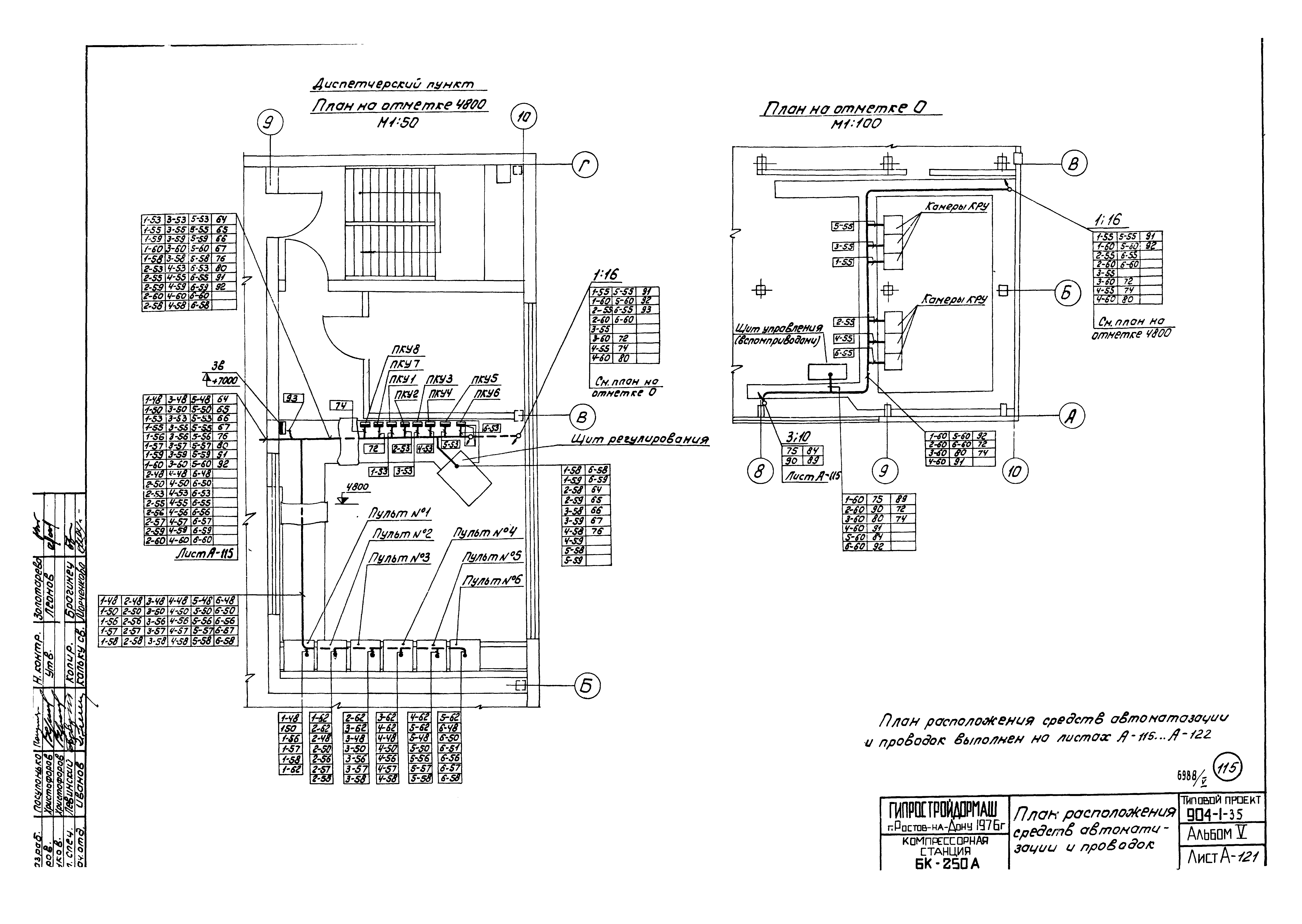
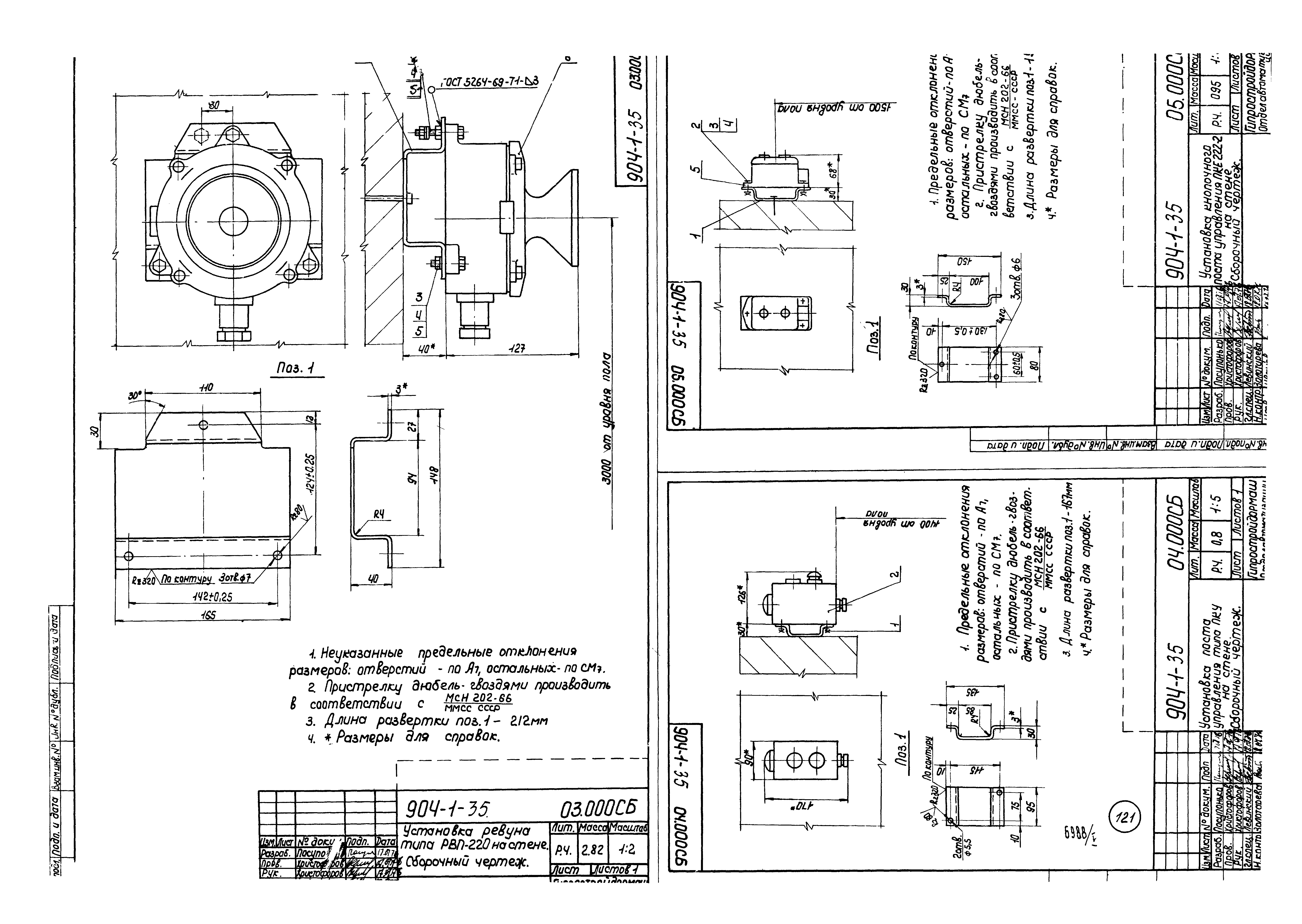
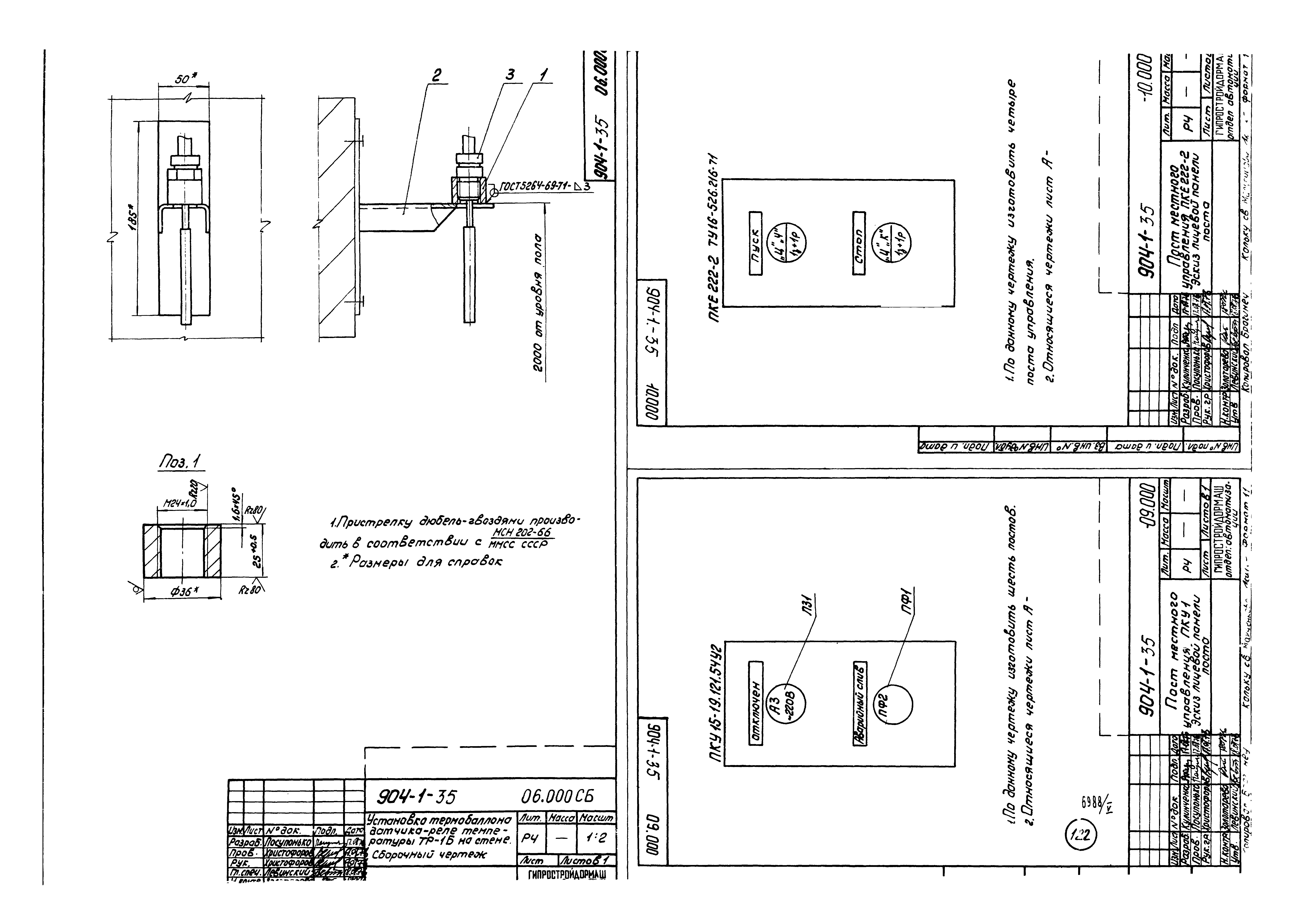
| Оглавление: | ТП 904-1-35 Титульный лист ТП 904-1-35-А-1 Содержание альбома ТП 904-1-35-А-2 Содержание альбома ТП 904-1-35-А-3 Система маслопроводов. Функциональная схема автоматизации компрессора ТП 904-1-35-А-4 Воздушный тракт. Функциональная схема автоматизации компрессора ТП 904-1-35-А-5 Система водяного охлаждения. Функциональная схема автоматизации компрессора ТП 904-1-35-А-6 Общественные измерения и маслохозяйство компрессорной станции. Функциональная схема автоматизации ТП 904-1-35-А-7 Блок управления БФХ-0301. Схема электрическая принципиальная ТП 904-1-35-А-8 Блок управления БФХ-1544. Схема электрическая принципиальная ТП 904-1-35-А-9 Блок управления БФХ-1544. Схема электрическая принципиальная ТП 904-1-35-А-10 Блок управления БФХ-1545. Схема электрическая принципиальная ТП 904-1-35-А-11 Блок управления БФХ-1569. Схема электрическая принципиальная ТП 904-1-35-А-12 Блок управления БФХ-1580. Схема электрическая принципиальная ТП 904-1-35-А-13 Блок управления БФХ-1580. Схема электрическая принципиальная ТП 904-1-35-А-14 Блок управления БФХ-1581. Схема электрическая принципиальная ТП 904-1-35-А-15 Блок управления БФХ-1581. Схема электрическая принципиальная ТП 904-1-35-А-16 Блок управления БФХ-1582. Схема электрическая принципиальная ТП 904-1-35-А-17 Блок управления БФХ-1583. Схема электрическая принципиальная ТП 904-1-35-А-18 Блок управления БФХ-1584. Схема электрическая принципиальная ТП 904-1-35-А-19 Блок управления БФХ-1584. Схема электрическая принципиальная ТП 904-1-35-А-20 Блок управления БФХ-1585. Схема электрическая принципиальная ТП 904-1-35-А-21 Блок управления БФХ-1603. Схема электрическая принципиальная ТП 904-1-35-А-22 Блок управления БФХ-1625. Схема электрическая принципиальная ТП 904-1-35-А-23 Схема стабилизации напряжения (БФХ-0301). Схема электрическая принципиальная ТП 904-1-35-А-24 Ячейка управления ЯФХ-0097. Схема электрическая принципиальная (в блоке БФХ-0301) ТП 904-1-35-А-25 Ячейка управления ЯФХ-0099. Схема электрическая принципиальная (в блоке БФХ-0301) ТП 904-1-35-А-26 Ячейка управления ЯФХ-0098. Схема принципиальная ТП 904-1-35-А-27 Ячейка управления ЯФХ-0100. Схема принципиальная ТП 904-1-35-А-28 Ячейка управления ЯФХ-0912. Схема электрическая принципиальная ТП 904-1-35-А-29 Ячейка управления ЯФХ-0913. Схема электрическая принципиальная ТП 904-1-35-А-30 Ячейка управления ЯФХ-0914. Схема электрическая принципиальная ТП 904-1-35-А-31 Ячейка управления ЯФХ-0916. Схема электрическая принципиальная ТП 904-1-35-А-32 Ячейка управления ЯФХ-0959. Схема электрическая принципиальная ТП 904-1-35-А-33 Ячейка управления ЯФХ-0872. Схема электрическая принципиальная ТП 904-1-35-А-34 Функциональная схема таймера регулятора типа БФХ-1544 ТП 904-1-35-А-35 Функциональная схема таймера агрегата ТП 904-1-35-А-36 Функциональная схема блока здания программы БЗП типа БФХ1545 ТП 904-1-35-А-37 Управление программой работы компрессорной станции. Схема электрическая принципиальная ТП 904-1-35-А-38 Управление программой работы компрессорной станции. Схема электрическая принципиальная ТП 904-1-35-А-39 Выбор головного агрегата. Схема электрическая принципиальная ТП 904-1-35-А-40 Выбор конечного компрессорного агрегата. Схема электрическая принципиальная ТП 904-1-35-А-41 Выбор конечного компрессорного агрегата. Схема электрическая принципиальная ТП 904-1-35-А-42 Узел таймера регулятора. Схема электрическая принципиальная ТП 904-1-35-А-43 Узел таймера регулятора. Схема электрическая принципиальная ТП 904-1-35-А-44 Узел таймера регулятора. Схема электрическая принципиальная ТП 904-1-35-А-45 Узел таймера регулятора. Схема электрическая принципиальная ТП 904-1-35-А-46 Узел общего сброса регулятора. Схема электрическая принципиальная ТП 904-1-35-А-47 Узел сброса управления турбокомпрессорного агрегата. Схема электрическая принципиальная ТП 904-1-35-А-48 Управление системой водяного охлаждения ТКЛ. Схема электрическая принципиальная ТП 904-1-35-А-49 Управление системой водяного охлаждения ТКЛ. Схема электрическая принципиальная ТП 904-1-35-А-50 Принципиальная схема управления катушками контакторов на постоянном токе ТП 904-1-35-А-51 Принципиальная схема управления катушками контакторов на переменном токе ТП 904-1-35-А-52 Управление пусковым маслонасосом. Схема электрическая принципиальная ТП 904-1-35-А-53 Управление пусковым маслонасосом. Схема электрическая принципиальная ТП 904-1-35-А-54 Управление вентилем подогрева масла ТП 904-1-35-А-55 Управление вентилем аварийного слива масла из маслосборника ТП 904-1-35-А-56 Управление двигателем компрессора. Схема электрическая принципиальная ТП 904-1-35-А-57 Управление вспомогательными приводами. Схема электрическая принципиальная ТП 904-1-35-А-58 Управление вспомогательными приводами. Схема электрическая принципиальная ТП 904-1-35-А-59 Управление вспомогательными приводами. Схема электрическая принципиальная ТП 904-1-35-А-60 Управление вспомогательными приводами. Схема электрическая принципиальная ТП 904-1-35-А-61 Узел сигнализации и контроля исправности сигнальных ламп. Схема электрическая принципиальная ТП 904-1-35-А-62 Узел сигнализации и контроля исправности сигнальных ламп. Схема электрическая принципиальная ТП 904-1-35-А-63 Узел сигнализации и контроля исправности сигнальных ламп. Схема электрическая принципиальная ТП 904-1-35-А-64 Узел сигнализации и контроля исправности сигнальных ламп. Схема электрическая принципиальная ТП 904-1-35-А-65 Разводка питания. Схема электрическая принципиальная ТП 904-1-35-А-66 Разводка питания. Схема электрическая принципиальная ТП 904-1-35-А-67 Управление производительностью трубо-компрессорного агрегата. Схема электрическая принципиальная ТП 904-1-35-А-68 Управление производительностью трубо-компрессорного агрегата. Схема электрическая принципиальная ТП 904-1-35-А-69 Управление производительностью трубо-компрессорного агрегата. Схема электрическая принципиальная ТП 904-1-35-А-70 Узел теплотехнического контроля. Схема электрическая принципиальная ТП 904-1-35-А-71 Узел теплотехнического контроля. Схема электрическая принципиальная ТП 904-1-35-А-72 Узел теплотехнического контроля. Схема электрическая принципиальная ТП 904-1-35-А-73 Шкаф управления компрессорным агрегатом типа ШЭС 9102-53А3. ШЭС 8503-00А2. Сборочный чертеж ТП 904-1-35-А-74 Шкаф управления компрессорным агрегатом типа ШЭС 9102-53А3. ШЭС 8503-00А2. Сборочный чертеж ТП 904-1-35-А-75 Шкаф управления компрессорным агрегатом типа ШЭС 9102-53А3. ШЭС 8503-00А2. Сборочный чертеж ТП 904-1-35-А-76 Щит управления ШЭС 9102-53А3. Схема принципиальная ТП 904-1-35-А-77 Щит управления ШЭС 9102-53А3. Схема принципиальная ТП 904-1-35-А-78 Щит управления ШЭС 9102-53А3. Схема принципиальная ТП 904-1-35-А-79 Щит управления ШЭС 9102-53А3. Схема принципиальная ТП 904-1-35-А-80 Щит управления ШЭС 9102-53А3. Схема принципиальная ТП 904-1-35-А-81 Шкаф управления (манометров) типа ШЭС 8503-00А2. Схема электрическая принципиальная ТП 904-1-35-А-82 Пульт управления типа ШЭС 9006-00А2. Сборочный чертеж ТП 904-1-35-А-83 Пульт управления ШЭС 9006-00А2. Схема принципиальная ТП 904-1-35-А-84 Шкаф управления (регулирования) типа ШЭС 8801-00А3. Сборочный чертеж ТП 904-1-35-А-85 Шкаф управления (регулирования) типа ШЭС 8801-00А3. Схема электрическая принципиальная ТП 904-1-35-А-86 Шкаф управления (регулирования) типа ШЭС 8801-00А3. Схема электрическая принципиальная ТП 904-1-35-А-87 Шкаф управления (регулирования) типа ШЭС 8801-00А3. Схема электрическая принципиальная ТП 904-1-35-А-88 Компрессорный агрегат. Схема внешних электрических и трубных проводок ТП 904-1-35-А-89 Компрессорный агрегат. Схема внешних электрических и трубных проводок ТП 904-1-35-А-90 Компрессорный агрегат. Схема внешних электрических и трубных проводок ТП 904-1-35-А-91 Компрессорный агрегат. Схема внешних электрических и трубных проводок ТП 904-1-35-А-92 Компрессорный агрегат. Схема внешних электрических и трубных проводок ТП 904-1-35-А-93 Компрессорный агрегат. Схема внешних электрических и трубных проводок ТП 904-1-35-А-94 Компрессорная станция. Схема внешних электрических и трубных проводок ТП 904-1-35-А-95 Компрессорная станция. Схема внешних электрических и трубных проводок ТП 904-1-35-А-96 Вентиляторные и отопительные установки. Схема внешних электрических и трубных проводок ТП 904-1-35-А-97 Вентиляторные и отопительные установки. Схема внешних электрических и трубных проводок ТП 904-1-35-А-98 Компрессорная станция. Журнал кабельных проводок ТП 904-1-35-А-99 Компрессорная станция. Журнал кабельных проводок ТП 904-1-35-А-100 Компрессорная станция. Журнал кабельных проводок ТП 904-1-35-А-101 Компрессорная станция. Журнал кабельных проводок ТП 904-1-35-А-102 Компрессорная станция. Журнал кабельных проводок ТП 904-1-35-А-103 Компрессорная станция. Журнал кабельных проводок ТП 904-1-35-А-104 Компрессорная станция. Журнал кабельных проводок ТП 904-1-35-А-105 Компрессорная станция. Журнал кабельных проводок ТП 904-1-35-А-106 Компрессорная станция. Журнал кабельных проводок ТП 904-1-35-А-107 Компрессорная станция. Журнал кабельных проводок ТП 904-1-35-А-108 Компрессорная станция. Журнал кабельных проводок ТП 904-1-35-А-109 Компрессорная станция. Журнал кабельных проводок ТП 904-1-35-А-110 Компрессорная станция. Журнал кабельных проводок ТП 904-1-35-А-111 Компрессорная станция. Журнал кабельных проводок ТП 904-1-35-А-112 Компрессорная станция. Журнал кабельных проводок ТП 904-1-35-А-113 Компрессорная станция. Журнал кабельных проводок ТП 904-1-35-А-114 Вентиляционные и отопительные установки. Журнал кабельных проводок ТП 904-1-35-А-115 План расположения средств автоматизации и проводок М1:100 ТП 904-1-35-А-116 План расположения средств автоматизации и проводок М1:101 ТП 904-1-35-А-117 План расположения средств автоматизации и проводок М1:102 ТП 904-1-35-А-118 План расположения средств автоматизации и проводок М1:103 ТП 904-1-35-А-119 План расположения средств автоматизации и проводок М1:104 ТП 904-1-35-А-120 План расположения средств автоматизации и проводок М1:105 ТП 904-1-35-А-121 План расположения средств автоматизации и проводок М1:106 ТП 904-1-35-А-122 План расположения средств автоматизации и проводок М1:107 ТП 904-1-35-01.000 Установка щита и пультов в помещении диспетчерского пункта ТП 904-1-35-02.000 Установка первичных преобразователей давления типа ППД 22012 на стойках ТП 904-1-35-02.100 Стойка ТП 904-1-35-03.000 Установка ревуна типа РВП-220 на стене ТП 904-1-35-04.000 Установка поста управления типа ПКУ на стене ТП 904-1-35-05.000 Установка кнопочного поста управления ПКЕ222.2 на стене ТП 904-1-35-06.000 Установка термобаллона датчика-реле температуры тр-16 на стене ТП 904-1-35-01.000 СБ Установка щита и пультов в помещении диспетчерского пункта. Сборочный чертеж ТП 904-1-35-02.100 СБ Стойка. Сборочный чертеж ТП 904-1-35-02.000 СБ Установка первичных преобразователей давления типа ППД 22012 на стойке. Сборочный чертеж ТП 904-1-35-03.000 СБ Установка ревуна типа РВП-220 на стене. Сборочный чертеж ТП 904-1-35-04.000 СБ Установка поста управления типа ПКУ на стене. Сборочный чертеж ТП 904-1-35-05.000 СБ Установка кнопочного поста управления ПКЕ222.2 на стене. Сборочный чертеж ТП 904-1-35-06.000 СБ Установка термобаллона датчика-реле температуры тр-16 на стене. Сборочный чертеж ТП 904-1-35-09.000 Пост местного управления ПКУ1. Эскиз лицевой панели поста ТП 904-1-35-10.000 Пост местного управления ПКЕ222-2. Эскиз лицевой панели поста ТП 904-1-35-08.000 Установка звонка с лампой типа ЗВЛФ220У на стене ТП 904-1-35-08.000 СБ Установка звонка с лампой типа ЗВЛФ220У на стене. Сборочный чертеж |
| Разработан: | Гипростройдормаш |
| Утверждён: | 29.11.1976 Минстройдормаш (Minstroydormash 39/76) |



























































































































