Скачать Типовой проект 902-2-268 Альбом II. Архитектурно-строительные чертежи трехсекционного аэротенка-смесителяДата актуализации: 01.01.2021
|
| Обозначение: | Типовой проект 902-2-268 |
| Обозначение англ: | 902-2-268 |
| Статус: | не действует |
| Название рус.: | Альбом II. Архитектурно-строительные чертежи трехсекционного аэротенка-смесителя |
| Дата добавления в базу: | 01.09.2013 |
| Дата актуализации: | 01.01.2021 |
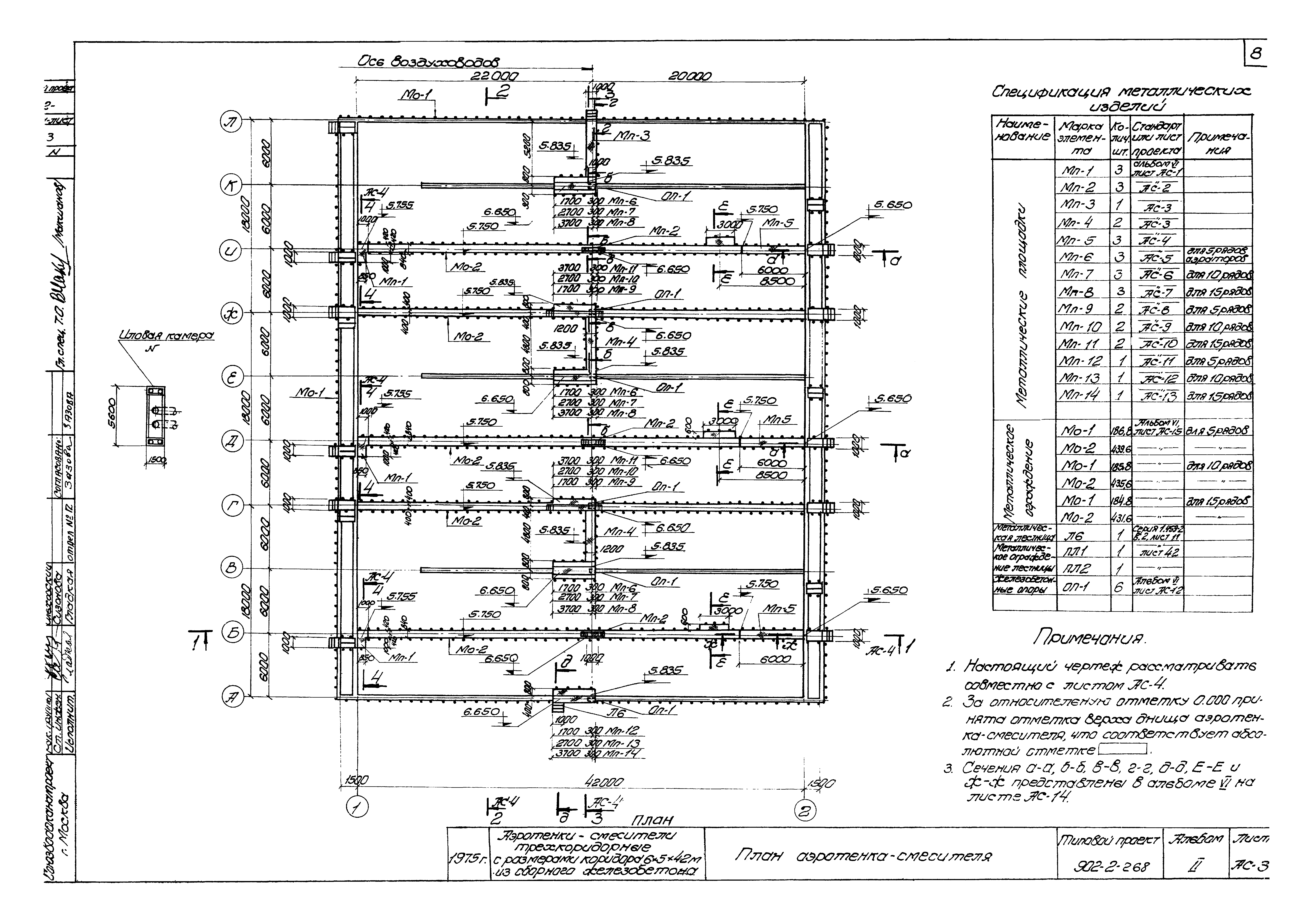
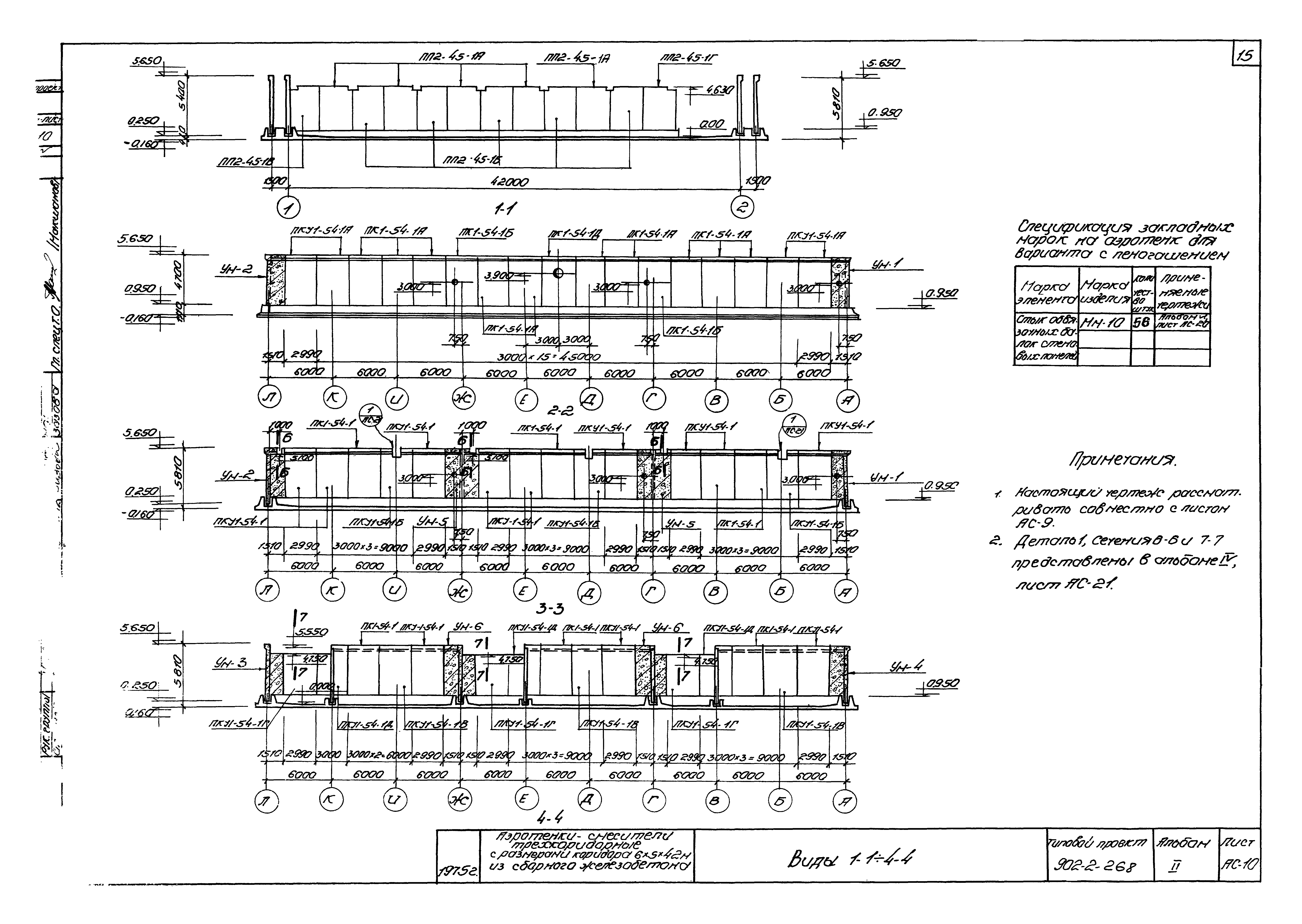
| Оглавление: | ТП 902-2-268-ПЗ-1 Содержание альбома ТП 902-2-268-ПЗ-2 Пояснительная записка ТП 902-2-268-ПЗ-3 Пояснительная записка ТП 902-2-268-ПЗ-4 Пояснительная записка ТП 902-2-268-АС-1 Заглавный лист ТП 902-2-268-АС-2 Выборка материалов на стальные и железобетонные конструкции аэротенка ТП 902-2-268-АС-3 План аэротенка-смесителя ТП 902-2-268-АС-4 Разрезы ТП 902-2-268-АС-5 Опалубочный чертеж днища ТП 902-2-268-АС-6 Армирование днища. План нижних и верхних сеток ТП 902-2-268-АС-7 Армирование днища. Сечения 1-1÷8-8 ТП 902-2-268-АС-8 Армирование днища. Сетки. Спецификация и выборка арматуры ТП 902-2-268-АС-9 Монтажный план стеновых и перегородочных панелей ТП 902-2-268-АС-10 Виды 1-1÷4-4 ТП 902-2-268-АС-11 Монтажный план балок, лотков, плит перекрытия лотков и ходовых мостиков ТП 902-2-268-АС-12 План набетонки и пористых труб (5 рядов аэраторов). Сечения ТП 902-2-268-АС-13 План набетонки и пористых труб (10 рядов аэраторов). Сечения ТП 902-2-268-АС-14 План набетонки и пористых труб (15 рядов аэраторов). Сечения ТП 902-2-268-АС-15 План набетонки и фильтросных каналов (5 рядов аэраторов). Сечения ТП 902-2-268-АС-16 План набетонки и фильтросных каналов (10 рядов аэраторов). Сечения ТП 902-2-268-АС-17 План набетонки и фильтросных каналов (15 рядов аэраторов). Сечения ТП 902-2-268-АС-18 Вариант с полносборными стенами и гибкими сопряжениями стеновых панелей в углах. Монтажный план стеновых панелей ТП 902-2-268-АС-19 Вариант с полносборными стенами и гибкими сопряжениями стеновых панелей в углах. Виды 1-1÷4-4 |
| Разработан: | Союзводоканалпроект ЦНИИпромзданий |
| Утверждён: | 09.12.1975 Главпромстройпроект Госстроя СССР |
























