Скачать Типовые проектные решения 902-02-391.85 Альбом II. Технологические и электротехнические решения. Ведомости потребности в материалах. Задание заводу-изготовителю на электротехнические щитыДата актуализации: 01.01.2021
|
| Обозначение: | Типовые проектные решения 902-02-391.85 |
| Обозначение англ: | 902-02-391.85 |
| Статус: | заменен |
| Название рус.: | Альбом II. Технологические и электротехнические решения. Ведомости потребности в материалах. Задание заводу-изготовителю на электротехнические щиты |
| Дата добавления в базу: | 01.09.2013 |
| Дата актуализации: | 01.01.2021 |
| Дата окончания срока действия: | 26.04.1988 |
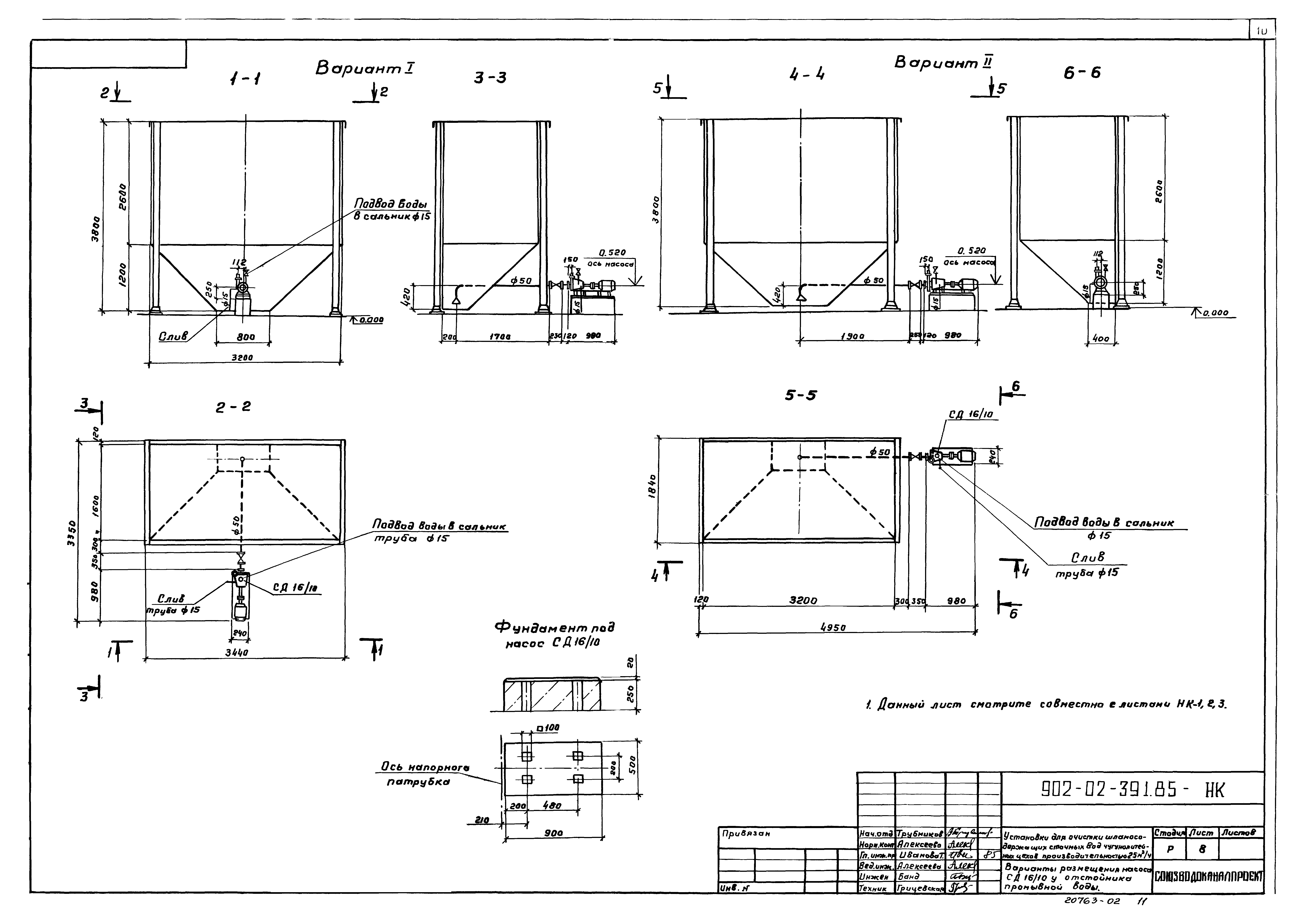
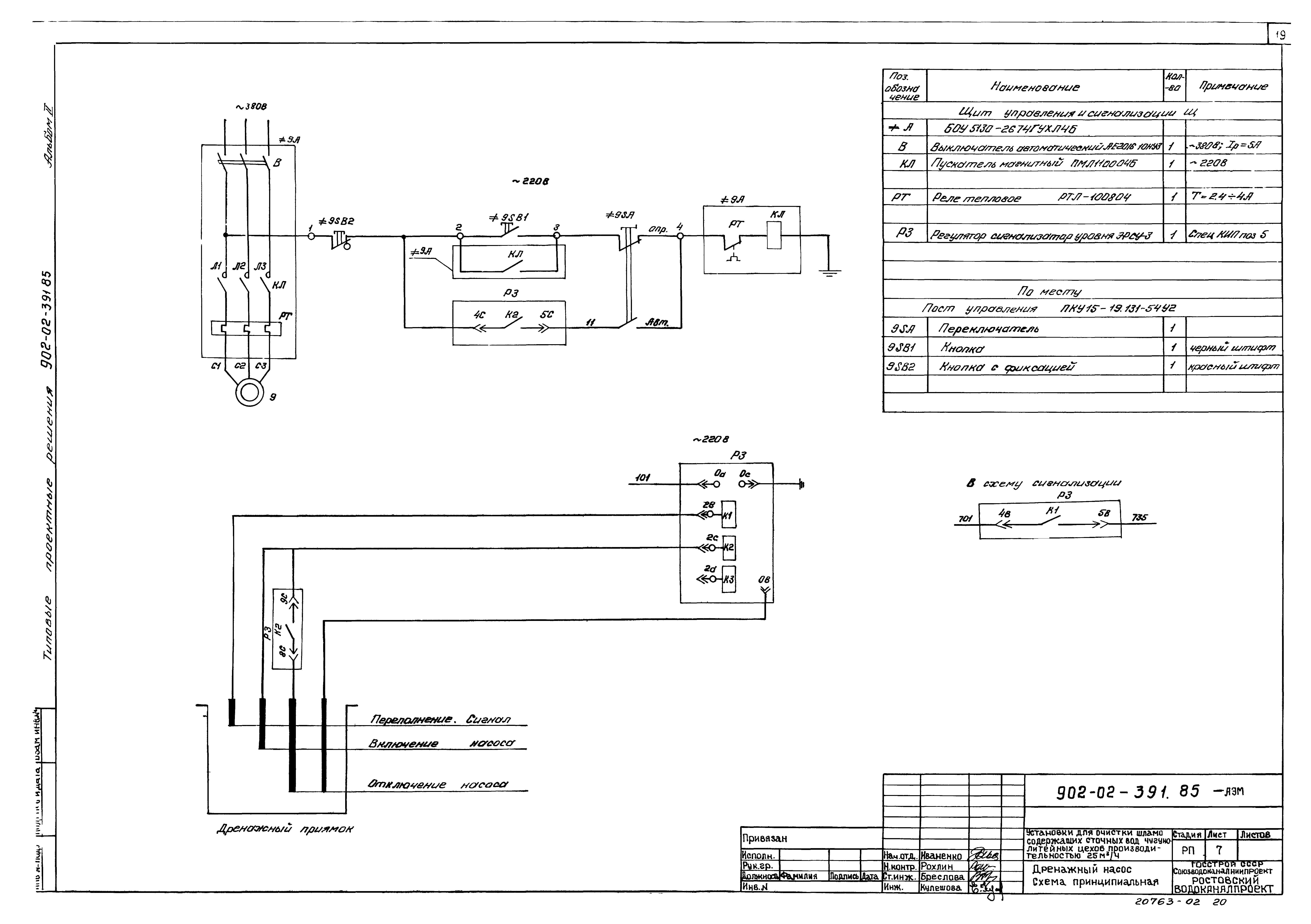
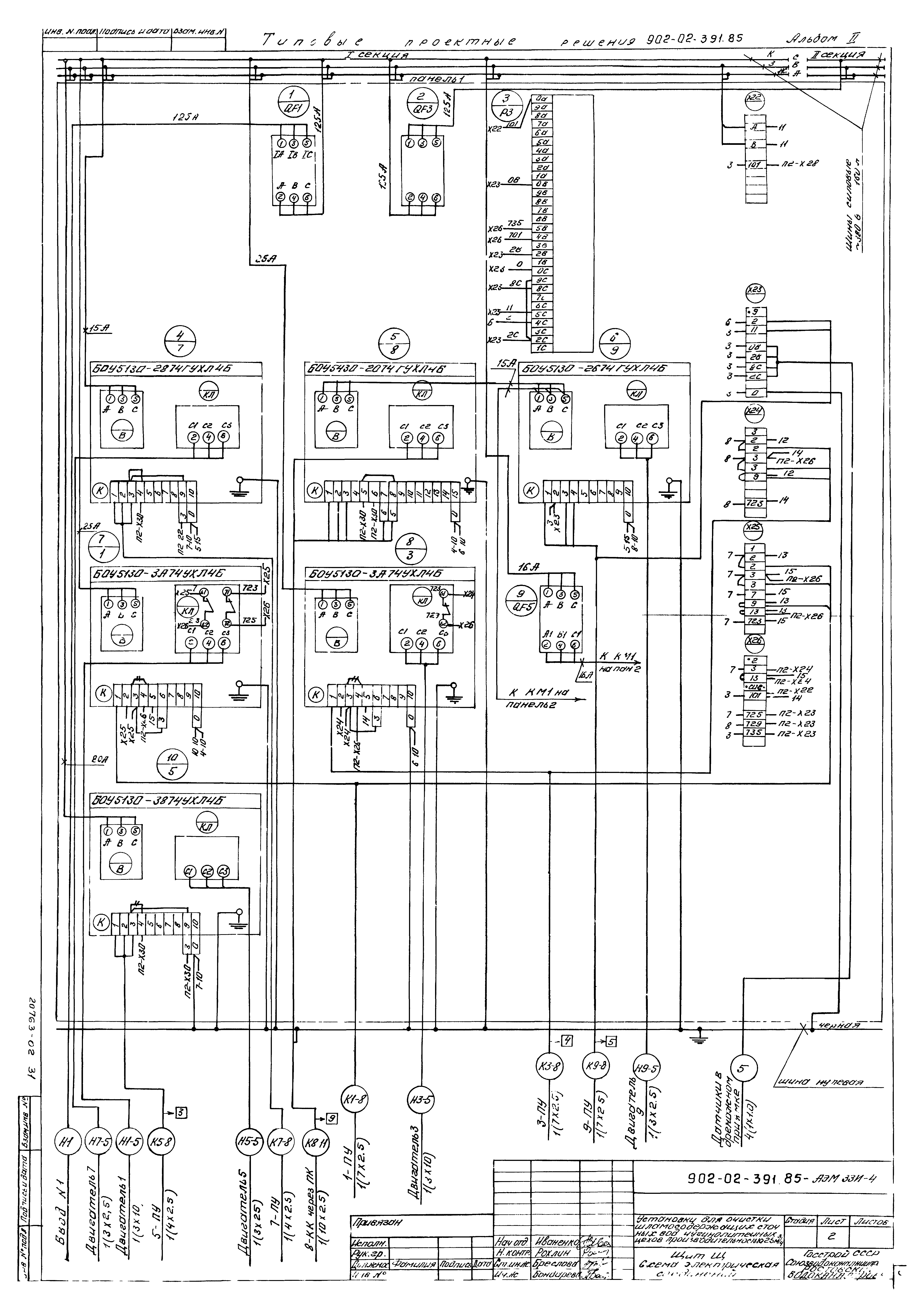
| Оглавление: | ТП 902-02-391.85 Титульный лист ТП 902-02-391.85 Содержание альбома ТП 902-02-391.85-НК Технологические решения ТП 902-02-391.85-НК-1 Общие данные ТП 902-02-391.85-НК-2 Технологическая схема 1 ступени очистки до 200 мг/л ТП 902-02-391.85-НК-3 Технологическая схема 1 и 2 ступени очистки до 50 мг/л ТП 902-02-391.85-НК-4 Спецификация оборудования установки 1 и 2 ступеней очистки до 50 мг/л ТП 902-02-391.85-НК-5 Размещение гидроциклов на шламовом резервуаре ТП 902-02-391.85-НК-6 Варианты размещения насосов СД32/40 у приемного резервуара и резервуара осветленной воды ТП 902-02-391.85-НК-7 Варианты размещения насосов ВД200-36 у резервуара промывочной воды ТП 902-02-391.85-НК-8 Варианты размещения насосов СД16/10 у резервуара-отстойника ТП 902-02-391.85-НК-9 Пример размещения оборудования установки. План. Разрезы ТП 902-02-391.85-НК-10 Пример размещения оборудования установки в пристройке ТП 902-02-391.85-АЭМ Электротехнические решения ТП 902-02-391.85-АЭМ-1 Общие данные ТП 902-02-391.85-АЭМ-2 Сеть 380/220В. Схема принципиальная ТП 902-02-391.85-АЭМ-3 АВР сети 380/220. Насос 7. Схемы принципиальные ТП 902-02-391.85-АЭМ-4 Насос 1(2-4). Схема принципиальная ТП 902-02-391.85-АЭМ-5 Насос 5(6). Схема принципиальная ТП 902-02-391.85-АЭМ-6 Затвор. Схема принципиальная ТП 902-02-391.85-АЭМ-7 Дренажный насос. Схема принципиальная ТП 902-02-391.85-АЭМ-8 Аварийно-предупредительная сигнализация. Схема принципиальная ТП 902-02-391.85-АЭМ-9 Кабельный журнал. Сводка кабелей ТП 902-02-391.85-АЭМ-10 ТП 902-02-391.85-АЭМ-1 План расположения оборудования и прокладка кабелей ТП 902-02-391.85-АЭМ-11 Схема подключения оборудования ТП 902-02-391.85-АЭМ-12 Пост управления ВПУ. Общий вид ТП 902-02-391.85-АЭМ-13 План сети зануления ТП 902-02-391.85-АТХ-1 4Общие данные ТП 902-02-391.85-АТХ-2 Схема функциональная ТП 902-02-391.85-АТХ-3 Схема внешних проводок ТП 902-02-391.85-АТХ-4 Кабельный журнал. Сводка кабелей ТП 902-02-391.85 Задание заводу-изготовителю на электротехнические щиты ТП 902-02-391.85-АЭМ.ЗЗИ-С Содержание ТП 902-02-391.85-АЭМ.ЗЗИ-ПК Перечень комплектных устройств ТП 902-02-391.85-АЭМ.ЗЗИ-1 Щит Щ. Технические данные аппаратов ТП 902-02-391.85-АЭМ.ЗЗИ-2 Щит Щ. Общий вид ТП 902-02-391.85-АЭМ.ЗЗИ-3 Щит Щ. Таблица перечня надписей ТП 902-02-391.85-АЭМ.ЗЗИ-4 Щит Щ. Схема электрических соединений ТП 902-02-391.85-НК.ВМ,АЭМ.ВМ,АТХ.ВМ Ведомость потребности в материалах |
| Разработан: | Союзводоканалпроект |
| Утверждён: | 22.07.1985 Главстройпроект Госстроя СССР (АЧ-27) |
| Чем заменён: |


































