Скачать Типовой проект 903-1-152 Альбом XXVII. Сметы на тепломеханическую, электротехническую, санитарно-техническую части, автоматизацию и механизацию транспортаДата актуализации: 01.01.2021
|
| Обозначение: | Типовой проект 903-1-152 |
| Обозначение англ: | 903-1-152 |
| Статус: | заменен |
| Название рус.: | Альбом XXVII. Сметы на тепломеханическую, электротехническую, санитарно-техническую части, автоматизацию и механизацию транспорта |
| Дата добавления в базу: | 01.09.2013 |
| Дата актуализации: | 01.01.2021 |
| Дата окончания срока действия: | 01.03.1987 |
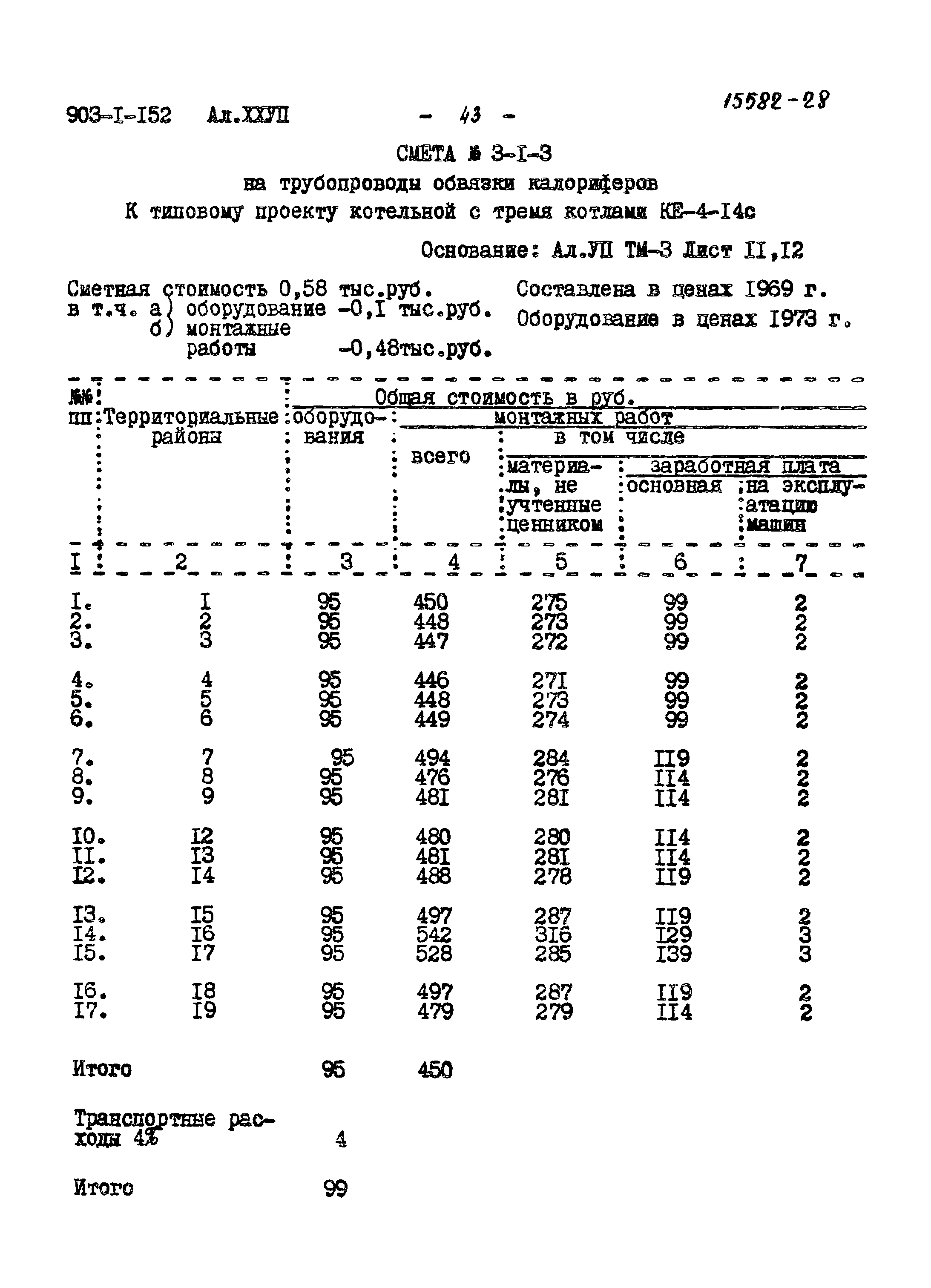
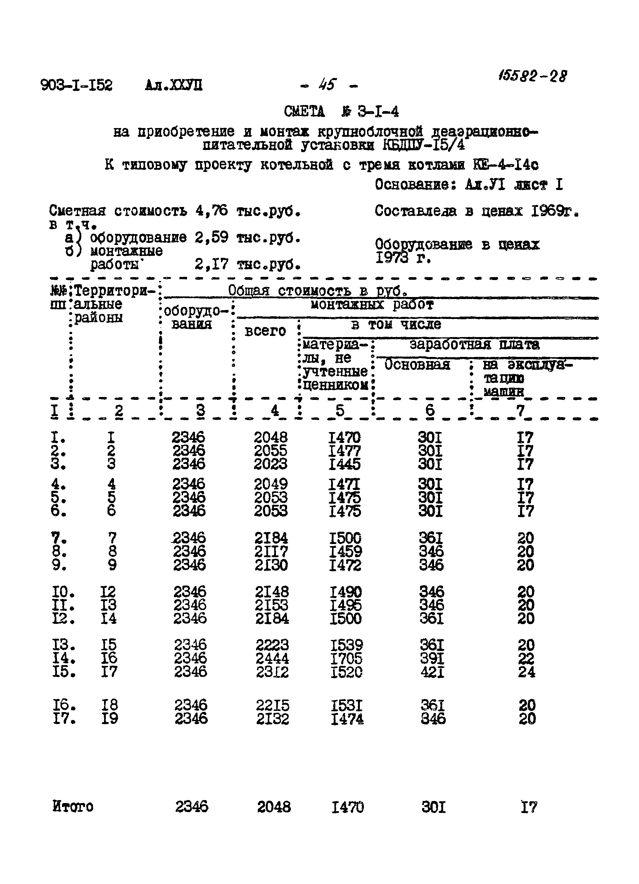
| Оглавление: | ТП 903-1-152 I .Санитарно-технические работы. Котельная ТП 903-1-152 Смета № 2-1-1. Отопление (оборудование) ТП 903-1-152 Смета № 2-1-2. Отопление (санитарно-технические работы) ТП 903-1-152 Смета № 2-1-3. Отопление (строительные работы) ТП 903-1-152 Смета № 2-1-4. Вентиляция (санитарно-технические работы) ТП 903-1-152 Смета № 2-1-5. Вентиляция (строительные работы) ТП 903-1-152 Смета № 2-1-6. Горячее водоснабжение (теплоснабжение) ТП 903-1-152 Смета № 2-1-7. Хозяйственно-питьевой, производственный противопожарный водопровод (санитарно-технические работы) ТП 903-1-152 Смета № 2-1-8. Хозяйственно-питьевой, производственный, противопожарный водопровод (общестроительные работы) ТП 903-1-152 Смета № 2-1-9. Горячее водоснабжение ТП 903-1-152 Смета № 2-1-10. Бытовая канализация (санитарно-технические работы) ТП 903-1-152 Смета № 2-1-11. Бытовая канализация (строительные работы) ТП 903-1-152 Смета № 2-1-12. Дождевая канализация (санитарно-технические работы) ТП 903-1-152 Смета № 2-1-13. Дождевая канализация (строительные работы) ТП 903-1-152 Смета № 2-1-14. Производственная канализация незагрязненных стоков (санитарно-технические работы) ТП 903-1-152 Смета № 2-1-15. Производственная канализация незагрязненных стоков (общестроительные работы) ТП 903-1-152 Смета № 2-1-16. Производственная канализация шламовых вод (санитарно-технические работы) ТП 903-1-152 Смета № 2-1-17. Производственная канализация шламовых вод (общестроительные работы) ТП 903-1-152 Топливоподача ТП 903-1-152 Смета № 2-4-1. Отопление (санитарно-технические работы) ТП 903-1-152 Смета № 2-4-2. Отопление (строительные работы) ТП 903-1-152 Смета № 2-4-3. Вентиляция (санитарно-технические работы) ТП 903-1-152 Смета № 2-4-4. Вентиляция (строительные работы) ТП 903-1-152 Смета № 2-4-5. Хозяйственно-противопожарный водопровод (санитарно-технические работы) ТП 903-1-152 Смета № 2-4-6. Хозяйственно-противопожарный водопровод (оборудование) ТП 903-1-152 Смета № 2-4-7. Хозяйственно-противопожарный водопровод (строительные работы) ТП 903-1-152 Смета № 2-4-8. Канализация шламовых вод (санитарно-техническое оборудование) ТП 903-1-152 Смета № 2-4-9. Канализация шламовых вод (санитарно-технические работы) ТП 903-1-152 Смета № 2-4-10. Канализация шламовых вод (общестроительные работы) ТП 903-1-152 II. Тепломеханическая часть ТП 903-1-152 Смета № 3-1-1. Котлоагрегаты КЕ-4-14с (топливокаменные угли) ТП 903-1-152 Смета № 3-1-1а. Котлоагрегаты КЕ-4-14с (топливо-бурые угли) ТП 903-1-152 Смета № 3-1-2. Трубопроводы котлоагрегатов (топливо-каменные угли) ТП 903-1-152 Смета № 3-1-2а. Трубопроводы котлоагрегатов (топливо-бурые угли) ТП 903-1-152 Смета № 3-1-3. Трубопроводы обвязки калориферов ТП 903-1-152 Смета № 3-1-4. Крупноблочная деаэрационно-питательная установка КБДПУ-15/4 (1 комплект) ТП 903-1-152 Смета № 3-1-5. Блок подогревателей сетевой воды БПСВ-5 (1 комплект) ТП 903-1-152 Смета № 3-1-6. Блок сетевых насосов БСН-40/70 ТП 903-1-152 Смета № 3-1-7. Блок подпиточных насосов Б/7Н-1/2,5 ТП 903-1-152 Трубопроводы водоподогревательной установки ТП 903-1-152 Смета № 3-1-9. Блок редукционной установки БРУ-10 (1 комплект) ТП 903-1-152 Смета № 3-1-10. Блок сепараторов непрерывной продувки БСНП-300 (1 комплект) ТП 903-1-152 Смета № 3-1-11. Общекотельное оборудование и соединительные трубопроводы ТП 903-1-152 Смета № 3-1-12. Крупноблочная установке горячего водоснабжения КБУГВ-15/4 ТП 903-1-152 Смета № 3-1-13. Блок насосов горячего водоснабжения БНГВ-28/48 ТП 903-1-152 Смета № 3-1-14. Трубопроводы установки горячего водоснабжения ТП 903-1-152 Смета № 3-1-15. Оборудование и трубопроводы водоподготовки ТП 903-1-152 Смета № 3-1-16. Блок приготовления исходной воды БПИВ-10/30 (1 комплект) ТП 903-1-152 Смета № 3-1-17. Блок управления 3-мя фильтрами БФ-NаI-1000х3 ТП 903-1-152 Смета № 3-1-18. Блок управления 2-мя фильтрами БФ-NаII-700х2 ТП 903-1-152 Смета № 3-1-19. Шлакозолоудаление ТП 903-1-152 Смета № 3-1-20. Обмуровочные и изоляционные работы котлоагрегатов (топливо - каменные угли) ТП 903-1-152 Смета № 3-1-20а. Обмуровочные и изоляционные работы котлоагрегатов (топливо -бурые угли) ТП 903-1-152 Смета № 3-1-21. Изоляция трубопроводов котлоагрегатов (топливо-каменные угли) ТП 903-1-152 Смета № 3-1-21а. Изоляция трубопроводов котлоагрегатов (топливо - бурые угли) ТП 903-1-152 Смета № 3-1-22. Изоляция трубопроводов обвязки калориферов ТП 903-1-152 Смета № 3-1-23. Изоляционные работы крупноблочной деаэрационно-питательной установки ТП 903-1-152 Смета № 3-1-24. Изоляция блока подогревателей сетевой воды БПСВ-5 ТП 903-1-152 Смета № 3-1-25. Изоляция блока сетевых насосов БСН-40/70 ТП 903-1-152 Смета № 3-1-26. Изоляция блока подпиточных насосов БПН-1/2,5 ТП 903-1-152 Смета № 3-1-27. Изоляция трубопроводов водоподогревательной установки ТП 903-1-152 Смета № 3-1-28. Изоляция блока редукционной установки БРУ-20 ТП 903-1-152 Смета № 3-1-29. Изоляция блока сепараторов непрерывной продувки БСНП-300 ТП 903-1-152 Смета № 3-1-30. Изоляция общекотельного оборудования и соединительных трубопроводов ТП 903-1-152 Смета № 3-1-31. Изоляция крупноблочной установки горячего водоснабжения КБУГВ-15/4 ТП 903-1-152 Смета № 3-1-32. Изоляция блока насосов горячего водоснабжения БНГВ-28/48 ТП 903-1-152 Смета № 3-1-33. Изоляция трубопроводов установки горячего водоснабжения ТП 903-1-152 Смета № 3-1-34. Антикоррозийное покрытие оборудования и трубопроводов водоподготовки ТП 903-1-152 Смета № 3-1-35. Изоляция блока приготовления исходной воды БПИВ-10/30 ТП 903-1-152 Смета № 3-1-36. Аккумуляторные баки емкостью 50 м³ (шт.2) ТП 903-1-152 Смета № 3-1-37. Изоляция аккумуляторных баков емкостью 50 м³ (шт.2) ТП 903-1-152 Смета № 3-1-38. Антикоррозийное покрытие аккумуляторных беков емкостью 50 м³ (шт.2) ТП 903-1-152 Смета № 3-4-1. Топливоподача ТП 903-1-152 III. Электротехническая часть, регулирование и контроль. Котельная ТП 903-1-152 Смета № 4-1-1. Оборудование КИП и автоматики котлоагрегатов КE-4-14-C ТП 903-1-152 Смета № 4-1-2. Оборудование КИП и автоматики вспомогательного оборудования ТП 903-1-152 Смета № 5-1-1. Электроосвещение ТП 903-1-152 Смета № 5-1-2. Силовое электрооборудование ТП 903-1-152 Смета № 5-1-3. Слаботочное устройство ТП 903-1-152 Топливоподача ТП 903-1-152 Смета № 4-4-1. Оборудование КИП и автоматики ТП 903-1-152 Смета № 5-4-1. Электроосвещение ТП 903-1-152 Смета № 5-4-2. Силовое электрооборудование ТП 903-1-152 Смета № 5-4-3. Слаботочное устройство ТП 903-1-152 Смета № 5-4-4. Молниезащита ТП 903-1-152 IV. Наружные коммуникации ТП 903-1-152 Смета № 5-6-1. Наружное электроосвещение ТП 903-1-152 Смета № 2-6-1. Наружные сети водопровода хозяйственно-питьевого-производственно-противопожарного ТП 903-1-152 Смета № 2-6-2. Наружные сети бытовой канализации ТП 903-1-152 Смета № 2-6-3. Наружные сети дождевой канализации ТП 903-1-152 Смета № 2-6-4. Наружные сети производственной канализации ТП 903-1-152 Смета № 2-6-5. Наружные сети канализации шламосодержащих стоков |
| Разработан: | Сантехпроект Госстроя СССР Минтяжмаш СССР Союзпроммеханизация |
| Утверждён: | 16.10.1978 ГПИ Сантехпроект (143) |
| Чем заменён: |
|
















































































































































































