Скачать Типовой проект 704-6-2 Альбом I. Пояснительная записка, авиатопливоснабжение, архитектурно-строительные решения, электротехническая частьДата актуализации: 01.01.2021
|
| Обозначение: | Типовой проект 704-6-2 |
| Обозначение англ: | 704-6-2 |
| Статус: | не действует |
| Название рус.: | Альбом I. Пояснительная записка, авиатопливоснабжение, архитектурно-строительные решения, электротехническая часть |
| Дата добавления в базу: | 01.09.2013 |
| Дата актуализации: | 01.01.2021 |
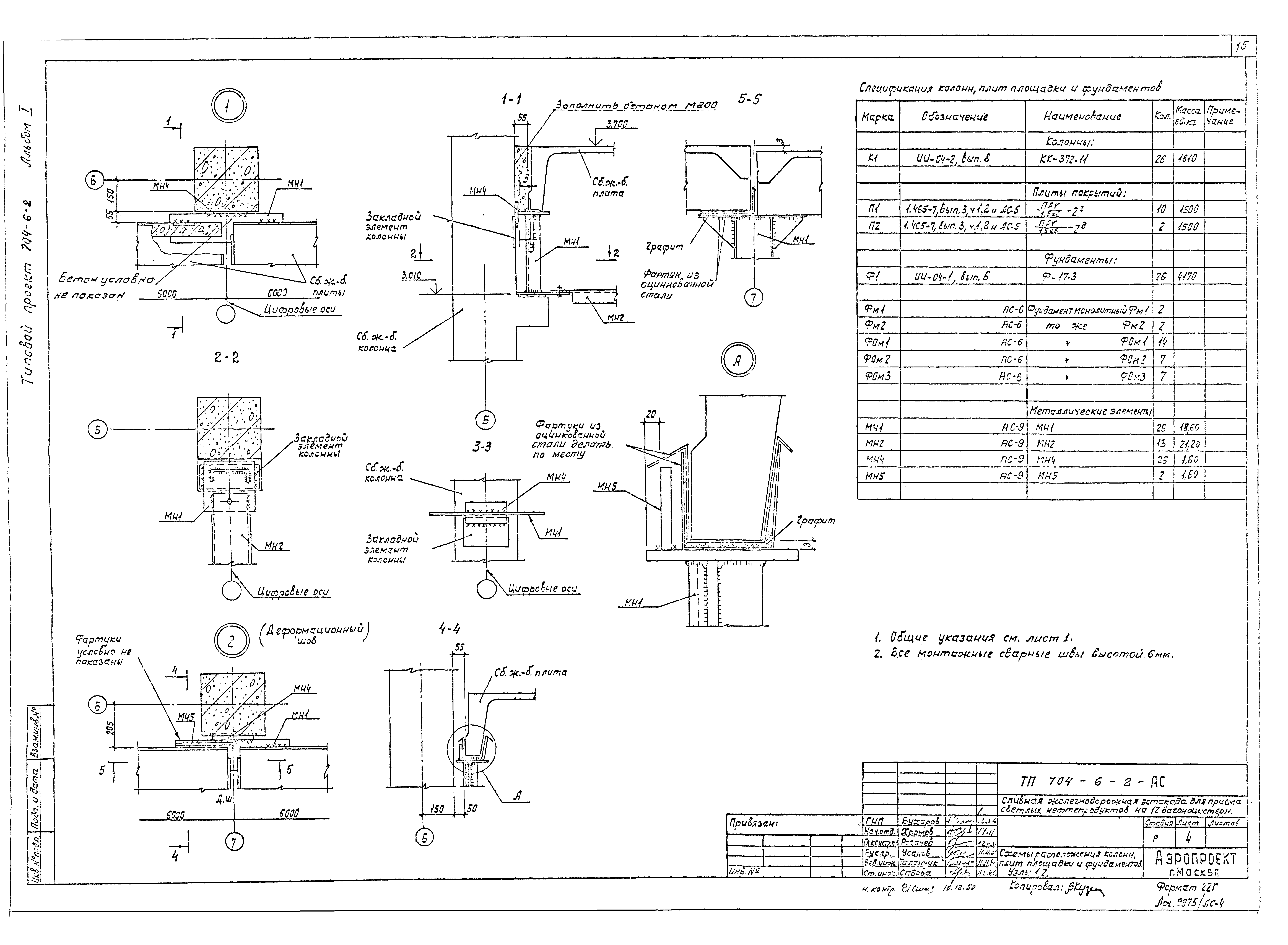
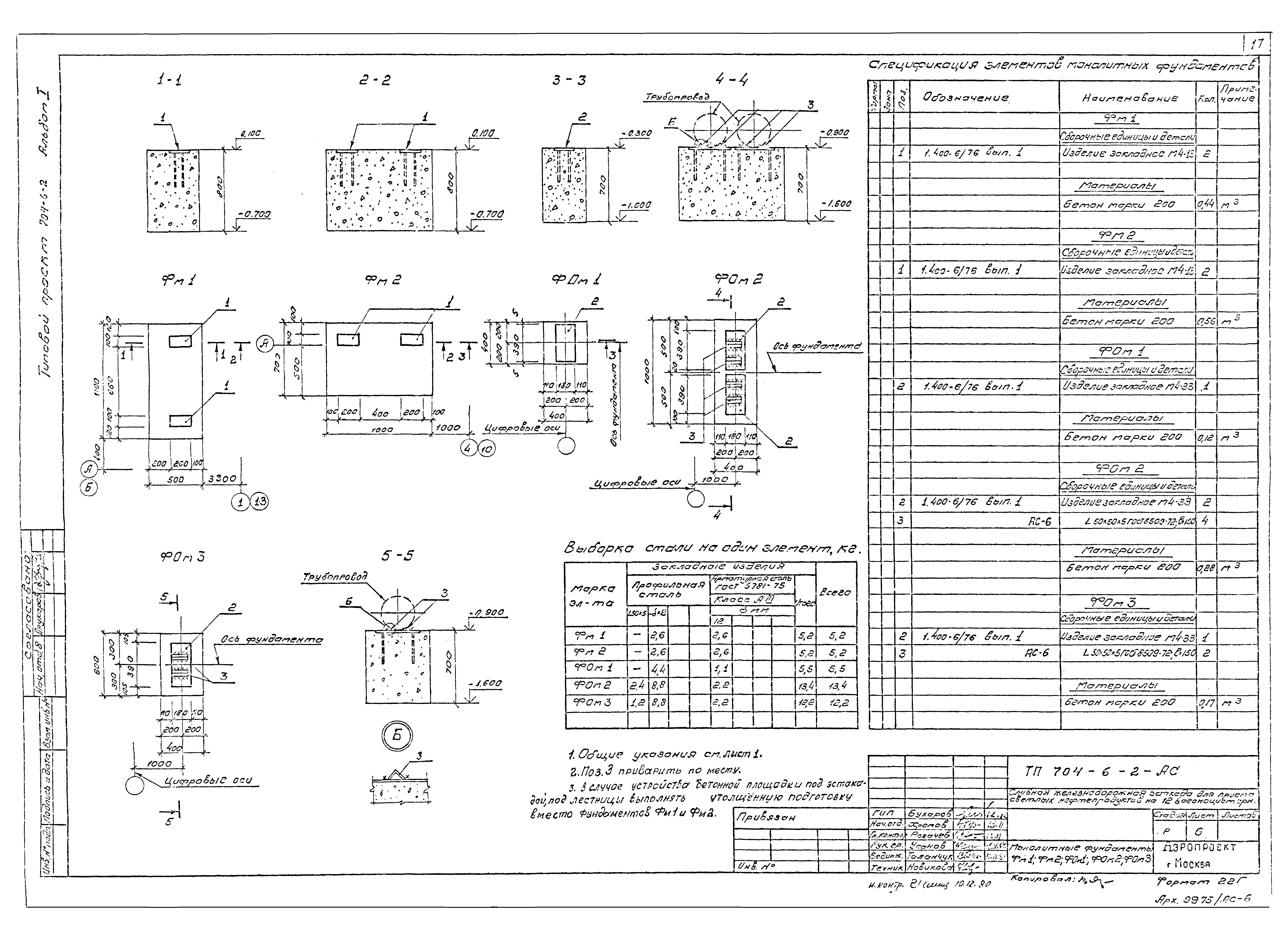
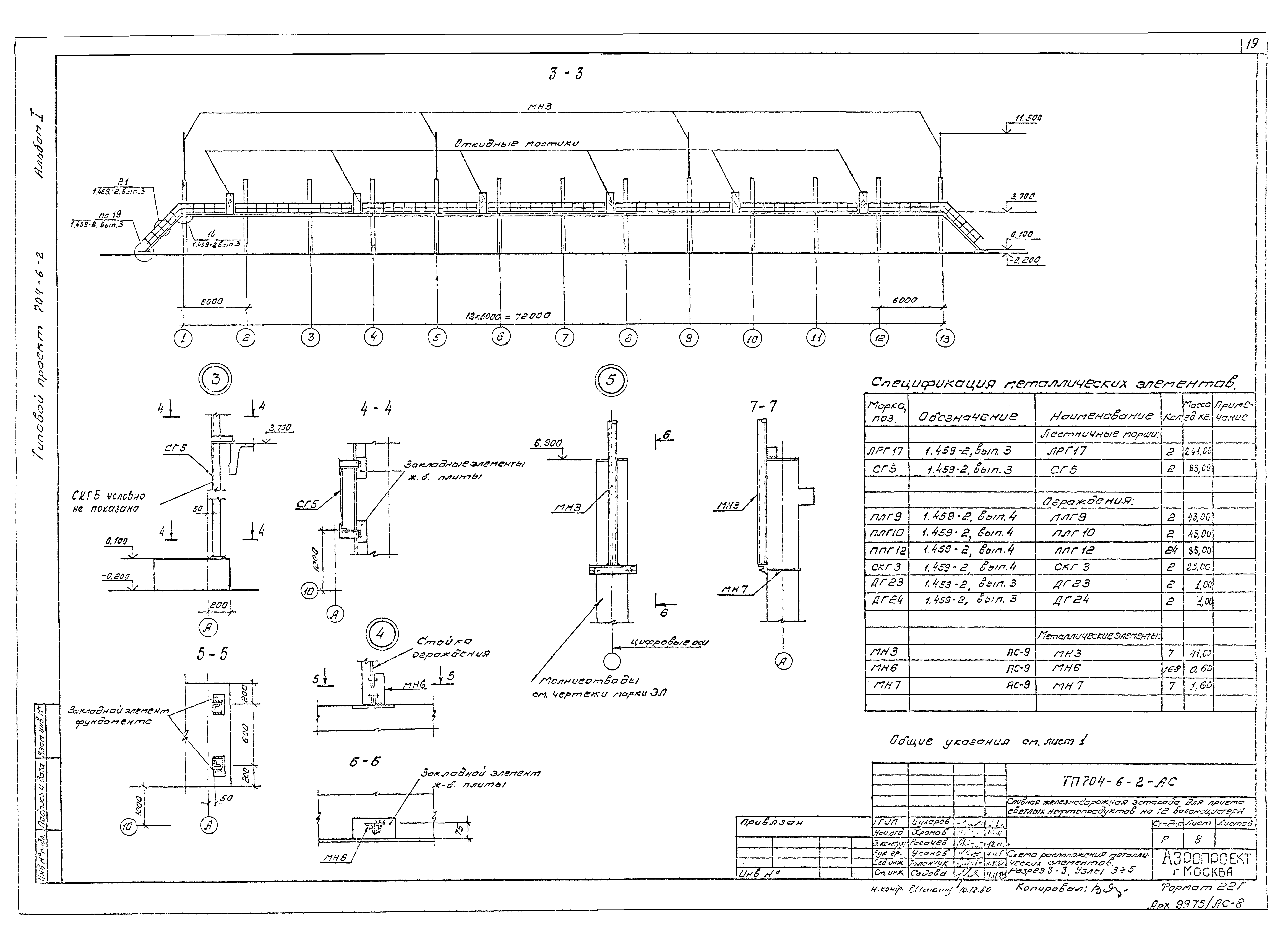
| Оглавление: | ТП 704-6-2 Обложка ТП 704-6-2 Титульный лист ТП 704-6-2 Содержание ТП 704-6-2-ПЗ-1 Пояснительная записка (начало) ТП 704-6-2-ПЗ-2 Пояснительная записка (продолжение) ТП 704-6-2-ПЗ-3 Пояснительная записка (окончание) ТП 704-6-2-ГСМ Авиатопливоснабжение ТП 704-6-2-ГСМ-1 Общие данные ТП 704-6-2-ГСМ-2 План коллекторов. Разрез 1-1 ТП 704-6-2-ГСМ-3 Монтажная схема трубопроводов ТП 704-6-2-ГСМ-4 Разрез 2-2 ТП 704-6-2-ГСМ-5 Расположение вантузов на левом конце эстакады. Фрагмент 1. Разрез 1-1,2-2 ТП 704-6-2-ГСМ-6 Подключение стояков к коллекторам. Разрез 1-1;2-2;3-3 ТП 704-6-2-АС Архитектурно-строительные решения ТП 704-6-2-АС-1 Общие данные ТП 704-6-2-АС-2 План эстакады. Разрез 1-1 ТП 704-6-2-АС-3 Схемы расположения колонн, плит площадки и фундаментов ТП 704-6-2-АС-4 Схемы расположения колонн, плит площадки и фундаментов. Узлы 1,2 ТП 704-6-2-АС-5 Железобетонные плиты (ПАV/1.5х6)-2г,(ПАV/1.5х6)-2д с дополнительными закладными деталями ТП 704-6-2-АС-6 Монолитные фундаменты ФМ1;ФМ2;ФОМ1;ФОМ2;ФОМ3 ТП 704-6-2-АС-7 Схема расположения металлических элементов ТП 704-6-2-АС-8 Схема расположения металлических элементов. Разрез 2-2. Узлы 3-5 ТП 704-6-2-АС-9 Металлические элементы МН1-МН7 ТП 704-6-2-ЭЛ Электротехническая часть ТП 704-6-2-ЭЛ-1 Общие данные ТП 704-6-2-ЭЛ-2 Электроосвещение, молниезащита и заземление. План и разрез 1 ТП 704-6-2-ЭЛ-3 Электроосвещение, молниезащита и заземление. Разрез 2-2 и спецификация |
| Разработан: | Аэропроект |
| Утверждён: | 23.01.1981 Министерство гражданской авиации СССР (USSR Ministry of Civil Aviation 3) |























