Скачать Типовой проект 902-1-53 Альбом I. Технологические решения. Строительные решения. Электротехнические решенияДата актуализации: 01.01.2021
|
| Обозначение: | Типовой проект 902-1-53 |
| Обозначение англ: | 902-1-53 |
| Статус: | не действует |
| Название рус.: | Альбом I. Технологические решения. Строительные решения. Электротехнические решения |
| Дата добавления в базу: | 01.09.2013 |
| Дата актуализации: | 01.01.2021 |
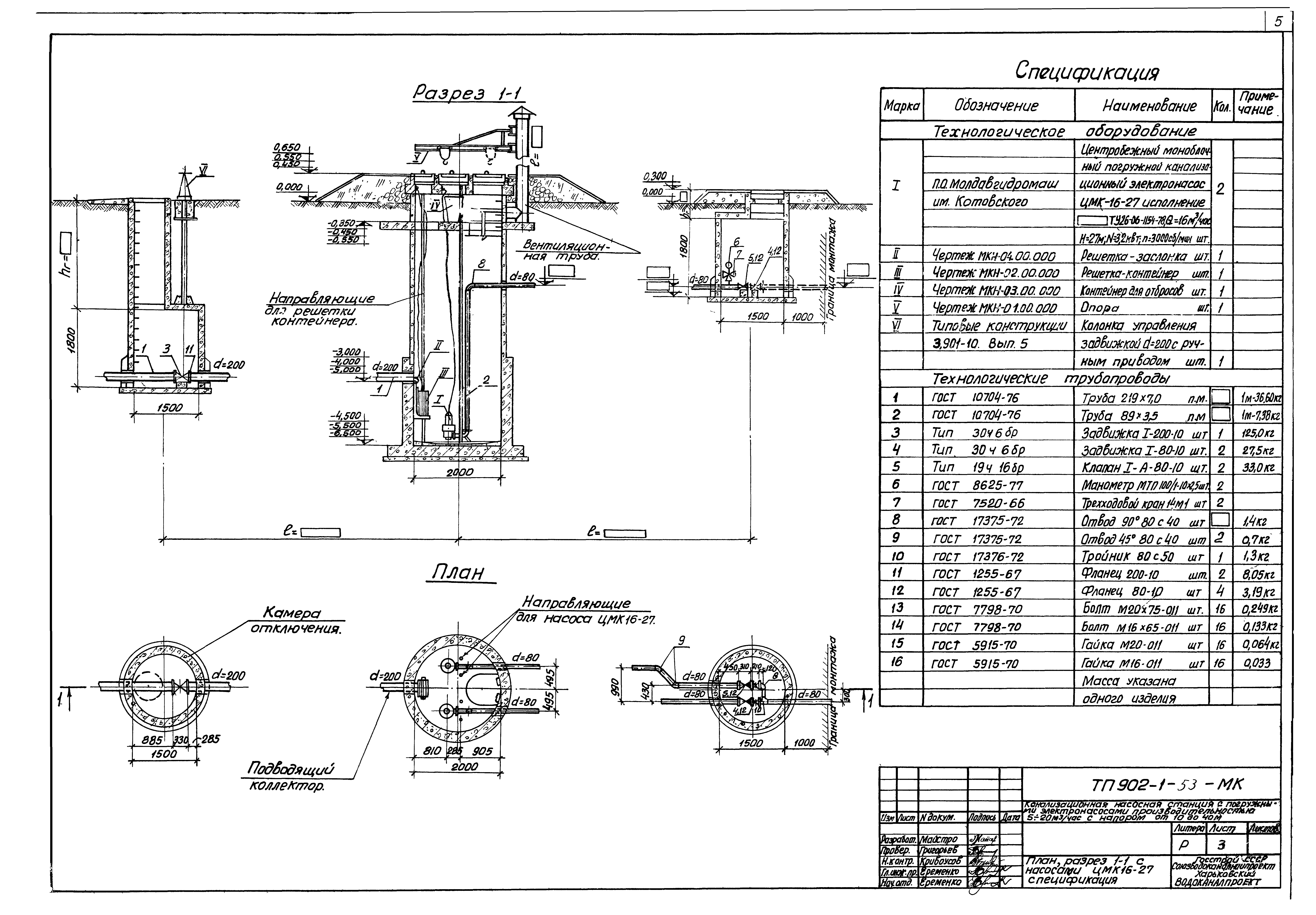
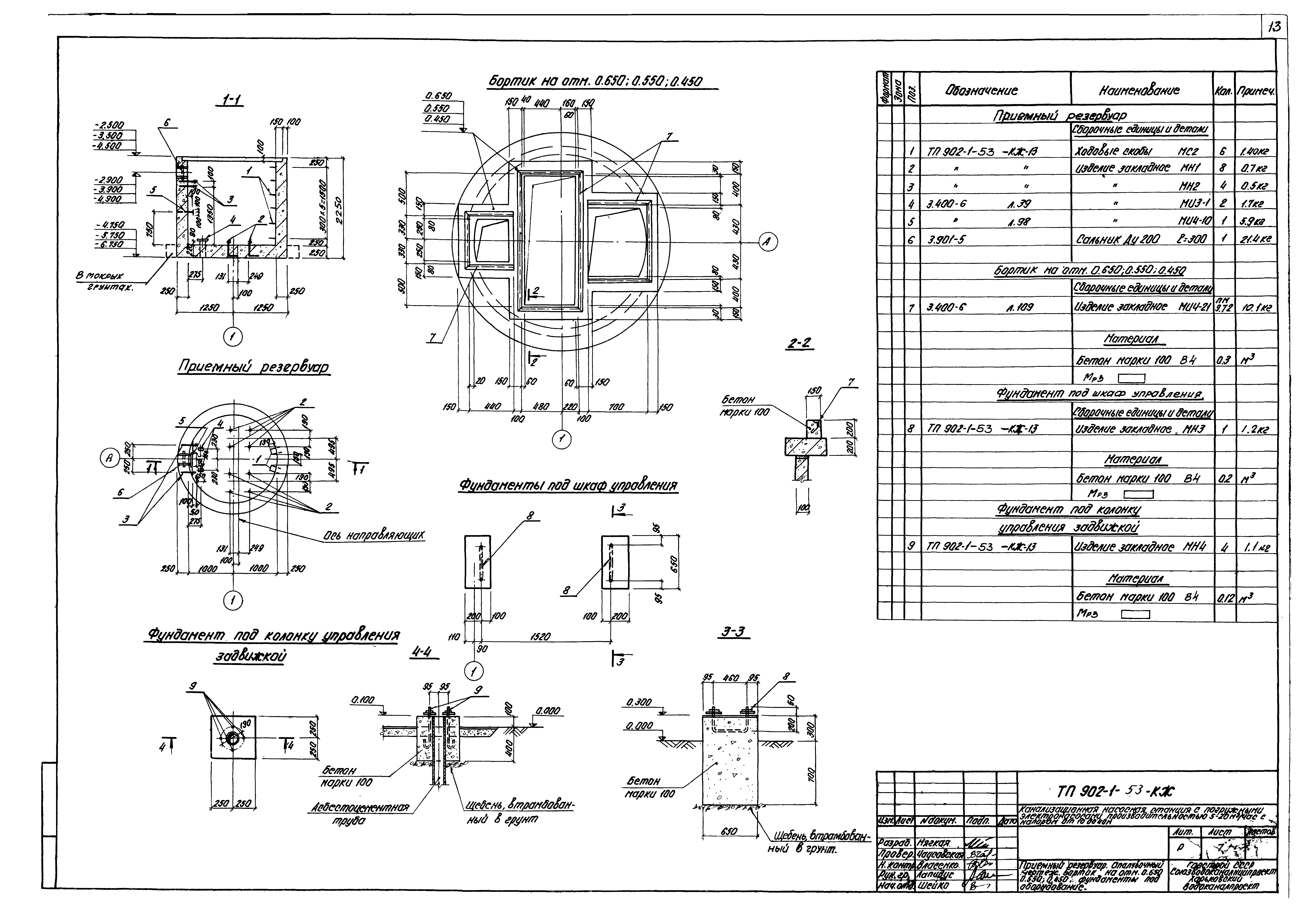
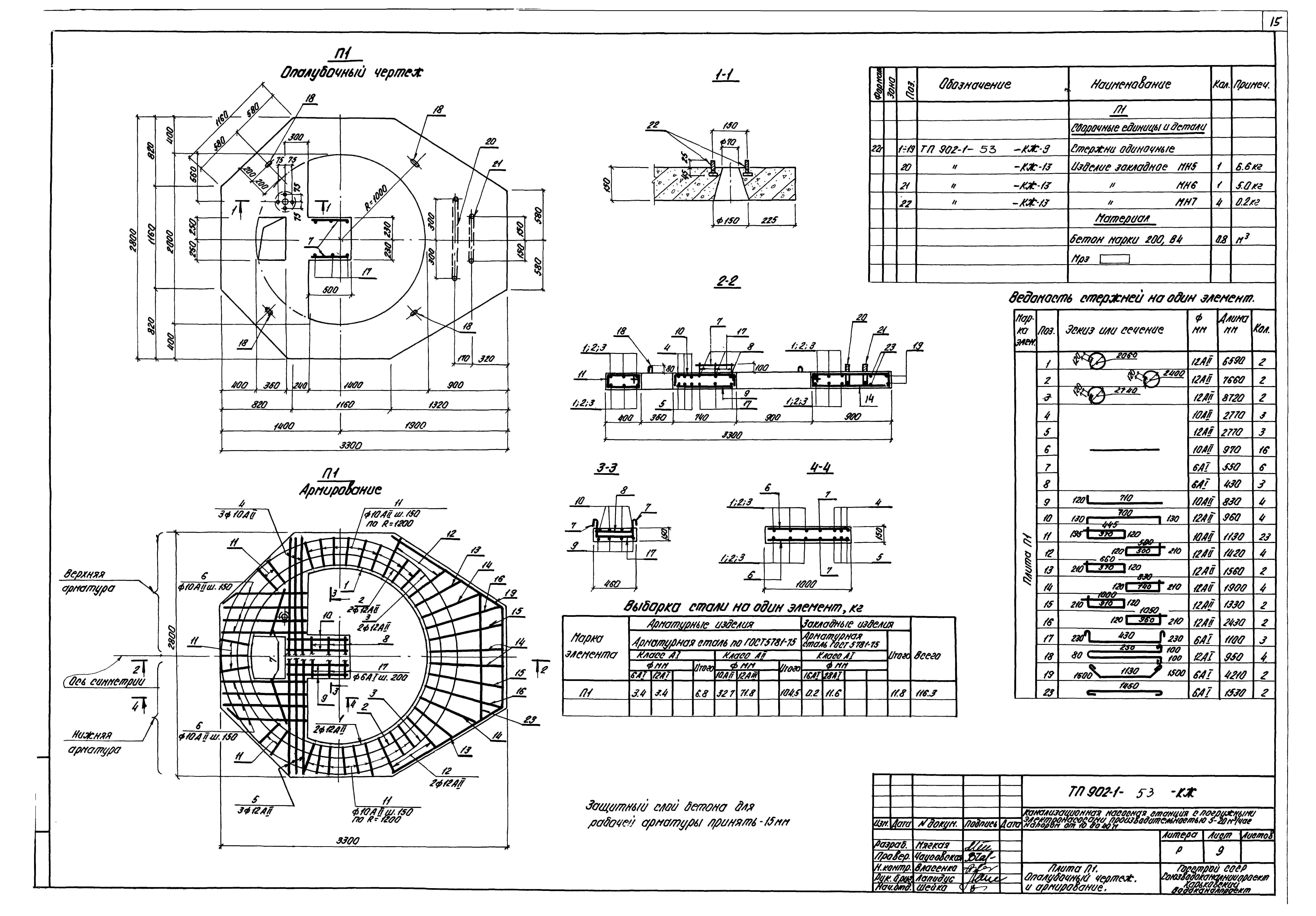
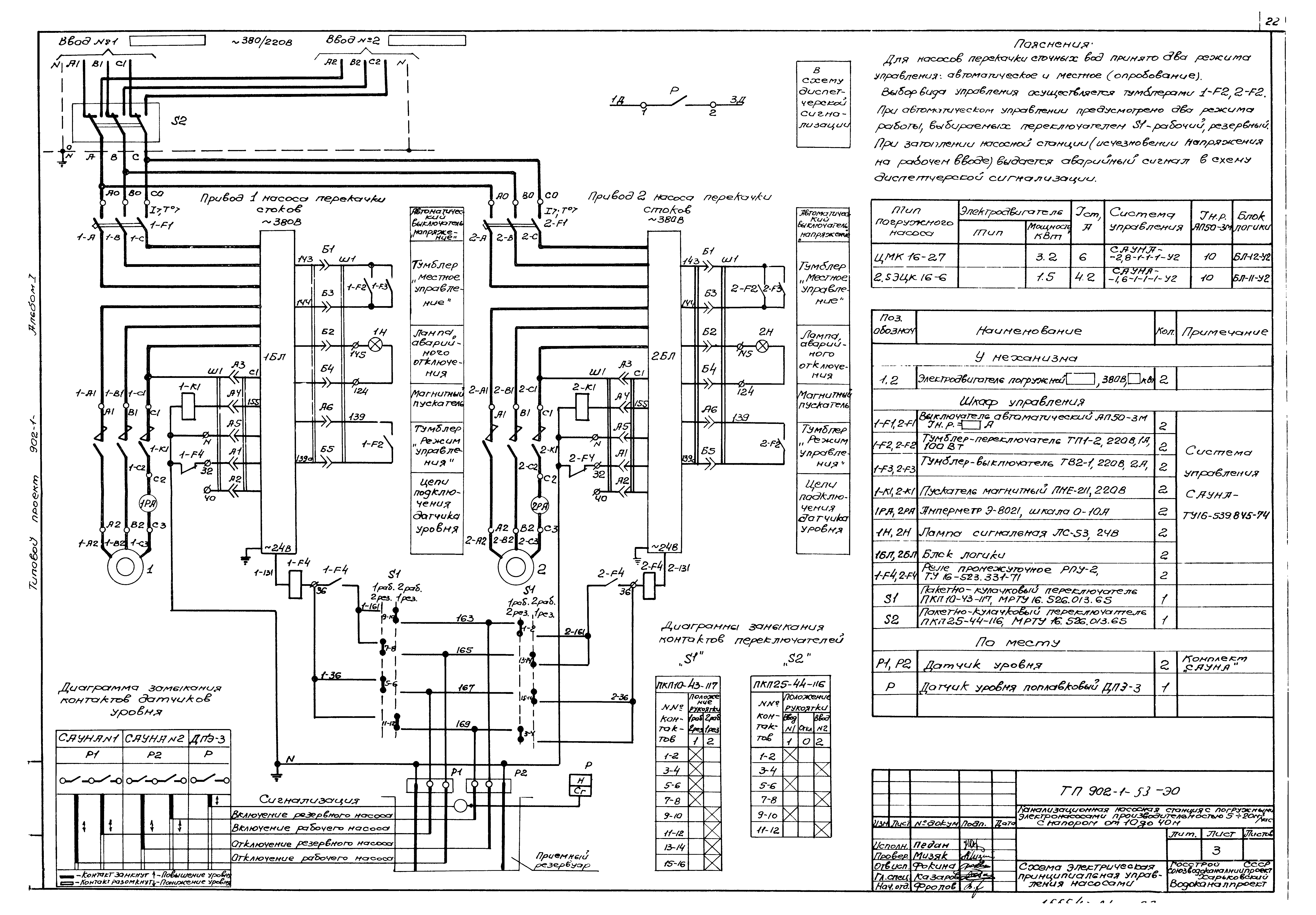
| Оглавление: | ТП 902-1-53 Содержание альбома ТП 902-1-53-МК Технологические решения (МК) ТП 902-1-53-МК-1 Общие данные. Ведомость чертежей основного комплекта. Пояснительная записка (начало) ТП 902-1-53-МК-2 Общие данные. Пояснительная записка (окончание). Свободная спецификация ТП 902-1-53-МК-3 План, разрез 1-1 с насосами ЦМК-16-27. Спецификация ТП 902-1-53-МК-4 План, разрез 1-1 с насосами 2.59ЦК-16-6. Спецификация ТП 902-1-53-КЖ Строительные решения (КЖ) ТП 902-1-53-КЖ-1 Общие данные (начало) ТП 902-1-53-КЖ-2 Общие данные (продолжение) ТП 902-1-53-КЖ-3 Общие данные (окончание) ТП 902-1-53-КЖ-4 Насосная станция. Планы и разрез (в сухих и мокрых грунтах) ТП 902-1-53-КЖ-5 Камера отключения и колодец с арматурой. Планы и разрезы. Детали ТП 902-1-53-КЖ-6 Насосная станция. Монтажно-маркировочные схемы при Нкол.=3.000;4.000 и 5.000 м ТП 902-1-53-КЖ-7 Приемный резервуар. Опалубочный чертеж. Бортик на отм. 0.650;0.550;0.450. Фундаменты под оборудование ТП 902-1-53-КЖ-8 Приемный резервуар. Стены и днище. Армирование ТП 902-1-53-КЖ-9 Плита П1. Опалубочный чертеж и армирование ТП 902-1-53-КЖ-10 Плита ПМ1. Опалубочный чертеж и армирование ТП 902-1-53-КЖ-11 Стеновые кольца КЦ-15-9А и КЦ-20-6А. Опалубочный чертеж и армирование ТП 902-1-53-КЖ-12 Арматурные изделия. Сетки С1-С6 и КР1-КР3 ТП 902-1-53-КЖ-13 Изделия закладные и соединительные ТП 902-1-53-ЭО Электрические решения (ЭО) ТП 902-1-53-ЭО-1 Общие данные (начало) ТП 902-1-53-ЭО-2 Общие данные (окончание) ТП 902-1-53-ЭО-3 Схема электрическая принципиальная управления насосами ТП 902-1-53-ЭО-4 Схема подключения и план расположения электрооборудования. Прокладка кабелей. Установка датчиков уровня |
| Разработан: | Харьковский Водоканалпроект |
| Утверждён: | 21.03.1980 СоюзводоканалНИИпроект (SoyuzvodokanalNIIproject 83) |
| Заменяет собой: |






















