Скачать Серия ТДМ22-1/70 Детали сопряжений конструктивных элементов несущего каркаса для зданий с перекрытиями типа I из плит, опирающихся на полки ригелейДата актуализации: 01.01.2021
|
| Обозначение: | Серия ТДМ22-1/70 |
| Обозначение англ: | Series ТДМ22-1/70 |
| Статус: | не действует |
| Название рус.: | Детали сопряжений конструктивных элементов несущего каркаса для зданий с перекрытиями типа I из плит, опирающихся на полки ригелей |
| Дата добавления в базу: | 01.09.2013 |
| Дата актуализации: | 01.01.2021 |
| Дата введения: | 01.07.1973 |
| Дата окончания срока действия: | 01.06.1990 |
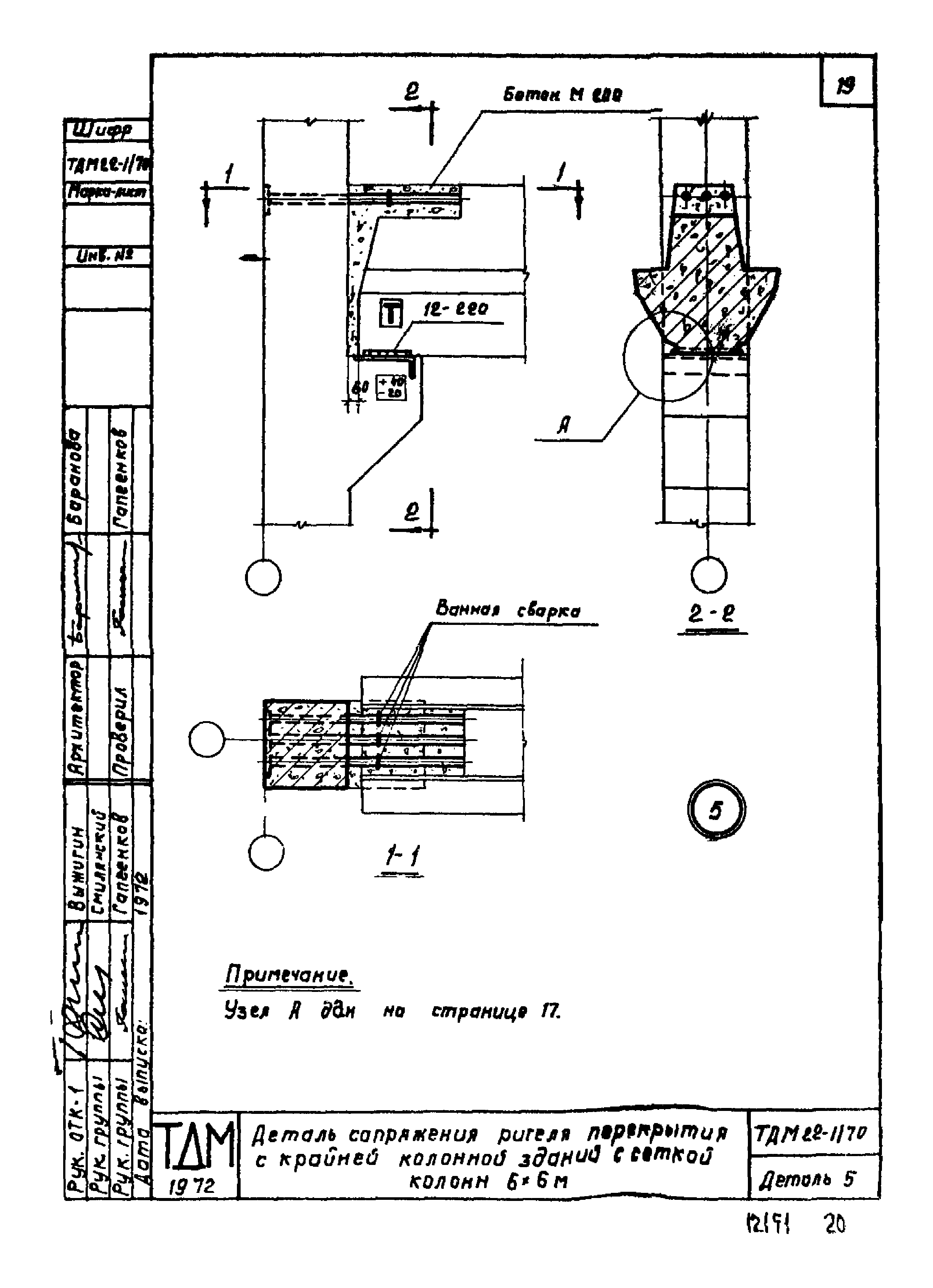
| Оглавление: | ТДМ-22-1/70 Пояснительная записка ТДМ-22-1/70 Деталь 1. Деталь заделки колонны в фундамент ТДМ-22-1/70 Деталь 2. Деталь заделки колонны в фундамент в торце и у температурного шва при смещении оси ряда на 500 м ТДМ-22-1/70 Деталь 3. Деталь сопряжения ригеля перекрытия с крайней колонной зданий с сетками колонн 6x6 и м 9x6 м ТДМ-22-1/70 Деталь 4. Деталь сопряжения ригеля перекрытия с крайней колонной зданий с сеткой колонн 9x6 м ТДМ-22-1/70 Деталь 5. Деталь сопряжения ригеля перекрытия о крайней колонной зданий с сеткой колонн 6x6 м ТДМ-22-1/70 Деталь 6. Деталь сопряжения ригеля перекрытия с крайней колонной здания с сеткой колонн 6x6 м ТДМ-22-1/70 Деталь 7. Деталь сопряжения ригелей перекрытие со средней колонной зданий с сеткой колонн 9x6 м ТДМ-22-1/70 Деталь 8. Деталь сопряжения ригелей перекрытия со средний колонной зданий с меткой колонн 9x6 м ТДМ-22-1/70 Деталь 9. Деталь сопряжения ригелей перекрытия со средней колонной зданий с сетками колонн 6x6 и м 9x6 м ТДМ-22-1/70 Деталь 10. Деталь сопряжения ригелей перекрытая со средней колонной зданий с сеткой колонн 6x6 м ТДМ-22-1/70 Деталь 11. Деталь сопряжения ригелей перекрытая со средней колонной зданий с сеткой колонн 9x6 м ТДМ-22-1/70 Деталь 12. Деталь сопряжения ригелей перекрытия со средней колонной зданий с сетками колонн 6x6 м и 9x6 м ТДМ-22-1/70 Деталь 13. Деталь сопряжения ригелей перекрытия со средней колонной зданий с сеткой колонн 6x6 м ТДМ-22-1/70 Деталь 14. Деталь сопряжения ригелей перекрытия со средней колонной зданий с сетками колонн 6x6 м и 9x6 м ТДМ-22-1/70 Деталь 15. Деталь сопряжения ригелей перекрытия со средней колонной зданий с сеткой колонн 6x6 м ТДМ-22-1/70 Деталь 16. Деталь сопряжения ригеля покрытия с крайней колонной зданий с сеткой колонн 6x6 м ТДМ-22-1/70 Деталь 17. Деталь сопряжения ригелей перекрытия и покрытия со средней колонной здании с сетками колонн 6x6 м и 9x6 м ТДМ-22-1/70 Деталь 18. Деталь сопряжения ригелей покрытия со средней колонной зданий с сетками колонн 6x6 м и 9x6 м ТДМ-22-1/70 Деталь 19. Деталь сопряжения ригеля покрытия с крайней колонной зданий с сеткой колонн 9x6 м ТДМ-22-1/70 Деталь 20. Деталь сопряжения ригеля перекрытия с крайней колонной у торцов и температурных швов здании с сеткой колонн 5x6 м ТДМ-22-1/70 Деталь 21. Деталь сопряжения ригеля перекрытия с крайней колонной у торцов и температурных швов зданий с сеткой колонн 9x6 м ТДМ-22-1/70 Деталь 22. Деталь сопряжения ригеля перекрытия с крайней колонной 7 торцов и температурных швов зданий с сеткой колонн 6x6 м ТДМ-22-1/70 Деталь 23. Деталь сопряжения ригеля перекрытия с крайней колонной у торцов и температурных швов зданий с сеткой колонн 6x6 м ТДМ-22-1/70 Деталь 24. Деталь сопряжения ригелей перекрытия со средней колонной у торцов и температурных швов зданий с сетками колонн 6x6 м и 9x6 м ТДМ-22-1/70 Деталь 25. Деталь сопряжения ригелей перекрытия со средней колонной у торцов и температурных швов зданий с сетками колонн 6x6 м ТДМ-22-1/70 Деталь 26. Деталь сопряжения ригелей перекрытия со средней колонной у торцов и температурных швов зданий с сеткой колонн 9x6 м ТДМ-22-1/70 Деталь 27. Деталь сопряжения ригелей перекрытия со средней колонной у торцов и температурных швов зданий с сетками колонн 6x6 м и 9x6 м ТДМ-22-1/70 Деталь 28. Деталь сопряжения ригелей перекрытия со средней колонной у торцов и температурных швов зданий с сеткой колонн 6x6 м ТДМ-22-1/70 Деталь 28. Деталь сопряжения ригелей перекрытия и покрытия со средней коленной здании с сетками колонн 6х6 м и 9x6 м ТДМ-22-1/70 Деталь 30. Деталь сопряжения ригелей перекрытия и покрытия со средней колонной у торцов и температурных швов зданий с сетками колонн 6x6 м и 9x6 м ТДМ-22-1/70 Деталь 31. Деталь сопряжения ригеля покрытия с крайней колонной у торцов и температурных швов зданий с сеткой колонн 6x6 м ТДМ-22-1/70 Деталь 32. Деталь сопряжении ригелей покрытия со средней колонной зданий с сеткой колонн 6x6 м ТДМ-22-1/70 Деталь 33. Деталь сопряжения ригелей покрытия со средней колонной у торцов и температурных швов зданий с сеткой колонн 6x6 м ТДМ-22-1/70 Деталь 34. Деталь сопряжения ригеля покрытия с крайней колонной у торцов и температурных швов зданий с сеткой колонн 9x6 м ТДМ-22-1/70 Деталь 35. Деталь сопряжения продольного ригеля с колонной ТДМ-22-1/70 Узел В Узел В ТДМ-22-1/70 Деталь 36. Деталь стыке колонн ТДМ-22-1/70 Детали 37,38,39. Детали стыков колонн ТДМ-22-1/70 Детали 40,41. Детали стыков колонн ТДМ-22-1/70 Деталь 42. Деталь сопряжения стропильной балки с колонной при скатной кровле ТДМ-22-1/70 Детали СП1-СП8. Детали сборки и крепления связей СП1-СП8 ТДМ-22-1/70 Детали СП10-СП18. Детали сборки и крепления связей СП10-СП18 ТДМ-22-1/70 Спецификация марок соединительных элементов на монтажную деталь |
| Разработан: | ЦНИИпромзданий НИИЖБ |
| Утверждён: | 28.11.1972 Государственный комитет Совета Министров СССР по вопросам труда и заработной платы (203) |







































































