Скачать Типовой проект 901-6-93с.86 Альбом VIII. Электрооборудование. Автоматизация. Электрическое освещениеДата актуализации: 01.01.2021
|
| Обозначение: | Типовой проект 901-6-93с.86 |
| Обозначение англ: | 901-6-93с.86 |
| Статус: | не действует |
| Название рус.: | Альбом VIII. Электрооборудование. Автоматизация. Электрическое освещение |
| Дата добавления в базу: | 01.09.2013 |
| Дата актуализации: | 01.01.2021 |
| Дата введения: | 16.04.1986 |
| Дата окончания срока действия: | 01.07.1996 |
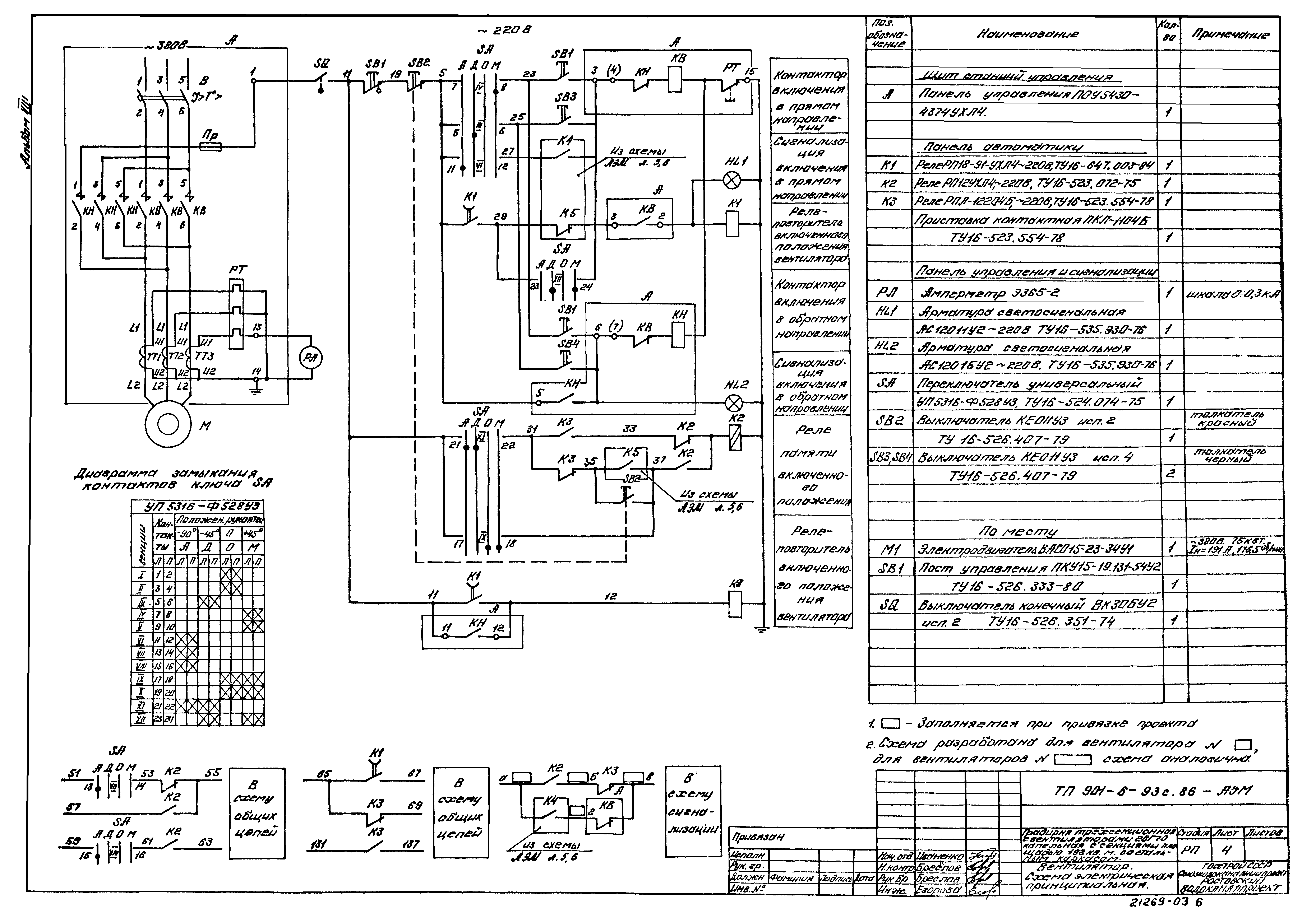
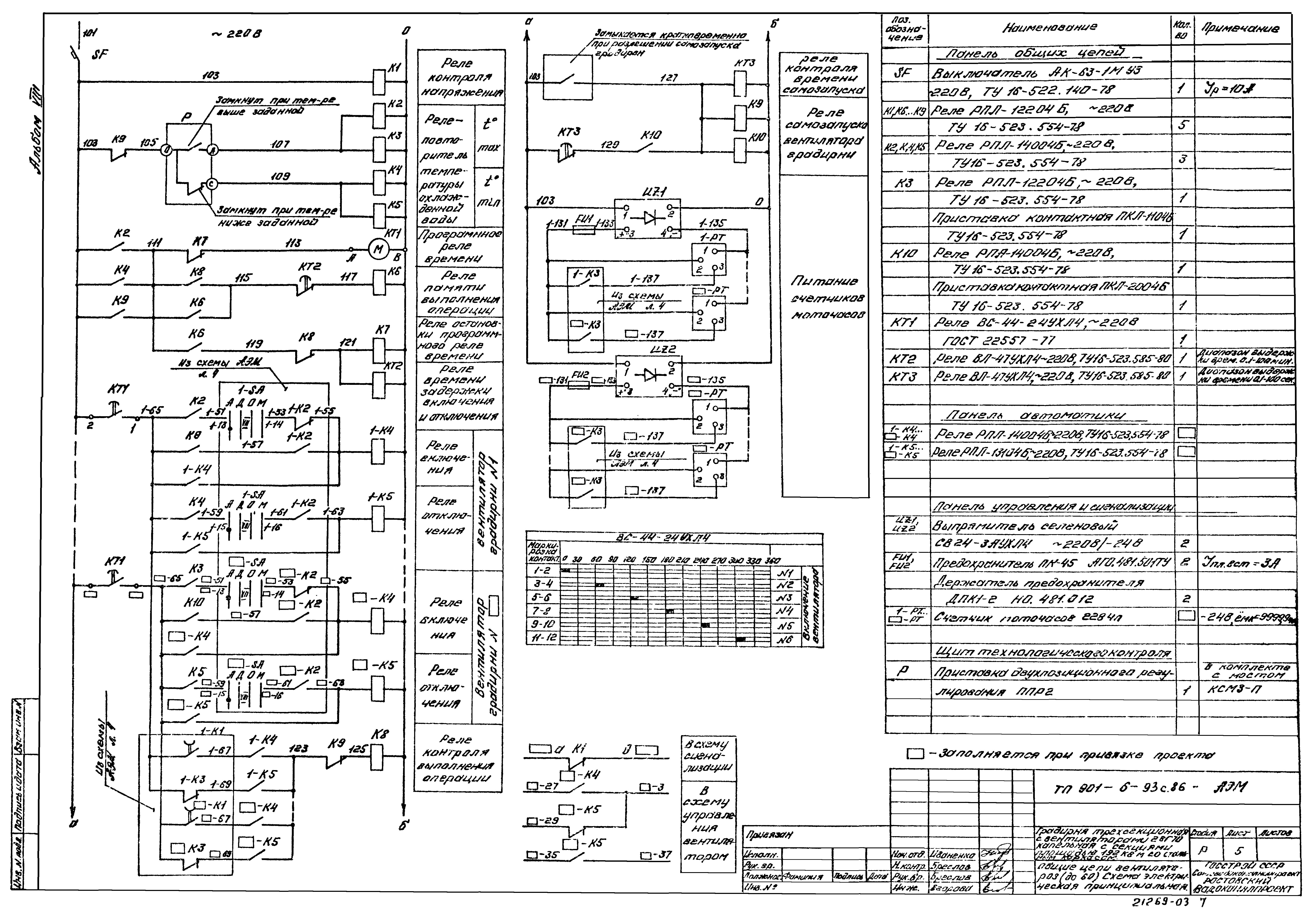
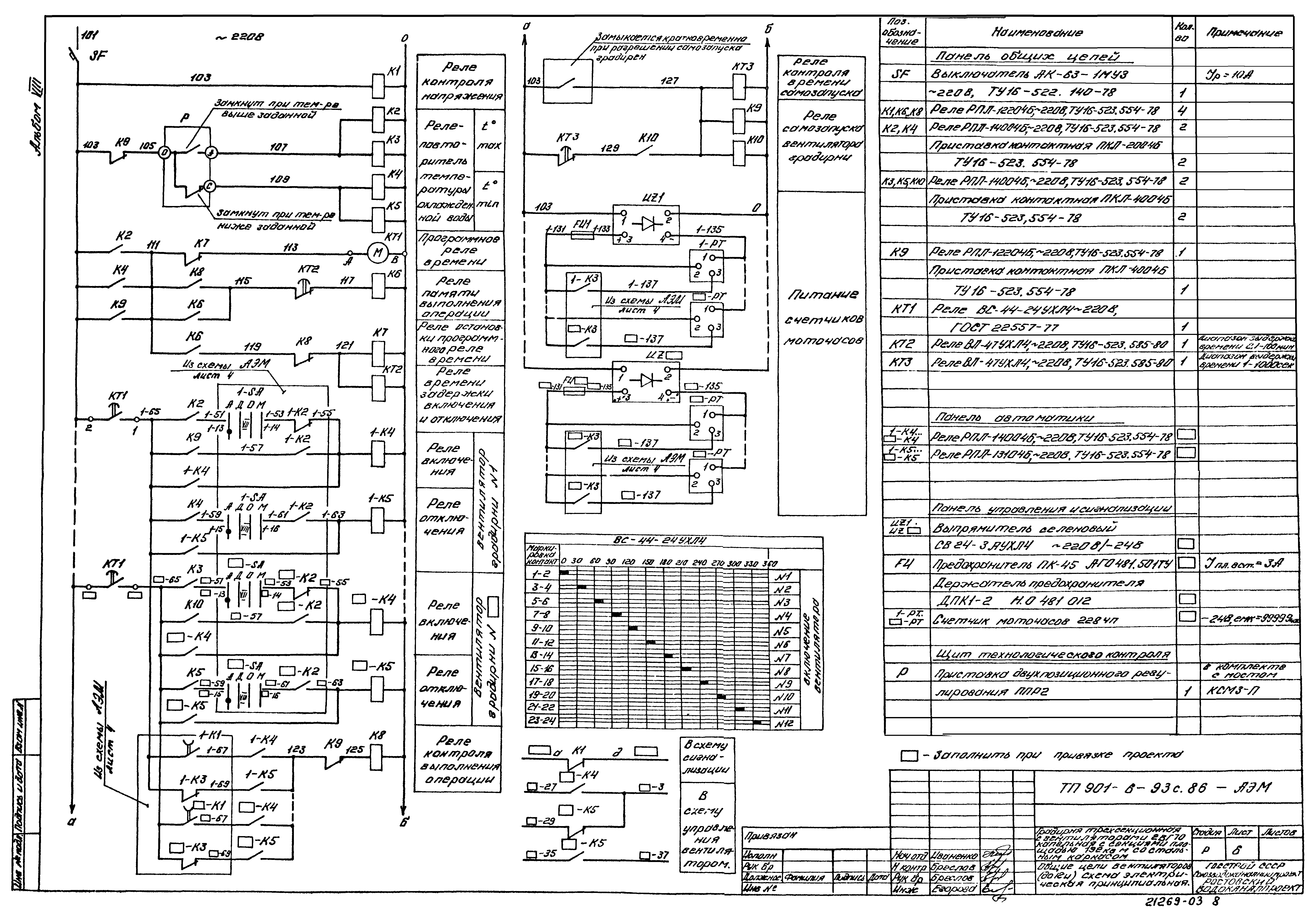
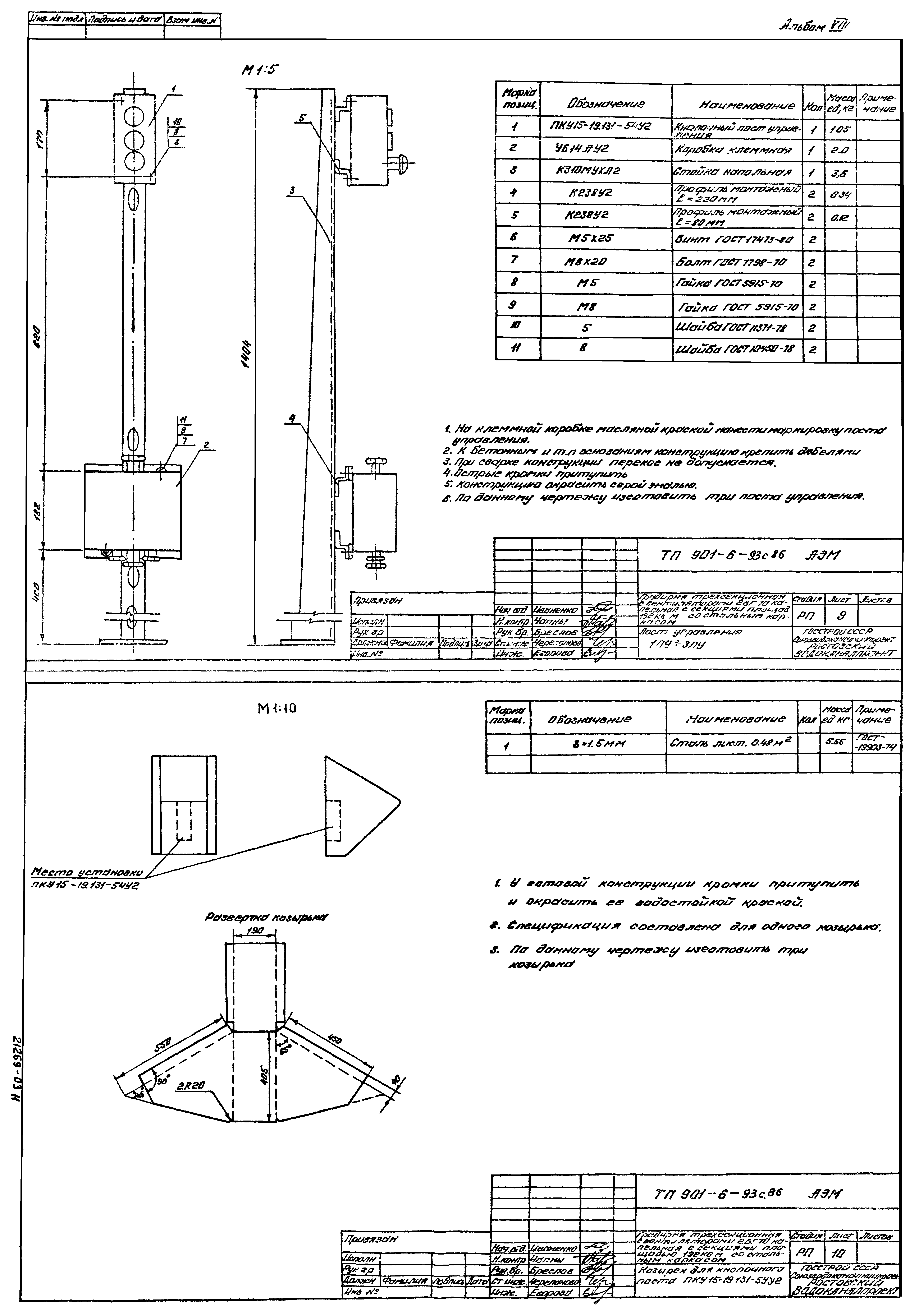
| Оглавление: | ТП 901-6-93с.86-АЭМ-1 Общие данные (начало) ТП 901-6-93с.86-АЭМ-2 Общие данные (окончание) ТП 901-6-93с.86-АЭМ-3 Сеть 380/220 В. Схема электрическая принципиальная ТП 901-6-93с.86-АЭМ-4 Вентилятор. Схема электрическая принципиальная ТП 901-6-93с.86-АЭМ-5 Общие цепи вентиляторов (до 6и). Схема электрическая принципиальная ТП 901-6-93с.86-АЭМ-6 Общие цепи вентиляторов (до 12и). Схема электрическая принципиальная ТП 901-6-93с.86-АЭМ-7 Кабельный журнал ТП 901-6-93с.86-АЭМ-8 План расположения электрооборудования и прокладка кабелей ТП 901-6-93с.86-АЭМ-9 Пост управления 1ПУ-3ПУ ТП 901-6-93с.86-АЭМ-10 Козырек для кнопочного поста ПКУ15-19.131-54У2 ТП 901-6-93с.86-АЭМ-11 Электрическое освещение. План |
| Разработан: | Союзводоканалпроект |
| Утверждён: | 20.11.1985 Госстрой СССР (Государственный комитет Совета Министров СССР по делам строительства) (USSR Gosstroy АЧ-49) |












