Скачать Типовой проект 902-1-135.88 Альбом IV. Электротехническая часть. Автоматизация. Связь и сигнализацияДата актуализации: 01.01.2021
|
| Обозначение: | Типовой проект 902-1-135.88 |
| Обозначение англ: | 902-1-135.88 |
| Статус: | не определен законодательством |
| Название рус.: | Альбом IV. Электротехническая часть. Автоматизация. Связь и сигнализация |
| Дата добавления в базу: | 01.09.2013 |
| Дата актуализации: | 01.01.2021 |
| Дата введения: | 01.09.1988 |
| Дата окончания срока действия: | 30.06.2003 |
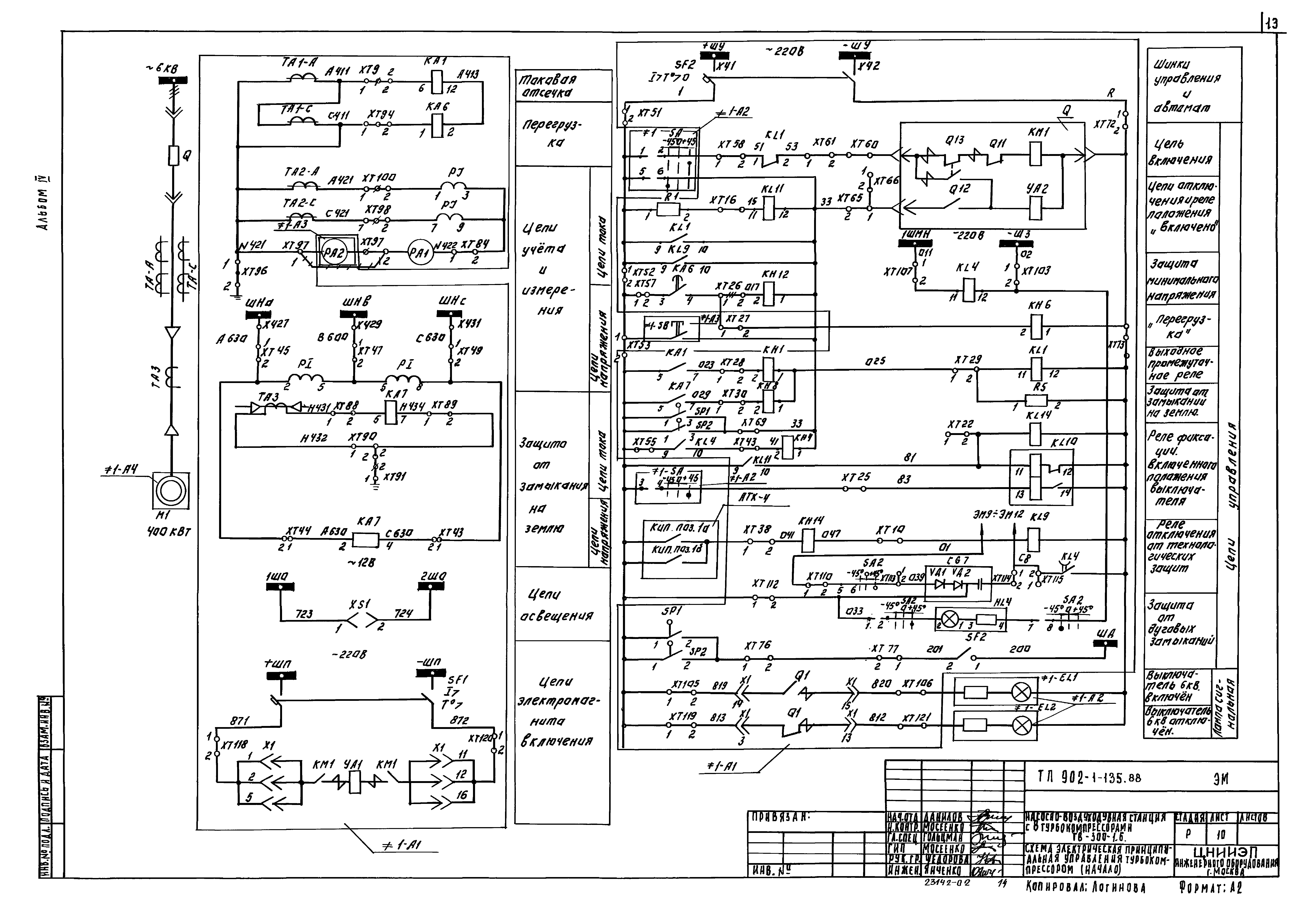
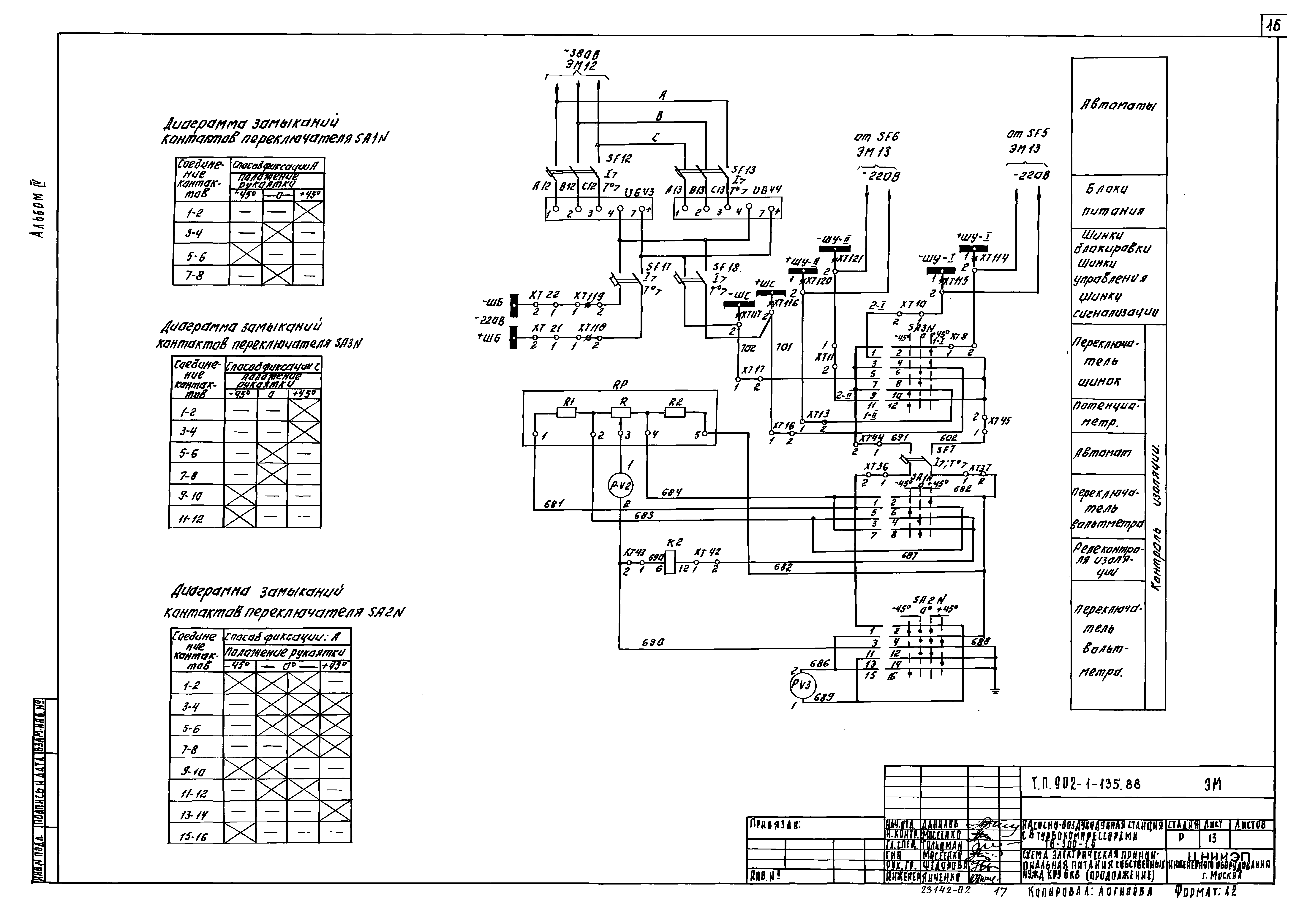
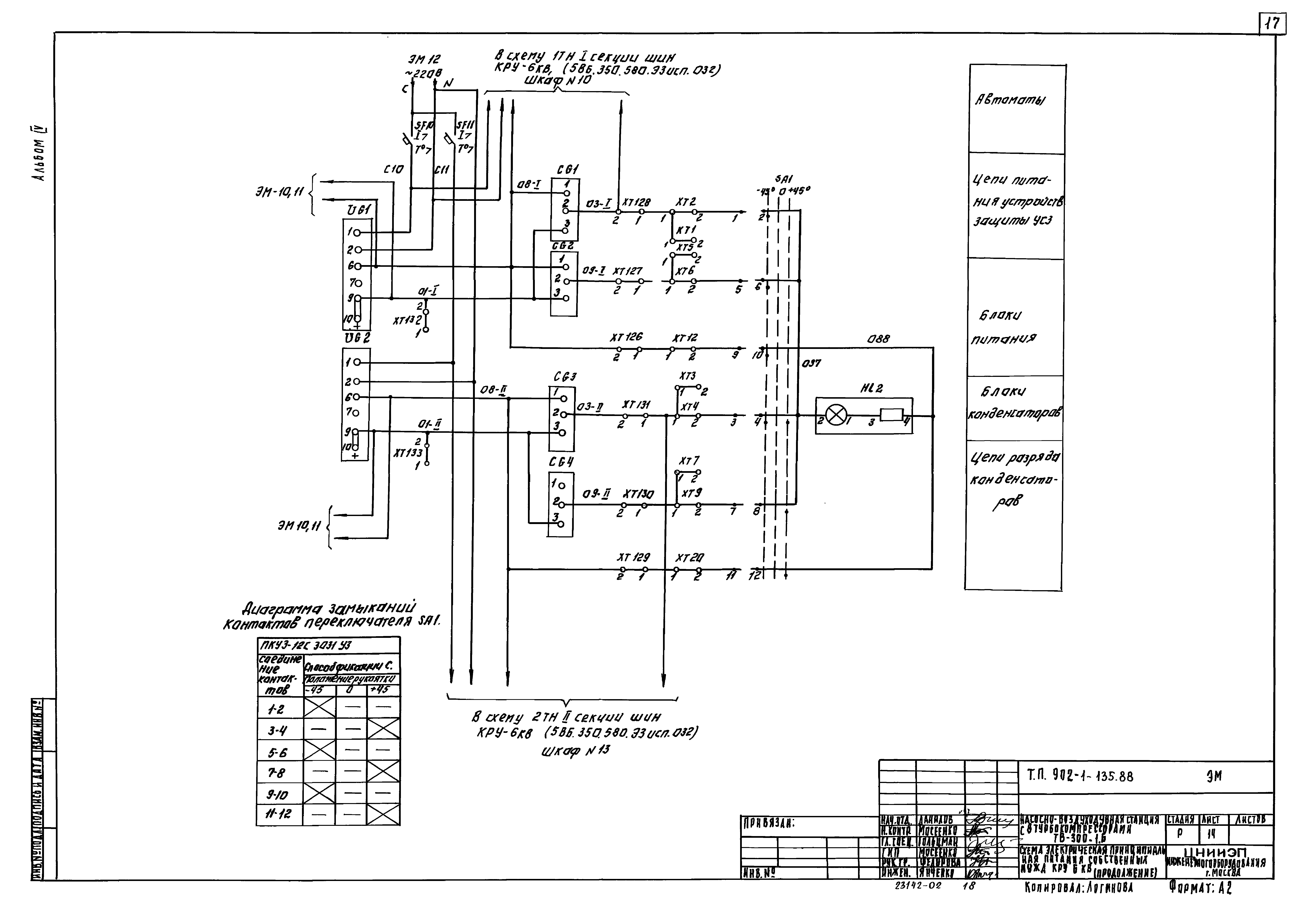
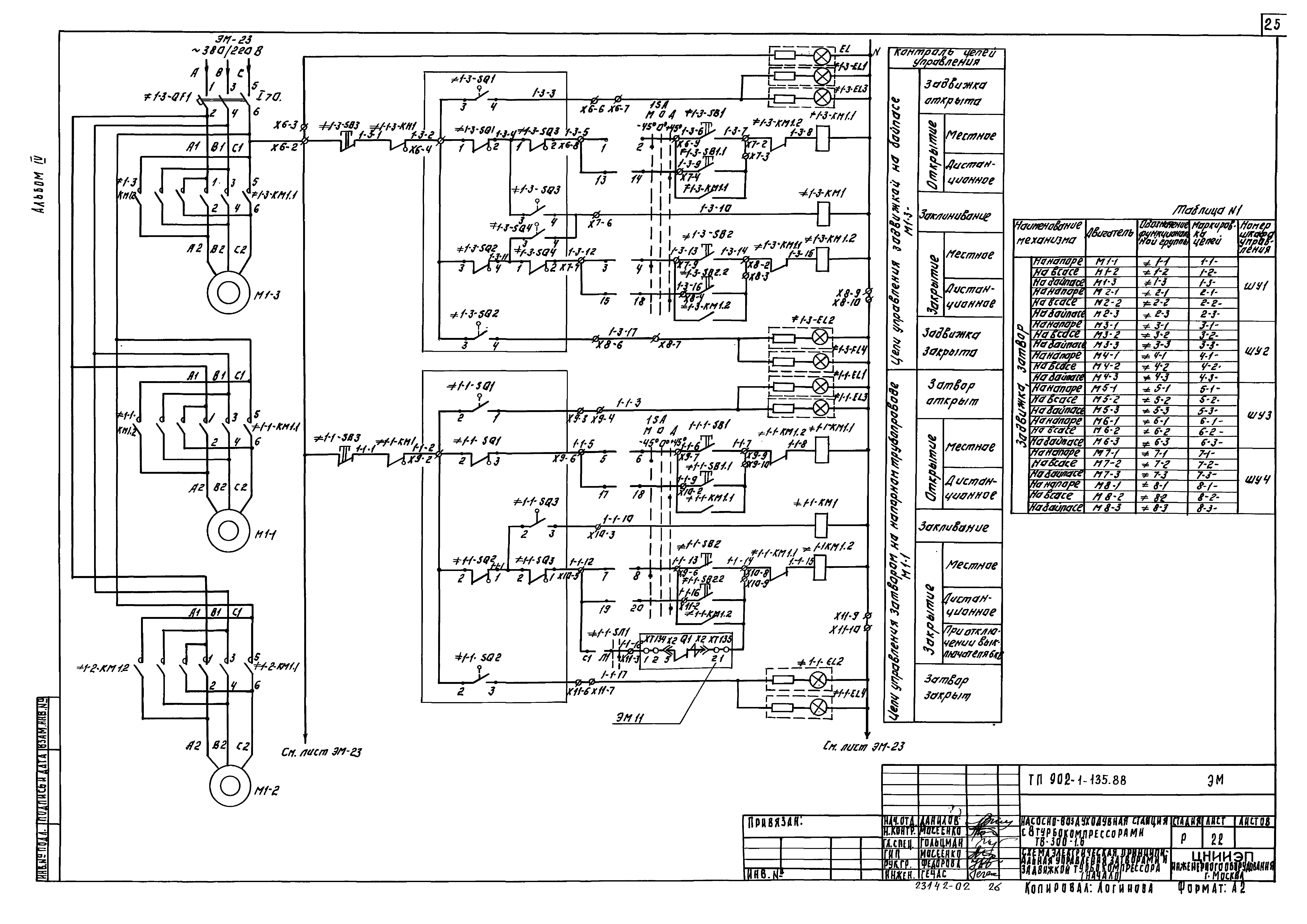
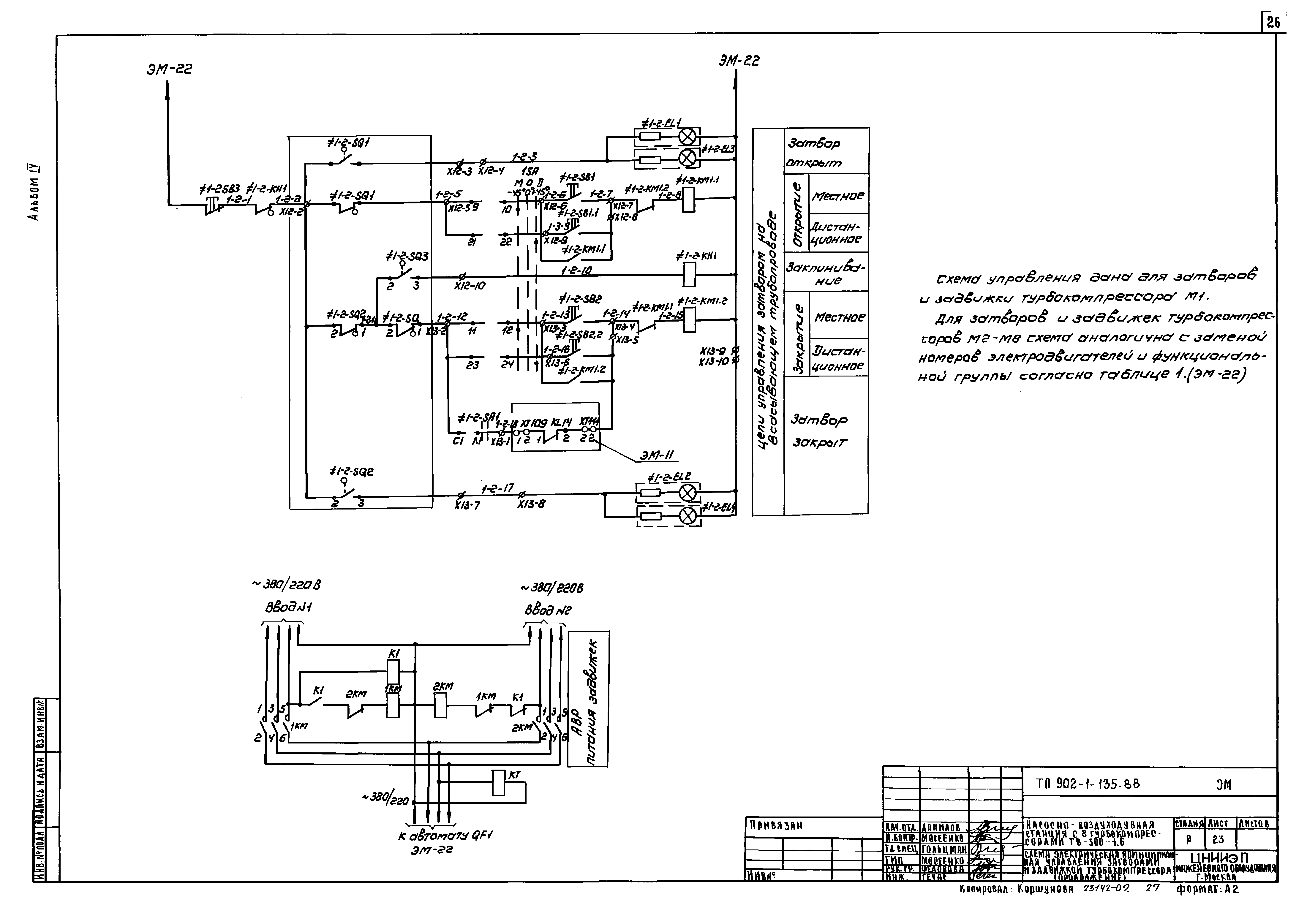
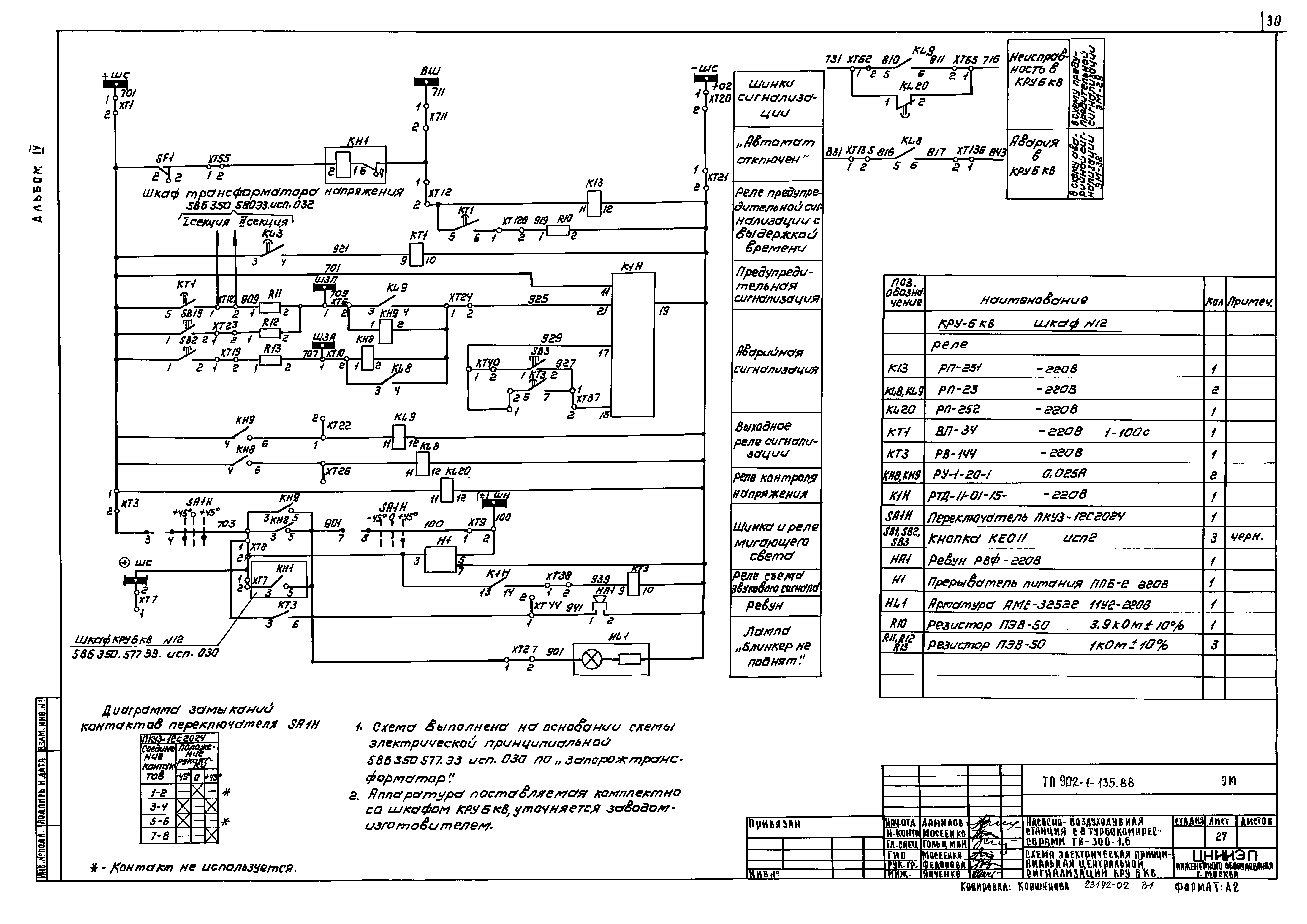
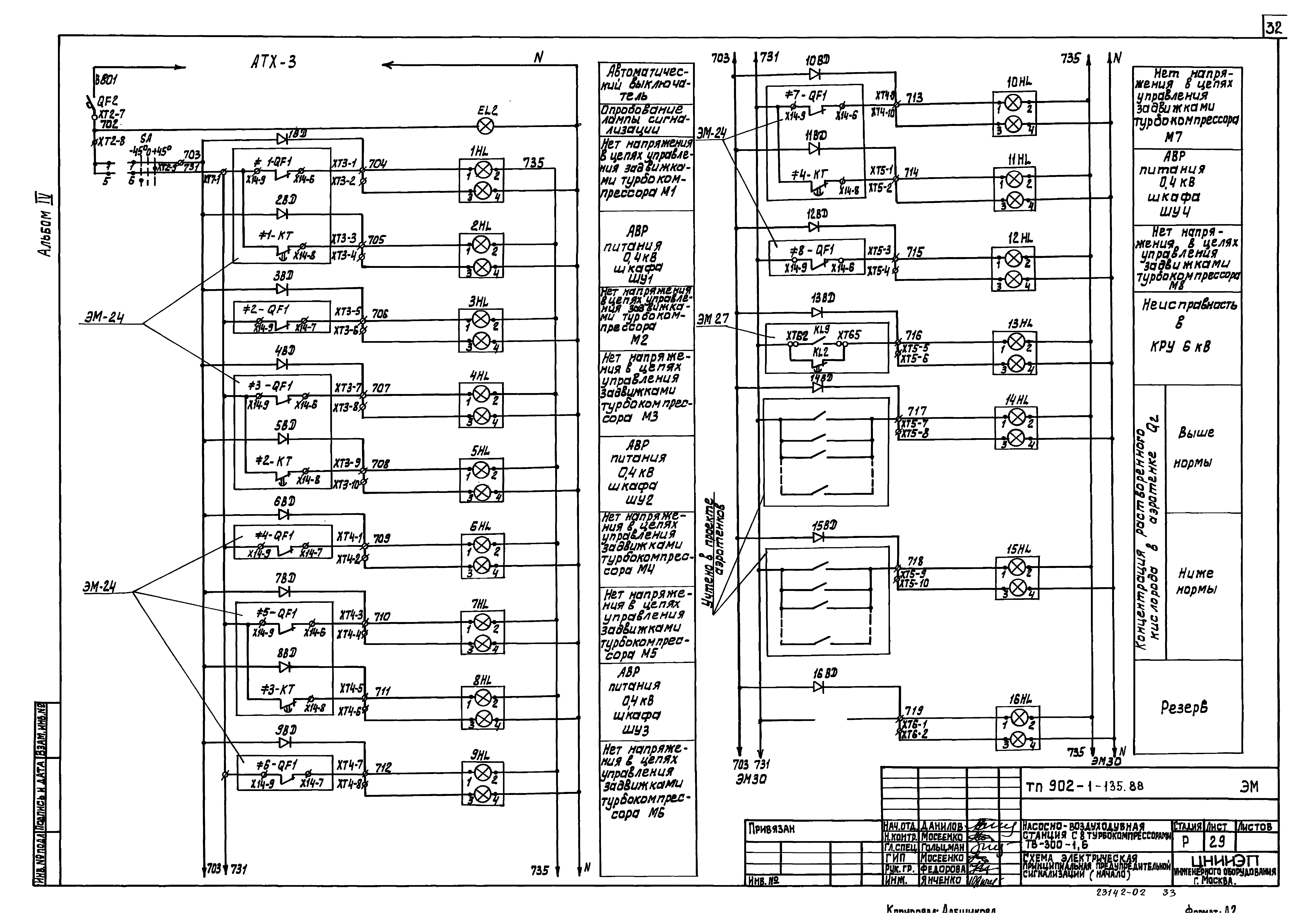
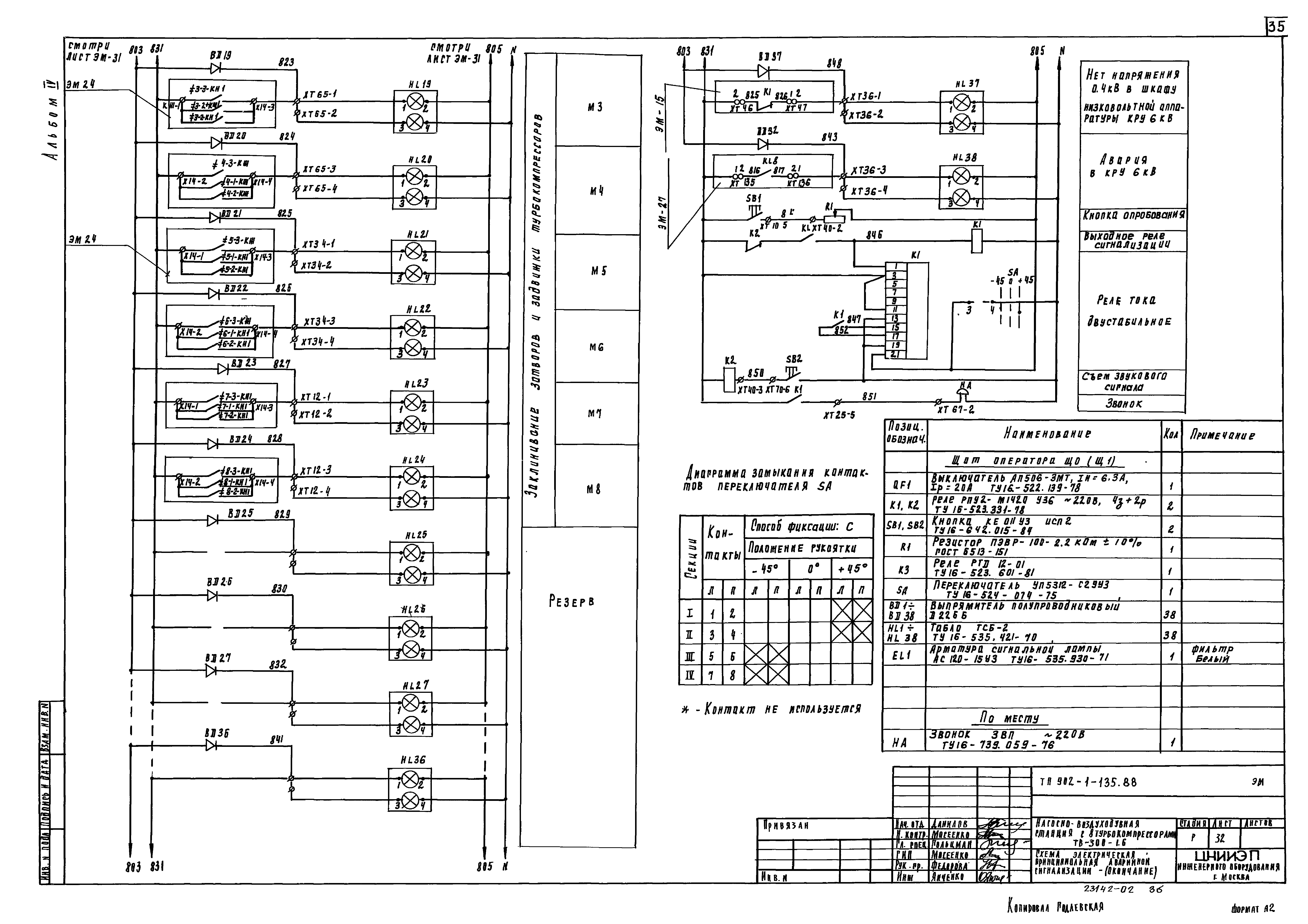
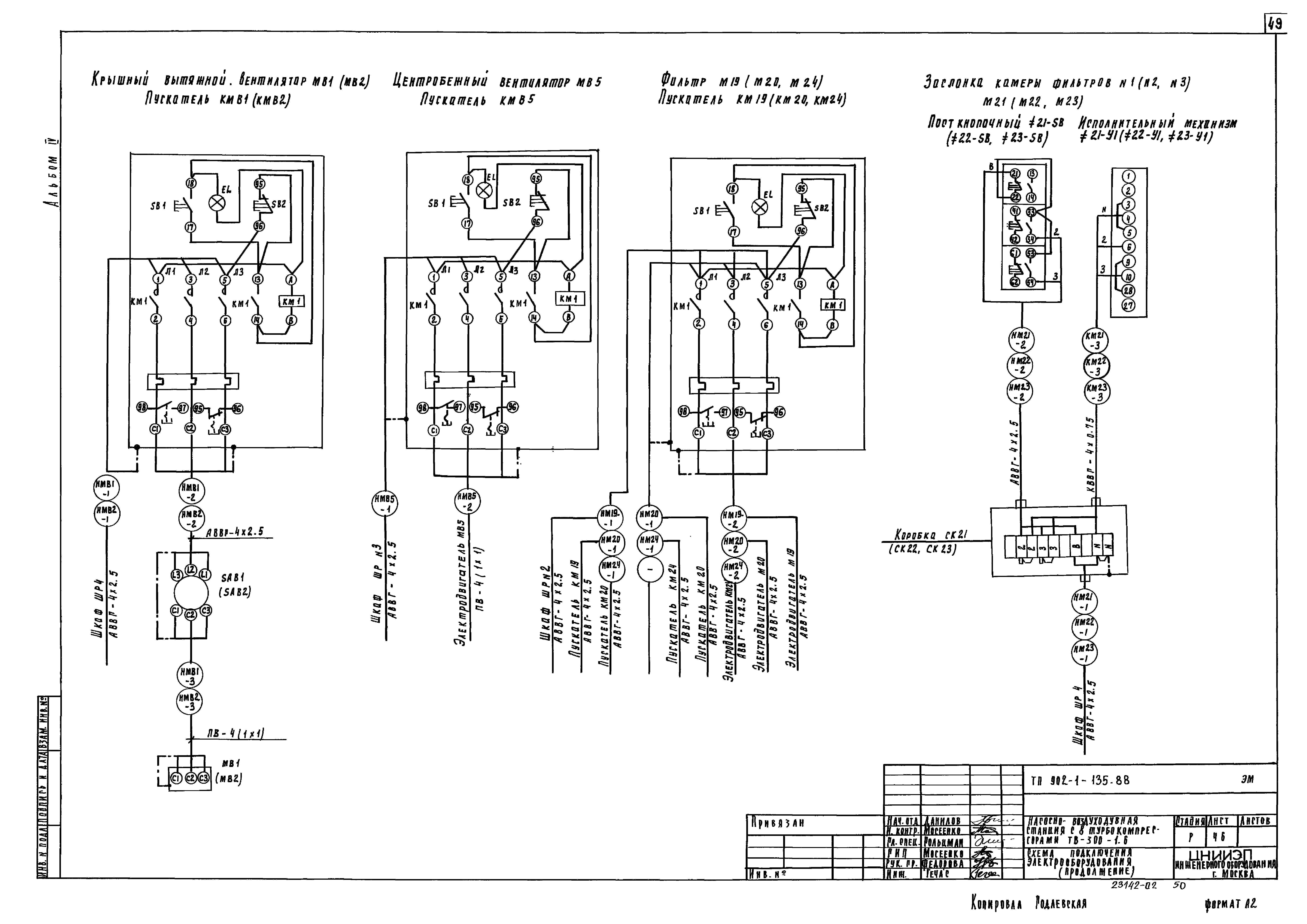
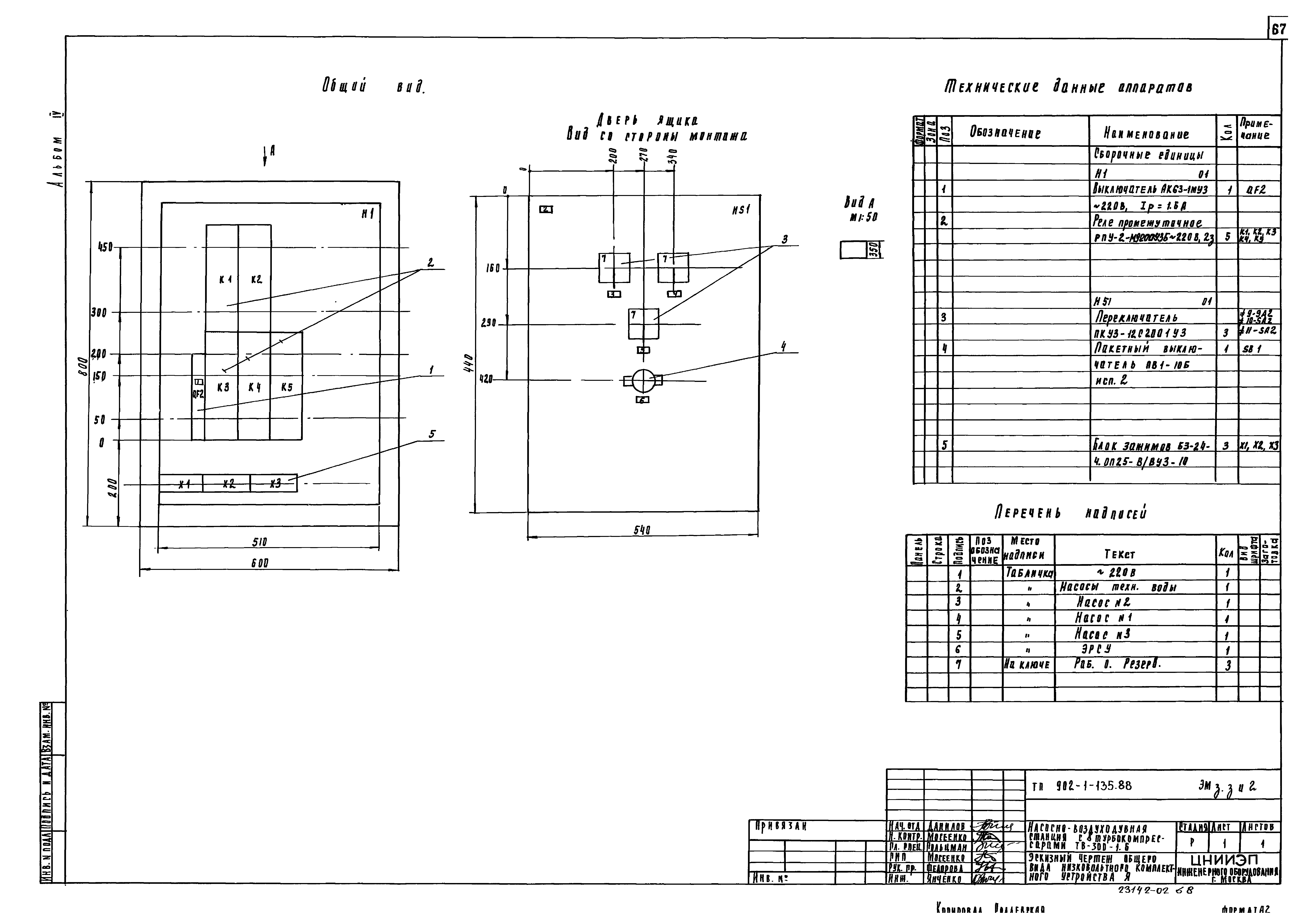
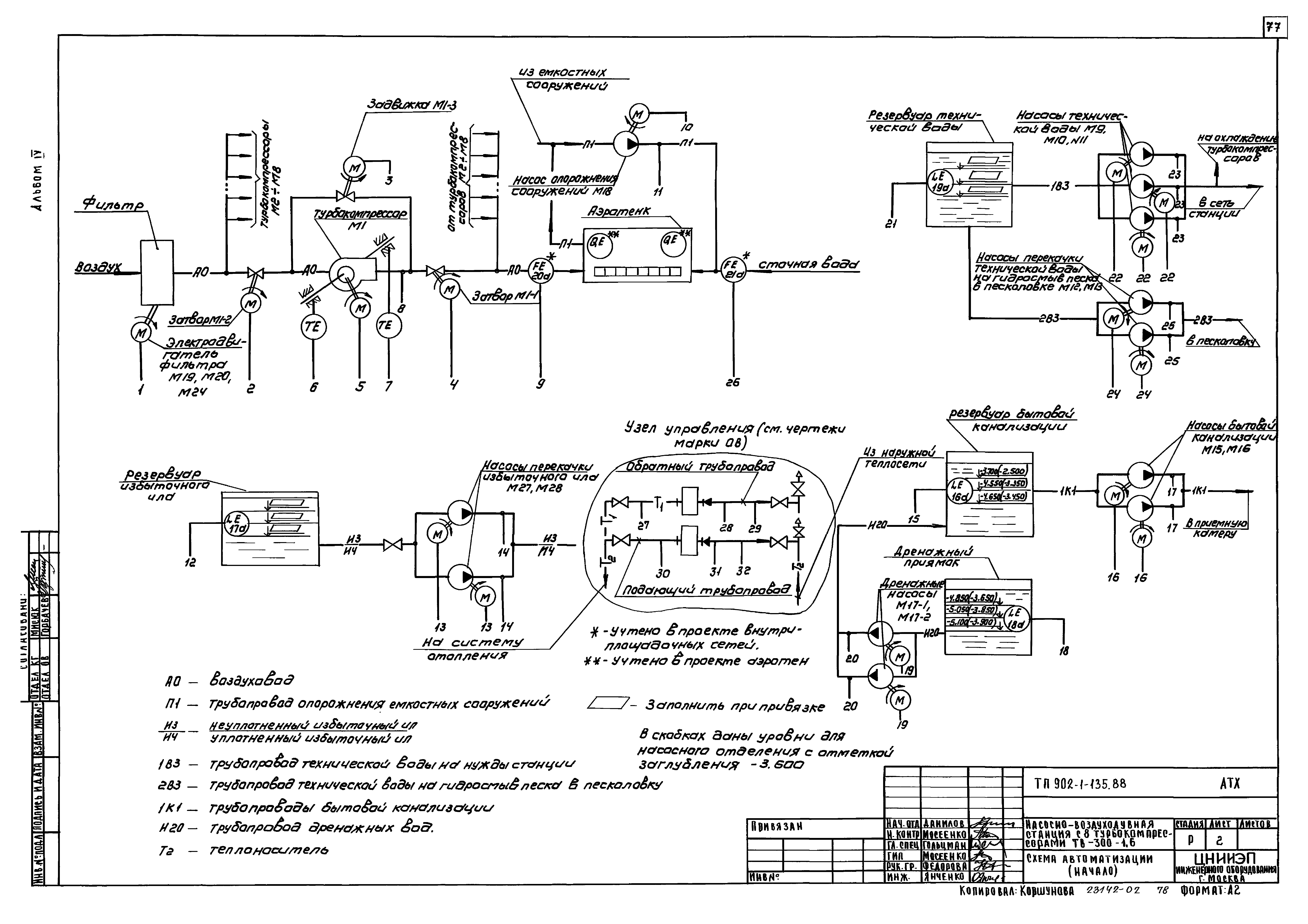
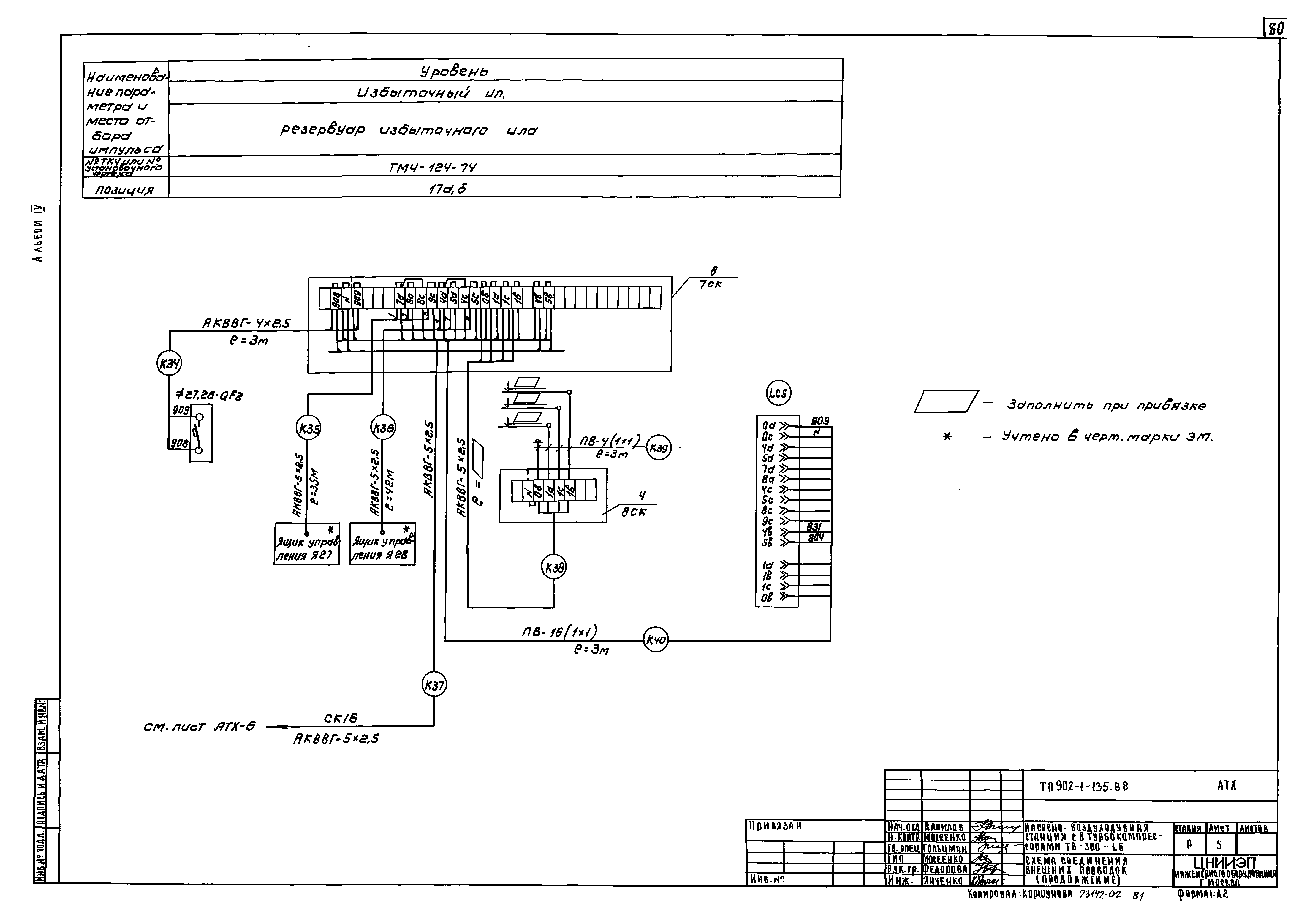
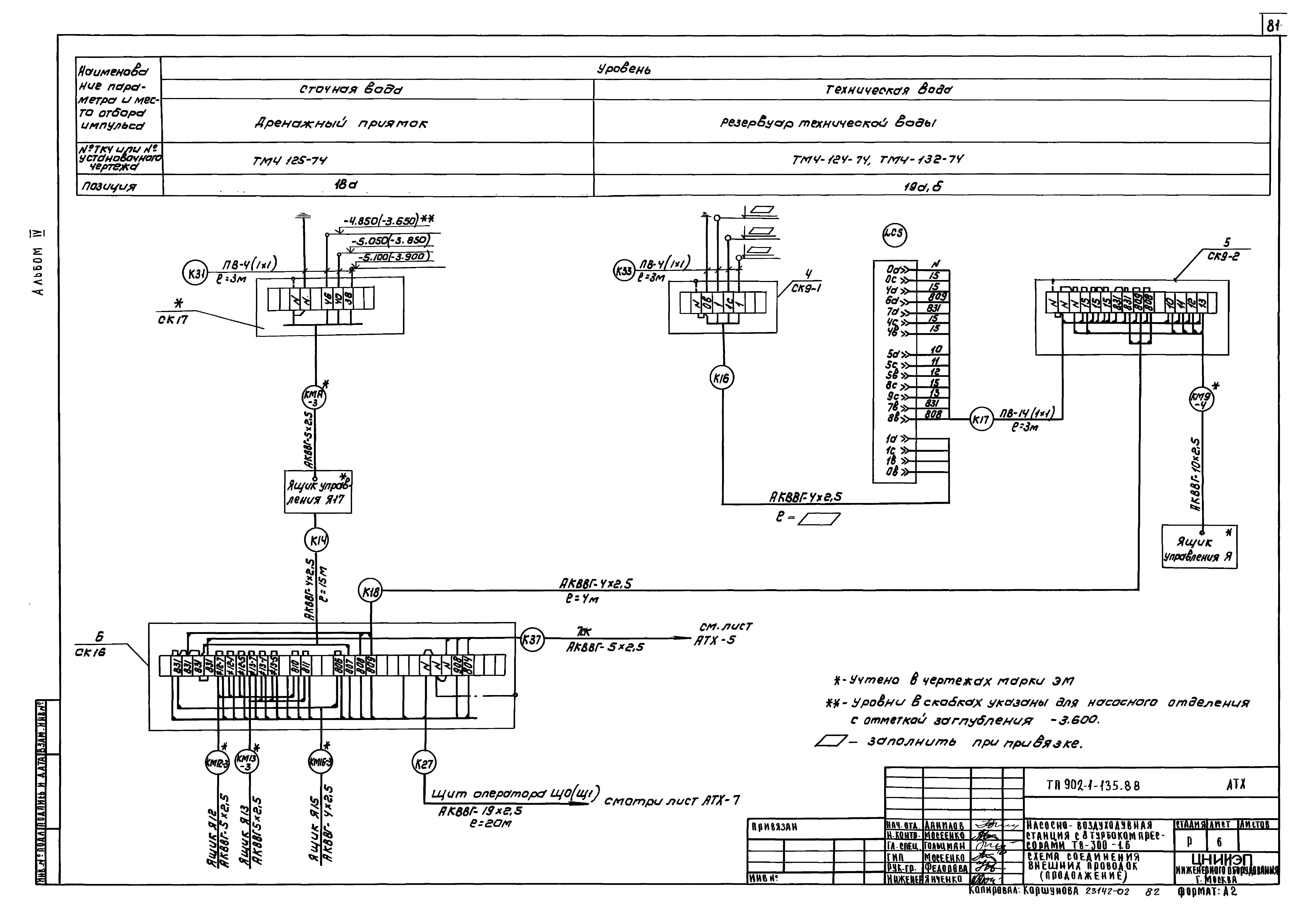
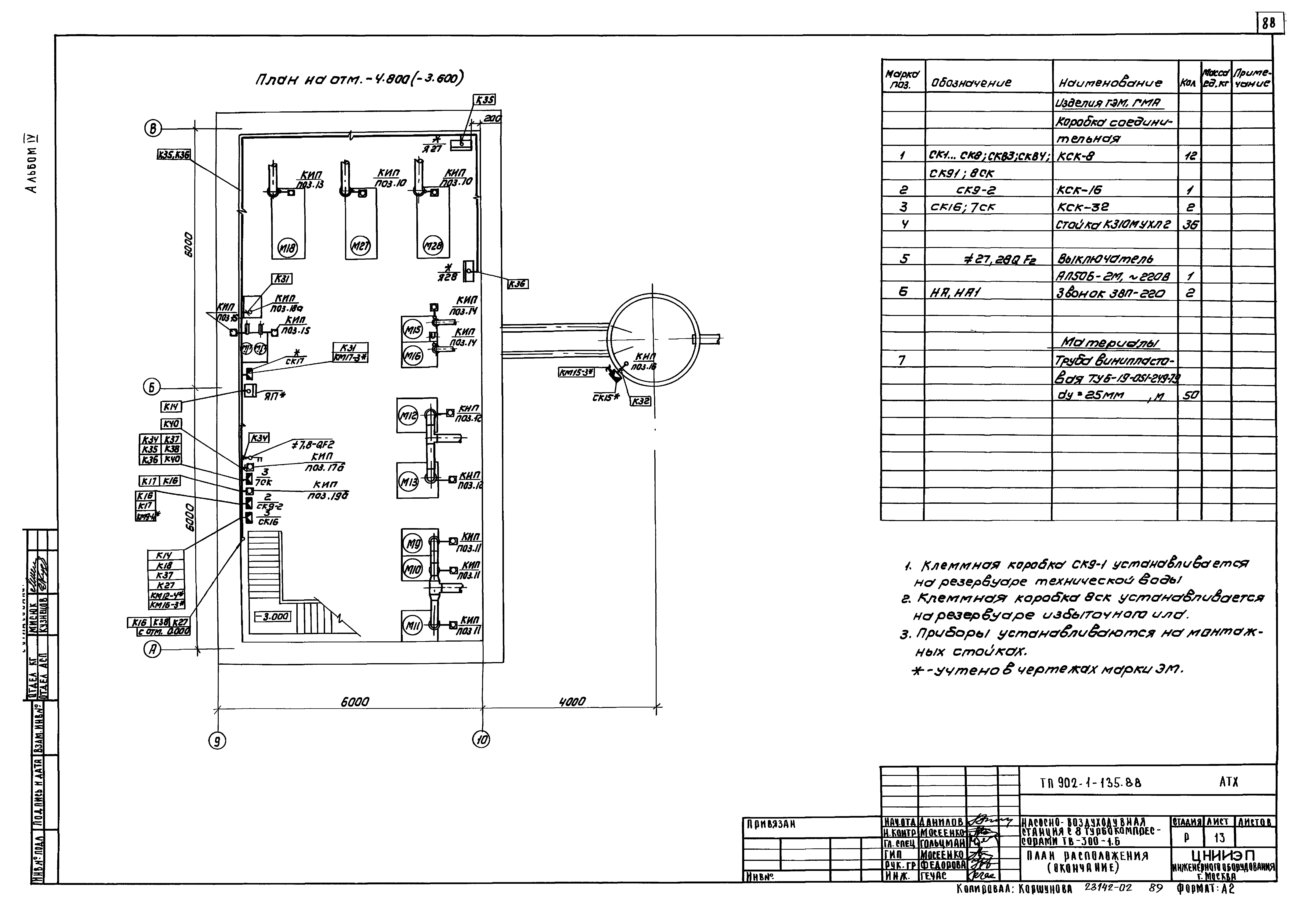
| Оглавление: | ТП 902-1-134.88-ЭМ Электротехническая часть ТП 902-1-134.88-ЭМ-1 Общие данные (начало) ТП 902-1-134.88-ЭМ-2 Общие данные (окончание) ТП 902-1-134.88-ЭМ-3 Схема электрическая принципиальная 6 кВ (начало) ТП 902-1-134.88-ЭМ-4 Схема электрическая принципиальная 6 кВ (окончание) ТП 902-1-134.88-ЭМ-5 2КТП-400. Схема электрическая принципиальная ТП 902-1-134.88-ЭМ-6 Распределительная сеть ~380/220 В. Схема электрическая принципиальная (начало) ТП 902-1-134.88-ЭМ-7 Распределительная сеть ~380/220 В. Схема электрическая принципиальная (продолжение) ТП 902-1-134.88-ЭМ-8 Распределительная сеть ~380/220 В. Схема электрическая принципиальная (продолжение) ТП 902-1-134.88-ЭМ-9 Распределительная сеть ~380/220 В. Схема электрическая принципиальная (окончание) ТП 902-1-134.88-ЭМ-10 Схема электрическая принципиальная управления турбокомпрессором (начало) ТП 902-1-134.88-ЭМ-11 Схема электрическая принципиальная управления турбокомпрессором (окончание) ТП 902-1-134.88-ЭМ-12 Схема электрическая принципиальная питания собственных нужд КРУ-6кВ (начало) ТП 902-1-134.88-ЭМ-13 Схема электрическая принципиальная питания собственных нужд КРУ-6кВ (продолжение) ТП 902-1-134.88-ЭМ-14 Схема электрическая принципиальная питания собственных нужд КРУ-6кВ (продолжение) ТП 902-1-134.88-ЭМ-15 Схема электрическая принципиальная питания собственных нужд КРУ-6кВ (окончание) ТП 902-1-134.88-ЭМ-16 Схема электрическая принципиальная питания шинок ШП ТП 902-1-134.88-ЭМ-17 КРУ-6кВ. План шинок ТП 902-1-134.88-ЭМ-18 Схема электрическая принципиальная управления насосами технической воды ТП 902-1-134.88-ЭМ-19 Схема электрическая принципиальная управления дренажными насосами, насосом опорожнения сооружений ТП 902-1-134.88-ЭМ-20 Схема электрическая принципиальная управления насосами технической воды на гидросмыв в песколовке ТП 902-1-134.88-ЭМ-21 Схема электрическая принципиальная управления насосами избыточного ила ТП 902-1-134.88-ЭМ-22 Схема электрическая принципиальная управления затворами и задвижкой турбокомпрессора (начало) ТП 902-1-134.88-ЭМ-23 Схема электрическая принципиальная управления затворами и задвижкой турбокомпрессора (продолжение) ТП 902-1-134.88-ЭМ-24 Схема электрическая принципиальная управления затворами и задвижкой турбокомпрессора (окончание) ТП 902-1-134.88-ЭМ-25 Схема электрическая принципиальная управления заслонкой камеры фильтра ТП 902-1-134.88-ЭМ-26 Схема электрическая принципиальная управления вытяжными вентиляторами и воздушным клапаном ТП 902-1-134.88-ЭМ-27 Схема электрическая принципиальная центральной сигнализации КРУ-6кВ ТП 902-1-134.88-ЭМ-28 Схема электрическая принципиальная оперативной блокировки ТП 902-1-134.88-ЭМ-29 Схема электрическая принципиальная предупредительной сигнализации (начало) ТП 902-1-134.88-ЭМ-30 Схема электрическая принципиальная предупредительной сигнализации (окончание) ТП 902-1-134.88-ЭМ-31 Схема электрическая принципиальная аварийной сигнализации (начало) ТП 902-1-134.88-ЭМ-32 Схема электрическая принципиальная аварийной сигнализации (окончание) ТП 902-1-134.88-ЭМ-33 Схема подключения электрооборудования (начало) ТП 902-1-134.88-ЭМ-34 Схема подключения электрооборудования (продолжение) ТП 902-1-134.88-ЭМ-35 Схема подключения электрооборудования (продолжение) ТП 902-1-134.88-ЭМ-36 Схема подключения электрооборудования (продолжение) ТП 902-1-134.88-ЭМ-37 Схема подключения электрооборудования (продолжение) ТП 902-1-134.88-ЭМ-38 Схема подключения электрооборудования (продолжение) ТП 902-1-134.88-ЭМ-39 Схема подключения электрооборудования (продолжение) ТП 902-1-134.88-ЭМ-40 Схема подключения электрооборудования (продолжение) ТП 902-1-134.88-ЭМ-41 Схема подключения электрооборудования (продолжение) ТП 902-1-134.88-ЭМ-42 Схема подключения электрооборудования (продолжение) ТП 902-1-134.88-ЭМ-43 Схема подключения электрооборудования (продолжение) ТП 902-1-134.88-ЭМ-44 Схема подключения электрооборудования (продолжение) ТП 902-1-134.88-ЭМ-45 Схема подключения электрооборудования (продолжение) ТП 902-1-134.88-ЭМ-46 Схема подключения электрооборудования (продолжение) ТП 902-1-134.88-ЭМ-47 Схема подключения электрооборудования (продолжение) ТП 902-1-134.88-ЭМ-48 Схема подключения электрооборудования (окончание) ТП 902-1-134.88-ЭМ-49 Кабельный журнал (начало) ТП 902-1-134.88-ЭМ-50 Кабельный журнал (продолжение) ТП 902-1-134.88-ЭМ-51 Кабельный журнал (продолжение) ТП 902-1-134.88-ЭМ-52 Кабельный журнал (продолжение) ТП 902-1-134.88-ЭМ-53 Кабельный журнал (продолжение) ТП 902-1-134.88-ЭМ-54 Кабельный журнал (продолжение) ТП 902-1-134.88-ЭМ-55 Кабельный журнал (окончание) ТП 902-1-134.88-ЭМ-56 Установка электрооборудования. План ТП 902-1-134.88-ЭМ-57 Установка электрооборудования. Разрезы ТП 902-1-134.88-ЭМ-58 План расположения электрооборудования и прокладка кабелей (начало) ТП 902-1-134.88-ЭМ-59 План расположения электрооборудования и прокладка кабелей (продолжение) ТП 902-1-134.88-ЭМ-60 План расположения электрооборудования и прокладка кабелей (окончание) ТП 902-1-134.88-ЭМ-61 Заземление и зануление электрооборудования ТП 902-1-134.88-ЭМ-62 Прокладка троллейного шинопровода для крана ТП 902-1-134.88-Эмз.з.Н1 Эскизный чертеж общего низковольтного комплектного устройства ШУ1(ШУ2,ШУ3,ШУ4) ТП 902-1-134.88-Эмз.з.Н2 Эскизный чертеж общего низковольтного комплектного устройства Я ТП 902-1-134.88-ЭМ.ОЛ1 Опросный лист для заказа 2КТП-400. Армэлектрозавода ТП 902-1-134.88-ЭМ.ОЛ2-1 Опросный лист на поставку устройства комплектного распределительного типа КМ-1Ф-6-20У3 (начало) ТП 902-1-134.88-ЭМ.ОЛ2-2 Опросный лист на поставку устройства комплектного распределительного типа КМ-1Ф-6-20У3 (продолжение) ТП 902-1-134.88-ЭМ.ОЛ2-3 Опросный лист на поставку устройства комплектного распределительного типа КМ-1Ф-6-20У3 (продолжение) ТП 902-1-134.88-ЭМ.ОЛ2-4 Опросный лист на поставку устройства комплектного распределительного типа КМ-1Ф-6-20У3 (продолжение) ТП 902-1-134.88-ЭМ.ОЛ2-5 Опросный лист на поставку устройства комплектного распределительного типа КМ-1Ф-6-20У3 (окончание) ТП 902-1-134.88-ЭО Электрическое освещение ТП 902-1-134.88-ЭО-1 Общие данные ТП 902-1-134.88-ЭО-2 Электрическое освещение. Планы на отм. 0.000 и -4.800(-3.600) ТП 902-1-134.88-АТХ Автоматизация ТП 902-1-134.88-АТХ-1 Общие данные ТП 902-1-134.88-АТХ-2 Схема автоматизации (начало) ТП 902-1-134.88-АТХ-3 Схема автоматизации (окончание). Схема распределительной сети ТП 902-1-134.88-АТХ-4 Схема соединения внешних проводок (начало) ТП 902-1-134.88-АТХ-5 Схема соединения внешних проводок (продолжение) ТП 902-1-134.88-АТХ-6 Схема соединения внешних проводок (продолжение) ТП 902-1-134.88-АТХ-7 Схема соединения внешних проводок (окончание) ТП 902-1-134.88-АТХ-8 Щит оператора. Схема подключения внешних проводок (начало) ТП 902-1-134.88-АТХ-9 Щит оператора. Схема подключения внешних проводок (продолжение) ТП 902-1-134.88-АТХ-10 Щит оператора. Схема подключения внешних проводок (продолжение) ТП 902-1-134.88-АТХ-11 Щит оператора. Схема подключения внешних проводок (окончание) ТП 902-1-134.88-АТХ-12 План расположения (начало) ТП 902-1-134.88-АТХ-13 План расположения (окончание) ТП 902-1-134.88-АТХз.з.1-1 Эскизный чертеж общего вида щита оператора (Щ1) (начало) ТП 902-1-134.88-АТХз.з.1-2 Эскизный чертеж общего вида щита оператора (Щ1) (продолжение) ТП 902-1-134.88-АТХз.з.1-3 Эскизный чертеж общего вида щита оператора (Щ1) (окончание) ТП 902-1-134.88-АТХз.з.2-1 Эскизный чертеж общего вида щита оператора (Щ2) (начало) ТП 902-1-134.88-АТХз.з.2-2 Эскизный чертеж общего вида щита оператора (Щ3) (окончание) ТП 902-1-134.88-СС Связь и сигнализация ТП 902-1-134.88-СС-1 Общие данные. План на отм. 0.000 с сетями связи и сигнализации. Скелетная схема |
| Разработан: | ЦНИИЭП |
| Утверждён: | 15.03.1988 Госкомархитектура (62) |
| Заменяет собой: |
|






























































































