Скачать Типовой проект 902-9-28.85 Альбом 1. Газоснабжение, архитектурно-строительные решения, отопление и вентиляция, водопровод и канализацияДата актуализации: 01.01.2021
|
| Обозначение: | Типовой проект 902-9-28.85 |
| Обозначение англ: | 902-9-28.85 |
| Статус: | не определен законодательством |
| Название рус.: | Альбом 1. Газоснабжение, архитектурно-строительные решения, отопление и вентиляция, водопровод и канализация |
| Дата добавления в базу: | 01.09.2013 |
| Дата актуализации: | 01.01.2021 |
| Дата введения: | 07.05.1985 |
| Дата окончания срока действия: | 30.06.2003 |
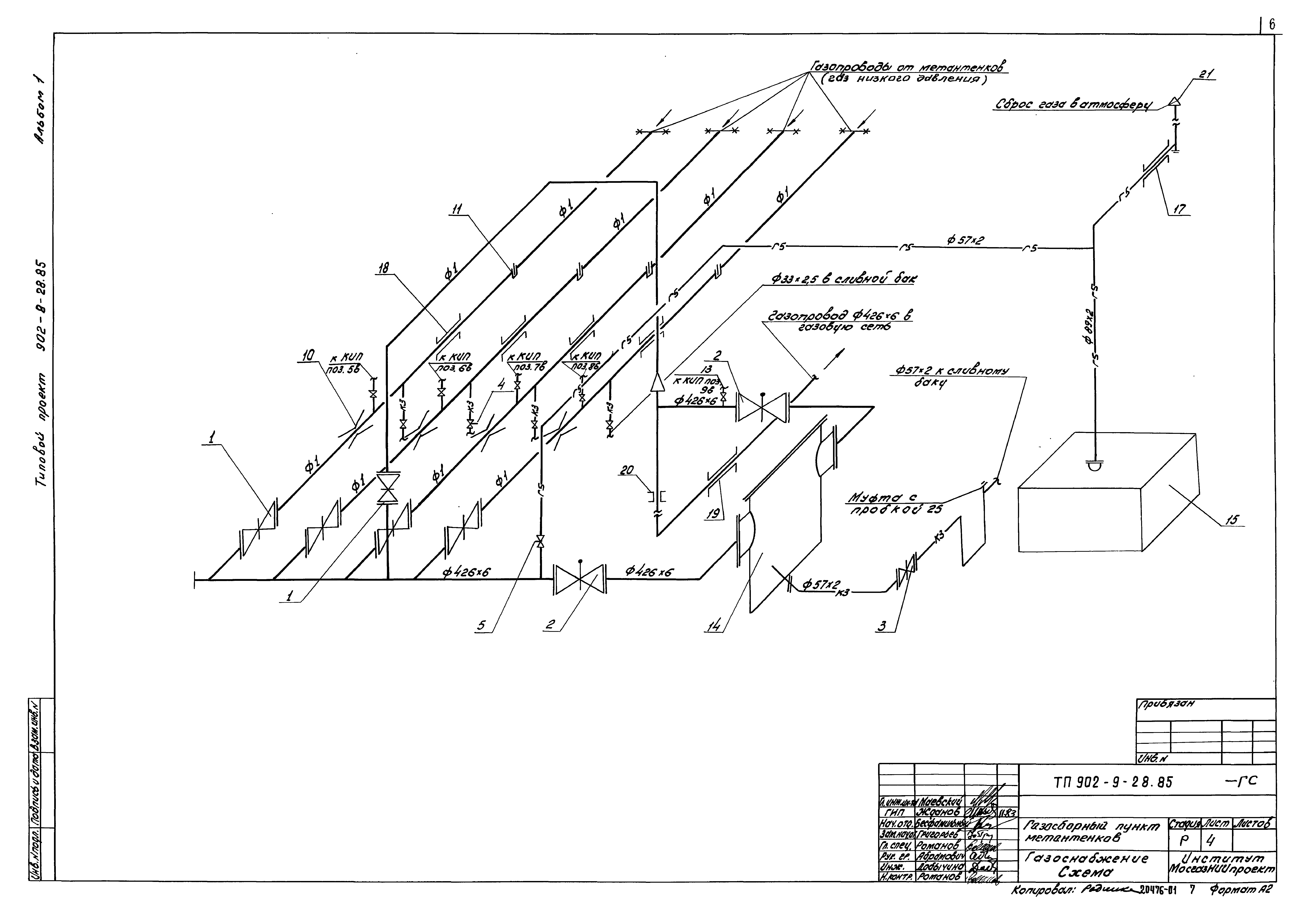
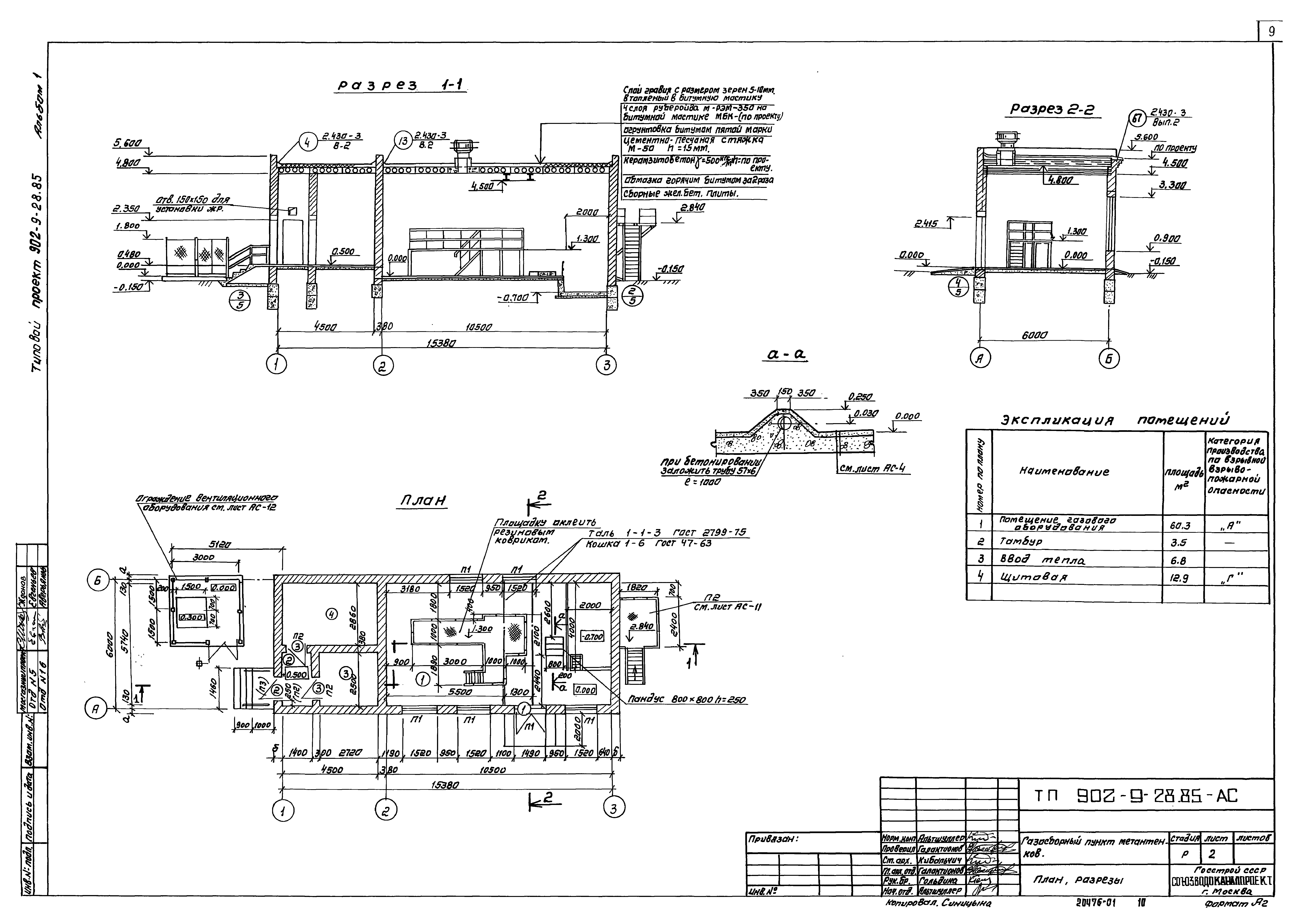
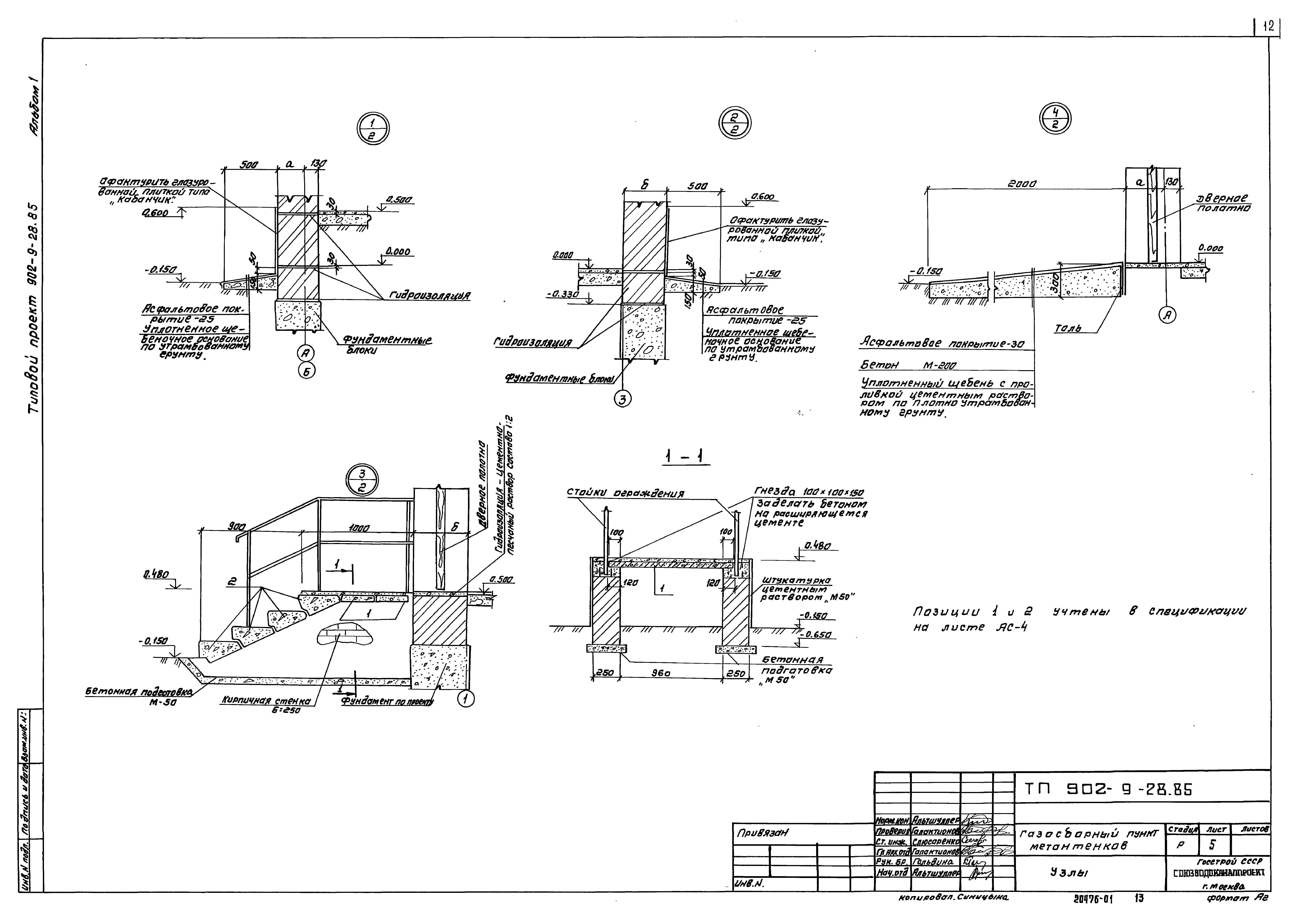
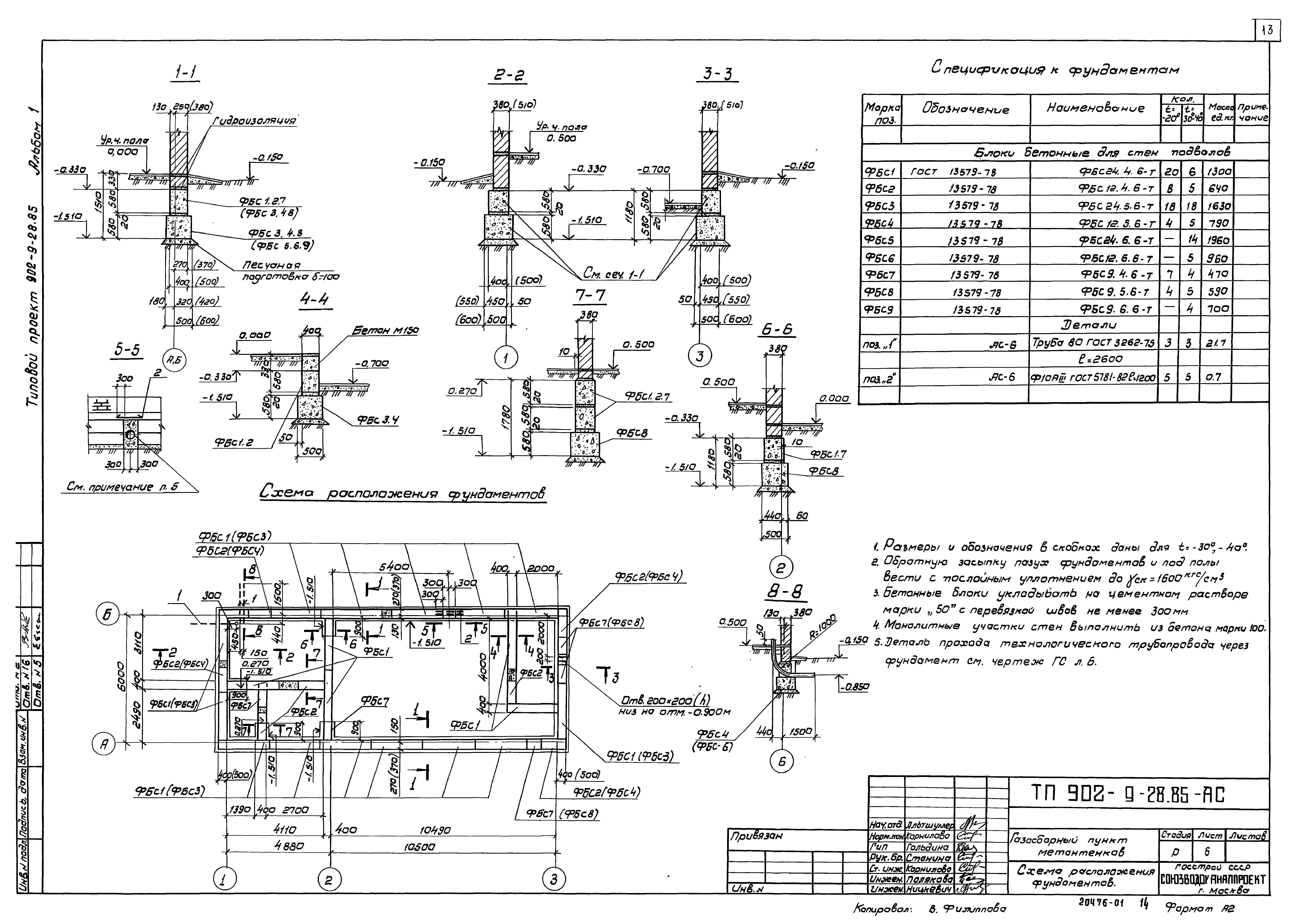
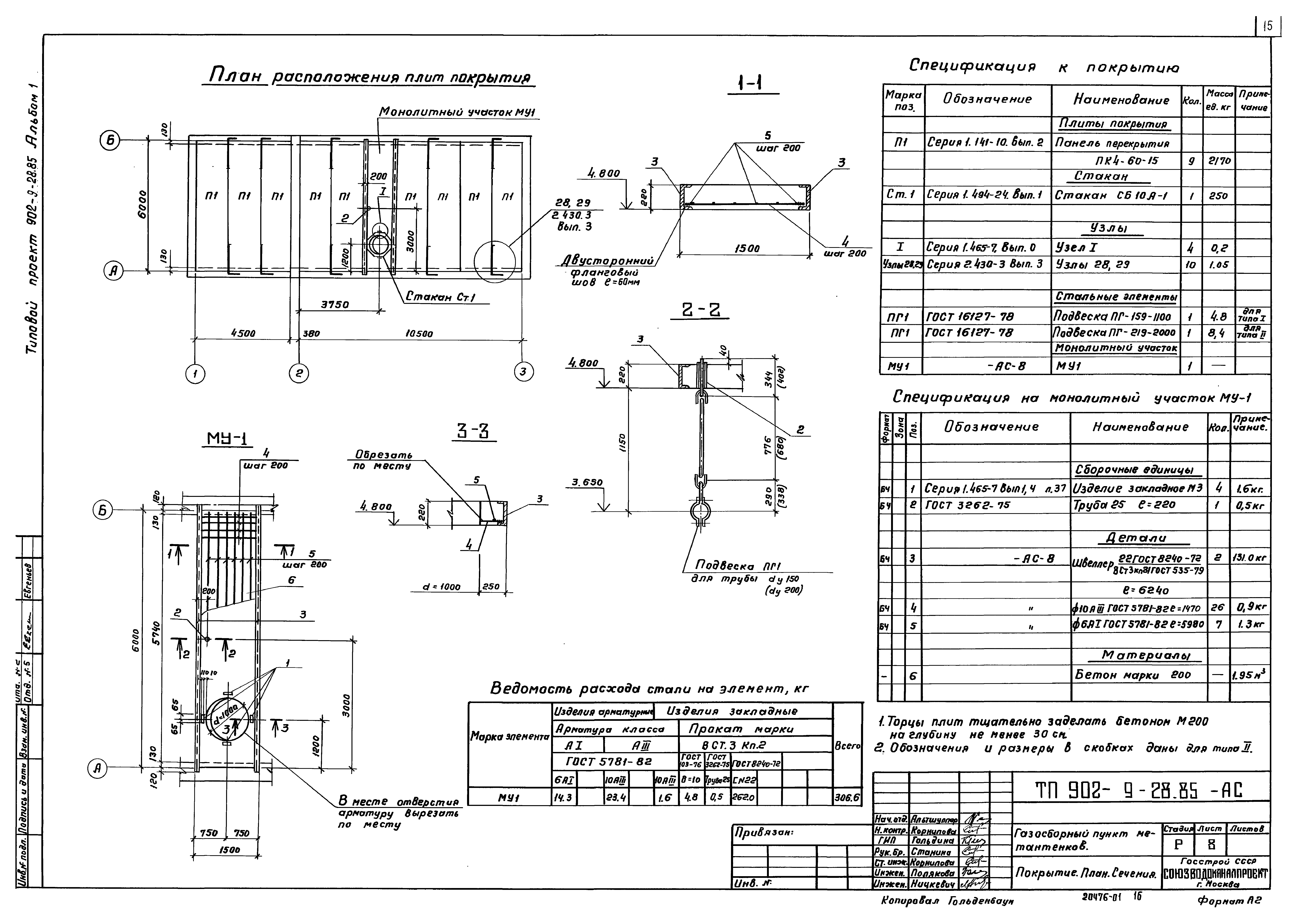
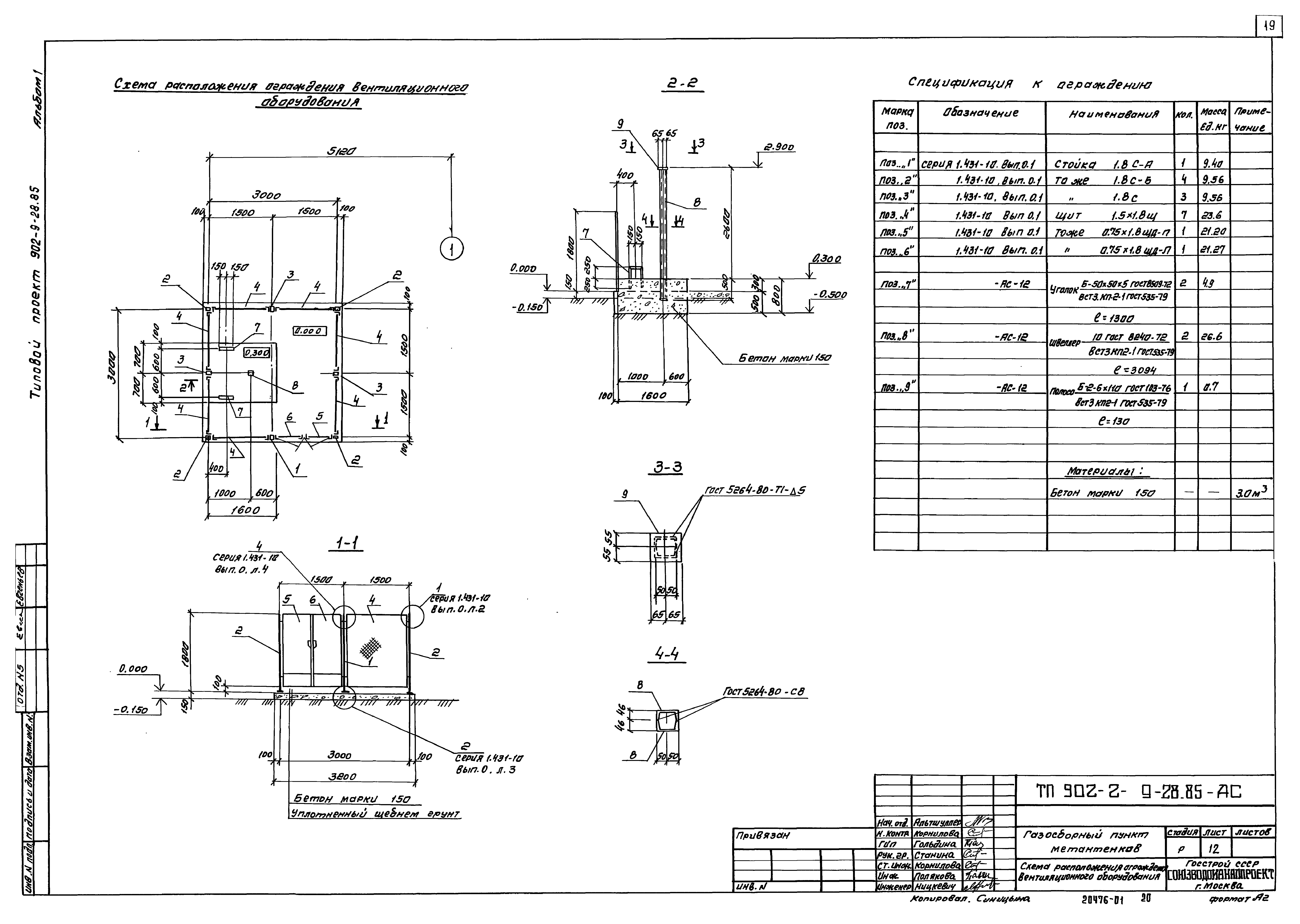
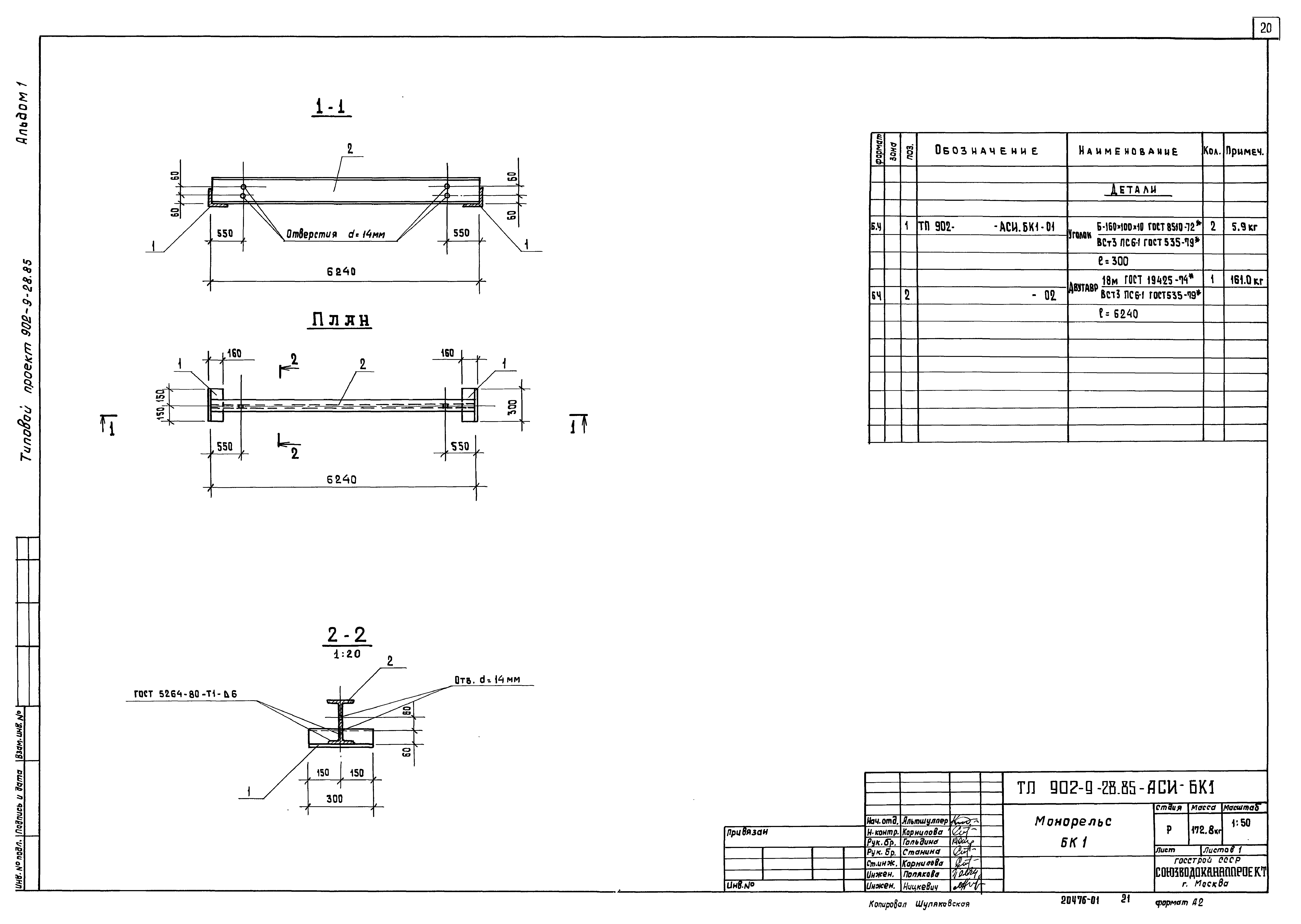
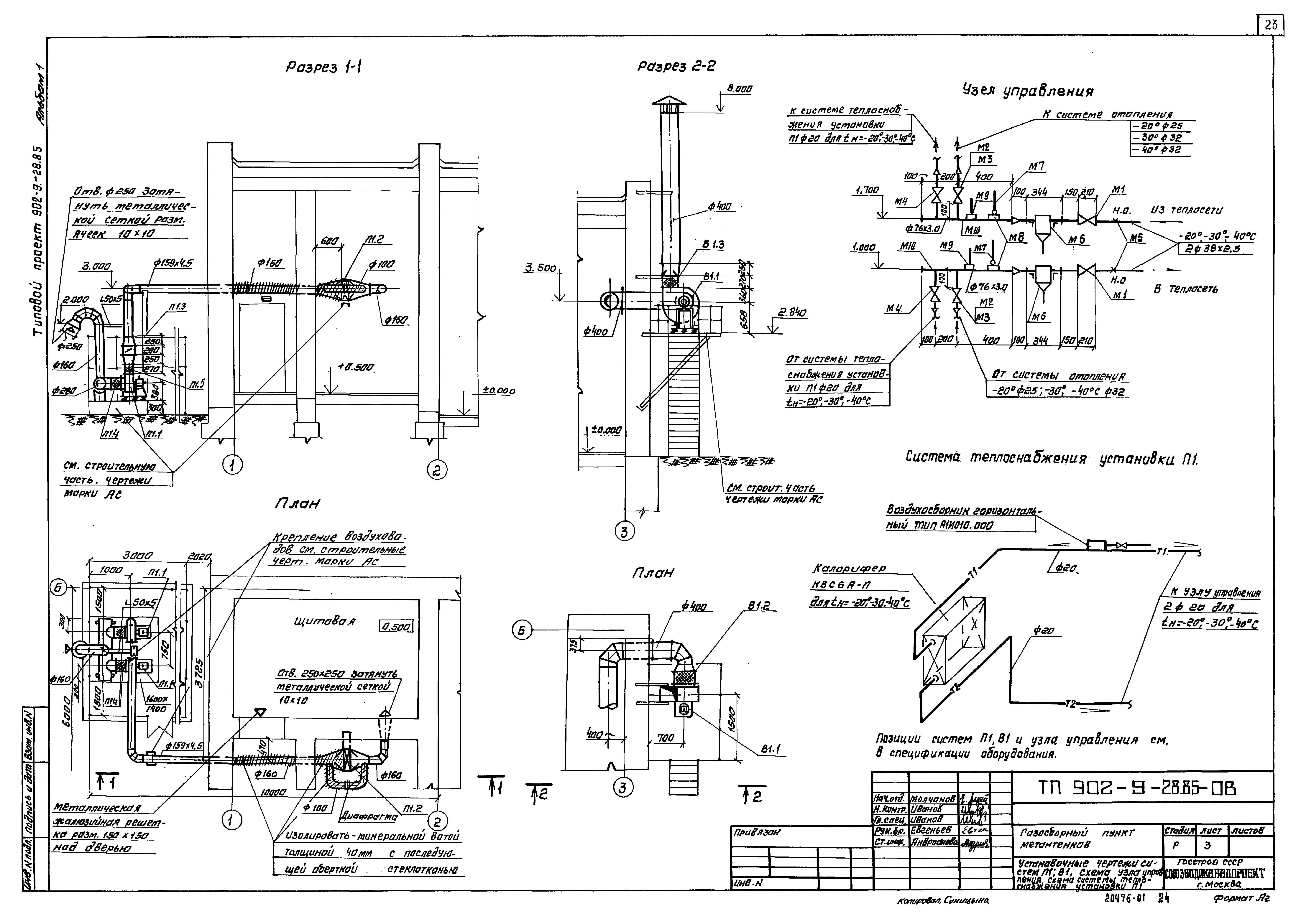
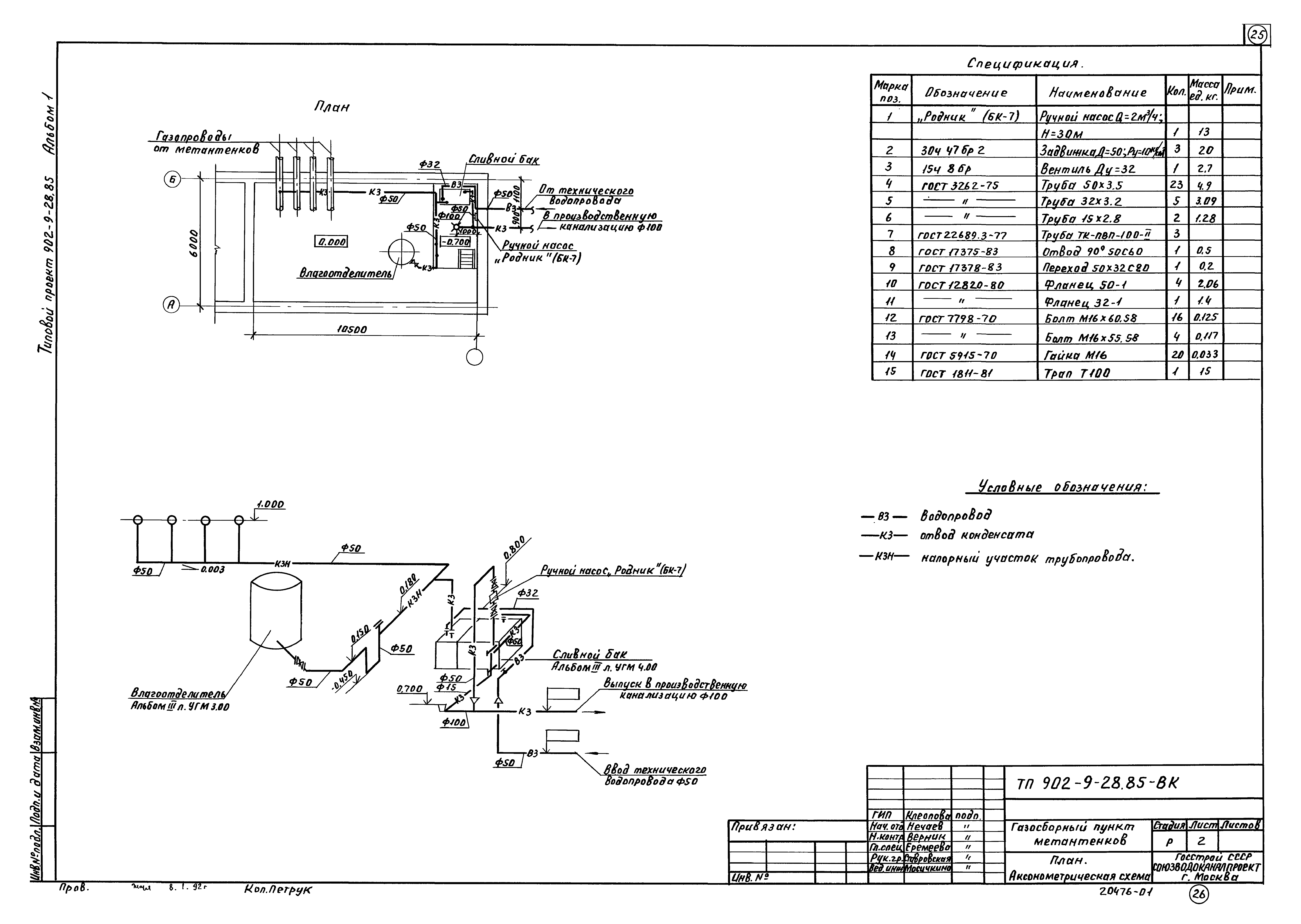
| Оглавление: | ТП 902-9-28.85-ГС Газоснабжение ТП 902-9-28.85-ГС-1 Общие данные ТП 902-9-28.85-ГС-2 Газоснабжение. План ТП 902-9-28.85-ГС-3 Газоснабжение. Разрезы 1-1;2-2 ТП 902-9-28.85-ГС-4 Газоснабжение. Схема ТП 902-9-28.85-ГС-5 Газоснабжение. Спецификация ТП 902-9-28.85-АС Архитектурно-строительные решения ТП 902-9-28.85-АС-1 Общие данные ТП 902-9-28.85-АС-2 План. Разрезы ТП 902-9-28.85-АС-3 Фасады ТП 902-9-28.85-АС-4 План кровли, полов. Спецификации ТП 902-9-28.85-АС-5 Узлы ТП 902-9-28.85-АС-6 Схема расположения фундаментов ТП 902-9-28.85-АС-7 Схема расположения отверстий и закладных элементов в стенах. Схема расположения монорельсов ТП 902-9-28.85-АС-8 Покрытие. План. Сечения ТП 902-9-28.85-АС-9 Схема расположения опор под трубопроводы ТП 902-9-28.85-АС-10 Схема расположения площадок П1,П2. Площадка П1 ТП 902-9-28.85-АС-11 Площадка П2. Сечения 7-7,8-8 ТП 902-9-28.85-АС-12 Схема расположения ограждения вентиляторного оборудования ТП 902-9-28.85-АСИ Прилагаемые документы марки АСИ ТП 902-9-28.85-АСИ-БК1 Монорельс БК-1 ТП 902-9-28.85-ОВ Отопление и вентиляция ТП 902-9-28.85-ОВ-1 Общие данные ТП 902-9-28.85-ОВ-2 План, разрез, схема системы отопления. Схемы систем П1,В1. Схема системы теплоснабжения установки П1 ТП 902-9-28.85-ОВ-3 Установочные чертежи систем П1,В1, схема узла ввода ТП 902-9-28.85-ВК Внутренний водопровод и канализация ТП 902-9-28.85-ВК-1 Общие данные ТП 902-9-28.85-ВК-2 Внутренний водопровод и канализация. План. Аксонометрическая схема |
| Разработан: | Союзводоканалпроект |
| Утверждён: | 12.10.1984 Госстрой СССР (Государственный комитет Совета Министров СССР по делам строительства) (USSR Gosstroy ИИ-29) |

























