Скачать Серия ИИ24-2/70 Типовые конструкции многоэтажных производственных зданий. Железобетонные плиты для перекрытий типа 2, с опиранием на ригели прямоугольного сеченияДата актуализации: 01.01.2021
|
| Обозначение: | Серия ИИ24-2/70 |
| Обозначение англ: | Series ИИ24-2/70 |
| Статус: | не действует |
| Название рус.: | Типовые конструкции многоэтажных производственных зданий. Железобетонные плиты для перекрытий типа 2, с опиранием на ригели прямоугольного сечения |
| Дата добавления в базу: | 01.09.2013 |
| Дата актуализации: | 01.01.2021 |
| Дата окончания срока действия: | 01.02.1983 |
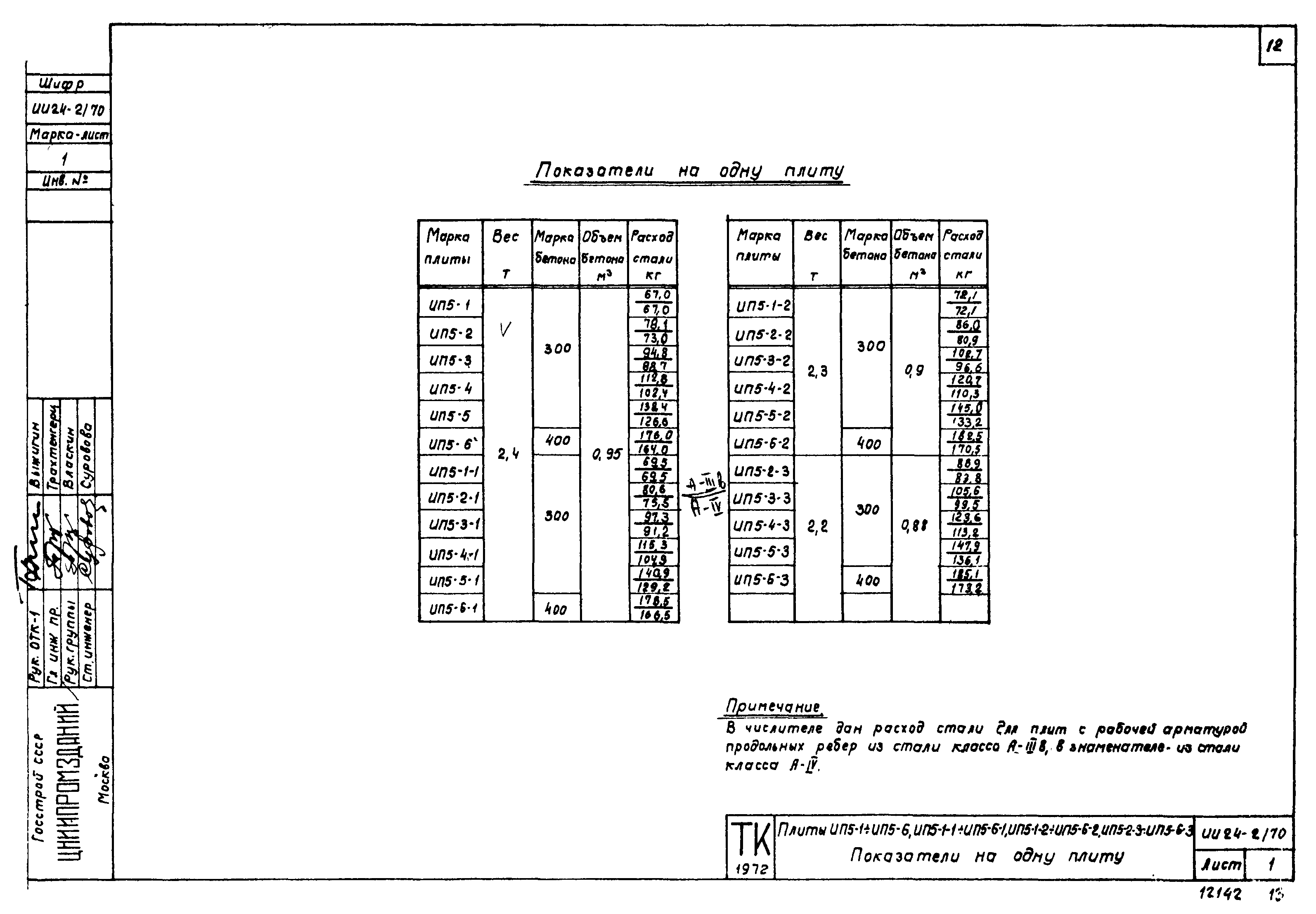
| Оглавление: | ИИ24-2/70 Пояснительная записка ИИ24-2/70 Рабочие чертежи ИИ24-2/70 Лист 1. Показатели на одну плиту ИИ24-2/70 Лист 2-4. Опалубочные чертежи ИИ24-2/70 Лист 5-7. Армирование ИИ24-2/70 Лист 8-11. Узлы 1-9 ИИ24-2/70 Лист 12-14. Расположение напрягаемой арматуры. Спецификация марок арматурных изделий на одну плиту ИИ24-2/70 Лист 15-17. Каркасы КР1-КР14 ИИ24-2/70 Лист 18-21. Сетки C1-C18 ИИ24-2/70 Лист 22. Составная позиция СП1. Арматурные изделия со спецификацией ИИ24-2/70 Лист 23. Закладные детали M1-М5 ИИ24-2/70 Лист 24. Спецификация стали на одну заготовку закладной детали ИИ24-2/70 Лист 25-29. Перечень позиций на одну плиту ИИ24-2/70 Лист 30. Спецификация позиций арматурных изделий и закладных деталей на альбом ИИ24-2/70 Лист 31. Выборка стали на одну плиту |
| Разработан: | ЦНИИпромзданий |
| Утверждён: | 28.11.1972 Госстрой СССР (Государственный комитет Совета Министров СССР по делам строительства) (USSR Gosstroy 203) |










































