Скачать Серия ИИ-04-2 Выпуск 4. Колонны связевого каркаса сечением 40х40 см для зданий с высотой этажа 3,6 м. Опалубка и армирование. Рабочие чертежиДата актуализации: 01.01.2021
|
| Обозначение: | Серия ИИ-04-2 |
| Обозначение англ: | Series ИИ-04-2 |
| Статус: | не действует |
| Название рус.: | Выпуск 4. Колонны связевого каркаса сечением 40х40 см для зданий с высотой этажа 3,6 м. Опалубка и армирование. Рабочие чертежи |
| Дата добавления в базу: | 01.09.2013 |
| Дата актуализации: | 01.01.2021 |
| Дата окончания срока действия: | 01.04.1982 |
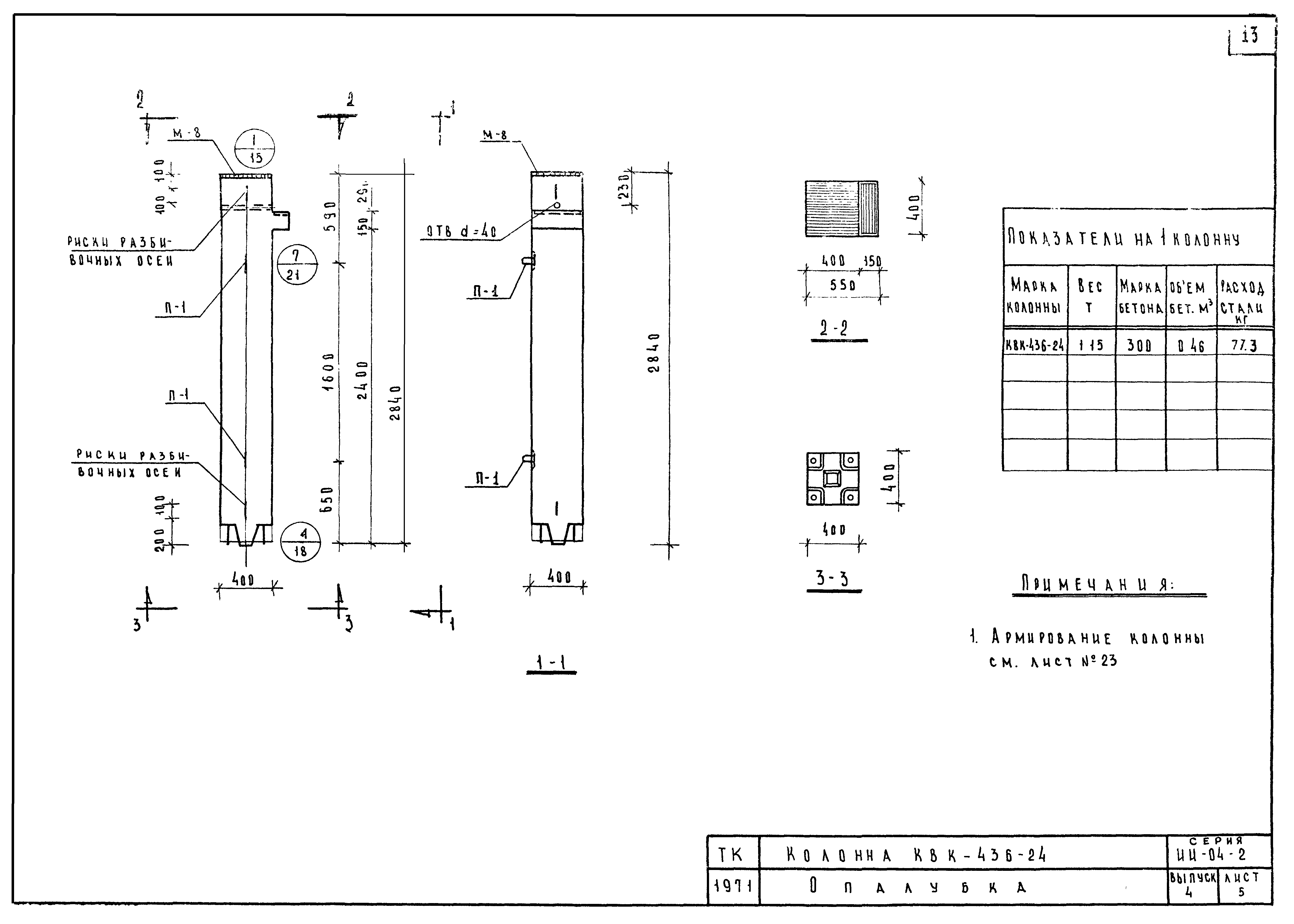
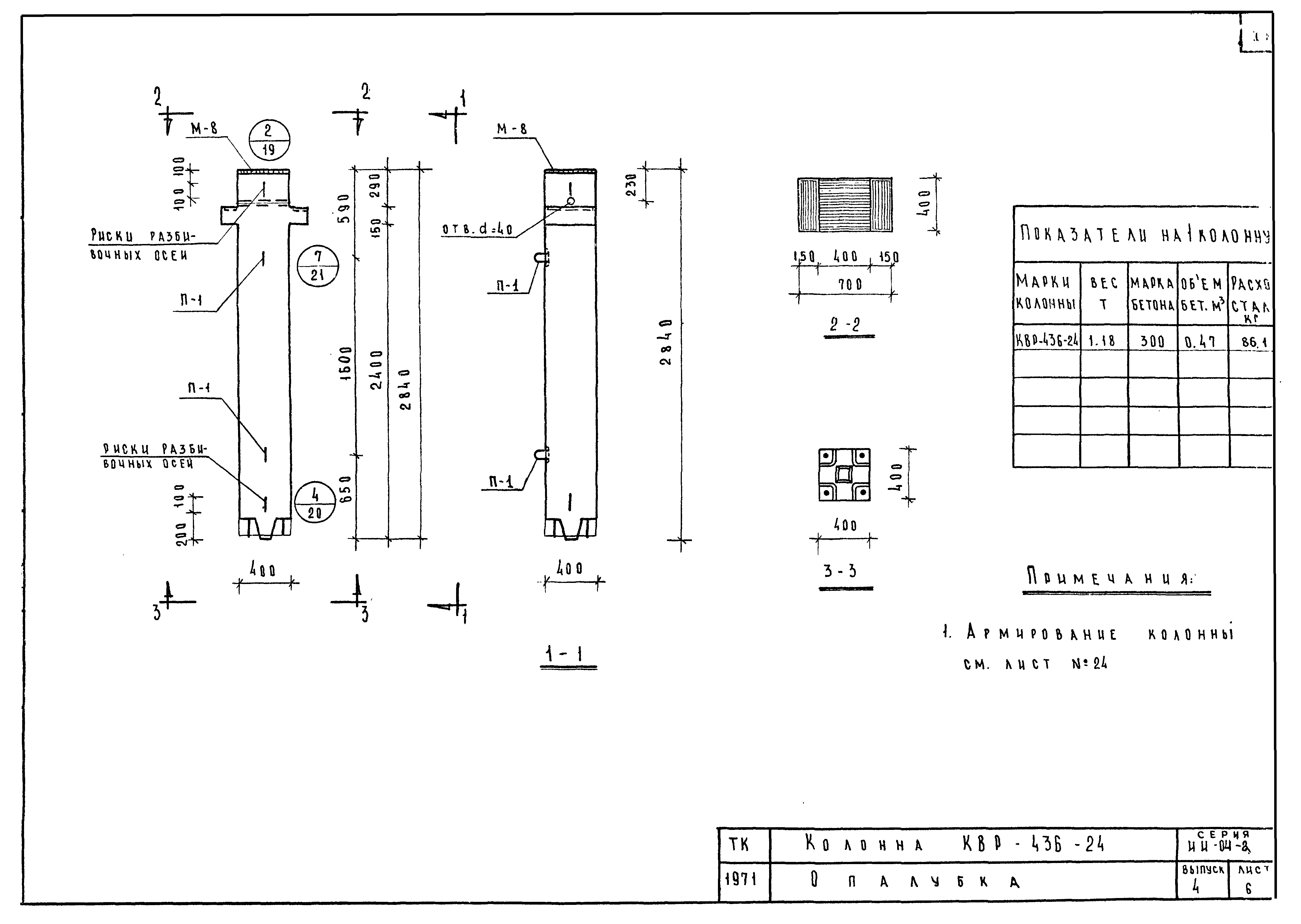
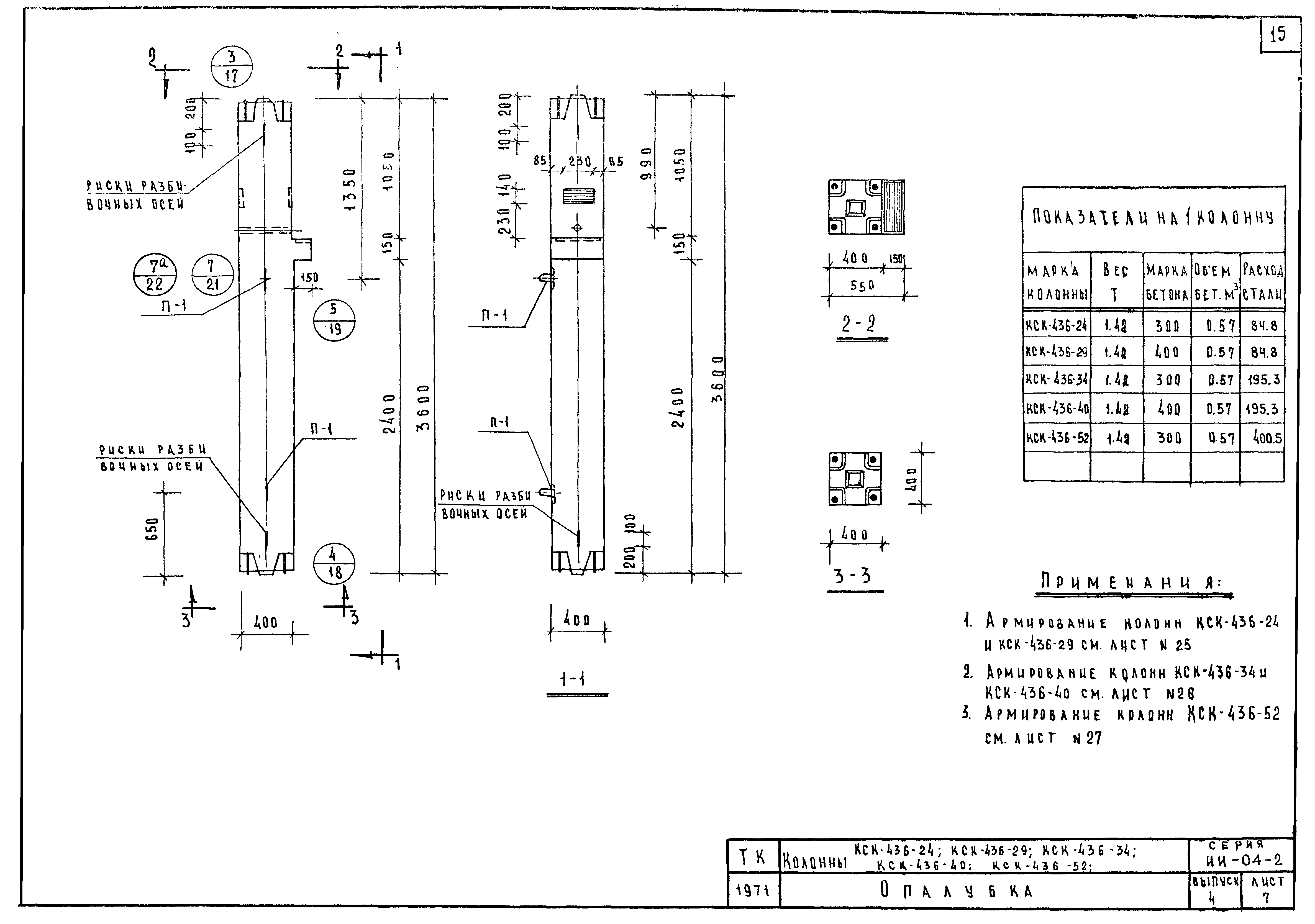
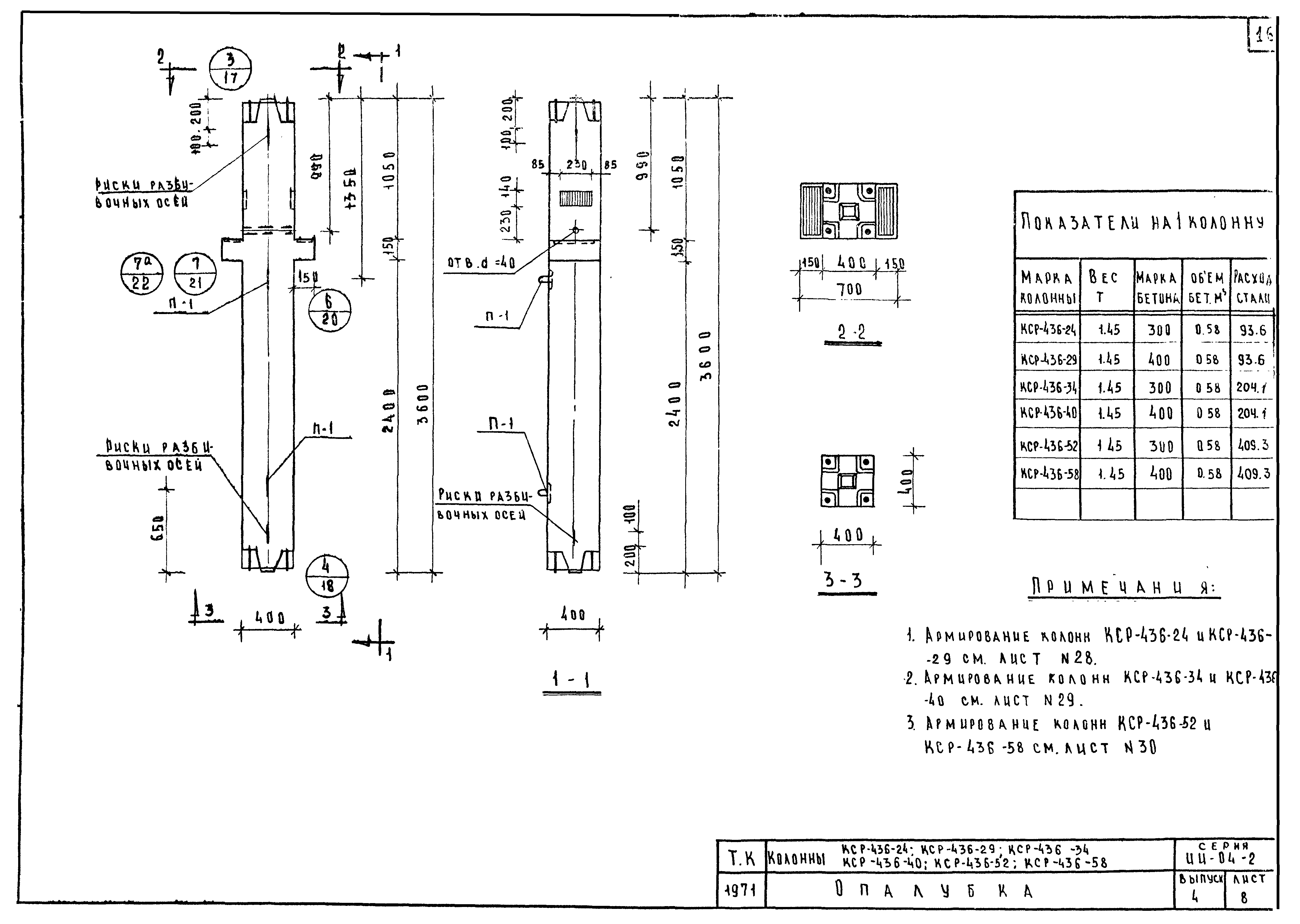
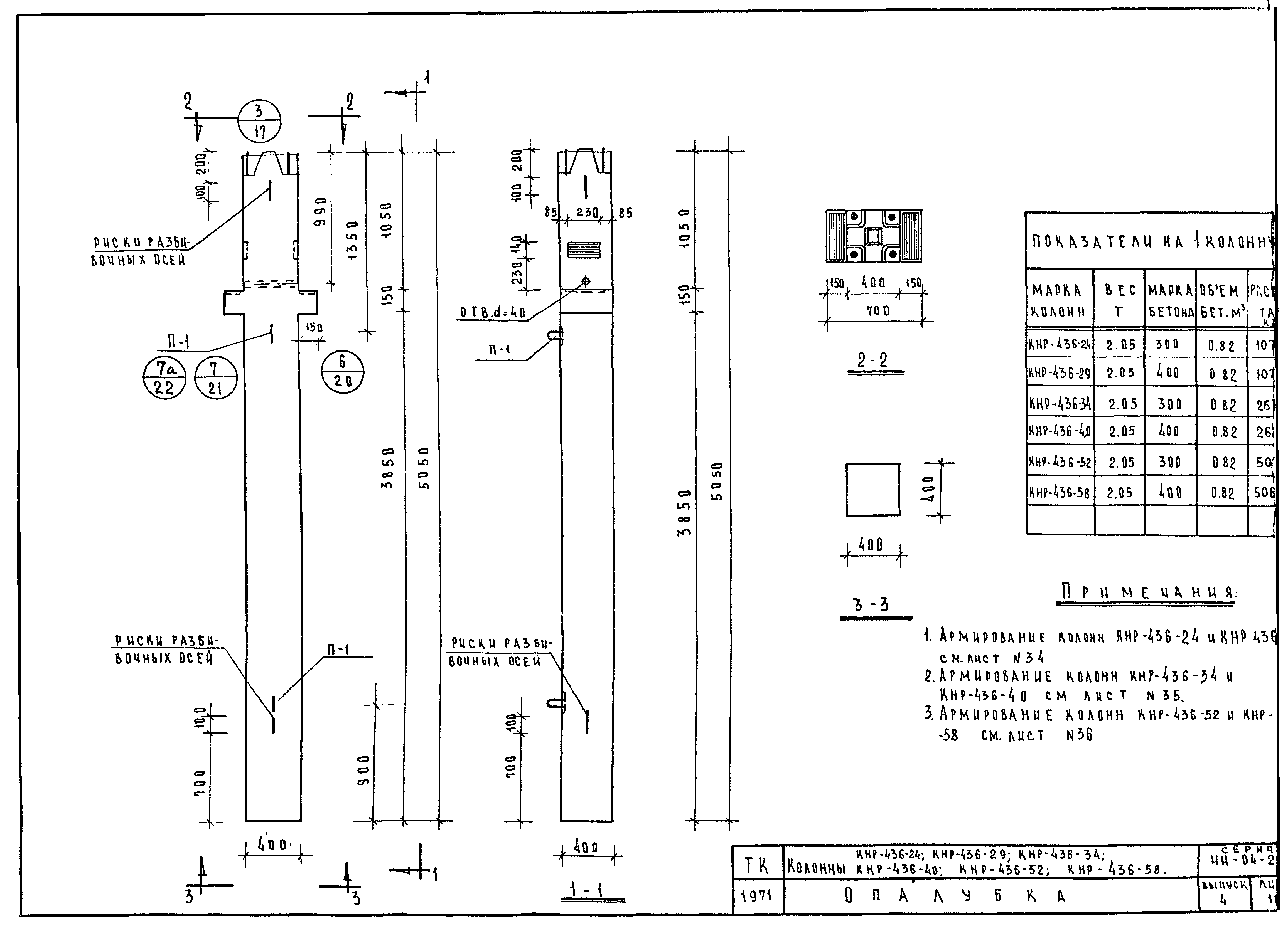
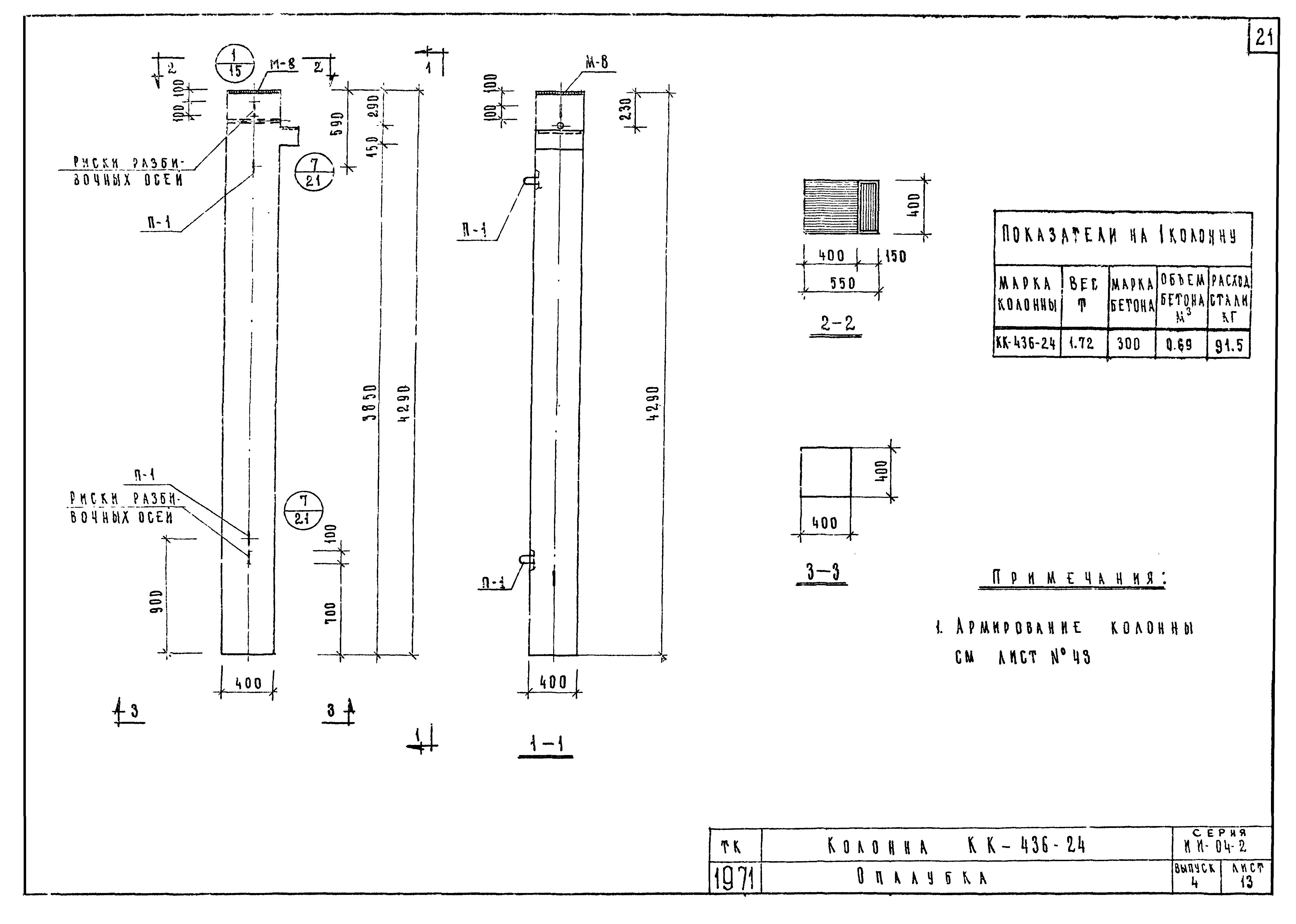
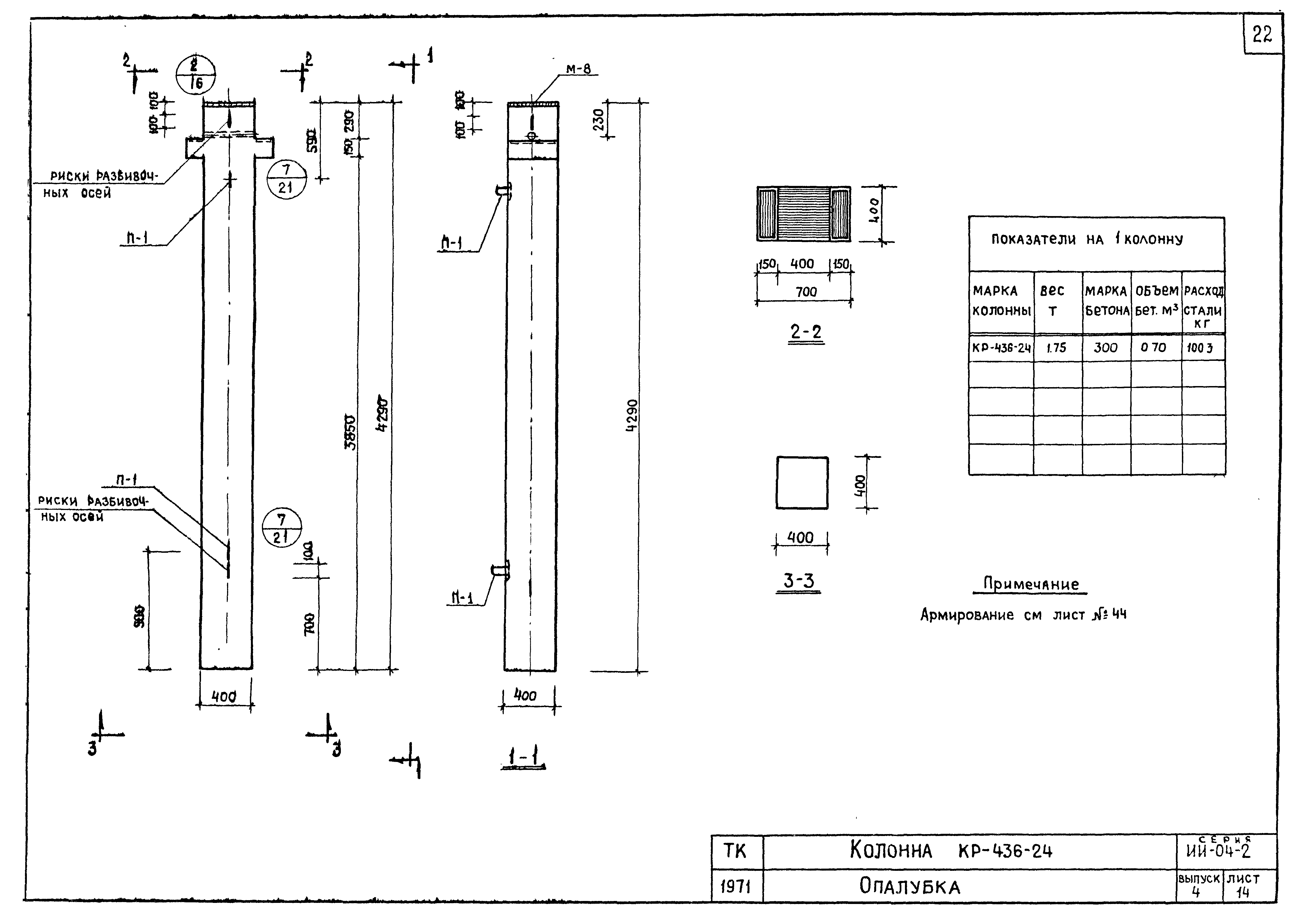
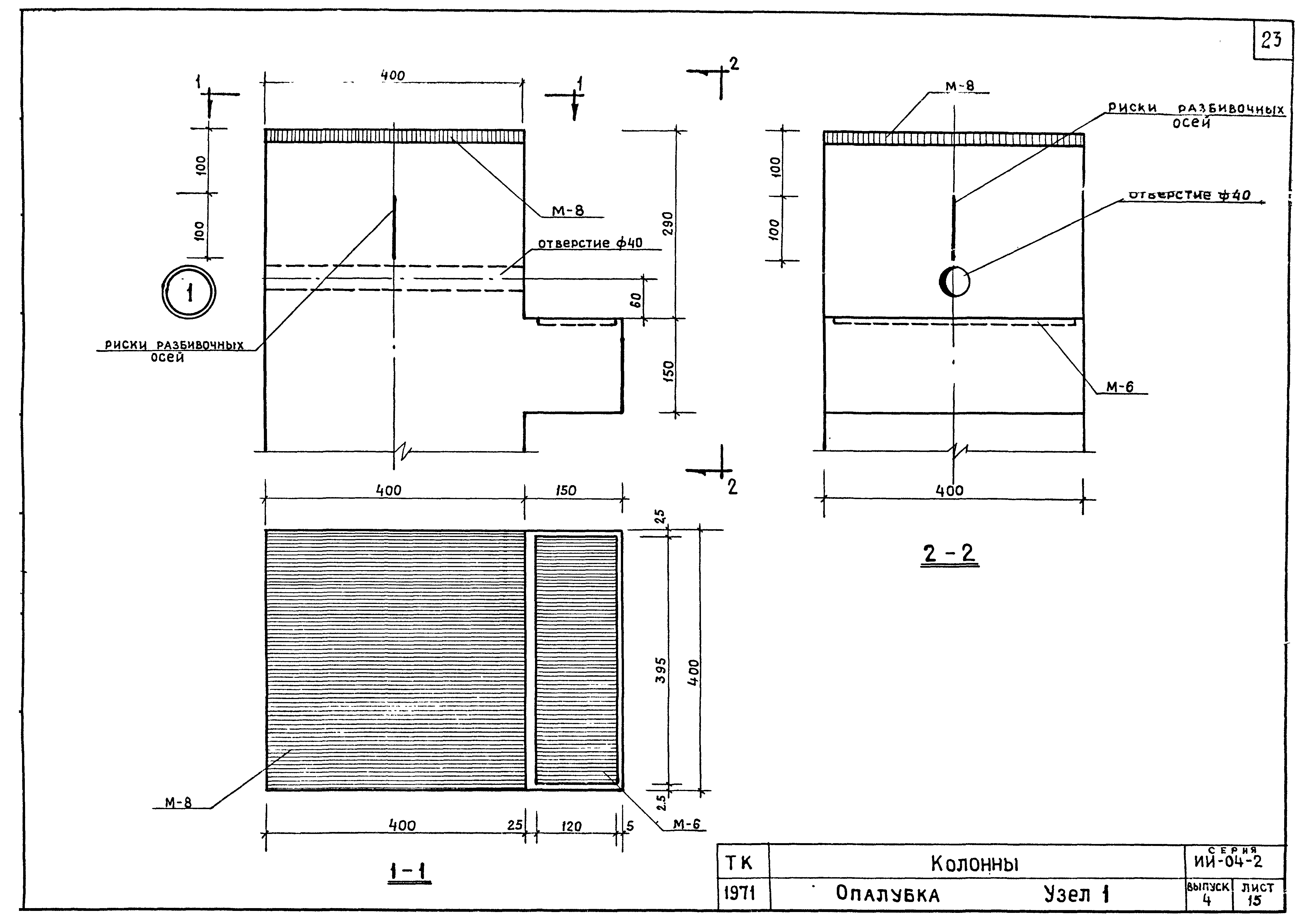
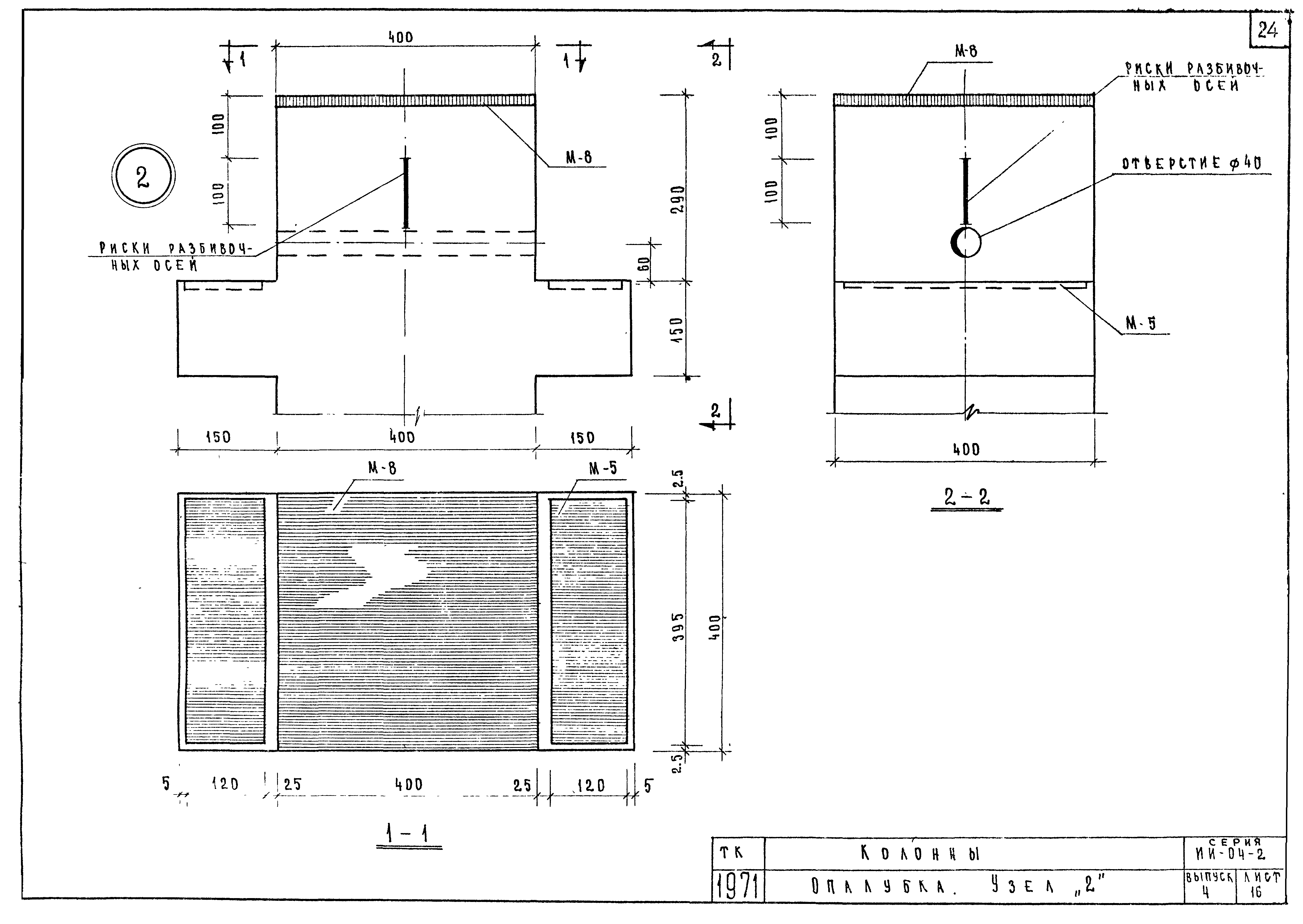
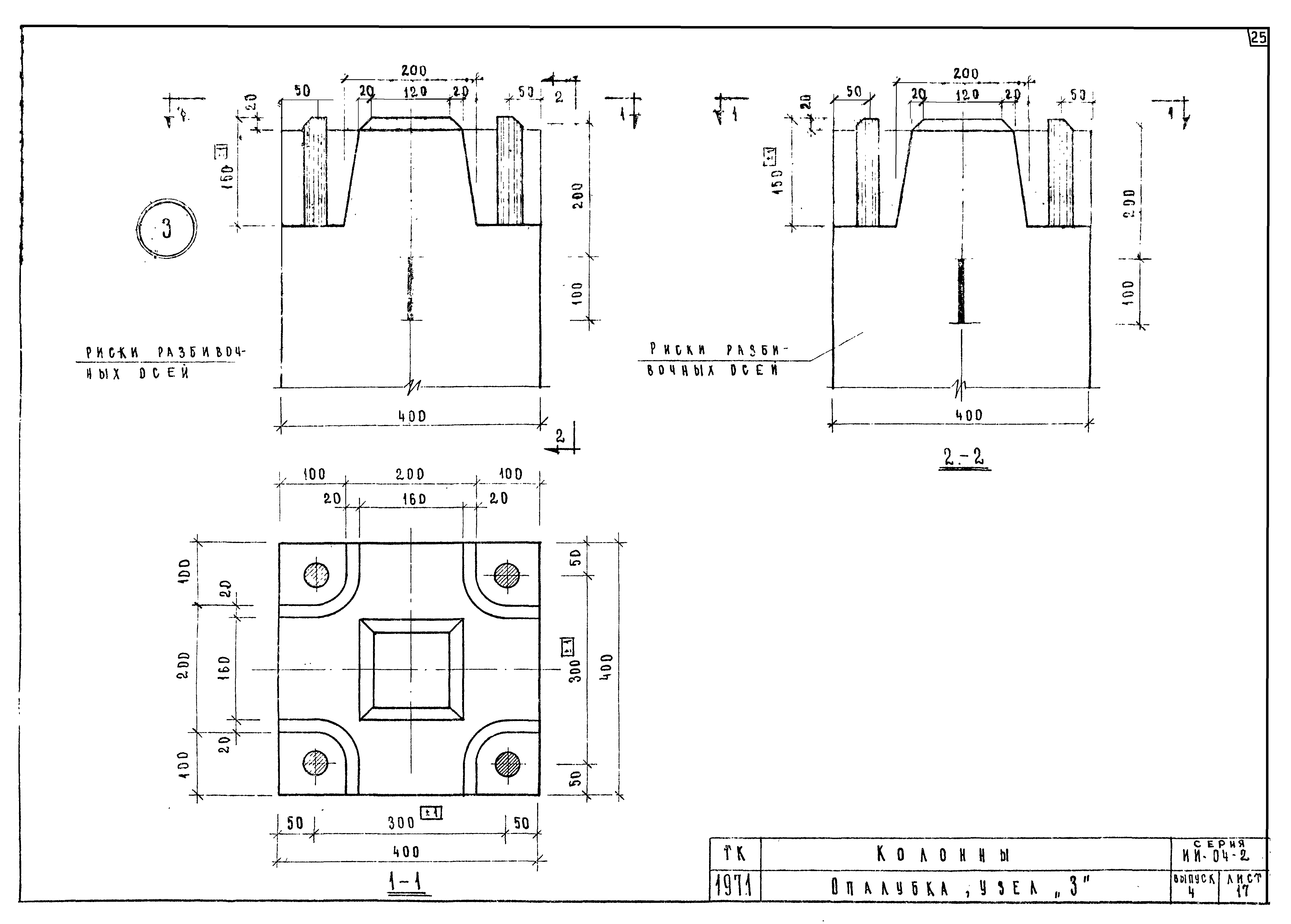
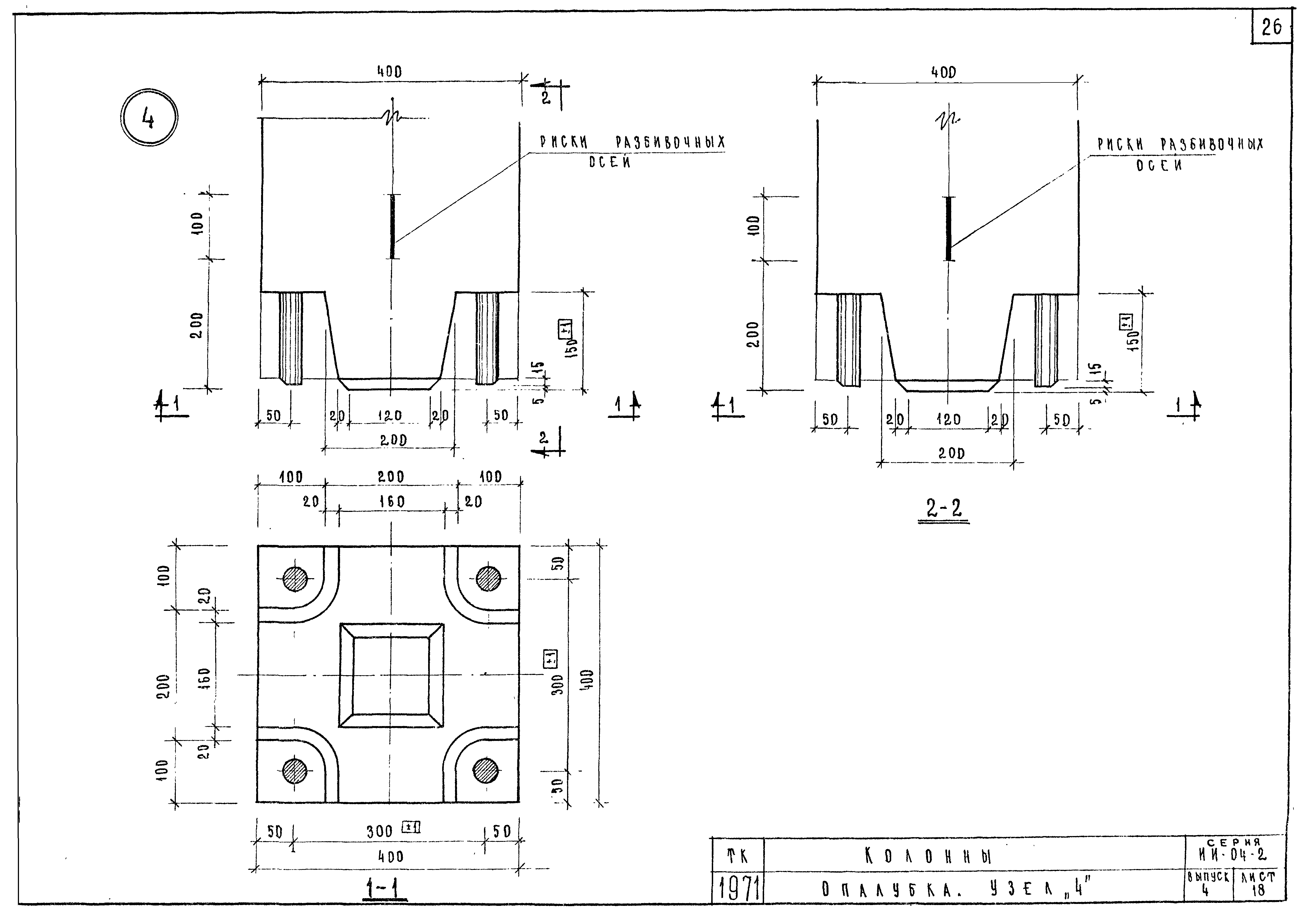
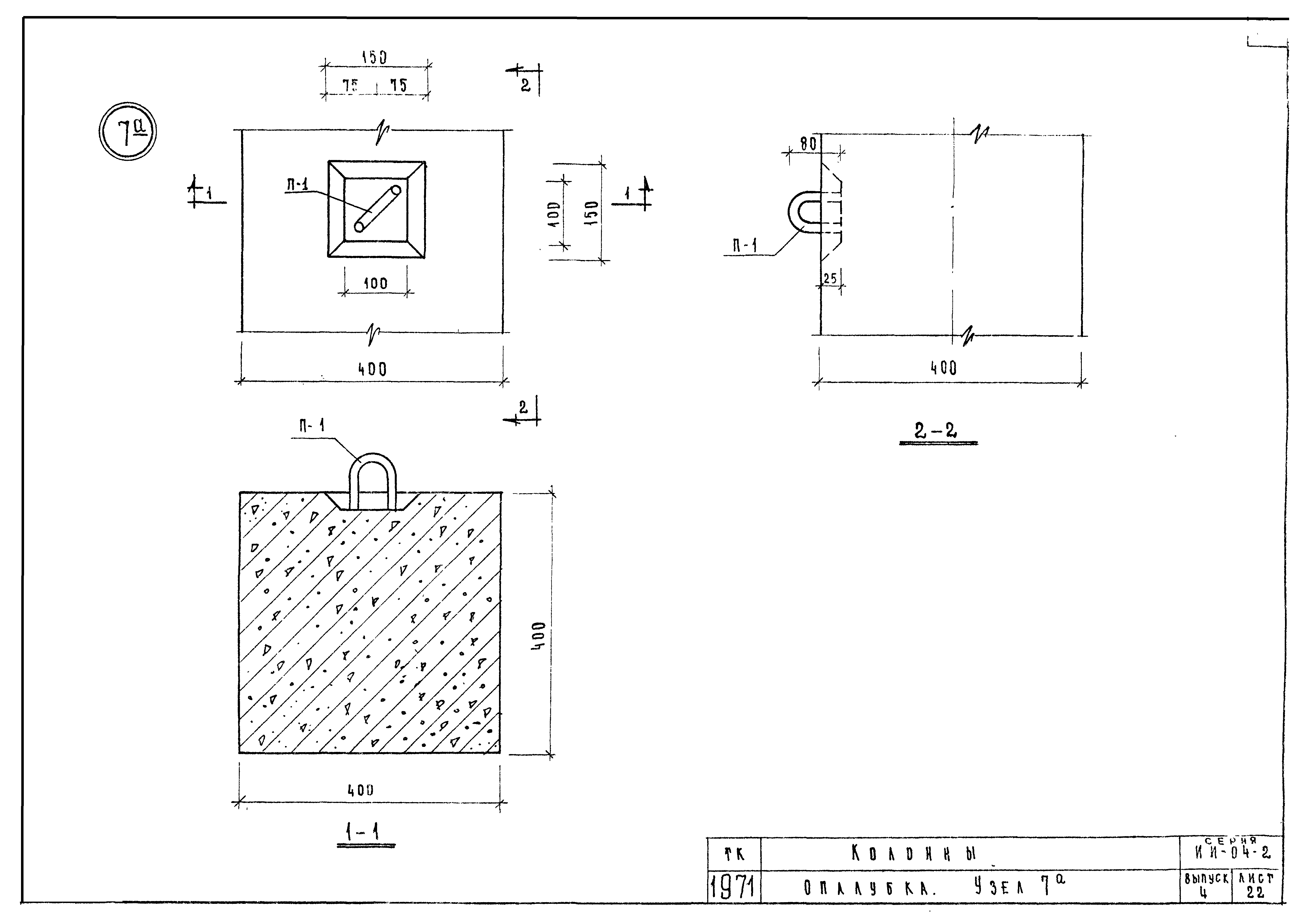
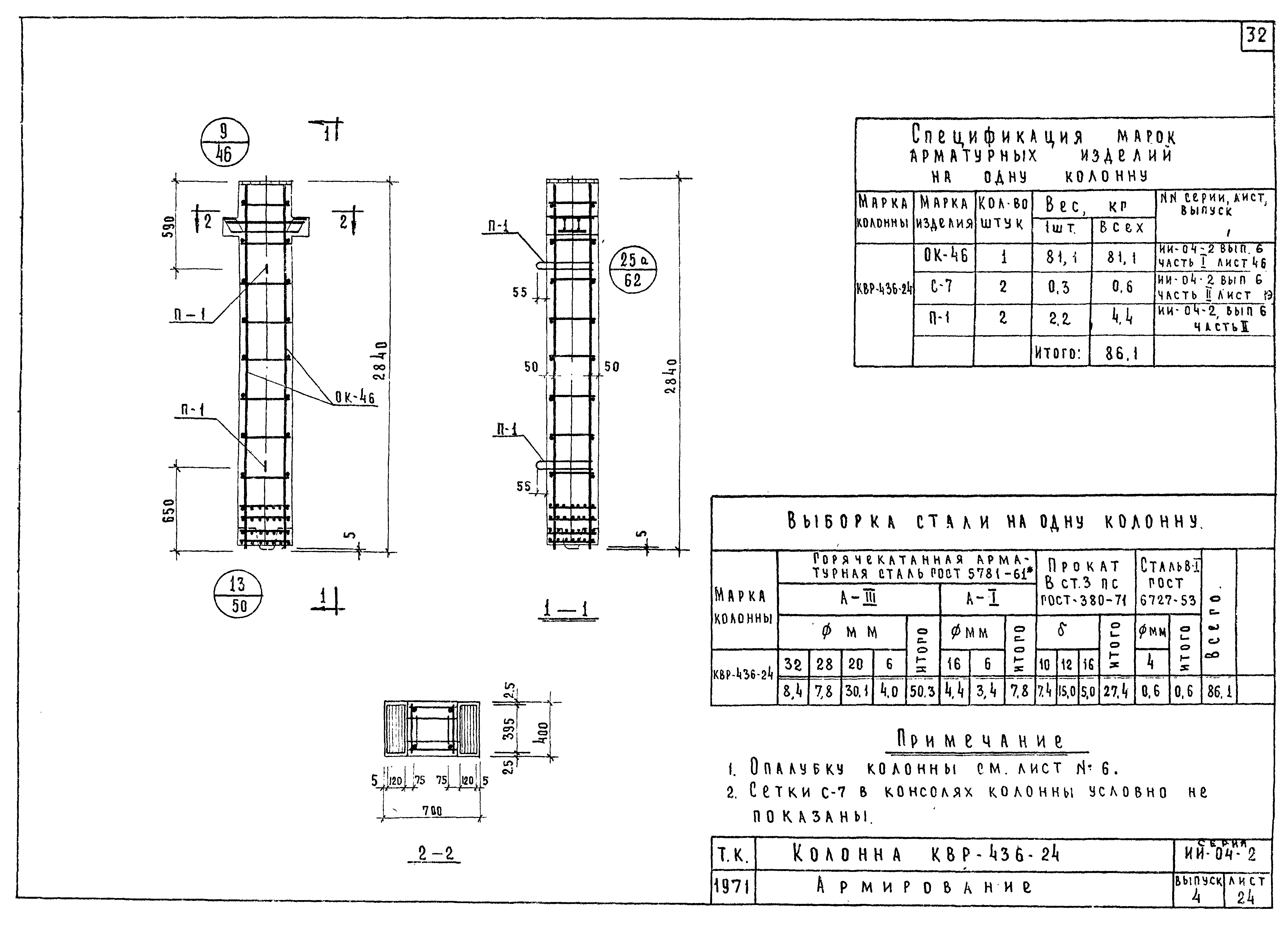
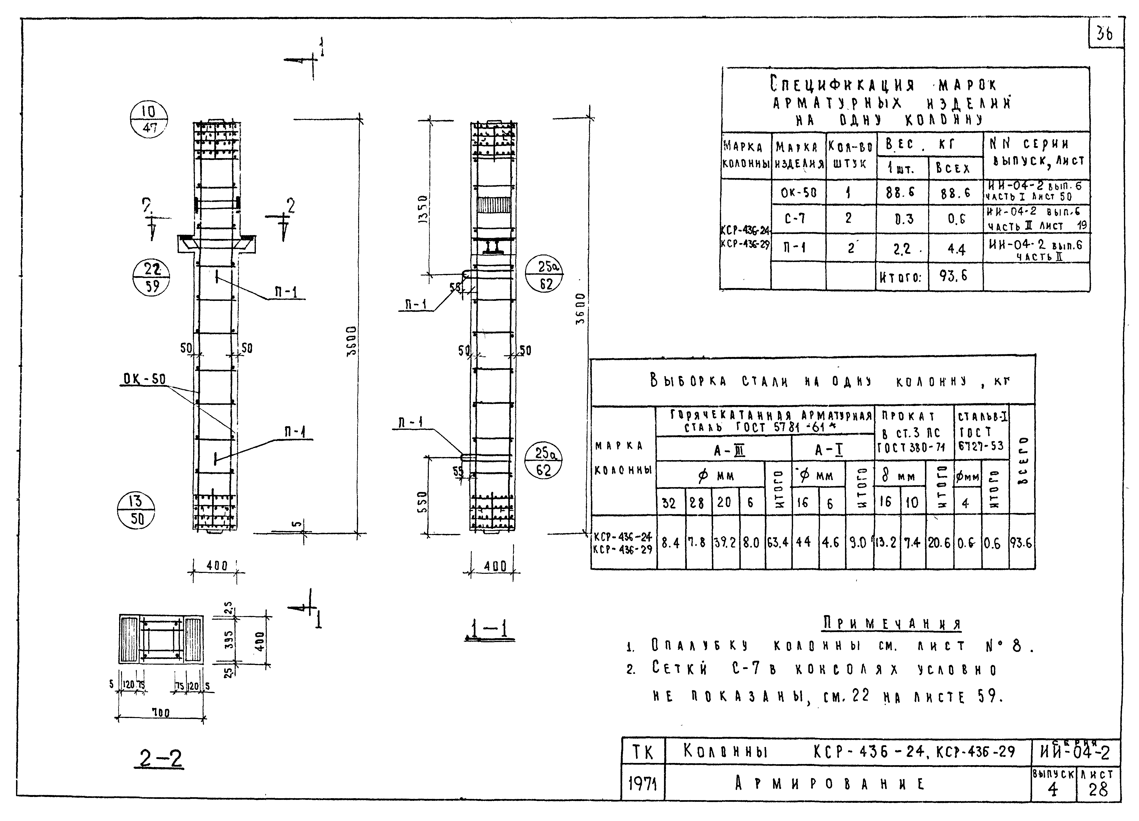
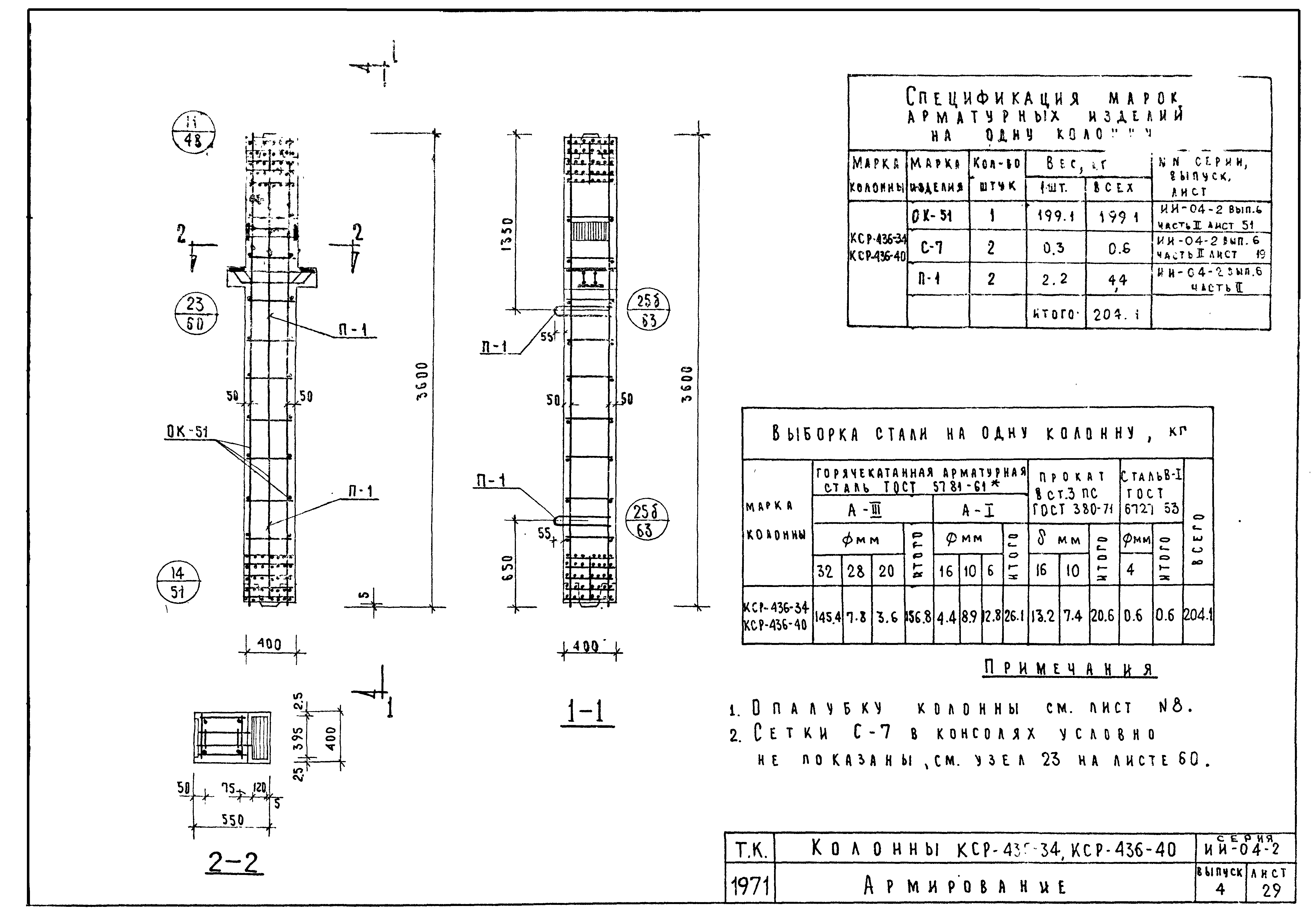
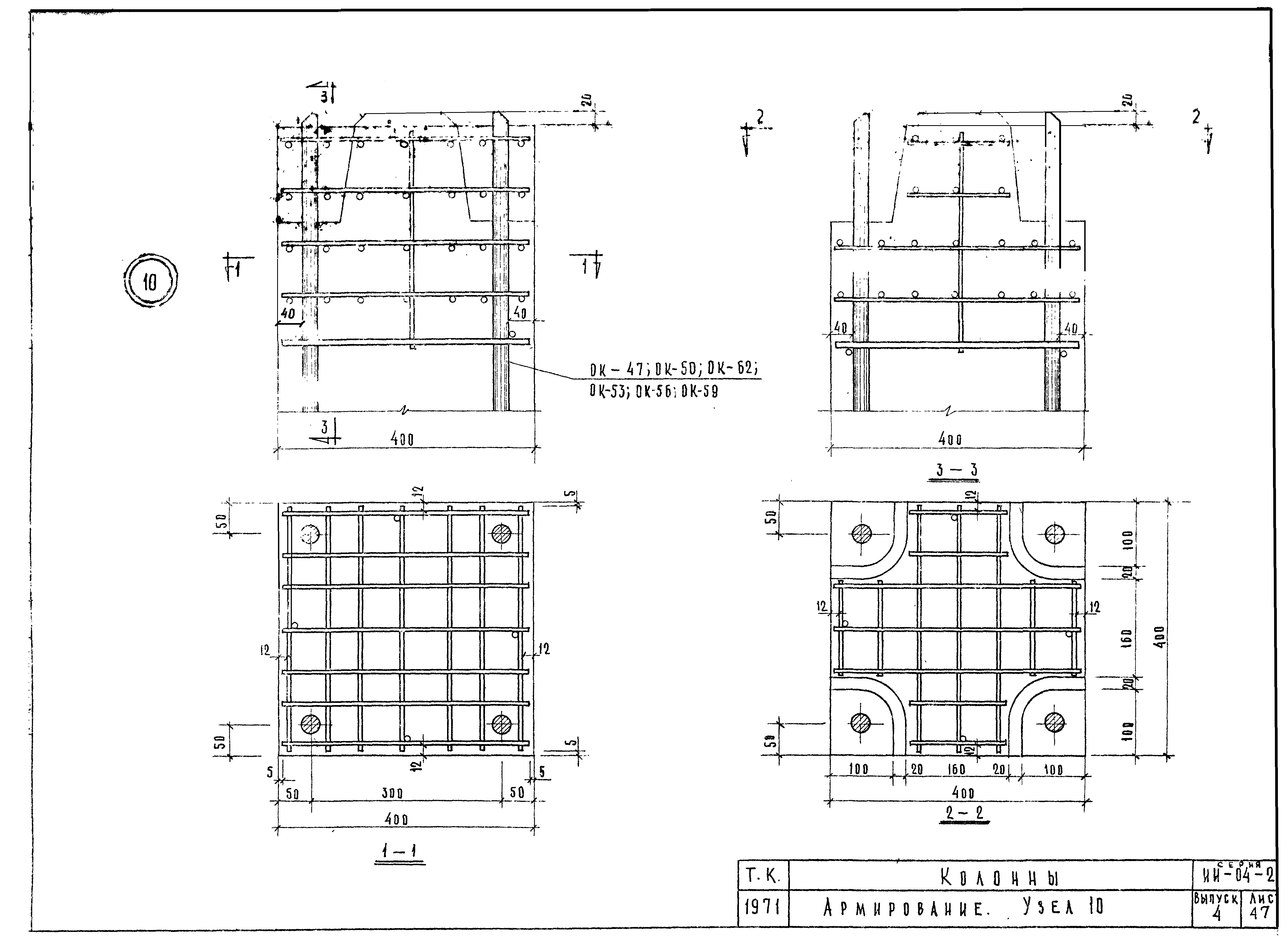
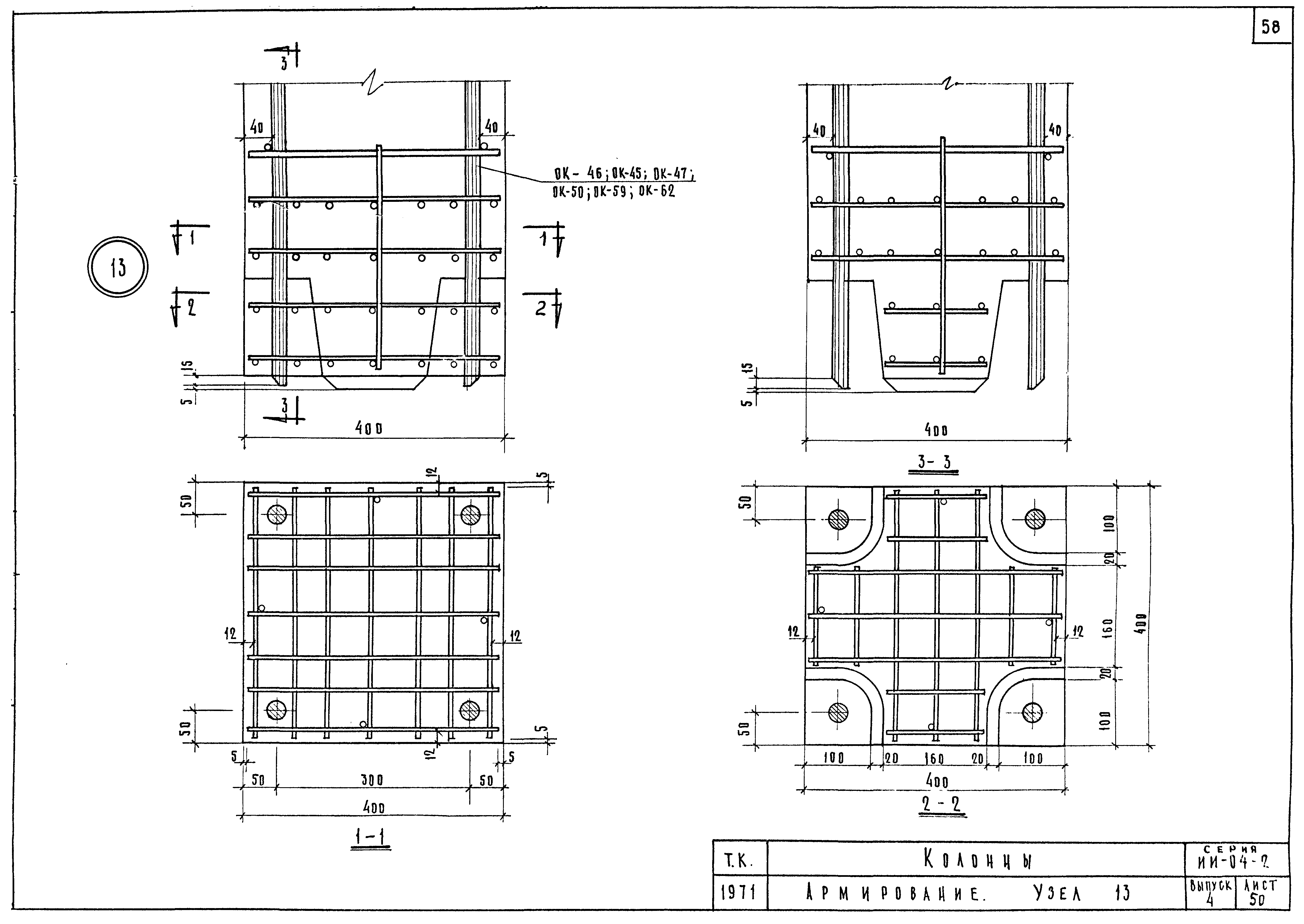
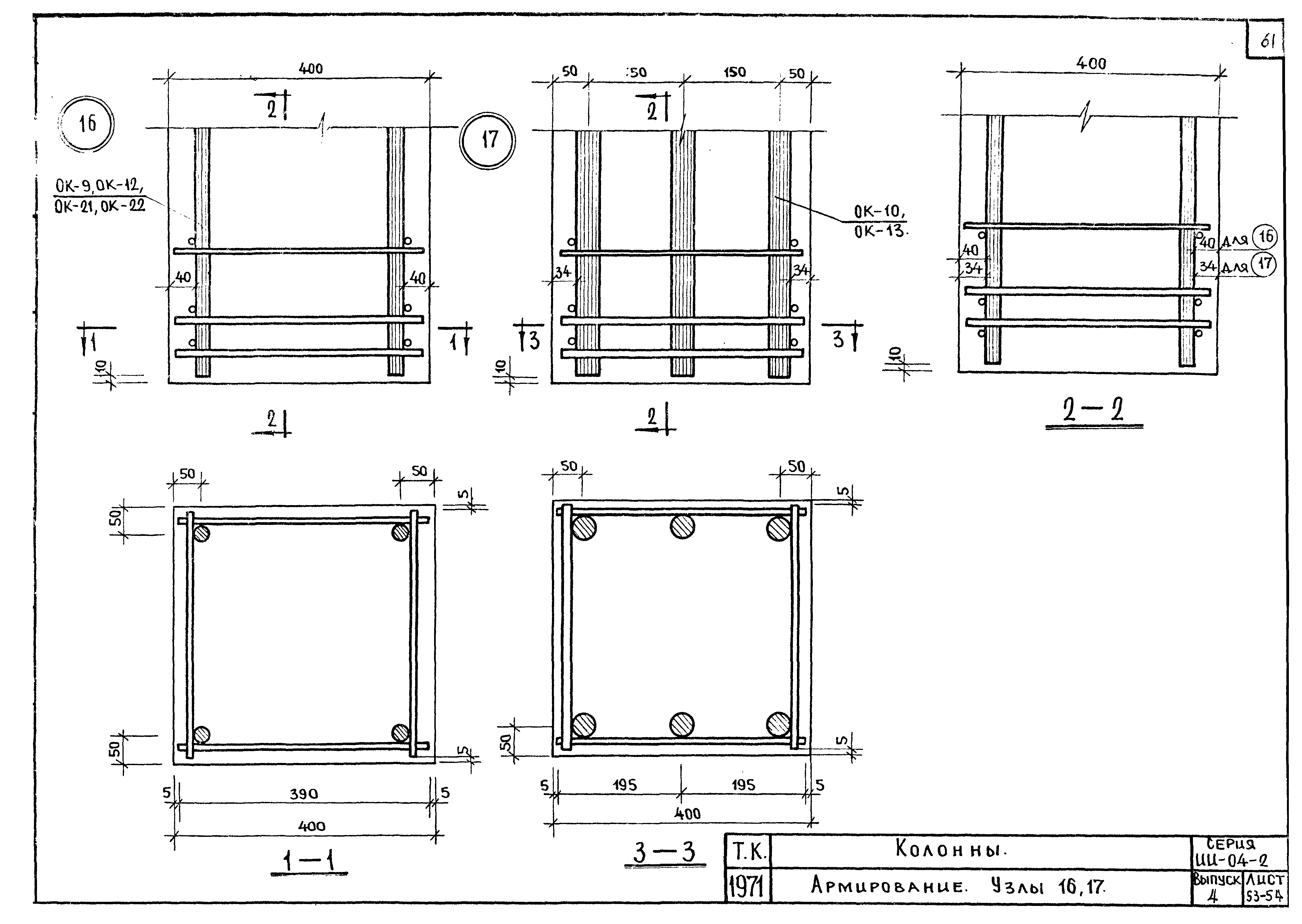
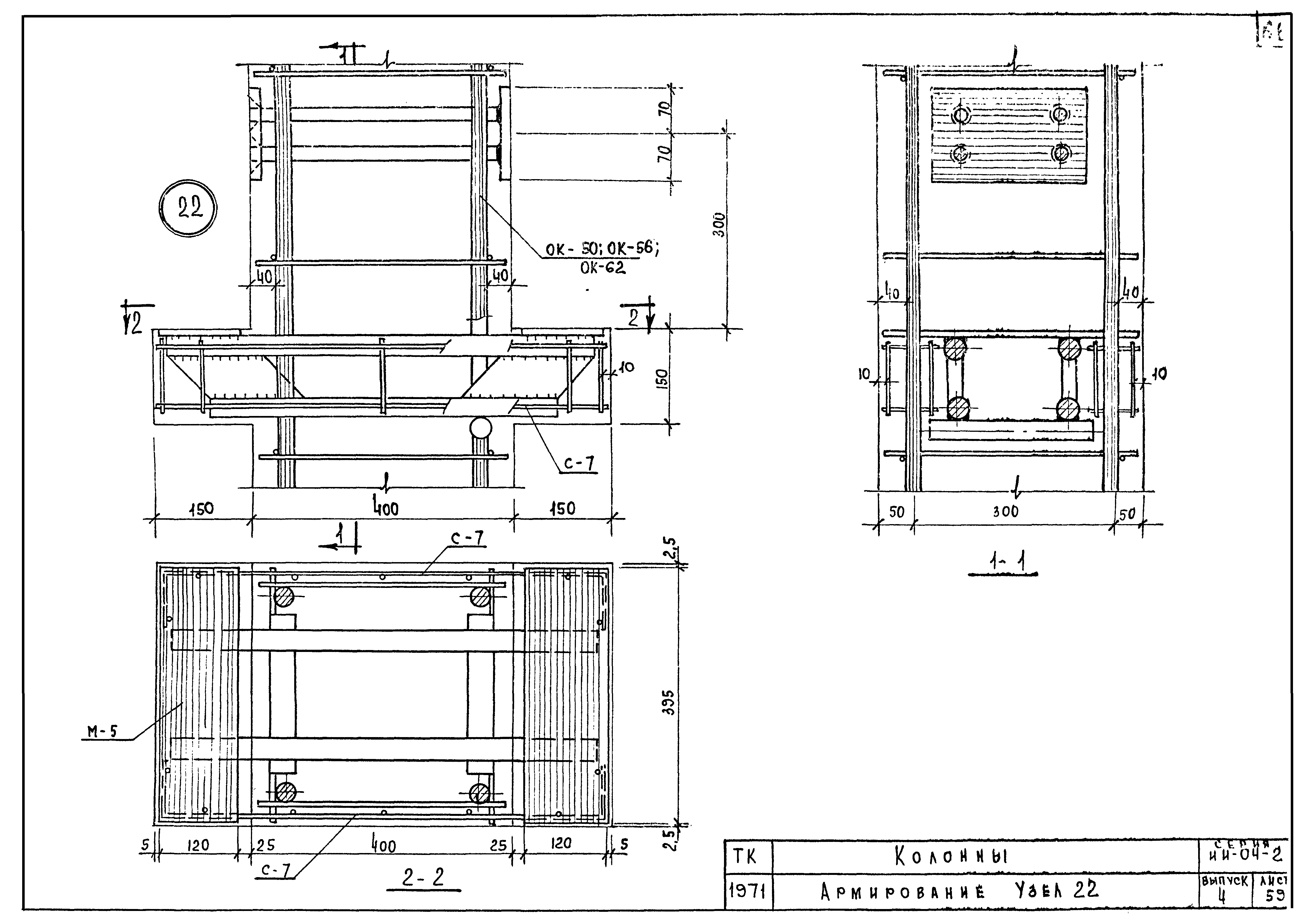
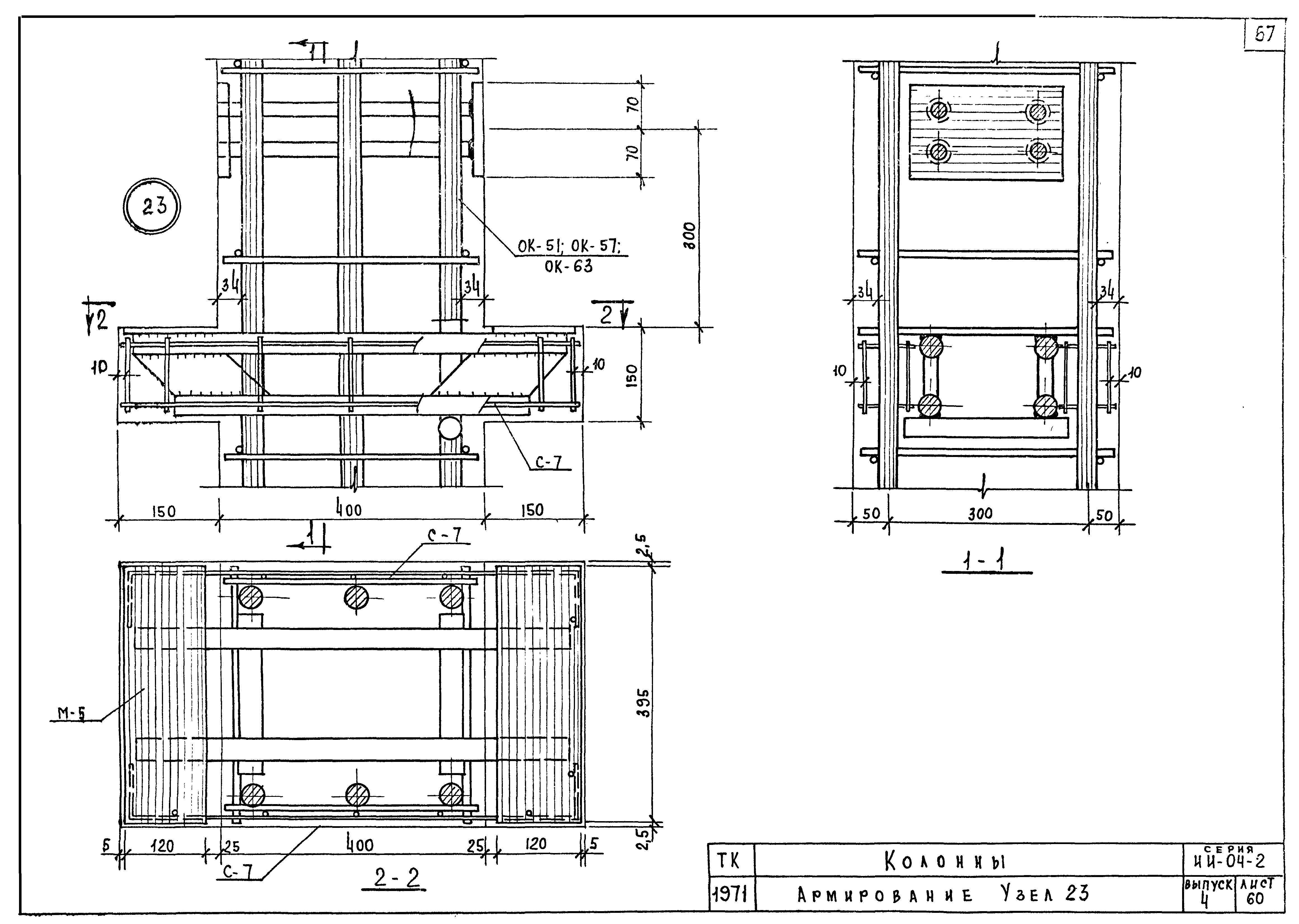
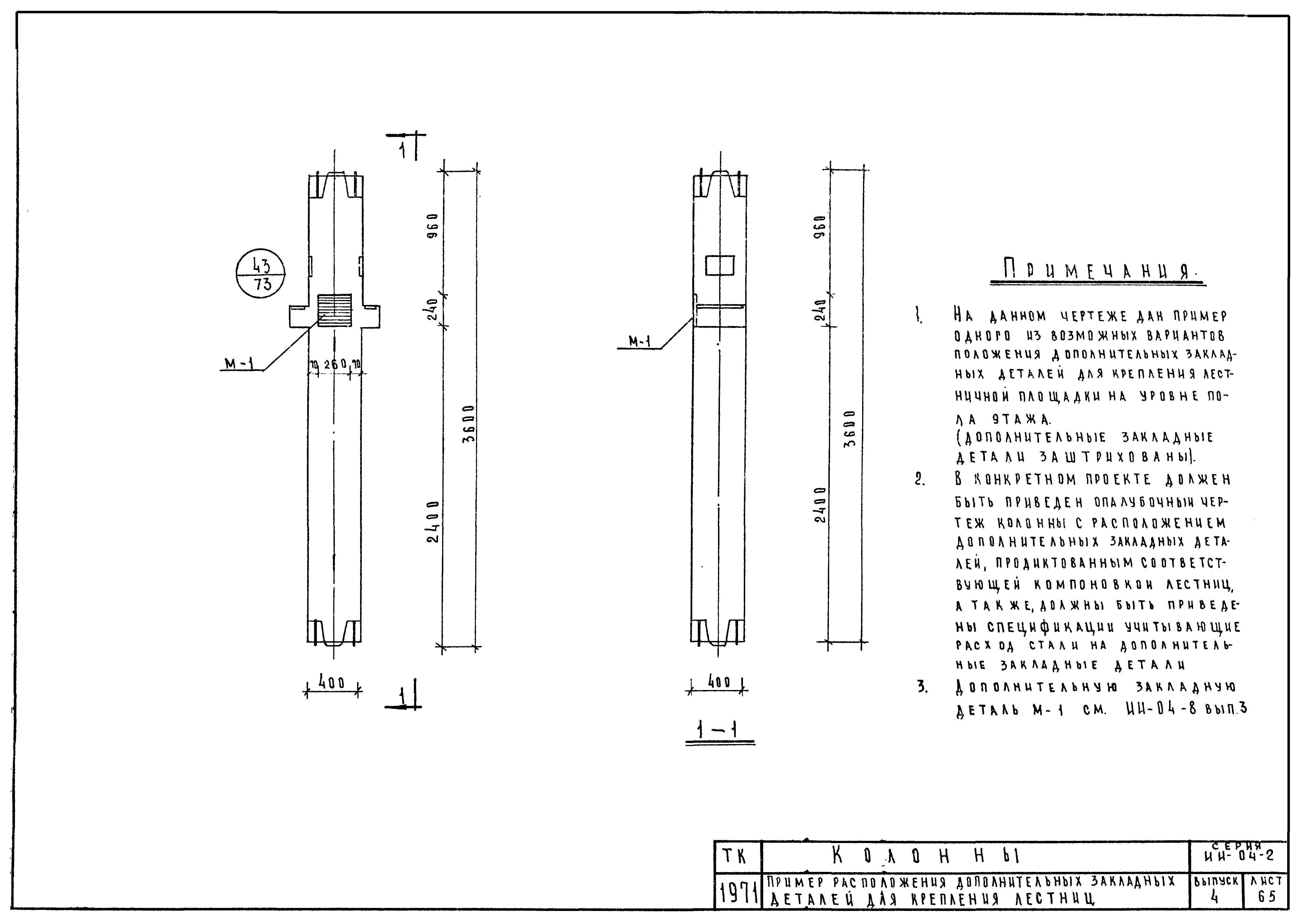
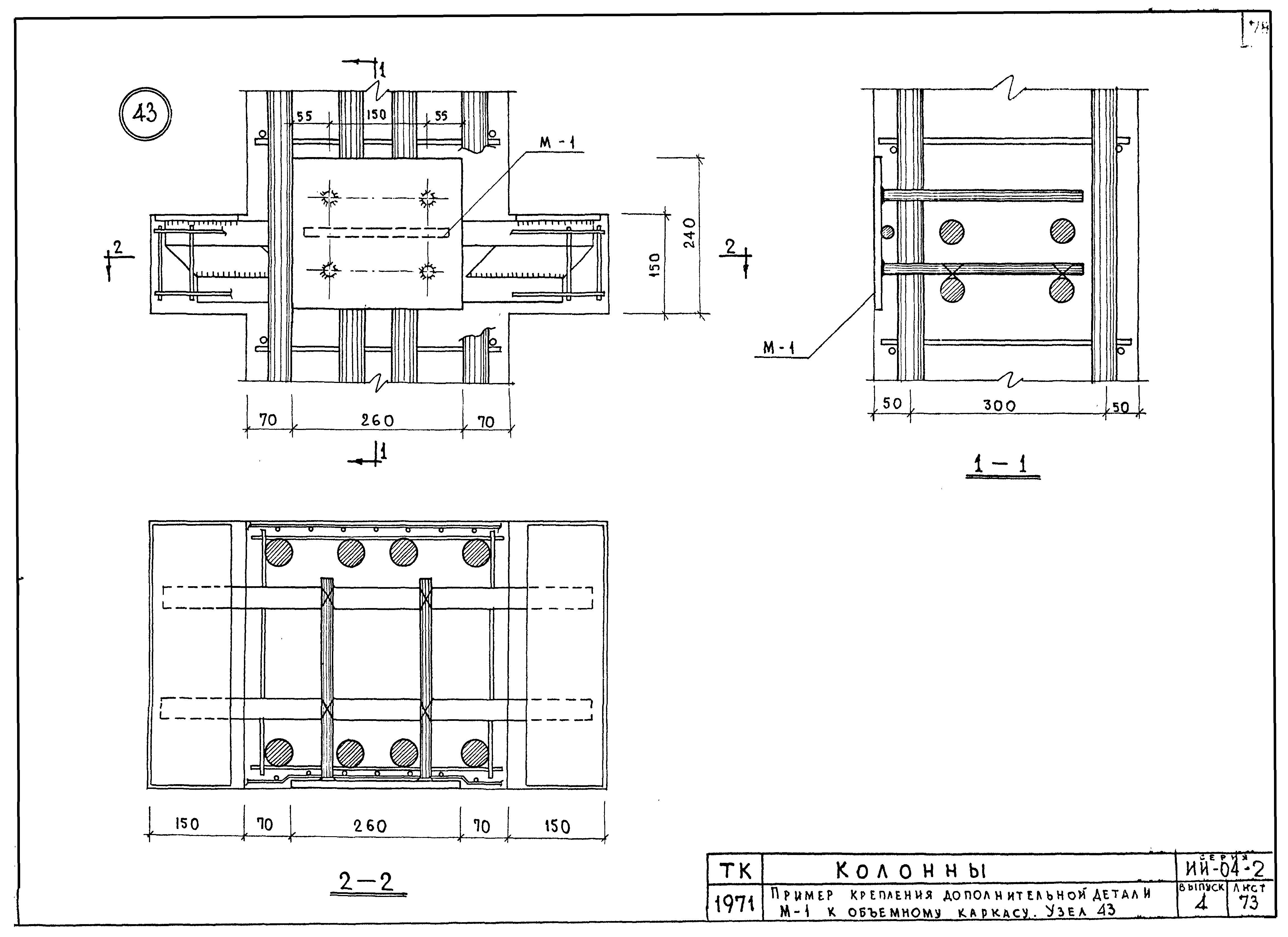
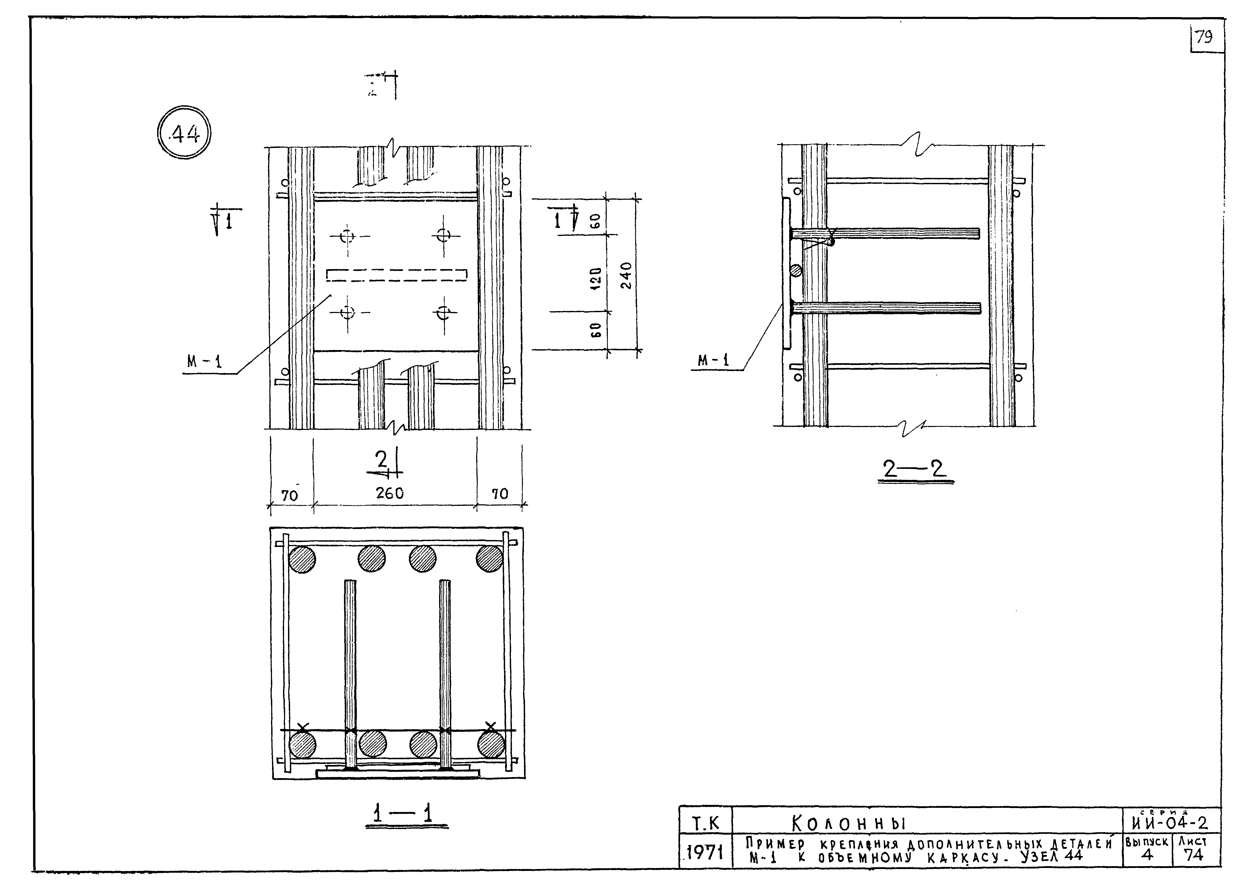
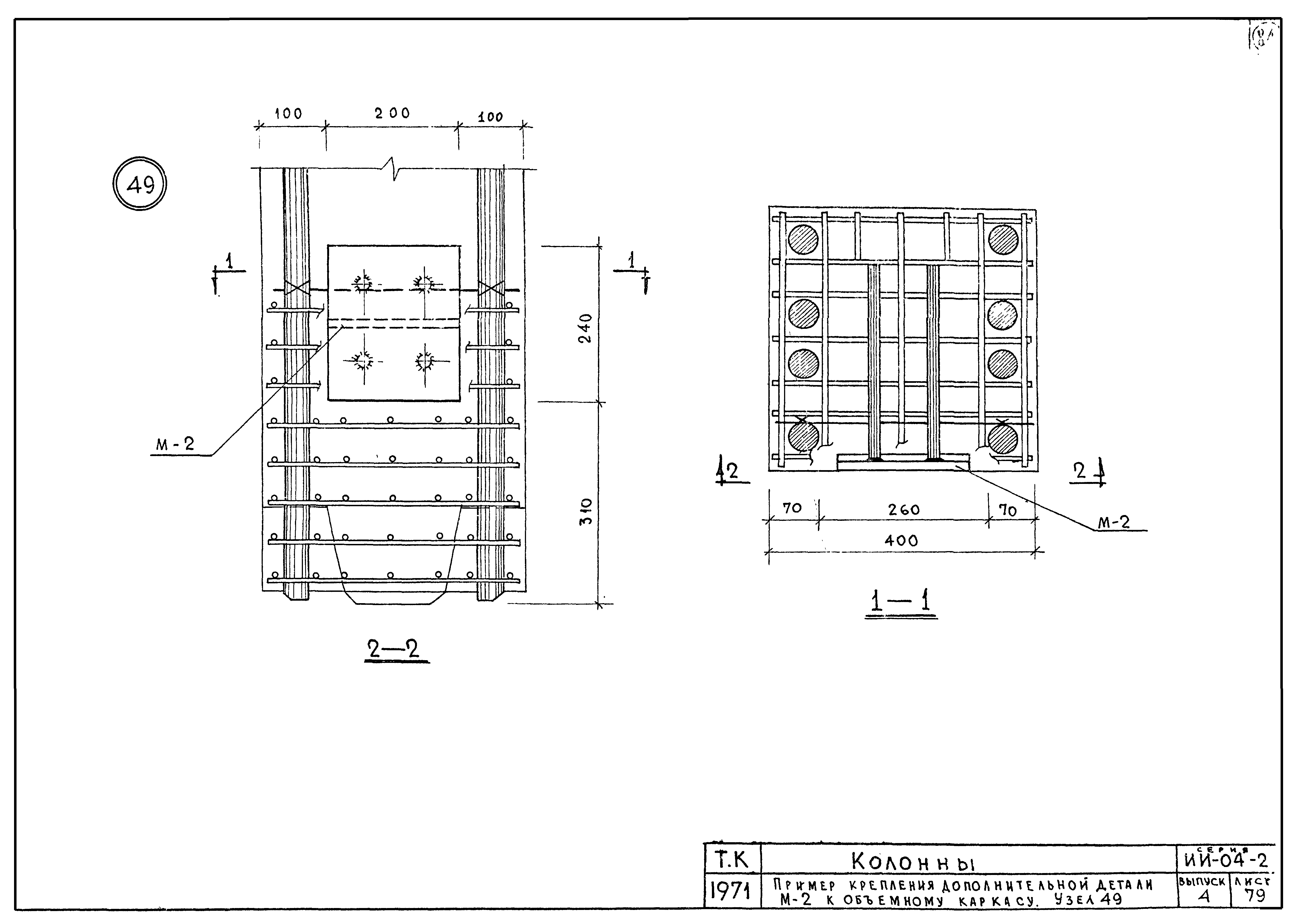
| Оглавление: | ИИ-04-2 Перечень серии и выпусков ИИ-04-2 Содержание выпуска ИИ-04-2 Пояснительная записка ИИ-04-2 Лист 1. Номенклатура ИИ-04-2 Лист 2. Номенклатура ИИ-04-2 Лист 3. Номенклатура ИИ-04-2 Лист 4. Номенклатура ИИ-04-2 Лист 5. Колонна КВК-436-24. Опалубка ИИ-04-2 Лист 6. Колонна КВР-436-24. Опалубка ИИ-04-2 Лист 7. Колонны КСК-436-24,КСК-436-29,КСК-436-34,КСК-436-40,КСК-436-52. Опалубка ИИ-04-2 Лист 8. Колонны КСР-436-24,КСР-436-29,КСР-436-34,КСР-436-40,КСР-436-52,КСР-436-58. Опалубка ИИ-04-2 Лист 9. Колонны КНК-436-24,КНК-436-29,КНК-436-34,КНК-436-40,КНК-436-52. Опалубка ИИ-04-2 Лист 10. Колонны КНР-436-24,КНР-436-29,КНР-436-34,КНР-436-40,КНР-436-52,КНР-436-58. Опалубка ИИ-04-2 Лист 11. Колонны КСК-472-24,КСК-472-29,КСК-472-34,КСК-472-40,КСК-472-52. Опалубка ИИ-04-2 Лист 12. Колонны КСР-472-24,КСР-472-29,КСР-472-34,КСР-472-40,КСР-472-52,КСР-472-58. Опалубка ИИ-04-2 Лист 13. Колонна КК-436-24. Опалубка ИИ-04-2 Лист 14. Колонна КР-436-24. Опалубка ИИ-04-2 Лист 15. Колонны. Опалубка. Узел 1 ИИ-04-2 Лист 16. Колонны. Опалубка. Узел 2 ИИ-04-2 Лист 17. Колонны. Опалубка. Узел 3 ИИ-04-2 Лист 18. Колонны. Опалубка. Узел 4 ИИ-04-2 Лист 19. Колонны. Опалубка. Узел 5 ИИ-04-2 Лист 20. Колонны. Опалубка. Узел 6 ИИ-04-2 Лист 21. Колонны. Опалубка. Узел 7 ИИ-04-2 Лист 22. Колонны. Опалубка. Узел 7а ИИ-04-2 Лист 23. Колонна КВК-436-24. Армирование ИИ-04-2 Лист 24. Колонна КВР-436-24. Армирование ИИ-04-2 Лист 25. Колонны КСК-436-24,КСК-436-29. Армирование ИИ-04-2 Лист 26. Колонны КСК-436-34,КСК-436-40. Армирование ИИ-04-2 Лист 27. Колонна КСК-436-52. Армирование ИИ-04-2 Лист 28. Колонны КСР-436-24,КСР-436-29. Армирование ИИ-04-2 Лист 29. Колонны КСР-436-34,КСР-436-40. Армирование ИИ-04-2 Лист 30. Колонны КСР-436-52,КСР-436-58. Армирование ИИ-04-2 Лист 31. Колонны КНК-436-24,КНК-436-29. Армирование ИИ-04-2 Лист 32. Колонны КНК-436-34,КНК-436-40. Армирование ИИ-04-2 Лист 33. Колонка КНК-436-52. Армирование ИИ-04-2 Лист 34. Колонны КНР-436-24,КНР-436-29. Армирование ИИ-04-2 Лист 35. Колонны КНР-436-34,КНР-436-40. Армирование ИИ-04-2 Лист 36. Колонны КНР-436-52,КНР-436-58. Армирование ИИ-04-2 Лист 37. Колонны КСК-472-24,КСК-472-29. Армирование ИИ-04-2 Лист 38. Колонны КСК-472-34,КСК-472-40. Армирование ИИ-04-2 Лист 39. Колонна КСК-472-52. Армирование ИИ-04-2 Лист 40. Колонны КСР-472-24,КСР-472-29. Армирование ИИ-04-2 Лист 41. Колонны КСР-472-34,КСР-472-40. Армирование ИИ-04-2 Лист 42. Колонны КСР-472-52,КСР-472-58. Армирование ИИ-04-2 Лист 43. Колонна КК-436-24. Армирование ИИ-04-2 Лист 44. Колонна КР-436-24. Армирование ИИ-04-2 Лист 45. Колонны. Армирование. Узел 8 ИИ-04-2 Лист 46. Колонны. Армирование. Узел 9 ИИ-04-2 Лист 47. Колонны. Армирование. Узел 10 ИИ-04-2 Лист 48. Колонны. Армирование. Узел 11 ИИ-04-2 Лист 49. Колонны. Армирование. Узел 12 ИИ-04-2 Лист 50. Колонны. Армирование. Узел 13 ИИ-04-2 Лист 51. Колонны. Армирование. Узел 14 ИИ-04-2 Лист 52. Колонны. Армирование. Узел 15 ИИ-04-2 Лист 53,54. Колонны. Армирование. Узел 16,17 ИИ-04-2 Лист 55. Колонны. Армирование. Узел 18 ИИ-04-2 Лист 56. Колонны. Армирование. Узел 19 ИИ-04-2 Лист 57. Колонны. Армирование. Узел 20 ИИ-04-2 Лист 58. Колонны. Армирование. Узел 21 ИИ-04-2 Лист 59. Колонны. Армирование. Узел 22 ИИ-04-2 Лист 60. Колонны. Армирование. Узел 23 ИИ-04-2 Лист 61. Колонны. Армирование. Узел 24 ИИ-04-2 Лист 62-64. Колонны. Армирование. Узел 25а,25б,25в ИИ-04-2 Лист 65. Колонны. Пример расположения дополнительных закладных деталей для крепления лестниц ИИ-04-2 Лист 66. Колонны. Пример расположения дополнительных закладных деталей для крепления лестниц ИИ-04-2 Лист 67. Колонны. Пример расположения дополнительных закладных деталей для крепления лестниц ИИ-04-2 Лист 68. Колонны. Пример расположения дополнительных закладных деталей для крепления лестниц ИИ-04-2 Лист 69. Колонны. Пример расположения дополнительных закладных деталей М-2 для крепления диафрагм жесткости ИИ-04-2 Лист 70. Колонны. Пример расположения дополнительных закладных деталей М-1 для крепления диафрагм жесткости ИИ-04-2 Лист 71. Колонны. Пример расположения дополнительных закладных деталей М-2 для крепления диафрагм жесткости ИИ-04-2 Лист 72. Колонны. Пример расположения дополнительных закладных деталей М-1 для крепления диафрагм жесткости ИИ-04-2 Лист 73. Колонны. Пример крепления дополнительной детали М-1 к объемному каркасу. Узел 43 ИИ-04-2 Лист 74. Колонны. Пример крепления дополнительной детали М-1 к объемному каркасу. Узел 44 ИИ-04-2 Лист 75. Колонны. Пример крепления дополнительной детали М-2 к объемному каркасу. Узел 45 ИИ-04-2 Лист 76. Колонны. Пример крепления дополнительной детали М-2 к объемному каркасу. Узел 46 ИИ-04-2 Лист 77. Колонны. Пример крепления дополнительной детали М-1 к объемному каркасу. Узел 47 ИИ-04-2 Лист 78. Колонны. Пример крепления дополнительной детали М-1 к объемному каркасу. Узел 48 ИИ-04-2 Лист 79. Колонны. Пример крепления дополнительной детали М-2 к объемному каркасу. Узел 49 |
| Разработан: | ЦНИИЭП торгово-бытовых зданий и туристских комплексов НИИЖБ |
| Утверждён: | 28.01.1972 Государственный комитет по гражданскому строительству (9) |
| Чем заменён: |




















































































