Скачать Серия ИИ-04-2 Выпуск 9. Колонны связевого каркаса сечением 30х30 см для зданий с высотой этажа 4,2 м. Опалубка и армирование. Рабочие чертежиДата актуализации: 01.01.2021
|
| Обозначение: | Серия ИИ-04-2 |
| Обозначение англ: | Series ИИ-04-2 |
| Статус: | не действует |
| Название рус.: | Выпуск 9. Колонны связевого каркаса сечением 30х30 см для зданий с высотой этажа 4,2 м. Опалубка и армирование. Рабочие чертежи |
| Дата добавления в базу: | 01.09.2013 |
| Дата актуализации: | 01.01.2021 |
| Дата окончания срока действия: | 01.04.1982 |
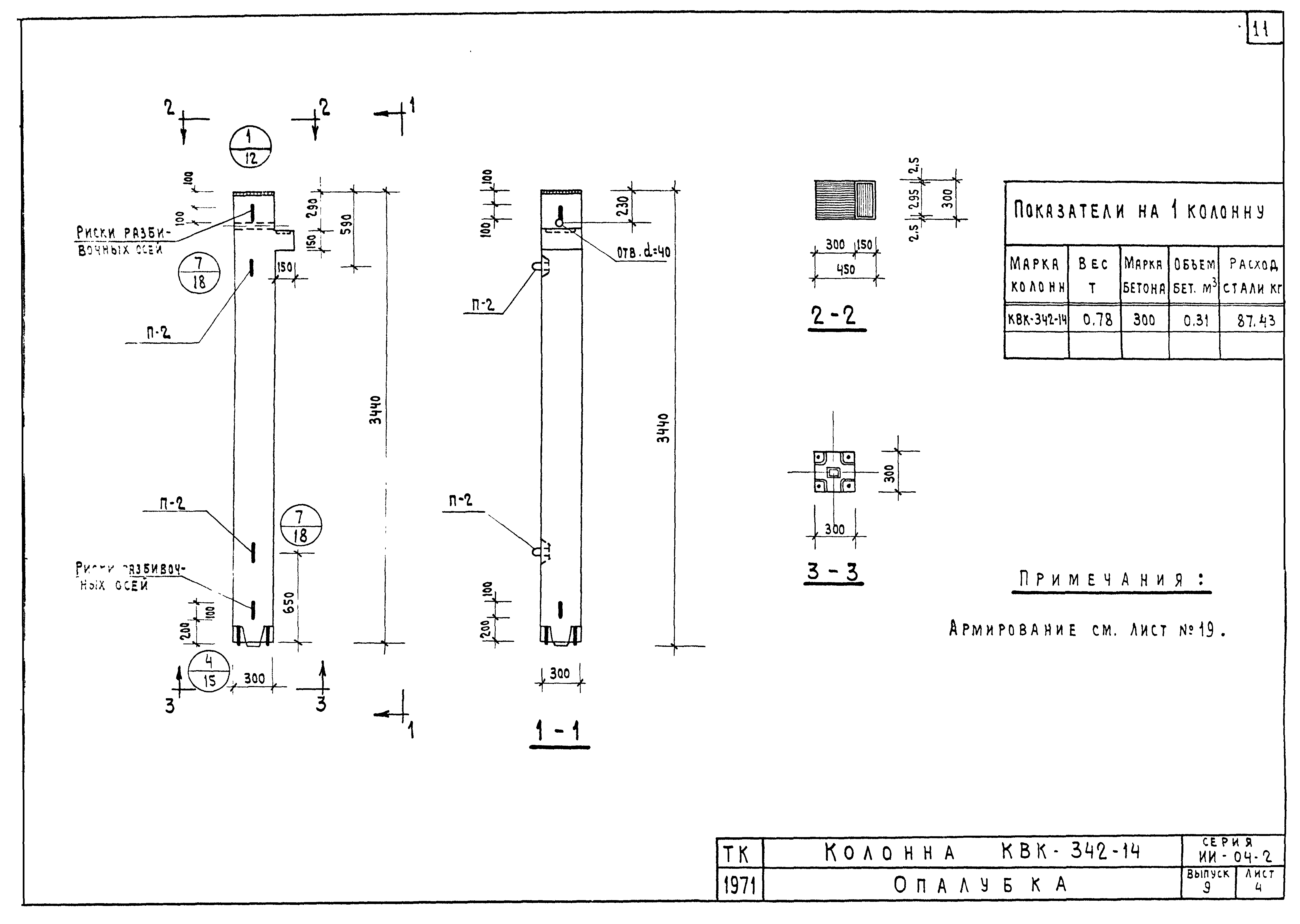
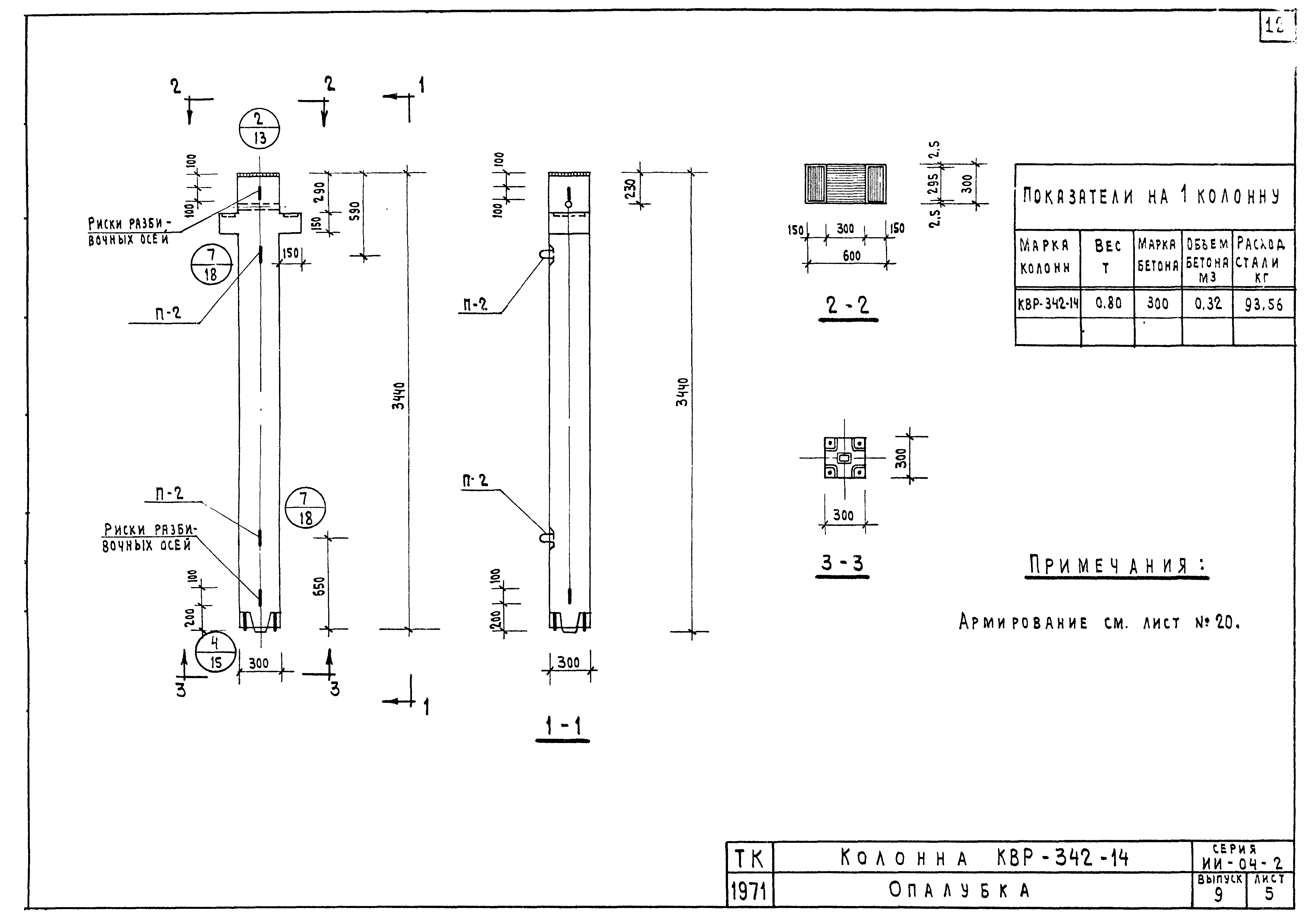
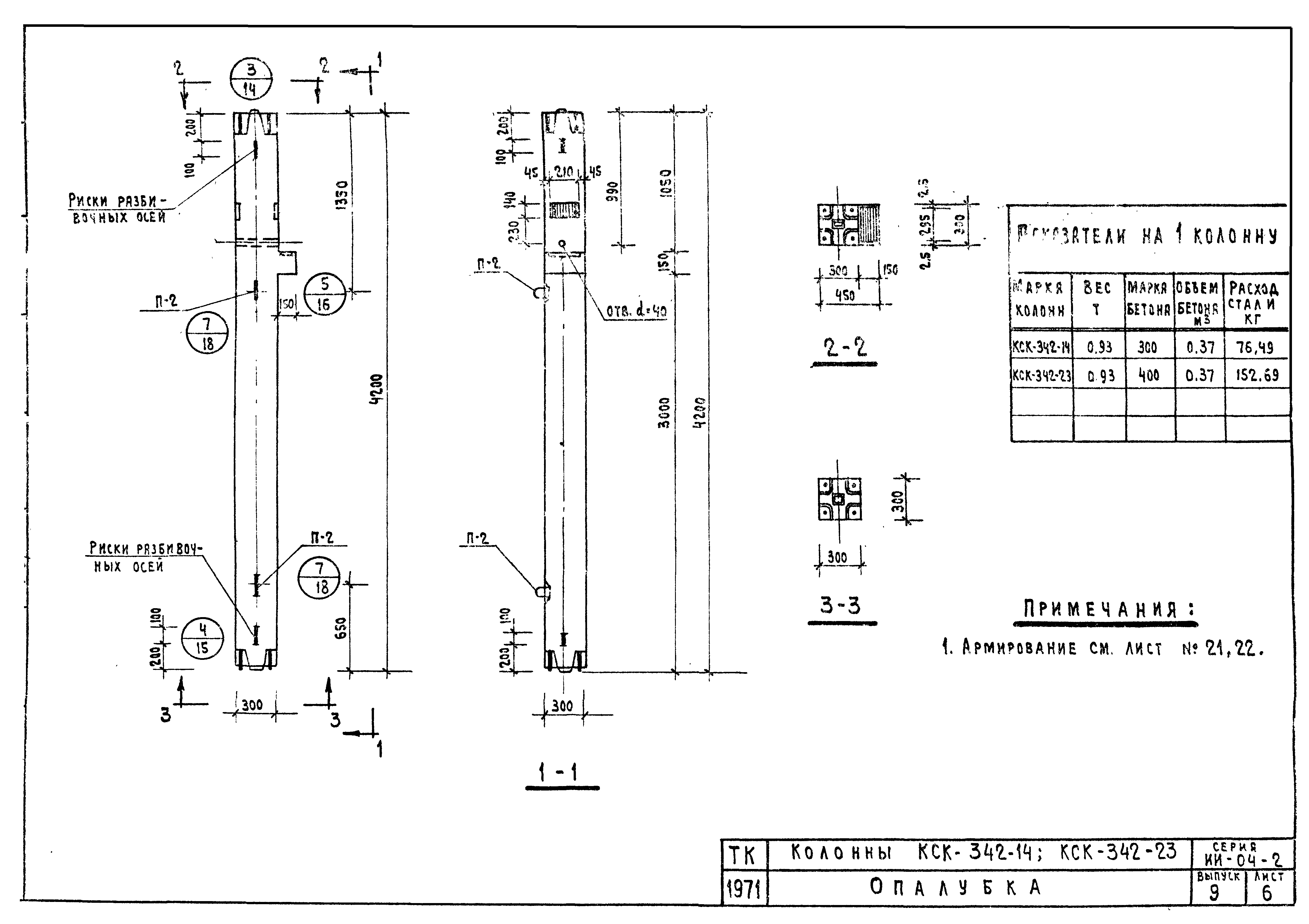
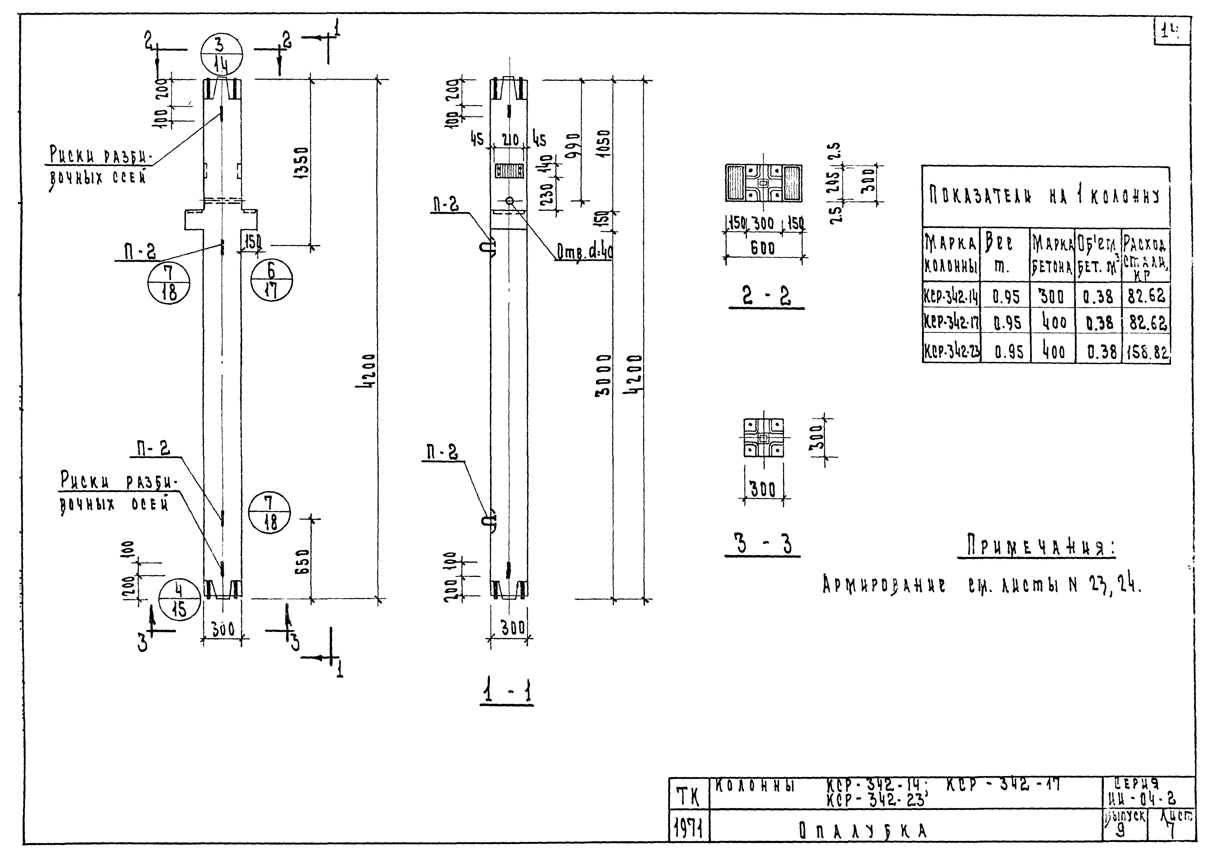
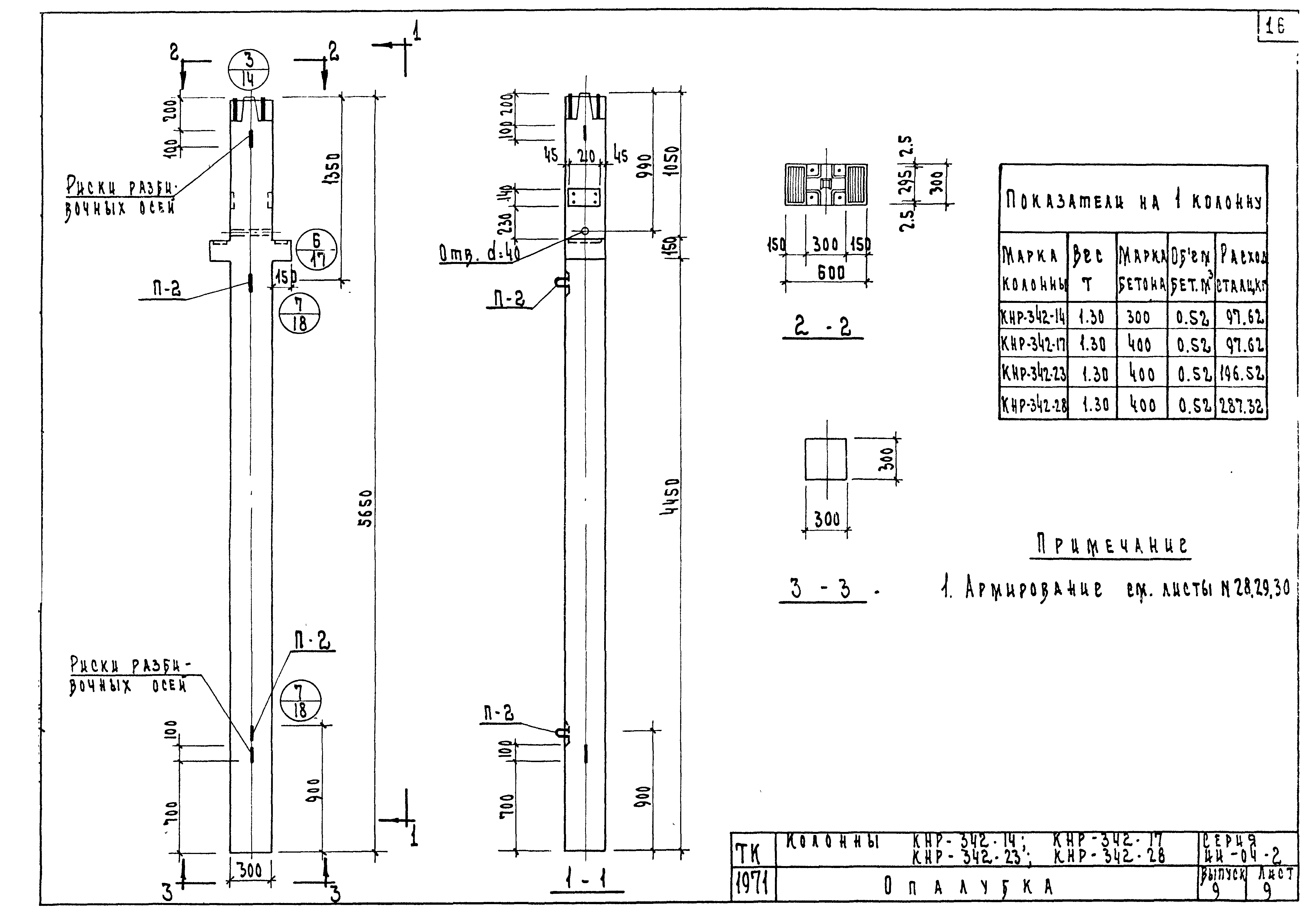
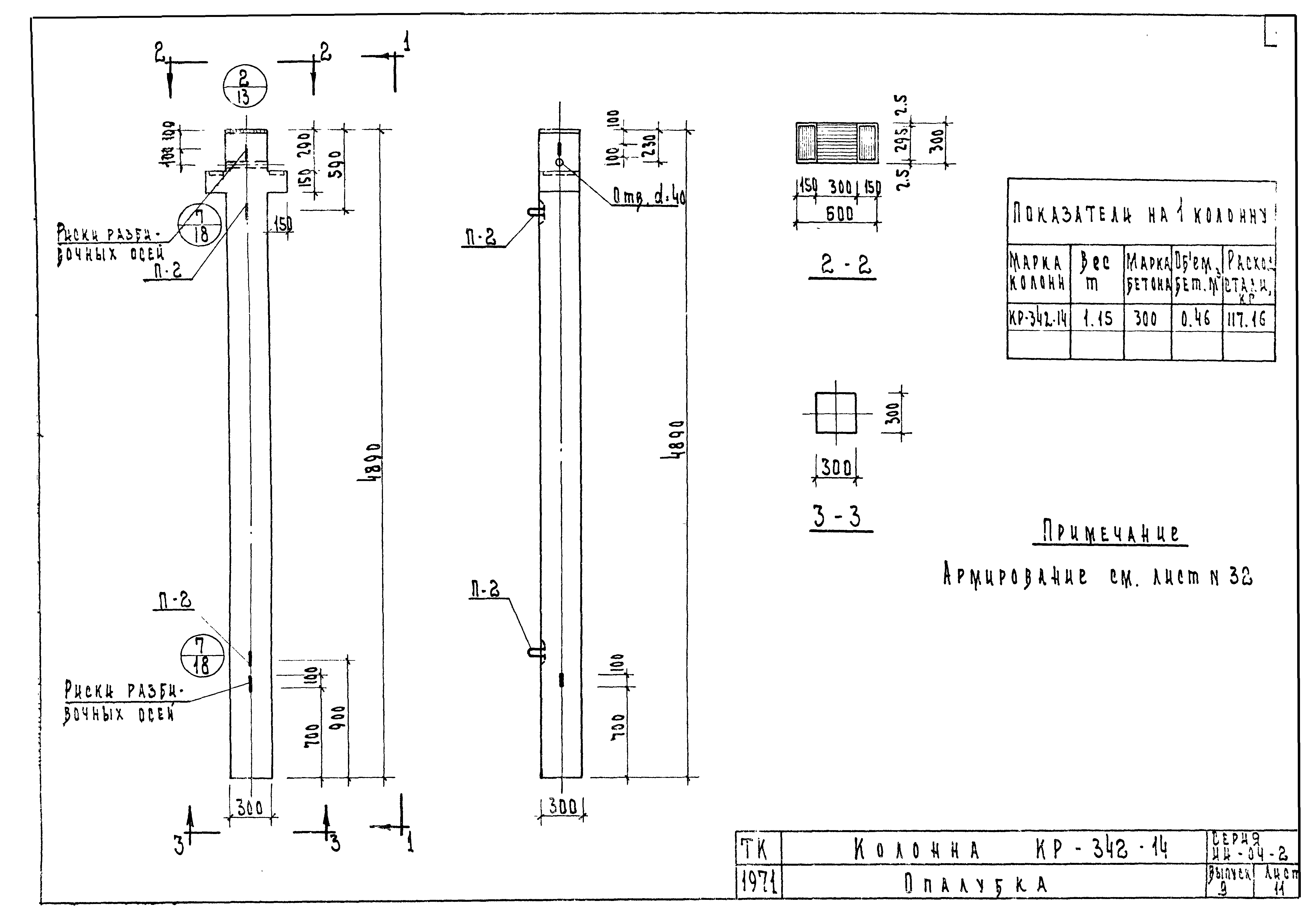
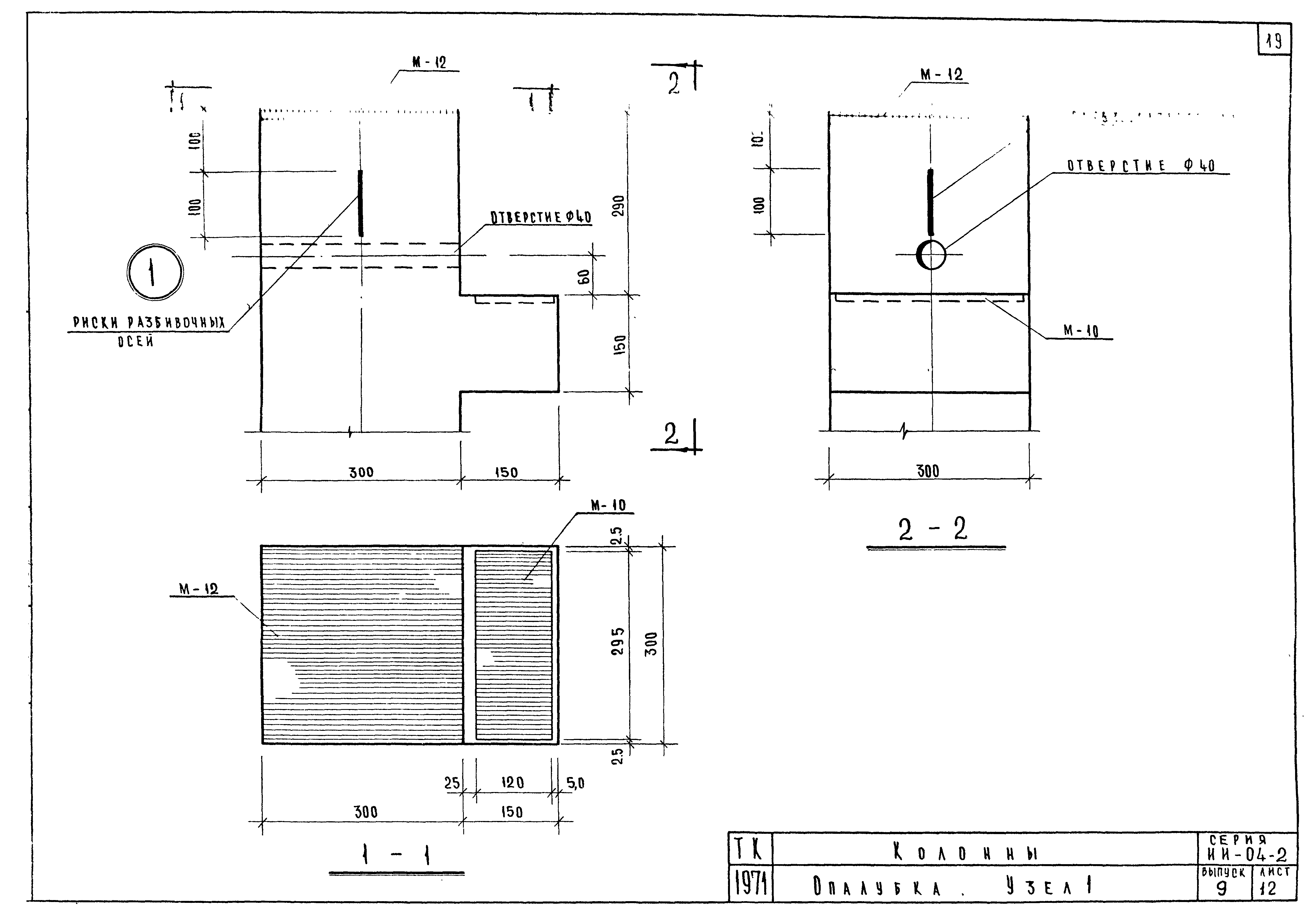
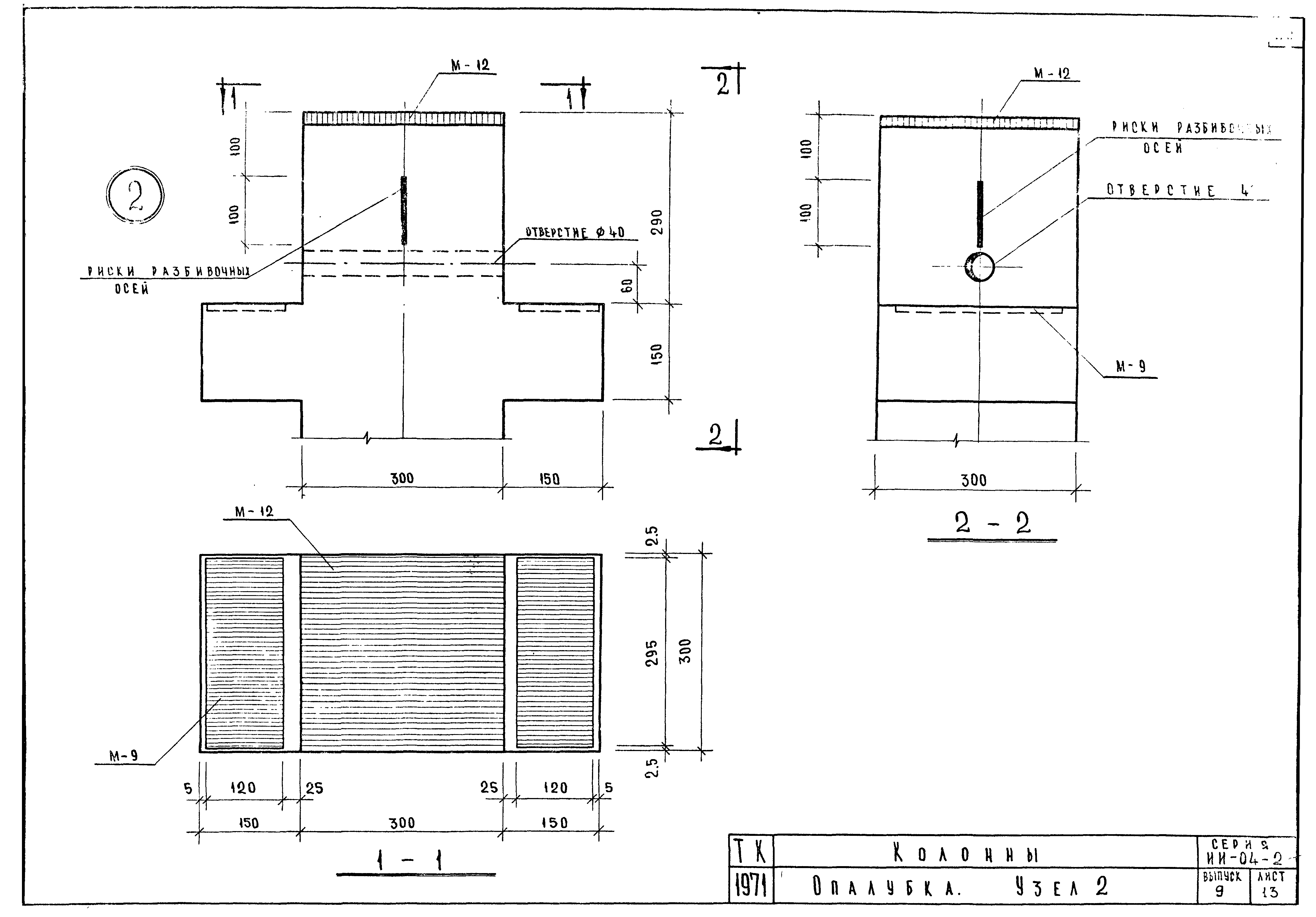
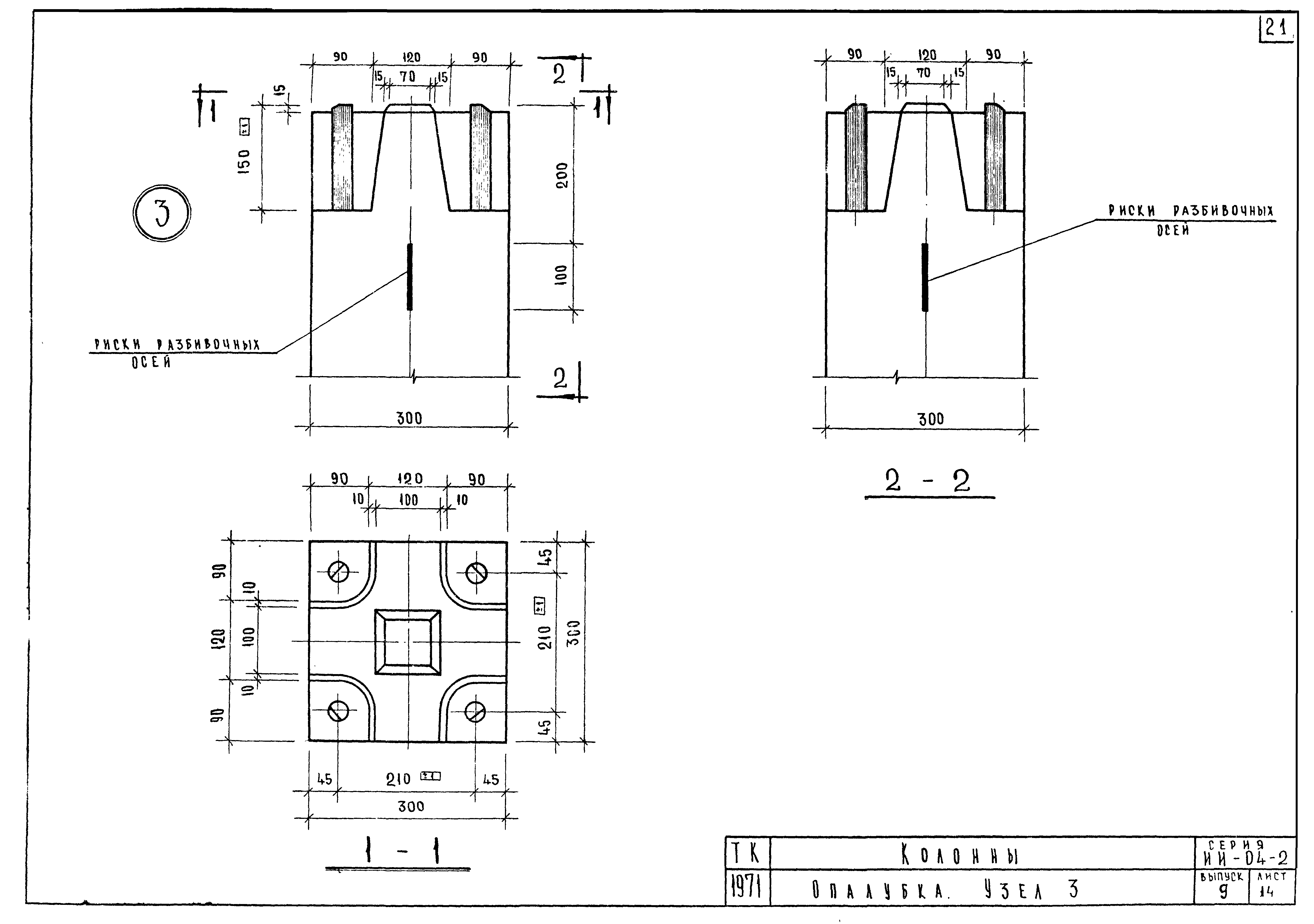
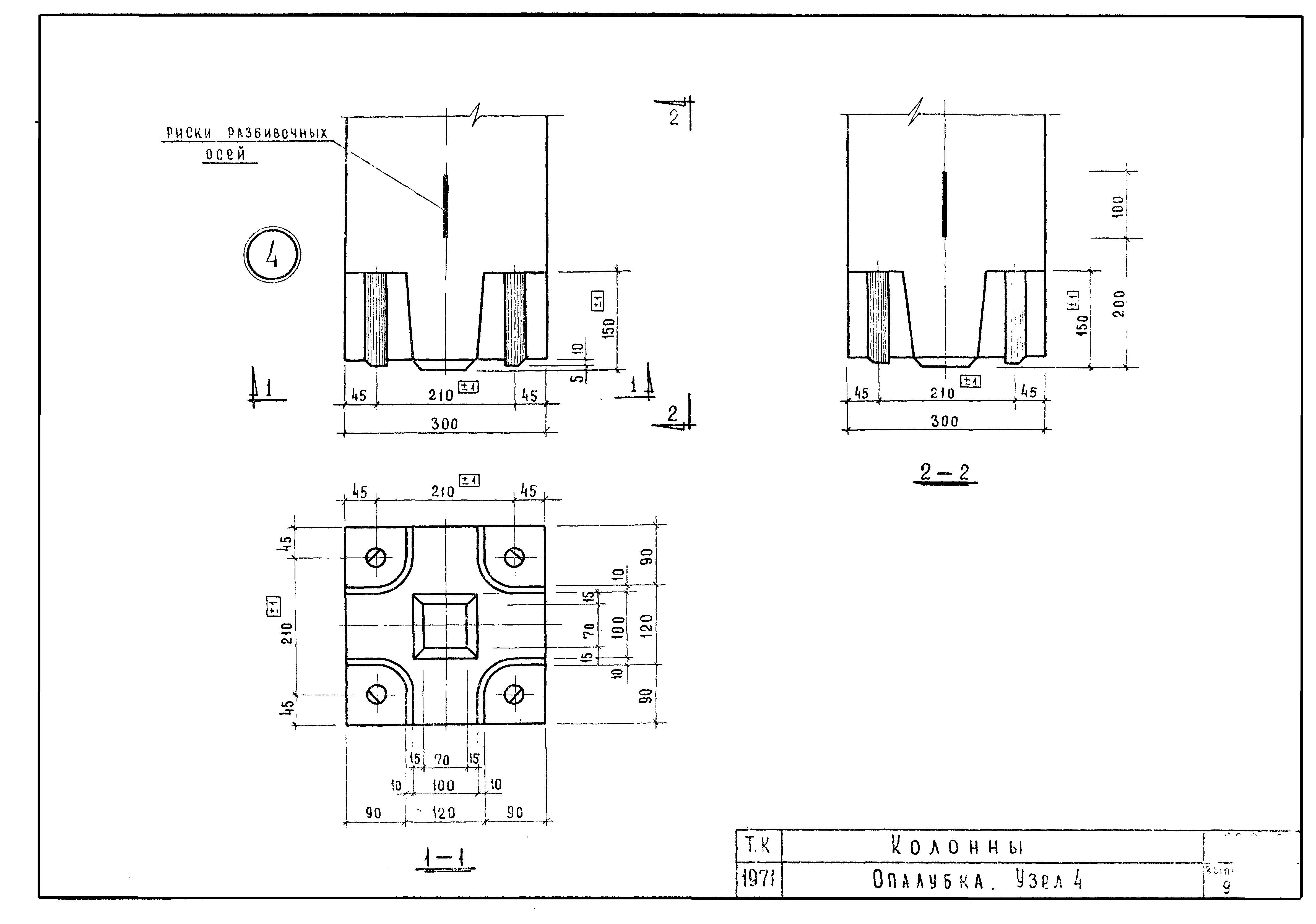
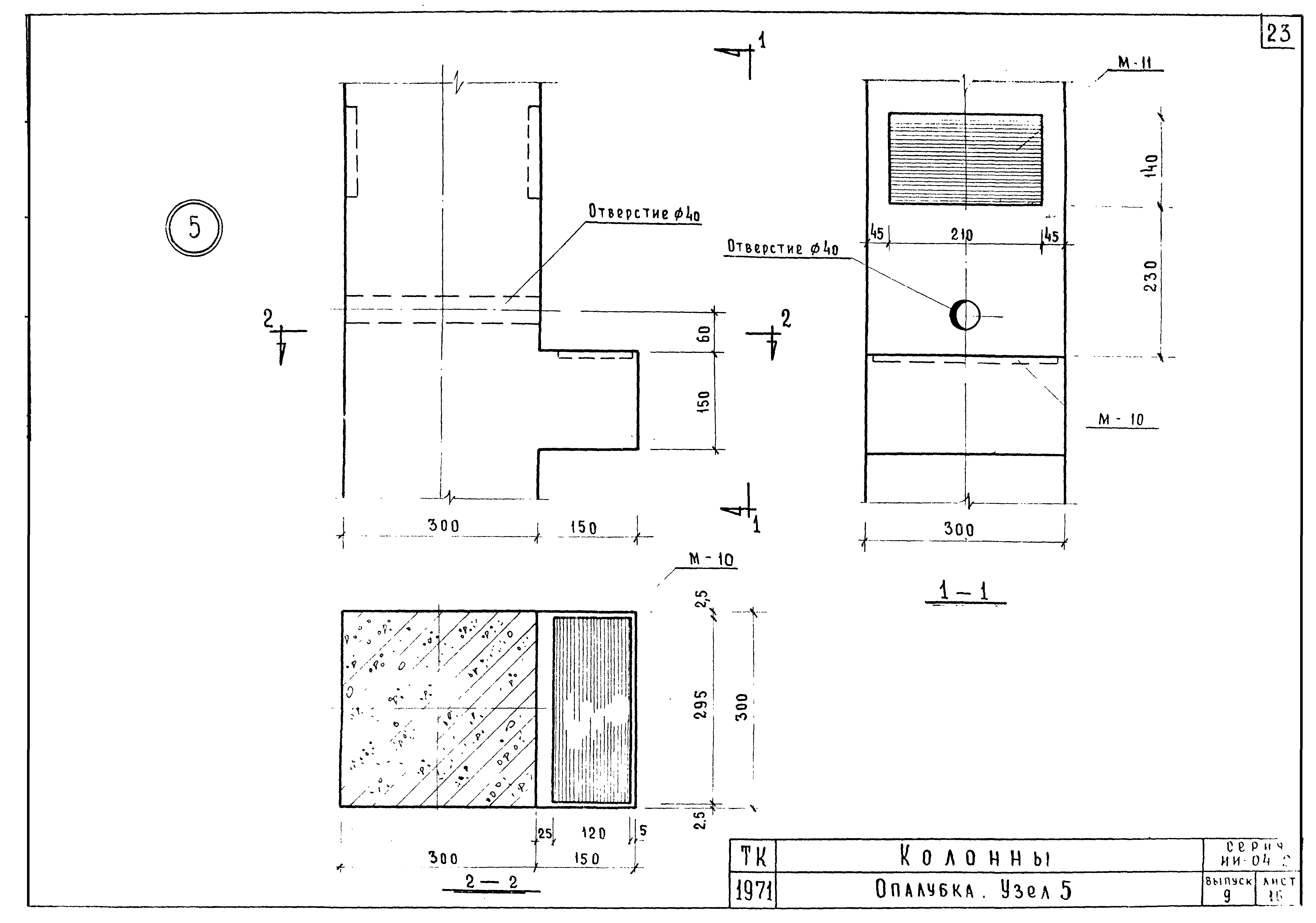
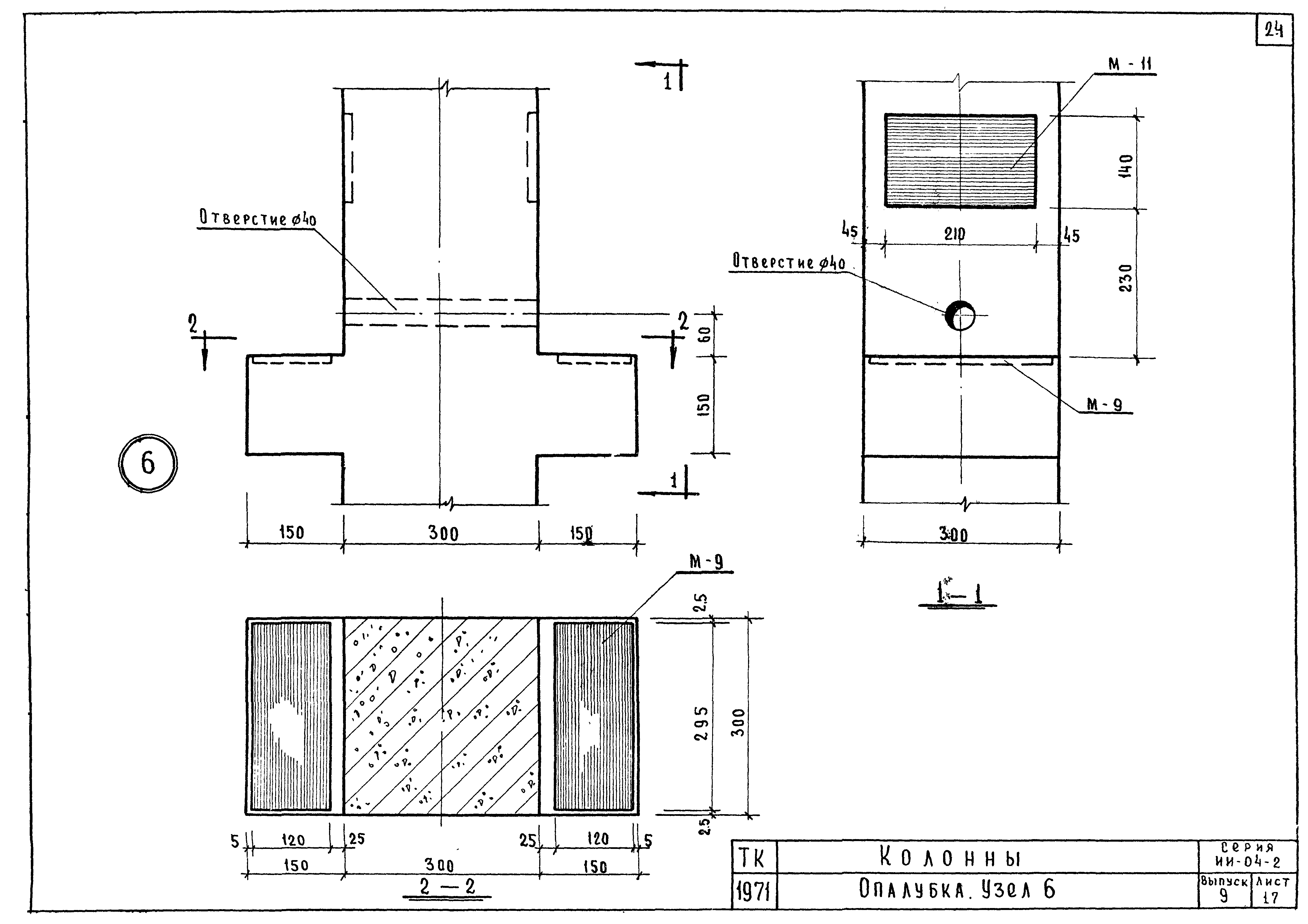
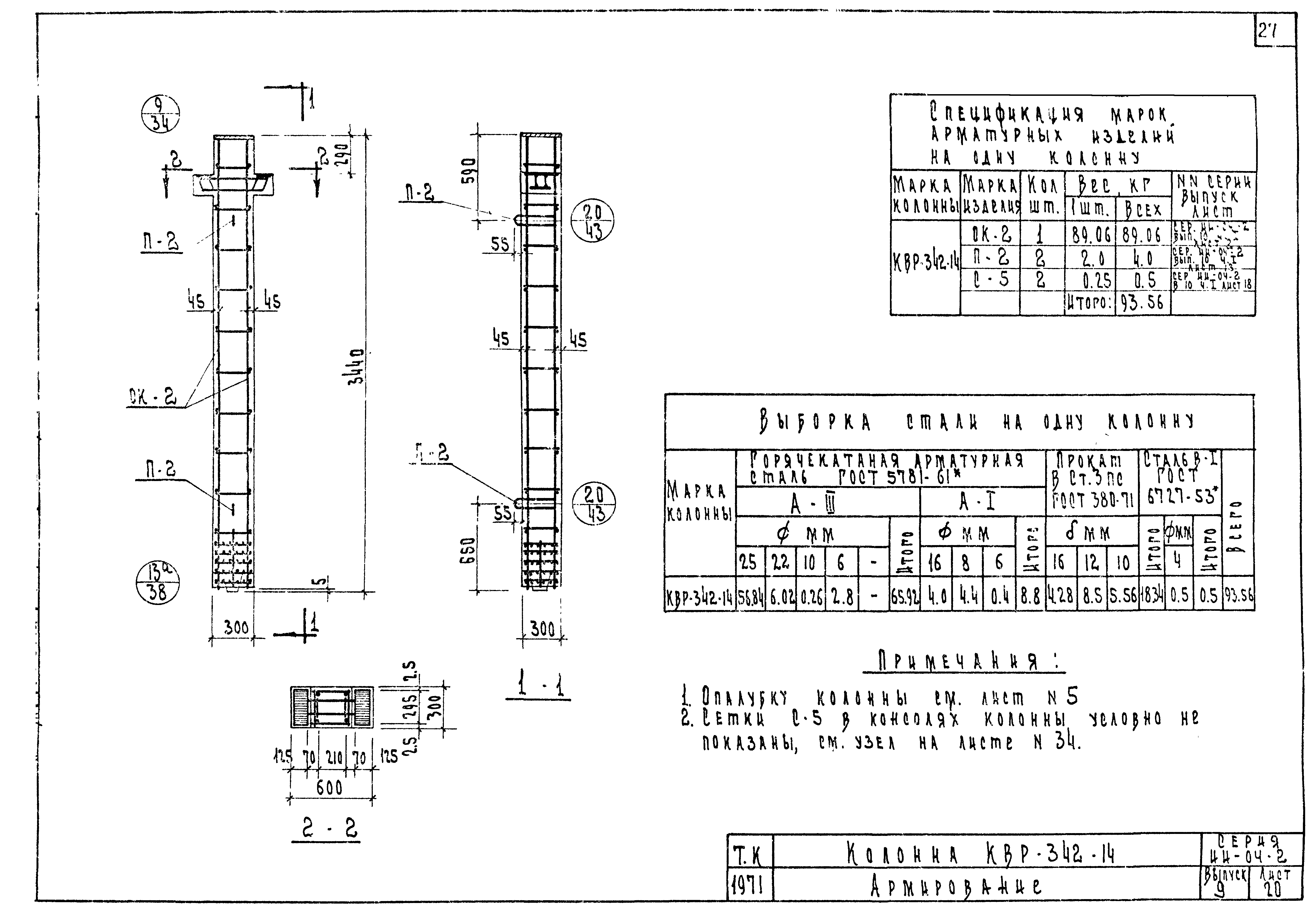
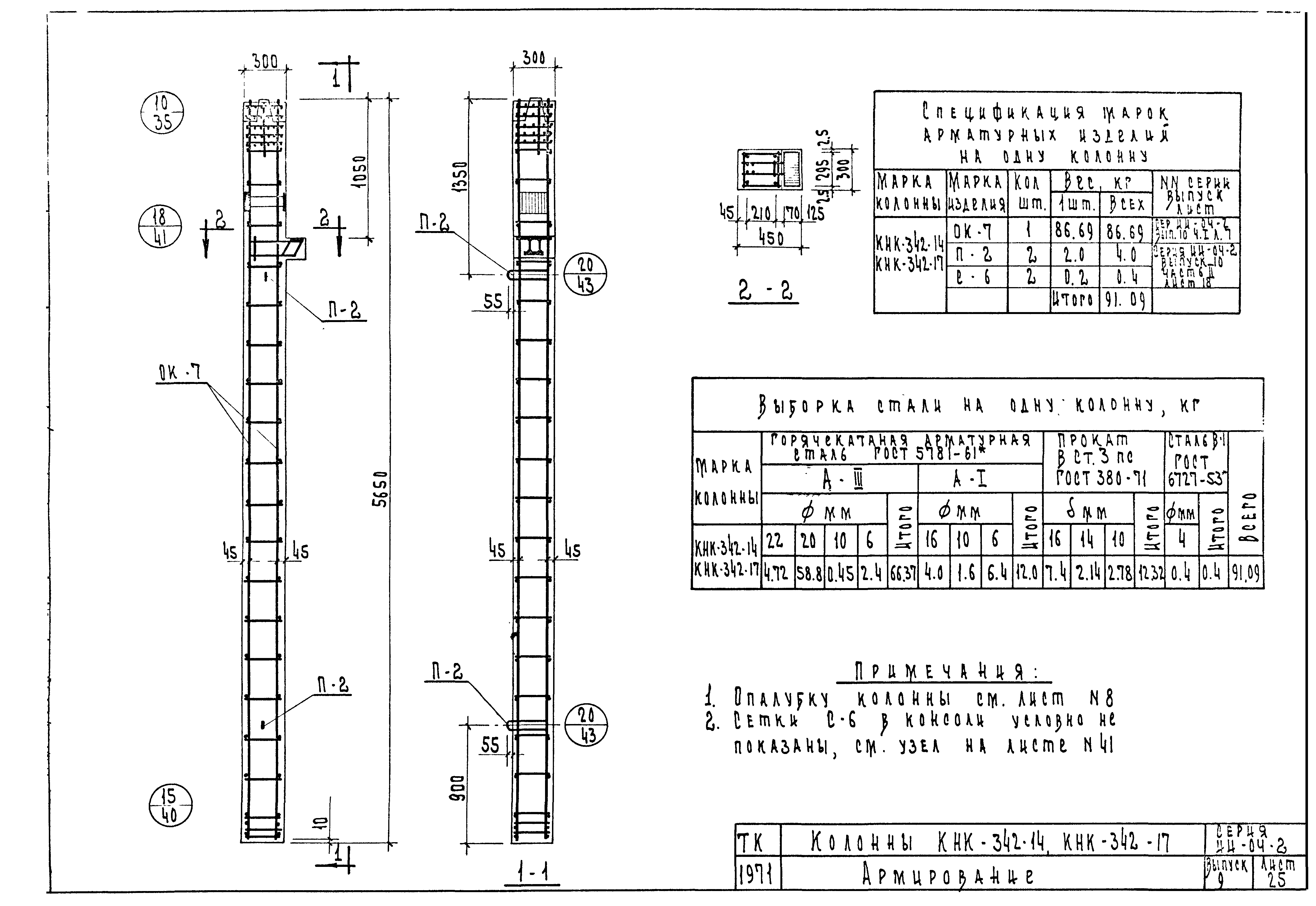
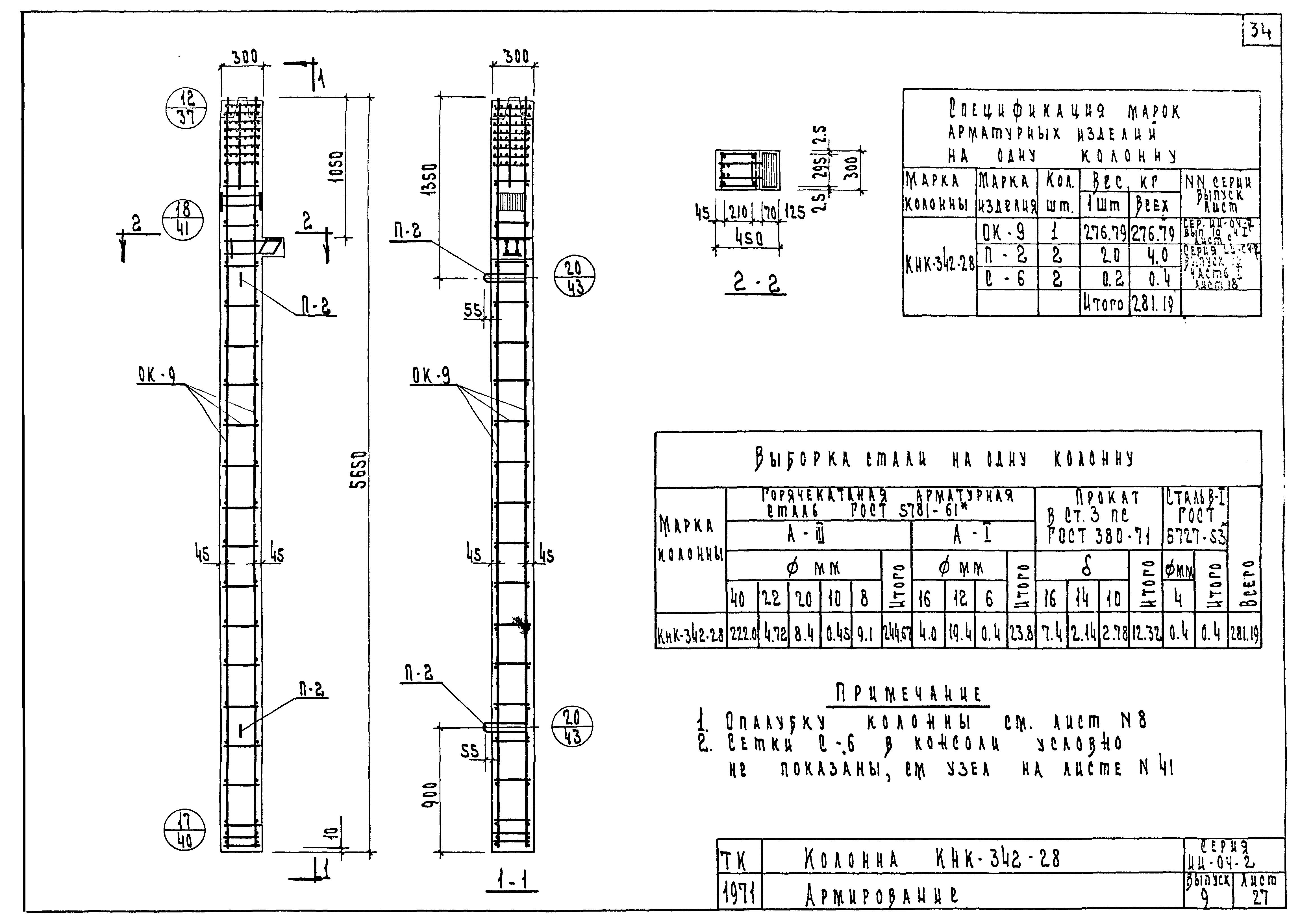
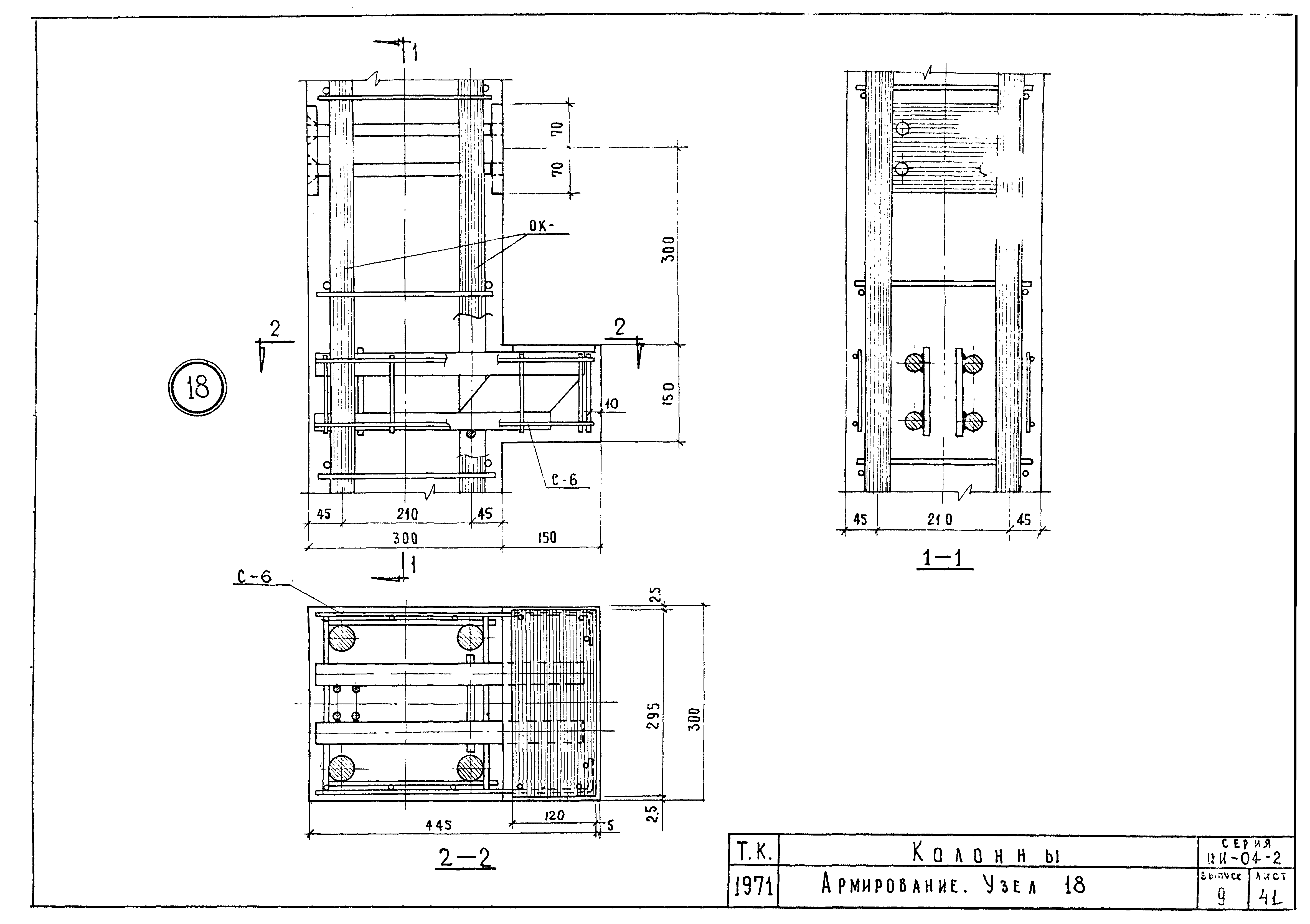
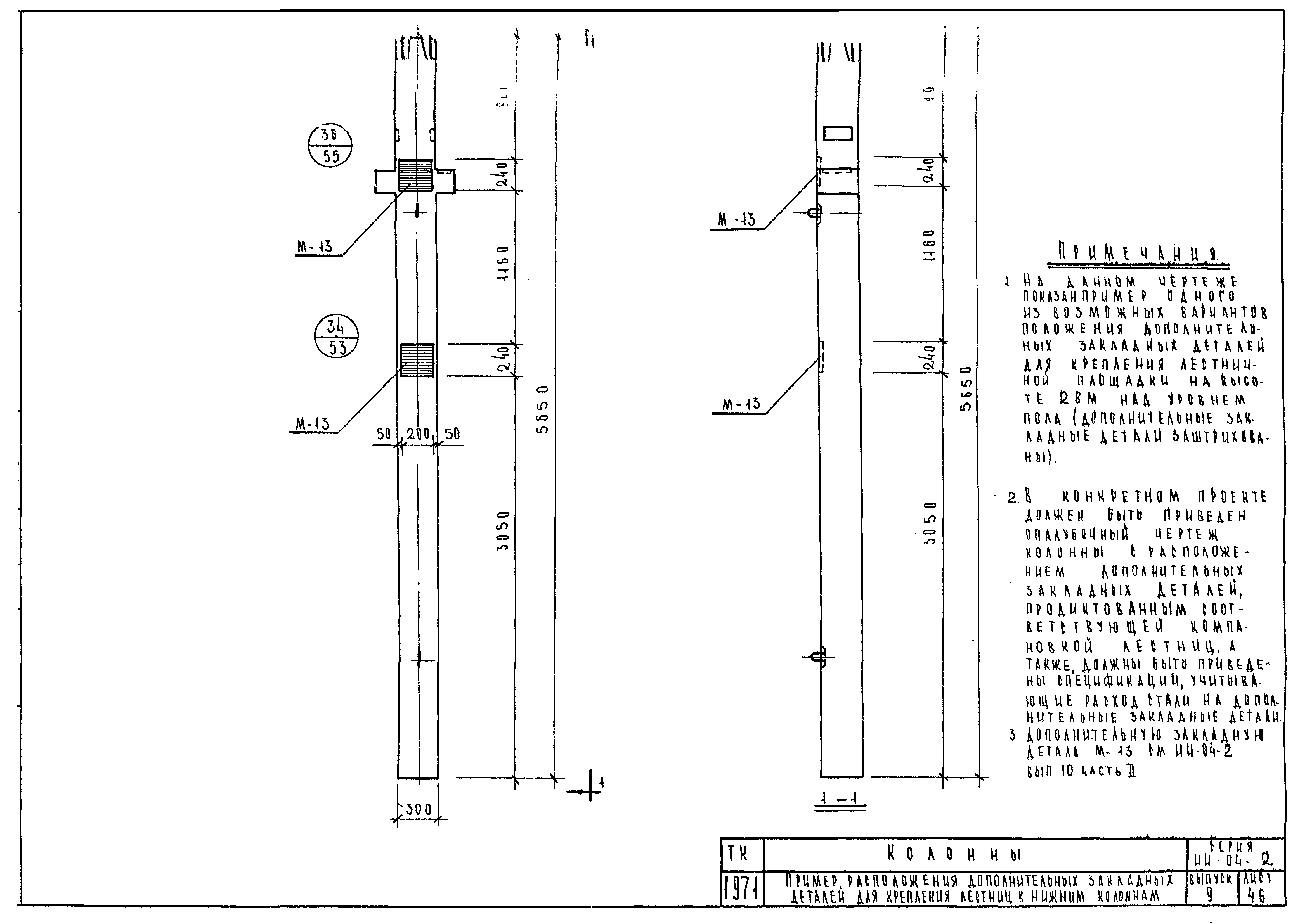
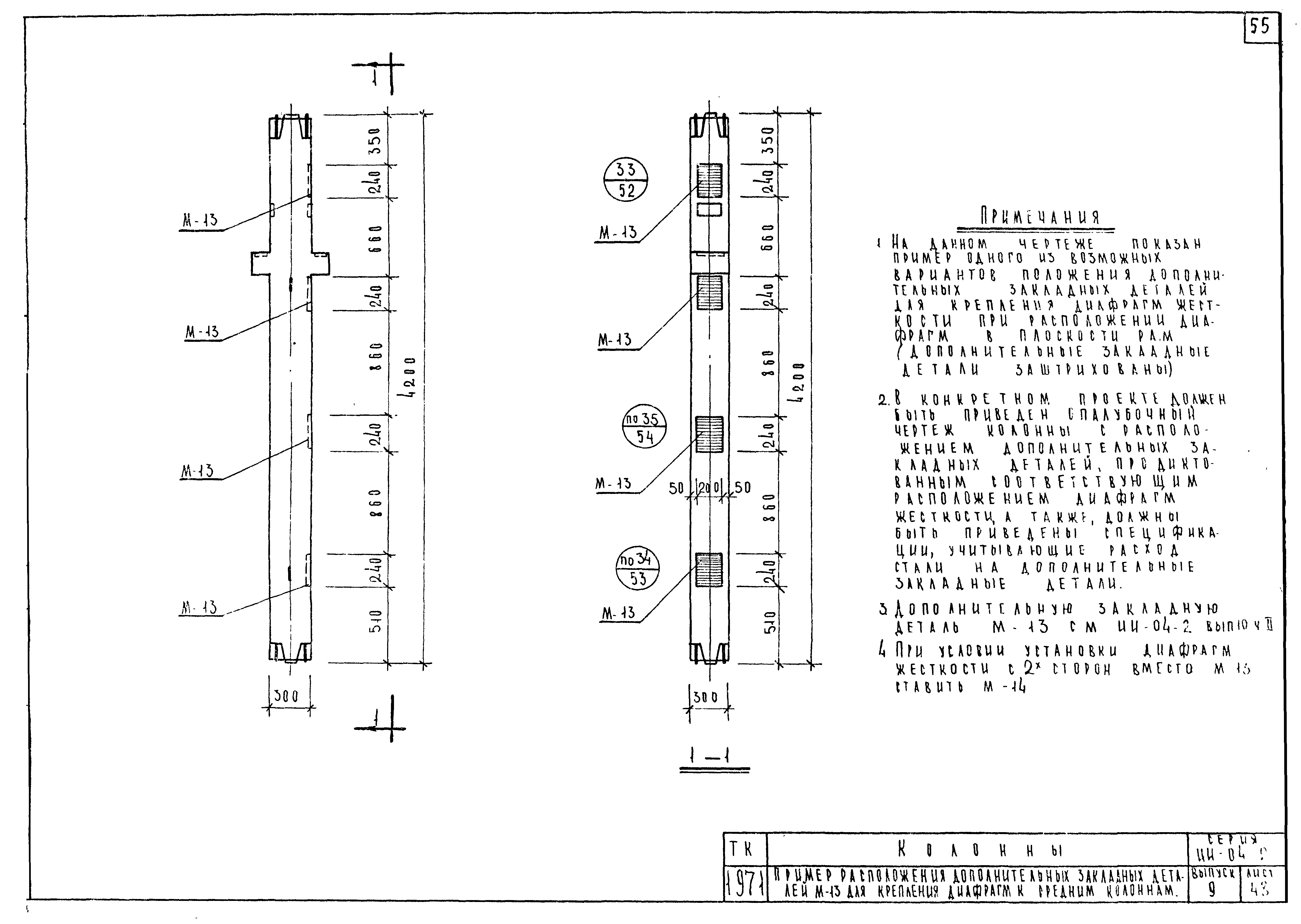
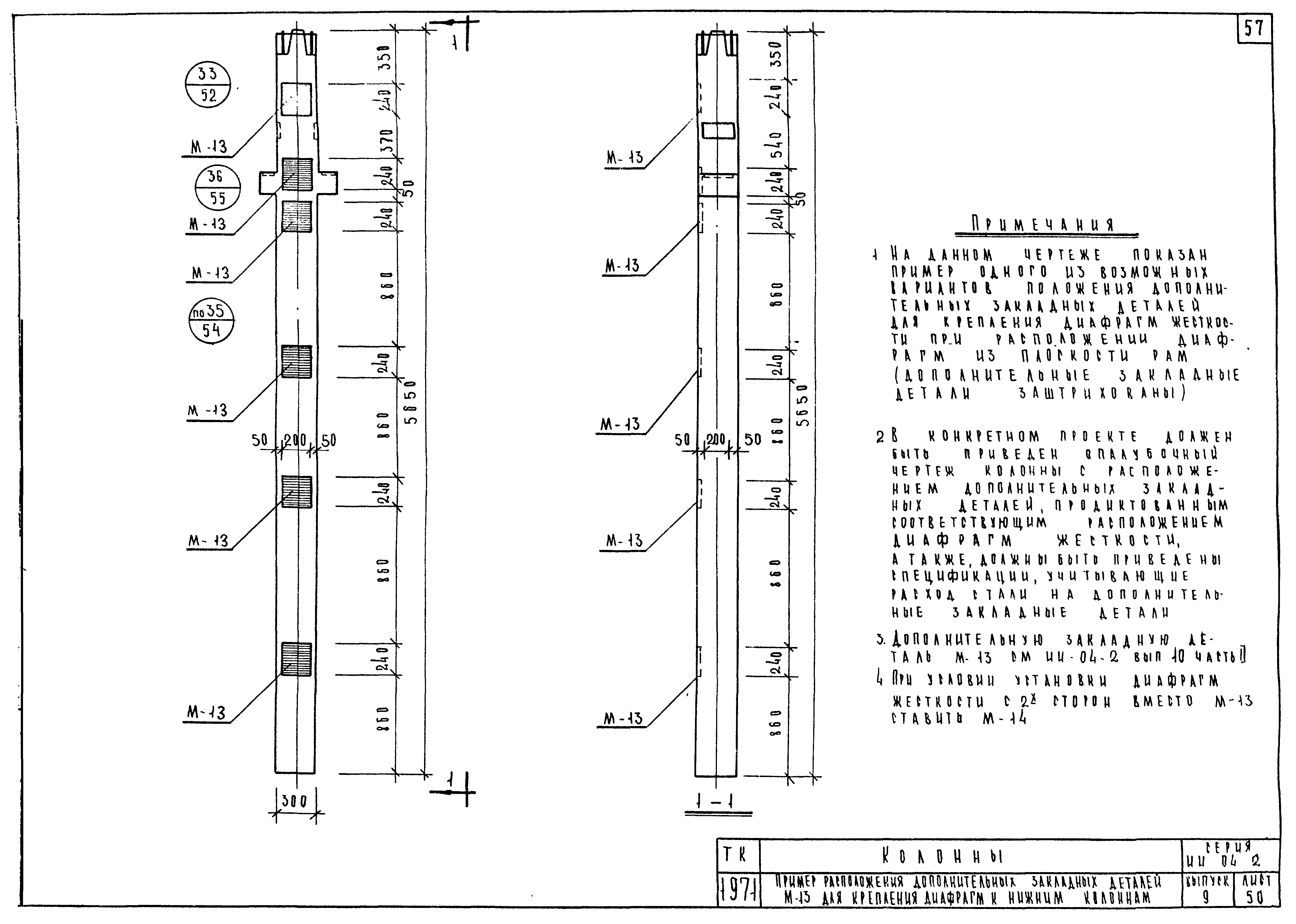
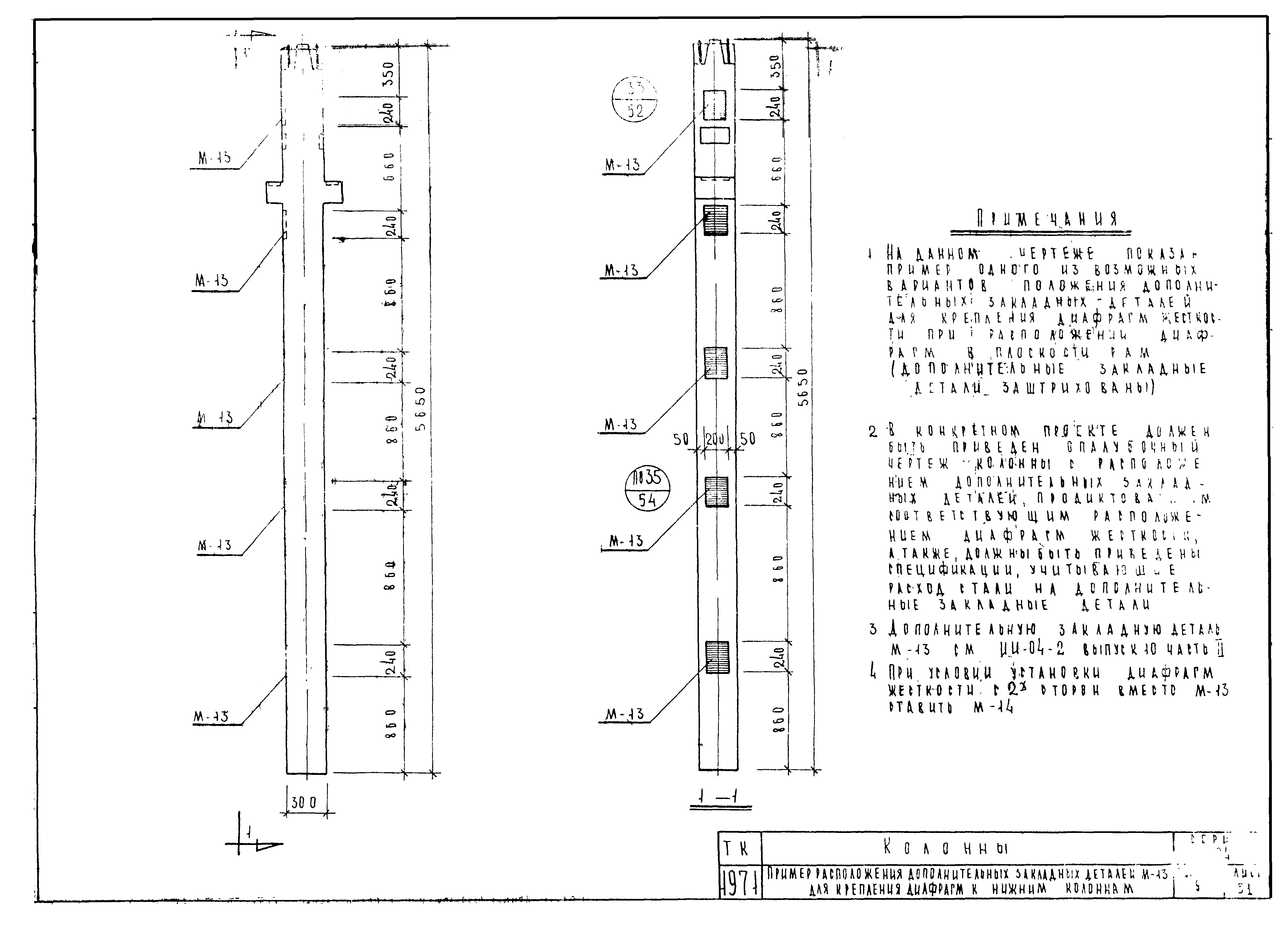
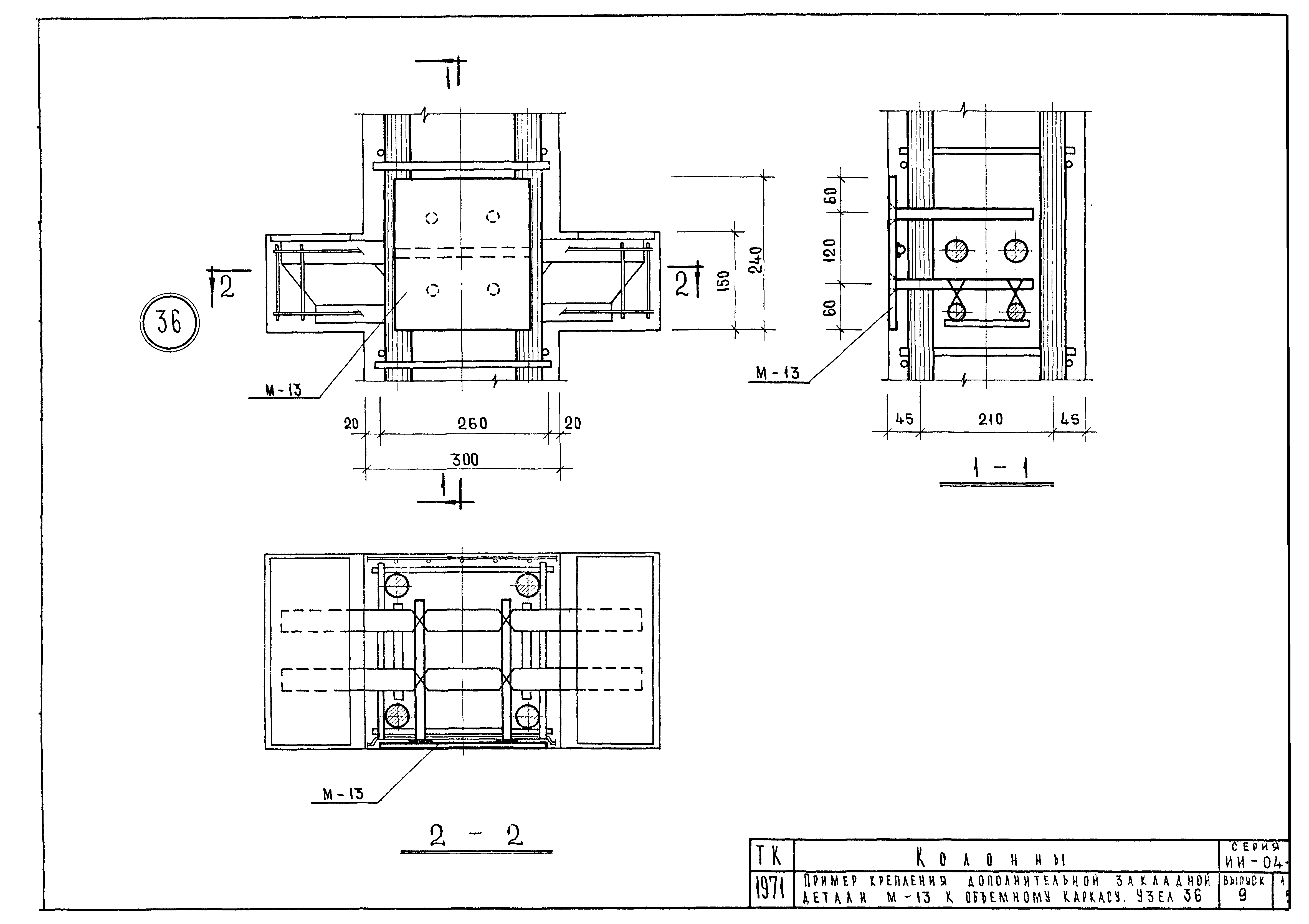
| Оглавление: | ИИ-04-2 Перечень серий и выпусков ИИ-04-2 Содержание выпуска ИИ-04-2 Пояснительная записка ИИ-04-2 Лист 1. Номенклатура ИИ-04-2 Лист 2. Номенклатура ИИ-04-2 Лист 3. Номенклатура ИИ-04-2 Лист 4. Колонна КВК-342-14. Опалубка ИИ-04-2 Лист 5. Колонна КВР-342-14. Опалубка ИИ-04-2 Лист 6. Колонны КСК-342-14,КСК-342-23. Опалубка ИИ-04-2 Лист 7. Колонны КСР-342-14,КСР-342-17;КСР-342-23. Опалубка ИИ-04-2 Лист 8. Колонны КНК-342-14,КНК-342-17;КНК-342-23,КНК-342-28. Опалубка ИИ-04-2 Лист 9. Колонны КНР-342-14,КНР-342-17;КНР-342-23,КНР-342-28. Опалубка ИИ-04-2 Лист 10. Колонна КК-342-14. Опалубка ИИ-04-2 Лист 11. Колонна КР-342-14. Опалубка ИИ-04-2 Лист 12. Колонны. Опалубка. Узел 1 ИИ-04-2 Лист 13. Колонны. Опалубка. Узел 2 ИИ-04-2 Лист 14. Колонны. Опалубка. Узел 3 ИИ-04-2 Лист 15. Колонны. Опалубка. Узел 4 ИИ-04-2 Лист 16. Колонны. Опалубка. Узел 5 ИИ-04-2 Лист 17. Колонны. Опалубка. Узел 6 ИИ-04-2 Лист 18. Колонны. Опалубка. Узел 7 ИИ-04-2 Лист 19. Колонна КВК-342-14. Армирование ИИ-04-2 Лист 20. Колонна КВР-342-14. Армирование ИИ-04-2 Лист 21. Колонны КСК-342-14. Армирование ИИ-04-2 Лист 22. Колонны КСК-342-23. Армирование ИИ-04-2 Лист 23. Колонны КСР-342-14,КСР-342-17. Армирование ИИ-04-2 Лист 24. Колонны КСР-342-23. Армирование ИИ-04-2 Лист 25. Колонны КНК-342-14,КНК-342-17. Армирование ИИ-04-2 Лист 26. Колонны КНК-342-23. Армирование ИИ-04-2 Лист 27. Колонны КНК-342-28. Армирование ИИ-04-2 Лист 28. Колонны КНР-342-14,КНР-342-17. Армирование ИИ-04-2 Лист 29. Колонны КНР-342-23. Армирование ИИ-04-2 Лист 30. Колонны КНР-342-28. Армирование ИИ-04-2 Лист 31. Колонна КК-342-14. Армирование ИИ-04-2 Лист 32. Колонна КР-342-14. Армирование ИИ-04-2 Лист 33. Колонны. Армирование. Узел 8 ИИ-04-2 Лист 34. Колонны. Армирование. Узел 9 ИИ-04-2 Лист 35. Колонны. Армирование. Узел 10 ИИ-04-2 Лист 36. Колонны. Армирование. Узел 11 ИИ-04-2 Лист 37. Колонны. Армирование. Узел 12 ИИ-04-2 Лист 38. Колонны. Армирование. Узел 13,13а ИИ-04-2 Лист 39. Колонны. Армирование. Узел 14 ИИ-04-2 Лист 40. Колонны. Армирование. Узел 15,15а,16,17 ИИ-04-2 Лист 41. Колонны. Армирование. Узел 18 ИИ-04-2 Лист 42. Колонны. Армирование. Узел 19 ИИ-04-2 Лист 43. Колонны. Армирование. Узел 20 ИИ-04-2 Лист 44. Пример расположение дополнительных закладных деталей для крепления лестниц к средним колоннам ИИ-04-2 Лист 45. Пример расположение дополнительных закладных деталей для крепления лестниц к средним колоннам ИИ-04-2 Лист 46. Пример расположение дополнительных закладных деталей для крепления лестниц к нижним колоннам ИИ-04-2 Лист 47. Пример расположение дополнительных закладных деталей для крепления лестниц к нижним колоннам ИИ-04-2 Лист 48. Пример расположение дополнительных закладных деталей М-13 для крепления диафрагм к средним колоннам ИИ-04-2 Лист 49. Пример расположение дополнительных закладных деталей М-13 для крепления диафрагм к средним колоннам ИИ-04-2 Лист 50. Пример расположение дополнительных закладных деталей М-13 для крепления диафрагм к нижним колоннам ИИ-04-2 Лист 51. Пример расположение дополнительных закладных деталей М-13 для крепления диафрагм к нижним колоннам ИИ-04-2 Лист 52. Пример расположение дополнительной закладной детали М-13 к объемному каркасу. Узел 33 ИИ-04-2 Лист 53. Пример расположение дополнительной закладной детали М-13 к объемному каркасу. Узел 34 ИИ-04-2 Лист 54. Пример расположение дополнительной закладной детали М-13 к объемному каркасу. Узел 35 ИИ-04-2 Лист 55. Пример расположение дополнительной закладной детали М-13 к объемному каркасу. Узел 36 |
| Разработан: | ЦНИИЭП торгово-бытовых зданий и туристских комплексов НИИЖБ |
| Утверждён: | 28.01.1972 Государственный комитет по гражданскому строительству (9) |
| Чем заменён: |































































