Скачать Серия ИИ-04-2 Выпуск 11. Часть III. Колонны связевого каркаса сечением 40х40 см для навески стеновых панелей в зданиях с высотой этажа 4,2 м. Рабочие чертежиДата актуализации: 01.01.2021
|
| Обозначение: | Серия ИИ-04-2 |
| Обозначение англ: | Series ИИ-04-2 |
| Статус: | не действует |
| Название рус.: | Выпуск 11. Часть III. Колонны связевого каркаса сечением 40х40 см для навески стеновых панелей в зданиях с высотой этажа 4,2 м. Рабочие чертежи |
| Дата добавления в базу: | 01.09.2013 |
| Дата актуализации: | 01.01.2021 |
| Дата введения: | 01.10.1973 |
| Дата окончания срока действия: | 01.04.1982 |
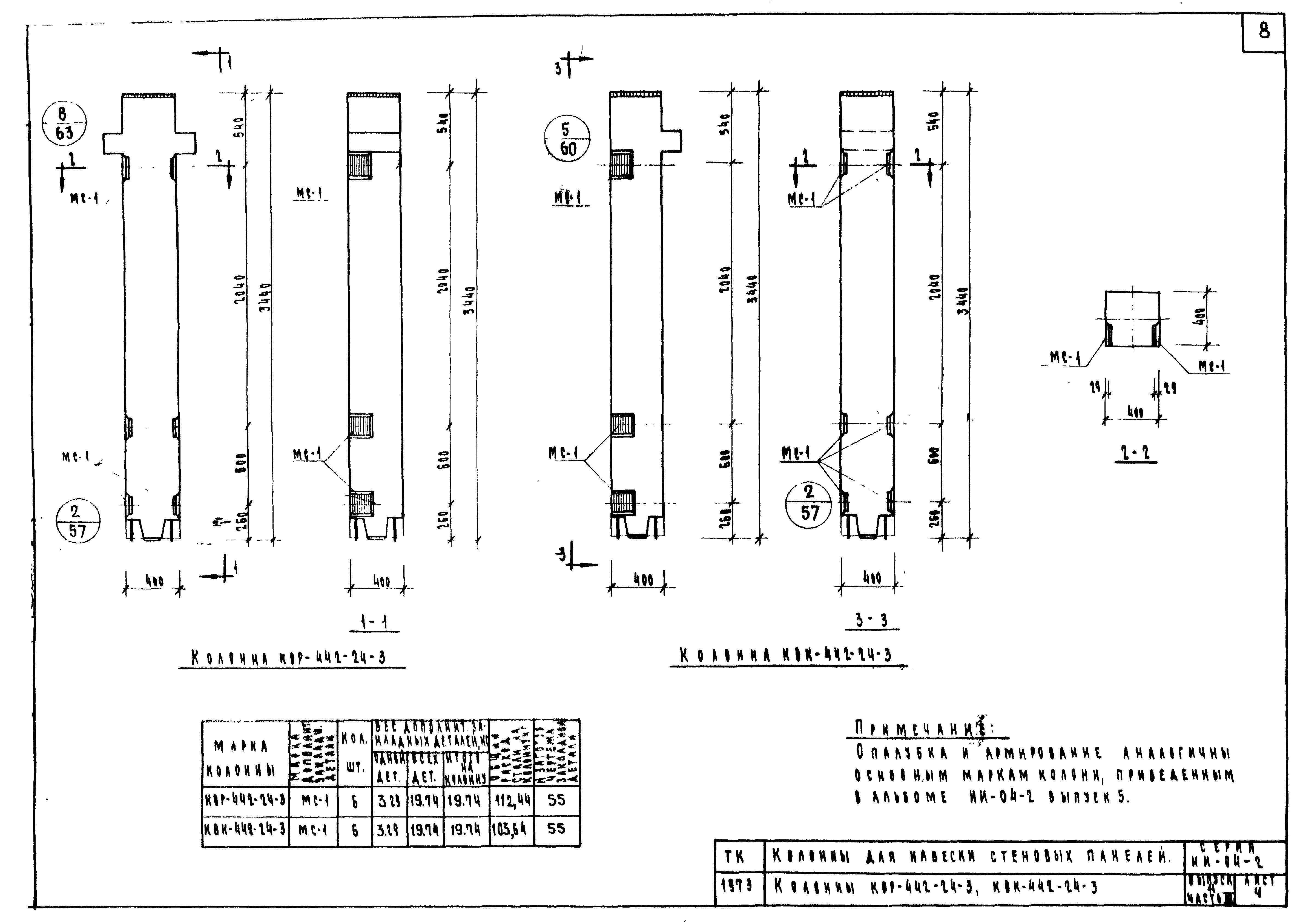
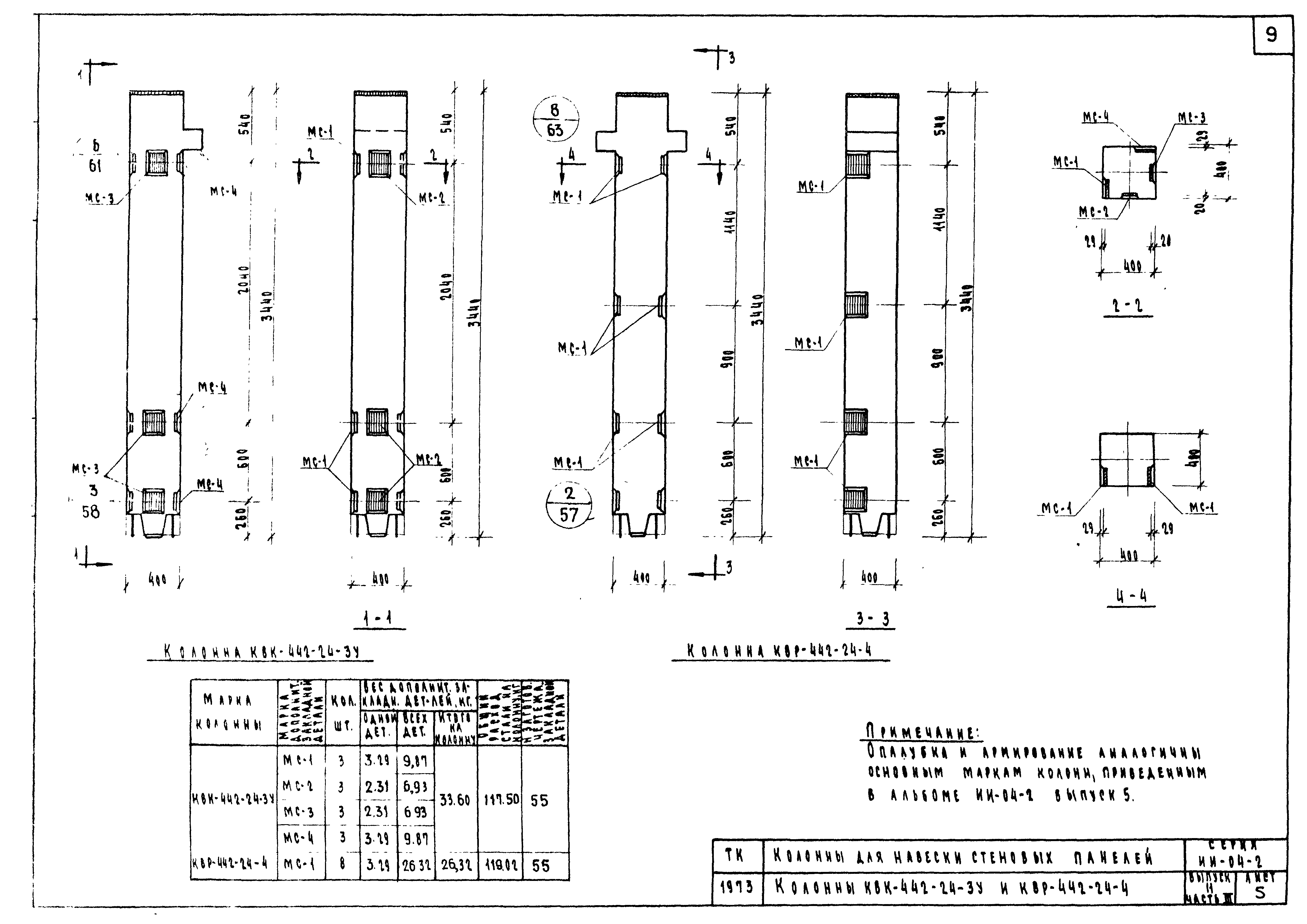
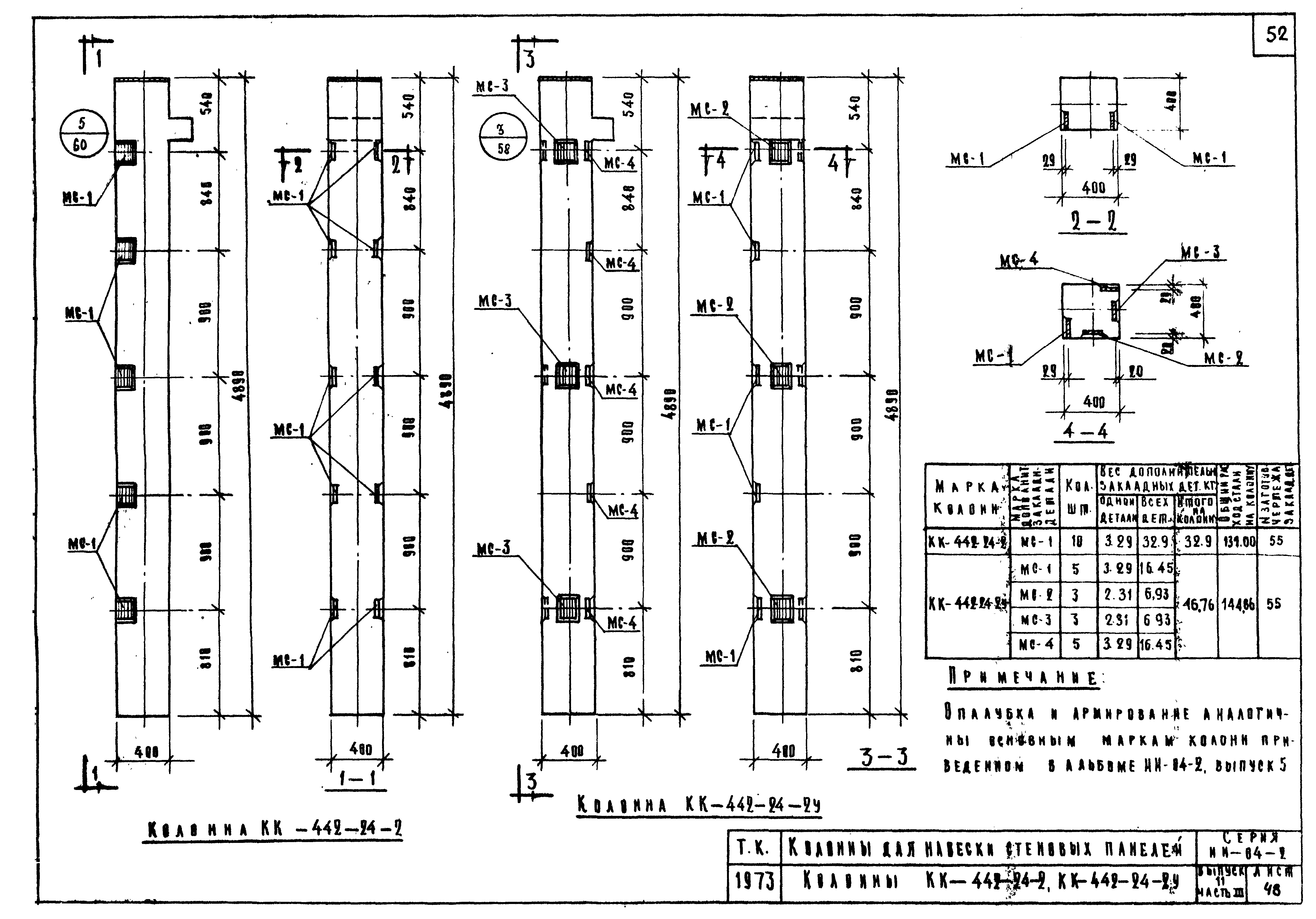
| Оглавление: | ИИ-04-2 Содержание альбома ИИ-04-2 Пояснительная записка ИИ-04-2 Лист 1. Колонны КВР-442-24-1,КВК-442-24-1 ИИ-04-2 Лист 2. Колонны КВР-442-24-2,КВК-442-24-1У ИИ-04-2 Лист 3. Колонны КВК-442-24-2,КВК-442-24-2У ИИ-04-2 Лист 4. Колонны КВР-442-24-3,КВК-442-24-3 ИИ-04-2 Лист 5. Колонны КВК-442-24-3У,КВР-442-24-4 ИИ-04-2 Лист 6. Колонны КВК-442-24-4,КВК-442-24-4У ИИ-04-2 Лист 7. Колонны КВР-442-24-7,КВК-442-24-7 ИИ-04-2 Лист 8. Колонны КВК-442-24-7У,КВР-442-24-8 ИИ-04-2 Лист 9. Колонны КВК-442-24-8,КВК-442-24-8У ИИ-04-2 Лист 10. Колонны КСР-442-24-1,КСР-442-29-1,КСР-442-34-1,КСР-442-40-1,КСР-442-52-1,КСР-442-58-1,КСК-442-24-1,КСК-442-29-1,КСК-442-34-1,КСК-442-40-1,КСК-442-52-1 ИИ-04-2 Лист 11. Колонны КСК-442-24-1У,КСК-442-29-1У,КСК-442-34-1У,КСК-442-40-1У,КСК-442-52-1У,КСР-442-24-2,КСР-442-29-2,КСР-442-34-2,КСР-442-40-2,КСР-442-52-2,КСР-442-58-2 ИИ-04-2 Лист 12. Колонны КСК-442-24-2У,КСК-442-29-2У,КСК-442-34-2У,КСК-442-40-2У,КСК-442-52-2У,КСК-442-24-2,КСК-442-29-2,КСК-442-34-2,КСК-442-40-2,КСК-442-52-2 ИИ-04-2 Лист 13. Колонны КСР-442-24-3,КСР-442-29-3,КСР-442-34-3,КСР-442-40-3,КСР-442-52-3,КСР-442-58-3,КСК-442-24-3,КСК-442-29-3,КСК-442-34-3,КСК-442-40-3,КСК-442-52-3 ИИ-04-2 Лист 14. Колонны КСР-442-24-4,КСР-442-29-4,КСР-442-34-4,КСР-442-40-4,КСР-442-52-4,КСР-442-58-4,КСК-442-24-3У,КСК-442-29-3У,КСК-442-34-3У,КСК-442-40-3У,КСК-442-52-3У ИИ-04-2 Лист 15. Колонны КСК-442-24-4У,КСК-442-29-4У,КСК-442-34-4У,КСК-442-40-4У,КСК-442-52-4У,КСК-442-24-4,КСК-442-29-4,КСК-442-34-4,КСК-442-40-4,КСК-442-52-4 ИИ-04-2 Лист 16. Колонны КСР-442-24-7,КСР-442-29-7,КСР-442-34-7,КСР-442-40-7,КСР-442-52-7,КСР-443-58-7,КСК-442-24-7,КСК-442-29-7,КСК-442-34-7,КСК-442-40-7,КСК-442-52-7 ИИ-04-2 Лист 17. Колонны КСК-442-24-7У,КСК-442-29-7У,КСК-442-34-7У,КСК-442-40-7У,КСК-442-52-7У,КСР-442-24-8,КСР-442-29-8,КСР-442-34-8,КСР-442-40-8,КСР-442-52-8,КСР-442-58-8 ИИ-04-2 Лист 18. Колонны КСК-442-24-8,КСК-442-29-8,КСК-442-34-8,КСК-442-40-8,КСК-442-52-8,КСК-442-24-8У,КСК-442-29-8У,КСК-442-34-8У,КСК-442-40-8У,КСК-442-52-8У ИИ-04-2 Лист 19. Колонны КНК-442-24-1,КНК-442-29-1,КНК-442-34-1,КНК-442-40-1,КНК-442-52-1,КНР-442-24-1,КНР-442-29-1,КНР-442-34-1,КНР-442-40-1,КНР-442-52-1,КНР-442-58-1 ИИ-04-2 Лист 20. Колонны КНК-442-24-1У,КНК-442-29-1У,КНК-442-34-1У,КНК-442-40-1У,КНК-442-52-1У,КНР-442-24-2,КНР-442-29-2,КНР-442-34-2,КНР-442-40-2,КНР-442-52-2,КНР-442-58-2 ИИ-04-2 Лист 21. Колонны КНК-442-24-2,КНК-442-29-2,КНК-442-34-2,КНК-442-40-2,КНК-442-52-2,КНК-442-24-2У,КНК-442-29-2У,КНК-442-34-2У,КНК-442-40-2У,КНК-442-52-2У ИИ-04-2 Лист 22. Колонны КНР-442-24-3,КНР-442-29-3,КНР-442-34-3,КНР-442-40-3,КНР-442-52-3,КНР-442-58-3,КНК-442-24-3,КНК-442-29-3,КНК-442-34-3,КНК-442-40-3,КНК-442-52-3 ИИ-04-2 Лист 23. Колонны КНК-442-24-3У,КНК-442-29-3У,КНК-442-34-3У,КНК-442-40-3У,КНК-442-52-3У,КНР-442-24-4,КНР-442-29-4,КНР-442-34-4,КНР-442-40-4,КНР-442-52-4,КНР-442-58-4 ИИ-04-2 Лист 24. Колонны КНК-442-24-4,КНК-442-29-4,КНК-442-34-4,КНК-442-40-4,КНК-442-52-4,КНК-442-24-4У,КНК-442-29-4У,КНК-442-34-4У,КНК-442-40-4У,КНК-442-52-4У ИИ-04-2 Лист 25. Колонны КНР-442-24-7,КНР-442-29-7,КНР-442-34-7,КНР-442-40-7,КНР-442-52-7,КНР-442-58-7,КНК-442-24-7,КНК-442-29-7,КНК-442-34-7,КНК-442-40-7,КНК-442-52-7 ИИ-04-2 Лист 26. Колонны КНК-442-24-7У,КНК-442-29-7У,КНК-442-34-7У,КНК-442-40-7У,КНК-442-52-7У,КНР-442-24-8,КНР-442-29-8,КНР-442-34-8,КНР-442-40-8,КНР-442-52-8,КНР-442-58-8 ИИ-04-2 Лист 27. Колонны КНК-442-24-8,КНК-442-29-8,КНК-442-34-8,КНК-442-40-8,КНК-442-52-8,КНК-442-24-8У,КНК-442-29-8У,КНК-442-34-8У,КНК-442-40-8У,КНК-442-52-8У ИИ-04-2 Лист 28. Колонны КСР-484-24-1,КСР-484-29-1,КСР-484-34-1,КСР-484-40-1,КСР-484-52-1,КСР-484-58-1 ИИ-04-2 Лист 29. Колонны КСК-484-24-1,КСК-484-29-1,КСК-484-34-1,КСК-484-40-1,КСК-484-52-1 ИИ-04-2 Лист 30. Колонны КСК-484-24-1У,КСК-484-29-1У,КСК-484-34-1У,КСК-484-40-1У,КСК-484-52-1У ИИ-04-2 Лист 31. Колонны КСР-484-24-2,КСР-484-29-2,КСР-484-34-2,КСР-484-40-2,КСР-484-52-2,КСР-484-58-2 ИИ-04-2 Лист 32. Колонны КСК-484-24-2,КСК-484-29-2,КСК-484-34-2,КСК-484-40-2,КСК-484-52-2 ИИ-04-2 Лист 33. Колонны КСК-484-24-2У,КСК-484-29-2У,КСК-484-34-2У,КСК-484-40-2У,КСК-484-52-2У ИИ-04-2 Лист 34. Колонны КСР-484-24-3,КСР-484-29-3,КСР-484-34-3,КСР-484-40-3,КСР-484-52-3,КСР-484-58-3 ИИ-04-2 Лист 35. Колонны КСК-484-24-3,КСК-484-29-3,КСК-484-34-3,КСК-484-40-3,КСК-484-52-3 ИИ-04-2 Лист 36. Колонны КСК-484-24-3У,КСК-484-29-3У,КСК-484-34-3У,КСК-484-40-3У,КСК-484-52-3У ИИ-04-2 Лист 37. Колонны КСР-484-24-4,КСР-484-29-4,КСР-484-34-4,КСР-484-40-4,КСР-484-52-4,КСР-484-58-4 ИИ-04-2 Лист 38. Колонны КСК-484-24-4,КСК-484-29-4,КСК-484-34-4,КСК-484-40-4,КСК-484-52-4 ИИ-04-2 Лист 39. Колонны КСК-484-24-4У,КСК-484-29-4У,КСК-484-34-4У,КСК-484-40-4У,КСК-484-52-4У ИИ-04-2 Лист 40. Колонны КСР-484-24-7,КСР-484-29-7,КСР-484-34-7,КСР-484-40-7,КСР-484-52-7,КСР-484-58-7 ИИ-04-2 Лист 41. Колонны КСК-484-24-7,КСК-484-29-7,КСК-484-34-7,КСК-484-40-7,КСК-484-52-7 ИИ-04-2 Лист 42. Колонны КСК-484-24-7У,КСК-484-29-7У,КСК-484-34-7У,КСК-484-40-7У,КСК-484-52-7У ИИ-04-2 Лист 43. Колонны КСР-484-24-8,КСР-484-29-8,КСР-484-34-8,КСР-484-40-8,КСР-484-52-8,КСР-484-58-8 ИИ-04-2 Лист 44. Колонны КСК-484-24-8,КСК-484-29-8,КСК-484-34-8,КСК-484-40-8,КСК-484-52-8 ИИ-04-2 Лист 45. Колонны КСК-484-24-8У,КСК-484-29-8У,КСК-484-34-8У,КСК-484-40-8У,КСК-484-52-8У ИИ-04-2 Лист 46. Колонны КР-442-24-1,КК-442-24-1 ИИ-04-2 Лист 47. Колонны КК-442-24-1У,КР-442-24-2 ИИ-04-2 Лист 48. Колонны КК-442-24-2,КК-442-24-2У ИИ-04-2 Лист 49. Колонны КР-442-24-3,КК-442-24-3 ИИ-04-2 Лист 50. Колонны КК-442-24-3У,КР-442-24-4 ИИ-04-2 Лист 51. Колонны КК-442-24-4,КК-442-24-4У ИИ-04-2 Лист 52. Колонны КР-442-24-7,КК-442-24-7 ИИ-04-2 Лист 53. Колонны КК-442-24-7У,КР-442-24-8 ИИ-04-2 Лист 54. Колонны КК-442-24-8,КК-442-24-8У ИИ-04-2 Лист 55. Закладные детали МС-1,МС-2,МС-3,МС-4,МС-5 ИИ-04-2 Лист 56. Узел "1" ИИ-04-2 Лист 57. Узел "2" ИИ-04-2 Лист 58. Узел "3" ИИ-04-2 Лист 59. Узел "4" ИИ-04-2 Лист 60. Узел "5" ИИ-04-2 Лист 61. Узел "6" ИИ-04-2 Лист 62. Узел "7" ИИ-04-2 Лист 63. Узел "8" |
| Разработан: | ЦНИИЭП торгово-бытовых зданий и туристских комплексов |
| Утверждён: | 13.08.1973 Государственный комитет по гражданскому строительству (173) |
| Чем заменён: |




































































