Скачать Серия ИИ-04-2 Выпуск 12. Часть II. Колонны связевого каркаса сечением 30х30 см для навески стеновых панелей в зданиях с высотой этажа 3,6 м. Рабочие чертежиДата актуализации: 01.01.2021
|
| Обозначение: | Серия ИИ-04-2 |
| Обозначение англ: | Series ИИ-04-2 |
| Статус: | заменен |
| Название рус.: | Выпуск 12. Часть II. Колонны связевого каркаса сечением 30х30 см для навески стеновых панелей в зданиях с высотой этажа 3,6 м. Рабочие чертежи |
| Дата добавления в базу: | 01.09.2013 |
| Дата актуализации: | 01.01.2021 |
| Дата введения: | 01.10.1973 |
| Дата окончания срока действия: | 01.04.1982 |
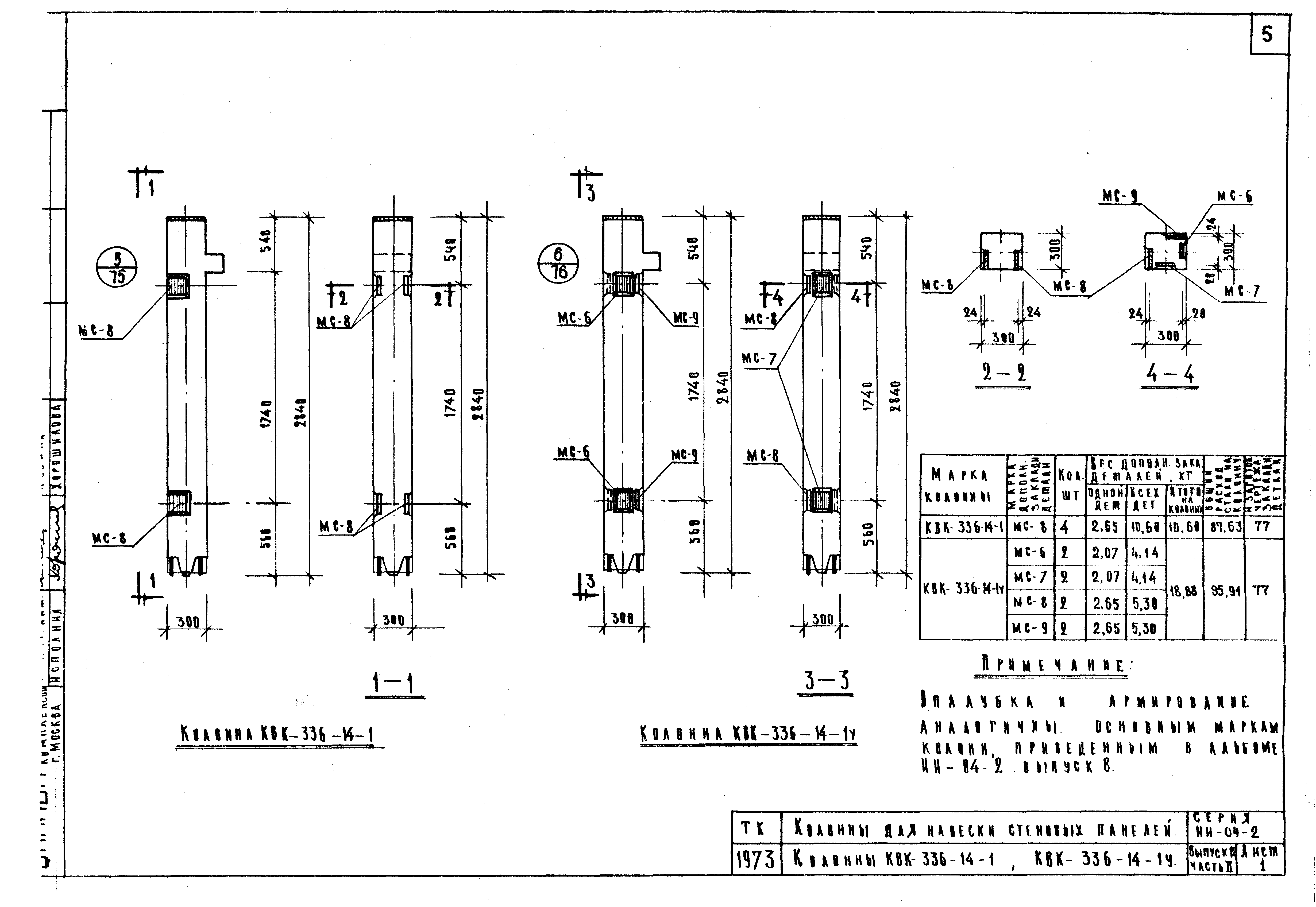
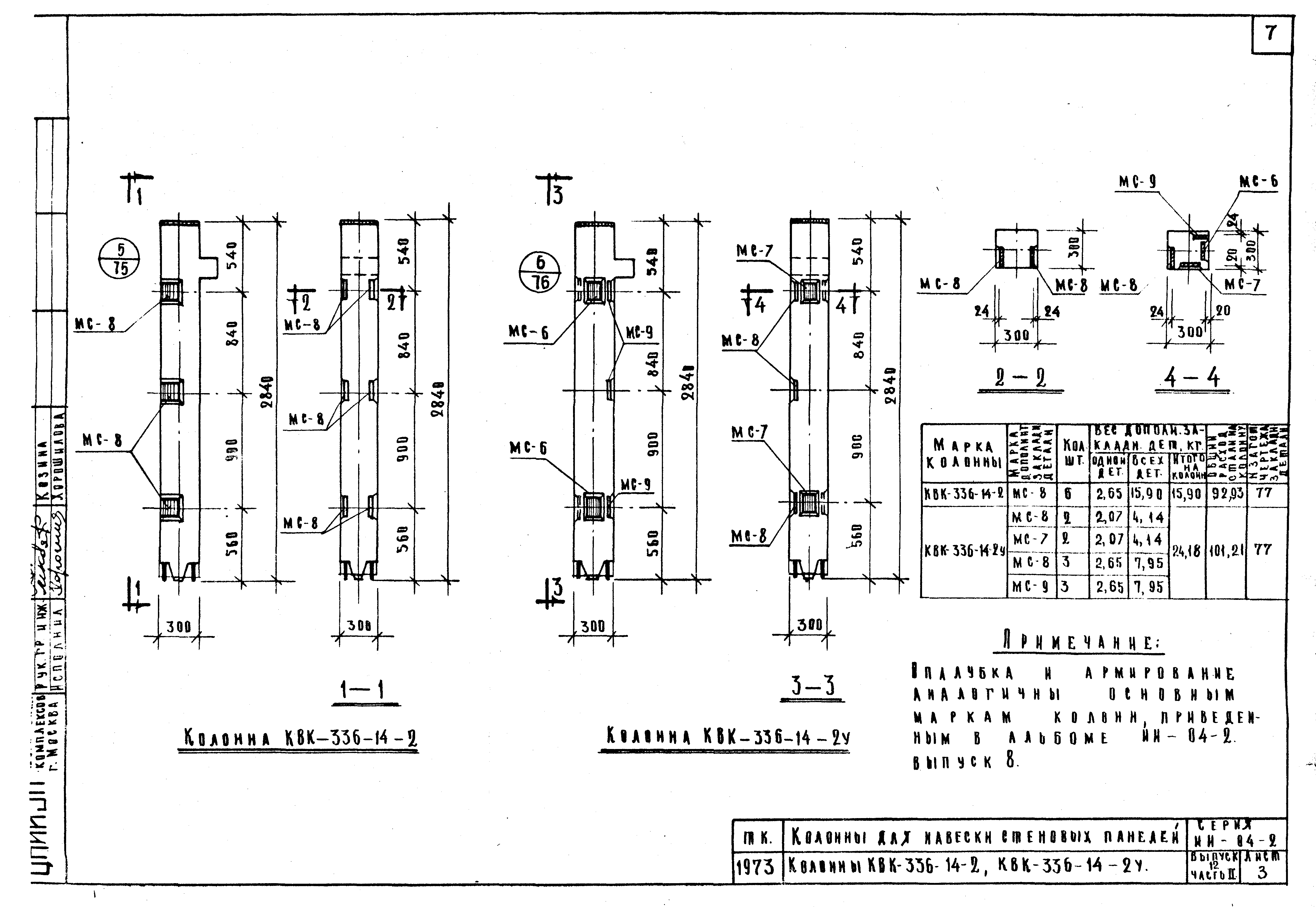
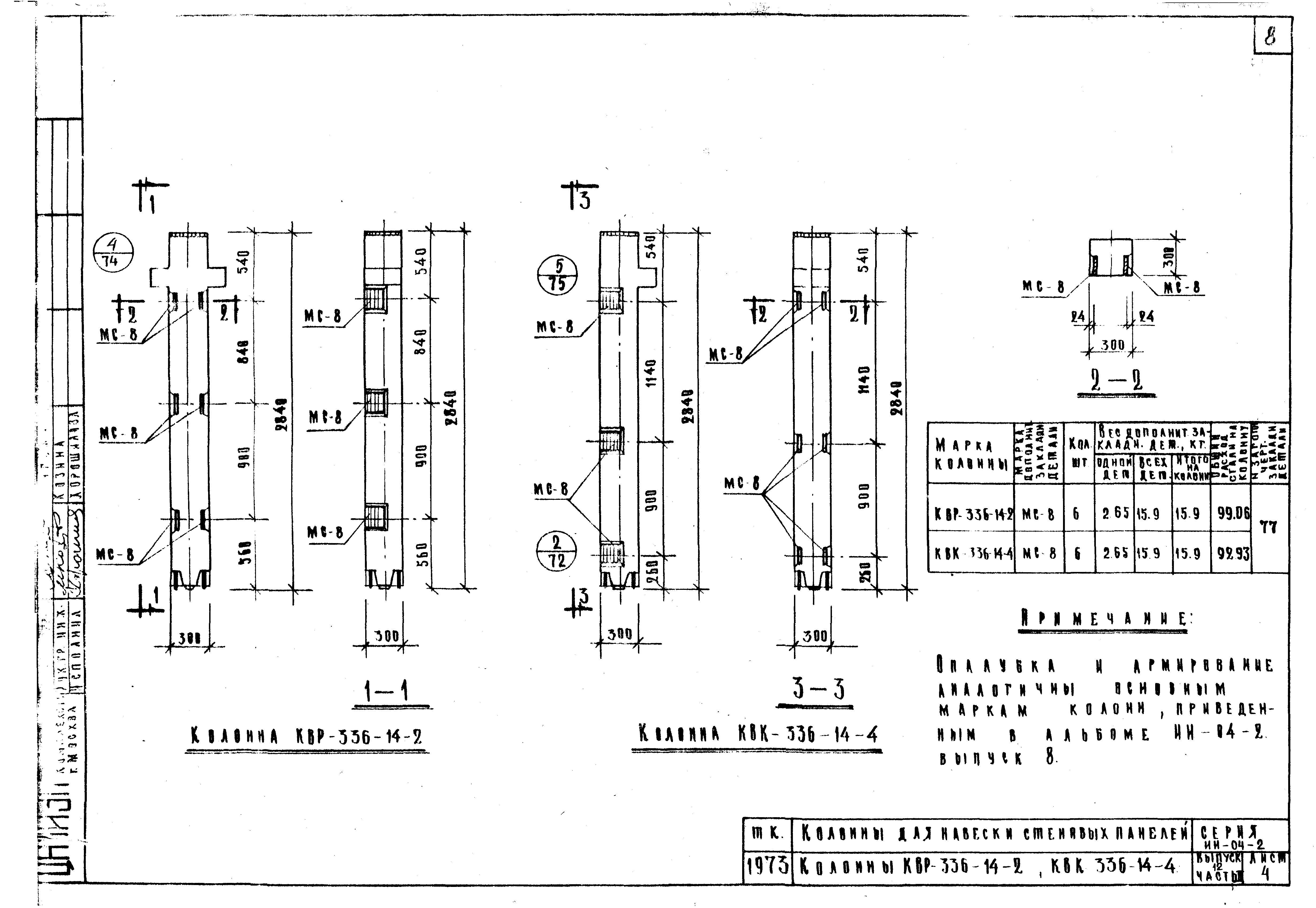
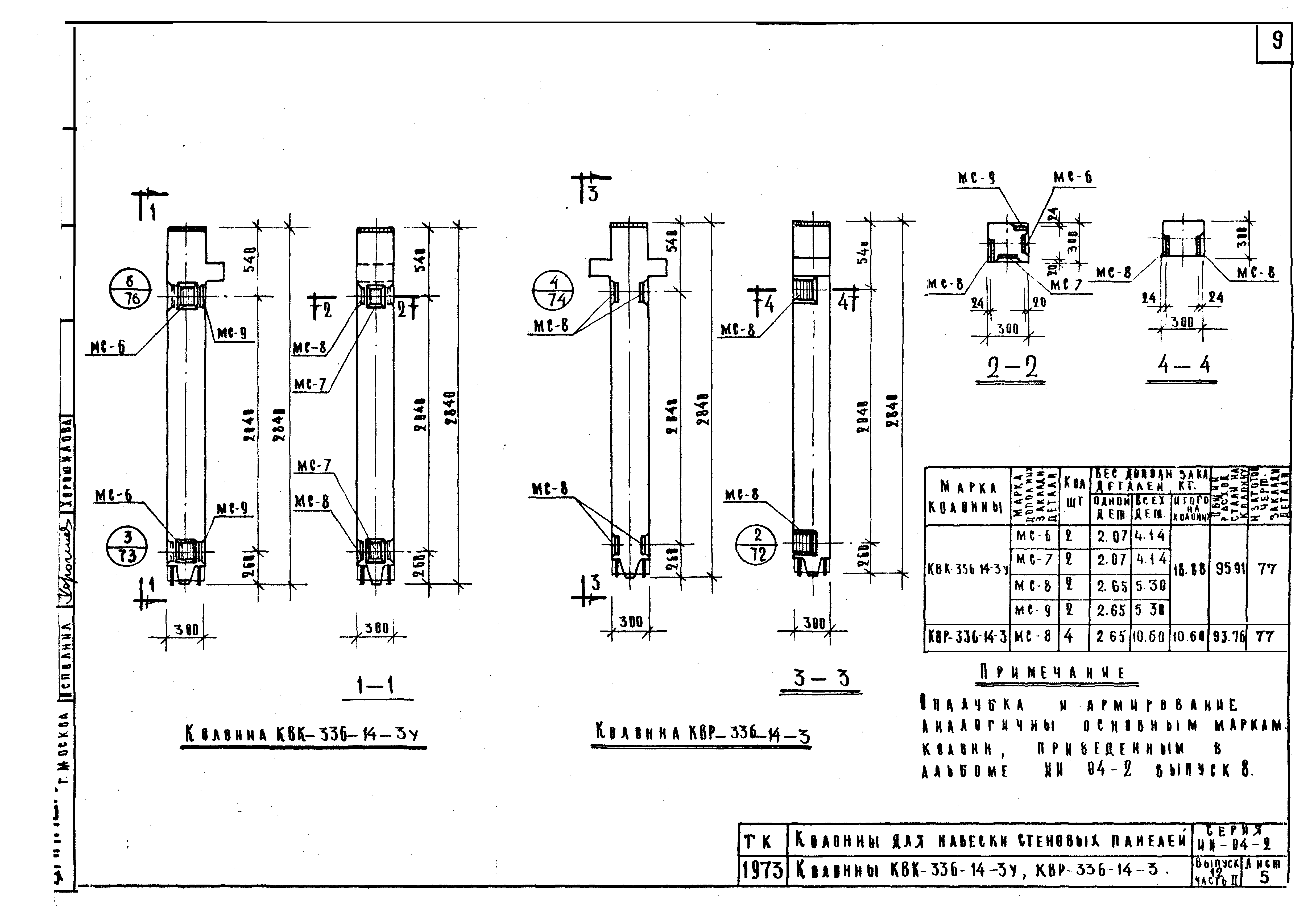
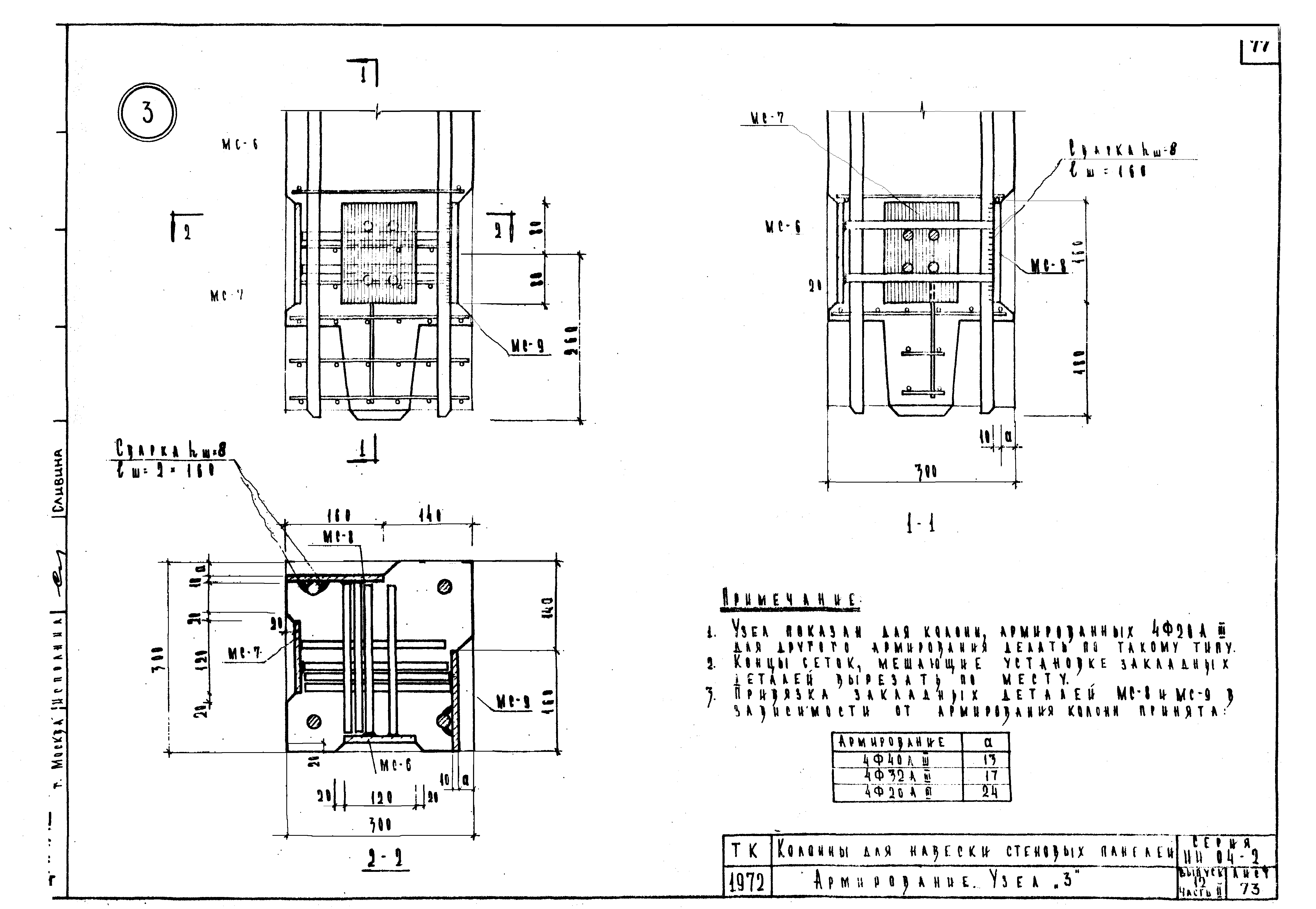
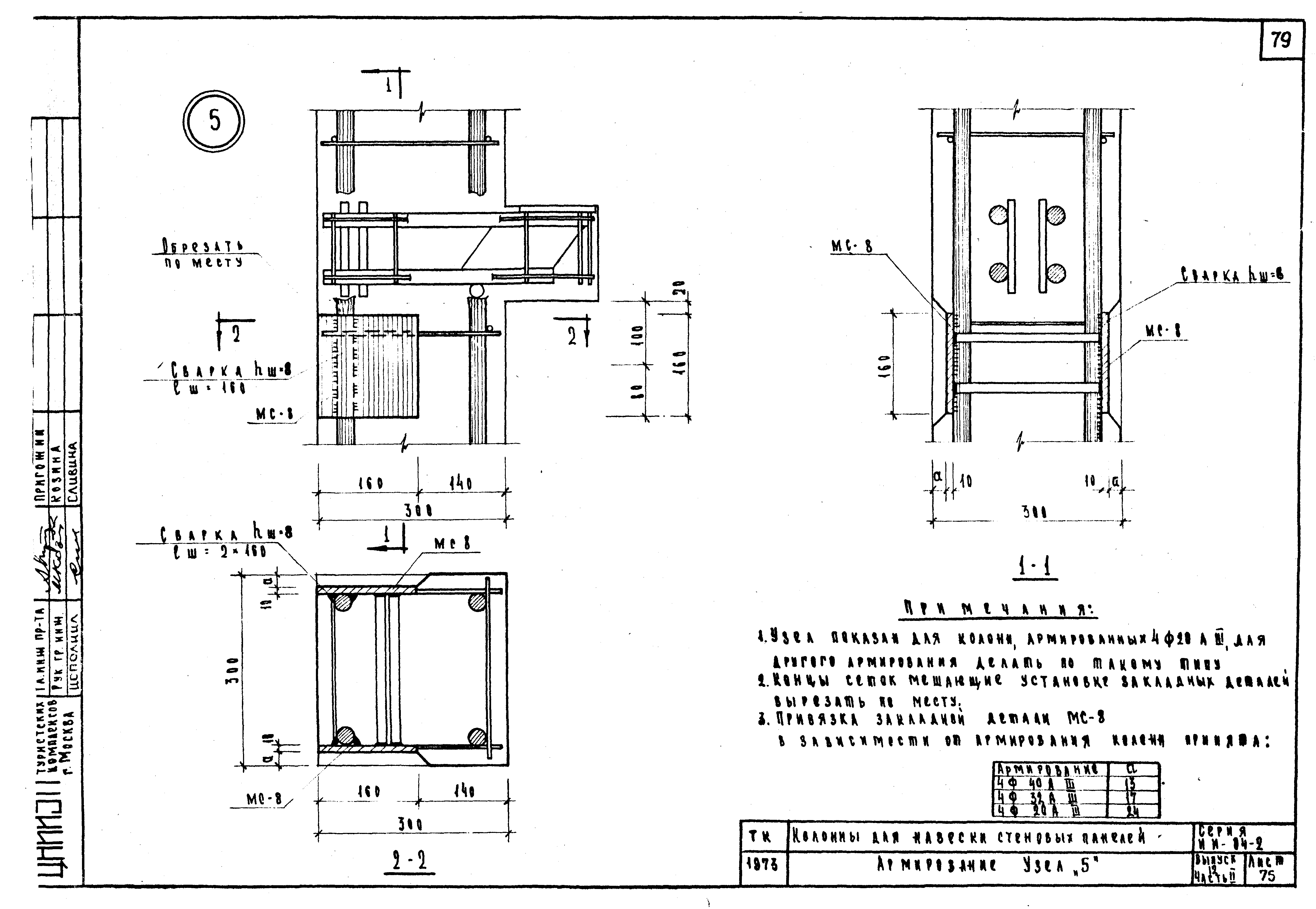
| Оглавление: | ИИ-04-2 Содержание выпуска ИИ-04-2 Пояснительная записка ИИ-04-2 Лист 1. Колонны КВК-336-14-1;КВК-336-14-1У ИИ-04-2 Лист 2. Колонны КВР-336-14-1;КВК-336-14-3 ИИ-04-2 Лист 3. Колонны КВК-336-14-2;КВК-336-14-2У ИИ-04-2 Лист 4. Колонны КВР-336-14-2;КВК-336-14-4 ИИ-04-2 Лист 5. Колонны КВК-336-14-3У;КВР-336-14-3 ИИ-04-2 Лист 6. Колонны КВК-336-14-4У;КВР-336-14-4 ИИ-04-2 Лист 7. Колонны КСР-336-14-1;КСР-336-17-1;КСР-336-23-1,КСР-336-14-3;КСР-336-17-3;КСР-336-23-3 ИИ-04-2 Лист 8. Колонны КСК-336-14-1;КСК-336-23-1,КСК-336-14-1У;КСК-336-23-1У ИИ-04-2 Лист 9. Колонны КСК-336-14-2;КСК-336-23-2,КСК-336-14-2У;КСК-336-23-2У ИИ-04-2 Лист 10. Колонны КСК-336-14-4;КСК-336-23-4,КСР-336-14-2;КСР-336-23-2 ИИ-04-2 Лист 11. Колонны КСК-336-14-3;КСК-336-23-3,КСК-336-14-3У;КСК-336-23-3У ИИ-04-2 Лист 12. Колонны КСК-336-14-4У;КСК-336-23-4У,КСР-336-14-4;КСР-336-17-4;КСР-336-23-4 ИИ-04-2 Лист 13. Колонны КНК-336-14-1;КНК-336-17-1,КНК-336-23-1;КНК-336-28-1;КНК-336-14-3;КНК-336-17-3;КНК-336-23-3;КНК-336-28-3;КНК-336-14-1У;КНК-336-17-1У;КНК-336-23-1У;КНК-336-28-1У ИИ-04-2 Лист 14. Колонны КНР-335-14-1;КНР-335-17-1,КНР-335-23-1;КНР-335-28-1;КНР-335-14-3;КНР-335-17-3;КНР-335-23-3;КНР-335-28-1;КНР-336-14-2;КНР-336-17-2;КНР-336-23-2;КНР-336-28-2 ИИ-04-2 Лист 15. Колонны КНК-336-14-2У;КНК-336-17-2У,КНК-336-23-2У;КНК-336-28-2У;КНК-335-14-2;КНК-335-17-2;КНР-335-23-2;КНК-335-28-2 ИИ-04-2 Лист 16. Колонны КНК-336-14-3У;КНК-336-17-3У,КНК-333-23-3У;КНК-336-28-3У;КНК-336-28-3У;КНК-336-14-4;КНР-336-17-4;КНР-336-23-4;КНР-336-28-4 ИИ-04-2 Лист 17. Колонны КНР-336-14-4;КНР-336-23-4,КНР-336-17-4;КНР-336-28-4;КНК-336-14-4У;КНК-336-17-4У;КНК-336-23-4У;КНК-336-28-4У ИИ-04-2 Лист 18. Колонны КСР-372-14-1;КСК-372-17-1 ИИ-04-2 Лист 19. Колонны КСК-372-14-1;КСК-372-17-1 ИИ-04-2 Лист 20. Колонны КСК-372-14-1У;КСК-372-17-1У ИИ-04-2 Лист 21. Колонны КСР-372-14-2У;КСР-372-17-2У ИИ-04-2 Лист 22. Колонны КСК-372-14-2;КСК-372-17-2 ИИ-04-2 Лист 23. Колонны КСК-372-14-2У;КСК-372-17-2У ИИ-04-2 Лист 24. Колонны КСР-372-14-3;КСР-372-17-3 ИИ-04-2 Лист 25. Колонны КСК-372-14-3;КСК-372-17-3 ИИ-04-2 Лист 26. Колонны КСК-372-14-3У;КСК-372-17-3У ИИ-04-2 Лист 27. Колонны КСР-372-14-4;КСР-372-17-4 ИИ-04-2 Лист 28. Колонны КСК-372-14-4;КСК-372-17-4 ИИ-04-2 Лист 29. Колонны КСК-372-14-4У;КСК-372-17-4У ИИ-04-2 Лист 30. Колонны КР-336-14-1;КР-336-14-3;КК-336-14-1;КК-336-14-3 ИИ-04-2 Лист 31. Колонны КК-336-14-1У;КК-336-14-2У ИИ-04-2 Лист 32. Колонны КК-336-14-2;КК-336-14-2 ИИ-04-2 Лист 33. Колонны КК-336-14-3У;КР-336-14-4 ИИ-04-2 Лист 34. Колонны КК-336-14-4;КК-336-14-4У ИИ-04-2 Лист 35. Колонна КВР-372-14-1 ИИ-04-2 Лист 36. Колонна КВН-372-14-1 ИИ-04-2 Лист 37. Колонна КВК-372-14-1У ИИ-04-2 Лист 38. Колонна КВР-371-14-2 ИИ-04-2 Лист 39. Колонна КВК-372-14-2 ИИ-04-2 Лист 40. Колонна КВК-372-14-2У ИИ-04-2 Лист 41. Колонна КВР-372-14-3 ИИ-04-2 Лист 42. Колонна КВК-372-14-3 ИИ-04-2 Лист 43. Колонна КВК-372-14-3У ИИ-04-2 Лист 44. Колонна КВР-372-14-4 ИИ-04-2 Лист 45. Колонна КВК-372-14-4 ИИ-04-2 Лист 46. Колонна КВК-372-14-4У ИИ-04-2 Лист 47. Колонна КНР-372-14-17-1 ИИ-04-2 Лист 48. Колонна КНК-372-14-1 ИИ-04-2 Лист 49. Колонна КНК-372-14-1У ИИ-04-2 Лист 50. Колонна КНР-372-14-17-2 ИИ-04-2 Лист 51. Колонна КНК-372-14-2 ИИ-04-2 Лист 52. Колонна КНК-372-14-2У ИИ-04-2 Лист 53. Колонна КНР-372-17-3 ИИ-04-2 Лист 54. Колонна КНК-372-14-3 ИИ-04-2 Лист 55. Колонна КНК-372-14-3У ИИ-04-2 Лист 56. Колонна КНР-372-14-17-4 ИИ-04-2 Лист 57. Колонна КНК-372-14-4-4 ИИ-04-2 Лист 58. Колонна КНК-372-14-4У ИИ-04-2 Лист 59. Колонна КР-372-11-1 ИИ-04-2 Лист 60. Колонна КК-372-11-1 ИИ-04-2 Лист 61. Колонна КК-372-11-1У ИИ-04-2 Лист 62. Колонна КР-372-11-2 ИИ-04-2 Лист 63. Колонна КК-372-11-2 ИИ-04-2 Лист 64. Колонна КК-372-11-2У ИИ-04-2 Лист 65. Колонна КР-372-11-3 ИИ-04-2 Лист 66. Колонна КК-372-11-3 ИИ-04-2 Лист 67. Колонна КУ-372-11-3У ИИ-04-2 Лист 68. Колонна КР-372-11-4 ИИ-04-2 Лист 69. Колонна КК-372-11-4 ИИ-04-2 Лист 70. Колонна КК-372-11-4У ИИ-04-2 Лист 71. Узел "1" ИИ-04-2 Лист 72. Узел "2" ИИ-04-2 Лист 73. Узел "3" ИИ-04-2 Лист 74. Узел "4" ИИ-04-2 Лист 75. Узел "5" ИИ-04-2 Лист 76. Узел "6" ИИ-04-2 Лист 77. Закладные детали МС-6,МС-7,МС-8,МС-9 |
| Разработан: | ЦНИИЭП торгово-бытовых зданий и туристских комплексов |
| Утверждён: | 13.08.1973 Государственный комитет по гражданскому строительству (173) |
| Чем заменён: |


















































































